J-SAM-GST9121型手动火灾报警按钮检验报告
- 格式:pdf
- 大小:796.16 KB
- 文档页数:7
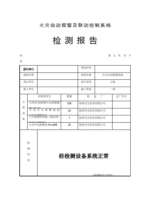
火灾自动报警及联动控制系统
检测报告
№第 1 页共7 页
批准:审核:编制:
火灾自动报警及联动控制系统检测记录
№第 2 页共7 页
№第 3 页共7 页
№第 4 页共7 页
№第 5 页共7 页
№第 6 页共7
页
№第7 页共7
页
气体灭火系统
检测报告
№第 1 页共7 页
批准:审核:编制:
气体灭火系统检测记录
№第 2 页共7
页
№第 3 页共7 页
№第 4 页共7 页
№第 5 页共7 页
№第 6 页共7 页
№第7 页共7 页
消火栓系统
检测报告
№第 1 页共 5 页
批准:审核:编制:
消火栓系统检测记录
№第 2 页共 5 页
№第 3 页共 5 页
№第 4 页共 5 页
№第 5 页共 5 页
自动喷水灭火系统
检测报告
№第 1 页共 6 页
批准:审核:编制:
水喷淋系统检测记录
№第 2 页共 6 页
№第 3 页共 6 页
№第 4 页共 6 页
№第 5 页共 6 页
№第 6 页共 6 页。
技术规格书技术规格书一、火灾报警系统设备1.1 JTY-GD-G3 型点型光电感烟火灾探测器1.1.1 主要技术指标(1)工作电压:总线24V (2)监视电流w 0.8mA ( 3)报警电流w 1.8mA(4)报警确认灯:红色,巡检时闪烁,报警时常亮(5)使用环境:温度:-10C〜+55C相对湿度w 95%不结露(6)编码方式:十进制电子编码(7 )外壳防护等级:IP23 (8)外形尺寸:直径:100mm高:56mm带底座)1.2 JTW-ZCD-G3N 型点型感温火灾探测器1.2.1 主要技术指标(1)探测器类别:P (A1R和BS可设,出厂默认类别在探测器铭牌上标注) (2)工作电压:总线24V (3)监视电流w 0.8mA ( 4)报警电流w 1.8mA(5)报警确认灯:红色,巡检时闪烁,报警时常亮(6)使用环境:温度:A1R类别:典型应用温度25C ;范围-10C〜50CBS 类别:典型应用温度40C ;范围-10C〜65C相对湿度w 95%不结露(7)编码方式:十进制电子编码(8)外壳防护等级:IP33 (9)外形尺寸:直径:100mm高:58mm带底座)1.3 J-SAM-GST9121 型手动火灾报警按钮1.3.1 主要技术指标(1) 工作电压:总线24V (2)监视电流w 0.6mA ( 3)报警电流w 1.8mA(4)线制:与控制器无极性二线制连接(5)输出容量:额定DC30V/100mA6源输出触点信号,接触电阻勺丄1 (6)使用环境:10)执行标准:GB 26851-2019 (11)外形尺寸:温度:-10C〜+55C相对湿度W 95%不结露(7)外壳防护等级:IP43 (8)外形尺寸:95.4mm K 98.4mm K 45.5mm (带底壳)1.4 J-SAM-GST9123 型消火栓按钮1.4.1 主要技术指标(1)工作电压:总线24V (2)监视电流w 0.8mA ( 3)报警电流w 2mA( 4)线制:消火栓按钮与火灾报警控制器信号二总线连接,若需实现直接启泵控制,需将消火栓按钮与泵控制箱采用二线连接 ( 5)指示灯启动:红色,巡检时闪亮,消火栓按钮按下时此灯点亮回答:绿色,消防水泵运行时此灯点亮( 6)无源输出触点容量:DC30V/100mA( 7)使用环境:温度:-10C〜+55C相对湿度w 95%不结露(8)外壳防护等级:IP65 (9)外形尺寸:95.4mn K 98.4mn K 52.5mm (带底壳)1.5 HX-100B 、HX-100B/T型火灾声光警报器1.5.1 主要技术指标 (1)工作电压:信号总线电压:24V允许范围:16V〜28V电源总线电压:DC24V允许范围:DC20X〜DC28V(2)工作电流:总线监视电流w 0.8mA总线启动电流w 6.0mA电源监视电流w 10mA电源动作电流w 90mA(3)线制:四线制,与控制器采用无极性信号二总线连接,与电源线采用无极性二线制连接(4)声压级:80dB〜115dB (前方3m水平处(A计权)) (5)闪光频率:1.0Hz〜1.4Hz(6)变调周期:4s(1±20%) (7)声调:火警声 (8)使用环境:温度:-10C〜+50C相对湿度w 95%不结露(9)外壳防护等级:IP4390mr W 144mr H 60.5mm (带底壳)1.6 GST-LD-8300 型输入模块1.6.1 主要技术指标( 1 )工作电压:总线24V(2)工作电流w 1mA( 3)线制:与控制器的信号二总线连接( 4)出厂设置:常开检线方式( 5)使用环境:温度:-10C〜+55C相对湿度w 95%不结露( 6)外壳防护等级:IP30 ( 7)外形尺寸:86mr W 86mr W 43mm(带底壳)1.7 GST-LD-8301 型输入/输出模块1.7.1 主要技术指标( 1 )工作电压:总线电压:总线24V 电源电压:DC24V( 2)监视电流:总线电流w 1mA电源电流w 5mA(3)动作电流:总线电流w 3mA电源电流w 20mA(4)线制:与控制器采用无极性信号二总线连接,与DC24V电源采用无极性电源二总线连接(5)无源输出触点容量:DC24V/2A正常时触点阻值为100k Q,启动时闭合,适用于12V〜48V直流或交流(6)输出控制方式:脉冲、电平(继电器常开触点输出或有源输出,脉冲启动时继电器吸合时间为10s)(7)出厂设置:常开检线输入、无源输出方式( 8)使用环境:温度:-10C〜+55C10)执行标准:GB 26851-2019 (11)外形尺寸:相对湿度w 95%不结露(9)外壳防护等级:IP30 (10)外形尺寸:86mm 86mr W 43mm(带底壳) 1.8 GST-LD-8313 型隔离器1.8.1 主要技术指标(1) 工作电压:总线24V (2)动作电流w 100mA ( 3)动作确认灯:黄色( 4)使用环境:温度:-10C〜+50C相对湿度w 95%不结露( 5)外壳防护等级:IP30 ( 6)外形尺寸:86m m 86m m 43mm(带底壳)1.9 ZF-500 型火灾显示盘1.9.1 主要技术指标( 1 ) 显示方式:可显示报警时间、设备号、设备类型、注释信息( 2) 显示容量:最多不超过1 26条汉字报警信息(3) 线制:与火灾报警控制器间采用有极性二总线连接,另需两根DC24V&源供电线(不分极性) (4)使用环境:温度:0C〜+ 40C相对湿度w 95%不结露(5)电源:采用DC24V&源集中供电(6)静态功耗w 2W最大功耗w 5W ( 7)外形尺寸:206m m 115m m 44mm 1.10 JB -QB-GST500型火灾报警控制器(联动型) 1.10.1 主要技术指标(1) 液晶屏规格:320m240 图形点阵,可显示1 2行汉字信息( 2) 控制器容量:a. 可带二个242 地址编码点回路,最大容量为484 个地址编码点b. 可外接64 台火灾显示盘;联网时最多可接32 台其它类型控制器c.64 个直接手动操作总线制控制点d. 最大可配置10 路直接控制点( 3) 线制:a. 控制器与探测器间采用无极性信号二总线连接,与各类控制模块间除无极性二总线外,还需外加二根DC24V电源总线b. 与其它类型的控制器采用有极性二总线连接,对于火灾报警显示盘,需外加两根DC24V电源供电总线c. 与彩色CRT系统采用四芯扁平电话线,通过RS-232标准接口连接,最大连接线长(5)电源:主电为交流220V+10%-15%内装DC24V 14Ah密封铅电池作备电(6) 监控状态功耗W 55W火警状态最大功耗W 70W( 7)最大接线长度W 1000m1. 主要技术指标(1)额定输出容量:DC24V 6A (2)使用环境:温度:0C〜+40C相对湿度W 95%,不结露(3)电源:主电为交流220V+10%-15% DC24V 24Ah密封铅电池作备电(4)外形尺寸:诧恤89m 325mm2.1 主要技术指标1) 工作电压:交流AC220V 50/60HZ,允许电压变化范围AC176V〜AC264V 2) 功耗:监视状态功耗W 20W最大功耗W 150W 3)备用电源:2个DC12V/7Ah密封铅电池;4) 气体喷洒输出:DC24V/3A脉冲方式/持续方式,可调;5)辅助24V电源输出:最大0.6A; 6) 电池充电电流:0.6A〜0.8A ;7) 液晶屏规格:128X 64点,可同屏显示32个汉字信息;8)容量可带1个区的气体灭火设备,实现对1个防护区的保护。
安装、使用产品前,请阅读安装使用说明书一、J-SAM-GST9121C手动火灾报警按钮安装使用说明书(Ver.1.01,2021.08)注意事项产品仅应被安装在产品安装使用说明书所明示规定的使用环境,不适用于有易燃性物质、有爆炸性物质或有腐蚀性物质的场所(包括使用磷化铝杀虫剂的烟草仓库)。
产品不可被安装在对设备有特殊认证要求的环境或场所(包括但不限于爆炸性环境、船舶、飞机、火车、机动车等交通工具)。
如有特殊需求,请联系本公司相应销售人员。
二、概述J-SAM-GST9121C手动火灾报警按钮(以下简称报警按钮)安装在公共场所,当人工确认火灾发生后按下报警按钮上的按片,可向控制器发出火灾报警信号,控制器接收到报警信号后,显示出报警按钮的编码信息并发出报警声响。
三、特点1.新型插拔式卡接结构,安装、拆卸简单方便,按片在按下后可用专用工具复位。
2.报警按钮动作机构采用专利设计,抗灰尘能力强。
3.采用32位ARM微处理器实现信号处理,用数字信号与控制器进行通信,工作稳定可靠,对电磁干扰有良好的抑制能力。
4.地址码为电子编码,可现场改写。
四、技术特性1.工作电压:信号总线电压:24V 允许范围:16V~28V2.工作电流:监视电流≤0.3mA报警电流≤0.9mA3.启动零件型式:可重复使用型4.启动方式:人工按下按片5.复位方式:用专用钥匙复位6.指示灯:红色,正常巡检时约3s闪亮一次,报警后点亮7.编码方式:电子编码,编码范围在1~242之间任意设定8.线制:与控制器无极性二线制连接9.使用环境:类型:户内温度:-10℃~+55℃相对湿度≤95%,不凝露10.外形尺寸:91mm×91mm×45.5mm (带底壳)11.外壳防护等级:IP4012.壳体材料和颜色:ABS,红色13.重量:约123g(含底壳)14.安装孔距:60mm五、结构特征与工作原理1. 报警按钮的外形示意图如图1所示。
海湾系统配置说明火灾探测器1、海湾系统的编码型探测器为两线制,探测器接线都是接底座任意一对对角,无极性。
2、非编码探测器探测器都需通过GST-LD-8319输入模块和GST-LD-8320终端器组成一个探测点接入到海湾系统,每只8319输入模块最多可以连接15只非编码型探测器,若输出回路中接有JTG-ZW-G1B型点型紫外火焰探测器,则其数量应不超过3只。
手动火灾报警按钮1、海湾手动火灾报警按钮有两种J-SAM-GST9121、J-SAM-GST9122(含电话插孔),其中9122型火灾报警按钮在有电话系统时才配置。
2、如客户新配置系统中有电话系统时请不要给客户配置J-SAP-8402型手动按钮!!因J-SAP-8402型上电话插口是水晶头,和现在的铜头便携式电话不能匹配。
声光警报器/警铃1、海湾主销的声光警报器为HX-100A/B、GST-HX-F/M8502系列,其中100A/B声光警报器发出的是火警声音,8502警报器发出的“滴、滴”的声音。
2、声光警报器有编码型和非编码型之分,编码型声光警报器可以直接与主机连接,非编码声光警报器与警铃,需通过输入输出模块才可接入到系统。
3、编码型声光警报器限制为两根信号总线与两根电源线,非编码型声光警报器与警铃只需两根电源线,通过输入输出模块接入到系统。
控制器1. JB-QB-GST100主机1、GST100主机不可以配置输出模块(8301等等),所带警报器最大为8只。
如不加配电源箱,100主机所带警报器最大不能超过6只,视具体情况而定。
2、如果客户有几只非编码声光或者警铃,但又不想选用联动主机,可推荐使用GST100主机,使用主机上面警铃或输出端(R+、R-,其触点电流为1A)配置时不超过6只。
3、GST100型控制器不可以连接火灾显示盘,CRT,不可以参与联网。
4、当100A/B警报器数量超过5只或者海湾警铃数量超过30只须加电源箱。
2. JB-QB-GST200主机1、配置时应根据用户设备的用电数量及主机输出电流,并酌情添加电源设备,GST200壁挂式主机输出电流为0.3A,根据计算时超过此值应考虑增加电源箱。
工程材料/购配件/设备报审表
工程名称:长江商学院三亚校区附属建筑(会所)编号:LQG- HL-消防-003
本表由施工单位填写一式三份,审核后,建设、监理、施工单位各留一份。
材料、构配件进场检验记录
工程材料/购配件/设备报审表
工程名称:长江商学院三亚校区附属建筑(会所)编号:LQG- HL-消防-004
本表由施工单位填写一式三份,审核后,建设、监理、施工单位各留一份。
材料、构配件进场检验记录
工程材料/购配件/设备报审表
工程名称:长江商学院三亚校区附属建筑(会所)编号:LQG- HL-消防-005
本表由施工单位填写一式三份,审核后,建设、监理、施工单位各留一份。
材料、构配件进场检验记录。
建筑消防设施检测报告编号:京消检 JASH(2012)000建筑名称:申检单位:检测类别:报告日期:北京京安四海消防科技有限责任公司北京京安四海消防科技有限责任公司检测报告编号:京消检 JASH(2012)共页第 1页批准人:审核人:主检人:北京京安四海消防科技有限责任公司检测报告编号:京消检 JASH(2012)共页第2页北京京安四海消防科技有限责任公司检测报告编号:京消检 JASH(2012)共页 第3页北京京安四海消防科技有限责任公司检测报告编号:京消检 JASH(2012)共页第4页北京京安四海消防科技有限责任公司检测报告编号:京消检 JASH(2012)共页第5页北京京安四海消防科技有限责任公司检测报告编号:京消检 JASH(2012)共页第6页北京京安四海消防科技有限责任公司检测报告编号:京消检 JASH(2012)共页第7页北京京安四海消防科技有限责任公司检测报告编号:京消检 JASH(2012)共页第8页北京京安四海消防科技有限责任公司检测报告编号:京消检 JASH(2012)共页第9页北京京安四海消防科技有限责任公司检测报告编号:京消检 JASH(2012)共页第10页北京京安四海消防科技有限责任公司检测报告编号:京消检 JASH(2012)共页第11页北京京安四海消防科技有限责任公司检测报告编号:京消检 JASH(2012)共页第12页北京京安四海消防科技有限责任公司检测报告编号:京消检 JASH(2012)共页第13页北京京安四海消防科技有限责任公司检测报告编号:京消检 JASH(2012)共页第14页北京京安四海消防科技有限责任公司检测报告编号:京消检 JASH(2012)共页第15页北京京安四海消防科技有限责任公司检测报告编号:京消检 JASH(2012)共页第16页北京京安四海消防科技有限责任公司检测报告编号:京消检 JASH(2012)共页第17页北京京安四海消防科技有限责任公司检测报告编号:京消检 JASH(2012)共页第18页北京京安四海消防科技有限责任公司检测报告编号:京消检 JASH(2012)共页第19页北京京安四海消防科技有限责任公司检测报告编号:京消检 JASH(2012)共页第20页。
消防设施检测报告一、检测目的及范围本次检测旨在对单位的消防设施进行全面检测,包括火灾报警系统、自动喷水灭火系统、消防栓系统等。
检测范围覆盖了该单位内所有的消防设施和设备。
二、检测方法和仪器本次检测采用了先进的设备和技术,并参照相关的国家标准和规范进行操作。
主要检测仪器包括烟感探测器测试仪、压力表、水流量计等。
三、火灾报警系统检测结果1.烟感探测器经检测,烟感探测器在不同区域内的响应时间均符合国家标准要求。
未发现故障或损坏的设备。
2.手动火灾报警按钮手动火灾报警按钮的操作灵敏度正常,能够及时触发报警并传递到消防控制中心。
3.报警控制箱报警控制箱的各个部件正常运行,无松动、腐蚀等现象。
四、自动喷水灭火系统检测结果1.喷头和喷头管路经过检测,喷头的流量满足国家标准要求,喷头管路无堵塞和泄漏现象。
2.喷水泵喷水泵的压力表显示压力正常,泵的运行声音和振动均在正常范围内。
3.喷水管路喷水管路无渗漏现象,关闭状态下的阀门工作正常。
五、消防栓系统检测结果1.消防栓消防栓的触发按钮工作正常,操作灵敏。
消防栓套接头与消防水带连接紧密,无漏水现象。
2.消防水带消防水带无磨损或老化,外观无裂纹,接头完好。
六、其他检测项目1.演练和应急预案经过模拟火灾演练和应急预案的评估,该单位员工能够快速、正确地执行应急措施,并顺利撤离。
2.消防通道消防通道无堵塞、堆积物或其他妨碍撤离的障碍物。
七、问题和建议1.部分烟感探测器的电池电量过低,请更换电池以确保设备正常工作。
2.一些区域内的消防栓存在渗漏现象,请尽快维修并消除泄漏。
八、结论总体来看,该单位的消防设施运行良好,能够满足正常的灭火和撤离需求。
由于检测期间可能存在一些设备未检测到的问题,建议定期对消防设施进行维护和保养,确保其良好运行。