连续梁预应力张拉、压浆技术交底
- 格式:doc
- 大小:641.55 KB
- 文档页数:6
预应力张拉压浆施工技术交底(三级)交底部门: 工程管理部交底时间:交底编号:二〇XXXX年XXX月技术交底记录编号:单位名称交底人复核人交底日期接收部门及人员:连续梁施工作业班组交底的详细内容:具体见后附。
交底情况(有无问题):无附件:技术交底书、技术交底签到表、技术交底影像资料技术交底书单位:工程名称:交底编号:交底名称:预应力张拉与安装交底日期:交底内容:预应力张拉压浆施工技术交底一、预应力张拉(1)连续梁预应力设计本节段按纵向、竖向和横向三向预应力设计。
纵向、横向均为钢绞线,竖向采用Φ25精轧螺纹钢筋。
设计留有施工备用孔道和体外束预留孔道及转向控制点。
张拉钢束应在梁体混凝土强度达到设计值95%以上,弹性模量达到设计值的100%后进行,且必须保证张拉时梁体混凝土龄期不小于5天。
预应力分阶段一次张拉完成。
张拉顺序:根据设计,先腹板束,后顶板束,从外到内左右对称进行,各节段先张拉纵向再横向最后竖向,并24小时内及时压浆。
竖向预应力筋采取二次张拉的方法,即第一次张拉完成1天后进行第二次张拉。
预应力张拉次序、应力控制必须严格按照设计和规范要求进行,并应对张拉进行详细记录。
穿钢绞线时,由于0#块钢绞线长度小,可采用人工穿束,采用YCW500D-200型千斤顶进行张拉,左右对称同时进行,预施应力采用双控措施,预施应力值以油表读数为主,以预应力筋伸长值进行校核。
预施应力过程中应保持两端的伸长量基本一致。
张拉程序:0-→初应力(0.20σcon)-→0.40σcon-→σcon,持荷5min锚固。
预应力张拉过程中保持两端的伸张量基本一直,实测伸长量扣除初始应力影响。
张拉后须观察预应力筋有无断滑丝现象。
竖向预应力的张拉采用YCW60D 型千斤顶,横向采用YDC250QX-200B型千斤顶。
(2)预应力钢绞线钢绞线运至工地后应覆盖并防止锈蚀。
钢绞线的下料不得使电弧或氧弧切割,只能采用盘锯切割,且使钢绞线的切割断面平整以便在张拉时检查断丝。
连续梁预应力工程施工技术交底一、预应力体系1、纵向预应力体系:预应力筋采用1×7-15。
2—1860—GB/T5224—2003预应力钢铰线,锚固体系采用自锚式拉丝体系,锚具应符合《铁路工程预应力筋用夹片式锚具、夹具和连接器技术条件》(TB/T3193—2008),张拉采用与之配套的机具设备.管道形成采用内径70mm、90mm、110mm塑料波纹管成孔。
2、横向预应力体系:横向预应力筋采用1×7—15。
2—1860-GB/T5224-2003预应力钢铰线,锚固体系采用BM15-4(P)锚具及配套的支承垫板,锚具应符合《铁路工程预应力筋用夹片式锚具、夹具和连接器技术条件》(TB/T3193—2008),张拉体系采用YDC240Q型千斤顶,管道形成采用内径70×19mm扁形塑料波纹管成孔.3、竖向预应力体系:竖向预应力筋采用Φ25mm高强精轧螺纹钢筋,型号为PSB785,应符合《预应力混凝土用螺纹钢筋》(GB/T20065-2006)要求,锚固体系采用JLM—25型锚具,张拉体系采用YC60A型千斤顶,管道形成采用内径φ50mm的塑料波纹管成孔.二、预应力筋预留管道埋设安装预应力筋预留管道及钢筋位置应符合表1要求,当普通钢筋与预应力钢筋冲突时,可适当调整普通钢筋,纵向预应力管道位置严禁调整。
纵向预应力管道有平弯和竖弯曲线,所以管道定位要准确牢固,由技术员在CAD图上标注线型变化点后交底于领工员及施工班组,定位钢筋网按60cm间距布置,在管道转折点处定位钢筋网加密为30cm,管道位置误差纵向不大于0.6 cm,定位钢筋应与相交的箍筋点焊牢固,不得用铁丝定位。
所有管道与管道间的联接及管道与锚垫板的喇叭管的联接必须保证其密封性,管道轴线必须与锚垫板垂直且锚孔中心一定要与波纹管的中心对齐.为防止位于底、顶板锯齿块处纵向预应力钢束崩出,在曲线范围内沿纵向设置防崩钢筋。
为防止波纹管出现脱节或烧伤(烧出砂眼、浇混凝土时易进入水泥浆)等现象,严禁施工人员脚踏,或用电焊在波纹管上接触。
桥梁预应力张拉与压浆施工技术交底范本一:一、概述1.1 引言1.2 项目背景1.3 目的和范围二、预应力张拉工序2.1 材料准备2.1.1 预应力钢筋2.1.2 预应力导筒2.1.3 预应力锚固件2.2 前期准备2.2.1 预应力张拉计划编制2.2.2 预应力张拉设备调试2.3 张拉工艺2.3.1 预应力张拉过程控制2.3.2 张拉应力监测2.4 后期处理2.4.1 松弛预应力2.4.2 固定锚固件2.4.3 防腐防护三、压浆工序3.1 材料准备3.1.1 压浆材料3.1.2 压浆设备3.2 压浆工艺3.2.1 压浆过程要求3.2.2 压浆方法及工具3.3 压浆质量控制3.3.1 压浆厚度监测3.3.2 压浆强度检测四、施工安全与质量控制4.1 安全注意事项4.2 质量控制措施4.2.1 施工现场巡视4.2.2 施工记录和报告4.2.3 质量检测和评估五、附件附件一:预应力钢筋张拉计划表附件二:预应力张拉设备调试报告附件三:压浆材料使用记录注释:1. 张拉过程控制:指在预应力张拉过程中对预应力的施加力量、速度、时间等参数进行控制,以实现预应力设计要求。
2. 张拉应力监测:指对预应力张拉过程中的应力进行实时监测和记录,以保证预应力钢筋的质量和稳定性。
3. 松弛预应力:指在锚固后,逐步减小拉力,使钢筋与混凝土之间产生预压力。
4. 压浆厚度监测:指对压浆层的厚度进行测量和检查,以保证压浆质量和加固效果。
5. 压浆强度检测:指对压浆材料硬化后的强度进行检测,以判断压浆质量是否符合要求。
范本二:一、概述1.1 引言1.2 项目背景1.3 目的和范围二、预应力张拉工序2.1 材料准备2.1.1 预应力钢束2.1.2 预应力导管2.1.3 预应力锚固件2.2 前期准备2.2.1 预应力张拉计划编制2.2.2 预应力张拉设备调试2.3 张拉工艺2.3.1 预应力张拉过程控制2.3.2 张拉应力监测2.4 后期处理2.4.1 松弛预应力2.4.2 锚固处理2.4.3 防腐保护三、压浆工序3.1 材料准备3.1.1 压浆材料3.1.2 压浆设备3.2 压浆工艺3.2.1 压浆过程要求3.2.2 压浆方法及工具3.3 压浆质量控制3.3.1 压浆厚度监测3.3.2 压浆强度检测四、施工安全与质量控制4.1 安全注意事项4.2 质量控制措施4.2.1 施工现场巡视4.2.2 施工记录和报告4.2.3 质量检测和评估五、附件附件一:预应力钢束张拉计划表附件二:预应力张拉设备调试报告附件三:压浆材料使用记录注释:1. 张拉过程控制:指在预应力张拉过程中对预应力的施加力量、速度、时间等参数进行控制,以确保预应力钢束的质量和稳定性。
现浇箱梁预应力张拉及真空压浆技术交底一、预应力张拉1、张拉方式预施应力采用两端同步张拉、并左右对称进行或单端张拉、并左右对称进行。
2、张拉程序预应力钢束张拉先后次序根据每跨的设计要求另作交底。
3、张拉实际伸长量实际伸长量△L=δ4+δ2-2δ1夹片回缩量△L´=δ3-δ4当施压至0.6con时持荷2分钟,此过程目的是控制施压速度,防止施压过快造成钢绞线局部受力,对张拉产生不利影响。
4、张拉前准备①张拉前对千斤顶和油表进行标定,标定好后,千斤顶和油表应根据标定报告配套使用。
②根据标定报告提供的回归方程以及设计给的张拉应力计算张拉各阶段的油表读数;复核钢束设计伸长量,经监理工程师审批后方可用于施工。
③张拉前清除锚垫板处的水泥浆,清除钢绞线上的锈迹和油污,并保持钢绞线干燥。
④张拉前,除底模外其他所有模板均应拆除,保证张拉时梁体不受约束。
另外切断支座上下钢板连接螺栓,保证张拉时梁体收缩时支座能自由滑动。
⑤对于两端张拉的钢束,上锚具前必须保证每端钢绞线的工作长度满足张拉要求,避免一端过长而另一端过短。
5、张拉注意事项①预施应力采用双控措施,张拉过程中应保持两端伸长量基本一致,预施应力值以油压表读数为主,以预应力筋伸长值校核。
②在张拉过程中如发现滑丝断丝立即停止操作,查明原因做好记录。
若滑丝、断丝的数量超过有关规定时,经监理工程师检查同意后重新换束。
③施加应力时,测量员应集中精力,测量准确,司泵人员应严格控制油表读数。
预加应力时,两端油泵应升压平稳,配合默契,避免施压过快使钢绞线局部受力。
④张拉时发现张拉设备运转声音异常,应立即停机检查维修。
⑤张拉作业区应标示明显的标记,禁止非生产、非工作人员进入张拉区域。
⑥高压油管使用前作耐压试验,合格后方可使用,张拉时安全阀应调整其规定值后方可开始张拉作业。
张拉时千斤顶后面不准站人,并应设置防护罩。
高压油泵应放在梁的两侧,操作人员应站在预应力钢束位置的侧面,不得踩踏高压油管。
预应力箱梁预应力张拉、压浆技术交底一、工程概述本次工程涉及预应力箱梁的施工,预应力的张拉和压浆是保证箱梁结构性能和安全性的关键工序。
为确保施工质量和安全,特进行本次技术交底。
二、施工准备1、材料准备预应力钢绞线:应符合设计要求的规格和性能,具有质量证明书。
锚具:选用符合设计和规范要求的锚具,具有出厂合格证和检验报告。
水泥:采用强度等级不低于 425 级的硅酸盐水泥或普通硅酸盐水泥。
外加剂:根据需要选用适当的外加剂,其质量应符合相关标准。
2、设备准备千斤顶:根据预应力筋的张拉力选择合适的千斤顶,并进行标定和校验。
油压表:与千斤顶配套使用,精度不低于 15 级。
压浆泵:性能良好,能满足压浆要求。
3、技术准备熟悉施工图纸和相关规范,制定施工方案和技术措施。
对施工人员进行技术培训和交底,使其掌握施工工艺和操作要点。
三、预应力张拉1、张拉前的准备工作检查梁体混凝土强度,达到设计强度的 80%以上且龄期不少于 7 天时方可进行张拉。
清理锚垫板上的杂物,检查锚垫板是否与孔道垂直。
安装工作锚具、夹片,并使其均匀受力。
2、千斤顶的安装将千斤顶安装在相应的孔道位置上,使其中心线与孔道中心线重合。
安装工具锚具和夹片,注意工具锚具的孔位应与工作锚具的孔位一致。
3、张拉顺序按照设计要求的张拉顺序进行张拉,一般为先纵向、再横向、最后竖向。
对称张拉,两端同时进行,保持两端伸长量基本一致。
4、张拉力的控制采用张拉力和伸长量双控的方法进行控制,以张拉力为主,伸长量为辅。
张拉力按照设计要求进行分级加载,每级加载后稳压一定时间,测量伸长量。
5、伸长量的测量测量初始伸长量,在千斤顶开始加载前,测量预应力筋的初始长度。
测量各级加载后的伸长量,在每级加载稳压后,测量预应力筋的伸长量。
测量终了伸长量,在达到设计张拉力后,测量预应力筋的终了伸长量。
6、实际伸长量的计算实际伸长量等于从初应力至最大张拉力之间的实测伸长量加上初应力以下的推算伸长量。
连续梁张拉、压浆施工技术交底施工技术交底项目工程名称新建兰新铁路第二双线甘青段LXS-9标段建设单位施工单位兰新铁路甘青有限公司中铁八局兰新铁路甘青段项目经理部第五工区单位工程名称翟寨子特大桥连续梁工程(DK417+021.50~DK417+167.20)交底部位张拉、压浆、封锚交底日期交底内容:《连续梁张拉、压浆、封锚施工技术交底》附后。
2021年7月10 日交底单位中铁八局兰新铁路甘青段项目经理部第五工区编制技术负责人复核接受人翟寨子连续梁张拉、压浆、封锚施工技术交底一.编制依据(1)中铁第一勘察设计院《预应力混凝土连续箱参考图》图号:兰乌二线施桥参14A-Ⅲ(2)《客运专线铁路桥涵工程施工技术指南》(TZ213-2021)。
(3)《兰新铁路第二双线甘青段施工作业指导书》二.适用范围适用于翟寨子特大桥(DK417+021.50~DK417+167.20)连续梁张拉、压浆、封锚施工作业。
三、预应力规格及型号简介本桥采用三向预应力结构,张拉过程遵循先纵向后竖向再横向的张拉顺序。
纵向预应力筋采用1*7-15.2-1860-GB/T5224-2021预应力钢绞线,锚固体系采用自锚式拉丝体系,张拉采用YCW400B型千斤顶,管道形成采用直径90mm的金属波纹管成孔。
横向预应力筋采用1*7-15.2-1860-GB/T5224-2021预应力钢绞线;锚固体系采用BM15-4(P)锚具及配套的支座垫板;张拉体系采用YDC240Q型千斤顶;管道形成采用内径70*19m扁形金属波纹管成孔。
竖向预应力筋采用Φ32mm高强精轧螺纹钢筋,型号为JL32,锚固体系采用JLM-32型锚具;张拉体系采用YC60A型千斤顶;管道形成采用内径Φ50mm铁皮管成孔。
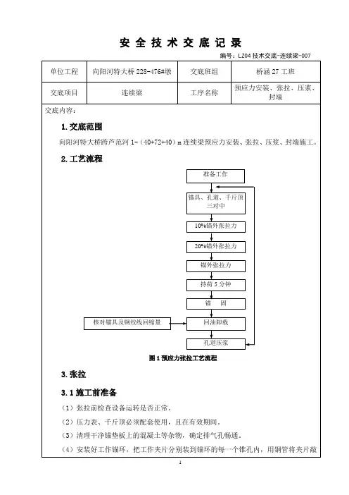
四、张拉工艺流程预应力张拉工艺流程见预应力张拉工艺流程图。
1张拉机具鉴定等准备工作预应力筋穿束安装工作锚具和夹片检查夹片安装情况及测量初始伸长值开启油泵张拉到初始应力0.1σcon停油持荷5分钟张拉到设计应力σcon 测量伸长量停油持荷5分钟回油锚固、退千斤顶翟寨子连续梁预应力张拉流程图五、预应力张拉施工注意事项1)混凝土强度不得小于95%的设计强度,弹性模量达到100%,并龄期不得小于7天后方可张拉。
张拉、压浆技术交底1、张拉准备工作①千斤顶与液压油表的标定:千斤顶和油表在使用前,应在监理工程师的监督下,在国家认定的实验机构对其精度进行标定。
千斤顶一般使用6个月或200次,以及在使用过程中出现不正常现象时,应重新校核。
②检查梁体质量有无蜂窝、麻面、孔洞、露筋、露钢束,锚垫板处有无空洞等情况。
必要时要进行处理后方可张拉。
混凝土强度到达设计强度的85%,且养护时间不少于7天后方可张拉。
检查预应力孔道是否通畅。
清除锚垫板外表和钢绞线上面的污物和油脂,擦洗锚具上面的油污,清除夹片上的毛刺。
凿除锚垫板孔内的波纹管,以防在张拉过程中损伤钢绞线。
③张拉力顺序按照张拉次序将钢束进行编号,以免出错。
张拉控制采用“双控法”。
张拉顺序为:N4张拉到50%控制力→N5张拉到100%控制力→N4张拉到100%控制力→N2张拉到100%控制力→N3张拉到100%控制力→N1张拉到100%控制力。
张拉时两端对称、均匀张拉。
2、张拉工艺张拉前,将每束的多根钢绞线理顺、平行,严禁相互交叉、挤压。
制作张拉施工架子,以便上下、左右活动千斤顶。
装工作锚环和夹片:将钢绞线穿入锚环上相对应的小孔,调整钢绞线平行顺直后,将工作锚环贴紧锚垫板。
在每小孔中的钢绞线外周插入夹片,夹片缝隙大小要调整均匀。
装限位板:使限位板上的小孔对准相应的钢绞线和锚环小孔后,使限位板紧贴锚环、无缝。
装千斤顶:钢束穿过千斤顶的穿心孔道,千斤顶紧贴限位板,务必使千斤顶、限位板、锚环、锚垫板都在同一中心线上〔即四对中〕。
注意:钢绞线在千斤顶内要理顺平行千万不能交错。
装工具锚环和夹片:按上述步骤操作,工具锚夹片的光面先抹少许石腊或用透明胶带缠裹3-5圈后再装入,便于张拉完后夹片退出。
开动油泵少许打油,千斤顶张拉缸保持适量油压后稍松千斤顶吊索,调整千斤顶使千斤顶、锚具、锚垫板在同一中心线上,否则应进行调整,以防造成较大的预应力损失或张拉过程中出现断丝。
分级进行张拉:0→10%σk〔初应力〕→20%σk〔测伸长量〕→100%σk〔测伸长量并核对〕→〔持荷2分钟,以消除夹片锚固回缩时的预应力损失〕→锚固〔观测回缩〕。
连续梁预应力张拉、压浆技术交底一、背景介绍连续梁作为桥梁结构中的一种,具有跨度大、刚度好、平面曲线美观等优点,在大型桥梁工程中得到了广泛应用。
然而,连续梁的建设对预应力张拉和压浆技术的要求较高,尤其是在桥梁的承载能力和使用寿命等方面,需要严格把控预应力张拉和压浆工艺的质量。
本文旨在交底连续梁预应力张拉、压浆技术,以确保连续梁的质量和稳定性。
二、预应力张拉技术交底(一)张拉前准备在进行预应力张拉作业前,需对张拉用的预应力钢束进行检查和验收。
验收内容包括检查预应力钢束的表面是否有裂纹、锈蚀等情况,检查钢束长度、直径是否符合要求,确保其质量符合标准。
同时,对张拉设备进行调试和检查,确保操作人员能够正常操作设备,预应力钢束到位后能够正常张拉。
(二)张拉过程1.张拉前准备工作完成后,应先进行小张拉。
必要情况下需进行升高程序,使钢束逐步达到设计预应力。
2.进行中张拉时,应根据张拉计算书和张拉图控制钢束的张拉力。
在钢束的张拉过程中,应记录张拉力的变化,以便进行张拉的跟踪。
3.进行大张拉时,应严格按照张拉计算书和张拉图的要求进行操作,确保钢束达到设计预应力的要求。
(三)张拉后工作在预应力钢束完成张拉后,应立即对钢束进行紧固,固定在锚具上。
对钢束锚具的固定应符合设计要求,并进行验收。
对张拉设备进行清理、检查、维护,保证设备能够继续使用。
三、压浆技术交底(一)浆液搅拌在进行压浆之前,应先将水泥、石膏、石灰、砂、水等原材料进行混合搅拌,并由压浆负责人检查浆液的比例和搅拌是否均匀,确保浆料的质量。
(二)浆料注入将搅拌好的浆料倒入注浆泵中,然后通过注浆管道进行注浆。
注浆过程中,应注意控制浆液流量和压力,以保证注浆的质量。
当压力达到预定值时,应及时停止注浆,并进行检查、记录。
(三)压浆后工作在压浆完成后,应及时进行检查,确保浆料已充分填充在波纹管、预应力管和缝隙等处。
对于注浆不充分的地方需进行二次注浆和检查。
同时,应对压浆设备和工具进行清理、维护和保养,以确保下一次施工安全、高效。
连续梁张拉压浆技术交底一、交底范围本交底适用于**特大桥主跨连续梁预应力钢束张拉及压浆施工。
二、张拉工艺(1)、连续梁预应力张拉应在梁体强度达到95%,弹性模量达到设计强度的100%后进行。
(2)、预应力张拉顺序:同一梁段的预应力按纵向、横向、竖向的顺序张拉,并及时压浆。
张拉顺序先腹板束,后顶板束,从外到内左右对称张拉。
(3)、预应力张拉施工时最靠近梁段悬臂端的横、竖向预应力同下一个节段的横、竖向预应力一起张拉。
(4)、预应力采用双控措施,预应力值以油压表读数为准,以预应力伸长量进行校核。
(5)、张拉前应仔细检查张拉设备是否齐全及符合设计要求,梁段纵向预应力钢束采用YDC-4500千斤顶及其已标定的配套工具张拉;横向预应力钢束采用DYC-270型千斤顶及其已标定的配套工具张拉;竖向预应力钢筋采用YDC-650型千斤顶及其已标定的配套工具张拉;测量钢束伸长量的钢直尺及施工联系用对讲机也应备齐。
(6)、张拉施工前应根据施工现场实际情况搭设简易、安全、实用的作业平台。
平台面积需满足施工要求,并有足够的安全保障措施。
(7)、张拉过程测量钢绞线伸长量的作业人员属高空作业,注意佩戴安全带。
纵向钢绞线张拉:1、张拉操作要点:安装顺序:安装工作锚、安装工作夹片、安装限位板、安装千斤顶、安装工具锚(1)、纵向钢绞线应按顺直方向每根对应穿过锚板孔,使工作锚板紧贴支承板。
(2)、将夹片用橡皮盘捆住,使夹片沿钢绞线滑移到锚环孔内。
(3)、夹片装完后,用一内径略大于钢绞线直径,长度约500mm 的钢管将夹片捅捣整齐并打紧。
(4)、安装限位板及接长套,将钢绞线穿入油顶,使油顶限位器、锚环、接长套尽量靠拢并对位。
(5)、在油顶的后面安装一工具锚及夹片,为使工具锚好退下,可在工具锚上涂油或在夹片上打腊。
(6)、用小锤轻敲工具锚的夹片,以防滑丝。
(7)、调整顶、锚成一条直线,并与孔道方向一致。
2、操作要点:a、安装工作锚:使锚板与锚垫板尽可能安装在同一轴线上。
技术交底书交底日期技术交底内容:一、预应力张拉1、张拉准备按规定对锚具、夹片等进行检验;对千斤顶、油泵、油表等进行配套标定;千斤顶作业空间的检查、确认;对梁体作全面检查。
割除多余钢钱线:钢较线外露喇叭口的长度为锚具厚度+千斤顶最小工作长度+15Cm的张拉富余量。
富裕量不能过大,否则将增加施工难度。
测量钢束伸长量的钢直尺及施工联系用对讲机应备齐。
张拉过程测量钢绞线伸长量的作业人员属高空作业,注意佩戴安全带。
安装工作锚和夹片:装好锚具后用手锤垫在木头上敲击锚具,直至不能敲动。
接着将夹片装入锚孔,用比钢较线直径略大的钢管击打夹片,使之塞紧在锚孔内。
用钢管击打夹片前,调整均匀同一夹片中各楔片间的缝隙和外露量。
装好后的夹片外露量基本一致且缝隙均匀,否则重装。
安装千斤顶和工具锚、工具夹片:千斤顶安装使用手拉葫芦,安装后至张拉完一直用倒链悬挂着千斤顶,以便用倒链调整千斤顶,使千斤顶轴线与管道和锚垫板轴线一致,保证钢绞线顺直,减少张拉摩阻力。
为使张拉后夹片退锚顺利,在工具锚和工具夹片之间涂抹退锚材料。
安装千斤顶和工具锚、夹片符合下列要求:工作锚、限位板、千斤顶、工具锚、夹片按要求装好,工作锚位于锚垫板凹槽内,相互之间密贴;“四同心”符合要求,即预应力管道、锚垫板、锚具、千斤顶四部分基本同心;各种油管接头满扣上紧,千斤顶、油表安放位置配套正确。
2、张拉作业(1)所有纵向预应力束张拉均使用自锚式锚具、按“左右对称、两端同时”的原则进行。
连续梁预应力张拉应在梁体强度达到100%,弹性模量达到设计强度的100%后进行。
检查油管路连接可靠、正确后,开动油泵,使钢较线略为拉紧后调整千斤顶位置,使其中心与孔道轴线基本一致,以保证钢钱线自由伸长,减少摩阻。
同时调整工具夹片使之卡紧钢较线,以保证各根钢较线受力均匀。
然后两端千斤顶以正常速度对称加载到初始张拉力后停止加载,测量并记录钢校线初始伸长量。
完成如上操作后,继续向千斤顶进油加载,直至达到控制张拉力。
连续梁预应力张拉压浆技术交底表格编号连续梁预应力张拉、管道压浆技术交底书1310 项目名称新建铁路连云港至镇江线LZZQ-03标三分部第 1 页共 7 页交底编号工程名称跨京沪高速淮安东收费站悬灌连续梁设计文件图号连镇施桥(参)19、连镇施桥(特)05-XI施工部位跨京沪高速淮安东收费站连续梁预应力张拉、管道压浆交底日期 /2/10技术交底内容:1、技术交底范围本交底适用于跨京沪高速淮安东收费站悬灌连续梁连续梁预应力张拉、管道压浆施工。
2、施工前准备情况在梁体混凝土养护期间,将钢绞线穿好并安装好锚具、千斤顶。
待养护混凝土强度达到设计值得95%、弹性模量达到设计值的100%、且混凝土龄期大于5天后,方可进行预应力束张拉。
3、施工工艺3.1、钢绞线束的制作及安装(1)钢绞线的制作①钢绞线与波纹管的下料应按设计提供的长度进行,下料误差±10mm;束中各根钢绞线长度差5mm。
②预应力筋应采用砂轮锯切断,不得采用电弧切断,也不得使预应力筋经受高温、焊接火花或接地电流的影响。
下料后应采取措施防止钢绞线出现散头现象。
③钢绞线编束应梳丝理顺,每隔1~1.5m捆扎成束,同一钢绞线应顺畅不扭结。
搬运时不得在地上拖拉,必须保持其清洁;在搬运过程中应避免机械损伤和有害的锈蚀。
④对钢绞线要进行编束并作出标记。
连续梁预应力张拉、管道压浆技术交底书表格编号1310 项目名称 新建铁路连云港至镇江线LZZQ-03标三分部第 2 页 共 7 页交底编号工程名称跨京沪高速淮安东收费站悬灌连续梁 设计文件图号连镇施桥(参)19、连镇施桥(特)05-XI 施工部位连续梁预应力张拉、管道压浆 交底日期/2/10(2)钢绞线束的穿放①在穿束前应清除清除张拉端支承垫板及压浆孔内的杂物。
②同一管道穿束应整束整穿,按编号对号穿入波纹管,穿束时宜采用子弹头形式穿束套,在穿入过程中不得使钢绞线出现散头等现象。
③已出现严重锈蚀的钢绞线严禁穿入管道内。
预应力箱梁预应力张拉、压浆技术交底预应力箱梁预应力张拉、压浆技术交底一、引言预应力箱梁是一种重要的预应力混凝土结构,在施工过程中预应力张拉和压浆技术是关键环节。
本文将详细介绍预应力箱梁预应力张拉、压浆技术的操作步骤、注意事项和质量控制要求。
二、预应力张拉技术交底2.1 张拉钢束准备在进行预应力张拉之前,需要对预埋的钢束进行准备工作。
首先检查钢束的质量和外观,确保钢束没有明显的损伤和腐蚀。
然后用力克隆进行涂覆,以防止与混凝土发生化学反应。
最后,对钢束进行紧固和固定,确保其位置和间距符合设计要求。
2.2 张拉操作步骤预应力张拉的操作步骤如下:(1)确定张拉顺序和张拉力值,根据设计要求和工艺方案进行张拉计划。
(2)在张拉钢束前,先放松钢束上的螺母,然后将张拉千斤顶固定在梁端部。
(3)通过逐渐施加力量,在预定的张拉顺序下逐渐开始张拉,同时在梁端部测量并记录张拉力。
(4)当达到设计要求的张拉力时,固定螺母并检查张拉力的稳定性和准确性。
(5)根据设计要求,在梁端部加固孔中安装并固定锚具。
2.3 张拉注意事项在进行预应力张拉过程中,需要注意以下事项:(1)根据设计要求和施工方案,严格控制张拉力的施加顺序和数值。
(2)监测张拉力的变化,确保稳定性和准确性。
(3)检查和记录张拉力的数据,以备后续的质量评估和控制。
(4)检查和维护张拉设备的状态和运行情况。
三、压浆技术交底3.1 压浆准备工作在进行压浆之前,需要做好以下准备工作:(1)检查梁体表面的平整度和清洁度,除去杂物和灰尘。
(2)检查传感器和测量设备的状态和准确性。
(3)准备好适宜的浆液和工具,如喷涂机、浆液桶等。
3.2 压浆操作步骤压浆的操作步骤如下:(1)根据设计要求,选择合适的浆液和掺合剂,并按照正确的比例进行混合。
(2)使用喷涂机将浆液均匀地喷涂在梁体表面,保证厚度和覆盖面积符合设计要求。
(3)在喷涂过程中,根据需要进行多次喷涂,确保浆液能够充分渗透到梁体内部。
连续梁预应力张拉、压浆技术交底连续梁预应力张拉、管道压浆技术交底书表格编号1310项目名称新建铁路连云港至镇江线LZZQ-03标三分部第 1 页共7 页交底编号工程名称跨京沪高速淮安东收费站悬灌连续梁设计文件图号连镇施桥(参)19、连镇施桥(特)05-XI施工部位跨京沪高速淮安东收费站连续梁预应力张拉、管道压浆交底日期2017/2/10交底人:复核人:交底人: 复核人: 技术交底内容:1、技术交底范围 本交底适用于跨京沪高速淮安东收费站悬灌连续梁连续梁预应力张拉、管道压浆施工。
2、施工前准备情况 在梁体混凝土养护期间,将钢绞线穿好并安装好锚具、千斤顶。
待养护混凝土强度达到设计值得95%、弹性模量达到设计值的100%、且混凝土龄期大于5天后,方可进行预应力束张拉。
3、施工工艺3.1、钢绞线束的制作及安装(1)钢绞线的制作①钢绞线与波纹管的下料应按设计提供的长度进行,下料误差±10mm ;束中各根钢绞线长度差5mm 。
②预应力筋应采用砂轮锯切断,不得采用电弧切断,也不得使预应力筋经受高温、焊接火花或接地电流的影响。
下料后应采取措施防止钢绞线出现散头现象。
③钢绞线编束应梳丝理顺,每隔1~1.5m 捆扎成束,同一钢绞线应顺畅不扭结。
搬运时不得在地上拖拉,必须保持其清洁;在搬运过程中应避免机械损伤和有害的锈蚀。
④对钢绞线要进行编束并作出标记。
连续梁预应力张拉、管道压浆技术交底书 表格编号 1310项目名称 新建铁路连云港至镇江线LZZQ-03标三分部 第 2 页共 7 页 交底编号工程名称 跨京沪高速淮安东收费站悬灌连续梁设计文件图号 连镇施桥(参)19、连镇施桥(特)05-XI交底人: 复核人: 施工部位 连续梁预应力张拉、管道压浆 交底日期 2017/2/10 (2)钢绞线束的穿放 ①在穿束前应清除清除张拉端支承垫板及压浆孔内的杂物。
②同一管道穿束应整束整穿,按编号对号穿入波纹管,穿束时宜采用子弹头形式穿束套,在穿入过程中不得使钢绞线出现散头等现象。
连续梁张拉、压浆技术交底一、背景连续梁是大跨径桥梁常用的一种结构形式,其特点是梁段之间采用现浇钢筋混凝土悬臂连接,形成无缝、连续的梁体结构。
在连续梁的施工过程中,梁体需要进行张拉和压浆等工艺,以确保梁体的安全性和稳定性。
二、连续梁张拉技术1. 张拉锚具安装在进行连续梁张拉工作之前,需要先按照设计要求在梁体上安装张拉锚具。
张拉锚具的数量、型号、位置等要按照设计要求进行设置,并且张拉锚具的安装应符合技术规范的要求。
此外,安装时需要注意锚具定位的准确性和固定的可靠性。
2. 预应力筋制作预应力筋是进行连续梁张拉工作的关键材料,其质量直接关系到梁体的安全性和稳定性。
预应力筋需要按照设计要求进行制作,并且应经过检验合格后方可使用。
同时,在进行预应力筋制作的过程中,要注意保证预应力筋的加工质量,确保其满足技术规范要求。
3. 张拉作业在进行连续梁张拉作业时,需要按照设计要求进行预紧力的设置,并确保作业过程中张拉力的平稳、稳定。
同时,在进行张拉作业的过程中,还需要做好防护措施,确保人员和设备的安全。
三、连续梁压浆技术1. 浆料配制连续梁压浆是为了填充梁体中的悬缝和孔洞,提高梁体的整体质量和强度。
在进行连续梁压浆作业时,需要按照设计要求进行浆料的配制。
浆料的配制应根据技术规范和设计要求,按照一定比例进行拌和,确保浆料的质量和配比的准确性。
2. 压浆作业在进行连续梁压浆作业时,需要按照设计要求进行作业。
压浆作业应采取机械化方式,并严格掌握压浆厚度和压浆时间。
同时,在进行压浆作业的过程中,还需要注意现场环境和人员的安全。
四、质量控制连续梁张拉、压浆作业是桥梁施工中非常重要的工序,需要严格按照技术规范和设计要求进行施工,并建立严格的质量控制体系,确保施工质量。
施工过程中,需要对各项参数进行监测和控制,如张拉力、浆料配合比、压浆厚度等,以保证梁体的质量和强度达到设计要求。
五、结语连续梁张拉、压浆技术是桥梁施工中非常重要的一项工艺。
表格编号连续梁预应力张拉、管道压浆技术交底书1310 项目名称新建铁路连云港至镇江线LZZQ-03标三分部第 1 页共 7 页交底编号工程名称跨京沪高速淮安东收费站悬灌连续梁设计文件图号连镇施桥(参)19、连镇施桥(特)05-XI施工部位跨京沪高速淮安东收费站连续梁预应力张拉、管道压浆交底日期2017/2/10技术交底内容:1、技术交底范围本交底适用于跨京沪高速淮安东收费站悬灌连续梁连续梁预应力张拉、管道压浆施工。
2、施工前准备情况在梁体混凝土养护期间,将钢绞线穿好并安装好锚具、千斤顶。
待养护混凝土强度达到设计值得95%、弹性模量达到设计值的100%、且混凝土龄期大于5天后,方可进行预应力束张拉。
3、施工工艺3.1、钢绞线束的制作及安装(1)钢绞线的制作①钢绞线与波纹管的下料应按设计提供的长度进行,下料误差±10mm;束中各根钢绞线长度差5mm。
②预应力筋应采用砂轮锯切断,不得采用电弧切断,也不得使预应力筋经受高温、焊接火花或接地电流的影响。
下料后应采取措施防止钢绞线出现散头现象。
③钢绞线编束应梳丝理顺,每隔1~1.5m捆扎成束,同一钢绞线应顺畅不扭结。
搬运时不得在地上拖拉,必须保持其清洁;在搬运过程中应避免机械损伤和有害的锈蚀。
④对钢绞线要进行编束并作出标记。
连续梁预应力张拉、管道压浆技术交底书 表格编号 1310 项目名称 新建铁路连云港至镇江线LZZQ-03标三分部 第 2 页 共 7 页 交底编号 工程名称 跨京沪高速淮安东收费站悬灌连续梁 设计文件图号 连镇施桥(参)19、连镇施桥(特)05-XI施工部位 连续梁预应力张拉、管道压浆 交底日期 2017/2/10(2)钢绞线束的穿放 ①在穿束前应清除清除张拉端支承垫板及压浆孔内的杂物。
②同一管道穿束应整束整穿,按编号对号穿入波纹管,穿束时宜采用子弹头形式穿束套,在穿入过程中不得使钢绞线出现散头等现象。
③已出现严重锈蚀的钢绞线严禁穿入管道内。
④为避免钢绞线生锈造成滑丝,预施预应力后应在钢绞线上套上塑料套。
3.2、预应力张拉 (1)预施应力分阶段一次张拉完成。
(2)纵向预应力筋张拉应在梁段混凝土强度达到设计值的95%,弹性模量达到设计值的100%后进行,且必须保证张拉时混凝土龄期不小于5天。
(3)预应力张拉顺序严格按照施工图要求顺序进行张拉,预应力钢束采用两端张拉时,两端应保持对应张拉,左右侧最大不平衡束不应超过1束,张拉顺序先腹板束、后顶板束,从外到内左右对称进行。
同一施工节段的预应力按纵向→竖向的顺序张拉,并及时压浆。
节段施工时最靠近梁端悬臂端的竖向预应力同下一个节段的竖向预应力一起张拉。
连续梁预应力张拉、管道压浆技术交底书 表格编号1310 项目名称 新建铁路连云港至镇江线LZZQ-03标三分部第 3 页 共 7 页交底编号工程名称 跨京沪高速淮安东收费站悬灌连续梁 设计文件图号 连镇施桥(参)19、连镇施桥(特)05-XI 施工部位 连续梁预应力张拉、管道压浆交底日期2017/2/10 (4)预应力采用双控措施,即以油压表读数控制为主;以预应力筋伸长值做为校核。
两端张拉的钢绞线在张拉过程中应保持两端的伸长量基本一致。
(5)张拉设备应在张拉施工前标定完成。
(6)预应力筋参数及张拉顺序见附表。
(7)张拉最终应力值为设计应力的106%。
(8)钢绞线及锚具,回缩量两端之和不得大于6mm ,在施工中进行测量并记录。
(9)张拉过程中出现以下情况之一者,需更换锚具或钢绞线重新张拉: ①后期张拉时发现早期张拉的锚具当中夹片出现断裂者; ②锚环有裂纹者; ③切割钢绞线或压浆时又发生滑丝者。
(10)每段梁张拉时,滑丝、断丝总数不得超过钢丝总根数的0.5%,并不得位于梁体同一侧,且一束内断丝不得超过1丝。
在张拉钢绞线束过程中当一束内出现一根滑丝时,可用单根张拉油顶进行补拉;当一束内出现多根钢绞线滑丝时,须放松钢绞线并重新装夹片整束补张拉。
因处理滑丝、断丝而引起钢丝束重复张拉时,同一束张拉次数不得超过三次。
(11)张拉过程中要如实作好原始记录。
张拉完毕后,必须经现场监理工程师检查签字确认。
表格编号连续梁预应力张拉、管道压浆技术交底书1310 项目名称新建铁路连云港至镇江线LZZQ-03标三分部第 4 页共 7 页交底编号工程名称跨京沪高速淮安东收费站悬灌连续梁设计文件图号连镇施桥(参)19、连镇施桥(特)05-XI施工部位连续梁预应力张拉、管道压浆交底日期2017/2/10(12)张拉完成后钢绞线头用砂轮锯切割,切割钢绞线处距锚具表面宜为30-50mm。
并在张拉完成后48小时内进行管道压浆。
3.3、压浆及封锚(1)压浆工作应在张拉完成后48小时内完成。
压浆前,用环氧砂浆封闭锚头,封锚前清理干净锚头,锚头及外露钢绞线不得有油污,封锚时必须密封,不得漏气,防止压浆时如锚头出现渗水现象。
封锚环氧砂浆达到一定强度后,才可压浆。
(2)压浆时采用无收缩防腐灌浆剂,管道压浆水泥采用强度等级不低于M45,技术标准应满足《铁路后张法预应力混凝土梁管道压浆技术条件》。
(3)压浆前孔道用清水冲洗,高压风吹干;浆体注满管道后,在0.50~0.60MPa下持压2min;压浆最大压力不超过0.60MPa。
(4)搅拌机的转速不低于1000r/min,浆叶的最高线速度限制在15m/s以内。
浆叶的形状应与转速相匹配,并能满足在规定的时间内搅拌均匀的要求。
(5)压浆机采用连续式压浆泵。
其压力表最小分度值不应大于0.1MPa,最大量程度应使实际工作压力在其25%~75%的量程范围内。
储料罐应带有搅拌功能。
如选用真空辅助压浆工艺,真空泵应能达到0.092MPa的负压力。
(6)压浆顺序:先下后上。
首先由一端以0.6MPa的恒压力向另一端压送水泥浆,当出浆口溢出的稀浆变浓之后,达到规定的稠度后,持压2min以上,封闭出浆口,继续压浆至压力达0.6MPa。
若无漏浆则关闭进浆阀门卸下输浆胶管。
表格编号连续梁预应力张拉、管道压浆技术交底书1310 项目名称新建铁路连云港至镇江线LZZQ-03标三分部第 5 页共 7 页交底编号工程名称跨京沪高速淮安东收费站悬灌连续梁设计文件图号连镇施桥(参)19、连镇施桥(特)05-XI施工部位连续梁预应力张拉、管道压浆交底日期2017/2/10(7)压浆用的胶管一般不超过30m,若超过30m则压力增加0.1Mpa,水泥浆搅拌结束至压入管道的时间间隔不应超过40min。
(8)封端混凝土应表面平整、无气孔,与梁体外观颜色相一致。
封端混凝土养护同梁体。
(9)在张拉完成后,对暂时不能封锚的锚头,应用防水涂料对其进行处理,并加以封闭。
张拉完成后,测定箱梁上拱度。
(10)灌注封端混凝土前,先将承压板表面的粘浆和锚环上的灰浆铲除干净,并对锚具进行防锈处理,锚具与锚垫板间间隙应采用聚氨脂防水涂料进行防水处理。
检查确认无漏压的管道后,将原混凝土面凿毛,安装封端钢筋网,立封端模板。
立模时,应注意符合箱梁设计长度的允许误差标准,并安装牢固。
(11)封端混凝土应采用强度等级为C50无收缩混凝土,灌注混凝土时下料要慢,用插入式振捣棒进行仔细振捣,防止边角部分出现峰窝,麻面等现象。
4、预应力施工安全注意事项(1)张拉操作平台四周要有防护栏杆和安全网,平台板铺不得留空隙。
作业人员应戴安全帽、穿防滑鞋,高空作业系安全带。
(2)张拉时,加载应缓慢均匀,逐级加载,两端张拉时,两端保持得联系,尽量使张拉位置同步,两端伸长量保持一致。
(3)高压油管应作耐压试验,不合格不得使用。
表格编号连续梁预应力张拉、管道压浆技术交底书1310 项目名称新建铁路连云港至镇江线LZZQ-03标三分部第 6 页共 7 页交底编号工程名称跨京沪高速淮安东收费站悬灌连续梁设计文件图号连镇施桥(参)19、连镇施桥(特)05-XI施工部位连续梁预应力张拉、管道压浆交底日期2017/2/10(4)张拉时千斤顶后不能站人,也不得踩踏高压油管。
(5)预应力钢绞线下料,在清理干净的硬化场地进行。
场地内严禁动用电焊设备,防止电焊弧击伤钢绞线,造成钢绞线在张拉时断裂伤人。
(6)夹片、锚具进场后仔细检查夹片、锚具的硬度和圆锥度以及夹片有无裂纹、有无锈蚀现象,以保证夹具具有足够的自锚能力,防止夹片、锚具弹出伤人。
(7)采用油顶、油表相互匹配的预应力张拉施工设备,在使用一定时间或次数后及时校验,防止因油顶、油表不匹配造成张拉力控制不准确,产生安全事故。
(8)张拉机具运转声音异常,应立即停机检查维修。
(9)高压泵上的安全阀应调至最大工作油压下能自动打开的状态。
张拉时千斤顶后不能站人,也不得踩踏高压油管。
(10)张拉机具运转声音异常,应立即停机检查维修。
(11)高压泵上的安全阀应调至最大工作油压下能自动打开的状态。
(12)油压表安装必须紧密满扣,油泵与千斤顶之间采用的高压油管连同油路的各部接头均须完整紧密,油路通畅,在最大工作油压下保持5min以上均不得漏油。
若有损坏者应及时更换。
(13)电气操作人员取得“电工作业操作证”后,持证上岗作业。
严格遵守“施工现场临时用电安全技术规范”及相关的规程、条例进行操作。
用电设备实行一机一闸一漏一箱一开关;保证漏电保护器与设备相匹配,定期检查。
(14)施工过程中有不明之处,请与交底人联系,请勿盲目施工。
表格编号连续梁预应力张拉、管道压浆技术交底书1310 项目名称新建铁路连云港至镇江线LZZQ-03标三分部第 7 页共 7 页交底编号工程名称跨京沪高速淮安东收费站悬灌连续梁设计文件图号连镇施桥(参)19、连镇施桥(特)05-XI施工部位连续梁预应力张拉、管道压浆交底日期2017/2/105、附表:(1)预应力混凝土连续梁张拉记录表。
(2)预应力混凝土连续梁压浆记录表。
(3)跨京沪高速淮安东收费站悬灌连续梁钢索特征表。
(4)跨京沪高速淮安东收费站悬灌连续梁张拉顺序表。