建筑生活热水用水量计算表
- 格式:xls
- 大小:25.50 KB
- 文档页数:4
建筑给排水中热水用水量计算方法的比较建筑给排水设计是建筑设计的重要组成部分,其中热水用水量计算是一个关键的环节,以便保证建筑的正常运行和生活的舒适性。
在建筑给排水中,热水用水量是建筑的一个重要指标,它直接关系到住户的日常生活。
传统的水量计算方法有很多,但它们在实施中都会存在一些问题。
本文将介绍3种常见的热水用水量计算方法,并比较它们的优缺点。
一、常规用水量法传统的热水用水量计算方法是基于建筑能耗的基础上计算出建筑设备的标准热水用水量。
在计算过程中,需要考虑住宅类型、住宅面积、住宅人口以及用水设备等因素。
通常情况下,住户用水量的计算根据住宅的类型来确定,例如公寓、别墅、民居等不同类型的建筑所需要的人均用水量就不同,一些专业的建筑设计软件例如Eurocodes 也提供了比较全面的热水用水量计算方法。
优点:1. 非常简单易懂,适用于小区等小规模住宅的热水用水量计算;2. 采用建筑的分类标准,能够以低成本得到比较精准的数据。
缺点:1. 忽略了住宅内部的具体情况,例如生活习惯不同的住户对热水需求量的差异;2. 无法预测日常生活中客户使用模式的变化;3. 在设计大型住宅和综合体建筑时,无法有效计算热水需求量;4. 不考虑住户间用水互相影响的问题,不能准确反映出住户实际的用水量和热水需求量。
二、经验法经验法的热水用水量计算是基于建筑已完成建筑设备的使用时间计算,并通过统计收集的经验数据来估计出居住者用水量和热水需求量。
优点:1. 该方法适用于正在使用的住宅,能较准确地反映出住户用水量的实际变化。
2. 当住宅使用时间较长时,该方法能够节省建筑设计的成本和时间。
3. 当住宅外立面和结构不变时,该方法可以通过经验数据来反映住户用水量的变化,较全面地反映住宅的真实用水情况。
缺点:1. 仅适用于已使用的住宅,无法适应新住宅的设计和建造。
2. 如果住户用水模式发生变化,就会导致经验数据的失效和用水计算不准确的问题。
3. 该方法无法考虑到新建筑物的规划、建设和使用期的未来变化,不适用于大型综合大型住宅和建筑。
..生活和公共用水量定额及标准资料本源于:GBJ13— 86、 GBJ15— 88、SHJ1060—84《煤炭工业矿井设计规范》、JGJ49 —88、JGJ62— 90、 JGJ48— 88 GB11730— 89、GBJ13—86、GBJ15— 88、 SHJ1064— 84、 TBJ10 —85—————————————————————————————————————一生活用水二工业企业生活用水三公共建筑用水四农村生活用水五.浇洒和冲刷用水一.生活用水1.1 城镇居住区生活用水定额GBJ13— 86 规定了城镇居住区居民平常生活所需的饮用、冲刷和冲刷便器等用水和居住小区内分别性公用建筑用水的用水量和水压等,是规划、设计城镇给水工程的重要依照。
居住区生活用水定额,一般可采用下表的规定。
当居住区本质生活用水量统计资料预该规定有较大出入时,其用水定额经设计审批部门同意,可按当地生活用水量统计资料合适增减。
给水设施种类用水情况分区一二三四五室内无给水排最高日( L/ 20~30 20~40 30~35 40~60 20~40水卫生设施从人.d )集中给水龙头平均日( L/ 10~22 10~25 20~35 25~40 10~25 取水人.d )时变化系数室内有给水龙最高日( L/ 40~60 45~65 60~85 60~90 45~60头但无卫生设人.d )备平均日( L/ 20~40 30~45 40~65 40~70 25~40 人.d )时变化系数室内有给水排最高日( L/ 85~120 95~125 95~130 95~135 85~120水卫生设施但人.d )无淋浴设施平均日( L/ 55~90 60~95 65~100 65~100 55~90 人.d )时变化系数..水和淋浴设施人.d )平均日( L/ 90~125 100~140 110~150 120~160 100~140人.d )时变化系数室内有给水排最高日( L/ 170~200 180~210 185~215 190~220 180~210 水卫生设施有人.d )淋浴设施和集平均日( L/ 130~170 140~180 145~185 150~290 140~180 中热水供应人.d )时变化系数注:①居民生活用水指:城市居民平常生活用水。
生活热水计算生活热水计算1、生活热水计算的主要工作确定水温计算生活热水流量计算热负荷选择供水方式选择换热器(计算换热器加热盘管)2、生活热水负荷的确定水温:生活热水水温≤60℃间接加热热媒水温≤90℃3、热水流量计算:1)全日供应生活热水的住宅、别墅、医院(含疗养院、休养所)、旅馆(含招待所)24rh q m K Q ××=Q -设计小时热水量(L/h )K h -小时变化系数(查表)m -用水计算单位数(人和床)q r -热水用热定额(查表)住宅、别墅的热水小时变化系数K h 值2.342.482.863.283.703.884.134.495.12K h ≥600030001000500300250200150≤100居住人数m旅馆的热水小时变化系数K h 值3.904.194.584.975.616.84K h ≥1200900600450300150床位数m医院的热水小时变化系数K h 值1.95≥10002.232.602.933.543.784.55K h 5003002001007550床位数m“60℃热水用水定额q r 见表8.0.1-4。
生活热水计算2)定时供应生活热水的住宅及公共建筑,易根据卫生器具的小时用水量计算负荷:bn q Q h ××=∑0Q -设计小时热水量(L/h )q h -卫生器具小时热水量(L/h )n 0-同类型卫生器具数b -卫生器具同时使用百分数住宅、旅馆、医院、疗养院病房、卫生间内浴盆或淋浴器按30%~50%计。
公共浴室、学校、剧院及体育馆(场)按100%计住宅一户带多个卫生间时,按一个卫生间计算。
3)热水量的计算应符合下列要求:锅炉产热水量应满足秒流量的要求如水温不稳定应设置储热水器储热水器的容积可通过计算或根据下表选取20~30min15~20min ≥20min ≥15min 其它建筑物工业企业淋浴室其它建筑物工业企业淋浴室间接加热机组直接加热机组生活热水计算例1:为某宾馆提供24小时生活热水(60℃),该宾馆共有床位1500个,该宾馆共有员工500人,计算生活热水用水量。
用水量计算3。
6.1 居住小区的室外给水管道的设计流量应根据管段服务人数、用水定额及卫生器具设置标准等因素确定,并应符合下列规定:1 服务人数小于等于表3.6。
1中数值的室外给水管段,其住宅应按本规范第3。
6。
3、3。
6。
4条计算管段流量。
居住小区内配套的文体、餐饮娱乐、商铺及市场等设施应按本规范第3.6.5条和第3.6.6条的规定计算节点流量;表3。
6。
1 居住小区室外给水管道设计流量计算人数注:1 当居住小区内含多种住宅类别及户内Ng不同时,可采用加权平均法计算;2 表内数据可用内插法.2 服务人数大于表3.6。
1中数值的给水干管,住宅应按本规范第3。
1.9条的规定计算最大时用水量为管段流量。
居住小区内配套的文体、餐饮娱乐、商铺及市场等设施的生活给水设计流量,应按本规范第3。
1。
10条计算最大时用水量为节点流量;3 居住小区内配套的文教、医疗保健、社区管理等设施,以及绿化和景观用水、道路及广场洒水、公共设施用水等,均以平均时用水量计算节点流量。
注:凡不属于小区配套的公共建筑均应另计。
3.6。
1A 公共建筑区的给水管道应按本规范第3.6。
5条计算管段流量和按第3。
6。
6条计算管段节点流量。
3。
6.1B 小区的给水引入管的设计流量,应符合下列要求:1 小区给水引入管的设计流量应按本规范第3。
6。
1、3.6。
1A条的规定计算,并应考虑未预计水量和管网漏失量;2 不少于两条引入管的小区室外环状给水管网,当其中一条发生故障时,其余的引入管应能保证不小于70%的流量;3 当小区室外给水管网为支状布置时,小区引入管的管径不应小于室外给水干管的管径;4 小区环状管道宜管径相同。
3.6。
3 建筑物的给水引入管的设计流量,应符合下列要求:1 当建筑物内的生活用水全部由室外管网直接供水时,应取建筑物内的生活用水设计秒流量;2 当建筑物内的生活用水全部自行加压供给时,引入管的设计流量应为贮水调节池的设计补水量。
设计补水量不宜大于建筑物最高日最大时用水量,且不得小于建筑物最高日平均时用水量;3 当建筑物内的生活用水既有室外管网直接供水、又有自行加压供水时,应按本条第1、2款计算设计流量后,将两者叠加作为引入管的设计流量。
水、暖、电用量估算资料(供参考)(一)常用用水量估算值参考资料一、用水定额1.住宅最高日用水(含热水)定额2.集体宿舍、旅馆及公共建筑生活用水(含热水)定额2.表中不含食堂用水;3.商场按顾客人次数计算用水量时,按每m2营业面积0.8人,人流5~10次/日,用水人次数5%~10%计;4.除注明者外,均不含员工生活用水,员工用水定额为每人每班40~60L;5.北京地区为缺水地区,宜取下限值。
3.汽车冲洗用水量定额(L/辆·次)4.浇洒道路、场地和绿化用水定额二、生活用水量计算简介1.生活给水最高日用水量计算:Q d=m·q d式中m—用水单位数,q d—最高日生活用水定额,按表1.2选用。
2.生活给水最大时用水量计算:Q h=Q d/T·K h式中T—建筑物用水时间(h),按表1.2确定,Kh—小时变化系数,按表1.2确定。
3.室外游泳池最高日补充水量按池水容积的10%~15%计算。
4.室外水景池日补充水量按最大循环流量的1.0%~2.5%计算。
5.锅炉热水、热交换器被加热水、采暖热水、空调冷热水循环水系统的小时泄漏量,宜按系统水容量的1%计算,系统水容量参见下表。
6.不可预见水量和管网漏失水量之和按总用水量的10%~15%计算。
三、消防用水量1.居住区室外消防用水量2.多层民用建筑室外消火栓用水量3.多层民用建筑室内消火栓用水量量可减少50%,但不得小于10L/S。
4.高层民用建筑物的室内外消火栓用水量灭火系统的建筑物,其室内外消防用水量可分别按表内数值减少5L/S。
5.人防工程室内消火栓最小用水量6.汽车库、停车场的室内外消火栓用量ⅠⅡⅢⅣ汽车库>300辆151~300辆51~150辆≤50辆停车场>400辆251~400辆101~250辆≤100辆(二)常用采暖、通风、空气调节估算值参考资料一、冷热负荷估算指标1.建筑物冬季采暖热负荷指标2.建筑物空调冷、热负荷指标2.按表中估算的冷负荷,即是制冷机估算量。
建筑热水量耗热量的计算及水加热和贮热设备规范要求1.1.热水量、耗热量和供热量计算(1)设计小时热水量计算q r h=Qh∕[1.163(t1^tι)p r] (4-12)式中q r h ------- 设计小时热水量(1/s);Qh——设计小时耗热量(W);t r——设计热水温度(°C);tι——设计冷水温度(℃);Pr——热水密度(kg/1)。
(2)设计小时耗热量的计算1)设有集中热水供应系统的居住小区的设计小时耗热量,当公共建筑的最大用水时时段与住宅的最大用水时时段一致时,应按两者的设计小时耗热量叠加计算;当公共建筑的最大用水时时段与住宅的最大用水时时段不一致时,应按住宅的设计小时耗热量加公共建筑的平均小时耗热量叠加计算。
2)全日供应热水的住宅、别墅、招待所。
培训中心、旅馆、宾馆的客房(不含员工)、医院住院部、养老院、幼儿园、托儿所(有住宿)等建筑的集中热水供应系统的设计小时耗热量式中Qh——设计小时耗热量(W);m——用水计算单位数(人数或床位数);q r——热水用水定额(1/人.d或1/床.d)应按《热水用水定额》表采用;C——水的比热,C=4187J/(kg•℃);tr 热水温度,匕=60。
t1一一冷水温度,按《冷水计算温度》表采用;Pr -- 热水密度(kg/1);Kh——小时变化系数,可按表4-7、表4-8、表4-9采用。
3)定时供应热水的住宅、旅馆、医院及工业企业的生活间、公共浴室、学校、剧院、体育馆(场)等建筑的热水供应系统的设计小时耗热量式中Qh——设计小时耗热量(W);q h——卫生器具热水的小时用水定额(1/h),应按《卫生器具的一次和小时热水用水定额及水温》表采用;c——水的比热容,c=4187J/(kg•℃);t r——热水温度(℃),按《卫生器具的一次和小时热水用水定额及水温》表采用;t1——冷水温度(°C),按《冷水计算温度》表采用;Pr --- 热水密度(kg/1);N0——同类型卫生器具数;b——卫生器具的同时使用百分数:住宅、旅馆,医院、疗养院病房,卫生间内浴盆或淋浴器可按70%—100%计,其他器具不计,但定时连续供水时间应不小于2h。
居民小区用水量的计算3.6.1 居住小区的室外给水管道的设计流量应根据管段服务人数、用水定额及卫生器具设置标准等因素确定,并应符合下列规定:1 服务人数小于等于表3.6.1中数值的室外给水管段,其住宅应按本规范第3.6.3、3.6.4条计算管段流量。
居住小区内配套的文体、餐饮娱乐、商铺及市场等设施应按本规范第3.6.5条和第3.6.6条的规定计算节点流量;表3.6.1 居住小区室外给水管道设计流量计算人数注:1 当居住小区内含多种住宅类别及户内Ng不同时,可采用加权平均法计算;2 表内数据可用内插法。
2 服务人数大于表3.6.1中数值的给水干管,住宅应按本规范第3.1.9条的规定计算最大时用水量为管段流量。
居住小区内配套的文体、餐饮娱乐、商铺及市场等设施的生活给水设计流量,应按本规范第3.1.10条计算最大时用水量为节点流量;3 居住小区内配套的文教、医疗保健、社区管理等设施,以及绿化和景观用水、道路及广场洒水、公共设施用水等,均以平均时用水量计算节点流量。
注:凡不属于小区配套的公共建筑均应另计。
3.6.1A 公共建筑区的给水管道应按本规范第3.6.5条计算管段流量和按第3.6.6条计算管段节点流量。
3.6.1B 小区的给水引入管的设计流量,应符合下列要求:1 小区给水引入管的设计流量应按本规范第3.6.1、3.6.1A条的规定计算,并应考虑未预计水量和管网漏失量;2 不少于两条引入管的小区室外环状给水管网,当其中一条发生故障时,其余的引入管应能保证不小于70%的流量;3 当小区室外给水管网为支状布置时,小区引入管的管径不应小于室外给水干管的管径;4 小区环状管道宜管径相同。
3.6.3 建筑物的给水引入管的设计流量,应符合下列要求:1 当建筑物内的生活用水全部由室外管网直接供水时,应取建筑物内的生活用水设计秒流量;2 当建筑物内的生活用水全部自行加压供给时,引入管的设计流量应为贮水调节池的设计补水量。
建筑给排水中热水用水量计算方法的比较摘要:《建筑给水排水设计规范》中对建筑热水的计算给出了2个公式,但这2个公式的小时变化系数Kh在实际应用中不易确定。
通过对该规范中有关数据进行整理,利用最小二乘法原理进行数据处理,得出了计算Kh值的拟合公式。
随着人们生活水平的提高,热水的使用范围与频率也不断扩大和增长,不仅出现了功能齐全的各类电热水器、煤气热水器、太阳能热水器等等,而且住宅小区、高档写字楼内的集中供热水系统也在各地不断得到应用,至于各大宾馆、旅馆等,热水供应系统更是必不可少,只是在供水时间段上显示出其档次的高低,有的是24h供应热水,有的仅在某一时间段内定时供应热水。
由于热水系统的普及,且应用对象的性质、规模各有不同,因此在具体的工程设计中也经常遇到一些问题。
本文重在分析现有热水用水量计算公式的特点及各自的适用范围,以便在具体的工程设计中合理应用。
1 热水甩水量计算方法简介根据《建筑给水排水设计规范》GBJl5-88,建筑物的热水用水量可通过以下两种方法计算得到:① 根据人数或床位数和其热水用水量定额计算法[1]:Qh=K h mq r/24式中:Qh一最大时热水用水量;K h——小时变化系数;M—用水计算单位数(人或床);q r——热水用水量定额:规范中的计算公式隐含着热水供应时间统一为24h,并给出了一个全日制供应热水时K h 值的表格。
但我们从表中只能查到一些离散的点,而实际应用中往往要通过插值方法才能得到所需的K h值。
而设计人员常用线性插值,有时甚至“毛估估”,造成了计算结果的偏差,进而影响了实际的使用效果。
本文将给出经曲线拟合得到的K h的计算公式,以便于设计人员的使用。
q r的选用要注意热水的温度,必要时需经过换算,即(tr1—tl)q r1=(tt2—t1)q t2,其中tl为当地的冷水温度。
在实际应用过程中,有一些工程是全日制供应热水,即t=24h,可以直接选用规范规定的有关的K h值,但还有一些工程是定时供应热水,即t≠24h,从理论上来说这时的K h值应小于全日制供水状况,但由于没有相关的参考数据,设计人员往往套用全日制供水条件下的K h值,显然这是有偏安全的。
建筑给水排水工程(建工版)教学设计3 课程单元教学设计5.4 热水用水量、耗热量的计算及加热设备的选择热水系统中,计算热水量、耗热量的目的在于选择系统所需要的设备。
其计算方法如下。
一、 热水量的计算生产用热水量根据生产工艺和生产规模确定。
生活用热水用水量的计算有下面两种方法。
1.对于居住建筑、医院、疗养院、休养所、旅馆等可按使用热水的单位数、用水量标准和小时变化系数计算,即24rhr mq K G = (5—1) 式中G r ——热水设计用水量,L/h ;m ——用热水单位数,人或床位数;q r -一热水用水量标准,L /d (按表6.2采用); K h ——小时变化系数,按表5-3,表5—4,表5—5采用。
表5—3住宅的热水小时变化系数K h 值表5—4旅馆的热水小时变化系数K h 值表5—5医院的热水小时变化系数K h 值2.对于工业企业生活间、剧院、体育馆、学校、公共浴室、专用浴室、平均人口≤4人的住宅等,可按卫生器具数,热水用水量标准与同时使用百分数计算。
100nbq G h r ∑= (5—2)式中 G r ——同上式:q h ——卫生器具一小时热水用水量(按表5-3采用),L /h ; n ——同类型卫生器具数;b ——卫生器具同时使用百分数,公共浴室、工业企业生活间、学校、剧院及体育馆(场)等浴室的淋浴器和洗脸盆按100%计,旅馆、客房卫生间内的浴盆按60~70%计,其它器具不计;医院、疗养院的病房内卫生间的浴盆按25~50%计,其它器具不计。
二、 冷热水混合的水量分配当使用与供应水温不一致时,需用冷热水混合使其达到使用温度,其冷热水量可根据热平衡关系求出,即h r h Lr Lh r G G t t t t G •=•--=ϕ (5—3)()h r h L r L h L G G t t t t G ϕ-=⎪⎪⎭⎫ ⎝⎛---=11 (5—4)h r h G G G += (5—5)式中G r 、G L 、、G h ——分别为热水水量、冷水水量、混合水量,L /s ;;t r 、t L 、t h ——分别为热水温度、冷水温度、混合水温度,℃;r ϕ——热水量占混合水量的百分数。
参考医学
热水用量标准参考表
点击次数:
111更新时间:20110420【打印此页】【关闭】
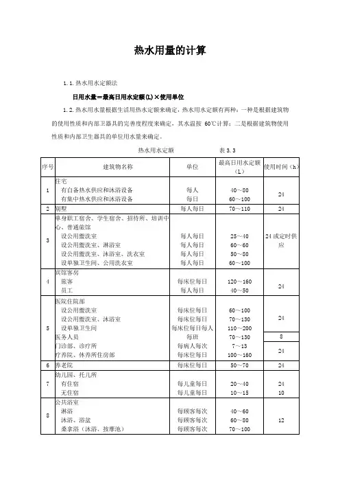
1热水用水定额法:日用水量二最高日用水定额(L)X使用单位
2热水用水量根据生活用热水定额来确定,热水用水定额有两种:一种是根据建筑物的使用性质和内部卫器具的完善度程度来确定,其水温按60C计算;第二种是根据建筑物使用性
质和内部卫生器具的单位用水量来确定。
参考医学
(注:表格素材和资料部分来自网络,供参考。
只是收取少量整理收集费用,请预览后才下载,期待你的好评与关注)。
生活和公共用水量定额及标准资料来源于:GBJ13—86、GBJ15—88、SHJ1060—84《煤炭工业矿井设计规范》、JGJ49—88、JGJ62—90、JGJ48—88 GB11730—89、GBJ13—86、GBJ15—88、SHJ1064—84、TBJ10—85—————————————————————————————————————一生活用水二工业企业生活用水三公共建筑用水四农村生活用水五.浇洒和冲洗用水一.生活用水1.1城镇居住区生活用水定额GBJ13—86规定了城镇居住区居民日常生活所需的饮用、洗涤和冲洗便器等用水和居住小区内分散性公用建筑用水的用水量和水压等,是规划、设计城镇给水工程的重要依据。
居住区生活用水定额,一般可采用下表的规定。
当居住区实际生活用水量统计资料预该规定有较大出入时,其用水定额经设计审批部门批准,可按当地生活用水量统计资料适当增注:①居民生活用水指:城市居民日常生活用水。
②综合生活用水指:城市居民日常生活用水和公共建筑用水。
但不包括浇洒道路、绿地和其它市政用水。
③特大城市指:市区和近郊区非农业人口100万及以上的城市;大城市指:市区和近郊区非农业人口50万及以上,不满100万的城市;中、小城市指:市区和近郊区非农业人口不满50万的城市。
④一区包括:贵州、四川、湖北、湖南、江西、浙江、福建、广东、广西、海南、上海、云南、江苏、安徽、重庆;二区包括:黑龙江、吉林、辽宁、北京、天津、河北、山西、河南、山东、宁夏、陕西、内蒙古河套以东和甘肃黄河以东的地区;三区包括:新疆、青海、西藏、内蒙古河套以西和甘肃黄河以西的地区。
⑤经济开发区和特区城市,根据用水实际情况,用水定额可酌情增加。
注:1 分区范围参照上表。
2 为计量收费供水。
1.3住宅建筑生活用水定额GBJ15—86规定了民用建筑的室内生活用水定额,其每个人每日最高日生活用水定额,与GBJ13—86基本一致,唯时变化系数高于GBJ13—88的规定。
宾馆热水计算
建筑物类型:宾馆
系统名称:热水系统1
床位数按:100取用水定额:187.5 升/床*日
冷水温度:5 摄氏度热水温度56摄氏度
小时变化系数取:4.55
用水时数取:约24小时
计算结果:
(1) 小时耗热量:231.69 KJ/h
(2)最高日用水量为:17.50 立方米;
(3)最高日最大小时用水量为:1.82 立方米/小时。
(4)水力坡度:
i=0.000915Q^1.774/dj^4.774=0.000915×0.00051^1.774/0.059^4.774=0.0009 6
(5)平均流速:v=Q/(0.25π×dj^2)=0.00051/(0.25π×0.059^2)=0.18m/s
(6)沿程水头损失:hd=i×L=0.00096×100=0.1m
(7)局部水头损失:hj=hd×m=0.1×0.3=0.03m
(8)总水头损失:H=hd+hj=0.1+0.03=0.12m
其中,dj为计算内径,π取3.1415926。
(4)管网热损失:
α值:2.5 管道材质:PP-R(1.6MPa)
控制流速:DN15-DN20≤0.8m/s DN25-DN40≤1.0m/s DN50-≤1.2m/s
末端压力:0.030(MPa)
最高水温:60℃ 最低水温:20℃ 保温系数:0.7 环境温度:20℃
建议:目前在热回水主管道(DN65管)上,增加热回水泵,功率2kw,扬程15 米,流速1.2m/s。