PTK-7532E八防区网络报警模块说明书
- 格式:doc
- 大小:6.82 MB
- 文档页数:13
一:主要功能与特点1,微电脑苡片控制报警,防范窃贼入室,探测燃气泄露及烟雾火灾。
2,具有紧急求救功能。
3,无线布控,不需布线,安装简单。
4,能预设有声或无声报警(即报警时是否开启警号)5,无线遥控布防,撤防,并可通过另一部电话进行远程布防,撤防,现场监听。
6,可拔6组远程报警电话号码,向主人的手机,呼机,110及小区物业管理中心等地报警。
7,能与电脑报警中心联网使用,电脑控制中心在收到报警后,能自动调出用户资料,实时显示在电脑屏幕上,能区分警情类别。
(注:与此同时110联网须与当地公安部门协商)8,八个无线防区及一个有线防区,可对4个报警防区单独进行布防,撤防。
9,有被叫抢线功能。
当用户家中无人,有人从外面打入电话企图占住报警线路行窃,盗警发生时,系统会自动抢线拔号报警。
10,一机一个密码,保密性强,抗干扰性能好。
11,带后备可充电电源,停电时,可正常使用10小时以上。
二:报警器的使用方法系统接线示意图注:内线可根据用户需要接电话机设防,撤防平时主人在家时可按遥控器的“撤防”键撤防,主人离家外出锁好门后,按遥控器“设防”键设防,回家时先按“撤防”键撤防,开锁进门。
在主机上设防与撤防:设防:按“设防键”,按“9”,撤防:按“设防键”,按“0”防区关闭与开启功能选择:本系统分为四个报警防区,每个防区可备多个门磁,红外或烟雾燃气探测器,通过主机设置,可关闭或开启其中一个或多个防区,设置方法如下:防区1开启:设防键+1 防区3开启:设防键+5防区1关闭:设防键+2 防区3关闭:设防键+6防区2开启:设防键+3 防区4开启:设防键+7防区2关闭:设防键+4 防区4关闭:设防键+8某个防区被关闭后,该防区在接收到报警信息后将不会报警,与遥控器的设防或撤防无关。
紧急报警功能:当有意外时,按下遥控器的“紧急”键,系统立即进入紧急报警状态,警号鸣响并自动拔号呼叫。
按“静音”键,系统进入紧急无声拔号报警,警号不鸣响。
PTK-2000 IPV3.0软件编程手册PTK-2000 软件编程手册1. 安装指南:硬件系统要求:PII400, 64MRAM, 20G HDD, Windows98/2000/Me/XP/NT。
实用打印机时,尽量使用Windows XP,在Windows 98和Windows 2000下,有可能不能打印。
安装前,确定没有其它使用BDE的程序正在执行。
执行Setup.EXE 进行安装,安装时系统自动检测是否首次安装并根据情况提示用户选择安装方式。
2. 各级集控器连接指南:PTK-7416、7464、7480、7500通过标准串口与中央管理PC机连接;集控器与中央集控器PTK-7500之间通过总线连接,并设置好相应的地址编号。
3. 管理员登录操作员名称: ADMIN口令:ADMIN系统正式工作时务必将口令设置正确。
4. 基本操作所有功能可在系统菜单中选择,也可使用窗口下方的工具栏。
单击鼠标右键可弹出操作菜单,双击某些表格将显示详细资料。
5. 使用步骤:进入参数设置点击用户管理点击运行监控中心,进入用户登录界面,如下图所示:点击菜单”管理/参数设置”,会打开另外一个窗口,窗口如下所示:此窗口是用来录入用户资料的”监控中心参数设置”,所有的用户资料全部在这个窗口录入.先增加中心设备方法如下:点击菜单”连接/中心设备”或””,会弹出一个中心设备设置页面,内容如下:点击”增加中心设备”按钮,会增加一个中心设备,如下所示:如果是串口通信方式,请选择编号为1,如果是网络通信方式,请选择编号为11.点击”保存”按钮,再点击”退出”按钮,中心设备添加完成.增加终端设备和填写用户资料.点击菜单”用户/用户管理”或会弹出一个”用户列表”的页面. 如下图所示:点出”用户列表”中的”添加”按钮,会弹出一个用户资料窗口,如下图所示:用户资料一共分为7个页面,分别为基本信息\终端设备信息\防区\联系人\预处理方案\用户地图\备注,在这里只重点讲基本信息\终端设备信息\防区\用户地图四个页面的设置.1\基本信息页面设置输入用户编号和用户名称,其他的按实际情况填就好.基本信息填写后,点击终端设备信息页面,如下图所示:2\终端设备信息设置在终端设备信息页面下,点击”增加”按钮,会弹出一个选择地址界面,如下所示:这里是来选择终端设备的,客户只要选择报警设备的值就好了,它对应最终端的模块的地址,点击选择,那么000号设备已经添加了,如下图所示:这时,第一个设备已经添加了,接下来添加设备的防区,点击防区页面,防区页面内容如下:在防区页面中,点击”增加”按钮,会弹出一个选择地址窗口,如下图所示:直接点击”选择”按钮,同时将”报警地图自动弹出”勾上,如下图所示:模块,再次点击”选择”按钮,再将防区后面的下拉菜单选择2,如下图所示:点击”选择”按钮,这时000号设备防区2已经添加好了,如下图所示:依次将防区3—8全部添加进去,这时000号设备所有防区已经添加好了.接下来设置用户地图页面.4\用户地图设置点击用户地图,用户地图页面内容如下图所示:点击”增加”按钮,弹出输入用户组名对话框,如下图所示:输入组名,按”OK”按钮,此时会弹出一个选择用户地图的界面,如下图所示:(说明:客户在选择地图前,应该已经把地图放在安装位置,例如: C:\Program Files\Automation\Resource\Map这个文件夹里).选择相应的地图,点击”确定”按钮,此时窗口关闭,回到用户地图页面,如下所示:点击”防区定位”后面的下拉按钮,选择一个防区,再按”定位”按钮,此时鼠标箭头下面会带有一个小方框,移动这个方框到图片中报警位置,按鼠标左键确定,这时防区报警点已经定为好了,如下图所示:若还有防区,再次点击”定位”按钮,按上述方法把防区定位在图纸上,点击”保存”按钮,再点击”退出”按钮,这样,一个设备的设置工作已经完成.按上述方法依次把所有设备的信息设置好.当把所有设备的信息设置好后,点击上图用户列表中的”退出”按钮,再点击左上角的””或菜单”系统/发布新数据”,这时整个软件的资料发布到了监控中心.至此,整个软件设置完成.。
八防区无线智能防盗报警系统使用手册&&为了更充分更方便地使用好本产品,敬请用户仔细阅读本《使用手册》后再安装使用。
执行标准:GB12663-2001一、系统简介1、概况本机为无线报警装置,采用微电脑控制技术,集传感探测、通讯、计算机于一体的智能化、多功能的新一代安防精品。
产品以无线传输,安装简易,操作简便,外表简单流畅,主要适合于家庭住宅区、楼盘别墅、厂房、商场、仓库、财务室、写字楼等需要防止他人非法入侵、防火、防有害气体泄露、需紧急求助的场所。
不管您身在何处,您都可以知道家中的突发事件,便于及时采取措施。
2、功能简介●可预录10秒语音信息,语音播报报警。
系统存入的各类数据、信息可长期保存,可以随时根据需要修改,掉电后不丢失。
●预先设置储存6组电话号码,六路电话自动报警,自动循环拨号直到用户确认接收到并解除警报。
●抢线报警:有被叫抢线功能,当用户家中无人,有人从外面打入电话企图占住报警线路行窃,盗警发生时,系统会自动抢线拨号报警。
●八防区显示:不需施工布线,灵敏度高,抗干扰强,可清楚的知道报警的地点。
●分区布防与红外探测器单独布/撤防功能:可用遥控器设定一部分的防区有效,比如夜晚室内无效,窗和门有效。
●面板快速布撤防、无线遥控布撤防与异地远程电话布撤防三种方式。
●警笛启动设置:可以设置报警时启动与不启动警笛。
●多功能报警输出:主机除了内置警笛外,还有外接口接声光警号或其他高分贝警笛。
●剪线报警:盗贼破坏电话线会导致现场警笛报警威慑与阻吓。
●报警现场监听功能:输入正确密码后,在报警监听范围内,能清晰地听到现场作案者的语音、人走动、挖、撬等动作声音;能远程通过电话遥控延长或提前结束监听时间及监听情况下撤防;●紧急求助:家里有老人、小孩遇到危险需要救援时,可以按遥控器上的紧急求助按钮发出求救信号。
二、系统安装1、主机安装将主机放在电话机旁边,把电话外线插头和电话机进线插头插入主机的两个插孔(不分次序)。
小型总线联网报警主机用户使用手册目 录一. 主板接线端口定义及系统基本配置1.1 7416通讯主机接线端口说明1.2 防区接入端口与探测器连接方法1.3 7416与电源的连接二. 系统配套设备及其接线端口定义2.1 7557单防区扩展模块2.2 7560单防区带输出扩展模块2.3 7532八防区带输出扩展模块2.4 7547中文液晶编程键盘2.5 328八防区小主机2.6 32路电子地图联动模块2.7 16路继电器联动模块2.8 7416与警号的连接2.9 7416通过计算机接口与中心管理软件的连接使用三、7416的键盘操作说明四、7416的联动功能五、7416典型应用举例六、模块地址编码表七、7416总线报警系统安装调试步骤八、7416报警系统故障定位说 明7416是一种可扩展的小型总线式联网报警控制器,,可通过总线扩展模块扩展16个报警设备,最多可扩展到128个有线探测器防区,最多可接4个中文液晶编程控制键盘,中文菜单显示,编程操作方便简单,支持多个任意分区,并能对分区进行单独布撤防,总线通讯距离在可达 1.2公里,距离较远时通过增加PTK-1202可使通讯距离增加到5公里7416主要功能及性能指标主要功能最多可接128个总线防区:通过通讯接口可以外接最多16个报警模块或者328总线通讯主机,每个输入设备最多可接8个防区。
所有防区以分区的形式管理,最多有4个分区:外接的接警设备(报警模块或主机)从第00分区开始,按照地址码的顺序,每一个设备为1个独立分区。
每个键盘可以拥有其中的1个或多个分区,各键盘分别对自己所管辖的所有分区进行布防、撤防等操作;主键盘可以对单个分区、防区独立进行布防、撤防操作。
最多可接入4个键盘,独立操作,汉字界面。
其中1个主键盘、3个从键盘,通过主键盘编程可以让任意键盘跟随所有报警并显示报警信息。
挂在通讯总线上的设备都可以带有1-32个输出,其中报警模块最多带有1个输出,32路指示灯最多可带1块指示灯板32路输出。
Quick Start User GuideThis user guide describes how to implement the I-7532 module into users’ applications in a quick and easy way. Therefore, it only provides the basic concepts. If users want to know more detail information about the I-7532, please refer to the user manual in the product CD or visit our website as follow:/products/Remote_IO/can_bus/i-7532.htm1. Introduction (2)2. LED Status (3)3. Wire Connection (4)4. Terminator Resistor Setting (5)1. IntroductionI-7532 is a local CAN bridge used to establish a connection between two CAN bus system in a CAN network. The I-7532 stands by itself connecting adjacent wiring segments together as in the case of a CAN repeater (I-7531). Not just like a CAN repeater, I-7532 has more powerful features (Extend Network Distance and Connect two networks with different baud rate).2. LED Statusi-7532CAN Bus BridgeCH1 RxCH1 ERR CH2 ERRPWRCH2 Rx3. Wire ConnectionPart Name DescriptionCAN CH 1CAN_GND CAN_Ground, ground voltage level of CAN channel 1.CAN_L CAN_Low, signal line of CAN channel 1.FG1 Frame Ground of CAN channel 1.CAN_H CAN_High, signal line of CAN channel 1.CAN CH 2CAN_GND CAN_Ground, ground voltage level of CAN channel 2.CAN_L CAN_Low, signal line of CAN channel 2.FG2 Frame Ground of CAN channel 2.CAN_H CAN_High, signal line of CAN channel 2.Power(R)VS+ Voltage Source. It could be +10V DC ~ +30V DC.(B)GND Power Ground.FG3 Frame Ground of Power.4. Terminator Resistor SettingThe I-7532 module includes two build-in 120Ωterminal resistors, users can decide to enable those two terminator resistors or not.The JP4 of I-7532 is used to adjust terminal resistor on CAN Channel 1, and the JP3 of I-7532 is used to adjust terminal resistor on CAN Channel 2.Before adjusting JP3 or JP4 of I-7532, users need to open the cover of I-7532 first. Those locations of JP3 and JP4 are shown as follows:The following connection statuses present the condition if the terminal resistor is enabled (default) or disabled.Disable (Deactivate) Enable(Activate)JP4JP3。
铁盒多功能系列防盗报警控制主机安装使用说明书深圳市宏安科智能科技有限公司前言欢迎您选用铁盒多功能系列报警控制主机,本产品具有功能强大、性能优越、质量稳定、操作方便等特点;正确的使用本报警主机将为您的生命和财产提供更好的安全保障。
首先建议您在使用本系统前,认真阅读本说明书,请按说明书中要求的程序步骤进行操作。
使用本说明书,可以解答您的大部分疑问,同时,我们将提供完善的售后服务,并随时与您保持联系。
特别说明:本说明书不能作为法律文件,对于用户、操作员或安装员对手册内容的误解、误操作和系统带病运转而导致的任何损失和法律责任,我公司恕不承担。
本公司保留对本使用说明书的修改权和解释权,修改之前不再另行通知使用本产品的用户。
感谢您的支持与合作·目录前言 (2)第一章概述 (3)1.1概况 ........................................................................................................................................ .. (3)1.2使用前注意事项 (3)1.3功能简介 ........................................................................................................................................ . (3)1.4基本配置 ........................................................................................................................................ (4)1.5主要技术性能指标 (4)第二章安装接线说明 (5)2.1安装接线图 ........................................................................................................................................ .. (5)2.2电源的连接 ........................................................................................................................................ .. (8)2.3有线探测器的连接 (8)2.4 警号的连接 ........................................................................................................................................ . (8)2.5 电话线的连接 (8)2.6 监听头的连接 (9)2.7 键盘的安装 ........................................................................................................................................ . (9)2.8 仅用无线防区,不接有线防区的安装 (9)第三章系统操作 (10)3.1系统操作 ........................................................................................................................................ . (10)3.2遥控器的使用 .......................................................................................................................................103.3 键盘面板及声光指示 (10)3.4布防 ........................................................................................................................................ . (12)3.5撤防 ........................................................................................................................................ (12)3.6远程控制 ........................................................................................................................................ . (12)3.7电话接警控制 (133)3.8录音 ........................................................................................................................................ (13)3.9消警 ........................................................................................................................................ (13)3.10旁路防区查询 .....................................................................................................................................13 第四章系统设置 (144)4.1系统出厂基本设置 (14)4.2复位 ........................................................................................................................................ (14)4.3修改用户密码 .......................................................................................................................................144.4设置状态的进入与退出 (15)4.5修改安装员密码 (15)4.6无线探测器的学习 (15)4.7无线探测器的删除 (15)14.8防区类型及报警声输出设置 (155)4.9周界防区打开/关闭设置 (15)4.10 门铃功能打开/关闭设置 (155)4.11用户编号(中心编号)设置 (16)4.12布防延时时间设置 (16)4.13报警延时时间设置 (16)4.14设置报警电话号码 (16)4.16报告传输设置 ......................................................................................................................................164.17 ABC按键设置 ......................................................................................................................................164.18远程控制打开/关闭 (16)4.19远程遥控振铃声次数设置 (177)4.20远程电话接警不用输入密码操作 (177)4.21接警放录音方式的选择 (177)4.22电话线检测打开/关闭设置 (177)4.23可编程4+2代码需手动设置以适应不同的报警中心 (177)4.24主机自检报告时间间隔设置 (177)4.25警号响声时间设置 (177)4.26布撤防警号响声设置 (177)4.27定时布撤防设置 (177)4.28时间调整系数设置 (178)4.29交流电断电报警设置 (178)4.30 在设置状态下设置 (178)4.31 防区灵敏度 (178)4.32 电池低关机延时间 (178)4.33防区报警上传次数设置 (178)4.34键盘防撤开关报警功能打开、关闭设置 (178)4.35键盘断线检测设置 (19)4.36中心精度设置 .....................................................................................................................................194.37中心信号时间设置 (19)4.38拨号轮数设置 .....................................................................................................................................194.39输出模块设置 .....................................................................................................................................194.40 事件查询 ........................................................................................................................................ . (19)4.41遥控器分区管理(需订做) ...................................................................................................................................19第五章疑难问题解答 ................................... 20 产品的质量保证 ........................................ 211 安装资料 . (211)2第一章概述1.1概况铁盒多功能报警控制主机采用先进的微处理技术作为控制核心,集成度高,可靠性强,具有多种灵活接口,能同时储存6组报警电话号码和3组中心号码(如管理中心、固定电话或移动手机号码),通过电话线通讯网络传递报警信息。
各种消防报警模块的参数、特点及使用方法1特点GST-LD-8321中继模块采用DC24V供电,总线信号输入与输出间电气隔离,完成了探测器总线的信号隔离传输,可增强整个系统的抗干扰能力,并且具有扩展探测器总线通讯距离的功能。
GST-LD-8321中继模块主要用于总线处在有比较强的电磁干扰的区域及总线长度超过1000m需要延长总线通讯距离的场合。
2主要技术指标(1)总线输入距离≤1000m(2)总线输出距离≤1000m(3)电源电压:DC18V~DC27V(4)静态工作电流≤20mA(5)带载能力及兼容性:可配接1~242点总线设备,兼容所有总线设备(6)隔离电压:总线输入与总线输出间隔离电压≥1500V(7)使用环境:温度:-10℃~+50℃相对湿度≤95%,不结露(8)外形尺寸:85mm×128mm×56mm采用隔离方式进行总线信号传输,安装在总线上,用于总线长度超过1000米时扩展总线距离,或现场存在强电磁干扰时进行总线隔离。
1特点GST-LD-8300型输入模块用于接收消防联动设备输入的常开或常闭开关量信号,并将联动信息传回火灾报警控制器(联动型)。
主要用于配接现场各种主动型设备如水流指示器、压力开关、位置开关、信号阀及能够送回开关信号的外部联动设备等。
这些设备动作后,输出的动作信号可由模块通过信号二总线送入火灾报警控制器,产生报警,并可通过火灾报警控制器来联动其它相关设备动作。
输入端具有检线功能,可现场设为常闭检线、常开检线输入,应与无源触点连接。
本模块可采用电子编码器完成编码设置。
当模块本身出现故障时,控制器将产生报警并可将故障模块的相关信息显示出来。
2主要技术指标(1)工作电压:总线24V(2)工作电流≤1mA(3)线制:与控制器的信号二总线连接(4)出厂设置:常开检线方式(5)使用环境:温度:-10℃~+55℃相对湿度≤95%,不结露(6)外壳防护等级:IP30(7)外形尺寸:86mm×86mm×43mm(带底壳)电子编码,可接收设备常开或常闭开关量信号。
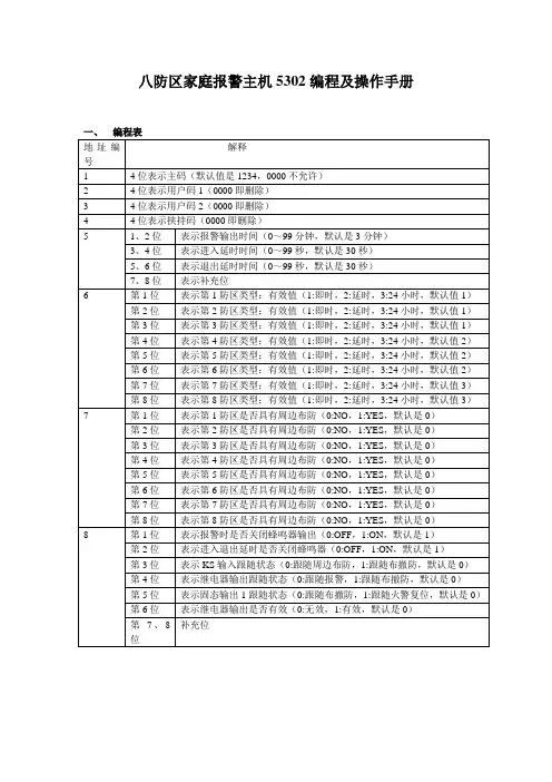
八防区家庭报警主机5302编程及操作手册一、编程表解释地址编号1 4位表示主码(默认值是1234,0000不允许)2 4位表示用户码1(0000即删除)3 4位表示用户码2(0000即删除)4 4位表示挟持码(0000即删除)5 1、2位表示报警输出时间(0~99分钟,默认是3分钟)3、4位表示进入延时时间(0~99秒,默认是30秒)5、6位表示退出延时时间(0~99秒,默认是30秒)7、8位表示补充位6 第1位表示第1防区类型:有效值(1:即时,2:延时,3:24小时,默认值1)第2位表示第2防区类型:有效值(1:即时,2:延时,3:24小时,默认值1)第3位表示第3防区类型:有效值(1:即时,2:延时,3:24小时,默认值1)第4位表示第4防区类型:有效值(1:即时,2:延时,3:24小时,默认值2)第5位表示第5防区类型:有效值(1:即时,2:延时,3:24小时,默认值2)第6位表示第6防区类型:有效值(1:即时,2:延时,3:24小时,默认值2)第7位表示第7防区类型:有效值(1:即时,2:延时,3:24小时,默认值3)第8位表示第8防区类型:有效值(1:即时,2:延时,3:24小时,默认值3)7 第1位表示第1防区是否具有周边布防(0:NO,1:YES,默认是0)第2位表示第2防区是否具有周边布防(0:NO,1:YES,默认是0)第3位表示第3防区是否具有周边布防(0:NO,1:YES,默认是0)第4位表示第4防区是否具有周边布防(0:NO,1:YES,默认是0)第5位表示第5防区是否具有周边布防(0:NO,1:YES,默认是0)第6位表示第6防区是否具有周边布防(0:NO,1:YES,默认是0)第7位表示第7防区是否具有周边布防(0:NO,1:YES,默认是0)第8位表示第8防区是否具有周边布防(0:NO,1:YES,默认是0)8 第1位表示报警时是否关闭蜂鸣器输出(0:OFF,1:ON,默认是1)第2位表示进入退出延时是否关闭蜂鸣器(0:OFF,1:ON,默认是1)第3位表示KS输入跟随状态(0:跟随周边布防,1:跟随布撤防,默认是0)第4位表示继电器输出跟随状态(0:跟随报警,1:跟随布撤防,默认是0)第5位表示固态输出1跟随状态(0:跟随布撤防,1:跟随火警复位,默认是0)第6位表示继电器输出是否有效(0:无效,1:有效,默认是0)补充位第7、8位二、操作指南●全部布防:[密码]+[ON]主码或用户码1、2 +[布防]键。
八防区扩展模块使用说明共 1 页第1页 KZ —8SE 型八防区扩展模块使用说明八防区扩展模块是一个由8个可以独立使用的24小时紧急防区的报警控制器,不可在现场对其进行撤布防操作(经过授权可以在警讯中心软件中对其进行撤布防操作),一经使用就进入24小时值守状态。
需要与区域管理器配合使用,可以使用系统中其他有空余地址的区域管理器(用户区域管理器),也可以单独使用一台独立的区域管理器来进行管理(管理数量不变)。
每一台八防区扩展模块可以控制8组紧急按钮,在八防区扩展模块上可以通过拨位开关进行地址码(编码采用二进制编码)设定(如使用系统中其他有空余地址的区域管理器时,地址码不可与其他报警器地址码重复;使用同一台区域管理器时地址码必须是唯一的)。
设备编号编制方法:注明:在软件防区的设置中该型设备的防区序号定义从000到007出厂设备编号为1。
若防区没有及时复位,设备将每隔10分钟向中心汇报一次。
技术指标:·外形尺寸:115×90×40mm ·工作电压:直流10.5~20伏·值守电流:25毫安 ·防区回路:8路·工作温度:-25℃ ~ +55℃ ·相对湿度不大于85%设备编号为1 接线说明: 1、 接线座“+”端口连接区域管理器的J3(DC12V )“+”端口。
2、 接线座“—”端口连接区域管理器的J3(DC12V )“—”端口。
3、 接线座“A ”端口连接区域管理器的J5(USER )“A ”端口。
4、 接线座“B ”端口连接区域管理器的J5(USER )“B ”端口。
5、 接线排的黑色线为防区公共接地端“COM ” 6、 接线排从Z1~Z8线色分别为棕(防区1)、红(防区2)、橙(防区3)、黄(防区4)、绿(防区5)、蓝(防区6)、紫(防区7)、灰(防区8)。
7、 所有防区的终端电阻为“2K ”。
连接方式为探测器的报警输出端口为常闭(开路报警)时,终端电阻串联在报警回路里。
语音型GSM报警器使用说明书系统简介本系统是语音型GSM家用/商用防盗报警系统,结合先进的GSM数字信号处理技术,创新研制的GSM无线移动的智能报警系统。
它高度集成了数字语音、中文短信息、学习式无线对码、远程家电控制、短信识别等技术。
报警时自动语音或短信告知警情及事发地点,稳定、可靠、安全,以及人性化的操控。
功能实用、性价比高、配置齐全、操作简单。
面板上的六个LED显示报警的方位。
无线连接红外,门磁,烟雾探测器,燃气探测器,紧急按钮等配件。
广泛应用于家庭、工厂、学校、商铺、便利店、财务室、别墅、小区等需要防护的地方。
保护财产不受侵害。
功能简介■超强GSM无线信号,语音提示,操作方便。
可装GSM手机卡,兼容中国移动和联通的GSM手机卡。
■主机有6个无线防区,4个有线防区,每个防区有5种防区类型可供选择,可设普通防区、留守防区、智能防区、紧急防区、关闭防区。
■二组定时布撤防功能,每组定时布撤防可选取星期,省去手动频繁布撤防,真正实现智能化全自动控制。
■电话(手机)或者短信远程对主机进行系统设置,创新性兼容中国移动飞信功能,以节约用户发短信对主机进行系统设置而产生的短信费用。
■6组语音报警电话号码,3组短信接警号码。
外部交流断电的信息会发到3组短信接警号码并根据设置拨打6组语音报警号码通知。
■10秒自定义自动留言录音,可在主机上回放录音。
并内嵌人工语音,用户在远程接警时能知道警情发生的地点及防区号。
■异地远程监听,喊话功能,并能远程电话或发短信对主机布防、撤防操作。
■1组常开信号输出,继电器联动报警输出,可实现家电远程控制。
■无线智能学习配件,学习对码快捷简便,主机可兼容2262及百万组编码,可学习50个遥控器及50个探测器。
■内置NI-HI可充电池,断电自动转换备用电池并短信提示。
■主机采用全新二频,三频,四频GSM/GPRS工业级模块,适应不同的国家,稳定可靠。
一、语音型GSM防盗报警系统的组成与使用方法布防布防是指家中无人时,需要对报警现场进行全方位的探测警戒;报警器的所有探测器处于工作状态,当有探测源(防盗、防火、煤气泄漏等)触发探测器时,报警系统马上报警。
DF-60785: • 12/11/2014 — Page 1 of 2ECC-RTZMRemote Telephone Zone ModuleEmergency Voice EvacuationDF-60785:BC-225GeneralThe ECC-RTZM is a Remote Telephone Zone Module that allows for secure access to the ECC-50/100(E) via cell phone or a remote telephone means. Authorized personnel can broadcast live or prerecorded messages over selected speaker zone(s) on the ECC-50/100(E) by calling into the ECC-RTZM and initiating events.The ECC-RTZM adds another level of accessibility to the ECC-50/100(E) for triggering mass notification events for non UL listed applications. In the event of an emergency, a trained user would have the ability to dial into the ECC-RTZM remotely to initiate prerecorded messages or perform a live page by using touch tone based activation through DTMF (Dual-tone multi-frequency.) For an added level of security, the ECC-RTZM provides password based authentication so that only users who are issued a four digit password can be granted access to the system.For faster pre-approved access, Seamless Caller-ID based authentication will allow up to five telephones to be any pre-configured for immediate paging without password authentica-tion required.The ECC-RTZM easily mounts in the ECC-50/100(E) cabinet behind the batteries and plugs into a J9 connector on the main control board. Use of the RTZM with the ECC-50/100(E)requires the approval of local authority having jurisdiction. It is not UL 864 or UL 2572 listed.Features•Allows for secure and remote activation of the ECC-50/100(E).•Accessible from any land line or cellular phone.•Seamlessly mounts into the ECC-50/100 cabinet with mini-mal effort required.•Web based programming for fast commissioning.•DTMF) Touch Tone based activation and control of mes-sages.•Initiates message activation or live paging on the ECC-50/100(E).•Connects to a remote telephone line on a PBX System.•Allows for All Call or Selective Zone activation. (Up to 24selectable zones).•16 Programmable Speaker Zone groups for initiating multi-ple speaker zones simultaneously.•Live messaging or pre-programmed messages can be acti-vated.•Provides password based authentication for limited access and security.•Seamless Caller-ID based authentication for up to five pre-configured phone numbers.•Can be configured for English, Spanish, French and Portu-guese capability during ECC-RTZM programming.SOME SUITABLE APPLICATIONSInstallationThe ECC-RTZM mounts inside of the ECC-50/100(E) cabinet.See product installation document PN LS10034-000FL-E for details on installation and setup.CompatibilityThe ECC-RTZM is compatible with the ECC-50/100 and the ECC-50/100(E) Emergency Voice Evacuation system.Electrical Specifications•Standby current draw: 0.055 amps.•Alarm current draw: 0.060 amps.Refer to the ECC-50/100(E) manual for the complete system current draw table.Agency Listings and ApprovalsThe listings and approvals below apply to the basic ECC-RTZM. In some cases, certain modules may not be listed by certain approval agencies or listing may be in process. Consult factory for latest listing status.•No agency listings•Schools •Dormitories •Factories •Theaters •Military facilities • Restaurants•Auditoriums•Places of Worship•Office BuildingsPage 2 of 2 — DF-60785: • 12/11/2014This document is not intended to be used for installation purposes. We try to keep our product information up-to-date and accurate. We cannot cover all specific applications or anticipate all requirements.All specifications are subject to change without notice.For more information, contact Fire•Lite Alarms. Phone: (800) 627-3473, FAX: (877) 699-4105.©2014 by Honeywell International Inc. All rights reserved. Unauthorized useof this document is strictly prohibited.Temperature and Humidity rangesThis system meets NFPA requirements for operation at 0-49ºC/32-120º F and at a relative humidity 93% ± 2% RH (non-condensing) at 32°C ± 2°C (90°F ± 3°F). However, the useful life of the system's standby batteries and the electronic com-ponents may be adversely affected by extreme temperature ranges and humidity. Therefore, it is recommended that this system and its peripherals be installed in an environment with a normal room temperature of 15-27º C/60-80º F.Wiring RequirementsSee Product Installation Document part number: LS10034-000FL-E for detailed wiring requirements.ECC-RTZM Dimensions5.625” X6.312”.Shipping SpecificationsECC-RTZM Weight: 0.61 lbs (0.276kg).Product Line InformationECC-RTZM: Remote Telephone Zone Module.ECC-50/100: (Primary operating Console) 50 Watt, 25VRMS single speaker zone emergency voice evacuation system.Integral microphone, built in tone generator and 14 recordablemessages.。
报警主机操作说明一、布防在布防前,必须确认系统已经做好准备,键盘上指示灯“电源”和“准备”必须恒亮,键盘显示器显示“已作好布防准备”,以便使用某一个操作指令布防。
正常布防:超级密码(1234)+“布防”。
键盘红色布防灯闪亮,显示器显示“布防”,听到单音“嘟、嘟”二、撤防在布防状态下,当有人触发报警系统,听到稳定的报警声,按照一下操作方式进行撤防,并到现场检查报警部位。
正常撤防:超级密码(1234)+“撤防”,键盘红色布防灯熄灭,预警声关闭三、xx在布防之前,有时候希望暂时旁路某些防区。
例如:一扇窗户敞开着可能一起某个防区在键盘上显示没有准备好,在进行布防时,每次只能旁路一个防区,要进行多个防区的旁路就要重复进行旁路操作。
xx故障防区:超级密码(1234)+【旁路】(***)防区号码显示被旁路的防区:超级密码(1234)+旁路,键盘上显示被旁路的防区号码清除被xx的防区:超级密码(1234)+【旁路】(***)防区号码四、防区设置报警防区设置表序号9101112131415模块地址91011121314151617181920212223九层九层九层九层九层九层安装位置董事长卧室、卫生间董事长办公室董事长办公室董事长办公室董事长办公室董事长办公室董事长办公室董事长办公室财务室设备类型紧急按钮双鉴探头/吸顶探头双鉴探头双鉴探头双鉴探头双鉴探头双鉴探头双鉴探头双鉴探头/吸顶探头防区类型24小时防区布/撤防防区布/撤防防区布/撤防防区布/撤防防区布/撤防防区布/撤防防区布/撤防防区布/撤防防区五、FC-7448主机编程说明书(调试使用)①进入编程按9 8 7 6 # 0后状态指示灯电源布/撤防灯同时闪烁,液晶显示退出编程:按“*”四秒钟。
②布防输入1、2、3、4、布防;后布防灯闪烁即布防退出延时状态,退出延时结束时布防灯常亮。
③撤防:输入1、2、3、4、撤防;布防灯熄灭,即已撤防。
④防区旁路输入1、2、3、4、旁路、防区号(3位数),取消旁路重新输入一次即可。
GSM报警模块说明书
目录
一、概述 (1)
二、主要功能及特点 (1)
三、主要部件及用途说明 (1)
1. S I M卡座 (1)
2. 选择S I M卡注意以下事项 (1)
3. G S M天线 (2)
四、操作界面 (1)
1. 密码说明 (1)
2. 提示音 (1)
3. LED灯光指示 (1)
五、使用和操作说明 (1)
1. 简易使用说明 (1)
2. 零话费布撤防操作说明 (1)
3. 操作和设置说明 (1)
4. G S M网络特别说明 (1)
六、中文短信日常操作 (1)
七、中文短信编程设置 (1)
八、拨打电话远程日常操作 (1)
九、技术参数 (1)
十、日常操作指令表 (1)
十一、各类主机支持的功能操作指令对照表 (1)
十二、编程设置记录表 (1)
十三、简易故障排除 (1)
十四、本安全系统的局限性 (1)。
8路/32路智能联动设备说明书技术参数8路联动设备32路联动设备型号:TT-P8TT-P8W TT-P32TT-P32W通讯方式:RS485RS485/网络RS485RS485/网络设备尺寸:180*80*25MM485*250*68MM设备供电:DC12V-AC220V~设备功率:3W5W常用接线说明联动监控接线说明:通讯方式任选其一与报警控制键盘连接好。
联动设备每一路分别有常开NO,常闭NC输出,COM为联动设备各路的公共端。
选择其中一种报警方式(NO常开,NC常闭)接入硬盘录像机的报警输入端,公共端COM与录像机的公共端G连接(如联动设备上需要用到多个COM端则需要全部连接起来)。
再通过硬盘录像机设置联动报警方式。
(图中采用的是常闭报警接线方式)联动电子地图接线说明:同样通讯方式任选其一与报警控制键盘连接好。
联动设备对应的NO 端与电子地图的对应防区连接,GND与地图的黑线GND连接。
接地图时注意:1.P8/P8W联动设备的所有COM端与12V用跳线连接起来2.P32/P32W需打开外壳将内部的JP2四路跳线帽短接(如图,一般出厂时已经短接),只限在接地图时,接录像机请忽略。
网络设置方式P8W与P32W网络型联动设备需要设置网络参数,具体设置方式如下:设置步骤:把联动模块与安装了设置软件的PC通过交换机连接到同一局域网内。
在PC上打开设置软件(如图)。
第一步点击搜索设备,搜索到的设备会在上方显示出来,单击要设置的IP会跳出右边的设置窗口。
第二步设置IP地址及网关。
第三步设置模块的工作方式为UDP Client,目标IP设置为与上面设置的IP地址同一网段。
第四步设置波特率为9600,本地端口与远程端口匀设置为8116.最后点下面的保存参数,联动设备的网络参数就设置完成了。
产品保修卡尊敬的用户:感谢您购买本公司产品,本公司将为您提供最优质的售后服务。
为了更好保护你的权益,请妥善保存本凭证,保修时请出示本凭证。
PTK-7532E
八防区IP网络报警模块
使用说明书
深圳市普泰克智能科技有限公司
目录
第1章产品简介 (2)
1.1 主要功能 (2)
1.2 电性能指标 (2)
第2章外观及接线说明 (3)
2.1 网络模块支持的防区类型说明 (6)
2.2 系统出厂基本设置 (6)
2.3 运行状态指示灯(或嗡鸣音) (7)
2.4 无线探测器与摇控器学习 (7)
第3章软件参数设置 (9)
3.1 软件界面功能说明 (9)
3.2 软件操作说明: (10)
第4章常见问题说明 (12)
第1章产品简介
PTK-7532E八防区网络报警模块是一款网络型报警产品,自带8个有线或无线防区,可通过遥控器进行布撤防,通过TCP/IP协议,由网络向报警中心软件发送报警信息,也可以接收从报警中心下发的命令,实现对主机的远程布防、撤防、编程等操作,具有很强的实用性,被广泛地应用在大楼安保系统,以及工厂、学校、监狱等各类安保系统,可实现计算机管理并方便地与其它第三方系统集成平台软件进行集成。
1.1主要功能
●8个有线防区或无线防区,接有线防区每个防区常开常闭可以选择。
●1组大功率220V开关量输出和4组12V开关量输出。
●LED灯显示自身工作状态。
●每个防区类型可以有24小时防区、立即防区及屏蔽防区等三种防区类型。
●可用遥控器进行布防、撤防操作。
●有读取密码权限,安全可靠。
●远程报警快速传输,速度是传统报警主机的10-30倍。
●支持网络断线报警,网络断线后蜂鸣器每隔15秒响一次或两次。
●中心软件故障或网络故障导致通讯失败时,保存至少10条最新报告,网络恢复时向中心
发送。
●使用配置软件可实现在线查询和更改。
●可同时上报两个中心软件。
●可通过局域网实现与中心计算机软件连接,实现电子地图和布撤防操作管理。
●中心软件可通过局域网对单个或全部防区进行各种操作
●提供SDK二次开发包,方便用户进行软件整合。
●与PTK报警管理软件等中心软件兼容,支持事件记录、实时信息传输,回控或视频、报警
信息双监控。
1.2电性能指标
●输入电压:DC12V
●最大工作电流:300mA
●四个小功率报警输出口:DC12V,2A
●一个大功率报警输出口:AC220V,7A
●外观尺寸:115x90x40mm
●八个有线防区:常开或常闭防区(10K线尾电阻)
●八个无线防区:315M、330k震荡电阻、1527芯片
第2章外观及接线说明
1、电源输入:电源采用直流12V3A的电源,两个电源接口。
2、防区输入:1到8防区可以接常开或常闭的各种类型的探测器,出厂默认需要在防区端串联或并联10K线尾电阻,也可以把线尾电阻选择拨码开关设置为无电阻模式。
3、网络接口:10-100M自适应网络接口,可以直接接到局域网上,可以把网络报警模块与报警中心软件连接起来。
4、四组继电器输出:可以输出4组12V继电器信号,常开常闭可以选择。
5、一组大功率继电器输出:可以输出1组220V大功率继电器信号,常开常闭可以选择。
6、
图一
2.1网络模块支持的防区类型说明
●屏蔽防区:无论在任何情况下触发该防区,都不会报警。
●立即防区:布防后,触发了立即防区,就会立即报警,并同时向中心报警。
●24小时防区:一直处于激活状态,不论撤布防与否,只要一触发就立即报警,并同时向中
心报警。
●出厂默认为24小时防区。
2.2系统出厂基本设置
操作密码:123456
图二
2.3运行状态指示灯(或嗡鸣音)
1、电源指示灯:PW
闪烁:正常(一秒闪一次)
常亮或常灭:故障:
2、防区指示灯:Z1到Z8
灯灭:撤防
灯每两秒闪一次:布防
每一秒闪2次:报过警
3、继电器输出指示灯
灯亮:闭合
灯灭:开路
4、联网声音提示
每隔15秒响一次:与中心1没有联接成功
每隔15秒响两次:与中心2没有联接成功
蜂鸣器不响:与监控中心软件通讯成功
2.4无线探测器与摇控器学习
第3章软件参数设置
本软件主要用来对八防区本身的IP地址、子网掩码、网关以及上报两个中心的IP 地址等参数进行设置,同时也可以对8个防区的防区类型(立即、24小时、屏蔽)、撤布防密码、继电器输出时间等进行设置
3.1软件界面功能说明
3.2软件操作说明:
第4章常见问题说明
1、如何进入遥控器或无线红外学习编程状态
断电,先按住SW1按键不放,通电
蜂鸣器长鸣二声
电源灯1秒闪4次
表示进入编程状态
遥控器或无线红外的参数为315M频率,1527编码芯片,330K震荡电阻
2、如何退出编程状态
重新断电再上电就可以
4、如何显示和区分有线或无线防区?
电源灯PW左边的8个防区表示1到8防区指示灯
进入编程状态后,按sw1键可以切换防区
当切换到某一个防区时,灯常亮表示该防区为有线防区,灯闪时表示该防区为无线防区
5、如何把有线防区改为无线防区,或把无线防区改为有线防区?
在上题中,灯常亮表示该防区为有线防区,这时触发一下无线探测器,蜂鸣器响一下,灯开始闪,表示已把无线探测器学习到该防区
如果要清除无线防区,这时按一下SW3,蜂鸣器响两下,灯常亮,就清除了
6、接有线防区时如何用来选择是否接10K线尾电阻
通过拨码开关来选择是否接线尾电阻
1到8防区的拨码开关拨到off时,必需要接10k电阻,这时与市场上所有的主机是相同的,接常闭信号要串电阻,接常开信号要并电阻
1到8防区的拨码开关拨到on时, 内部电阻已短接好,外部不需要再接线尾电阻,但是只能接常开探测器
7、接有线防区时如何用来选择继电器输出的常开和常闭
可以通过配置工具软件进行设置
8、如何恢复模块到出厂设置
断电,先按住SW3按键不放,通电既可恢复所有参数到出厂设置
也可以通过配置工具软件恢复出厂设置
9、客户的网络有很多个不同的网段和不同的交换机,无法检测到网络模块,该如何办?。