南京工程学院塑料模试卷三
- 格式:doc
- 大小:675.50 KB
- 文档页数:8
模具设计师注塑模三级理论知识模拟试题及答案解析(1)模具设计师注塑模三级理论知识模拟试题及答案解析(1)(1/60)单项选择题第1题一般结晶型和半结晶型塑料的收缩率比无定形塑料的( )。
A.大B.范围窄C.波动性小D.小下一题(2/60)单项选择题第2题成型零件工作尺寸计算方法有( )和公差带法。
A.平均值法B.插值法C.迭代法D.均方根法上一题下一题(3/60)单项选择题第3题计算收缩率等于模具和塑件在室温下单向尺寸的差除以( )的单向尺寸。
A.模具在室温下B.模具在成型温度时C.塑件在室温下D.塑件在成型温度时上一题下一题(4/60)单项选择题第4题成型零件的尺寸确定与( )无关。
A.采用的塑料B.塑件精度要求C.成型零件的磨损D.塑件粗糙度上一题下一题(5/60)单项选择题第5题关于用平均值法计算型腔深度,计算公式正确的是( )。
[补选项]上一题下一题(6/60)单项选择题第6题关于用平均值法计算成型孔中心距,计算公式正确的是( )。
[补选项]上一题下一题(7/60)单项选择题为了确保塑件质量,注塑模具一次成型的塑料质量最大不应大于最大注塑量的( )。
A.5%B.80%C.50%D.10%上一题下一题(8/60)单项选择题第8题当直射压缸活塞施加给螺杆的最大推力一定时,注射压力由( )决定。
A.所用螺杆直径B.油缸内径C.模具的温度D.塑料的性能上一题下一题(9/60)单项选择题第9题注塑机的合模机构对模具所能施加的最大夹紧力称为( )。
A.锁模力B.成型压力C.喷射压力D.注射压力上一题下一题(10/60)单项选择题第10题设计模具时,模具上的螺纹过孔间距和尺寸必须与( )相协调。
A.螺纹安装孔B.定位孔C.端面凸台直径D.端面凸台高度上一题下一题(11/60)单项选择题第11题全液压式或( )的注塑机,开模行程与模具安装高度有关。
A.机械式和液压式联合作用B.全机械式C.机械式和气动式联合作用D.气动式上一题下一题(12/60)单项选择题第12题XS-ZY-125注塑机中“X”是指( )。
复核总分复核人总分题号一二三四五六题分16 10 30 14 20 10 合分人得分得分评卷人复查人1. 通常用θb来表示塑料使用的()。
A. 上限温度B. 下限温度C.分解温度D.玻璃化温度2. 聚合物成型过程的化学变化有()。
A. 结晶和取向B.降解和交联C. 结晶和交联D. 取向和交联3.热塑性塑料除了采用熔融指数的大小来表示流动性的好差,还经常采用的一种方法是()。
A. 螺旋线长度法B. 拉西格压模C. 拉西格塑化模D. 拉西格拉伸模4.洗发水瓶、饮料瓶采用的成型方法是()。
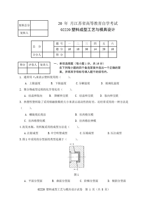
A.注射成型B.中空吹塑成型C.压缩成型D.压注成型5.图1中采用的分型面的类型是属于()。
图1A. 平面分型面B. 曲面分型面C. 阶梯分型面D. 倾斜分型面20 年月江苏省高等教育自学考试02220塑料成型工艺与模具设计一、单项选择题(每小题1分,共16分)在下列每小题的四个备选答案中选出一个正确的答案,并将其字母标号填入题干的括号内。
6.比容和压缩率是表示粉状和纤维状塑料的松散性,主要针对的塑料种类是()。
A.热塑性塑料B.工程塑料C.热固性塑料D.普通塑料7.推管推出机构复位一般采用的复位零件是()。
A. 推杆B. 弹簧C. 复位杆D. 动模板8.聚甲基丙烯酸甲酯是聚丙烯酸酯类塑料中最重要的一类,具有很高的透明性,俗称()。
A.尼龙B.有机玻璃C.防弹塑胶D.赛钢9.多数塑料的弹性模量和强度较低,受力后容易变形甚至破坏,单纯采用增加塑件壁厚的方法来提高其刚强度是不合理,也不经济的。
通常在塑件的相应位置设置()。
A.加强肋B.圆角C.尖角D.脱模斜度10.浇注系统中从注射机喷嘴与模具浇口套接触处开始到分流道为止的塑料熔体的流动通道称之为()。
A.冷料穴B.主流道C.分流道D.浇口11. 模具的支承零部件主要指用来安装固定或支承成型零件及其他结构零件的零部件,下列哪一项属于模具的支承零部件()。
A.型芯B.型腔C. 模座D.推杆12. 一副塑料模,塑件与浇注系统的塑料体积之和为50cm3,应该选额定注射量为下面哪一数值的注射机()。
1. 在塑料的成型加工过程中,聚合物会发生化学变化,可能在聚合物内部产生化学变化的是( )。
A . 结晶B . 取向C . 结晶和取向 D.降解和交联 2. 模塑件的公差等级分为( )。
A . 6级B . 7级C . 8级 D. 9级3. 塑料制件的表面粗糙度,主要取决于模具成型零件的表面粗糙度。
一般模具表面粗糙度要比塑件的低( )。
A .1~2级B .3~4级C .5~6级 D. 7~8级4. 塑料最常用的分类方法是按照塑料树脂的大分子类型和特性将塑料分为热塑性塑料和( )。
A .普通塑料B .缩聚型塑料C .工程塑料 D. 热固性塑料 5. 注射过程中的压力包括( )。
A .注射压力B .塑化压力C .塑化压力、注射压力、保压压力 D. 塑化压力、注射压力6. 表现在成型过程中,在一定温度和一定压力下塑料熔体充填模具型腔的能力,是指塑料的( )。
A .塑料的成型收缩性B .塑料的相容性C .塑料的流动性 D. 塑料的热敏性7. 某塑料其热稳定性较差,在一定温度下会有少量的氯化氢气体(HCl )放出,会促使其20 年 月江苏省高等教育自学考试 02220塑料成型工艺与模具设计一、单项选择题(每小题1分,共16分)在下列每小题的四个备选答案中选出一个正确的答 案,并将其字母标号填入题干的括号内。
进一步分解变色,需加入碱性稳定剂防止其裂解,该塑料是下列哪一种()。
A.聚苯乙烯B.聚酰胺C.聚甲基丙烯酸甲酯 D.聚氯乙烯8. 图1中的冷却系统的结构是属于哪一类型()。
图1A.隔板式 B.循环式 C.间接冷却 D.喷流式9.下列哪种塑料最合适用来生产塑料齿轮()。
A.PE B.PS C.POM D.PVC10.图2所示浇口的类型是属于()。
图2A.点浇口 B.侧浇口 C.潜伏式浇口 D.香蕉型浇口11. 注射模具的组成是成型零部件和()。
A.动模板 B.定模板 C.导柱 D.结构零部件12.有些塑件因其特殊的形状特点,开模后既有可能留在动模一侧,也有可能留在定模一侧,除了可以采用在定模部分设置推出机构外,还可以采用()。
1. 俗称塑料王,强酸、强碱及各种氧化剂甚至沸腾的“王水”和原子工业中用的强腐蚀剂五氟化铀等腐蚀性很强的介质对它都不起作用,该塑料是( )。
A. POMB. PSUC. PTFED. PE 2. 塑料在受热、受压时的敏感程度,通常称之为( )。
A. 共混性B. 吸湿性C. 相容性D.热敏性 3. 如图1所示的推出机构是属于哪一类推出机构( )。
A. 推杆B. 推管C. 推件板D. 二次推出机构图14. 聚合物在成型过程中可能发生的化学变化有( )。
A. 结晶和取向B. 降解和交联C. 结晶和交联D. 取向和交联 5. 对于压缩模而言,塑件加压方向的选择是非常重要的,下列哪一点描述是错误的( )。
A .便于加料B .有利于压力传递C .便于安放和固定嵌件D .便于调节料筒温度20 年 月江苏省高等教育自学考试 02220塑料成型工艺与模具设计一、单项选择题(每小题1分,共16分)在下列每小题的四个备选答案中选出一个正确的答 案,并将其字母标号填入题干的括号内。
6. 塑料侧凹较浅时,可采取强制脱模,强制脱模与塑料材料的下面哪点性能相关( )。
A .刚性B . 弹性C .塑性 D. 密度 7. 孔与孔之间的距离与孔径之间的关系是( )。
A. 大于孔径B. 等于孔径C. 小于孔径D. 小于或等于孔径 8. 注射成型工艺参数主要包括( )。
A .温度、压力、速度B .温度、时间、速度C .温度、压力、时间D .时间、速度、压力 9. 图2所示浇口的类型是属于( )。
图2A .点浇口B .潜伏浇口C .护耳浇口D .香蕉型浇口 10. 注射模具的组成主要是成型零部件和( )。
A .动模板B .定模板C .导柱D .结构零部件 11. 设计侧抽芯机构时,侧型芯滑块配合导滑部分的长度与宽度关系是( )。
A .长度等于宽度B .长度大于宽度C .长度小于宽度D .没有要求 12. 在下列四种塑料中,透明性最强的塑料是( )。
20 年月江苏省高等教育自学考试02220塑料成型工艺与模具设计试题答案及评分参考一. 单项选择题(每小题1分,共16分)1.B2.B3.A4.B5.D6.C7.C8.B9.A 10.B11.C 12.C 13.D 14.A 15.A 16.B二. 填空题 (每空1分, 共10分)17. 层流 18. 取向 19. 派生型 20.调湿21.合成树脂 22.圆角 23.浇口 24.定距25.7 26.运动三. 简答题 (每小题6分, 共30分)27.填料在充填过程中一般两种功能:首先增加容量,降低塑料成本;其次是能够改善塑料性能,即用以塑料改性,提高塑料的物理性能、加工性能和塑件的质量等(2分)。
增塑剂的主要作用是削弱了聚合物分子间的作用力(范德华力),从而增加了聚合物分子间的移动性,降低了聚合物分子链的结晶性,亦即增加了聚合物的塑性(2分)。
润滑剂是为了改进高聚物的流动性、减少摩擦、降低界面粘附为目的而在树脂中使用的一种添加剂(2分)。
28.分型面是决定模具结构形式的一个重要因素,它与模具的整体结构、浇注系统的设计、塑件的脱模和模具的制造工艺等有关(1分);(1)分型面应选在塑件外形最大轮廓处(1分);(2)分型面的选择应有利于塑件的顺利脱模(1分);(3)分型面的选择应保证塑件的尺寸精度和表面质量(1分);(4)分型面的选择应有利于模具的加工(1分);(5)分型面的选择应有利于排气(1分);29.为了提高生产效率,降低成本,小型(包括部分中型)塑件往往采取一模多腔的结构形式。
在这种结构形式中,浇注系统的设计应使所有的型腔能同时得到塑料熔体均匀的充填(2分)。
换句话说,应尽量采用从主流道到各个型腔分流道的形状、及截面尺寸相同的设计,即型腔平衡式布置的形式(2分)。
如果根据某种需要设计成型腔非平衡式布置的形式,则需要通过调节浇口尺寸,使各浇口的流量及成型工艺条件达到一致,这就是浇注系统的平衡,亦称浇口的平衡(2分)。
塑料成型模具设计考试试题
一、单项选择题
1.塑胶模具设计的主要内容有()
A.模型结构设计
B.模具原理分析
C.模具制作工艺
D.铸造切削工艺
2.塑料成型模具设计时,设计部件和模具结构时,应考虑的基本因素有()
A.加工工艺
B.模具分配
C.模具原理
D.部件尺寸
3.塑料成型模具的基本结构有()
A.具有界限的模型
B.具有灌注系统的模具
C.具有供料系统的模具
D.具有推床系统的模具
二、多项选择题
1.塑料成型模具的设计程序一般有()
A.加工工艺分析
B.模具原理设计
C.模具结构设计
D.模具制作
E.模具验证
2.塑料模具设计时应注意的因素包括()
A.硬度分析
B.模具结构分析
C.模具表面粗糙度
D.模具尺寸分析
E.模具焊接分析
3.塑料模具制作过程中,重要操作步骤有()
A.模具安装
B.模具调整
C.模具试验
D.模具清洗
E.模具保养。
8 9 10 11 12 13 14 15题目 1 2 3 4 5 67 答案08-09学年第一学期《塑料模具设计》期末试卷(07模具)班别:姓名: 学号:成绩:一、填空题(每小题1.5分,共30分)1 •塑料模按模塑方法分类,可分为2 .分开型腔取出塑件的面叫 面,分型面的形状有 面、面、和 面四种。
3 .压注模是主要用于加工___________________ 塑料的模具。
4. 影响塑件收缩的因素可归纳为5. 塑料模成型零件的制造公差约为塑件总公差的 成型零件的最大 磨损量,对于中小型塑件取,对于大型塑件则取6. ------------------------------------------------------------ 塑料模的组成零件按用途可分 ---------------------------------------------- -------------- 两大类。
7为了保证塑件质量.分型面选择时,对有同轴度要求的塑件,将有同轴度要求的部分设在 ___________________________ 内。
二、选择题(每题2分,共30分) 1 .环氧树脂又称“万能胶”是由于。
A 、电气绝缘性能B 、较好的力学性能C 、粘附能力强D 、配以石英粉浇铸各种模具2 .影响热塑性塑料的流动性的因素很多,下面哪个结论是正确的,A、料温高,则流动性好B、流动性差的塑料,需要较大的成型压力,才能较好地充满型腔C、型腔表面粗糙度大,流动差D、以上全对3.塑料品种的流动性差,塑料的总体尺寸-A,不能太小 B.不能太大C.受模具制件工艺限制D.根据塑件的使用性能而定,不受流动性限制4.压注模的最大特点是 oA.具有单独的加料腔。
B.在普通压机上使用C,在专用压机上使用D,没有主流道5 .下列因素不能影响注射成型的塑料精度A模具的制造精度B模具的磨损程度C塑料收缩率的波动 D注射机的关系6.选择塑件的壁厚时,下列说法错误的是A.要求壁厚具有足够的强度和刚度;B.壁厚越厚越好;C.同一塑件上各部位的壁厚尽可能均匀;7.塑料轴类尺寸的标注一般是A正偏差B负偏差C双向偏差D没有规定8.同一塑件上有前后两段同轴螺纹时,说法错误的是-A应使两段螺纹的旋向相反,螺距相等;B应使两段螺纹的旋向相同,螺距相等,C当螺距不等或旋向不同时,把两段螺纹型芯组合在一起,开模时分段拧拆下;9 塑件表面粗糙度主要与有关A塑件的成型工艺B尺寸精度C注射机类型D模具型腔表面的粗糙度10下列哪个情况不属于表观质量问题___________A熔接痕B塑件翘曲变形C塑件有气泡D塑件强度下降11塑件壁厚太薄会造成A气泡,凹陷B收缩不一致C塑件缺料现象D变形12挤出成型模具被称为A牵引装置 B挤出成型部件 C 口模D挤出机头13加强肋的方向应与料流方向A 一致B垂直C 45°D没有关系14在注射成型过程中,金属嵌件预热的目的是A 加热物料B增加嵌料的加强度C 降低嵌料周围塑料的收缩压力 D有利于排气15在注射模中,为了避免小型芯的变形,孔深不能超过孔径的A 1B 1.5C 2D 3三、判断题(每小题2分,共10分)题号 1 2 3 4 5答案()1.一副塑料模可能有一个或两个分型面,分型面可能是垂直、倾斜或平行于全模方向。
《塑料模设计》课程试卷A答案1.顶出推板与凸模(型芯)在安装时应采用锥面配合,其目的是辅助定位,防止偏心溢料。
2.螺杆式注塑机与柱塞式相比,其优点在于__螺杆式注塑机剪切塑化能力强,塑化量大_。
6.在斜抽芯机构中锁紧楔的楔角一般比斜导柱的倾斜角大。
主要是为了模具开模时防止造成干涉。
7.塑件允许的最小壁厚与塑料品种和塑件尺寸有关。
8.塑料模的基本结构都由动模和定模两大部分组成。
9.型腔气体的排除,除了利用顶出元件的配合间隙外,主要靠分型面,排气槽也都设在分型面上。
10. 塑件尺寸精度的影响因素有很多,在计算时需考虑的主要有:成型零部件的制造误差、成型零部件的磨损和塑料的成型收缩。
11. 当分流道设计的比较长时,其末端应留有冷料穴,以防前锋冷料阻塞浇口或进入模腔,造成充模不足或影响制品的熔接强度。
12. 适用于要求自动切除浇口凝料的注塑模浇口方式是潜伏式浇口。
一、判断正误(本题共10小题,每题1分,共10分)1. 厚壁塑件不容易产生表面凹陷和内部缩孔。
(×)2. 当模具采用脱件板脱模机构时,可以采用Z形拉料杆与冷料井匹配。
(×)3. 冷却系统的通道要尽量避开塑件的熔接痕部位,以免影响塑件的强度。
( √)4. 斜导柱侧抽芯机构中的滑块导滑长度有一定的要求,完成抽拔后,滑块留在导滑槽中的长度不应小于滑块长度的3/2。
(×)5.潜伏式浇口是点浇口的演变形式,因此其模具也应设计成三板式结构。
(×)6.细长型芯应避免偏心进料,否则会造成塑件的壁厚不均,脱模困难。
( √)7. 注塑时最后充满的往往是离浇口最远的部位。
(×)8. 塑件上的文字最好做成凹字,这样模具上相应型腔的加工就方便些。
( √)9. 从有利于排气的角度考虑,分型面应尽量设在流动方向上的末端。
( √)10. 无拉料杆的冷料井一般用在顶杆顶料的场合,其分流道应该设计成S形。
( √)二、改错(本题共2小题,每题6分,共12分)1. 请指出下面塑件结构设计错误的原因,并改正之。
塑料模具设计与制造试卷《塑料模具设计与制造》卷(b)一、填空题:(本大题共15小题,每题2分,共30分)1.塑料一般是由2.塑料中的添加剂之一的稳定剂按其促进作用分成。
3.塑料按性能及用途可以分成4.塑料的使用性能包括:等。
5.塑料在变化的过程中出现三种但却不同的物理状态:6.注射模塑工艺包括等工作。
7.注射模塑工艺的条件是8.内应力极易引致制品等变形,并使无法赢得合格制品。
9塑料模按模塑方法分类,可以分成;10.分型面的形状存有11为了确保塑件质量,分型面挑选时,对存有同轴度建议的塑件,将存有同轴度建议的部分设于12影响塑件尺寸公差的因素有13影响塑件收缩的因素可归纳为14.塑料模失效的形式在等。
15成型零件是指直接与塑料并决定塑件的零件二、选择题:(本大题共10小题,每题1分,共10分。
把所选择项前的字母填在题后的括号内。
)1.下列哪种情况塑件会产生应力开裂()。
a.在塑料中重新加入进一步增强材料予以改性b.金属嵌件不展开预演,轻易放进模具中c.对塑件展开后处理d.成型前物料的预演2.口服成型工艺适用于于()。
第页本试卷共页a.只有热塑性塑料b.只有热固性塑料c.主要成型热塑性塑料,某些热固性塑料也需用口服方法成型d所有塑料都可以3.对同一种塑料,螺杆式注射机的料筒温度比柱塞式注射机的料筒温度建议()。
a.低一些b.高一些c.相同d.无法确认4塑件外形尺寸除了受到流动性影响,还受到()管制。
a.塑料的结晶性b.工艺条件c.成型设备d.收缩性5.塑件轴类尺寸的标注一般是()。
a.正偏差b.正数偏差c.双向偏差d.没规定6.在模具采用过程中,成型塑件的表面粗糙度就是()。
a.没有变化b.有变化,无法确定变大变小c.有变化,会变大d.不能确定7.下列哪个情况不属于表观质量问题()。
a.填弹痕b.塑件Vertaizon变形c.塑件存有气泡d.塑件强度上升8.强化肋的方向应当与料上涌方向()。
a.一致b.垂直c.45od.没有关系9注射模在开模时,塑件会()。
塑料成型工艺与模具设计_南京工程学院中国大学mooc课后章节答案期末考试题库2023年1.深切缅怀该院士!他是材料成形专家,华中科技大学教授,于2022年9月5日在武汉逝世,享年78岁。
其领衔的团队,历经20余载研发华塑CAE软件,研究塑料熔体的模拟仿真运动,打破了国外软件MOLDFLOW垄断塑料成型CAE市场行为,该院士是()。
答案:李德群院士2.如图所示一次性水杯,其材料是通用(普通)塑料,耐热性好,能在100℃以上的温度下进行消毒灭菌,该材料是()。
答案:聚丙烯3.2021年2月25日习近平总书记在全国脱贫攻坚总结表彰大会庄严宣告:经过全党全国各族人民共同努力,在迎来中国共产党成立一百周年的重要时刻,我国脱贫攻坚战取得了全面胜利。
而农用地膜作用于国家粮食安全,助力脱贫攻坚起到了关键性作用,其成型方法是()。
答案:挤出成型4.如图所示模具,其类型是()。
答案:中空吹塑模具5.PASS材料具有较高的军事价值,在我国还没有实现产业化生产之前,国外的PASS材料一直对我国实行禁运政策。
2016年7月,我国技术团队历经十多年的研发,攻克了国内外PASS技术工艺上的难关,填补了国内空白,实现了工业化生产,是我国在新材料领域迈出的一大步,PASS全称为()。
答案:聚芳硫醚砜6.口罩在抗击新冠疫情中发挥了重要的作用,如图所示口罩材料,其中间层是高熔指的聚丙烯熔喷布,需要驻极处理带上一定的电荷才能发挥过滤效果,熔喷布的成型方法是()。
答案:挤出成型7.从塑件模具壁厚设计角度来考虑,下列4个图哪个图设计是合理的()。
答案:8.2020年1月,国家发布了《关于进一步加强塑料污染治理的意见》。
2021年1月1日是全国塑料污染治理首个重要阶段性节点。
哪些产品今后是要逐渐淘汰不能再使用的()。
答案:不可降解一次性塑料吸管、厚度小于0.025毫米的超薄塑料购物袋、一次性发泡塑料餐盒、餐具、厚度小于0.01毫米的聚乙烯农用地膜9.编著出版了中国高校第一本高分子教科书《高分子物化学原理》,被誉为“中国塑料之父”的是()。
塑料模试卷1一、填空(20分)1 为了便于塑件脱模.在一般情况下,使塑件在开模时留在——或——上。
2 球形拉料秆适用于————推出机构,其拉料杆通常固定在——上,Z形拉料杆适用于——、——推出方式使用,通常固定于——上。
3 说出至少四种浇口形式,它们是——、——、——、——·4 注射模的浇注系统一般由——、——、——和——四部分组成。
5 热固性塑料的模塑成型方法主要有——和——。
6 斜导柱在定模,滑块在动模,设计这种结构时,必须避免——。
7 设计注射模的推出机构时.推杆要尽量短,一般高出所在——或——0.05~0. 1mm。
8 推杆,推管推出机构有时和侧型心发生干涉,当加大斜导柱斜角还不能避免干涉叫,就要增设机构,它有——、——、——等几种形式。
9 推杆、导向零什常用——钢材制造,固定板、支承板等常用——钢材。
10斜导柱的斜角一般取值为——,它与楔紧块的斜角关系应为——,斜导柱与滑块的配合间隙为——。
二、判断题(10分)1 注射成型方法适用于所有热塑性塑料,也可用于热固性塑料的成型。
()2 不同的热塑性塑料具流动性不同,同一种塑料流动性是一定。
( )3 各种型号的注射机最大开模行程均与模具厚度无关。
( )4 为了减少分流道对熔体流动的阻力,分流道表面必须修得很光滑。
( )5 浇口的主要作用是防止熔体倒流,便于凝料与塑件分离。
( )6 潜伏式浇口是点浇口变化而来的,浇口常设在塑件侧面的较隐蔽部位而不影响塑件外观。
( )7 热塑性塑料的脆化温度就是玻璃化温度。
( )8塑件的退火处理温度一般控制在相变温度以上10~20'C或低于热变形温度10~20`C.( )9 在注射成型中需要控制的温度有料筒温度,喷嘴温度和模具温度。
( )10为了便于塑件脱模,一般情况下使塑件在丌模时留在定模或上模上。
( )三、选择题(12分)1 热固性塑料的压缩成型温度是指——·A成型时所规定的模具温度B成型时规定的塑料温度c规定的模内塑料温度2 采用多型腔注射模时,需根据选定的注射机参数来确定型腔数.主要按注射机的——来确定.A最大注射量B锁模力c额定塑化量3 直接浇口适用于各种塑料的注射成型,尤其对——有利。
一>填空题1. 在注射成型中应控制合理的温度,叩控制喷嘴和模具温度。
2. 根据塑料的特性和使用耍求•塑件需进行塑后处理.常进行退火和调湿处理。
3・塑料模具的组成零件按其用途可以分为 成型 零件与 结构 零件两大类。
4. 在注射成型时为了便于蜩件的脱模,在一般情况下,使蜩件在开模时留在竝上。
5・塑料一般是由 树脂 和 添加剂 组成。
6. 塑料注射模主要用来成型热塑性塑料件。
压缩成型主要用来成型热固性塑料件。
7. 排气是塑件成型的需要,引气是塑件脱模的需要。
8. 注射模的浇注系统有主流道、分流道、浇口、冷料穴等组成。
9. 凹模其形式有整体式和组合式两种类型。
10・导向机构的形式主要有昱杜导向和锥面定位两种。
11・树脂分为天然树脂和合成树脂。
12.注射模塑最主要的工艺条件,即“三要素”是—压力、时间和 温度。
二、单选题1. 卧式注射机SX-Z-63/50中的50表示锁模力为(D )A. 500cm3B. 50cm3 C 、50kN2•注射机料筒温度的分布原则是什么? ( A ) A 、前高后低 B 、前后均匀 C 、后端应为常温 D 、3. 热塑性塑料在常温下,呈坚硬固态属于(A )A 、玻璃态B 、高弹态C 、粘流态 4. 下列不属于塑料模失效形式的是(D ) ?A.变形 Ik 断裂 C 、磨损 5. 凹模是成型塑件(A )的成型零件?A 、内表面B 、外表面C 、上端面 6•球头铳刀主要用于加工塑料模具零件中的(D )内容?A 、大平面B 、孔C 、键槽 7•下列不属于注射模导向机构的是(D ) ? A.导柱 导套 C 、导向孔8. 主流道一般位于模具中心位置,它与注射机的喷嘴轴心线(D ) ?三. 判断题1. 任何模具上都不需设有冷却或加热装置。
(X )2. 同一塑料在不同的成型条件下,英流动性是相同的。
(X )3 •同一蜩件的壁厚应尽量一致◎ (V )4. 对于吸水性强的塑料,在成型前不需要进行干燥处理。
1. 塑料的分解温度通常表示用的符号是( )。
A. θ
g B. θf C. θb
D. θd
2. 塑料成型的收缩性是指塑料的( )。
A. 成型尺寸收缩
B. 面积收缩
C. 体积收缩
D. 质量收缩
3. XS-ZY-125注射机,喷嘴圆弧半径r 为10 mm ,则注射模主流道球面半径为 ( )。
A. 9mm
B. 10 mm
C. 11mm
D.15 mm 4. 下列哪种推出机构属于复杂推出机构的( )。
A. 二次推出
B. 推杆推出
C. 推件板推出
D. 推管推出 5. 是塑料最基本、最重要的组成部分,决定着塑料的基本性能的是( )。
A. 增塑剂
B. 填料
C. 稳定剂
D. 合成树脂 6. 日常生活中使用塑料保鲜袋,主要是采用下面哪一种塑料制成的( )。
A. PVC
B. PE
C. ABS
D. PA
7.塑件保压结束至开模以前所需的时间(柱塞后撤或螺杆转动后退的时间均在其中)称之为( )。
A. 合模时间
B. 注射时间
C. 模内冷却时间
D. 安放嵌件时间 8. 在注射成型过程中需要控制的温度主要有三种,为有料筒温度、喷嘴温度和( )。
A.粘流温度
B.模具温度
C.浇口温度
D.分解温度
20 年 月江苏省高等教育自学考试 02220塑料成型工艺与模具设计
一、单项选择题(每小题1分,共16分)
在下列每小题的四个备选答案中选出一个正确的答 案,并将其字母标号填入题干的括号内。
9.合模力(kN)与注射量(cm3或g)表示法目前是国际上通用的注射机表示方法,XZ―63/50型号注射机,63表示()。
A.塑料成型机械
B.锁模力
C.注射容量
D.合模力
10.双分型面注射模具的结构特征是有两个分型面,常常用于点浇口浇注系统的模具,也叫
()。
A.三板式注射模具
B.两板式注射模具
C.侧抽芯注射模具
D.四板式注射模具
11.双分型面注射模在开模过程中要进行两次分型,必须采取顺序定距分型机构,A分型面分型距离S与浇注系统凝料在合模方向上的长度S'关系是()。
A. S =S'+(3~5)mm
B. S =S'+(1~2)mm
C. S'=S +(3~5)mm
D. S'=S +(1~2)mm
12.注射模模架是由下面哪一项所组成的()。
A. 支承零部件
B.凸凹模
C. 支承零部件和合模导向机构
D. 动模座板和定模座板
13.有种浇口只适于单型腔模具,这种形式的浇口是()。
A.直接浇口
B.侧浇口
C.点浇口
D.扇形浇口
14. 精密注射成型的工艺特点下面哪一点是不对的()。
A. 注射压力大
B. 温度控制精确
C.注射速度快
D. 塑件成型质量差
15.斜导柱的倾斜角α在设计时最常用的范围是()。
A. 5°≤α≤10°
B. 25°≤α≤40°
C. 12°≤α≤22°
D. 20°≤α≤30°
16.压注模与压缩模的结构有较大区别之处在于压注模有()。
A.单独的加料室
B.推出机构
C.导向机构
D.加热系统
二、填空题(每空1分,共10分)
17. 非晶态高聚物按温度区域不同划分为、高弹态和粘流态。
18. 按照侧向抽芯动力来源的不同,注射模的侧向分型与抽芯机构可分为机动侧向分型与
抽芯机构、侧向分型与抽芯机构和手动侧向分型与抽芯机构等三大类。
19. 注射成型工艺参数包括温度、和时间。
20. 潜伏浇口又称剪切浇口,是由浇口变异而来。
21.塑料制件从模具中取出冷却后一般都会出现尺寸的现象,这种塑料成型冷却后发生的
体积收缩的特性被称为塑料的。
22. 我国塑料注射模的国家标准有两个,即《塑料注射模中小型模架及技术条件》和《塑
料注射模大型模架》。
前者按结构特征分为基本型和。
23.组合式凹模、凸模结构按组合方式不同,可分为、局部镶嵌式和四壁拼
合式等形式。
24. 在各种类型的侧向分型与抽芯机构中,侧向分型与抽芯时必然会遇到抽拔的阻力,侧
向分型与抽芯的力一定要大于。
25. 导向机构除、定向作用外,还可以承受一定的侧向压力。
26. 压缩模主要用于成型制件,但也可以成型热塑性塑料制件。
三、简答题(每小题6分,共30分)
27. 按照塑料树脂的大分子类型和特性,塑料分为哪几类?
29. 压注成型与压缩成型相比较,在工艺参数的选取方面有什么区别?
30. 凹模脱模机构与推件板脱模机构在结构上有何不同?
31.斜导柱侧向抽芯机构有哪几种应用形式?在设计侧向抽芯机构时应该注意哪三大要素?
32. 绘出Z 字型拉料杆的结构形式。
33.绘出平缝式浇口的结构形式
34.斜导柱固定在动模,侧滑块安装在定模该模具结构如图3所示。
1) 阐述该类模具结构特点; 2) 阐述该模具工作过程。
四、作图题(每小题7分,共14分)
五.结构分析题(每小题10分,共20分)
图3
(2)阐述该机构的工作过程。
图4
36.如图5所示斜导柱侧向抽芯机构,该零件侧向孔的深度为6 mm ,倾斜角α为18º,求斜导柱的工作长度L 的长度范围。
图5
六.计算题(每小题10分,共10分)。