001建筑基本识图知识
- 格式:docx
- 大小:15.18 KB
- 文档页数:9
建筑识图大一知识点建筑识图是建筑学专业的一门基础课程,是建筑学学生必须掌握的重要知识点。
通过学习建筑识图,学生能够了解建筑设计图纸的基本组成和表达方式,掌握建筑图纸的读取、分析和绘制技巧。
本文将介绍建筑识图的主要知识点,包括平面图、立面图、剖面图等。
一、平面图平面图是建筑设计图纸的最基本形式,用于表达建筑物的布局和空间组织。
平面图通常包括平面布置图、平面设计图等。
平面布置图主要用于表示建筑物的整体布局,包括建筑物的各个功能空间、道路和绿化等。
平面设计图则更加详细,用于表示建筑物内部各个房间、功能区域的布置。
二、立面图立面图是建筑设计图纸中用于表达建筑外立面形象的重要形式。
立面图主要展示建筑物的外立面造型、立面比例关系和各种建筑元素的形式表达,如窗户、门、装饰物等。
通过学习立面图,学生能够理解建筑物外部形象的构成要素,并能够读取和分析立面图上的信息。
三、剖面图剖面图是建筑设计图纸中用于表达建筑物内部结构的形式。
剖面图一般根据一定的剖面线绘制,可以展示建筑物的垂直截面,包括墙体结构、楼层分布、天花板高度、地板结构等信息。
通过学习剖面图,学生能够理解建筑物内部结构的组成和空间层次关系。
四、构造图构造图是建筑设计图纸中用于表达建筑结构体系的形式。
构造图主要包括方案构造图和详图。
方案构造图用于表达建筑物的结构方案设计,包括结构柱、梁和板的位置和尺寸关系。
详图则更加详细,用于表达具体的构件连接、节点细部设计等。
通过学习构造图,学生能够了解建筑结构的组成方式和构造要求。
五、平面布置图平面布置图是建筑设计图纸中用于展示建筑物内部空间布局的形式。
平面布置图主要包括功能布置图和家具布置图。
功能布置图用于表示建筑物各个功能区域的位置和尺寸关系,如客厅、卧室、厨房等。
家具布置图则更加详细,用于表示建筑物内部家具的摆放位置和尺寸。
通过学习平面布置图,学生能够了解建筑物内部空间的合理布局和功能分区。
总结:建筑识图是一门重要的基础课程,通过学习建筑识图,学生能够理解和分析建筑设计图纸,掌握建筑图纸的读取和绘制技巧。
大一建筑识图知识点建筑识图是建筑学专业中非常重要的一门基础课程,它是建筑设计和施工中必不可少的一环。
通过建筑识图,我们能够理解和解读建筑图纸,并准确地进行建筑设计和施工。
本文将介绍大一建筑识图的一些基本知识点。
1. 平面图平面图是建筑图纸中最基本、最常见的一种图纸。
它以俯视的视角来表示建筑物在水平方向上的布局和各个部分之间的关系。
在平面图中,建筑师使用各种符号和线条来代表不同的建筑元素,如墙体、门窗、楼梯等。
通过学习平面图,我们可以了解建筑的整体布局和功能分区。
2. 立面图立面图是建筑图纸中描述建筑物垂直方向外观的图纸。
它以正面或侧面的视角显示建筑物的外观特征,如外墙的装饰、窗户的位置和形状等。
立面图通常包括各种线条和标注,用于表达建筑物的比例、尺寸和设计细节。
3. 剖面图剖面图是建筑图纸中展示建筑物内部结构和空间分布的图纸。
通过剖面图,我们可以了解建筑物的截面形状以及不同楼层之间的空间关系。
剖面图通常包括水平线和垂直线,用于标识建筑物内部的不同元素和结构。
4. 结构图结构图是建筑图纸中描述建筑物结构和承重系统的图纸。
建筑物的结构图通常由平面图、立面图和剖面图组成,用于展示建筑物的框架结构、支撑系统和承重墙等重要构件。
结构图可以帮助建筑师和工程师了解建筑物的结构性能和设计要求。
5. 设备图设备图是建筑图纸中描述建筑物内部设备和管线布置的图纸。
它包括电气图、水暖图、通风图等,用于指导建筑物内部各种设备系统的安装和运行。
通过学习设备图,我们可以了解建筑物内部设备的位置、连接方式和工作原理。
6. 建筑比例建筑比例是指建筑图纸中所使用的比例尺。
比例尺表示建筑图纸上线段长度与实际长度之间的比例关系。
常见的比例尺有1:50、1:100、1:200等。
熟练掌握建筑比例的使用可以帮助我们准确地读取和绘制建筑图纸。
7. 图例和标注图例是建筑图纸中用于解释符号和标示各种元素和材料的说明图。
通过图例,我们可以理解建筑图纸中所使用的符号的含义和代表的建筑元素。
建筑识图基本知识●知识重点1.制图的基本规定2.投影法的基本知识3.点.直线.平面的投影4.剖面图的形成与表示方法5.建筑图纸的基本知识(建筑总平面图.平面图.立面图的形成与识读)●学习要求通过本章学习培养空间想象能力,掌握物体与投影图之间的转换规律。
为以后准确的理解设计师的设计意图.快速的制作建筑模型打下坚实的基础。
一. 制图的基本规定1. 建筑工程图中的线型有:实线.虚线.点划线.折断线和波浪线等,其中有些线型还分粗.中.细三种。
以下只作简要说明。
虚线线型宽度用途粗b1.新建建筑物的不可见轮廓线中0.5b1.一般不可见轮廓线2.建筑构造及建筑配件不可见轮廓线细0.25b1.总平面图上原有建筑物和道路.桥涵.围墙及其他设施的不可见轮廓线点划线粗b结构图中的支撑线中0.5b土方填挖区的零点线细0.25b分水线.中心线.对称线.定位轴线折断线0.25 b 不需画全的断开界线2.图纸比例3.尺寸标注(1).尺寸组成及基本规定如下(2)建筑尺寸标注的排列与布置说明:二. 投影法的基本知识1. 投影的概念:在日常生活中可以看到,当阳光或灯光照射物体,在墙面或地面上会产生影子。
当光线照射的角度或距离改变时,影子的位置.形状也随之改变,人们从这些自然现象中认识到光线.物体和影子之间的关系,通过总结归纳,创造了投影法。
2.投影的分类(1)中心投影由一点放射的投射线所产生的投影成为中心投影,如图a(2)平行投影由相互平行的投射线所产生的投影称为平行投影,根据投射线与投影面的角度不同,平行投影又分为两种:[1]斜投影:当平行投射线倾斜于投影面时称为斜投影,如图b[2]正投影:当平行投射线垂直于投影面时成为正投影,如图c3.工程中常用的几种图示法(1)透视图:透视图与照相原理一致,接近人的视觉,故图形逼真,直观性强,一般用于建筑设计方案比较及工艺美术和宣传广告画等。
(2)轴测图:应用平行投影法来绘制的,其图形也富有立体感.但不如透视图自然直观。
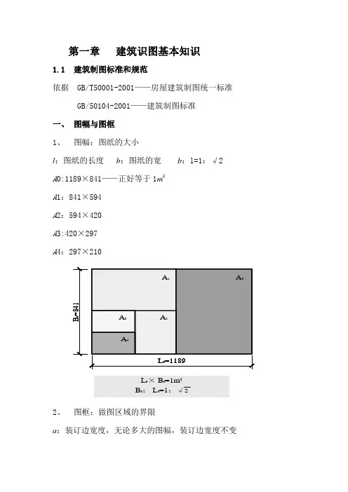
第一章建筑识图基本知识1.1建筑制图标准和规范依据 GB/T50001-2001——房屋建筑制图统一标准GB/50104-2001——建筑制图标准一、图幅与图框1、图幅:图纸的大小l:图纸的长度b:图纸的宽b:l=1:√2 A0:1189×841——正好等于1m2A1:841×594A2:594×420A3:420×297A4:297×2102、图框:做图区域的界限a:装订边宽度,无论多大的图幅,装订边宽度不变c :除装订边的另三边宽度,A0——A2,c =10mm ,其余小图纸取5mm 3、 对中标志:用于复制图纸,0.35mm 宽,伸入图幅内5mm 二、 标题栏与会签栏 1、 标题栏(图标)反应该图的设计、绘图方面的等等情况,包含:工程名称、图名、设计单位及设计师、绘图员、图号等等2、 会签栏:建筑是一项综合工程,包含了方方面面的专业和技术,会签栏是各专业负责人对该图纸的认可签字,包括:城市规划、消防、给排水、结构、暖通、环保、燃气等。
三、 图线 1、 线宽组及线型线宽组:b :2,1.4,1,0.7,0.5,0.35,0.25,0.18 b /2,b /42、图线画法1)同张图纸,同比例的图样应采用相同线宽组2)图框、标题栏的界限用b线绘制3)平行线之间的间隔不能小于0.7,避免误认为一条线4)虚线、单点长划线、双点长划线等,应线段相交,不能短划线和空隙相交。
只有虚线是实线的延长线时,应留空隙5)图形小时可以用细实线代替单点长划线、双点长划线四、字体工程字为长仿宋字,字高等于字号,为20,14,10,7,5,3.5,2.5 分别用在不同的地方。
写字方法:横平竖直,注意起落,结构匀称,填满方格。
五、比例图形与实物相应线性尺寸之比。
写在图名右侧,用小一号或小二号字体书写。
常用比例:1:1,1:2,1:5等,P11表。
六、尺寸标注标注要求: 正确、完整、清晰、合理。
大一建筑施工识图知识点一、施工图纸的概念和作用施工图纸是建筑施工过程中必不可少的一项工作,它是将设计图纸转化为适合施工的图纸,包括平面布置图、立面剖面图、构造图、细部图等。
施工图纸的主要作用有以下几点:1. 沟通信息:通过施工图纸,设计方案可以准确传达给施工方,避免误解和沟通障碍。
2. 材料采购和预算控制:施工图纸详细标注了建筑材料的种类、规格和数量,有助于施工方进行材料采购和成本控制。
3. 施工安排和进度控制:施工图纸规定了施工步骤和工艺要求,有助于施工方合理安排施工流程和控制工期。
4. 质量控制:施工图纸标明了施工的技术要求和标准,有助于施工方进行质量监控和质量验收。
二、主要的施工图纸内容1. 平面布置图:平面布置图是建筑施工中最基本的图纸之一,它表现了建筑物的平面布局,包括房间划分、走廊、楼梯、出入口等。
2. 立面图:立面图是建筑物正面或侧面的图纸,它展示了建筑物的外观形式、立面构造和装饰,包括窗户、门、立柱等。
3. 剖面图:剖面图是建筑物沿垂直方向进行的切割图,用来表现建筑物内部的结构、层高、吊顶、楼板等。
三、施工图纸的标注方法1. 尺寸标注:尺寸标注是施工图纸中最常见的标注方法,用以标明建筑物各部件的尺寸范围和间距。
2. 符号标注:符号标注是使用图形符号和文字说明来标明建筑物中的不同构件和装置,例如门窗、暖通设备等。
3. 文字标注:文字标注是对施工图纸中各部件进行文字说明,包括材料规格、施工工艺、注意事项等。
四、施工图纸的规范要求1. 标题栏:施工图纸中应包含标题栏,标明图纸名称、版本号、绘图日期等基本信息。
2. 图纸比例:施工图纸中应标明绘图比例,以确保施工方按比例测量和施工。
3. 图纸边框和栏注:施工图纸应有清晰规范的边框,同时应包含必要的栏注,包括单位、图号、图例等。
4. 图线和标注的规范:施工图纸中的图线和标注应具备一定的粗细和颜色,以确保清晰可辨认。
五、施工图纸的常见错误和注意事项1. 不合理的尺寸标注:尺寸标注应准确、清晰,不得模糊或产生歧义。
建筑识图知识点建筑识图是建筑设计、施工等工作中必不可少的一个环节,它通过图纸的形式呈现出建筑的各个方面,包括结构、尺寸、布局、材料、施工方法等,为建筑项目的全面实施提供有力的支持。
本文将从建筑识图的基础知识、图纸种类、绘制技巧、常见问题等方面,介绍建筑识图的重要性及相关知识。
一、建筑识图的基础知识建筑识图是指通过图纸形式来表达建筑设计方案、工程预算、施工图纸、施工计划、装饰效果等各个方面的信息,是建筑设计、施工等工作的必不可少的环节。
建筑识图的基础知识涵盖建筑图学、计算机辅助设计、建筑测量、建筑材料等多个方面,需要综合运用多方面的知识来处理。
建筑图学是建筑识图的基础,它包括平面图、立面图、剖面图、图解、比例等方面的知识。
平面图是建筑设计中最基础的图形,它显示建筑物的布局、功能区划、房间数量和面积、门窗尺寸、走廊通道等信息。
立面图则显示建筑物的外立面,包括门、窗、外墙等。
剖面图则显示建筑物的内部结构和布局,包括楼层之间的联系、房间的高度和空间利用等信息。
另外,比例是建筑图学中最为重要的一环,建筑图纸中的比例有1:100、1:50、1:20、1:5等多种,它主要用于显示建筑物的大小与实际尺寸的比例。
二、图纸种类建筑图纸按用途可分为设计图、施工图、细部图、装饰图等。
设计图主要是描述建筑物的结构、功能、布局,用于制定设计方案、审查与批准等,是建筑识图的重要环节。
施工图是一个建筑项目全面实施前必须要制定的图纸,包括该建筑物的全部结构和尺寸、材料配比、建筑施工方法等,是施工的重要依据。
细部图则是针对某个细小的部分进行描述,一般只是局部的尺寸和结构,但这些小细节对整个建筑物的实现至关重要。
而装饰图则主要是表达建筑物的装饰设计,包括吊顶、地面、墙壁、门窗等装饰细节。
三、绘制技巧建筑识图的绘制技巧涉及到电脑绘图、手工绘图等方面的知识,针对不同的图纸类型和用途,需要运用不同的绘制技巧,以下是一些绘制技巧的介绍。
电脑绘图是现代建筑识图中使用最广泛的一种技术,它可以快速、准确和规范地完成建筑图纸的绘制,大大提高了建筑识图的效率和品质。
建筑识图基本知识第⼀章建筑识图基本知识1.1建筑制图标准和规范依据 GB/T50001-2001——房屋建筑制图统⼀标准GB/50104-2001——建筑制图标准⼀、图幅与图框1、图幅:图纸的⼤⼩l:图纸的长度b:图纸的宽b:l=1:√2 A0:1189×841——正好等于1m2A1:841×594A2:594×420A3:420×297A4:297×2102、图框:做图区域的界限a:装订边宽度,⽆论多⼤的图幅,装订边宽度不变c :除装订边的另三边宽度,A0——A2,c =10mm ,其余⼩图纸取5mm 3、对中标志:⽤于复制图纸,0.35mm 宽,伸⼊图幅内5mm ⼆、标题栏与会签栏 1、标题栏(图标)反应该图的设计、绘图⽅⾯的等等情况,包含:⼯程名称、图名、设计单位及设计师、绘图员、图号等等2、会签栏:建筑是⼀项综合⼯程,包含了⽅⽅⾯⾯的专业和技术,会签栏是各专业负责⼈对该图纸的认可签字,包括:城市规划、消防、给排⽔、结构、暖通、环保、燃⽓等。
三、图线 1、线宽组及线型线宽组:b :2,1.4,1,0.7,0.5,0.35,0.25,0.18 b /2,b /42、图线画法1)同张图纸,同⽐例的图样应采⽤相同线宽组2)图框、标题栏的界限⽤b线绘制3)平⾏线之间的间隔不能⼩于0.7,避免误认为⼀条线4)虚线、单点长划线、双点长划线等,应线段相交,不能短划线和空隙相交。
只有虚线是实线的延长线时,应留空隙5)图形⼩时可以⽤细实线代替单点长划线、双点长划线四、字体⼯程字为长仿宋字,字⾼等于字号,为20,14,10,7,5,3.5,2.5 分别⽤在不同的地⽅。
写字⽅法:横平竖直,注意起落,结构匀称,填满⽅格。
五、⽐例图形与实物相应线性尺⼨之⽐。
写在图名右侧,⽤⼩⼀号或⼩⼆号字体书写。
常⽤⽐例:1:1,1:2,1:5等,P11表。
六、尺⼨标注标注要求: 正确、完整、清晰、合理。
第一章基础知识一、建筑制图国家标准1.《建筑房屋建筑制图统一标准》(GB/T50001-2001)2.《总图制图标准》(GB/T50103-2001)3.《建筑制图标准》(GB/T50104-2001)粗实线:外轮线细实线:尺寸线虚线:不可见轮廓线细的单点长画线:轴线折断线波浪线二、定位轴线1.意思是:肯定建筑物的结构或构件位置及其尺寸的线,用细的单点长画线表示。
2.①横向定位轴线意思是:沿着建筑物宽度,建筑物的轴线用阿拉伯数字从左到右排列②纵向定位轴线意思是:沿着建筑物长向的轴线,用拉丁字母从下到上排列(I、O、Z不用)③分轴线意思是:两横向定位轴线或两纵向定位轴线之间的轴线三、尺寸的标注1.除总平面图和标高用米,其余全部用毫米四、标高1.标注建筑物某一点高度为位置(单位是米)2.标高按位置不同可分为:绝对标高:以海岛、黄海平均海平面为0点的标高相对标高:以室内首层地面为0点的标高3.按标注的位置不同可分为:建筑标高:标注在构件装修以后的表面上结构标高:标注在构件装修以前的表面上五、剖切符号1.剖:水平剖、垂直剖六、索引与详图符号1.分子写的是详图符号七、连接符号:1.常用的图例和符号。
2.常用的材料图例。
3.开间:两条横向定位轴线之间的距离。
4.进深:两条纵向定位轴线之间的距离。
5.层高:本层地面或楼面到上一层楼面的距离。
6.顶层:顶层楼面到顶层结构板上层的距离。
7.净高:本层地面或楼面到本层板底、梁底或吊顶的棚底的距离。
8.建筑面积:建筑物各层外墙(外柱)外围以内水平投影面积之和。
9.使用面积:指主要使用房间和负住使用房间的净面积。
10.基础的埋深度:室外地坪到基础底面的距离。
第二章施工结构一、平面图从窗台高一点的位置作水平剖切将上部分拿走,从上向下作水平正投影图。
水平方向的三道尺寸:外包尺寸、轴线尺寸、细部尺寸。
二、门窗编号:1.图号、比例、指北针2.局部3.尺寸三、立面图1.正立面的投影内容:高度方向的三道尺寸总高、层高、细部外装修的作法。
建筑识图基础知识建筑识图是建筑学习的基础,也是建筑师必备的核心技能之一。
通过识图,人们能够理解和阐释建筑设计图纸的意图,为后续的建筑施工和管理提供依据。
本文将探讨建筑识图的基础知识,包括平面图、立面图和剖面图。
一、平面图平面图是建筑设计的基础图纸之一,它以俯视的视角展示建筑物各个平面的布局和空间分配。
在平面图中,建筑物的外围轮廓以及内部各个房间、道路、楼梯、门窗等元素都会被标注清晰。
平面图能够让人们直观地了解建筑物的布局,包括不同房间之间的功能分配、门窗的位置、通道的宽度、房间的面积等等。
在识读平面图时,需要掌握一些基本的图例符号和比例尺的概念。
图例符号是用来代表不同元素的图形符号,例如长方形代表房间,圆形代表柱子,斜线代表窗户等等。
比例尺则是表示实际尺寸与图纸尺寸之间的比例关系,它通常以分数或比例的形式出现,如1:50表示1单位长度在实际中相当于50单位长度。
二、立面图立面图是建筑设计中的重要图纸之一,它以垂直的视角展示建筑物的外观和立面特征。
立面图通过展示建筑物各个立面的细节和元素,包括墙壁、窗户、门、装饰等,使人们能够了解建筑物的外观特征、材料使用和风格风貌等。
在识读立面图时,需要注意每个立面的比例和尺寸,以及墙壁的厚度和窗户的形状等细节。
另外,建筑物的立面通常包括多个层次,需要注意不同楼层之间的高度和差异。
立面图常常与平面图相结合,通过对比平面和立面,人们能够更加全面地理解建筑物的布局和外观。
三、剖面图剖面图是建筑设计中的重要图纸之一,它以穿切的视角展示建筑物的内部结构和构造。
剖面图通过在平面图和立面图之间垂直切割建筑物,展示建筑物的层次、房间内部布局、墙壁结构、楼梯和扶手等细节。
在识读剖面图时,需要注意剖面图的方向和位置,以及图中的比例尺和标注细节。
剖面图通常是沿着建筑物的一个或多个垂直轴线切割,所以在识读时需要理解建筑物的整体结构和空间分布。
通过剖面图,人们能够了解建筑物内部的功能布局,如楼梯的位置、房间的高度、墙壁的厚度等等。
建筑基本识图知识一、 平法图(钢筋混凝土结构施工图或简称结构施工图)(一)、梁的表示方法1、梁的集中标注(表达梁的通用数值)(1)梁编号标注①KL——表示框架梁例:KL1(4)——表示框架梁第1号,4跨,无悬挑;若是“框架梁带悬挑端”,则表示为:KL4(3A)——表示框架梁第4号,3跨,一端有悬挑,KL4(3B)——表示框架梁第4号,3跨,两端有悬挑。
其中A表示一端有悬挑、B表示两端有悬挑。
②WKL——表示屋面框架梁例:WKL1(4)——表示屋面框架梁第1号,4跨,无悬挑③KZL——表示框支梁例:KZL1(1)——表示框支梁第1号,1跨,无悬挑④L——表示非框架梁例:L3(2)——表示非框架梁第3号,2跨,无悬挑⑤XL——表示纯悬挑梁例:XL1——表示纯悬挑梁第1号。
(2)、梁的截面尺寸标注,举例如下:①普通梁截面:300×700——表示:截面宽度300㎜、截面高度700㎜;②加腋梁截面:350×700Y500×250——表示:截面宽度350㎜、截面高度700㎜、腋长500㎜、腋高250㎜。
③纯悬挑梁截面:300×700/500——表示:梁根部截面高度700㎜、端部截面高度500㎜。
④框架梁带悬挑端截面:在悬挑端进行原位标注“300×700/500”。
(3)、梁箍筋标注,举例如下:①Φ10@100/200(2)——表示:箍筋为HPB235钢筋,直径为Φ10,非加密区间距为100,加密区间距为200,均为2肢箍。
②Φ10@150/(2)——表示:箍筋为HPB235钢筋,直径为Φ10,2肢箍,间距为150,不分加密区与非加密区。
③Φ8@100(4)/150(2)——表示:箍筋为HPB235钢筋,直径为Φ8,加密区间距为100,4肢箍,非加密区间距为150,2肢箍。
④13Φ10@150/200(4)——表示:箍筋为HPB235钢筋,直径为Φ10,梁的两端各有13个4肢箍间距为150,梁跨中部分间距为200,4肢箍。
建筑基本识图知识
一、平法图(钢筋混凝土结构施工图或简称结构施工图)(一)、梁的表示方法
1、梁的集中标注(表达梁的通用数值)
(1)梁编号标注
①KL——表示框架梁
例:KL1(4)——表示框架梁第1号,4跨,无悬挑;若是“框架梁带悬挑端”,则表示为:KL4(3A)——表示框架梁第4号,3跨,一端有悬挑,KL4(3B)——表示框架梁第4号,3跨,两端有悬挑。
其中A表示一端有悬挑、 B表示两端有悬挑。
②WKL——表示屋面框架梁
例:WKL1(4)——表示屋面框架梁第1号,4跨,无悬挑
③KZL——表示框支梁
例:KZL1(1)——表示框支梁第1号,1跨,无悬挑
④L——表示非框架梁
例:L3(2)——表示非框架梁第3号,2跨,无悬挑
⑤XL——表示纯悬挑梁
例:XL1——表示纯悬挑梁第1号。
(2)、梁的截面尺寸标注,举例如下:
①普通梁截面:300×700——表示:截面宽度300㎜、截面高度700㎜;
②加腋梁截面:350×700Y500×250——表示:截面宽度350㎜、截
面高度700㎜、腋长500㎜、腋高250㎜。
③纯悬挑梁截面:300×700/500——表示:梁根部截面高度700㎜、端部截面高度500㎜。
④框架梁带悬挑端截面:在悬挑端进行原位标注“300×700/500”。
(3)、梁箍筋标注,举例如下:
①Φ10@100/200(2)——表示:箍筋为HPB235钢筋,直径为Φ10,非加密区间距为100,加密区间距为200,均为2肢箍。
②Φ10@150/(2)——表示:箍筋为HPB235钢筋,直径为Φ10,2肢箍,间距为150,不分加密区与非加密区。
③Φ8@100(4)/150(2)——表示:箍筋为HPB235钢筋,直径为Φ8,加密区间距为100,4肢箍,非加密区间距为150,2肢箍。
④13Φ10@150/200(4)——表示:箍筋为HPB235钢筋,直径为Φ10,梁的两端各有13个4肢箍间距为150,梁跨中部分间距为200,4肢箍。
⑤18Φ12@150(4)/200(2)——表示:箍筋为HPB235钢筋,直径为Φ12,梁的两端各有18个4肢箍间距为150,梁跨中部分间距为200,2肢箍。
(4)、梁的上部通长筋标注,举例如下:
①2Φ25——表示:梁上部通长筋(用于双肢箍)。
②2Φ25+2Φ22——表示:梁上部通长筋(两种规格,其中加号前面的钢筋放在箍筋角部)。
③6Φ25 4/2——表示:梁上部通长筋(两排钢筋:第一排4根,第
二排2根)。
④2Φ25+(4Φ12)——表示:梁上部钢筋:2Φ25为通长筋,4Φ12为架立筋,“+”号前面的是上部通长筋。
⑤3Φ22;4Φ20——表示:梁上部通长筋3Φ22,梁下部通长筋4Φ20。
(5)、梁的架立筋标注,架立钢筋是梁上部的纵向构造钢筋,举例如下:
①抗震框架梁KL1的上部纵筋标注:2Φ25+(4Φ12)——表示: 2Φ25为上部通长筋,4Φ12为架立筋。
②非抗震框架梁L1的上部纵筋标注:2Φ25+(4Φ12)或(4Φ12);后者表示:梁上部纵筋的集中标注为架立筋(4Φ12),即这根梁上部纵筋集中标注全部采用架立筋。
注:架立筋是指将箍筋架立起来所需的贯穿箍筋角部的纵向构造钢筋。
架立筋的根数﹦箍筋的肢数﹣上部通长筋的根数
(6)、梁下部通长筋标注:例:3Φ22;4Φ20——表示:梁上部通长筋3Φ22,梁下部通长筋4Φ20。
(7)、梁侧面构造钢筋标注:例:G4Φ12——表示:梁的两侧共配置4Φ12的纵向构造钢筋,每侧各2Φ12。
(8)、梁受扭(或抗扭)钢筋标注:例:N6Φ22——表示:梁的两侧共配置6Φ22的受扭(或抗扭)钢筋,每侧各3Φ22。
注:“构造钢筋”和“受扭(或抗扭)钢筋”都是梁的侧面纵向钢筋,通常称为“腰筋”。
(9)、梁顶面标高高差标注:例:(-0.100)——表示梁顶面比楼板顶面低0.100m。
标高一律以“m”为单位。
2、梁的原位标注(表达梁的特殊数值,施工时原位标注取值优先)(1)、梁支座上部纵筋的原位标注:举例如下:
①6Φ25 4/2——表示:上排纵筋为4Φ25,下排纵筋为2Φ25。
②2Φ25+2Φ22——表示:一排纵筋:2Φ25放在角部,2Φ22放在中间。
③9Φ25 4/3/2——表示:第一排上部纵筋(即紧贴箍筋水平段的上部纵筋)为4Φ25,第二排上部纵筋(即远离箍筋水平段的上部纵筋)为3Φ25,第三排上部纵筋为2Φ25。
(2)、梁跨中上部纵筋的原位标注:举例如下:
①6Φ25 4/2——表示:上排纵筋为4Φ25,下排纵筋为2Φ25。
②2Φ25+2Φ22——表示:一排纵筋:2Φ25放在角部,2Φ22放在中间。
(3)梁跨中下部纵筋的原位标注:
Ⅰ、梁下部纵筋的原位标注:举例如下:
①6Φ25 2/4——表示:上排纵筋为2Φ25,下排纵筋为4Φ25。
②2Φ25+2Φ22——表示:一排纵筋:2Φ25放在角部,2Φ22放在中间。
Ⅱ、梁不伸入支座的下部钢筋原位标注:
①6Φ25 2(-2)/4——表示:上排纵筋为2Φ25且不伸入支座,下
排钢筋为4Φ25全部伸入支座。
②2Φ25+3Φ22(-3)/5Φ25——表示:上排纵筋为2Φ25和3Φ25,
其中3Φ25不伸入支座,下排钢筋为5Φ25全部伸入支座。
Ⅲ、梁侧面构造钢筋的原位标注:标注格式同集中标注时一样,但集中标注时为全梁设置,原位标注是为当前跨设置。
Ⅳ、梁侧面受扭(或抗扭)钢筋的原位标注:标注格式同集中标注时一样,但集中标注时为全梁设置,原位标注是为当前跨设置。
2、柱的注写方式(列表注写方式)
(1)、柱编号
(2)、截面尺寸注写:600×800表示矩形柱,d800表示直径为800的园柱。
(3)、箍筋注写:举例如下:
①Φ10@100/250——表示:箍筋为HPB235钢筋,直径为Φ10,加密区间距为100㎜,非加密区间距为250㎜。
当箍筋沿柱全高为一种间距时,则不用“/”线。
③LΦ10@100/250——表示:采用螺旋箍筋,HPB235级钢筋,直径
为Φ10,加密区间距为100㎜,非加密区间距为250㎜。
3、板的集中标注
(1)、板块编号表
(2)板厚注写为h﹦100(为垂直于板面的厚度);当悬挑板的端部改变截面厚度时,注写如:h﹦80/60,其中80为板根的厚度,60为板端的厚度。
(3)贯通纵筋的注写:举例如下:
①双向板的配筋(单层布筋)
LB5 h﹦100
B:XΦ12@120,YΦ10@110
以上表示:编号为LB5的楼面板,厚度为100㎜,板下部布置X向贯通纵筋为Φ12@120,Y向贯通纵筋为Φ10@110,板上部未配置贯通纵筋——板的周边需要布置扣筋。
②双层板的配筋(双向布筋)
LB3 h﹦120
B:XΦ12@120,YΦ10@110
T:X& YΦ12@150
以上表示:编号为LB3的楼面板,厚度为120㎜,板下部布置X向贯
通纵筋为Φ12@120,Y向贯通纵筋为Φ10@110,板上部配置的贯通纵筋无论X向Y向都是Φ12@150。
③双层板的配筋(双向布筋)
WB2 h﹦120
B& T:X& YΦ12@150
以上表示:编号为WB2的楼面板,厚度为120㎜,板下部配置的贯通纵筋无论X向Y向都是Φ12@150,板上部配置的贯通纵筋无论X向Y向都是Φ12@150。
④单向板的配筋(单层布筋)
LB4 h﹦100
B:YΦ10@150
以上表示:编号为LB4的楼面板,厚度为100㎜,板下部布置Y向贯通纵筋为Φ10@150,板下部X向布置的分布筋不必进行集中标注,而在施工图统一注明。
⑤双层双向板的标注
LB1 h﹦100
B:X&YΦ8@150
T:X& YΦ8@150
以上表示:编号为LB1的楼面板,厚度为100㎜,板下部配置的贯通纵筋无论X向Y向都是Φ8@150,板上部配置的贯通纵筋无论X向Y 向都是Φ8@150。
⑥单层双向板的标注
LB3 h﹦120
B:XΦ10@125
YΦ10@100
以上表示:编号为LB3的楼面板,厚度为120㎜,板下部布置X向贯通纵筋为Φ10@125,Y向贯通纵筋为Φ10@100。
⑦走廊板的标注
LB3 h﹦100
B:X&YΦ8@150
T:XΦ8@150
以上表示:编号为LB3的楼面板,厚度为100㎜,板下部配置的贯通纵筋无论X向Y向都是Φ8@150,板上部配置的贯通纵筋X向贯通纵筋为Φ8@150。
注:以上B代表下部,T代表上部,B&T代表下部与上部;X向贯通纵筋以X打头,Y向贯通纵筋以Y打头,两向贯通纵筋配置相同时以X&Y打头。
没有“T:”的钢筋标注说明板上部不设贯通纵筋。
(4)、板面标高高差:指相对于结构层楼面标高的高差,注写在括号内,有高差则注,无高差不注。
例:(-0.100)表示本板块比本层楼面标高低0.100m。
4、剪力墙的标注方式:剪力墙包括剪力墙柱、剪力墙身、剪力墙梁(简称墙柱、墙身、墙梁)
(1)、墙身编号:例:Q1(2排)(表示1号剪力墙身,水平与竖向分布筋为2排)。
(2)、墙柱编号
(3)墙梁编号。