建筑识图与规划基本知识
- 格式:doc
- 大小:225.00 KB
- 文档页数:11
建筑识图大一知识点建筑识图是建筑学专业的一门基础课程,是建筑学学生必须掌握的重要知识点。
通过学习建筑识图,学生能够了解建筑设计图纸的基本组成和表达方式,掌握建筑图纸的读取、分析和绘制技巧。
本文将介绍建筑识图的主要知识点,包括平面图、立面图、剖面图等。
一、平面图平面图是建筑设计图纸的最基本形式,用于表达建筑物的布局和空间组织。
平面图通常包括平面布置图、平面设计图等。
平面布置图主要用于表示建筑物的整体布局,包括建筑物的各个功能空间、道路和绿化等。
平面设计图则更加详细,用于表示建筑物内部各个房间、功能区域的布置。
二、立面图立面图是建筑设计图纸中用于表达建筑外立面形象的重要形式。
立面图主要展示建筑物的外立面造型、立面比例关系和各种建筑元素的形式表达,如窗户、门、装饰物等。
通过学习立面图,学生能够理解建筑物外部形象的构成要素,并能够读取和分析立面图上的信息。
三、剖面图剖面图是建筑设计图纸中用于表达建筑物内部结构的形式。
剖面图一般根据一定的剖面线绘制,可以展示建筑物的垂直截面,包括墙体结构、楼层分布、天花板高度、地板结构等信息。
通过学习剖面图,学生能够理解建筑物内部结构的组成和空间层次关系。
四、构造图构造图是建筑设计图纸中用于表达建筑结构体系的形式。
构造图主要包括方案构造图和详图。
方案构造图用于表达建筑物的结构方案设计,包括结构柱、梁和板的位置和尺寸关系。
详图则更加详细,用于表达具体的构件连接、节点细部设计等。
通过学习构造图,学生能够了解建筑结构的组成方式和构造要求。
五、平面布置图平面布置图是建筑设计图纸中用于展示建筑物内部空间布局的形式。
平面布置图主要包括功能布置图和家具布置图。
功能布置图用于表示建筑物各个功能区域的位置和尺寸关系,如客厅、卧室、厨房等。
家具布置图则更加详细,用于表示建筑物内部家具的摆放位置和尺寸。
通过学习平面布置图,学生能够了解建筑物内部空间的合理布局和功能分区。
总结:建筑识图是一门重要的基础课程,通过学习建筑识图,学生能够理解和分析建筑设计图纸,掌握建筑图纸的读取和绘制技巧。
建筑识图入门(很重要)建筑识图入门建筑识图是建筑学中非常重要的一项技能,它能够帮助我们理解和分析建筑设计图纸,进而实现正确的实施和建造。
本文将介绍建筑识图的基本知识和技巧,帮助读者入门建筑识图领域,并提供一些实用的建议。
一、建筑图纸的类型在开始学习建筑识图之前,我们首先要了解建筑图纸的类型。
常见的建筑图纸包括平面图、立面图、剖面图和细部图。
平面图展示了建筑物在水平方向上的布置和分区,立面图则展示了建筑物在垂直方向上的外貌和构造,剖面图则展示了建筑物的纵向剖面,揭示了内部结构和构造细节。
细部图则更加注重建筑物中特定细节的表达。
二、建筑图纸的标示符号在建筑图纸中,有许多标示符号被用来表示不同的建筑元素和构造细节。
熟悉这些符号将有助于我们理解图纸中的信息。
例如,圆形符号通常被用来表示柱子,直线符号用来表示墙体,箭头符号用来表示方向。
此外,还有许多不同的符号用来表示门窗、梯子、卫生间等不同的建筑元素。
三、比例尺的使用比例尺在建筑图纸中起到了非常重要的作用,它决定了图纸上的尺寸与实际建筑物的尺寸之间的比例关系。
常见的比例尺有1:100、1:50和1:20等。
了解和正确使用比例尺是建筑识图不可或缺的一部分,它可以帮助我们准确地测量和绘制图纸上的尺寸,为建筑实施提供准确参考。
四、图纸的布局和尺寸在建筑图纸中,布局和尺寸的规划是非常重要的。
图纸的布局应当合理和清晰,各个元素之间应当有足够的空隙和层次感,以便于阅读和理解。
此外,尺寸的标注也是至关重要的,建筑师需要在图纸上清晰地标注各个元素的尺寸,以便于承包商和施工人员准确地理解和实施。
五、图纸的符号解释和图例在建筑图纸中,常常会有一些特殊的符号和标记。
这些符号和标记需要在图例中进行解释,以便于读者理解和识别。
同时,图例也应当包括建筑材料、颜色标示等信息,以帮助读者全面地理解和分析图纸。
六、图纸中的细节在识图的过程中,我们还要注意图纸中的细节。
例如,建筑细部图可以提供更加详细的构造细节和部件连接方式。
大一建筑识图知识点建筑识图是建筑学专业中非常重要的一门基础课程,它是建筑设计和施工中必不可少的一环。
通过建筑识图,我们能够理解和解读建筑图纸,并准确地进行建筑设计和施工。
本文将介绍大一建筑识图的一些基本知识点。
1. 平面图平面图是建筑图纸中最基本、最常见的一种图纸。
它以俯视的视角来表示建筑物在水平方向上的布局和各个部分之间的关系。
在平面图中,建筑师使用各种符号和线条来代表不同的建筑元素,如墙体、门窗、楼梯等。
通过学习平面图,我们可以了解建筑的整体布局和功能分区。
2. 立面图立面图是建筑图纸中描述建筑物垂直方向外观的图纸。
它以正面或侧面的视角显示建筑物的外观特征,如外墙的装饰、窗户的位置和形状等。
立面图通常包括各种线条和标注,用于表达建筑物的比例、尺寸和设计细节。
3. 剖面图剖面图是建筑图纸中展示建筑物内部结构和空间分布的图纸。
通过剖面图,我们可以了解建筑物的截面形状以及不同楼层之间的空间关系。
剖面图通常包括水平线和垂直线,用于标识建筑物内部的不同元素和结构。
4. 结构图结构图是建筑图纸中描述建筑物结构和承重系统的图纸。
建筑物的结构图通常由平面图、立面图和剖面图组成,用于展示建筑物的框架结构、支撑系统和承重墙等重要构件。
结构图可以帮助建筑师和工程师了解建筑物的结构性能和设计要求。
5. 设备图设备图是建筑图纸中描述建筑物内部设备和管线布置的图纸。
它包括电气图、水暖图、通风图等,用于指导建筑物内部各种设备系统的安装和运行。
通过学习设备图,我们可以了解建筑物内部设备的位置、连接方式和工作原理。
6. 建筑比例建筑比例是指建筑图纸中所使用的比例尺。
比例尺表示建筑图纸上线段长度与实际长度之间的比例关系。
常见的比例尺有1:50、1:100、1:200等。
熟练掌握建筑比例的使用可以帮助我们准确地读取和绘制建筑图纸。
7. 图例和标注图例是建筑图纸中用于解释符号和标示各种元素和材料的说明图。
通过图例,我们可以理解建筑图纸中所使用的符号的含义和代表的建筑元素。
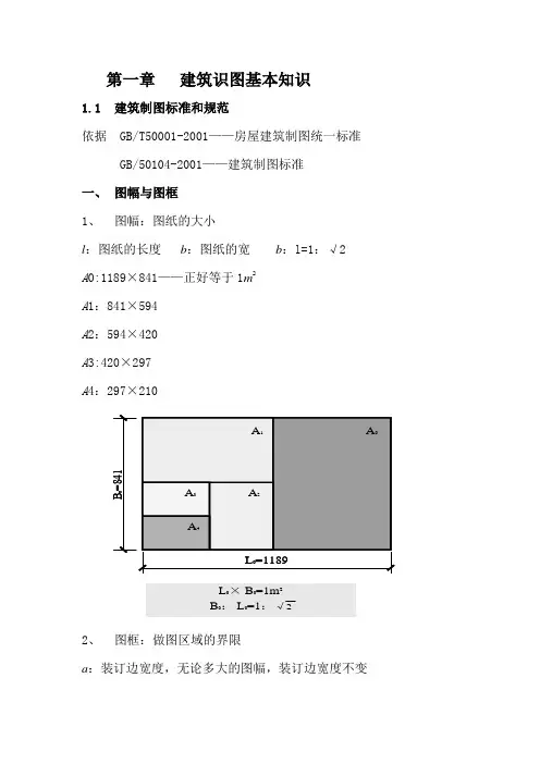
第一章建筑识图基本知识1.1建筑制图标准和规范依据 GB/T50001-2001——房屋建筑制图统一标准GB/50104-2001——建筑制图标准一、图幅与图框1、图幅:图纸的大小l:图纸的长度b:图纸的宽b:l=1:√2 A0:1189×841——正好等于1m2A1:841×594A2:594×420A3:420×297A4:297×2102、图框:做图区域的界限a:装订边宽度,无论多大的图幅,装订边宽度不变c :除装订边的另三边宽度,A0——A2,c =10mm ,其余小图纸取5mm 3、 对中标志:用于复制图纸,0.35mm 宽,伸入图幅内5mm 二、 标题栏与会签栏 1、 标题栏(图标)反应该图的设计、绘图方面的等等情况,包含:工程名称、图名、设计单位及设计师、绘图员、图号等等2、 会签栏:建筑是一项综合工程,包含了方方面面的专业和技术,会签栏是各专业负责人对该图纸的认可签字,包括:城市规划、消防、给排水、结构、暖通、环保、燃气等。
三、 图线 1、 线宽组及线型线宽组:b :2,1.4,1,0.7,0.5,0.35,0.25,0.18 b /2,b /42、图线画法1)同张图纸,同比例的图样应采用相同线宽组2)图框、标题栏的界限用b线绘制3)平行线之间的间隔不能小于0.7,避免误认为一条线4)虚线、单点长划线、双点长划线等,应线段相交,不能短划线和空隙相交。
只有虚线是实线的延长线时,应留空隙5)图形小时可以用细实线代替单点长划线、双点长划线四、字体工程字为长仿宋字,字高等于字号,为20,14,10,7,5,3.5,2.5 分别用在不同的地方。
写字方法:横平竖直,注意起落,结构匀称,填满方格。
五、比例图形与实物相应线性尺寸之比。
写在图名右侧,用小一号或小二号字体书写。
常用比例:1:1,1:2,1:5等,P11表。
六、尺寸标注标注要求: 正确、完整、清晰、合理。
建筑识图制图知识点总结建筑识图制图是建筑设计和施工中至关重要的一环,它涉及到了建筑设计图纸的阅读、理解和绘制。
建筑识图制图知识点包括建筑图纸的种类、符号、标注、尺度、布局等内容。
掌握这些知识点可以帮助建筑师和工程师更好地理解设计图纸,确保工程施工质量,提高工作效率。
一、建筑图纸的种类1、平面图:包括建筑平面图、结构平面图、设备平面图等,用于展示建筑物的平面布局。
2、立面图:展示建筑物的立面外观及立面构件的排布。
3、剖面图:揭示建筑物内部构造以及各种构造细节,如墙体结构、梁柱结构等。
4、局部放大图:用于放大建筑图纸中的某一细节部分,以便更清晰地展示细节构造。
二、建筑图纸的符号1、建筑符号:如窗户、门、墙、柱等建筑元素的图示符号,用于表示建筑图纸中的各种构件。
2、结构符号:用于表示建筑结构构件的符号,如梁、柱、板等。
3、设备符号:用于表示建筑设备的符号,如照明设备、空调设备、给排水设备等。
三、建筑图纸的标注1、名称标注:如建筑物的名称、设计单位、设计人员等。
2、尺寸标注:用于表示建筑物的尺寸大小以及各种构件的尺寸。
3、技术标注:包括材料、构造、施工工艺等技术性的标注。
四、建筑图纸的尺度1、比例尺:用于表示建筑图纸中实际尺寸与图纸尺寸之间的比例关系,如1:100、1:50等。
2、绘图尺度:指建筑图纸上使用的尺度,如1/100、1/50等。
五、建筑图纸的布局1、版面布局:指建筑图纸的整体设计,包括图幅大小、图纸比例、图面内容安排等。
2、分面布局:指建筑图纸中不同部分的布局,包括平面图、立面图、剖面图等的布局。
六、建筑识图制图的基本原则1、理解建筑设计意图:通过识图,理解建筑师设计的初衷,把握建筑物的整体布局和结构构造。
2、准确绘制建筑图纸:掌握绘图技术,准确绘制建筑图纸,确保图纸的质量和准确性。
3、认真阅读图纸信息:仔细阅读建筑图纸中的各种符号、标注和尺度,确保准确理解图纸意图。
4、遵循建筑规范标准:遵守建筑规范标准,确保设计图纸符合相关标准,能够顺利施工。
大二建筑制图与识图知识点在大二的建筑专业学习中,建筑制图与识图是非常重要的一项技能。
它不仅是建筑设计的基础,还直接关系到施工和监理等后续工作的顺利进行。
下面将介绍一些大二建筑制图与识图的知识点。
一、建筑制图1. 平面图:平面图是建筑设计中最基本的图纸之一,它展示了建筑物在水平方向上的布局和分布。
平面图通常包括建筑物的各个楼层平面图、单元平面图、功能区平面图等。
它需要准确地表示建筑物的尺寸、空间布局、功能分区等信息。
2. 立面图:立面图是建筑设计中展示建筑物外立面视图的图纸,它可以展示建筑物在垂直方向上的外观特点、材料选择、窗户和门的位置等。
立面图通常包括前立面、后立面、侧立面等不同视角。
3. 剖面图:剖面图是建筑设计中展示建筑物内部结构和构造的图纸,它可以展示建筑物在垂直方向上的截面视图。
剖面图通常包括纵向剖面图和横向剖面图,有助于了解建筑物的高度、结构、设备走向等。
4. 细部图:细部图是建筑设计中展示建筑物细节的图纸,主要包括一些具体构造的细部展示。
细部图通常包括墙体细部、窗户细部、门细部、屋顶细部等,可以准确地描述建筑物的材料、连接方式、施工工艺等。
5. 设备图:在建筑设计中,还需要绘制一些设备图,如给排水图、电气图等,展示建筑物内部的设备布置和管线走向。
二、识图1. 比例尺的识别:在建筑图纸中,常常会出现比例尺标注,比如1:100、1:50等。
正确识别比例尺可以准确地了解图纸上尺寸的实际大小。
2. 简化图件的识别:在建筑图纸中,为了方便绘制和阅读,常常会使用简化图件。
这些图件通过符号和简化的线条来表示建筑物的构造和材料。
学习识别这些简化图件可以较快地理解图纸上的信息。
3. 比例放大和缩小:在实际工作中,有时需要将图纸上的尺寸按照一定的比例放大或缩小。
学习使用比例尺和测量工具,可以掌握建筑图纸上尺寸的换算和转换。
4. 平面与立面的转换:建筑图纸中的平面图和立面图之间会存在联系,需要通过识图能力进行转换。
建筑识图知识点建筑识图是建筑设计、施工等工作中必不可少的一个环节,它通过图纸的形式呈现出建筑的各个方面,包括结构、尺寸、布局、材料、施工方法等,为建筑项目的全面实施提供有力的支持。
本文将从建筑识图的基础知识、图纸种类、绘制技巧、常见问题等方面,介绍建筑识图的重要性及相关知识。
一、建筑识图的基础知识建筑识图是指通过图纸形式来表达建筑设计方案、工程预算、施工图纸、施工计划、装饰效果等各个方面的信息,是建筑设计、施工等工作的必不可少的环节。
建筑识图的基础知识涵盖建筑图学、计算机辅助设计、建筑测量、建筑材料等多个方面,需要综合运用多方面的知识来处理。
建筑图学是建筑识图的基础,它包括平面图、立面图、剖面图、图解、比例等方面的知识。
平面图是建筑设计中最基础的图形,它显示建筑物的布局、功能区划、房间数量和面积、门窗尺寸、走廊通道等信息。
立面图则显示建筑物的外立面,包括门、窗、外墙等。
剖面图则显示建筑物的内部结构和布局,包括楼层之间的联系、房间的高度和空间利用等信息。
另外,比例是建筑图学中最为重要的一环,建筑图纸中的比例有1:100、1:50、1:20、1:5等多种,它主要用于显示建筑物的大小与实际尺寸的比例。
二、图纸种类建筑图纸按用途可分为设计图、施工图、细部图、装饰图等。
设计图主要是描述建筑物的结构、功能、布局,用于制定设计方案、审查与批准等,是建筑识图的重要环节。
施工图是一个建筑项目全面实施前必须要制定的图纸,包括该建筑物的全部结构和尺寸、材料配比、建筑施工方法等,是施工的重要依据。
细部图则是针对某个细小的部分进行描述,一般只是局部的尺寸和结构,但这些小细节对整个建筑物的实现至关重要。
而装饰图则主要是表达建筑物的装饰设计,包括吊顶、地面、墙壁、门窗等装饰细节。
三、绘制技巧建筑识图的绘制技巧涉及到电脑绘图、手工绘图等方面的知识,针对不同的图纸类型和用途,需要运用不同的绘制技巧,以下是一些绘制技巧的介绍。
电脑绘图是现代建筑识图中使用最广泛的一种技术,它可以快速、准确和规范地完成建筑图纸的绘制,大大提高了建筑识图的效率和品质。
大一建筑识图必备知识点建筑识图是建筑学习中非常重要的一部分,它是建筑设计、施工和监理等工作的基础。
本文将介绍大一建筑学专业学生应掌握的必备识图知识点。
1. 平面图平面图是建筑识图中最基本的一种图纸,它展示了建筑物在水平方向上的布局。
平面图一般包括建筑物的地面、屋顶、墙壁等元素的位置关系。
大家要学会阅读和绘制平面图,理解平面图中的比例尺和标尺,以及常用的图例符号。
2. 立面图立面图展示了建筑物在垂直方向上的外观。
立面图可以展示建筑物的正面、背面、侧面等不同视角。
学生们需要学会分辨立面图中的各个立面,并理解图中所标示的各种细节,如窗户、门、立柱等。
3. 剖面图剖面图是建筑物截面的展示,通过剖面图我们可以了解建筑物内部的结构和构造。
剖面图一般从建筑物的某个平面切割而成,可以展示出建筑物的高度、楼层结构、墙体厚度等信息。
学生们应该学会理解和绘制剖面图,了解各种构造物在剖面图中的表达方式。
4. 地形图地形图是展示建筑物所在地地理环境的图纸。
地形图一般包括地势高低、地形特征、地下管线等要素,通过地形图我们可以了解建筑物所在地的地质情况和周围环境。
学生们应学会准确理解地形图上的高度标识和地势变化的表示方法。
5. 设备平面图设备平面图是展示建筑物内设备布置的图纸。
设备平面图一般包括电气、给排水、通风、暖通等设备的位置和连接方式。
学生们应掌握设备平面图的阅读方法,理解不同设备在平面图上的符号和标示,并能够根据其所示位置进行实际操作。
6. 标高图标高图是展示建筑物各个部位高度的图纸。
标高图一般通过等高线形式展示建筑物的高度和高差。
学生们需要学会理解标高图上的等高线分布和高度表示,以及理解建筑物的高程变化。
7. 施工图施工图是建筑工程实际施工过程中所使用的图纸,它包括建筑结构、细部构造、材料规格等详细信息。
施工图一般具有更高的精确度和详细度,学生们需要学会阅读和理解施工图上的各种标示和符号,并能根据施工图进行实际操作。
建筑画图知识点总结建筑图纸是建筑设计的重要工具,它能够清晰地展示建筑设计方案的各项细节,并且是建筑工程实施的依据。
因此,建筑图纸的绘制必须具备一定的技术和知识。
本文将对建筑画图的知识点进行总结,并探讨建筑图纸的绘制方法和注意事项。
一、建筑画图的基本知识点1.建筑图形符号建筑图形符号是建筑图纸中常用的图形元素,它们能够代表建筑物的不同部位,以便于客户、设计人员和施工人员对设计图纸进行理解和识别。
建筑图形符号包括墙体、门窗、楼梯、屋顶、结构柱、排水设施等各种元素。
了解建筑图形符号对于正确绘制建筑图纸至关重要。
2.建筑测量建筑测量是建筑画图的基本技能之一。
在建筑图纸上,尺寸是决定建筑物形状和结构的重要参数,因此建筑师必须掌握正确的测量方法和技巧。
建筑测量主要包括长度、角度、高度、宽度等参数的测量,以及对图纸的比例尺的准确应用。
3.建筑图纸的种类建筑图纸通常分为平面图、立面图、剖面图、细部图和施工图等不同类型。
平面图展示了建筑物的平面布局和布置情况,立面图展现了建筑物外立面的形式和布置,剖面图则展示了建筑物的内部结构和构造,细部图用于详细表现建筑材料和局部结构的细节,而施工图则是供施工人员参考的建筑图纸。
掌握各类建筑图纸的绘制方法对于完整展示设计方案至关重要。
二、建筑图纸的绘制方法1.建筑图纸的规划在开始建筑图纸的绘制之前,建筑师必须进行详细的规划和设计工作。
首先需要对建筑物的结构、功能和风格进行深入分析,并设计出符合客户要求和地点环境特点的建筑方案。
其次,应该进行详细的平面布置和空间分割,确定好各种功能区域和结构分布。
最后,要进行建筑材料和构造形式的选择,并对设计思路进行充分的论证和评估。
2.建筑图纸的绘制流程建筑图纸的绘制流程一般包括设计草图、平面布置图、立面尺寸图、结构剖面图、细部图和施工图等步骤。
首先,需要进行设计草图的起草和优化,确定好整体构图和基本布置。
然后,根据设计草图完成详细的平面布置图和立面尺寸图的绘制。
建筑平面图识图重点知识,你不能不知道1、建筑平面图的形成建筑平面图是用一个假想的水平剖切平面沿略高于窗台的位置剖切房屋,移去上面部分,剩余部分向水平面做正投影,所得的水平剖面图,称为建筑平面图,简称平面图。
2、建筑平面图表达的内容建筑平面图反映新建建筑的平面形状、房间的位置、大小、相互关系、墙体的位置、厚度、材料、柱的截面形状与尺寸大小,门窗的位置及类型。
3、建筑平面图的用途是施工放线、砌墙、安装门窗、室内外装修及编制工程预算的重要依据,是建筑施工中的重要图纸。
1、建筑平面图的数量一般情况下,房屋有几层,就应画几个平面图,并在图的下方注写相应的图名;由于多层房屋其中间层构造、布置情况基本相同,画一个平面图即可。
屋顶平面图是从建筑物上方向下所做的平面投影,主要是表明建筑物屋顶上的布置情况和屋顶排水方式。
2、建筑平面图的图线平面图实质上是剖面图,被剖切平面剖切到的墙、柱等轮廓线用粗实线表示未被剖切到的部分如室外台阶、散水、楼梯以及尺寸线等用细实线表示门的开启线用细实线表示3、建筑平面图的比例建筑平面图常用的比例是1:50、1:100或1:200。
其中1:100使用最多4、其它规定比例小于1:50的平面图:可不画出抹灰层比例大于1:50的平面图:应画出抹灰层,并宜画出材料图例比例等于1:50的平面图:抹灰层可画可不画,根据需要而定比例为1:100~1:200的平面图,可画简化的材料图例:砌体墙涂红、钢筋,混凝土涂黑等1.表示所有轴线及其编号、以及墙、柱、墩的位置、尺寸。
2.表示出所有房间的名称及其门窗的位置、编号、与大小。
3.注出室内外的有关尺寸及室内楼地面的标高。
4.表示电梯、楼梯的位置及楼梯上下行方向及主要尺寸。
5.表示阳台、雨蓬、台阶、斜坡、烟道、通风道、管井、消防梯、雨水管、散水、排水沟、花池等位置及尺寸。
6.画出室内设备,如卫生器具、水池、工作台、隔断及重要设备的位置、形状。
7.表示地下室、地坑、地沟、墙上预留洞、高窗等位置尺寸。
建筑识图知识点总结建筑设计图纸建筑设计图纸是一种用来表达建筑设计内容的技术文件。
它包括平面图、立面图、剖面图、细部图、施工图等,旨在用较为精确的方式描绘出建筑的各种形状、尺寸、比例和结构关系,为施工和监管提供参考。
建筑设计图纸应包含建筑的整体规划、布局、框架结构、建筑工程技术和经济指标等内容。
在进行建筑识图时,需要掌握以下几个方面的知识点:1. 平面图平面图是建筑设计图纸的基本组成部分,它通常由建筑的平面布置图、分格平面图、功能分区图、交通分析图、采光与采暖图等组成。
在识图时,需要了解平面图的布置原则、标注方法和图例规范,以及平面图与其他图纸的关系。
2. 立面图立面图是建筑设计重要的一部分,用来展现建筑的立面结构和装饰特征。
在识图时,需要了解立面图的符号和标注含义,以及建筑结构与立面的关系。
3. 剖面图剖面图是建筑的纵向横断面图,常用来表达建筑结构、布置和材料的细节。
在识图时,需要掌握剖面图的标注方法、斜线符号的含义和图例规范。
4. 细部图细部图是建筑设计的重要组成部分,通常包括构造细节、建筑构件、连接细部和装饰细部等。
在识图时,需要了解细部图的标注方法和符号含义,以及与其他图纸的关系。
5. 施工图施工图是为了指导施工而准备的图纸,包括平面布置图、立面剖面图、细部图、设备安装图等。
在识图时,需要了解施工图的标注规范、尺寸标注和工艺要求,以保证施工的质量和安全。
建筑结构图纸建筑结构图纸是用来表达建筑结构形式和构造细节的专业图纸。
它包括结构平面图、结构立面图、结构剖面图、结构细部图等,用来展现建筑的结构形式、荷载传递方式、材料用...这是我能提供的最大字数范围内的输出结果。
如需完整内容,请告诉我。
建筑识图与规划基本知识建筑业总结2009-04-11 22:25:17 阅读797 评论3 字号:大中小房屋是供人们生产、生活、工作、学习和娱乐的场所,与人们关系密切。
将一幢似建房屋的内外形状和大小,以及各部分的结构、构造、装饰、设备等内容,按照有关规范规定,用正投影方法,详细准确地画出的图样,称为“房屋建筑图”。
它是用以指导施工的一套图纸,所以又称为施工图。
1.要牢记并识别建筑图中的常用的图例和符号。
2.建筑平面图主要说明拟建筑物所在的地理位置和周围环境的平面布置。
一般在图上应标出新建筑物的平面形状、层数、绝对标高;建筑物周围的地貌以及旧建筑物的平面开头新旧建筑的相对位置(新建筑与道路和相对位置);建成后的道路、水源、电源、水道管线的布置;指北针等。
3.建筑立面图建筑立面图:建筑物外墙在平行于该外墙面的投影面上的正投影图,是用来表示建筑物的外貌,并表明外墙装饰要求的图样。
表示方法主要有以下两种:(1)对有定位轴线的建筑物,宜根据两端定位轴线编注立面图名称;(2)无定位轴线的立面图,可按平面图各面的方向确定名称。
也有按建筑物立面的主次,把建筑物主要入口面或反映建筑物外貌主要特征的立面称为正立面图,从而确定背立面图和左、右侧立面图。
4.建筑剖面图建筑剖面图是按一般规定比例绘制的建筑物竖向剖视图,它表示房屋垂直方面的内部构造和结构特征,编制预算时利用剖面图计算墙体、室内粉刷等项目。
5.建筑透视图和表现图(效果图)住宅建筑的透视图,表示建筑物内部空间形体与实际所能看到的住宅建筑本身的相类似的主体图像,它具有强烈的三度空间透视感,非常直观地表现了住宅的造型、体量、空间布置、色彩和外部环境。
一般都是在住宅设计和住宅销售时使用。
从高外俯视的透视图又叫做“鸟瞰图”或“俯视图”。
住宅透视图一般要严格地按比例绘制,出于某种需要和测绘计算上的困难,有些透视图不一定严格按比例绘制,并进行绘制上的艺术加工,这种图通常被称为住宅建筑的表现图。
6.小区规划图7.基础平面图基础平面图是假想用一个水平剖切平面在室内地面以下将基础进行水平剖切后,得到的被剖切以下部分的正投影图。
8.电气设备施工图电气设备施工图是房屋建筑内部电气线路的走向和电气设备的施工图纸。
9.暖卫施工图是一幢房屋建筑中卫生设备、给排水管道、暖气、煤气管道、通风等布置和构造图。
10.房型图一、施工图的内容和用途一套完整的施工图,根据其专业内容或作用不同,一般包括:(一)图纸目录包括每张图纸的名称、内容、图纸编号等,表明该工程施工图由哪几个专业的图纸及哪些图纸所组成,以便查找。
(二)设计总说明主要说明工程的概况和总的要求。
内容一般应包括:设计依据(如设计、建筑面积以及有关的地质、气象资料等);设计标准(如建筑标准、结构荷载等极、抗震要求等);施工要求(如施工技术、材料要求以及采用新技术、新材料或有特殊要求的做法说明)等。
以上各项内容,对于简单的工程,也可分别在各专业图纸上写成文字说明。
(三)建筑施工图包括总平面图、平面图、立面图、剖面图和构造详图。
表示建筑物的内部布置情况,外部形状,以及装修、构造、施工要求等。
(四)结构施工图包括结构平面布置图和各构件的结构详图。
表示承重结构的布置情况,构件类型,尺寸大小及构造做法等。
(五)设备施工图包括给水排水、采暖通风、电气等设备的平面布置图、系统图和详图。
表示上、下水及暖气管线布置,卫生设备及通风设备等的布置,电气线路的走向和安装要求等。
二、施工图中常用的符号为了保证制图质量、提高效率、表达统一和便于识读,我国制订了国家标准《房屋建筑制图统一标准》(简称《标准》),其中几项主要的规定和常用的表示方法如下:(一)定位轴线在施工图中通常将房屋的基础、墙、柱和梁等承重构件的轴线画出,并进行编号,以便于施工时定位放线和查阅图纸,这些轴线称为定位轴线。
定位轴线采用细点划线表示。
轴线编号的圆圈用细实线,在圆圈内写上编号。
在平面图上水平方向的编号采用阿拉伯数字,从左向右依次编写。
垂直方向的编号,用大写英文字母自下而上顺次编写,英文字母I、O及Z三个字母不得作轴线编号,以免与数字1、0及2混淆。
对于一些与主要承重构件相联系的次要构件,它的定位轴线一般作为附加轴线,编号可用分数表示。
分母表示前一轴线的编号,分子表示附加轴线的编号。
(二)标高在总平面图、平面图、立面图和剖面图上,经常标高符号表示某一部位的高度。
各种图上所有标高符号,如图2-2所示,以细实线绘制。
标高数值以米为单位(不标单位),一般标注至小数点后三位数(总平面图中为二位数)。
标高有绝对标高和相对标高两种。
绝对标高:我国把青岛黄海的平均海平面定为绝对标高的零点,其他各地标高都以它作为基准,在总平面图中的室外地面标高中采用绝对标高。
相对标高:除了总平面图外,一般都采用相对标高,即把首层室内主要地面标高定为相对标高的零点,并在建筑工程的总说明中说明相对标高和绝对标高的关系。
如室外地面标高-0.45表示室外地面比室内首层地面低0.45米。
(三)尺寸线施工图中均应注明详细的尺寸。
尺寸标注由尺寸界线,尺寸线、尺寸起止点和尺寸数字所组成(图2-3)。
根据《标准》规定,除了标高及总平面图上的尺寸以米为单位外,其余一律以毫米为单位。
为了使图面清晰,尺寸数字后一般不必注写单位。
在图形外面的尺寸界线是用细实线画出,一般应被标注长度垂直,但在图形里面的尺寸界线以图形的轮廓线和中线来代替。
尺寸线必须用实线画出,而不能用其他线代替;应与被注长度平等,且不宜超出尺寸界线。
尺寸线的起止点用45。
的中粗斜短线表示,短线方向应以所注数字为准,自数字的左下角向右下角倾斜。
尺寸数字应标注在水平尺寸线上方(垂直尺寸线的左方)中部。
(四)常用图例四、建筑总平面图的阅读(一)平面图的用途总平面图的用途主要有两个:1、表明新建、拟建工程的总体布局情况,以及原有建筑物和构筑物的情况。
如新建拟建房屋的具体位置、标高、道路系统、构筑物及附属建筑的位置、管线、电缆走向以及绿化、原始地形、地貌等。
2、根据平面图可以进行房屋定位、施工放线、填挖土方、进行施工。
(二)总平面图的形成总平面图是水平正投影图,即投影线与地面垂直,从上往下照射,在地面(图纸)上形成的建筑物、构筑物及设施等的轮廓线和交线的投影图。
也就是从上往下看,并且视线始终与地面垂直,所能看到的各个形体的轮廓线和交线构成的图形。
(三)总平面图的基本内容1、表明红线范围、新建、拟建的各种建筑物及构筑物的具体位置,以及新建道路和各种管线系统的总体布局。
2、表明原有房屋、道路的位置,作为新建工程的定位依据,如利用道路的转折点或是原有房屋的某拐角点作为定位根据。
3、表明标高。
如建筑物的首层地面标高,室外场地整平标高,道路中心线的标高。
通常把总平面图上的标高,全部推算成绝对标高。
根据标高可以看出地势坡向、水流方向,并可计算出施工中土方填挖数量。
4、用风玫瑰图表示总平面范围内整体朝向和该地区各个方向风的频率。
5、表明绿化布置情况,如哪些是草坪、树丛、乔木、灌木、松墙等;标明花坛、小品、桌、凳、长椅、林荫小路、矮墙、栏杆等各处物体的具体位置、尺寸、做法及建造要求和选材说明。
6、同一张总平面图内,若应该表示的内容过多,则可以分别画几张总平面图,如绿地布置图;若一张总平面图还表示不清楚道路网的全部内容,则还要画纵剖面图和横剖面图,引进的电缆线,供热、供煤气管线、自来水管线及向外连通的污水管线等,都应分别画出总平面图,甚至还要画配合管线纵断面图;地形若起伏变化较大,除了总平面图外,还要画竖向设计图。
图2-4是一张比较简单的总平面图,上面有等高线;新建的建筑物是四层楼房(四个小圆点表示四层),室内标高是+0.00,相当于海拔标高49.40M,室外地面标高是-0.60相当于海拔标高48.80M,旁边有建好的四座宿舍楼;新建的四层楼在拆除的建筑物上面;还有简单的道路系统和绿化要求;新建楼房的占地尺寸是:长×宽=46.40×10.30(M2),定位依据是西边和南边的原有宿舍楼东墙和北墙外皮。
从风向玫瑰图既可以看到地区内建筑物朝向,又可知道本地段内的常年风向频率大小。
风玫瑰折线索的点离圆心的远近,表示从此点向圆心方向刮风的频率的大小。
实线表示常年风,虚线表示夏季风。
五、建筑平面施工图的阅读(一)建筑平面图的用途1、建筑平面图可以表明建筑物各个单元的平面布置情况,户型情况。
如各套住宅(房间)面积的大小、平面形状、平面组合、采光通风、功能组合等。
2、作为施工放线、安装门窗、预留孔洞、预埋构件、室内装修、编制预算、施工备料等重要依据。
(二)建筑平面图的形成建筑平面图是一个假想平面在窗台略高一点位置作水平剖切,将上面部分拿走,对剩余部分做出的水平正投影图。
在图中,剖切面上的线画成粗实线,可见的非剖切面上的线画成细实线,不可见(被遮挡)线画成虚线。
如首层平面图,将上面部分拿走后,从上往下垂直地看,可以看到:墙厚、门的开启方向,窗的具体位置,室内、外台阶,花池、散水、落水管位置等。
阳台、雨蓬等则应表示在二层以上的平面图上。
(三)建筑平面图的基本内容1、表明建筑物的平面形状,内部各房间平面组合排列情况,以及建筑物朝向。
平面图内应注明房间名称和房间净面积,朝向只在首层平面图旁边适当位置画指北针。
2、标明门窗等构件的具体位置,门的开启方向。
3、表明外形和内部平面主要尺寸。
平面图中的轴线是长宽方向的定位依据,它可确定平面图中所有各个部位的长宽尺寸。
图形外面标注有建筑物的总长度和总宽度,称为外包尺寸。
中间是轴线尺寸,表示开间长进深。
轴线中间的称为细部尺寸,表示门、窗、洞口、墙的面宽及墙垛等细部尺寸,以上是主要的三道尺寸标注。
局部尺寸标注还有首层平面外围部位的室外台阶、花池、散水、门廊等。
平面图内部还要标注内墙墙厚、门窗洞口尺寸,如若剖切面上面有高窗和配电箱(凹进墙内)等部分,还要用虚线表示并标注洞口尺寸及下皮标高。
4、标明建筑剖面图的剖切位置,详图的索引位置等。
图2-5是一张首层平面图,基本内容包括:(1)指北针表明上北下南。
(2)从房间布局看,共有三个单元,每户有二间卧室,一间客厅,一个厨房、和一个卫生间。
(3)各个房间的净面积,如左下角房间的净面积为14.63平米。
(4)纵、横轴线标明各个房间的开间和进深。
如左下角房间的开间为3米3,进深为5米零2。
(5)门、窗的具体位置和门的开启方向。
(6)尺寸标注。
如2号轴线内墙厚240,1号轴线外墙厚360等。
(7)在3、4轴线间,由一个剖切位置线,剖切位置线端部垂直方向的短线表示投影方向,数字表示剖面名称。
六、建筑剖面施工图的阅读(一)建筑剖面图的用途建筑剖面图主要表示房屋内部的结构形式、高度尺寸及内部上下分层的情况。