TL494电动自行车充电器的原理与维修
- 格式:doc
- 大小:305.00 KB
- 文档页数:7
电动车充电器原理和维修-两种充电器常用电动车充电器根据电路结构可大致分为两种。
第一种是以uc3842驱动场效应管的单管开关电源,配合LM358双运放来实现三阶段充电方式。
其电原理图和元件参数见(图表1)220v交流电经T0双向滤波抑制干扰,D1整流为脉动直流,再经C11滤波形成稳定的300V左右的直流电。
U1 为TL3842脉宽调制集成电路。
其5脚为电源负极,7脚为电源正极,6脚为脉冲输出直接驱动场效应管Q1(K1358) 3脚为最大电流限制,调整R25(2.5欧姆)的阻值可以调整充电器的最大电流。
2脚为电压反馈,可以调节充电器的输出电压。
4脚外接振荡电阻R1,和振荡电容C1。
T1为高频脉冲变压器,其作用有三个。
第一是把高压脉冲将压为低压脉冲。
第二是起到隔离高压的作用,以防触电。
第三是为uc3842提供工作电源。
D4为高频整流管(16A60V)C10为低压滤波电容,D5为12V稳压二极管, U3(TL431)为精密基准电压源,配合U2(光耦合器4N35) 起到自动调节充电器电压的作用。
调整w2(微调电阻)可以细调充电器的电压。
D10是电源指示灯。
D6为充电指示灯。
R27是电流取样电阻(0.1欧姆,5w)改变W1的阻值可以调整充电器转浮充的拐点电流(200-300 mA)。
通电开始时,C11上有300v左右电压。
此电压一路经T1加载到Q1。
第二路经R5,C8,C3, 达到U1的第7脚。
强迫U1启动。
U1的6脚输出方波脉冲,Q1工作,电流经R25到地。
同时T1副线圈产生感应电压,经D3,R12给U1提供可靠电源。
T1输出线圈的电压经D4,C10整流滤波得到稳定的电压。
此电压一路经D7(D7起到防止电池的电流倒灌给充电器的作用)给电池充电。
第二路经R14,D5,C9, 为LM358(双运算放大器,1脚为电源地,8脚为电源正)及其外围电路提供12V工作电源。
D9为LM358提供基准电压,经R26,R4分压达到LM358的第二脚和第5脚。
TL494充电器原理与维修电动自行车充电器多采用开关电源,型号虽多,但电路结构大同小异,主要区别在于所选的脉宽调制(PWM)芯片不同如(UC3845、UC3842、SG3524、TL494)。
现以佳腾牌充电器为例,介绍其原理和故障检修方法。
一、电路原理根据实物测绘的佳腾牌充电器电路原理如图1所示。
整机可分为PWM产生和推动电路、功率开关变换电路、充电状态指示电路和交流输入电路四个部分。
1.PWM产生和推动电路PWM产生电路由IC1TL494和外围元件构成。
TL494是PWM开关电源集成电路。
引脚功能和内部框图如图2所示。
IC1的第5、6脚外接的C10、R19是定时元件,决定锯齿波振荡器的振荡频率,F=1.1/RC,按图中数值为50KHz。
第14脚是+5V基准电压输出端,除芯片内部使用外,还直接或分压后供第2、4、13脚和IC2使用。
第13脚为输出方式控制端,该脚接低电平时为单端输出方式,图中接第14脚+5V高电平,为双端输出方式。
第4脚为死区电压控制端,该脚电压决定死区时间。
电位升高,死区时间延长,输出脉宽变窄,当电压大于锯齿波电压时,输出脉宽将变得很窄,甚至停振。
凡输出端采用全桥或半桥式的开关电路,都要正确设置死区时间,以免两个开关管同时导通,发生电源短路的危险。
图中该脚电位由基准电压经R24和R20分压取得,实测电压为0.46V。
第1 、2脚和第16、15脚是IC1内部的两个电压比较器的正、反相输入端,分别用作充电电压取样和充电电流取样。
+44V充电电压经R28、R27和R26 分压反馈至第1脚。
C15是软启动电容。
第2脚电位由基准电压经R23和R3分压取得,实测为3.2V。
第1脚电压越高,输出脉宽越窄,充电电压越低;反之脉宽增宽,充电电压升高。
从而实现+44V充电电压的目的。
Ra是充电电压调试电阻,Ra和R26并联值越小,充电电压越高。
R29是脚充电电流取样电阻,由该电阻上取得的电压变化,经R13送入IC1的第15脚。
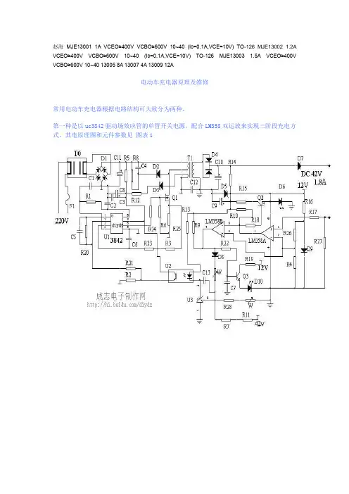
赵海MJE13001 1A VCEO≥400V VCBO≥600V 10~40 (Ic=0.1A,VCE=10V) TO-126 MJE13002 1.2A VCEO≥400V VCBO≥600V 10~40 (Ic=0.1A,VCE=10V) TO-126 MJE13003 1.5A VCEO≥400V VCBO≥600V 10~40 13005 8A 13007 4A 13009 12A电动车充电器原理及维修常用电动车充电器根据电路结构可大致分为两种。
第一种是以uc3842驱动场效应管的单管开关电源,配合LM358双运放来实现三阶段充电方式。
其电原理图和元件参数见图表1图表1工作原理:220v交流电经T0双向滤波抑制干扰,D1整流为脉动直流,再经C11滤波形成稳定的300V左右的直流电。
U1 为TL3842脉宽调制集成电路。
其5脚为电源负极,7脚为电源正极,6脚为脉冲输出直接驱动场效应管Q1(K1358) 3脚为最大电流限制,调整R25(2.5欧姆)的阻值可以调整充电器的最大电流。
2脚为电压反馈,可以调节充电器的输出电压。
4脚外接振荡电阻R1,和振荡电容C1。
T1为高频脉冲变压器,其作用有三个。
第一是把高压脉冲将压为低压脉冲。
第二是起到隔离高压的作用,以防触电。
第三是为uc3842提供工作电源。
D4为高频整流管(16A60V)C10为低压滤波电容,D5为12V稳压二极管, U3(TL431)为精密基准电压源,配合U2(光耦合器4N35) 起到自动调节充电器电压的作用。
调整w2(微调电阻)可以细调充电器的电压。
D10是电源指示灯。
D6为充电指示灯。
R27是电流取样电阻(0.1欧姆,5w)改变W1的阻值可以调整充电器转浮充的拐点电流(200-300 mA)通电开始时,C11上有300v左右电压。
此电压一路经T1加载到Q1。
第二路经R5,C8,C3, 达到U1的第7脚。
强迫U1启动。
U1的6脚输出方波脉冲,Q1工作,电流经R25到地。
TL494电动车充电器原理与维修电动自行车充电器多采用开关电源,型号虽多,但电路结构大同小异,主要区别在于所选的脉宽调制(PWM)芯片不同如(UC3845、UC3842、SG3524、TL494)。
现以佳腾牌充电器为例,介绍其原理和故障检修方法。
一、电路原理根据实物测绘的佳腾牌充电器电路原理如图1所示。
整机可分为PWM产生和推动电路、功率开关变换电路、充电状态指示电路和交流输入电路四个部分。
图表11.PWM产生和推动电路PWM产生电路由IC1TL494和外围元件构成。
TL494是PWM开关电源集成电路。
引脚功能和内部框图如图2所示。
IC1的第5、6脚外接的C10、R19是定时元件,决定锯齿波振荡器的振荡频率,F=1.1/RC,按图中数值为50KHz。
第14脚是+5V基准电压输出端,除芯片内部使用外,还直接或分压后供第2、4、13脚和IC2使用。
第13脚为输出方式控制端,该脚接低电平时为单端输出方式,图中接第14脚+5V高电平,为双端输出方式。
第4脚为死区电压控制端,该脚电压决定死区时间。
电位升高,死区时间延长,输出脉宽变窄,当电压大于锯齿波电压时,输出脉宽将变得很窄,甚至停振。
凡输出端采用全桥或半桥式的开关电路,都要正确设置死区时间,以免两个开关管同时导通,发生电源短路的危险。
图中该脚电位由基准电压经R24和R20分压取得,实测电压为0.46V。
第1 、2脚和第16、15脚是IC1内部的两个电压比较器的正、反相输入端,分别用作充电电压取样和充电电流取样。
+44V 充电电压经R28、R27和R26分压反馈至第1脚。
C15是软启动电容。
第2脚电位由基准电压经R23和R3分压取得,实测为3.2V。
第1脚电压越高,输出脉宽越窄,充电电压越低;反之脉宽增宽,充电电压升高。
从而实现+44V充电电压的目的。
Ra是充电电压调试电阻,Ra和R26并联值越小,充电电压越高。
R29是脚充电电流取样电阻,由该电阻上取得的电压变化,经R13送入IC1的第15脚。
电动车充电器原理及维修常用电动车充电器根据电路结构可大致分为两种。
第一种是以uc3842驱动场效应管的单管开关电源,配合LM358双运放来实现三阶段充电方式。
其电原理图和元件参数见图表1点击图片在新窗口查看清晰大图图表1工作原理:220v交流电经T0双向滤波抑制干扰,D1整流为脉动直流,再经C11滤波形成稳定的300V左右的直流电。
U1 为TL3842脉宽调制集成电路。
其5脚为电源负极,7脚为电源正极,6脚为脉冲输出直接驱动场效应管Q1(K1358) 3脚为最大电流限制,调整R25(2.5欧姆)的阻值可以调整充电器的最大电流。
2脚为电压反馈,可以调节充电器的输出电压。
4脚外接振荡电阻R1,和振荡电容C1。
T1为高频脉冲变压器,其作用有三个。
第一是把高压脉冲将压为低压脉冲。
第二是起到隔离高压的作用,以防触电。
第三是为uc3842提供工作电源。
D4为高频整流管(16A60V)C10为低压滤波电容,D5为12V稳压二极管, U3(TL431)为精密基准电压源,配合U2(光耦合器4N35) 起到自动调节充电器电压的作用。
调整w2(微调电阻)可以细调充电器的电压。
D10是电源指示灯。
D6为充电指示灯。
R27是电流取样电阻(0.1欧姆,5w)改变W1的阻值可以调整充电器转浮充的拐点电流(200-300 mA)通电开始时,C11上有300v左右电压。
此电压一路经T1加载到Q1。
第二路经R5,C8,C3, 达到U1的第7脚。
强迫U1启动。
U1的6脚输出方波脉冲,Q1工作,电流经R25到地。
同时T1副线圈产生感应电压,经D3,R12给U1提供可靠电源。
T1输出线圈的电压经D4,C10整流滤波得到稳定的电压。
此电压一路经D7(D7起到防止电池的电流倒灌给充电器的作用)给电池充电。
第二路经R14,D5,C9, 为LM358(双运算放大器,1脚为电源地,8脚为电源正)及其外围电路提供12V工作电源。
D9为LM358提供基准电压,经R26,R4分压达到LM358的第二脚和第5脚。
电动车充电器原理和维修-两种充电器常用电动车充电器根据电路结构可大致分为两种。
第一种是以uc3842驱动场效应管的单管开关电源,配合LM358双运放来实现三阶段充电方式。
其电原理图和元件参数见(图表1)220v交流电经T0双向滤波抑制干扰,D1整流为脉动直流,再经C11滤波形成稳定的300V 左右的直流电。
U1 为TL3842脉宽调制集成电路。
其5脚为电源负极,7脚为电源正极,6脚为脉冲输出直接驱动场效应管Q1(K1358) 3脚为最大电流限制,调整R25(2.5欧姆)的阻值可以调整充电器的最大电流。
2脚为电压反馈,可以调节充电器的输出电压。
4脚外接振荡电阻R1,和振荡电容C1。
T1为高频脉冲变压器,其作用有三个。
第一是把高压脉冲将压为低压脉冲。
第二是起到隔离高压的作用,以防触电。
第三是为uc3842提供工作电源。
D4为高频整流管(16A60V)C10为低压滤波电容,D5为12V稳压二极管, U3(TL431)为精密基准电压源,配合U2(光耦合器4N35) 起到自动调节充电器电压的作用。
调整w2(微调电阻)可以细调充电器的电压。
D10是电源指示灯。
D6为充电指示灯。
R27是电流取样电阻(0.1欧姆,5w)改变W1的阻值可以调整充电器转浮充的拐点电流(200-300 mA)。
通电开始时,C11上有300v左右电压。
此电压一路经T1加载到Q1。
第二路经R5,C8,C3, 达到U1的第7脚。
强迫U1启动。
U1的6脚输出方波脉冲,Q1工作,电流经R25到地。
同时T1副线圈产生感应电压,经D3,R12给U1提供可靠电源。
T1输出线圈的电压经D4,C10整流滤波得到稳定的电压。
此电压一路经D7(D7起到防止电池的电流倒灌给充电器的作用)给电池充电。
第二路经R14,D5,C9, 为LM358(双运算放大器,1脚为电源地,8脚为电源正)及其外围电路提供12V工作电源。
D9为LM358提供基准电压,经R26,R4分压达到LM358的第二脚和第5脚。
tl494电瓶车充电器电路原理-回复TL494是一款常用的开关稳压器芯片,广泛应用于电源控制电路中。
在电瓶车充电器电路中,TL494起到了控制电源输出和保护电池的重要作用。
本文将分为以下几个步骤逐步回答关于TL494电瓶车充电器电路的原理。
第一步:了解电瓶车充电器的基本原理。
电瓶车充电器的主要功能是将外部交流电转换为适合电池充电的直流电。
充电器需要遵循一定的充电工作原理,如恒流充电和恒压充电等。
根据电池的充电特性,充电器需要能够智能地控制充电过程,避免过充或过放,从而延长电池的使用寿命。
第二步:了解TL494芯片的功能和特点。
TL494芯片是一款经典的开关稳压器芯片,具有广泛的应用领域。
它可以通过调节开关频率和占空比来控制输出电压,实现稳定的直流电压输出。
此外,TL494还具有短路保护、过温保护和失调电流保护等功能,可以保证充电器的安全性能。
第三步:搭建TL494电瓶车充电器电路。
首先,根据电池的电压需求和充电特性,确定充电器的输出电压和电流。
接下来,通过选取合适的元器件,搭建TL494的基本电路,包括电源电路、参考电压电路和反馈电路。
同时,根据需要添加温度传感器和短路保护电路,以确保充电器的稳定性和安全性。
第四步:连接TL494芯片。
将TL494芯片与外围电路进行连接。
根据TL494的管脚功能,将输入电源和参考电压连接到相应的管脚上。
此外,将反馈电路和输出电路连接到TL494的管脚上。
通过调节反馈电路的元器件数值,可以实现对输出电压和电流的控制。
第五步:调试和优化电路。
进行电路的初步调试,检查各部分的连接是否正确,检测电路的工作情况。
根据实际情况调整TL494芯片的参数,以达到所需的充电电压和电流。
同时,通过添加滤波电路和稳压电路,可以提高充电器的稳定性和过载能力。
第六步:安全性能测试和性能优化。
进行电路的安全性能测试,包括短路保护和过温保护等。
检查充电器在工作过程中是否存在意外断电和过热等异常情况。
电路原理图见图12所示。
该充电器为半桥式充电器.主要性能指标为:输入电压:170-260V;输出电压:44 V(可调);最大充电电流:1.8A;浮充充电电流:200~100mA。
1)电路原理本充电器电路主要由市电整流滤波、自激加他激半桥转换、PWM控制、电压控制、电流控制、输出整流滤波六部分组成。
整流滤波市电220V/50Hz经二极管D1~D4桥式整流、电容C5~C7滤波,得到310V左右的直流电压,作为开关变换器的电源。
自激加他激半桥输出电路主要由Q1、Q2、B2、B3等元件组成。
自激启动该电路的特点是自激启动,控制电路所需辅助电源由其本身提供,无需另设。
自激振荡是利用磁心饱和特性产生的,具体过程为:接通电源,C5、C6上的150V电压经R5、R7、R9、R10给开关管Q1、Q2提供基极偏压。
设Q1由TR5偏压而微导通,则推动变压器B2的②-④绕组感应出极性是②脚正、④脚负的电压,于是①-②绕组感应出①脚正、②脚负电压加到Q1的发射极,加速Q1的导通。
这是一个十分强烈的正反馈过程,Q1迅速饱和导通。
与此同时,③-⑤绕组感应出③脚正、⑤脚负的电压,使Q2截止。
Q1饱和导通后,150电压给B3①-②主绕组充电储能,线圈中的电流和由它产生的磁感应强度随时间线性增加。
但当磁感应强度增大到饱和点Bm时,电感量迅速减小,Q1的集电极电流急剧增加,增加的速率远大于其基极电流的增加,Vce升高,于是Q1退出饱和进入放大区,推动变压器B2的②-④、①-②、③-⑤绕组感应电压将反向。
这又是一个强烈的正反馈过程,结果是Q1截止、Q2饱和导通。
此后,这种过程重复进行而形成振荡。
工作原理如下:他激振荡:自激振荡过程中,B3的次级输出电压经D9、D10全波整流、C19滤波,建立起PWM控制电路芯片TL494所需的工作电源。
TL494开始工作,由Q3、Q4输出相位差为180°的PWM脉冲,经B2⑥-⑦、⑦-⑧绕组感应至①-②或③-⑤绕组。
采用TL494集成块的电动车充电器电路原理分析检修时应自制一个串联了灯泡的保护插板。
直观地判断故障。
通电时灯泡闪一下熄灭(因为给c4充电会让灯泡闪一下)。
表示全桥正常,滤波正常。
常亮表示全桥有击穿的现象或Vl、V2击穿。
而且有了保护灯泡。
在修理的过程中能减少烧保险管和大功率管等。
该电路板最常见的故障是空载或负载时均无输出。
而且多为自激部分未起振造成。
修理这类故障首先检查C4两端有无310V直流电压。
如有按以下步骤进行:1.先将TL494从电路板上焊下,V5也焊下来。
以缩小故障范围。
原因是V1、V2形成的自激振荡较弱,任何一个部位的故障都将破坏自激振荡的条件而使自激振荡停振。
比如输出端带负载,短路,C19不良,TL494不良,V3、V4、09、D10不良,V5不良都会造成自激停振,焊下TL494和V5便于判断故障的范围。
2.在线测量电路板上所有晶体管及V1、V2的外围元件,粗略判断故障点,根据经验,V1、V2损坏最常见。
TL494损坏较多见。
V1、v2外围损坏不多见,v3、v4、D9、D10、VT1击穿、LM358损坏罕见。
C19严重漏电相当输出短路。
但该故障也不常见。
而V5击穿较多见。
如遇见C19蚱裂时可将其焊下。
先不要焊上好的电容。
待电路板修好后最后焊上。
3.焊下vl、V2检查。
如损坏将其更换(注意换上的管子放大倍数一定要大于20,否则电路不易起振)。
若正常可以上电试机(输出甩空)上电后LED1应点亮。
表示充电机已基本修好。
只要将TL494焊上即可。
如将TL494焊上LED1熄灭或输出无电压,或LED1不熄灭输出电压不变。
LED2(绿)不亮,表示TIA94已损坏,或C1O失效,更换后可解决问题。
4.换上新的V1、V2上电试机如LED1不亮输出无电压。
表示自激未起振。
可焊下B1,将B1的(1)、(2)、(3)、(4)、(8)端细心刮干净重新上锡,B2的(1)、(2)脚做同样处理。
C5的管脚也重新上锡,一般电路就能起振。
常用电动车充电器根据电路结构可大致分为两种。
第一种是以uc3842驱动场效应管的单管开关电源,配合LM358双运放来实现三阶段充电方式。
其电原理图和元件参数见(图表1)220v交流电经T0双向滤波抑制干扰,D1整流为脉动直流,再经C11滤波形成稳定的300V左右的直流电。
U1 为TL3842脉宽调制集成电路。
其5脚为电源负极,7脚为电源正极,6脚为脉冲输出直接驱动场效应管Q1(K1358) 3脚为最大电流限制,调整R25(2.5欧姆)的阻值可以调整充电器的最大电流。
2脚为电压反馈,可以调节充电器的输出电压。
4脚外接振荡电阻R1,和振荡电容C1。
T1为高频脉冲变压器,其作用有三个。
第一是把高压脉冲将压为低压脉冲。
第二是起到隔离高压的作用,以防触电。
第三是为uc3842提供工作电源。
D4为高频整流管(16A60V)C10为低压滤波电容,D5为12V稳压二极管,U3(TL431)为精密基准电压源,配合U2(光耦合器4N35) 起到自动调节充电器电压的作用。
调整w2(微调电阻)可以细调充电器的电压。
D10是电源指示灯。
D6为充电指示灯。
R27是电流取样电阻(0.1欧姆,5w)改变W1的阻值可以调整充电器转浮充的拐点电流(200-300 mA)。
通电开始时,C11上有300v左右电压。
此电压一路经T1加载到Q1。
第二路经R5,C8,C3, 达到U1的第7脚。
强迫U1启动。
U1的6脚输出方波脉冲,Q1工作,电流经R25到地。
同时T1副线圈产生感应电压,经D3,R12给U1提供可靠电源。
T1输出线圈的电压经D4,C10整流滤波得到稳定的电压。
此电压一路经D 7(D7起到防止电池的电流倒灌给充电器的作用)给电池充电。
第二路经R14,D5,C9, 为LM358(双运算放大器,1脚为电源地,8脚为电源正)及其外围电路提供12V工作电源。
D9为LM358提供基准电压,经R26,R4分压达到LM358的第二脚和第5脚。
电动车充电器原理和维修-两种充电器常用电动车充电器根据电路结构可大致分为两种。
第一种是以uc3842驱动场效应管的单管开关电源,配合LM358双运放来实现三阶段充电方式。
其电原理图和元件参数见(图表1)javascript:resizepic(this) border=0>220v交流电经T0双向滤波抑制干扰,D1整流为脉动直流,再经C11滤波形成稳定的300V左右的直流电。
U1 为TL3842脉宽调制集成电路。
其5脚为电源负极,7脚为电源正极,6脚为脉冲输出直接驱动场效应管Q1(K1358) 3脚为最大电流限制,调整R25(2.5欧姆)的阻值可以调整充电器的最大电流。
2脚为电压反馈,可以调节充电器的输出电压。
4脚外接振荡电阻R1,和振荡电容C1。
T1为高频脉冲变压器,其作用有三个。
第一是把高压脉冲将压为低压脉冲。
第二是起到隔离高压的作用,以防触电。
第三是为uc3842提供工作电源。
D4为高频整流管(16A60V)C10为低压滤波电容,D5为12V稳压二极管, U3(TL4 31)为精密基准电压源,配合U2(光耦合器4N35) 起到自动调节充电器电压的作用。
调整w2(微调电阻)可以细调充电器的电压。
D10是电源指示灯。
D6为充电指示灯。
R27是电流取样电阻(0.1欧姆,5w)改变W1的阻值可以调整充电器转浮充的拐点电流(200-300 mA)。
通电开始时,C11上有300v左右电压。
此电压一路经T1加载到Q1。
第二路经R5,C8, C3, 达到U1的第7脚。
强迫U1启动。
U1的6脚输出方波脉冲,Q1工作,电流经R25到地。
同时T1副线圈产生感应电压,经D3,R12给U1提供可靠电源。
T1输出线圈的电压经D4,C1 0整流滤波得到稳定的电压。
此电压一路经D7(D7起到防止电池的电流倒灌给充电器的作用)给电池充电。
第二路经R14,D5,C9, 为LM358(双运算放大器,1脚为电源地,8脚为电源正)及其外围电路提供12V工作电源。
电动车充电器工作原理及常见故障维修电动车如今已进入我们的生活,方便了我们的出行,而且还环保,正就是我国目前提倡的“低碳生活”;但它的充电器故障率较高,很就是一件令人头疼的事。
出于这个缘故,根据本人多年的维修经验,写了这篇文章,希望对电子电器维修人员与广大的电子爱好者,提供维修资料,供维修参考用。
为了方便说明,本文还就是从原理开始说起。
一.工作原理我们目前用的电动车充电器大部分都就是脉冲式充电器。
就目前来说,以UC3842为主控芯片的充电器还就是占绝大多数,当然也有不少就是以TL494为主控芯片的充电器,对于采用这种芯片的充电器本文不做阐述(因这两种充电器的维修基本上就是大同小异的)。
这类充电器的原理与开关电源的原理就是基本相同的220V的交流电经交流滤波电路滤除外来的杂波信号(同时也防止电源本身产生的高频杂波对电网的干扰),再经二极管桥式整流电路与滤波电路,整流滤波后得到约300V的直流电,送给功率变换电路进行功率转换。
功率变换电路中的开关功率管(IGBT)就在脉冲宽度调制控制器(UC3842)输出的脉冲控制信号驱动下,工作在“开”“关”状态,从而将300V直流电切换成宽度可调的高频脉冲电压。
把高频脉冲电压送给高频脉冲变压器,其次级就会感应出一定的高频脉冲交流电,并送给高频整流滤波电路进行整流,滤波;最后输出一个很平滑的直流电,供给蓄电池充电。
由于蓄电池刚开始充电时与充过一段时间后,蓄电池的容量与端电压均不一样,这就由充电器内部取样电路将取样信号通过光电耦合器(PC817)送入控制电路,经过脉宽调制芯片(UC3842)内部调制,由控制电路的输出端将变宽或变窄的驱动脉冲送到开关功率管的栅极,使变换电路产生的高频脉冲方波也随之变宽或变窄,使蓄电池的充电分别进入:恒流充电,恒压充电与浮充充电这三个充电阶段。
二.常见故障分析及维修由于电动车充电器的输入部分工作在高压,大电流的状态下,故障率最高,如高压大电流整流二极管,滤波电容,开关功率管等较易损坏。
目录前言 (1)第1章电动自行车及充电器概述 (2)§1.1 电动自行车 (2)§1.1.1 常见的电动自行车 (2)§1.1.2 电动车各部件的主要作用 (2)§1.2 充电器的分类和结构 (4)§1.2.1 充电器的分类 (4)§1.2.2 充电器的结构 (4)§1.2.3 充电器的使用和保护 (5)第2章电动自行车充电器和充电方式 (6)§2.1 电动车蓄电池 (6)§2.2 蓄电池充电方式 (6)§2.2.1恒流充电法 (6)§2.2.2恒压充电法 (9)§2.2.3浮充法 (9)§2.2.4涓充法 (10)§2.2.5分阶段充电法 (10)§2.2.6快速充电法 (12)第3章充电基础知识 (15)§3.1 基本单元电路 (15)§3.1.1 整流电路 (15)§3.1.2 滤波电路 (16)§3.2 辅助电路 (17)§3.2.1 防浪涌电路 (17)§3.2.2 防市电过压电路 (18)§3.2.3 全桥和半桥式开关电源的DC/AC功率转换 (19)§3.2.4 推挽式变流电路 (20)§3.2.5 电池防反接电路 (21)§3.2.6 半桥式充电器辅助电路 (23)§3.2.7 充电状态显示电路 (24)第4章充电器的原理 (25)§4.1 TL494脉宽调制电路芯片 (25)§4.1.1 TL494简介 (25)§4.1.2 工作原理简述 (25)§4.2 山东GD36充电器原理与分析 (27)§4.2.1山东GD36充电器电路框图与原理图 (27)§4.2.2 山东GD36充电器工作原理 (32)结论 (35)参考文献 (36)致谢 (37)外文资料译文 (38)基于TL494芯片的充电器电路分析摘要近年来,电动自行车得到了日益广泛的应用。
电动车充电器原理及维修 UC3842 TL494 二种核心2009-05-24 22:08常用电动车充电器分两种电路第一种是以uc3842驱动场效应管的单管开关电源,配合LM358双运放来实现三阶段充电方式。
其电原理图和元件参数见图表1点击图片在新窗口查看清晰大图图表1工作原理:220v交流电经T0双向滤波抑制干扰,D1整流为脉动直流,再经C11滤波形成稳定的300V左右的直流电。
U1 为TL3842脉宽调制集成电路。
其5脚为电源负极,7脚为电源正极,6脚为脉冲输出直接驱动场效应管Q1(K1358) 3脚为最大电流限制,调整R25(2.5欧姆)的阻值可以调整充电器的最大电流。
2脚为电压反馈,可以调节充电器的输出电压。
4脚外接振荡电阻R1,和振荡电容C1。
T1为高频脉冲变压器,其作用有三个。
第一是把高压脉冲将压为低压脉冲。
第二是起到隔离高压的作用,以防触电。
第三是为uc3842提供工作电源。
D4为高频整流管(16A60V)C10为低压滤波电容,D5为12V稳压二极管, U3(TL431)为精密基准电压源,配合U2(光耦合器4N35) 起到自动调节充电器电压的作用。
调整w2(微调电阻)可以细调充电器的电压。
D10是电源指示灯。
D6为充电指示灯。
R27是电流取样电阻(0.1欧姆,5w)改变W1的阻值可以调整充电器转浮充的拐点电流(200-300 mA)通电开始时,C11上有300v左右电压。
此电压一路经T1加载到Q1。
第二路经R5,C8,C3, 达到U1的第7脚。
强迫U1启动。
U1的6脚输出方波脉冲,Q1工作,电流经R25到地。
同时T1副线圈产生感应电压,经D3,R12给U1提供可靠电源。
T1输出线圈的电压经D4,C10整流滤波得到稳定的电压。
此电压一路经D7(D7起到防止电池的电流倒灌给充电器的作用)给电池充电。
第二路经R14,D5,C9, 为LM358(双运算放大器,1脚为电源地,8脚为电源正)及其外围电路提供12V工作电源。
电动车充电器三段式充电原理和维修技巧‐‐‐‐‐‐‐支持久久的技术资料原创,广结天下朋友,共学习,共发展!恒流,恒压和浮充是三段式充电的三个必须阶段,它的充电曲线见图2,对48V蓄电池而言,可以这样来描述其充电过程,在充电开始时保持一个充电电流1.8‐2.5A,直到时间t1,此时充电电压逐渐上升‐‐‐即恒流充电阶段;当充电电压上升到58.5‐59.5V时,立即保持这个充电电压不变直到时间t2,此时充电电流逐渐下降‐‐‐即恒压充电阶段;当充电电流下降到400‐500mA的转换电流时,充电器立即转为55.5‐56.5V的小电流充电‐‐‐即浮充阶段。
三段式充电是一个自动充电的过程,要实现对充电电流和电压的自动控制,在电路的输入和输出之间必须有一个闭环的反馈回路,通过对输出电流和电压的反馈取样,再经过控制电路对信号的处理输出控制信号去调整输入端的工作状态,从而达到自动控制的目的。
下面以TL494为中心组成的一款充电器为列来比较详细的解说一下三段式充电的控制和转换过程(见图1)。
TL494是美国德州仪器公司生产的一种电压驱动型脉宽调制控制集成电路,主要应用在各种开关电源中,TL494的内部电路由基准电压产生电路、振荡电路、间歇期调整电路、AMP1和AMP2误差放大器、死区比较器,PWM比较器以及输出电路等组成,其中1、2脚是AMP1的同相和反相输入端;3脚是AMP1和AMP2的公共输出端,4脚外接C4使电源软启动,5、6脚分别用于外接振荡电阻和振荡电容,7脚为接地端;8、9 脚和11、10脚分别为TL494内部两个末级输出三极管集电极和发射极;12脚为电源供电端;13 脚为输出控制端,该脚接地时为并联单端输出方式,接14脚时为推挽输出方式;14脚为5V基准电压输出端,15、16脚是AMP2的反相和同相输入端。
TL494的内部资料见图3.图1中的电流检测A和C点分别通过R13,R31等接至电源地上,利用充电电流流过R29产生的压降为IC1内AMP2电流误差放大器和IC2内比较器1提供充电电流检测的取样电压,因整机地接输出负极,所以从电源地(即C6负端)取得的电压为负电压,充电电流越大,在R29上产生的压降越大,由电源地取得的负电压就越大;图中IC1的AMP2电流比较器的(16)脚接地,(15)脚电压由R13引入电流检测负电压和由R14接+5V引入的正电压叠加而成,当(15)脚叠加电压为正时,AMP2输出低电平,对输出脉宽无控制作用,为负时AMP2输出高电平,使输出脉宽受控减小直至为0;在IC2的比较器1中,其(3)脚接地,(2)脚电压由R31引入的电流检测负电压和由R35接+5V引入的正电压叠加而成,当IC2的(2)脚电压为正时,比较器1输出低电平,LED2充电灯(橙色)灭,充满灯(黄色)亮,散热风扇停转;为负时,比较器1输出高电平,LED2充电灯亮,充满灯灭,散热风扇转动;在设计时由于R35(100K)比R14(24K)大很多,只有当充电电流下降到400‐500mA时才能使IC2的(2)脚叠加电压为正,这时IC2的比较器1输出低电平,使充满灯亮,散热风扇停转,预示充电即将完成。
TL494电动自行车充电器的原理与维修
中国充电器门户网10月14日讯:电动自行车充电器多采用开关电源,型号虽多,但电路结构大同小异,主要区别在于所选的脉宽调制(PWM)芯片不同如(UC3845、UC3842、SG3524、TL494)。
现以佳腾牌充电器为例,介绍其原理和故障检修方法。
一、电路原理
根据实物测绘的佳腾牌充电器电路原理如图1所示。
整机可分为PWM产生和推动电路、功率开关变换电路、充电状态指示电路和交流输入电路四个部分。
1.PWM产生和推动电路
PWM产生电路由IC1TL494和外围元件构成。
TL494是PWM开关电源集成电路。
引脚功能和内部框图如图2所示。
IC1的第5、6脚外接的C10、R19是定时元件,决定锯齿波振荡器的振荡频率,F=1.1/RC,按图中数值为50KHz。
第14脚是+5V基准电压输出端,除芯片内部使用外,还直接或分压后供第2、4、13脚和IC2使用。
第13脚为输出方式控制端,该脚接低电平时为单端输出方式,图中接第14脚+5V高电平,为双端输出方式。
第4脚为死区电压控制端,该脚电压决定死区时间。
电位升高,死区时间延长,输出脉宽变窄,当电压大于锯齿波电压时,输出脉宽将变得很窄,甚至停振。
凡输出端采用全桥或半桥式的开关电路,都要正确设置死区时间,以免两个开关管同时导通,发生电源短路的危险。
图中该脚电位由基准电压经R24和R20分压取得,实测电压为0.46V。
第1 、2脚和第16、15脚是IC1内部的两个电压比较器的正、反相输入端,分别用作充电电压取样和充电电流取样。
+44V充电电压经R28、R27和R26分压反馈至第1脚。
C15是软启动电容。
第2脚电位由基准电压经R23和R3分压取得,实测为3.2V。
第1脚电压越高,输出脉宽越窄,充电电压越低;反之脉宽增宽,充电电压升高。
从而实现+44V充电电压的目的。
Ra是充电电压调试电阻,Ra和R26并联值越小,充电电压越高。
R29是脚充电电流取样电阻,由该电阻上取得的电压变化,经R13送入IC1的第15脚。
充电电流越大,第15脚电位越低。
当第15脚电位低于第16脚(接地)电位时,IC输出端将被封闭,从而实现过流保护。
Rb是过流保护调试电阻,本机予设为1.8A。
外部输入信号的变化,经片内电路处理后,由8、10脚输出一对
大小相等,相位相差180 度,脉宽可变的方波,经V3、V4推挽放大后,由变压器T2耦合至功率开关变换电路。
2.功率开关变换电路
V1、V2两个开关管串联接在+300V供电电压和地之间,组成半桥式开关电路,在调宽脉冲的作用下,轮流导通和截止,将+300V直流转换为高频交流电。
电流流向示意图如图3所示。
V1导通时,
C5+→V1ce→T2的2、4端→T3的2、1端→ C6→C5-。
V2导通时,
C5+→C4→T3的1、2端→T2的4、2端→V2ce→C5-。
T3次级输出电压经D15、C17全波整流滤波,输出+44V供蓄电池充电。
T3 次级另一绕组经D、D10、C18整流滤波,输出+24V向IC1和IC2供电。
R7、R是启动电阻,在开机瞬间向V1、V2基极提供激励电流,使电路自激启动。
C7、D5、R4或C8、D8、R11)是加速网络。
D6、D7为保护二极管。
C3、R1为尖峰吸收网络。
3.交流输入电路
220V市电经D1-D4桥式整流、C5滤波,取得+300V电压,向功率开关变换电路供电。
4.充电状态指示电路
由IC2(HA17358)和双色发光管LED2构成。
IC2是双运放集成电路,这里接成两个电压比较器。
由充电电流取样电阻R29取得的电
压变化信号,经R31送入IC2的第2脚。
充电初期,充电电流较大,R29上电压增大(注意:R2上的电压对地为负电压),第2脚电位低于第3脚电位,第1脚输出高电平,充电指示灯LED2-A点亮。
当电池接近充满时,充电电流减小,R29上的电压也降低,当第2脚电位高于第3脚电位时,第1、6脚变为低电平,第7脚输出高电平,充满指示灯LED2-B点亮。
Rc是充电状态指示调整电阻,选用适当的阻值接入,使之达到设定的指示状态(200mA)。
二、检修方法
本机有热地和冷地之分,测量时不要选错参考点。
热地和市电相通,若加电检修,应加隔离变压器,以防触电。
多数情况下,使用万用表的电阻档就能找到故障元件。
检修PWM 电路用外接电源(即在+24V 滤波电容C18两端外接15-20V稳压电源)最为安全有效。
加电试机,正常情况下,LED1应点亮。
+44V端不接负载时,充电指示LED2-B应亮(绿色),+44V略有下降,实测为+44V不要误为故障。
接入假负载时(可用1000W电炉丝代)充电指示LEED2-A应亮。
1.保险烧断、玻璃管内壁发黑或炸裂
此现象说明电路有严重短路之处,以滤波电容C5、市电整流管D1-D4、开关管V1-V2、整流管D15等多个元件同时击穿多见。
用万用表电阻档在路即可找出故障元件。
2.电源指示灯LED1不亮,无+44V 电压输出
此现象说明电路没有工作,在+300V电压输出正常的情况下,应重点检查启动电阻R7、R9有无断路,V1、V2基极回路元件D5、R4、R6、D8、R11、R8损坏,IC1、V3、V4损坏而无调宽脉冲输出。
外接电源,用示波器测IC1第5脚,应有正常的锯齿波形,若定时元件R19、C10正常而无波形,可判定IC1损坏。
IC1的8脚和11脚应测得正常方波,当测其无波形或波形不正常时,若各脚电压正常,应更换IC1。
若V3、V4波形不正常,查R12、V3、V4和外围元件。
表1、表2和图4、图5列出在外接+15V稳压电源、+44V输出端空载条件下IC1、IC2各脚对地电压值和关键点波形图,供检修参考。
IC1第14脚(+5V基准电压)若不正常,IC1第13 、2、4、脚电压都会不正常,IC2有关引脚电压也会不正常。
断开IC1第14脚外电路后,若各脚电压仍不正常,则可判定IC1损坏。