人防工程竣工验收报告.doc
- 格式:doc
- 大小:17.00 KB
- 文档页数:4
各单位人防工程质量验收报告尊敬的领导:根据人防工程质量验收标准,我单位完成了人防工程质量验收工作,并撰写了本份人防工程质量验收报告,现将相关情况汇报如下:一、人防工程基本信息我单位承接了XX地区人防工程建设项目,项目总面积XXX平方米,总投资额为XXX万元,工程主要包括地下防空洞、通风设施、照明和电力系统、消防设施等。
我单位高度重视此项工程,组织专业技术人员和施工人员进行周密部署和施工,严格按照相关工程施工标准进行。
二、施工过程管理我单位在施工过程中,严格执行相关的施工规范和技术要求,确保施工质量符合标准。
在施工过程中,我们完善了施工的组织管理,建立了健全的施工计划和监督机制,确保了工程的顺利进行。
同时,我们对施工现场进行了周密的安全管理,为工程的顺利进行提供了有力的保障。
三、人防工程质量验收过程我单位在项目竣工前,按照相关规定开始了人防工程质量验收工作。
首先,我们组织了验收团队,由相关领导、工程师和专家组成,对人防工程进行全面的验收。
验收团队对人防工程各项工作进行了细致的查验和检测,包括对人防工程的功能性、安全性、可靠性等方面进行了全面评估。
通过现场检查和数据分析,我们对工程质量进行了全面的评估。
四、人防工程质量验收成果根据人防工程质量验收标准,我单位完成了人防工程质量验收工作,并取得了以下验收成果:1.工程质量达到预期要求:根据验收结果,人防工程各项指标均符合设计要求和施工标准,达到了预期要求。
2.安全性评估良好:经过验收团队全面评估,人防工程具备良好的安全性能,能够在抗击自然灾害和防御敌方侵袭中发挥较好的作用。
3.整体验收意见:验收团队一致同意人防工程合格并具备使用条件。
同时,在报告中我们还提出了一些建议和改进措施,以进一步提高工程质量和使用性能。
五、下一步工作计划根据验收结果和意见,我单位将从以下几个方面进行下一步的工作计划:1.改进不足之处:对于验收中提出的一些不足之处,我单位将制定相应的改进措施和计划,确保人防工程质量达到更高水平。
人防工程竣工验收报告范本在经济发展迅速的今天,报告使用的频率越来越高,报告成为了一种新兴产业。
你所见过的报告是什么样的呢?以下是小编帮大家整理的人防工程竣工验收报告范本(通用6篇),供大家参考借鉴,希望可以帮助到有需要的朋友。
人防工程竣工验收报告1一、工程概况xx委员会业务评审楼扩建工程位于海淀区xx号,具体地址边界为:北临xx路,南临xx路,东临双清路,西临城铁13号线及京包铁路。
建设占地2683.645㎡,建筑面积11130平方米,人防地下室所处地下一层,面积707平方米,平时用途为汽车库,战时用途为物资库。
工程建设投资单位是国家xx委员会,勘察单位是北京市勘察设计研究院,设计单位是北京xx工程设计与顾问有限公司,管理单位是北京xx工程管理咨询有限公司,施工总承包单位是xx建设集团有限公司,监理单位是xxx有限责任公司。
二、执行基本建设程序情况该人防工程于xxx年8月16日经中央国家机关人民防空办公室审批,xxx年8月24日通过了国管局人防办的设计审核及施工图设计审核,建设工程规划许可证号为 xxx规建字05xx号,建设工程施工许可证号为 [200x]建施字0xxx号。
按照“建设工程质量管理条例”的规定,报请北京市质量监督站海淀站注册,监督注册号京建质字第05xx号,工程于xx年6月20日开工,竣工日期为xx年12月15日。
按照“建设工程招投标管理办法”对工程监理和工程总承包进行了招投标,最终确定工程监理由北京xx有限责任公司承担,工程总承包由xx建设集团有限公司承担。
工程施工过程中,对已审批的人防施工图设计文件未发生变更文件,工程严格按施工图施工,严格执行国家关于人防工程建设的规程、规范和技术标准,以及管理和监督制度,较好地执行了基本建设程序。
三、对勘察、设计、施工、监理工作的评价本人防工程较好地执行了国家关于工程建设勘察工作的法律、法规和技术规程、规范,对工程的岩土、验槽和检验基底土质等工作按照程序和规范进行了勘察工作,地基承载力满足设计要求,达到了人防工程建设要求。
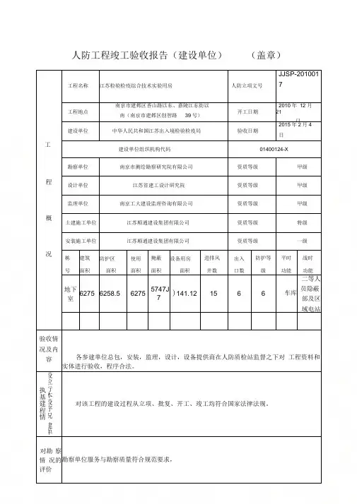
人防工程竣工验收报告(建设单位)(盖章)工程概况工程名称江苏检验检疫综合技术实验用房人防立项文号JJSP-201001 7工程地点南京市建邺区香山路以东、嘉陵江东街以南(南京市建邺区创智路39号)开工日期2010 年 12 月 21日建设单位 中华人民共和国江苏出入境检验检疫局 验收日期2015年2月4日建设单位组织机构代码01400124-X勘察单位 南京市测绘勘察研究院有限公司资质等级甲级设计单位 江苏省建工设计研究院 资质等级 甲级监理单位 南京工大建设监理咨询有限公司 资质等级 甲级土建施工单位 江苏顺通建设集团有限公司 资质等级 特级安装施工单位 江苏顺通建设集团有限公司资质等级 一级 栋 号建筑 面积防护区 面积使用 面积掩蔽 面积设备用房面积进排风 井数出入 口数防护等 级平时 功能战时 功能地下室6275 6258.5 6275 5747J7)141.121566车库二等人员隐蔽 部及区 域电站验收情 况及内 容各参建单位总包,安装,监理,设计,设备提供商在人防质检站监督之下对 工程资料和实体进行验收,程序合法。
设位行本设序况建单执基建程情对该工程的建设过程从立项、批复、开工、竣工均符合国家法律法规。
对勘 察情 况的 评价勘察单位服务与勘察质量符合规范要求,设情的价对计况评设计单位服务与设计质量符合规范要求对监理情 况的 监理单位实施监理工作符合规范要求 评价对施工情 施工单位工程施工组织及施工质量符合规范要求,满足设计要求 况的 评价验收 前期手续、工程实体、各方服务及建设质量均较好完成,同意竣工验收。
意见(盖章)分组姓名单位职务/职称签名土建组杨建达江苏顺通建设集团有限公司项目经理黄菊辉江苏顺通建设集团有限公司项目副经理武白助江苏顺通建设集团有限公司技术负责人王桂良江苏顺通建设集团有限公司质检员汪为国南京永丰人防设备有限公司项目负责人安装组李晓彬江苏顺通建设集团有限公司项目副经理曹鹏江苏顺通建设集团有限公司质检员侯正龙江苏顺通建设集团有限公司现场负责人。
施工单位人防竣工验收报告(精选19篇)施工单位人防竣工验收报告一、施工单位施工单位又称“承建单位”。
建筑安装工程施工单位的简称。
指承担基本建设工程施工任务,具有独立组织机构并实行独立经济核算的单位。
在采取承发包方式进行施工时,施工单位,常被称为“乙方”。
我国的施工单位按照经营方式分为施工企业和自营单位。
施工企业是按照经济核算制原则建立的生产组织,按照国家计划承担各项工程的建筑安装等施工任务。
二、施工单位人防竣工验收报告(精选19篇)随着个人素质的提升,报告有着举足轻重的地位,报告具有成文事后性的特点。
你所见过的报告是什么样的呢?下面是小编帮大家整理的施工单位人防竣工验收报告(精选19篇),仅供参考,希望能够帮助到大家。
施工单位人防竣工验收报告1由我公司承建的XX工程,由XX开发有限公司集资建设,XX设计院负责设计,XX市建设工程质量监督站负责质量跟踪监督,并委托XX消防工程监理有限公司承担现场监督,并由XX消防设施检测单位于2007年11月245日完成本工程消防工程电气及消防设施检测,确认检测结果为合格。
本工程,自开工以来,在上级领导、质监站、建设单位、设计单位、监理单位及有关部门的大力支持下,通过全体参建员工的努力和辛勤劳动,工程于XX年XX月XX日通过了五方主体预验收工作,并完成了有关问题的质量整改闭合,现消防工程已具备竣工验收条件,下面就工程具体情况汇报如下:一、工程概况:1、XX与广场路交叉口,南邻广场路,北邻飞鹏巷,西朝信河街,东邻居民区。
属居民集中区域,为消防重点控制单位,本工程建筑物为地下一层、地上十八~二十二层,独立裙房二层组成。
总建筑面积为40192m2,地下部分5252.34m2。
总建筑高度分别为:64.3m、70.30m、80.90m、9.30m。
一层层高为4.50m、二层层高为4.80m,三层层高为4.50m;地下室一层高度分别为:机动车库5.60m;设备房4.80m非机动车库3.80m。
丽水市人民路与花园路交叉口地下过街道兼顾人防工程人防工程竣工验收报告各位领导、各位专家:由我公司承建的丽水市人民路与花园路交叉口地下过街道兼顾人防工程,在各级领导的大力支持和帮助下,监理及建设单位的共同努力下,本工程的人防工程现已全部完成,于本日特邀各位领导、专家对人防工程进行竣工验收,在此我代表项目部向各位领导、专家表示忠心的感谢。
下面我将工程概况、质量控制资料、施工管理及企业自评情况向大家作如下简要汇报:一、工程概况项目名称:丽水市人民路与花园路交叉口地下过街道兼顾人防工程监督单位:浙江省人防工程质量监督站建设单位:丽水市人民防空办公室设计单位:杭州市地下工程设计研究院有限公司勘察单位:浙江省浙南综合工程勘察测绘院监理单位:浙江处州建设管理有限公司施工单位:浙江中艺建设有限公司分包单位:杭州弘业人防设备有限公司丽水市人民路与花园路交叉口过街隧道兼顾人防工程位于丽水市行政中心南侧,处于人民路与花园路交叉口,其西侧为万地世贸花园,东侧为丽水市现代商贸中心,北侧为处州公园。
本工程为平战结合兼顾人防工程,平时作为过街道和物资储藏及消防水池和消防水泵房。
总用地面积约8572m2,设计新建建筑面积4966m2;改建建筑面积282m2;总建筑面积5248m2;战时转换为2个防护单元,兼顾人防建筑面积3769m2;战时划分为4个抗爆单元,为兼顾人防工程,战时用于兼顾人员临时掩蔽工程和兼顾物资临时掩蔽工程,可掩蔽人员400人及相应的配套物资。
本工程建筑结构安全等级为二级,建筑抗震设防类别为丙类,设计使用年限为50年。
本工程耐火等级为一级,设3个防火分区,设多个人员安全出口,设机械送排风(烟)、消火栓、自动喷淋和应急照明系统。
人员出入口疏散宽度及距离均按有关规范要求设计,防火设计各专业要求详各专业施工图。
本工程防水等级为Ⅱ级(不含顶板,顶板部分为Ⅰ级),采用结构全断面的防、排水设计,以结构自防水为主,底板、顶板、外墙做加强措施。
人防工程质量评估报告一、工程概况:(一)、工程概况:1.工程名称: *******2.建设地点: **********3.建设单位: *******884.人防区总建筑面积: 9545.39㎡5、建筑分类: 平时功能为机械双层汽车停放库,停车336辆、设备用房;战时人防地下室。
6.人防设计等级和战时使用功能: 战时甲类核6.常6级;战时功能为2个二等人员掩蔽单元面积3947.12㎡(包含1个移动电站),2个物资库面积5598.27㎡。
7、主要结构类型: 框架剪力墙结构8、设计使用年限: 50年9、建筑层数和建筑高度:地下一层, 层高为5.9M。
10、防水等级和抗渗等级: 防水等级为Ⅱ级;基础、筏板、防水底板、外墙、梁板抗渗等级统一为P8。
每个防护单元内设建筑面积不小于500㎡的抗爆单元;并按要求设置抗暴挡墙,抗爆单元间抗爆挡墙、隔墙采用最薄处不小于500mm厚, 用高度不小于1800mm的粗砂袋堆垒成分隔。
按疏散要求每个防护单元设计有两个以上人员出入口, 战时主要出入口, 设有简易洗消与排风系统, 可直通室外。
另一出入口为次要出入口, 设有除尘室、滤毒室、进风机室、防化通信值班室、战时配电室。
每个口都均设有防护密闭门及密闭门, 战时各通风口都设有防爆波活门, 室内进风口处防爆波活门。
电力线路通过防爆波井引入人防区, 人防排风口部设超压排风装置, 防护密闭门外侧设战时染毒集水井。
平时使用的通风井及临空墙上的洞口依照人防图集采取战时封堵转换措施。
人防临空墙厚度均不小于300mm, 人防门选用防护密闭门、密闭门、防爆波活门、甲乙级防火门等。
凡与人防无关的孔洞管道不得穿越人防顶板、底板、外墙及口部, 凡人防需要的管道、孔洞须按人防要求设置防护密闭措施。
人防出入口均设防倒塌。
3.战时通风方式有三种: 清洁式通风, 滤毒式通风, 隔绝式通风。
4.战时生活给水利用战时水箱, 通过水泵或手摇泵将水送到各个口部及旱厕, 供战后口部及旱厕冲洗。
南浔金象湖公园商务会所工程地下室人防工程竣工验收质量评估报告总监理工程师:单位技术负责人:**************有限公司二0一五年六月十九日目录一、工程概况二、质量评估依据三、监理质量控制情况四、各分部工程质量情况五、单位工程质量评估意见南浔金象湖公园商务会所工程地下室人防工程竣工验收质量评估报告一、工程概况:本工程为南浔金象湖公园商务会所地下室,位于金象湖公园北侧。
工程为现浇钢筋混凝土框架-剪力墙结构,地下一层,人防工程建筑面积3858.3M2,为2个防护单元,本人防工程设计人防门共计33樘。
抗震设防列度6度。
地下室防水等级Ⅰ级,结构使用年限为50年。
防护等级为常6级,6个人防口部,8个抗暴单元。
本工程平时作为汽车库使用,可停小型车位:220辆,战时为附件式乙类防空地下室,二等人员掩蔽所。
1.建设单位:湖州南浔城市新区建设投资有限公司2.设计单位:浙江省建筑设计研究院设计3.勘测单位:核工业金华工程勘察院4.监理单位:浙江蟠龙工程管理有限公司5.施工单位:浙江天力建设集团有限公司6.质检单位:省人防质监站与市人防办二、质量评估依据:1.人民防空工程质量检验评定标准(REJ01-2002)2.人民防空工程施工及验收规范(GB50134-2004)3.建筑地基基础工程施工质量验收规范(GB50202-2018)。
4.砌体工程施工质量验收规范(GB50203-2011)。
5.砼工程施工质量验收规范(GB50204-2015)。
6.钢筋焊接及验收规范(JGJ18-2003,J253-2003)。
7.建筑装饰装修工程质量验收规范(GB50210-2018)。
8.建筑电气工程施工质量验收规范(GB50303-2015)。
9.建筑给排水工程施工质量验收规范(GB50242-2002)。
10.通风空调工程施工质量验收规范(GB50243-2016)。
11.建设工程监理规范(GB50319-2013)。
12.设计文件及图纸。
质量监督编号:
人防工程竣工验收报告
RFZJ03—07
工程名称:
建设单位名称:
竣工验收时间:年月日
江苏省人防工程质量监督站制
人防工程竣工验收报告
竣工验收组成员名单
单位工程质量验收记录表
注:单位工程验收时,验收签字人员应由相应单位法人代表书面授权。
勘察单位工程质量报告(合格证明书)
设计单位工程质量检查报告(合格证明书)
监理单位工程质量评估报告(合格证明书)
防护设备生产企业质量评估报告(合格证明书)
通风设备生产企业质量评估报告(合格证明书)
施工单位工程质量竣工报告(合格证明书)。
人防工程竣工验收报告一、工程概况国务院参事室还建附属用房工程位于东城区前门东大街11号,具体地址边界为:北临东交民巷,南临前门东大街,东临正义路,西临广场东路。
建设占地0.031公顷,建筑面积1226平方米,人防地下室所处地下一、二层,工程主体面积1226平方米,室外出入口通道面积为55平方米,平时用途为人员活动,战时用途为人员掩蔽。
工程建设投资单位是国务院参事室,勘察单位是北京市勘察设计研究院,设计单位是北京凯帝克建筑设计有限公司,施工总承包单位是中建-大成建筑有限责任公司,监理单位是北京中外建工程管理有限公司。
二、执行基本建设程序情况该人防工程于2008年12月经中央国家机关人民防空办公室审批,通过了居住区人防规划,人防工程设计审核批准通知单文号为国机防工准字[2007]35号,建设工程规划许可证号为2008规建字0104,建设工程施工许可证号为[2008]施建字1687号。
按照“建设工程质量管理条例”的规定,报请北京市质量监督总站(或区县监督站)注册,监督注册号京建质字[2008](总站)第0999号,工程于2008年12月5日开工,竣工日期为年月日。
按照“建设工程招投标管理办法”对工程监理和工程总承包进行了招投标,最终确定工程监理由北京中外建工程管理有限公司承担,工程总承包由中建-大成建筑有限责任公司承担。
工程施工过程中,对已审批的人防施工图设计文件未发生变更文件,工程严格按施工图施工,严格执行国家关于人防工程建设的规程、规范和技术标准,以及管理和监督制度,较好地执行了基本建设程序。
三、对勘察、设计、施工、监理工作的评价本人防工程较好地执行了国家关于工程建设勘察工作的法律、法规和技术规程、规范,对工程的岩土、验槽和检验基底土质等工作按照程序和规范进行了勘察工作,地基承载力满足设计要求,达到了人防工程建设要求。
设计工作按照中央国家机关人民防空办公室审查的设计方案进行了全面、系统、完整的设计,符合国家设计规范,满足了施工需要。
附件1
人防工程竣工验收申请报告
监视注册号:
市人防工程质量监视站:
我公司建立的人防工程已具备"建筑工程质量管理条例"第十六条所规定的竣工验收条件,并经有关责任方确认。
现向贵站申报竣工验收,请于近日派监视工程师组到工程现场地址区对竣工验收进展监视。
〔竣工验收方案附后〕
建立单位工程负责人:〔公章〕
年月日
联系:
附件2
设计单位人防工程质量评估报告
附件3
施工单位人防工程质量验收报告
附件4
监理单位人防工程质量评估报告
附件5
人防工程竣工验收方案
附件6
人防工程竣工验收备案自行验收结论
附件7
人防工程根本概况综合登记表
建立单位〔盖章〕:
市人防工程质量监视站竣工验收记录
附件下载:竣工验收相关表格.doc
附件8
- -
人防工程防护单元登记表〔第防护单元,共防护单元〕
建立单位〔盖章〕:填表日期:年月日
填。
南昌·千禧同业小区人防工程竣工验收工作汇报及自评意见一、工程概况南昌·千禧同业小区位于南昌市高新区艾溪湖三路以南、创新一路以东,其中人防工程位于地下室一层,为甲类防空地下室.设计主体结构合理使用年限为50年,抗力等级为核6常6级,防化等级为丙/丁级。
本工程设4个防护单元,其战时用途为2个二等人员掩蔽所、1个物资库及1个移动电站,具体战时主要经济指标如下:主体结构设计砼强度等级为C30,抗渗等级为P8,采用HPB300及HRB400钢筋,人防设备由江西大明人防设备有限公司负责提供及安装。
二、工程质量控制情况1、质量管理体系建设1)本工程严格按照施工组织设计的要求,进行统筹安排施工,建立了三级技术质量管理体系,施工过程中严格按本企业标准及有关规范进行操作,对施工中各种情况制定了相应的措施,以确保施工质量。
使质量控制的责任落实到人,做到层层有控制,处处有人管,对工程质量实行质检员,技术、质量负责人,项目经理,三重把关制度,通过巡视和平行检查等方法对施工过程进行控制,使工程质量始终处于受控状态。
2)认真审核图纸,在对工程全面了解的基础上,编制每一道工序,每一个项目的施工技术保证措施,对易发生质量通病,功能缺陷的部位预先提出防治措施,达到了防治目的。
3)每批材料进场后,首先进行进场验收并按要求对原材料见证取样复试合格,确保在工程中使用合格的材料.在主体施工过程中,重点控制了钢筋、商品混凝土、水泥的质量、砼外加剂的质量及砼搅拌的计量工作,装修过程中则重点控制了人防设备、装修材料、水暖管件、阀门、电气、门窗等材料的进场使用.4)贯彻落实质监站的质量管理要求,结合现场实际着重进行了基础底板、墙体、顶板、人防门扇安装工程的质量控制,设备功能、使用功能的检查与控制,及各种需抽送检材料的检验工作.2、工程材料保证资料钢筋进场二次检测报告8份;外加剂二次检测报告2份;泵送砼配合比检测报告3份;混凝土出厂合格证21份;混凝土抗压强度检测报告21份;混凝土抗水渗透检测报告10份;防水卷材出厂合格证及二次检测报告1份;防爆按钮、防爆地漏、预埋镀锌钢管合格证1份。
人防工程竣工验收报告
一、工程概况
xx委员会业务评审楼扩建工程位于海淀区xx号,具体地址边界为:北临xx路,南临xx路,东临双清路,西临城铁13号线及京包铁路。
建设占地2683.645㎡,建筑面积11130平方米,人防地下室所处地下一层,面积707平方米,平时用途为汽车库,战时用途为物资库。
工程建设投资单位是国家xx委员会,勘察单位是北京市勘察设计研究院,设计单位是北京xx工程设计与顾问有限公司,管理单位是北京xx工程管理咨询有限公司,施工总承包单位是xx建设集团有限公司,监理单位是xxx有限责任公司。
二、执行基本建设程序情况
该人防工程于20xx年8月16日经中央国家机关人民防空办公室审批,20xx年8月24日通过了国管局人防办的设计审核及施工图设计审核,建设工程规划许可证号为 20xx规建字05xx号,建设工程施工许可证号为[200x]建施字0xxx号。
按照"建设工程质量管理条例"的规定,报请北京市质量监督站海淀站注册,监督注册号京建质字(20xx)第05xx号,工程于20xx年6月20日开工,竣工日期为20xx年月15日。
按照"建设工程招投标管理办法"对工程监理和工程总承包进行了
招投标,最终确定工程监理由北京xx有限责任公司承担,工程总承包由xx建设集团有限公司承担。
工程施工过程中,对已审批的人防施工图设计文件未发生变更文件,工程严格按施工图施工,严格执行国家关于人防工
程建设的规程、规范和技术标准,以及管理和监督制度,较好地执行了基本建设程序。
三、对勘察、设计、施工、监理工作的评价
本人防工程较好地执行了国家关于工程建设勘察工作的法律、法规和技术规程、规范,对工程的岩土、验槽和检验基底土质等工作按照程序和规范进行了勘察工作,地基承载力满足设计要求,达到了人防工程建设要求。
设计工作按照北京市民防局审查的设计方案进行了全面、系统、完整的设计,符合国家设计规范,满足了施工需要。
施工单位按照国家有关人防工程施工的法律、法规和技术规程、规范,以及施工合同要求进行了施工。
在工程进度、质量、造价和安全生产,以及施工资料等方面达到了工程竣工验收标准。
工程监理比较严格地执行了北京市建设委员会颁发的《工程建设监理规程》,对工程施工进行了全过程监理,重点在工程质量、进度和造价等三方面实行了严格监督管理,较好地履行了工程监理职责,确保了人防工程按期交工,工程质量达到了人防工程竣工验收标准。
四、工程开工、竣工时间及验收程序组织形式和内容
人防工程于20xx年7月2日开工至20xx年月10日竣工,历经378天。
工程按照建设部有关人防工程验收规定,于20xx年月14日由建设投资单位组织设计单位、施工单位和监理单位进行工程竣工验收。
参加验收单位及人员:
1. 建设投资单位:王xx 武xx 杨xx
2. 管理单位:xx xx xx xxx
3. 勘察单位:XXX XXX XXX
4. 设计单位:王xx xx XXX
5. 监理单位:金xx 程xx 李xx 李xx
6. 施工单位:徐xx 景xx 邢xx 杨xx 马xx
工程竣工验收有以下几方面内容:
(一)建设、设计、施工、监理单位分别汇报工程合同履约情况和在工程建设各个环节执行法律、法规和工程建设强制性标准的情况;
(二)审阅建设、设计、施工、监理单位的工程档案资料;
1、完成人防工程设计和合同约定的各项内容;
2、施工单位的人防工程竣工报告;
3、监理单位人防工程质量评估报告;
4、设计单位人防工程质量检查报告;
5、人防工程技术档案和施工管理资料;
(三)实地查验人防工程质量;
对人防工程设计、施工、设备安装质量和各管理环节等方面作出全面评价,形成了经验收组人员签署的人防工程竣工验收意见。
(四)人防工程竣工验收意见
国家xx委员会业务评审楼扩建人防工程质量符合有关法律、法规和工程设计强制标准,符合设计文件及合同要求,地基基础工程、主体结构工程、人防口部、防护设备设施、防护门、密闭门、人防工程出入口及给水、排水、通风、电气等工程质量控制资料齐全,安全和主要使用功能
检查符合要求,观感质量符合要求,综合质量达到验收标准,一致同意竣工验收,工程质量评为合格。
建设(或投资)单位公章
年月日。