土石方工程竣工资料组成与编制范本(最新)1
- 格式:doc
- 大小:573.50 KB
- 文档页数:58
施工技术管理资料工程概况工程项目施工管理人员名单施工现场质量管理检查记录工程开工报审表工程名称:编号:工程质量评估报告工程名称:涡北矿井口保健房工程单位(子单位)工程质量竣工验收记录涡北矿单位工程竣工验收认证记录工程质量控制资料工程定位测量、放线验收记录原材料出厂合格证及进场检(试验)报告钢材合格证和复试报告汇总表技术负责人:质量检查员:水泥出厂合格证、复试报告汇总表砖出厂合格证、复试报告汇总表(其它)建筑材料合格证、复试报告汇总表技术负责人:质量检查员:施工试验报告及见证检测报告混凝土试块试压报告汇总表混凝土强度评定砂浆强度汇总评定表工程名称:该批设计等级:000021土壤试验记录汇总表隐蔽工程验收记录隐蔽工程验收记录施工日志施工日志地基验槽记录和地基处理记录地基基础、主体、结构检验及抽样检测资料钢筋保护层厚度实测表土建工程安全和功能检验资料屋面泼水、淋水、蓄水试验记录000029厕所、厨房、阳台等有防水要求的地面泼水、蓄水试验记录工程名称:000030建筑物垂直度、标高、全高测量记录监理工程师(建设单位项目负责人):技术负责人:工程质量验收记录单位(子单位)工程质量控制资料核查记录及主要功能抽查记录分部工程观感质量检查记录注:质量评价为差的项目,应进行返修。
地基与基础分部工程质量验收记录分项工程质量验收记录模板安装工程检验批质量验收记录表(Ⅰ)模板拆除工程检验批质量验收记录表GB50204-2002(Ⅲ)010601□□钢筋加工检验批质量验收记录表(Ⅰ)钢筋安装工程检验批质量验收记录表(Ⅱ)混凝土原材料及配合比设计检验批质量验收记录表(Ⅰ)混凝土施工检验批质量验收记录表(Ⅱ)现浇结构外观及尺寸偏差检验批质量验收记录表GB50204-2002(Ⅰ)010603□□主体结构分部工程质量验收记录。
第1篇一、工程概况1. 工程名称:XX土石方工程2. 工程地点:XX市XX区XX街道3. 工程规模:本工程总面积为XX平方米,包括土方开挖、土方回填、路基平整、边坡防护等施工内容。
4. 工程期限:预计工期为XX个月。
5. 施工单位:XX建设有限公司二、编制依据1. 国家及地方相关法律法规、标准规范2. 设计图纸、施工图纸及设计说明3. 工程地质勘察报告4. 施工组织设计及施工方案5. 施工合同及相关协议三、施工组织设计1. 施工部署(1)成立土石方工程施工项目部,明确项目经理、技术负责人、质量负责人、安全负责人等岗位人员。
(2)建立健全施工组织机构,明确各部门职责及工作流程。
(3)编制施工进度计划,确保工程按期完成。
2. 施工工艺(1)土方开挖:采用挖掘机、装载机等机械设备进行开挖,开挖过程中注意保护地表植被,减少对环境的影响。
(2)土方回填:选用合格的土方材料,按设计要求进行回填,分层压实,确保回填质量。
(3)路基平整:采用推土机、平地机等机械设备进行平整,确保路基表面平整、密实。
(4)边坡防护:根据边坡坡度及地质条件,采用不同的防护措施,如挂网喷浆、土钉墙、护坡等。
3. 施工进度计划(1)土方开挖:预计工期为XX天。
(2)土方回填:预计工期为XX天。
(3)路基平整:预计工期为XX天。
(4)边坡防护:预计工期为XX天。
4. 施工资源计划(1)劳动力:根据施工进度计划,合理安排施工人员,确保施工人员充足。
(2)机械设备:根据施工需要,配置挖掘机、装载机、推土机、平地机等机械设备。
(3)材料:根据施工进度计划,提前采购合格的土方材料、边坡防护材料等。
四、质量控制措施1. 土方开挖:严格按照设计图纸及规范要求进行开挖,确保开挖深度、宽度、边坡坡度等符合要求。
2. 土方回填:选用合格的土方材料,按设计要求进行回填,分层压实,确保回填质量。
3. 路基平整:采用推土机、平地机等机械设备进行平整,确保路基表面平整、密实。
注:1、不涉及全高垂直度检查、无特殊要求的分项工程使用本表表(分项A类)。
注:1、不涉及全高垂直度检查、无特殊要求的分项工程使用本表表(分项A类)。
注:1、不涉及全高垂直度检查、无特殊要求的分项工程使用本表表(分项A类)。
注:1、不涉及全高垂直度检查、无特殊要求的分项工程使用本表表(分项A类)。
混凝土分项工程质量验收记录注:1、不涉及全高垂直度检查、无特殊要求的分项工程使用本表表(分项A类)。
现浇基础外观质量及尺寸偏差分项工程质量验收记录砖砌体分项工程质量验收记录注:1、不涉及全高垂直度检查、无特殊要求的分项工程使用本表表(分项A类)。
模板分项工程质量验收记录注:1、不涉及全高垂直度检查、无特殊要求的分项工程使用本表表(分项A类)。
模板拆除分项工程质量验收记录注:1、不涉及全高垂直度检查、无特殊要求的分项工程使用本表表(分项A类)钢筋分项工程质量验收记录注:1、不涉及全高垂直度检查、无特殊要求的分项工程使用本表表(分项A类)。
混凝土分项工程质量验收记录注:1、不涉及全高垂直度检查、无特殊要求的分项工程使用本表表(分项A类)。
现浇结构外观质量及尺寸偏差分项工程质量验收记录注:1、不涉及全高垂直度检查的分项工程使用通用表格(分项A类)。
2、全高垂直度检查方法:用经纬仪或其它仪器测量,配合吊线、钢尺检查。
检查数量:外墙检查阳角不少于4处取大值。
砖砌体分项工程质量验收记录注:1、不涉及全高垂直度检查的分项工程使用通用表格(分项A类)。
2、全高垂直度检查方法:用经纬仪或其它仪器测量,配合吊线、钢尺检查。
检查数量:外墙检查阳角不少于4处取大值。
基土分项工程质量验收记录注:1、不涉及全高垂直度检查、无特殊要求的分项工程使用本表表(分项A类)。
碎石垫层和碎砖垫层分项工程质量验收记录注:1、不涉及全高垂直度检查、无特殊要求的分项工程使用本表表(分项A类)。
炉渣垫层分项工程质量验收记录注:1、不涉及全高垂直度检查、无特殊要求的分项工程使用本表表(分项A类)水泥混凝土垫层分项工程质量验收记录注:1、不涉及全高垂直度检查、无特殊要求的分项工程使用本表表(分项A类)。
土方资料编制合同范本1. 甲方信息甲方: [填写甲方信息]地址: [填写甲方地址]联系人:[填写甲方联系人姓名]电话: [填写甲方联系人电话]2. 乙方信息乙方: [填写乙方信息]地址: [填写乙方地址]联系人: [填写乙方联系人姓名]电话: [填写乙方联系人电话]3. 合同背景1.甲方拟委托乙方对土方进行资料编制,以确保项目开展的顺利进行。
2.乙方具备土方资料编制相关的技术和经验,有能力按照甲方的要求完成任务。
4. 任务内容1.乙方在接受甲方委托后,将负责对土地进行测量、勘探、调查,收集必要的土方相关数据。
2.乙方将根据收集的数据编制相关的土方资料和报告,包括但不限于土地调查报告、土地划分图、土地规划图等。
5. 交付要求1.乙方应按时、按量地完成甲方交付的土方资料编制任务。
2.乙方应确保交付的土方资料的准确性和完整性。
3.乙方应将编制完成的土方资料交付给甲方,并保证资料的机密性。
6. 合作期限1.本合同自双方签订之日起生效,有效期为[填写有效期]。
2.若甲方或乙方有终止合同的需求,应提前[填写提前通知期限]书面通知对方。
7. 付款方式1.甲方应按照以下付款方式支付乙方服务费用:[填写具体付款方式和付款周期]。
2.如甲方逾期付款,应支付逾期付款的滞纳金,滞纳金的计算方式为[填写滞纳金计算方式]。
8. 违约责任1.若甲方未按时支付乙方的服务费用,乙方有权要求甲方支付逾期付款的滞纳金。
2.乙方未按时交付土方资料或资料不符合约定要求的,应承担违约责任,并赔偿甲方因此而遭受的损失。
9. 保密条款1.甲方和乙方都应对在合作过程中获得的对方机密信息予以保密,不得向第三方透露。
2.甲方和乙方应采取合理的措施确保对方的机密信息的安全性。
10. 争议解决1.本合同的解释和执行均适用法律法规。
2.若在合作过程中发生争议,双方应友好协商解决;协商不成的,可以选择向有管辖权的人民法院提起诉讼。
11. 其他条款1.本合同未尽事宜,由双方协商解决。
土方资料编制合同范本甲方(委托方):单位名称:法定代表人:地址:联系电话:乙方(编制方):单位名称:法定代表人:地址:联系电话:一、项目概况1. 项目名称:[具体项目名称]2. 项目地点:[详细地点]3. 项目内容:土方工程资料的编制,包括但不限于土方开挖、回填、运输等过程的记录、整理和归档。
二、工作内容及要求1. 乙方应按照国家相关法律法规、标准规范和甲方的要求,对土方工程的各项数据进行准确测量、记录和整理。
2. 编制完整的土方工程资料,包括施工图纸、施工方案、测量报告、验收记录、竣工报告等,并确保资料的真实性、完整性和准确性。
3. 协助甲方进行资料的审核、备案和归档工作,确保资料符合相关部门的要求。
4. 在编制过程中,乙方应及时与甲方沟通,解答甲方提出的问题,并根据甲方的意见进行修改和完善。
三、工作期限自本合同签订之日起[具体期限]内完成土方资料的编制工作。
如因甲方原因或不可抗力等不可预见因素导致工作延期,双方应另行协商确定延期时间。
四、费用及支付方式1. 本合同总费用为人民币[具体金额]元(大写:[金额大写])。
2. 支付方式:合同签订后[具体天数]日内,甲方向乙方支付合同总费用的[百分比]%作为预付款;乙方完成土方资料编制工作并提交甲方验收合格后[具体天数]日内,甲方向乙方支付合同总费用的[百分比]%;剩余合同总费用的[百分比]%作为质量保证金,在质保期届满且无质量问题后[具体天数]日内支付给乙方。
3. 乙方应在收到甲方付款通知后[具体天数]日内开具合法有效的发票给甲方。
五、双方权利与义务甲方权利与义务:1. 提供土方工程相关的图纸、文件、数据等资料,并确保资料的真实性和准确性。
2. 按照合同约定支付费用。
3. 对乙方的工作进行监督和检查,提出合理的意见和建议。
4. 及时组织验收工作,对验收不合格的部分要求乙方进行整改。
乙方权利与义务:1. 按照合同约定的工作内容和要求进行土方资料的编制工作。
土石方工程竣工资料组成与编制土石方工程是建筑工程中不可或缺的一部分,其竣工资料的组成与编制同样也十分重要。
本文将详细介绍土石方工程竣工资料组成与编制。
1. 竣工资料组成(1)项目书面资料:包括竣工验收单、土石方工程图纸、专项施工方案、建设工程质量验收报告和工程竣工验收报告等。
竣工验收单是土石方工程竣工验收的重要证明材料,需施工单位、监理机构和工程业主签字认可。
土石方工程图纸是工程项目的设计图,包括所有土石方工程的图纸、图集和说明册。
专项施工方案是指施工单位的建设工程实施、管理程序的国家强制性规范。
建设工程质量验收报告是评估土石方工程质量水平的重要依据,也是质量验收的重要文件之一。
工程竣工验收报告是土石方工程竣工验收的重要文件之一,用于确认竣工验收的完成。
(2)设计文件:包括施工设计文件、工程勘察报告和工程设计文件等。
施工设计文件是建筑工程建设的重要依据,包括施工设计主要文件和图纸。
工程勘察报告是工程勘察及设计的重要依据,主要记录工程勘察过程和结果。
工程设计文件则是土石方工程建设中的重要依据,包括设计方案、计算书和施工图等。
(3)施工文件:包括工程质量检查记录、机械设备使用登记表、施工服务记录和受检记录等。
工程质量检查记录反映了施工过程中的质量控制情况,包括每个工程节点的质量检查报告。
机械设备使用登记表主要记录了机械设备的使用情况,便于后期管理和维护。
施工服务记录主要包括工作量、工作成果和工作时间等,反映了施工单位的服务质量。
受检记录是土石方工程施工质量的重要证明材料之一,需施工单位、监理机构签字认可。
(4)档案资料:包括工程项目档案和施工合同等。
工程项目档案是土石方工程竣工资料的重要组成部分,包括施工设计文件、质量检测记录、交接证明和竣工验收报告等。
施工合同则是工程建设中各方之间达成的法律协议,记录了工程建设的各项条款和约定。
2. 竣工资料编制土石方工程竣工资料编制应遵循以下步骤:(1)收集资料施工单位应在项目竣工前结束工作,然后开始搜集和整理与土石方工程相关的资料。
江苏省高级中学东校区种植土工程土方工程竣工资料建设单位:连云港市城市建设投资集团有限责任公司施工单位:江苏桃源绿化工程有限公司监理单位:连云港建设监理有限公司编制日期:2016年8月竣工资料编制说明一、资料编制依据国家相关建设法律法规关于土石方工程的竣工验收标准及规范。
施工过程中产生的有关技术、质量等资料。
二、结算编制依据本工程项目采用中标合同执行。
三、工程数量按照合同的约定,以实际完成并经现场监理工程师和建设方代表确认工程数量为结算工程数量。
四、资料编制成果以建设方、监理方认可的资料为最终成果。
施工组织设计(方案)报(复)审表工程名称:XX新农村建设暨迁村并点项目编号:江苏省海州高级中学东校区种植土工程施工组织设计(方案)工程名称:江苏省海州高级中学东校区种植土项目建设单位:连云港市城市建设投资集团有限责任公司施工单位:江苏桃源绿化工程有限公司编制日期:2016年8月1日目录一、工程概况 (3)二、编制依据 (3)三、编制的目 (4)四、编制的原则 (4)五、工程范围、工期要求、质量要求 (5)六、施工准备及部署 (5)七、各分部分项工程的主要施工方法 (7)土方开挖方案 (9)八、质量技术组织措施 (16)九、主要材料供应及计划 (18)十、主要管理措施 (19)十一、应急预案 (22)十二、附图 (23)土方工程施工组织设计(方案)一、工程概况本项目位于江苏省海州高级中学,属海州中学重点项目。
面积2.6万平方米。
本工程为项目点的坡地面场平土方开挖、回填、平整。
主要内容为土方开挖、回填。
其中场平开挖面积概算约为50209㎡,方量概算约为113734m³;场平回填面积概算约为34699㎡,方量概算约为83297m³。
二、编制依据该施工方案编制的主要依据:招投标文件、江苏省海州高级中学东校区种植土项目土方回填、平整设计图纸;建设部现行规范、规程及连云港市有关规程。
三、编制目的施工组织设计作为组织施工的基本文件,是根据工程的性质、现场具体施工条件、施工技术装备和施工力量等技术经济因素编制的。
四、建设工程文件归档的质量要求1.归档的工程文件应为原件。
2.工程文件的内容及其深度必须符合国家有关工程勘察、设计、施工、监理等方面的技术规范、标准和规程。
3.工程文件的内容必须真实、准确,与工程实际相符合。
4.工程文件应采用耐久性强的书写材料,如碳素墨水,不得使用易褪色的书写材料,如红色墨水、纯蓝墨水、圆珠笔、复写纸、铅笔等。
5.工程文件应字迹清楚,图样清晰,图表整洁,签字盖章手续完备。
6.工程文件中文字材料幅面尺寸规格宜为A4(297mm×210mm),图纸应采用国家标准图幅。
7.工程文件的纸张应采用能够长期保存的韧性大、耐久性强的纸张。
图纸一般采用蓝晒图,竣工图应是新蓝图。
计算机出图必须清晰,不得使用计算机出图的复印件。
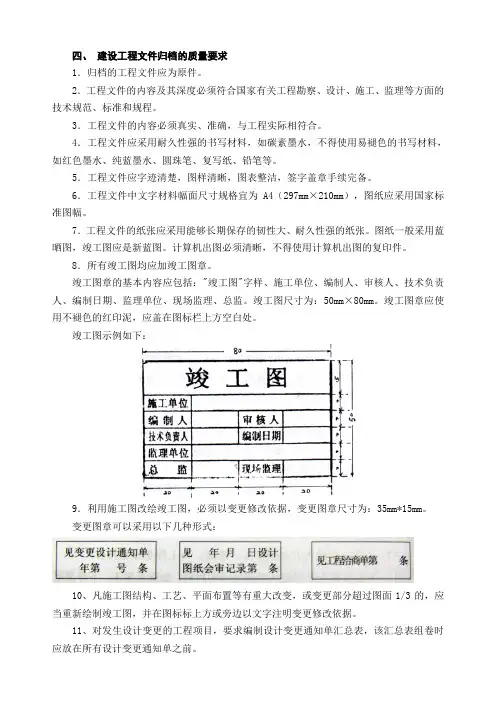
8.所有竣工图均应加竣工图章。
竣工图章的基本内容应包括:"竣工图"字样、施工单位、编制人、审核人、技术负责人、编制日期、监理单位、现场监理、总监。
竣工图尺寸为:50mm×80mm。
竣工图章应使用不褪色的红印泥,应盖在图标栏上方空白处。
竣工图示例如下:9.利用施工图改绘竣工图,必须以变更修改依据,变更图章尺寸为:35mm*15mm。
变更图章可以采用以下几种形式:10、凡施工图结构、工艺、平面布置等有重大改变,或变更部分超过图面1/3的,应当重新绘制竣工图,并在图标标上方或旁边以文字注明变更修改依据。
11、对发生设计变更的工程项目,要求编制设计变更通知单汇总表,该汇总表组卷时应放在所有设计变更通知单之前。
12.不同幅面的工程图纸应统一折叠成A4幅面(297mm×210mm),横向按手风琴式折叠,竖向按顺时针方向向内折,图标栏露在外面(按《技术制图复制图的折叠方法》)(GB/10609.3---89)。
五、建设工程文件归档的时间、套数要求1.归档的时间:根据建设程序和工程特点,归档可以分阶段分期进行,也可以在单位或分部工程通过验收后进行。
土石方工程竣工资料组成与编制范本(场地平整、档墙砌筑类)建设单位:昆明XX村镇建设有限责任公司施工单位:宣威XX建筑有限公司监理单位:昆明XX建设监理有限公司编制日期:2013年8月( 编辑整理:严彪)竣工资料编制说明一、资料编制依据国家相关建设法律法规关于土石方工程的竣工验收标准及规范。
施工过程中产生的有关技术、质量等资料。
二、结算编制依据本工程项目单价,采用中标合同执行。
三、工程数量按照合同的约定,以实际完成并经现场监理工程师和建设方代表确认工程数量为结算工程数量。
四、资料编制成果以建设方、监理方、设计方签字认可的资料为最终成果。
项目建议书、项目建议书审批意见(建设单位报批的项目建议书、政府相关部门对项目的批复等文件附上即可)XX镇XX新农村建设项目(一期)详细勘察阶段岩土工程勘察报告书(部分内容)1、工程概况拟建工程位于XX县柯渡镇XX村,距昆明约72公里,距XX县约62公里,距XX镇约15公里,X035县级公路从工程区旁通过,交通较为便利。
拟建场地规划用地总面积209790m2,分三期建设,本次为一期勘察工作,一期使用土地面积84906.28 m2,拟建4层生产生活一体房18幢,4层住宅82幢,6层接待中心1幢,6层超市1幢,6层村务中心1幢,4层配套生活服务用房1幢。
2012年4月受建设方(XX村镇建设综合开发有限公司)委托,我公司于2013年6月完成该工程的建筑场地岩土工程详细勘察阶段的工作。
拟建工程位于甲方土地使用权限范围内,破坏后果不严重,工程重要性等级为三级(6层及6层以下住宅一般公用建筑),场地等级为二级场地(中等复杂场地),岩土种类较多,不均匀,性质变化较大,地基等级为二级地基(中等复杂地基),岩土工程勘察等级根据《岩土工程勘察规范》(GB50021-2001 2009年版)有关规定,勘察等级划分为乙级,故该场地建筑物场地岩土勘察等级按乙级进行。
2、勘察目的、任务要求1)收集区域地质、地震、气象水文资料,查明场地所在地貌单元;2)初步查明场地地质构造、地层结构、岩土工程特性、地下水埋藏条件;3)判明影响场地和地基稳定性的不良地质作用和特殊性岩土的类型、成因、分布、规模、发展趋势,对场地的稳定性、适宜性做出评价;4)查明埋藏的河道、沟浜、墓穴、防空洞、孤石等对工程不利的埋藏物;5)初步评价建筑场地类别,划分抗震有利、不利、危险地段;评价液化、震陷的可能性;6)初步判定水和土对建筑材料的腐蚀性;7)对地基、基础设计方案进行技术经济对比,提出技术可行、经济合理的地基基础设计方案和参数,供设计参考,并对设计、施工过程中应注意的事项和可能出现的问题提出建议和预防、处理措施。
施工单位竣工资料编制格式(推荐5篇)第一篇:施工单位竣工资料编制格式施工单位竣工资料编制格式第一部分:工程开工报验资料1、开工令2、开工申请3、施工方案报审表4、施工组织设计、施工方案及施工工艺5、施工进度计划6、进场材料、设备报验单7、分部工程施工组织设计、施工方案及施工工艺8、分部工程开工申请9、分部工程开工令第二部分:工程质量检测与保证资料1、工程项目划分表2、施工测量成果报审表3、施工放样报验单4、单位工程质量评定表5、分部工程质量评定表6、单元工程质量评定表7、单位工程外观质量评定表8、原材料、中间产品试验报告9、施工工作联系单及函件10、监理指令及回复等(停止令、整改报告、复工申请、复工令)第三部分:工程计量、结算与支付资料1、合同协议书2、工程结算单3、月支付报表(按先后顺序排列)包括:①支付证书;②进度付款申请表;③月施工统计报表;④月支付工程量结算审核表;⑤合同月进度支付明细表;⑥工程计量证书;⑦单元工程支付工程量结算签证单;⑧中间计量表;⑨中间验收表。
4、工程变更资料包括:①设计联系单;②变更申请表;③变更项目单价申报表;④工程变更令。
第四部分:工程完工报验资料1、工程完工报验单2、工程施工管理工作报告应包括以下内容:2.1工程概况(含地理位置、桩号、水文、气象、施工条件、工程数量统计表、工程施工时段、合同造价及竣工结算造价等)。
2.2施工投标(投标过程、投标书编制原则等)2.3施工总布置,总进度和完成的主要工程量施工总体布置、施工总进度以及分阶段施工进度安排(附施工场地总布置图和施工总进度表),分析工程提前或推迟完成的原因;主要项目施工情况等。
2.4主要施工方法施工中采用的主要施工方法及应用于本工程的新技术、新设备、新方法和施工科研情况等。
2.5施工质量管理施工质量保证体系及实施情况,质量事故处理,工程施工质量自检情况等。
2.6文明施工与安全生产2.7价款结算与财务管理合同价与实际结算价的分析,盈亏的主要原因等。
注:1、不涉及全高垂直度检查、无特殊要求的分项工程使用本表表(分项A类)。
注:1、不涉及全高垂直度检查、无特殊要求的分项工程使用本表表(分项A类)。
注:1、不涉及全高垂直度检查、无特殊要求的分项工程使用本表表(分项A类)。
注:1、不涉及全高垂直度检查、无特殊要求的分项工程使用本表表(分项A类)。
混凝土分项工程质量验收记录注:1、不涉及全高垂直度检查、无特殊要求的分项工程使用本表表(分项A类)。
现浇基础外观质量及尺寸偏差分项工程质量验收记录砖砌体分项工程质量验收记录注:1、不涉及全高垂直度检查、无特殊要求的分项工程使用本表表(分项A类)。
模板分项工程质量验收记录注:1、不涉及全高垂直度检查、无特殊要求的分项工程使用本表表(分项A类)。
模板拆除分项工程质量验收记录注:1、不涉及全高垂直度检查、无特殊要求的分项工程使用本表表(分项A类)钢筋分项工程质量验收记录注:1、不涉及全高垂直度检查、无特殊要求的分项工程使用本表表(分项A类)。
混凝土分项工程质量验收记录注:1、不涉及全高垂直度检查、无特殊要求的分项工程使用本表表(分项A类)。
现浇结构外观质量及尺寸偏差分项工程质量验收记录注:1、不涉及全高垂直度检查的分项工程使用通用表格(分项A类)。
2、全高垂直度检查方法:用经纬仪或其它仪器测量,配合吊线、钢尺检查。
检查数量:外墙检查阳角不少于4处取大值。
砖砌体分项工程质量验收记录注:1、不涉及全高垂直度检查的分项工程使用通用表格(分项A类)。
2、全高垂直度检查方法:用经纬仪或其它仪器测量,配合吊线、钢尺检查。
检查数量:外墙检查阳角不少于4处取大值。
基土分项工程质量验收记录注:1、不涉及全高垂直度检查、无特殊要求的分项工程使用本表表(分项A类)。
碎石垫层和碎砖垫层分项工程质量验收记录注:1、不涉及全高垂直度检查、无特殊要求的分项工程使用本表表(分项A类)。
炉渣垫层分项工程质量验收记录注:1、不涉及全高垂直度检查、无特殊要求的分项工程使用本表表(分项A类)水泥混凝土垫层分项工程质量验收记录注:1、不涉及全高垂直度检查、无特殊要求的分项工程使用本表表(分项A类)。
土石方工程竣工资料组成与编制Revised by BLUE on the afternoon of December 12,2020.江苏省高级中学东校区种植土工程土方工程竣工资料建设单位:连云港市城市建设投资集团有限责任公司施工单位:江苏桃源绿化工程有限公司监理单位:连云港建设监理有限公司编制日期:2016年8月竣工资料编制说明一、资料编制依据国家相关建设法律法规关于土石方工程的竣工验收标准及规范。
施工过程中产生的有关技术、质量等资料。
二、结算编制依据本工程项目采用中标合同执行。
三、工程数量按照合同的约定,以实际完成并经现场监理工程师和建设方代表确认工程数量为结算工程数量。
四、资料编制成果以建设方、监理方认可的资料为最终成果。
施工组织设计(方案)报(复)审表工程名称:XX新农村建设暨迁村并点项目编号:江苏省海州高级中学东校区种植土工程施工组织设计(方案)工程名称:江苏省海州高级中学东校区种植土项目建设单位:连云港市城市建设投资集团有限责任公司施工单位:江苏桃源绿化工程有限公司编制日期:2016年8月1日目录一、工程概况 (3)二、编制依据 (3)三、编制的目 (4)四、编制的原则 (4)五、工程范围、工期要求、质量要求 (5)六、施工准备及部署 (5)七、各分部分项工程的主要施工方法 (7)土方开挖方案 (9)八、质量技术组织措施 (16)九、主要材料供应及计划 (18)十、主要管理措施 (19)十一、应急预案 (22)十二、附图 (23)土方工程施工组织设计(方案)一、工程概况本项目位于江苏省海州高级中学,属海州中学重点项目。
面积万平方米。
本工程为项目点的坡地面场平土方开挖、回填、平整。
主要内容为土方开挖、回填。
其中场平开挖面积概算约为50209㎡,方量概算约为113734 m3;场平回填面积概算约为34699㎡,方量概算约为83297m3。
二、编制依据该施工方案编制的主要依据:招投标文件、江苏省海州高级中学东校区种植土项目土方回填、平整设计图纸;建设部现行规范、规程及连云港市有关规程。
{经营管理知识}晨熙顺景土石方工程竣工范本
晨熙顺景土石方工程
竣工资料
(第一册)
建设单位:昔阳县辰景房地产开发有限公司勘察单位:山西远通地质工程有限公司
设计单位:山西省建筑设计研究院
施工单位:山西机械化建设集团公司
二O一三年六月
A、施工技术准备文件
山西机械化建设集团公司
A1、开工报告
A2、建筑施工现场质量管理检查记录
A3、单位资质报审
A4、试验室资质报审
A5、工程设备报审
A6、特殊作业人员
资质报审
A7、施工组织设计(方案
)报审
A8、技术安全交底
B、施工现场准备
山西机械化建设集团公司
B1、工程定位测量资料
晨熙顺景土石方工程
竣工资料
(第二册)
建设单位:昔阳县辰景房地产开发有限公司勘察单位:山西远通地质工程有限公司
设计单位:山西省建筑设计研究院
施工单位:山西机械化建设集团公司
二O一三年六月
C土石方施工记录
山西机械化建设集团公司
C土石方施工记录(一)
C土石方施工记录(二)
晨熙顺景土石方工程
竣工资料
(第三册)
建设单位:昔阳县辰景房地产开发有限公司勘察单位:山西远通地质工程有限公司
设计单位:山西省建筑设计研究院
施工单位:山西机械化建设集团公司
二O一三年六月
D1工程质量验收记录山西机械化建设集团公司
感谢阅读
多年企业管理咨询经验,专注为企业和个人提供精品管理方案,企业诊断方案,制度参考模板等
欢迎您下载,均可自由编辑。
土石方工程竣工资料组成与编制范本(场地平整、档墙砌筑类)建设单位:昆明XX村镇建设有限责任公司施工单位:宣威XX建筑有限公司监理单位:昆明XX建设监理有限公司编制日期:2013年8月( 编辑整理:严彪)竣工资料编制说明一、资料编制依据国家相关建设法律法规关于土石方工程的竣工验收标准及规范。
施工过程中产生的有关技术、质量等资料。
二、结算编制依据本工程项目单价,采用中标合同执行。
三、工程数量按照合同的约定,以实际完成并经现场监理工程师和建设方代表确认工程数量为结算工程数量。
四、资料编制成果以建设方、监理方、设计方签字认可的资料为最终成果。
项目建议书、项目建议书审批意见(建设单位报批的项目建议书、政府相关部门对项目的批复等文件附上即可)XX镇XX新农村建设项目(一期)详细勘察阶段岩土工程勘察报告书(部分内容)1、工程概况拟建工程位于XX县柯渡镇XX村,距昆明约72公里,距XX县约62公里,距XX镇约15公里,X035县级公路从工程区旁通过,交通较为便利。
拟建场地规划用地总面积209790m2,分三期建设,本次为一期勘察工作,一期使用土地面积84906.28 m2,拟建4层生产生活一体房18幢,4层住宅82幢,6层接待中心1幢,6层超市1幢,6层村务中心1幢,4层配套生活服务用房1幢。
2012年4月受建设方(XX村镇建设综合开发有限公司)委托,我公司于2013年6月完成该工程的建筑场地岩土工程详细勘察阶段的工作。
拟建工程位于甲方土地使用权限范围内,破坏后果不严重,工程重要性等级为三级(6层及6层以下住宅一般公用建筑),场地等级为二级场地(中等复杂场地),岩土种类较多,不均匀,性质变化较大,地基等级为二级地基(中等复杂地基),岩土工程勘察等级根据《岩土工程勘察规范》(GB50021-20012009年版)有关规定,勘察等级划分为乙级,故该场地建筑物场地岩土勘察等级按乙级进行。
2、勘察目的、任务要求1)收集区域地质、地震、气象水文资料,查明场地所在地貌单元;2)初步查明场地地质构造、地层结构、岩土工程特性、地下水埋藏条件;3)判明影响场地和地基稳定性的不良地质作用和特殊性岩土的类型、成因、分布、规模、发展趋势,对场地的稳定性、适宜性做出评价;4)查明埋藏的河道、沟浜、墓穴、防空洞、孤石等对工程不利的埋藏物;5)初步评价建筑场地类别,划分抗震有利、不利、危险地段;评价液化、震陷的可能性;6)初步判定水和土对建筑材料的腐蚀性;7)对地基、基础设计方案进行技术经济对比,提出技术可行、经济合理的地基基础设计方案和参数,供设计参考,并对设计、施工过程中应注意的事项和可能出现的问题提出建议和预防、处理措施。
全套竣工资料填写及编制范例在一个工程项目的竣工阶段,竣工资料是必不可少的一部分。
它记录了项目的建设历程、技术细节和最终结果,对于项目的验收和运营起到了至关重要的作用。
本文将给出一个全套竣工资料的填写与编制范例,供参考使用。
一、项目基本信息1. 项目名称:XXXX工程2. 项目位置:XXXX地区3. 建设单位:XXXX公司4. 监理单位:XXXX公司5. 施工单位:XXXX公司6. 工程造价:XXXX万元7. 建设周期:自XXXX年XX月XX日至XXXX年XX月XX日二、竣工报告竣工报告是对工程项目的整体情况进行综合概述和总结,包括项目概况、工程特点、技术指标达标情况等。
下面是填写竣工报告的要点范例:1. 项目概况项目概况需详细介绍工程项目的背景与目标,包括项目规模、用途和设计性质等。
例如:本项目是为了满足XXXX需求,采用XXXX 工程技术,总建筑面积XXXX平方米。
2. 工程特点工程特点需要准确描述工程的创新性与难度,例如:本项目采用了XXXX的新型建筑材料,解决了XXXX问题,具有良好的工程维护性和可持续性。
3. 技术指标达标情况技术指标达标情况要列举出项目所涉及的主要技术指标,并具体说明是否达标。
举例:项目设计要求房屋日光照度达到X勒克斯,实际测量结果为X勒克斯,达到设计要求。
三、竣工验收报告竣工验收报告是对项目工程进行全面的验收检查,包括工程质量、安全环保等方面的评估。
下面是竣工验收报告的填写要点范例:1. 工程概述工程概述应详细描述项目的建设情况,包括建设过程、主要施工环节等。
例如:项目于XXXX年XX月XX日开工,按照设计要求分别进行了地基处理、主体结构施工、设备安装等工序。
2. 工程质量评估工程质量评估应对项目的主要质量指标进行评价,例如:对建筑结构、管道安装、电气设备等方面进行质量把关,确保符合相关标准与规范。
3. 安全环保评估安全环保评估应对工程项目在施工过程中是否符合相关安全和环保要求进行评估。
竣工文件编制范本竣工文件编制范本第一部分综合文件第一册竣工验收文件一、封面(见附件7)副页(见附件8)二、总目录(见附件9)三、本册目录(见附件10)四、公路工程竣工验收鉴定书(见附件12)五、交工验收报告(见附件13)六、工程质量检验报告七、环境影响评价报告附件:环境影响评价大纲环境影响检测报告八、审计报告九、竣工验收申请及批准文件第二册工程总结一、封面(见附件7)二、总目录(见附件9)三、本册目录(见附件10)四、施工总结(见附件14)五、监理工作(含变更设计)总结(见附件15)六、设计总结(见附件16)七、建设管理总结(见附件17)八、质量监督工作总结(见附件18)第三册征地拆迁资料一、封面(见附件7)二、总目录(见附件9)三、本册目录(见附件10)四、征地拆迁合同、协议五、征地批文六、拆除建筑物一览表 JH30七、征用土地一览表 JH31八、占地图及土地证第四册上级批准文件及有关指示一、封面(见附件7)二、总目录(见附件9)三、本册目录(见附件10)四、上级批准文件五、上级有关指示第五册建设项目承发包合同、协议文件一、封面(见附件7)二、总目录(见附件9)三、本册目录(见附件10)四、建设项目承发包合同、协议文件1、土建工程承发包合同、协议。
2、交通工程承发包合同、协议。
3、环保、绿化工程承发包合同、协议。
4、服务、收费系统工程承发包合同、协议。
5、机电、设备承发包合同、协议。
6、其他承发包合同、协议。
五、资料编排:分类按时间顺序排列,并按规定的厚度汇编成若干册。
第六册工程交接及有关资料一、封面(见附件7)二、总目录(见附件9)三、本册目录(见附件10)四、工程交接表(见附件19)五、工程交接说明,会议纪要及有关文件、资料。
第二部分竣工决算第一册竣工决算报告一、封面(见附件7)副页(见附件8)二、总目录(见附件9)三、本册目录(见附件10)四、竣工决算报告资料第二册桥梁、互通工程决算表一、封面(见附件7)二、总目录(见附件9)三、本册目录(见附件10)四、桥梁、互通决算表五、资料编排按桥梁、互通分类并按桩号顺序和规定厚度汇编成册。
土石方工程竣工资料组成与编制范本(场地平整、档墙砌筑类)建设单位:昆明XX村镇建设有限责任公司施工单位:宣威XX建筑有限公司监理单位:昆明XX建设监理有限公司编制日期:2013年8月( 编辑整理:严彪 )竣工资料编制说明一、资料编制依据国家相关建设法律法规关于土石方工程的竣工验收标准及规范。
施工过程中产生的有关技术、质量等资料。
二、结算编制依据本工程项目单价,采用中标合同执行。
三、工程数量按照合同的约定,以实际完成并经现场监理工程师和建设方代表确认工程数量为结算工程数量。
四、资料编制成果以建设方、监理方、设计方签字认可的资料为最终成果。
项目建议书、项目建议书审批意见(建设单位报批的项目建议书、政府相关部门对项目的批复等文件附上即可)XX镇XX新农村建设项目(一期)详细勘察阶段岩土工程勘察报告书(部分内容)1、工程概况拟建工程位于XX县柯渡镇XX村,距昆明约72公里,距XX县约62公里,距XX镇约15公里,X035县级公路从工程区旁通过,交通较为便利。
拟建场地规划用地总面积209790m2,分三期建设,本次为一期勘察工作,一期使用土地面积84906.28 m2,拟建4层生产生活一体房18幢,4层住宅82幢,6层接待中心1幢,6层超市1幢,6层村务中心1幢,4层配套生活服务用房1幢。
2012年4月受建设方(XX村镇建设综合开发有限公司)委托,我公司于2013年6月完成该工程的建筑场地岩土工程详细勘察阶段的工作。
拟建工程位于甲方土地使用权限范围内,破坏后果不严重,工程重要性等级为三级(6层及6层以下住宅一般公用建筑),场地等级为二级场地(中等复杂场地),岩土种类较多,不均匀,性质变化较大,地基等级为二级地基(中等复杂地基),岩土工程勘察等级根据《岩土工程勘察规范》(GB50021-2001 2009年版)有关规定,勘察等级划分为乙级,故该场地建筑物场地岩土勘察等级按乙级进行。
2、勘察目的、任务要求1)收集区域地质、地震、气象水文资料,查明场地所在地貌单元;2)初步查明场地地质构造、地层结构、岩土工程特性、地下水埋藏条件;3)判明影响场地和地基稳定性的不良地质作用和特殊性岩土的类型、成因、分布、规模、发展趋势,对场地的稳定性、适宜性做出评价;4)查明埋藏的河道、沟浜、墓穴、防空洞、孤石等对工程不利的埋藏物;5)初步评价建筑场地类别,划分抗震有利、不利、危险地段;评价液化、震陷的可能性;6)初步判定水和土对建筑材料的腐蚀性;7)对地基、基础设计方案进行技术经济对比,提出技术可行、经济合理的地基基础设计方案和参数,供设计参考,并对设计、施工过程中应注意的事项和可能出现的问题提出建议和预防、处理措施。
江苏省高级中学东校区种植土工程土方工程竣工资料建设单位:连云港市城市建设投资集团有限责任公司施工单位:江苏桃源绿化工程有限公司监理单位:连云港建设监理有限公司编制日期:2016年8月竣工资料编制说明一、资料编制依据国家相关建设法律法规关于土石方工程的竣工验收标准及规范。
施工过程中产生的有关技术、质量等资料。
二、结算编制依据本工程项目采用中标合同执行。
三、工程数量按照合同的约定,以实际完成并经现场监理工程师和建设方代表确认工程数量为结算工程数量。
四、资料编制成果以建设方、监理方认可的资料为最终成果。
施工组织设计(方案)报(复)审表工程名称:XX新农村建设暨迁村并点项目编号:江苏省海州高级中学东校区种植土工程施工组织设计(方案)工程名称:江苏省海州高级中学东校区种植土项目建设单位:连云港市城市建设投资集团有限责任公司施工单位:江苏桃源绿化工程有限公司编制日期:2016年8月1日目录一、工程概况 (3)二、编制依据 (3)三、编制的目 (4)四、编制的原则 (4)五、工程范围、工期要求、质量要求 (5)六、施工准备及部署 (5)七、各分部分项工程的主要施工方法 (7)土方开挖方案 (9)八、质量技术组织措施…………………………………………16九、主要材料供应及计划………………………………………18十、主要管理措施………………………………………………19十一、应急预案…………………………………………………22十二、附图 (23)土方工程施工组织设计(方案)一、工程概况本项目位于江苏省海州高级中学,属海州中学重点项目。
面积2.6万平方米。
本工程为项目点的坡地面场平土方开挖、回填、平整。
主要内容为土方开挖、回填。
其中场平开挖面积概算约为50209㎡,方量概算约为113734m³;场平回填面积概算约为34699㎡,方量概算约为83297m³。
二、编制依据该施工方案编制的主要依据:招投标文件、江苏省海州高级中学东校区种植土项目土方回填、平整设计图纸;建设部现行规范、规程及连云港市有关规程。
三、编制目的施工组织设计作为组织施工的基本文件,是根据工程的性质、现场具体施工条件、施工技术装备和施工力量等技术经济因素编制的。
通过施工组织设计将确定合理的施工方案,对整个工程的施工过程做出全面的科学的规划和部署,并制定出工程所需的投资、材料、设备、劳动力等的供应计划,从而使施工有条不紊地顺利进行,满足业主要求。
四、编制原则1、根据工程实际情况,围绕重点项目周密部署,合理安排施工顺序。
2、采用平行流水及均衡施工方法,坚持对工程施工全过程严密监控。
3、合理配置生产要素,优化施工平面布置,减少工程消耗,降低生成本。
4、制定施工方案时,道先考虑环境保护措施,注重文明施工,把确保交通畅通、周达秩序良好、居民正常生活作为施工组织的前题,树立本项目及我单位的良好形象。
五、工程范围、工期要求、质量要求项目所属范围内土方开挖、转运、回填种植土、初平、压实,腐植土、表面附着物、地下障碍物等并按要求进行规范处理。
本工程质量要求达到合格标准并满足招标文件指定的要求。
六、施工准备及部署施工准备工作内容包括技术、生产二个方面,要求做到施工场地三通(水通、电通、道路通),五落实(技术、劳动组织、材料、机具、现场设施落实)。
为此部署做好以下几方面工作。
1、技术准备为工程施工开展作好充分的资源准备,以充分满足工程需要,按施工管理架构配备技术人员,建立有施工经验、工作效率高的工地领导机构,确保工程管理质量。
会同建设单位、监理公司、设计单位进行图纸会审,听取设计要求、意图及施工工艺的特殊要求。
施工前做好施工技术、工程质量和安全交底。
组织现场施工管理人员充分熟悉和学习图纸,做好图纸自审和会审的工作,特别要做好各专业图纸会审。
解决施工现场与设计图纸之间的相互矛盾,各专业交叉、搭接出现的问题,以避免施工中不必要的返工。
按会审过的施工图,编制工程施工组织设计、工期计划,编制预算和材料计划,以便材料部门组织资源,按时供应。
开工前制定材料进场计划,特殊材料进场和设计指定的材料尽早落实货源,及时组织进场。
提前进行原材料检验工作和砂浆的试配,把好质量关,以确保工程质量,同时工程使用的材料必须符合设计图纸和有关规范的要求,必须有出厂合格证和试验合格资料及材料许可证。
组织人员进行安全教育和技术交底,确保各分部分项工程的验收准则,建立现场质量保证体系。
制定施工计划和作业细则,保证开工前所有准备工作,一切准备就绪。
根据工程图纸编制工程预算。
编制工程总体施工组织设计方案和分部分项施工技术方案,并组织有关人员对施工组织设计及分项单位工程进行逐项措施及技术方案交底。
2、生产准备掌握气象资料,综合组织施工全过程的均衡施工,制定雨季、大风天气的施工措施。
按施工平面布置图,接通水、电源,储备施工及消防用水,现场水电工根据方案要求,按安全操作规程敷设临时水管和电线,将水、电送到各个用水用电施工地点,并做好现场排水工作。
3、施工现场的准备做到场容整齐清洁,道路畅通,符合防火安全及文明施工的要求。
施工平面设专人负责管理,使各项材料、机具等按已审定的现场施工平面布置图的位置堆放。
现场项目领导班子掌握现场动态情况,全面均衡安排,严格管理好施工总平面布置,确保施工方案贯彻实施。
4、施工计划总工期本工程计划工期为15个日历天,计划开工时间为:2016年8月10日,具体开工日期由监理开工令为准开工日期起计算。
我司保证在15个日历天内完成所有工程。
建立完美的施工进度计划保证体系,是保证工程能按计划完成的关键,根据本施工进度计划保证体系,可以掌握施工管理主动权、控制施工生产局面。
为能使工程施工顺利进行,我们将制定一系列的技术保证措施,物资供应管理措施,质量检验与控制保证措施等;在各项工作中做到未雨绸缪,将保证本工程顺利按计划完成。
密切与甲方、设计人员的联系,解决施工中存在的问题。
尽早将变更定下来,防止生产不必要返工。
及时抽料,按计划安排各种材料进场。
在计划安排上,以总体进度计划为龙头,以周进度计划为指导,以日计划为实施安排工作,这样以日促周,最终确定总体计划的实现。
将工程项目进度施工阶段分解,突出控制点。
将施工阶段按各分部分项工程分解,以总进度计划为依据,确定各分部分项工程目标,确保总工期的实现。
七、各分部分项工程的主要施工方法(一)、施工测量方法1、必须全面了解设计意图,认真熟悉与审核图纸,并应及时了解与掌握有关工程设计变更文件,以确保测量放样数据准确可靠。
建筑物定位的依据为平面控制点时,应认真做好资料成果与现场桩位交接工作,并妥善保护好桩位。
为保证建筑物定位依据点的准确可靠,平面控制点使用前应进行内业核算与外业校测,定位依据点数量不应少于三个。
城市规划部门提供的水准点是确定建筑物高程的基本依据,水准点数量应不少于两个。
使用前,应用附合测法投测,允许闭合差为±10mm n(n为测站数)。
2、施工测量方案是建筑工程施工组织设计中的组成部分,是全面指导施工测量的技术依据,应根据设计要求与施工方法,并遵照《建筑工程施工测量规程》制定切实可行的施工测量方案。
依据施工测量方案与设计图纸计算放样数据,并绘制草图,所有数据与草图均应独立校核。
4、根据图纸提供的高程控制点用附合水准路线进行校测,即实测高差与已知高差比较,点与点之间的高差值应一致。
校核无误后,通过已提供好的高程点,测算出±0.000水平点。
5、根据测绘院提供的桩位及坐标数据,结合本工程的建筑平面形式,布设现场坐标控制网。
所有点之间必须通视,以致相互之间可以相互校核,并测设出相应的高程数据。
场地平面控制网的精度为:6、通过已引测好的水平点,在建筑物的四角各测设一个高程点,用附合测法将±0.000M点高程引测至四角,联测四角的±0.000水平线后,附合到引测起始点。
场地高程控制网的精度为:闭合差在±6n mm或±20L mm之内(n—测站数,L—测线长度,以km计)。
(二)土方开挖方案1、开挖边线确定:首先,测量人员根据业主提供的控制点,定出本工程基坑轴线;然后按基底砼垫层外边线每边加工作面600㎜定出基坑开挖下口线,再按1:0.3放坡开挖;消防废水收集池等稍深基坑采用二级放坡开挖,首先按二级放坡加中间平台宽度和坑底工作面宽度放出基坑开挖上口线,按照开挖边线1:1放坡开挖至深基坑的中部,然后扣除1000mm宽的中间平台放出下一级边坡开挖边线,最后继续按照开挖边线1:1放坡开挖至坑底设计标高。
在具体基坑开挖过程中结合开挖实际深度定出开挖上口线,并撒灰线标记开挖边线及变坡位置。
2、开挖方法:1)根据本标工程的施工内容及现场地形地貌条件,施工顺序为:填挖方区清表工作→挖方区挖方、填方区填方→场地平整压实。
施工中整个场区挖方遵循由高至低,填方遵循由低至高的原则。
1)、机械挖土,随挖土随修整边坡。
在开挖至距离设计标底150 mm以内时,测量人员抄出150 mm水平线,在场基底钉上水平标高小木桩,在基坑内抄若干个基准点,拉通线找平,预留100-150 mm土层人工清理。
2)、机械开挖至最后一步时,测量人员随即放出房屋基础承台线,由人工挖除150 mm预留土层,并清理整平,及时进行防雨防晒,防止基底土水份蒸发损失,导致土体积膨胀。
3、开挖注意事项:1)、场底及坡顶四周做好排水措施,在地面设置截水沟,采用明排水的方法,防止雨水及地下水浸泡基土,每日及雨天例行检查土壁稳定情况,在确定安全情况下方可继续工作。
2)、清底人员必须根据设计标高作好清土工作。
3)、机械开挖过程中以及停置和进出场应注意安全,随时配合挖运土做好现场清洁工作,做到文明施工。
4、异常情况处理:开挖过程中,施工人员要随时注意观察基底土质变化及边坡稳定情况,出现异常情况,立即报告。
(1)场内如有暗浜或软弱夹层,应将於泥全部清除干净,用砂石分层夯实至设计标高;(2)开挖过程中如遇滑坡迹象,应立即暂停施工,报告业主并主动采取应急措施,在转移工人的同时,将滑坡现场进行封锁;测量人员根据滑坡迹象设置观测点,以便观测坡体平面及竖向位移,为应急措施提供重要的原始资料。
(3)基底处理应按下列情况分别处理:当坡度较小(1:10-1:5)时,清除树草杂物后,先把表土翻松,然后再填土压实,以保证坡脚稳定;当横向坡度在1:5以上时,基底应做成台阶形,其高宽比按1:2挖成阶梯形,阶宽不小于1米。
让填土充嵌在基础地基里,以防止路堤的横向滑移。
宜将其顶面做成向堤内倾斜3-5%的坡度,然后填土压实,然后填土压实,使填土与原表土间密实稳定。
5、土方回填:1)回填土前应将基底或地坪上的垃圾等杂物清理干净,底槽回填前,必须清理到基底标高,将回落的松散垃圾、砂浆、石子等杂物清除干净。