排污扩容器计算2016.4.12
- 格式:xls
- 大小:371.00 KB
- 文档页数:4
疏水扩容器的作用疏水扩容器的作用:降低进入疏水扩容器的疏水的压力;工质回收热量再利用。
扩容器共有三路汽水管路:中间,疏水进入管路;底部,降压后的水的排出管路;上部,降压后闪蒸出的蒸汽的排出管路。
高低压疏水经过扩容器扩容、喷水减温后,温度和压力均降低,扩容后蒸汽进入凝汽器上部汽空间,这样既能减少对凝汽器的冲击,也可降低凝汽器的热负荷;疏水进入热水井,对凝结水有加热作用,可以降低过冷度。
连续排污扩容器连续排污扩容器工作原理来自锅炉的连续排污水为锅炉工作压力下的饱和水,温度高、焓值大,若突然降低其压力,水的汽化点降低,使原来的饱和状态被破坏,一部份水放出过热热量成为新压力下的饱和水,一部分水吸收蒸发潜热而成为蒸汽。
这种蒸发称为闪蒸蒸发。
连续排污扩容器就是利用闪蒸蒸发的原理来获得二次蒸汽的,其有一定参数的锅炉排污水从管道突然被输入体积比管道大若干倍的膨胀器后,压力降低,体积增大,从而闪蒸蒸发出蒸汽。
同时,连续排污扩容器依靠离子分离,重力分离和分子摩擦力分离来将气、水分开,从而获得低含盐量的二次蒸汽,排污水从切向管进入膨胀器,使流体旋转,产生的蒸汽沿膨胀器上升,经过一段空间后再通过连续排污扩容器百叶窗汽水分离装置最后分离,从而完成汽与水的整个分离过程。
连续排污扩容器结构型式连续排污扩容器由主体、管系及附件等组成。
连续排污扩容器的主体为一圆柱形壳体加内部装置组成。
内部装置有隔板、百叶窗汽水分离器和用于控制调节阀的浮球等。
为了便于检修,或采用法兰联接式壳体,或在壳体上装上人孔。
连续排污扩容器的型式分为立式和挂式两种:立式扩容器的支座在底部可安放在地面上,挂式扩容器的支座在腰间,可安放在平台上,此外,外部装有安全阀、压力表、水位调节阀、液面计等附件。
定排扩容器是将锅炉定期排污水或压力比定期排污扩容器更高的排除的废热水,经过减压、扩容分离出二次蒸汽和废热水。
二次蒸汽排入大气或作为热源利用,废热水一般经排污降温池排入下水系统。
660MW 机组节煤最多的排污扩容器压力选择李明,杨洋东北电力大学能源与机械工程学院,吉林 132012Optimization Calculation of Blowdown System for 660MW Generation UnitLI Ming ,YANG YangSchool of Energy Resources and Mechanical engineering,Northeast Dianli university,Jilin,132012ABSTRACT: Faced with the increasing scarcity of energy resources, especially coal resources. Energy saving is particularly important for thermal power plant. In this paper, the working principle of blowdown system was introduced firstly, and analysis of the economy. And then taking 660MW units for example, drawing a relationship curve between different pressure and the effect of coal saving, and determine the best pressure of Blowdown System which can make coal saving maximum.KEY WORD: sewage recycling; expansion pressure; coal saving摘要:面对能源的日益匮乏,尤其是煤炭资源,对于煤资源的消耗大户—火力发电厂来说,节能显得尤为重要。
连续排污扩容器运行维护手册一、连续排污扩容器概述连续排污扩容器,是与锅炉的连续排污口连接的,是用来将锅炉的连续排污减压扩容,排污水在连续排污膨胀器内绝热膨胀分离为二次蒸汽和废热水,并在膨胀器内经扩容、降压、热量交换,然后排放,二次蒸汽由专门的管道引出,废热水通过浮球液位阀或溢流调节阀自动排走,热能可以得到回收再利用。
连续排污量随锅炉给水负荷变化自动调节,保持相对稳定的排污率。
汽。
升,连续排污膨胀器的主要规格:设计压力:1.35MPa设计温度:350℃全容积:5m3管系采用了旁路结构,便于调节阀失灵时或大量排污时应急用。
四、安装要求1、设备安装必须遵守<压力容器安全监察规程>的有关条款。
2、安装前使用单位应会同安装施工单位对随机文件及设备进行清点检查和验收,对于因运输而产生的危急正常使用和安全的变形和损坏,必须进行修复后方准安装使用。
3、产品合格证、质量证明书、安装使用说明书及总图等技术资料不齐全时,不准安装使用。
4、将设备在支座基础上安装就位,且找正位置。
5、将人孔、检查孔打开,及将容器法兰拆开(以容器法兰相连的设备),清理并检查筒678910使用。
1231、本设备的检修应遵守《压力容器安全监察规程》的有关条款;2、修理调节阀时应关闭前后阀门,使其脱离系统;3、修理应在无压力情况下进行。
设备操作描述:连续排污扩容器在运行前按照图纸安装完毕检查无误。
设备运行时,先开启连排扩容器蒸汽出口,然后缓慢打开排污水进口阀,此时设备缓慢进入运形状态,直到连排进口的流量达到锅炉正常排污流量,此时排污器内的水位渐渐增高,在达到正常水位时,电动调节排污阀在平衡容器的调节下逐渐打开。
在进口流量和连排水位稳定后,设备进入正常运行状态。
事故预警及安全装置连续排污扩容器安全保证附件有安全阀和由平衡容器及电动调节阀组成的水位连锁控制系123。
1024t/h锅炉连续排污扩容器水位异常分析锅炉连续排污扩容器是保证炉水水质的必要设备,其运行水位异常直接影响锅炉水质,造成锅炉各受热面腐蚀,给锅炉的安全运行带来威胁,而蒸汽品质下降也会使汽轮机通流部分结构,影响汽轮机的安全运行。
本文分析了1024t/h锅炉连续排污扩容器水位异常的原因及相应的调整措施。
标签:锅炉;连续排污扩容器;水位异常;原因措施1 前言锅炉的连续排污也叫表面排污,是连续不断地从汽包锅水表面层将浓度最大的锅水排出,以减少炉水中含盐、碱量,含硅酸量及处于悬浮状态的渣滓物含量,防止锅水浓度过高而影响蒸汽品质。
2 锅炉连排正常运行控制锅炉连续排污口位于汽包内部0水位线下约50mm处,含盐浓度较高的汽包表面炉水经通过A或B调节阀(一用一备)进入连续排污扩容器(以下简称连排),扩容后的蒸汽送入除氧器,浓缩后的炉水经连排水位调节阀后送入定排扩容器,经定排扩容器再一次扩容降压后蒸汽排放至大气,污水排至地沟。
连排的水位由疏水阀控制,正常时水位控制在200-400mm,水位控制信号来自于平衡容器差压变送器,除此之外连排就地装有磁翻板液位计可以查看水位。
3 #1锅炉连排水位异常情况#1机组从2014年8月28日启动后,连排CRT上显示的水位一直处于满量程,连排疏水阀开度长期处于100%。
经巡检至就地检查#1炉连排已正确投运,各阀门位置正确,连排压力稍高于除氧器压力。
但就地磁翻板液位计水位显示为0,确认就地磁翻板液位计汽、水侧隔离阀已经打开,打开磁翻板水位计排污阀只有少许水排出,后面全是蒸汽。
此时#1炉连排进口A调节阀开度为2.5%,B为0%,巡检试开#1炉连排疏水阀旁路阀,1小时后水位无变化,初步判断#1炉连排内无水,连排水位计变送器故障,于是入缺通知仪控处理。
8月29日白班,经仪控人员更换水位变送器后,发现CRT仍然显示满量程。
由机务检修人员检查磁翻板水位计,用外置磁铁确认内部的磁翻板动作正常。
连续排污扩容器投入、停止12.1 连续排污扩容器型号: LP3.5-00 型12.2 连续排污扩容器型式:立式12.3 设备用途:接收锅炉汽包连续排污水,进行减压消能,并将扩容后的排污水排向定期排污扩容器,扩容后的蒸汽送往除氧器。
12.4 连续排污扩容器设备参数:有效容积: 3.5m3工作压力: 1.6MPa(g)工作温度:365℃设计压力: 1.8 MPa(g)设计温度: 380℃水压试验压力: 2.55MPa(g)锅炉排污水压力:约19MPa(g)锅炉正常排污量: 2.36t/h工作介质:汽、水台数: 2台(全厂数量)本锅炉设有连续排污,连续排污管路自锅筒下部两端引出管路,然后合并成一路,装设有电动截止阀和电动调节阀各一台。
锅炉排污是用来控制炉水含盐浓度和除去沉淀物的,排污量及排污次数取决于锅炉的水质特性、水处理的效果和负荷等。
在通常情况下,连续排污就能满足要求,在沉淀物生成过多的情况下,固形物含量高,给水处理效果差,导致携带物多的情况下,锅炉就要进行定期排污。
定期排污次数一般为每班一次或24小时一次,具体情况根据水质确定。
12.5 连续排污:a)连续排污是排出汽包内炉水表面悬浮物,正常情况下连续排污率小于1%。
b)正常运行时排污经连续排污管道放至连续排污扩容器。
c)首次投入连续排污前,先投入连排扩容器系统。
d)根据化学要求,调节连续排污调节门开度的大小,控制排污量。
e)锅炉汽水品质恶化以及连排量不够或连排扩容器故障隔离时,可开启连排至定排扩容器手动一、二次门,以加大连排量,故障消除或汽水品质合格后应及时关闭此一、二次门。
12.6 遇下列情况应禁止排污:a)锅炉发生异常或故障。
b)排污系统故障时。
c)给水泵启停或切换。
d)燃烧工况不稳定时(包括增减负荷)。
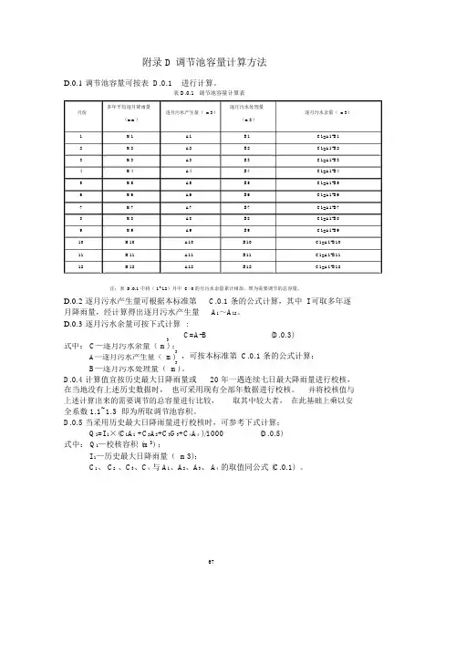
附录 D 调节池容量计算方法D.0.1 调节池容量可按表 D.0.1进行计算。
表 D.0.1调节池容量计算表多年平均逐月降雨量逐月污水处理量逐月污水余量( m3)月份逐月污水产生量( m3)(mm)(m3)1M1A1B1C1=A1-B1 2M2A2B2C1=A1-B2 3M3A3B3C1=A1-B3 4M4A4B4C1=A1-B4 5M5A5B5C1=A1-B5 6M6A6B6C1=A1-B6 7M7A7B7C1=A1-B7 8M8A8B8C1=A1-B8 9M9A9B9C1=A1-B9 10M10A10B10C1=A1-B10 11M11A11B11C1=A1-B11 12M12A12B12C1=A1-B12注:表 D.0.1 中将( 1~12)月中 C>0的月污水余量累计相加,即为需要调节的总容量。
D.0.2 逐月污水产生量可根据本标准第 C.0.1 条的公式计算,其中 I 可取多年逐月降雨量,经计算得出逐月污水产生量A1~A12。
D.0.3 逐月污水余量可按下式计算:3C=A-B(D.0.3)式中: C—逐月污水余量( m) ;3,可按本标准第 C.0.1 条的公式计算;A—逐月污水产生量( m)3。
B—逐月污水处理量( m)D.0.4 计算值宜按历史最大日降雨量或20 年一遇连续七日最大降雨量进行校核,在当地没有上述历史数据时,也可采用现有全部年数据进行校核。
并将校核值与上述计算出来的需要调节的总容量进行比较,取其中较大者,在此基础上乘以安全系数 1.1~1.3 即为所取调节池容积。
D.0.5 当采用历史最大日降雨量进行校核时,可参考下式计算:Q1=I 1×(C1A1 +C2A2+C3G3+C4A4 )/1000(D.0.5)式中: Q1—校核容积 (m3) ;I 1—历史最大日降雨量( m3);C1、 C2、C3、C4与 A1、A2、A3、 A4的取值同公式 (C.0.1) 。
附件1 技术规范1 总则1.1本投标文件适用于达尔凯长扬热能(重庆)二期扩建工程总承包项目工程(规模为1×25MW抽背式供热机组)的连续排污、定期排污和疏水扩容器,它提出了该设备的功能设计、结构、性能、安装和试验等方面的技术要求。
1.2本投标文件所提出的是最低限度的技术要求,并未对一切技术细节作出规定,也未充分引述有关标准和规范的条文。
投标方保证提供符合本规范和现行工业标准的优质产品。
1.3在签订合同之后,到投标方开始制造之日的这段时间内,招标方有权提出因规范标准和规程发生变化而产生的一些补充修改要求,投标方遵守这个要求,具体款项内容由供、需双方共同商定。
1.4投标方对给水泵组的成套系统设备负有全责,即包括分包(或采购)的产品。
由投标方负责分包/外购的设备需要具用50MW等级及以上机组的使用业绩并提供,且分包(或采购)的产品制造商事先征得招标方的认可。
1.5本工程采用KKS标识系统。
投标方提供的技术资料(包括图纸)和设备标识必须有KKS编码。
具体标识原则要求由招标方提出,并在设计联络会上讨论确定,投标方需服从招标方提出的KKS编码原则。
2. 设计和运行条件2.1 工程概况达尔凯长杨热能(重庆)有限公司规划容量为2×25MW,分两期建设。
一期工程建设规模为2×130t/h CFB + 1×25MW 抽凝机组,已于2007年建成投产,供热能力130t/h;本期建设1×260t/h CFB + 1×25MW 抽背机组,供热能力约200t/h。
2.2 电厂厂址厂址位于重庆市长寿石化开发区内。
2.3 地质条件电厂海拔高度:厂址自然标高295.00m (1956年黄海高程,下同),地形平坦。
厂区场平工作一期已经完成,本次扩建构筑物标高与老厂一致,建筑物室内标高均为295.00m根据国家地震局《中国地震动参数区划图》(GB18306-2001)厂址场地的抗震设防烈度为6度(按7度设防),地震分组为第一组,设计基本地震加速度值为0.05g。
洗沙污水罐容量计算公式洗沙污水罐是用于处理沙石洗涤过程中产生的污水的设备,它能够有效地分离沙和水,并将沙子洗净后进行回收利用,同时将污水进行处理,以达到环保的目的。
在设计和制造洗沙污水罐时,需要考虑到其容量的大小,以满足实际生产中的需求。
因此,我们需要一个可靠的公式来计算洗沙污水罐的容量。
洗沙污水罐容量的计算公式可以根据实际情况和需要进行调整,但通常可以采用以下基本公式来进行计算:V = L W H。
其中,V代表洗沙污水罐的容量,L代表洗沙污水罐的长度,W代表洗沙污水罐的宽度,H代表洗沙污水罐的高度。
在使用这个公式进行计算时,需要考虑到以下几个因素:1. 污水处理量,首先需要确定洗沙污水罐需要处理的污水量。
这个污水量通常可以根据生产线的产能和生产工艺来确定。
例如,如果生产线每小时产生100吨污水,那么在设计洗沙污水罐的容量时,就需要考虑到这个污水量。
2. 污水停留时间,洗沙污水罐通常需要一定的停留时间来进行污水的处理和沉淀。
在计算洗沙污水罐的容量时,需要考虑到污水的停留时间,以确保污水能够充分地进行处理和分离。
3. 污水处理工艺,不同的污水处理工艺对洗沙污水罐的容量也会有影响。
例如,如果采用物理方法和化学方法结合的工艺来处理污水,那么洗沙污水罐的容量就需要考虑到这些处理方法的特点和要求。
4. 设备安装和维护,在计算洗沙污水罐的容量时,还需要考虑到设备的安装和维护。
例如,如果洗沙污水罐需要安装搅拌设备或者其他附属设备,那么这些设备的安装空间也需要计算在内。
综上所述,洗沙污水罐容量的计算公式是一个基本的计算工具,但在实际应用中需要根据具体情况进行调整和修正。
通过合理地计算洗沙污水罐的容量,可以确保其能够满足生产需求,并且能够有效地处理污水,保护环境。
因此,在设计和制造洗沙污水罐时,需要充分考虑到这些因素,以确保洗沙污水罐的容量能够满足实际需求,同时也能够达到环保的目的。
1 项目简介甘肃大唐八零三热电有限责任公司#5炉定排扩容器用来对连排扩容器的疏水进行扩容减压,由于#4机没有设计低压除氧器,定排扩容器二次闪蒸出的大量蒸汽,常年对空排放,造成大量蒸汽及热量的损失。
针对以上问题,采用JR W型喷射式混合加热器一台,对定排扩容器乏汽进行回收。
2 立项背景我厂5#炉出力为260T/H,排污率为2%~3%,锅炉排污水先经过连排扩容器扩容后,产生的二次乏汽进入高压除氧器,疏水进入定排扩容器进行二次闪蒸扩容,从连排扩容器来的疏水压力为0.6MPa,温度为160℃左右。
另外,锅炉定排自身每24小时排一次,排污率也是2%~3%,还有部分其它疏水排入定排扩容器。
这些高温疏水经过定排扩容后产生的100℃左右低压乏汽全部直接对空排放,对环境造成一定的影响,同时造成能源及水资源的极大浪费。
锅炉排污率按2%计算,除去从连排扩容器扩容到除氧器去的二次乏汽,排到定排扩容器的排污水大约有4~5T/H。
定排每24h排一次,排污量平均大约为0.25T/H,加上其它疏水,到定排扩容器的高温疏水应该在5~6T/H左右。
查资料得160℃左右的排污水扩容成100℃左右,其闪蒸率为30%左右,按这样的比例计算,#5炉定排扩容器排出的二次乏汽量约为1.5~1.8T /H 。
3 方案设计及实施内容采用某公司开发生产的J R W 型喷射式混合加热器一台,用常温除盐水将5#炉定排扩容器现场产生的100℃左右乏汽抽吸进入混合加热器本体内,蒸汽和除盐水充分换热凝结后送入疏水箱或凝汽器。
经对现场管路走向及对设备经济性的影响计算,确定将加热后的热水送入输水箱改造后的原则系统简图:如图1所示。
4 关键技术与创新点喷射式汽液混合加热器有壳体、喷嘴(单或多孔)、混合管等零部件组成。
当冷液体通过喷嘴时,由于其流速非常大,在其喉管处形成一定的低压,从而将蒸汽抽吸入,与冷液体一起经混合管进一步混合,以达到回收低压蒸汽,加热冷液体的目的。
连续排污膨胀器(连排扩容器)作用及原理、设计计算与运行操作方法一)、连排扩容器简介:连续排污扩容器也称连续排污膨胀器,它与锅炉汽包的连续排污口相连接,是用来将锅炉的连续排污饱和热水减压扩容的——锅炉排污水连续均匀地连入排污扩容器,在外壳中部的圆筒隔板中作切向运动,并在膨胀器内经扩容、降压、热量交换、绝热膨胀后分离为二次蒸汽和废热水。
二次蒸汽经过上部百页窗式的汽水分离器进行汽水分离后,再经连排顶部的出口由专门的汽平衡管道引出至除氧器,而留下的排污水则通过浮球液位阀自动排至定排扩容器。
如此可回收部分锅炉连续排污损失的热量,提高锅炉效率,实现热能得到回收再利用。
连续排污量随锅炉给水负荷的变化自动调节,保持相对稳定的排污率。
我公司的连排扩容器分一期和二期两套,分别回收1#、2#、3#炉和4#炉的连续排污水的部分热量。
具体见下图:工艺图中序号表示:1、4#炉连排扩容器放水一次阀;2、4#炉连排扩容器放水浮球阀;3、4#炉连排扩容器放水二次阀;4、4#炉连排扩容器事故放水阀;5、4#炉连排扩容器手动隔离阀;6、4#炉连排扩容器汽水平衡阀:1)、一期连排扩容器放水浮球阀;2)、一期连排扩容器出水阀;3)、一期连排扩容器出水旁路阀3;4)、一期连排扩容器出水旁路阀2;5)一期连排扩容器出水旁路阀1;6)、一期连排扩容器底部出水阀;7)、1#,2#,3#炉至连排扩容器进口二次阀;8)、1#,2#,3#炉至连排扩容器进口一次阀;9)、一期连排扩容器汽平衡阀。
二)、事情经过:炉水含硅量无强制标准,但为保证蒸汽品质中压锅炉一般均控制在2000ug/L以下。
但在XX月XX日—XX日的时间段内各炉炉水硅大幅上升达3000——5000ug/L,尽管加强排污,效果却不明显。
具体见下表:在此时间段内未见除盐水、疏水水质异常,却发现1#除氧器水样含硅量超标(150ug/L)并出现少量磷酸根(1—2mg/L)。
磷酸根只会出现在炉水中,也就是说一定有炉水进入到了除氧器。
一、“三废”排放量及污染物排放量的计算方法“三废”排放量及污染物排放量的计算方法很多,除去实测法外(实测及其计算方法在此不作介绍),归纳起来主要有二种:一种是物料衡算法;一种是经验计算方法。
1.物料衡算法根据物质不灭定律,在生产过程中投入的物料量等于产品重量和物料流失量的总和。
即:ΣG=ΣG1+ΣG2式中:ΣG��投入物料量总和:ΣG1��所得产品量总和;ΣG2��物料或产品流失重量之和。
2.经验计算法根据生产过程中单位产品的经验排放系数与产品产量,求得“三废”及污染物排放量的方法称为经验计算法。
采用经验计算法计算水和污染物的排放量时,通常又称之为“排污系数计算法”。
排污系数是指在正常技术经济和管理条件下生产某单位产品所产生的污染物数量的统计平均值或计算值。
排污系数目前使用的有二种:一种是受控排污系数,即在正常运行的污染治理设施的情况下生产某单位产品所排放的污染物的量;另一种是非控制排污系数,即在没有污染治理设施的情况下生产某单位产品排放的污染物的量。
一般情况下,非控制排放系数大于受控制排放系数,二者之差即为污染治理设施对污染物的单位产品去除量。
排污系数是在用实测、物料衡算和经验估算三种方法所获得的原始产污和排污系数的基础上,采用加权法计算出来的。
目前能查找到的工业产污和排污系数的主要参考手册有二本:一本是国家环保总局科技标准司组织编辑的“工业污染物产生和排放系数手册”。
该本手册给出了我国有色金属工业、轻工、电力、纺织、化工、铜铁和建材等七个工业部门根据统一的技术要求确定的不同产品,不同生产工艺,不同生产规模和不同技术水平下的产污和排污系数,包括原始系数、个体系数、一次系数、二次系数、二次系数、2000年控制系数建议值,以及国外同行业的对比数据等。
同时给出了我国主要燃煤设备(包括工艺锅炉、茶浴炉和大灶)燃煤产生烟尘、SO2、和 NO x等的产污和排污系数;另一本是从国家环保总局主持的科研项目“乡镇工业污染物排放系数研究”中筛选出来的“乡镇工业污染物排放系数手册”。
海勃湾海勃湾发电发电发电厂厂#5炉定排扩容器系统堵塞检修方案总工程师:副总工程师:生产部:运行部:安监部:检修部:检修专业:编制:闫俊峰日期:2011年7月12日一、定排扩容器工作原理定期排污扩容器也称定期排污膨胀器。
定期排污膨胀器是将锅炉定期排污水或压力比定期排污膨胀器更高的排出的废热水,经过减压、扩容分离出二次蒸汽和废热水。
二次蒸汽排入大气或作为热源利用,废热水一般经排污降温池排入下水系统。
锅炉定期排污就是将炉水从锅炉的最低部位易积存水渣沉积物处放出,以排除锅炉内的沉积物。
锅炉定期排污的温度压力都很高,不充许直接排入地沟,锅炉定期排污扩容器就是用来将锅炉的定期排污水降温降压,并将二次蒸发的蒸汽与污水分离,得到的蒸汽可以利用,排出分离的污水因很脏,不再利用可排入地沟。
二、设备技术参数设计参数单位型号备注工作压力MPa 1.18工作温度℃200设计压力MPa 1.37设计温度℃300介质饱和水蒸气壳体耐压试验压力MPa 2.25安全门开启压力MPa 1.24腐蚀余量mm 1.5全容积m316主要受压元件材质16MnR,16Mn内径mm2200筒体壁厚mm 12筒体总长mm 4604排汽口mm φ426×10锅炉疏水口mm φ219×6锅炉汽包事故放水口mm φ108×6锅炉定排排污水口mm φ108×6连续排污水进口mm φ76×5暖风器疏水口mm φ76×5排水口mmφ219×6三、示意图现场图片:四、堵塞原因分析#5炉定排扩容器排水管道堵塞,近段时期以来,锅炉正常定排时,发现定排扩容器的排汽口冒水,通过锅炉检修人员查看,并将扩容器进入定排井处隔开,进行定排放水试验,排汽口仍冒水。
所以初步判断是定排扩容器底部及管道堵塞,其主要原因:定期排污时排出的是汽包压力下饱和温度的炉水,虽然温度很高,含有较多的热量,但因每24h才定期排污一次,而且排污量波动较大,连排流量平均以每小时约1.2吨24小时进行排污进入定排扩容器,目前这部分热量不回收为了防止高温的炉水损坏排水系统和造成热污染,炉水在定期排污扩容器内扩容,温度降至约100℃,再经喷人冷却水与其混合温度降至30—50℃后排入定排井内。
火电站锅炉工作原理与基本构成知识问答题库51、汽包中装置多孔板及阻汽板的作用是什么?多孔板是利用其节流效果进行汽水分离的。
它又分为水下孔板与水上孔板两种,水下孔板装于汽包水容光焕发积内,现在较少3采用。
电站电厂锅炉多采用如图6—18所示的顶部多孔板,也称均汽孔板或受汽孔板。
顶部多孔板依其节流作用,使蒸汽空间的负荷沿汽包长度及宽度方向均匀分布,防止局部流速成过高,以保证良好的分离效果。
阻汽板装在饱和蒸汽引出管管口前面,又称盲板。
作用是阻止蒸汽由引出管管口前面沿轴线进入,而是让蒸汽绕过阻汽板后由侧面进入引出管,防止入口前功尽弃蒸汽流速局部过高而带水。
2、蒸汽清洗装置的作用是什么?简述其工作原理。
汽包内的汽水分离装置,只能减少饱和蒸汽带水量,而不能减少溶于蒸汽中的盐分。
装设蒸汽清洗装置的目的是要减少溶于蒸汽中的盐分。
蒸汽是由含盐量较高的锅水产生的,溶于蒸汽中的盐分与锅水中的盐分保持一定的比例关系。
而清洗水是给水,其含盐量远小于锅水。
当来自锅水的蒸汽与清洗水接触时,便会迅速发生物质扩散过程,溶于蒸汽中的盐分将转溶于清洗水中,使蒸汽中的溶盐与清洗水的溶盐保持一定的比例关系,即建立新的盐分平衡关系。
这样,蒸汽中的溶盐量就非常低了,同时还能使蒸汽携带水滴的盐分也扩散到清洗水中去,使蒸汽的总含盐量在为减少。
3、什么是电厂锅炉排污?电厂锅炉排污的目的是什么?电厂锅炉运行中,将带有较多盐分和水渣的锅水排放到电厂锅炉外,称为电厂锅炉排污。
电厂锅炉排污的目的,是排掉含盐浓度较高的锅水,以及锅水中的腐蚀物及沉淀物,使锅水含盐量维持在规定的范围之内,以减小锅水的膨胀及出现泡沫层,从而可减小蒸汽湿度及含盐量,保证良好的蒸汽品质。
同时,排污还可消除或减轻蒸发受热面管内结垢。
4、电厂锅炉排污分哪两类?各自的作用是什么?电厂锅炉排污分定期排污与连续不断地放掉一部分锅水,目的是放掉溶解于锅水中的盐分以及锅水表面的浮游物。
连续排污管的入口管装在汽包水面以下,沿汽包全长布置。