职业技能鉴定国家试题库中级电工(有答案)
- 格式:doc
- 大小:80.50 KB
- 文档页数:7
中级电工试题(附答案)一、单选题(共53题,每题1分,共53分)1.低压断路器的开断电流应()短路电流。
A、小于安装地点的最大B、大于安装地点的最大C、大于安装地点的最小D、小于安装地点的最小正确答案:B2.PLC的“.”空端子上(),否则容易损坏PLCA、必须接常闭触点B、必须接地C、必须接电源正极D、不允许接线正确答案:D3.最常用的BCD码是()。
A、奇偶校验码B、格雷码C、8421码D、余3码正确答案:C4.线圈中感应电动势的放行可以根据()定律,并应用线圈的右手螺旋定则来判定。
A、戴维南B、欧姆C、基儿霍夫D、楞次正确答案:D5.磁控管(干簧管)内部充入的是()。
A、氧化碳B、惰性气体C、空气D、真空正确答案:B6.控制正反转电路时,如果程序中已经进行联锁,则外部接线时()联锁。
B、有时需要C、需要D、可加可不加正确答案:C7.热继电器中主双金属片的弯曲主要是由于两种金属材料的()不同。
A、机械强度B、尺寸大小C、热膨胀系数D、导电能力正确答案:C8.X62A型万能铣床主轴上刀完毕,将转换开关SA2扳到()位置,主轴方可启动。
A、接通B、断开C、中间D、极限正确答案:A9.—台电动机需要制动平稳和制动能量小时,麻采用()方式A、反接制动B、电容制动C、机械制动D、能耗制动正确答案:D10.速度继电器的速度一般超过()r/min,触点将动作。
A、500B、120C、220D、100正确答案:B11.电压负反馈会使放大器的输出电阻()。
A、减小B、增大C、为零正确答案:A12.M7130型平面磨床如果无法消磁,排除SA1转换开关的故障后,应该首先检查()是否正常A、整流电路VDB、欠电流继电器KAC、限流电阻R2D、控制变压器T2正确答案:C13.共用一个公共端的同一组输出的负载驱动电源()。
A、类型可不相同,电压等级须不同B、类型须相同,电压等级可不相同C、类型和电压等级都必须相同D、类型和电压等级都可以不相同正确答案:C14.X62A型万能铣床控制电路中,将转换开关SA4扳到()位置,冷却泵电动机启动。
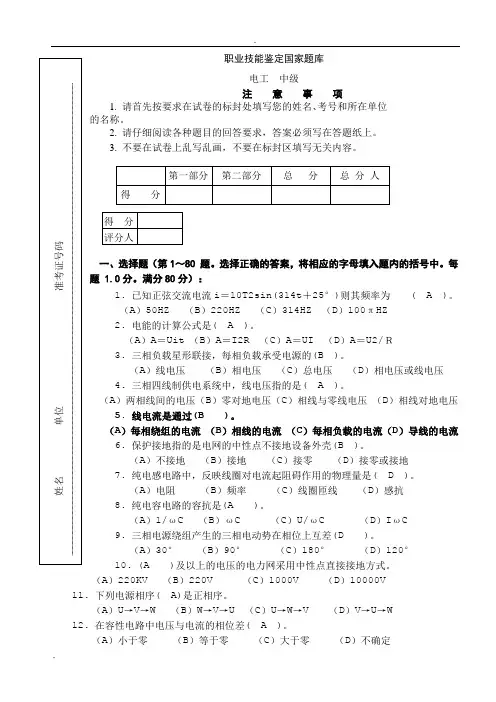
职业技能鉴定国家题库电工 中级注 意 事 项1. 请首先按要求在试卷的标封处填写您的姓名、考号和所在单位的名称。
2. 请仔细阅读各种题目的回答要求,答案必须写在答题纸上。
3. 不要在试卷上乱写乱画,不要在标封区填写无关内容。
一、选择题(第1~80 题。
选择正确的答案,将相应的字母填入题内的括号中。
每题 1.0分。
满分80分): 1. 已知正弦交流电流i =10T2sin(314t +25°)则其频率为 ( A )。
(A )50HZ (B )220HZ (C )314HZ (D )100πHZ 2. 电能的计算公式是( A )。
(A )A =Uit (B )A =I2R (C )A =UI (D )A =U2/R 3. 三相负载星形联接,每相负载承受电源的(B )。
(A )线电压 (B )相电压 (C )总电压 (D )相电压或线电压 4. 三相四线制供电系统中,线电压指的是( A )。
(A )两相线间的电压(B )零对地电压(C )相线与零线电压 (D )相线对地电压 5. 线电流是通过(B )。
(A )每相绕组的电流 (B )相线的电流 (C )每相负载的电流(D )导线的电流 6. 保护接地指的是电网的中性点不接地设备外壳(B )。
(A )不接地 (B )接地 (C )接零 (D )接零或接地 7. 纯电感电路中,反映线圈对电流起阻碍作用的物理量是( D )。
(A )电阻 (B )频率 (C )线圈匝线 (D )感抗 8. 纯电容电路的容抗是(A )。
(A )1/ωC (B )ωC (C )U/ωC (D )I ωC9. 三相电源绕组产生的三相电动势在相位上互差(D )。
(A )30° (B )90° (C )180° (D )120°10. (A )及以上的电压的电力网采用中性点直接接地方式。
(A )220KV (B )220V (C )1000V (D )10000V11. 下列电源相序( A)是正相序。
中级电工技能鉴定考核试题库(精选)(附答案)一、选择题(每题5分,共25题,满分125分)1. 交流接触器的额定电压应与()一致。
A. 控制电压B. 电源电压C. 负载电压D. 线电压答案:B2. 笼形异步电动机采用电阻降压起动时,其优点是()。
A. 起动电流较小B. 起动转矩较大C. 能充分利用电动机的绝缘强度D. 减少起动过程中的损耗答案:D3. 异步电动机在启动过程中,起动电流最大的阶段是()。
A. 转子与定子之间气隙最小B. 转子与定子之间气隙最大C. 转子与定子之间气隙不变D. 无法确定答案:A4. 电动机铭牌上标示的功率是指电动机的()。
A. 输入功率B. 输出功率C. 热功率D. 电动势答案:B5. 交流接触器的“吸引线圈”的作用是()。
A. 产生磁力B. 产生电动势C. 连接线路D. 固定部件答案:A6. 熔断器的作用是()。
A. 控制电路B. 保护电路C. 连接线路D. 调节电压答案:B7. 低压断路器也称为()。
A. 自动开关B. 手动开关C. 隔离开关D. 负荷开关答案:A8. 低压断路器在电路中的作用是()。
A. 控制电路B. 保护电路C. 连接线路D. 调节电压答案:B9. 低压断路器通常采用()作为灭弧介质。
A. 空气B. 真空C. 油D. 固体答案:A10. 低压断路器的热脱扣器主要作用是()。
A. 保护线路B. 保护设备C. 保护人身安全D. 保护电动机答案:A11. 低压断路器的电磁脱扣器主要作用是()。
A. 保护线路B. 保护设备C. 保护人身安全D. 保护电动机答案:B12. 低压断路器的操作机构通常分为()种。
A. 1B. 2C. 3D. 4答案:B13. 低压断路器处于断开位置时,其()。
A. 静触头与动触头相接触B. 静触头与静触头相接触C. 动触头与动触头相接触D. 无法确定答案:B14. 低压断路器处于闭合位置时,其()。
A. 静触头与动触头相接触B. 静触头与静触头相接触C. 动触头与动触头相接触D. 无法确定答案:A15. 低压断路器的分励脱扣器的作用是()。
中级电工职业技能鉴定国家题库统一试卷1一、选择题(第1~80题。
选择正确的答案,将相应的字母填入题内的括号中。
每题1.0分。
满分80分。
)1.在解析式u=Umsin(ωt+φ)中,φ表示( C )。
(A)频率(B)相位(C)初相角(D)相位差2.在以(ωt)为横轴的电流波形图中,取任一角度所对应的电流值叫该电流的( A )。
(A)瞬时值(B)有效值(C)平均值(D)最大值3.下列关于无功功率的叙述( A )说法正确。
(A)电路与电源能量交换的最大规模 (B)单位时间放出的热量 (C)单位时间所做的功 (D)电感消耗的能量4.1度电相当于( B )。
(A)1瓦·秒 (B)1千瓦·小时 (C)1千瓦·秒 (D)1瓦·小时5.为提高功率因数常在感性负载两端( C )。
(A)串联一个电感(B)并联一个电感(C)并联适当电容器(D)串联一个电容器6.三相四线制供电系统中火线与中线间的电压等于( B )。
(A)零电压(B)相电压(C)线电压(D)1/2线电压7.异步电动机空载时的效率为( A )。
(A)零(B)25~30% (C)铭牌效率的30% (D)空载电流与额定电流之比8.三相电源绕组产生的三相电动势在相位上互差( D)。
(A)30o(B)90o(C)180o(D)120o9.3~10kW电力网,一般采用中性点( B )方式。
(A)接地(B)不接地(C)为零(D)直接接地10.发电机并网运行时发电机电压的有效值应等于电网电压的( A )。
(A)有效值(B)最大值(C)瞬时值(D)平均值11.某一交流电路其端电压为1000伏,电路总电流是20安,则其视在功率为( C )。
(A)1000伏安(B)2000伏安(C)20000伏安(D)500伏安12.若变压器的额定容量是P S,功率因数是0.8,则其额定有功功率是( C )。
(A)P S(B)1.25P S(C)0.8P S(D)0.64P S13.单相交流电路无功功率计算公式是( B )。
电工中级工测试题(附参考答案)一、单选题(共44题,每题1分,共44分)1.关于一段电路的欧姆定律,以下说法正确的是 ( )A、某段电路两端的电压 U 等于该段电路的电阻 R与通过该段电路的电流的乘积电压 U 的单位为伏特,电阻 R 的单位为欧姆,电流 I 的单位为安培B、通过一段电路的电流 I,等于该段电路两端的电压 U,除以该段电路的电阻 R 电流 I 与电压 U、电阻 R 所取单位无关C、由 R=U/I 得知,电阻的大小与加在它两端的电压的大小有关D、I=U/R 关系式中, I、 U、R 三个都是变量正确答案:A2.在日常工作中,对待不同对象,态度应真诚热情A、女士优先B、尊卑有别C、外宾优先D、一视同仁正确答案:D3.电流互感器二次侧接地是为了( )A、节省导线B、测量用C、工作接地D、保护接地正确答案:D4.通过熔体的电流越大,熔体的熔断时间越A、长B、不确定C、不变D、短正确答案:D5.电容器电容量的单位是 ( )A、亨利 (H)B、瓦特 (W)C、法拉 (F)D、安培 (A)正确答案:C6.万用表测量电阻时,其指针越接近()位置读数越准确。
A、1/2B、1/3C、3/4D、2/3正确答案:A7.我国交流电的频率是 ( )HzA、50B、60C、0D、100正确答案:A8.销连接的正确应用是()A、不能用安全销传递横向力B、定位销通常同时用于传递扭矩C、定位销使用的数目不得少于两个D、.不可在安全销上切出槽口正确答案:C9.软磁材料的特性A、难退磁B、难磁化C、导磁率低D、矫顽力低正确答案:D10.任何一个电路都可能具有 ( )三种状态A、低频、高频和短波B、高压、低压和无线C、通路、断路和短路D、正常工作、不正常工作正确答案:C11.移动变电站送电时,正确的操作顺序应是:()A、高、低压同时合闸B、无所谓C、先高压、后低压D、先低压、后高压正确答案:C12.熔断器的文字符号时是A、QFB、KMC、QSD、FU正确答案:D13.电感线圈和电容并联电路中,产生并联谐振,其下面说法不正确的是()A、电路的总阻抗最大B、电路的总电流最大C、对每一支路而言,其电流比总电流大得多D、电压与电流同相位正确答案:B14.电阻并联电路的特点不正确的是()A、各分路两端电压相等B、总电流等于各分路电流之和C、并联电路中的电流处处相同D、总电阻的倒数等于各电阻倒数之和正确答案:C15.串联稳压电路的调整管工作在A、饱和区B、放大区C、截止区D、不能确定正确答案:B16.万用表使用完毕后,应将其转换开关转到交流电压的( )档或空挡A、任意B、最低C、中间位置D、最高正确答案:D17.如果热继电器出线端的连接导线过细,会导致热继电器A、提前动作B、过热烧毁C、没有反应D、滞后动作正确答案:A18.交流电动机铭牌上的额定电压是指其 ( )A、最大值B、平均值C、有效值D、瞬时值正确答案:C19.磁通的单位是( )A、特B、韦伯C、安米D、安/米正确答案:B20.交流电流的平均值是最大值的()倍A、0.9B、0.707C、0.5D、0.637正确答案:D21.检修磁力起动器真空接触器的反力弹簧时,调整原则是:在满足()%的额定吸持电压下,接触器能可靠吸合时,应尽量调大反力弹簧的反力,使触头有较大的分闸速度,保证其足够的分断能力A、70B、65C、75D、60正确答案:C22.应用戴维南定理求含源二端网络的输入等效电阻的方法是将网络内各电动势( )。
职业技能鉴定国家题库电工中级理论知识试卷(A)一、单项选择(第1题~第80题。
选择一个正确的答案,将相应的字母填入题内的括号中。
每题1分,满分80分。
)1. 已知正弦交流电流i=100πsin(100πt+φ)则电流的有效值为()。
A、70.7 B、100 C、70.7π D、100π2. 若两个正弦交流电压反相,则这两个交流电压的相位差是()。
A、π B、2πC、90 D、-903。
额定容量为100KVA的变压器,其额定视在功率应().A、等于100KVAB、大于100KVAC、小于100KVA D、不确定4。
一台30KW的电动机其输入的有功功率应该()。
A、等于30KWB、大于30KWC、小于30KWD、不确定5.纯电容电路的功率是()。
A、视在功率B、无功功率C、有功功率D、不确定6. 电能的计算公式是().A、A=Uit B、A=I2R C、A=UI D、A=U2/R7. 由电引起的火灾是电流的()效应引起的。
A、物理 B、化学 C、热D、涡流8。
提高功率因数可提高()。
A、负载功率B、负载电流 C、电源电压D、电源的输电效益9. 相电压是()间的电压.A、火线与火线B、火线与中线C、中线与地D、相线与相线10. 三相四线制供电系统中,线电压指的是().A、两相线间的电压B、零对地电压C、相线与零线电压D、相线对地电压11。
三相对称负载三角形联接时,线电流与相应相电流的相位关系是()。
A、相位差为零B、线电流超前相电流30°C、相电流超前相应线电流30°D、同相位12。
三相四线制供电系统中,中线电流等于().A、零B、各相电流的代数和C、三倍相电流D、各相电流的相量和13。
异步电动机空载时的效率为()。
A、零B、25%~30% C、铭牌效率的30% D、空载电流与额定电流之比14。
保护接地指的是电网的中性点不接地设备外壳()。
A、不接地B、接地 C、接零D、接零或接地15。
中级电工试题库及答案一、单选题(共53题,每题1分,共53分)1.电流是由电子的定向移动形成的,习惯上把()定向移动的方向作为电流的方向。
A、负电荷B、正电荷C、自定义D、无规定正确答案:B2.模拟信号的特点()。
A、离散性B、连续性C、周期性D、以上都不是正确答案:B3.X62型万能铣床的全部电动机都不能启动,可能是由于()造成的。
A、停止按钮常闭触点短路B、SQ7常开触点接触不良C、换刀制动开关SA2不在正确位置D、电磁离合器YC1直流电压正确答案:C4.对于NPN型接近开关与PLC相连时,应当()。
A、电源正极接输入端口的公共端B、电源负极接输入端口的公共端C、电源正极接输入端口的输入端D、电源负极接输入端口的输入端正确答案:A5.热继电器存电动机控制电路中不能作()。
A、过载保护和缺相保护B、短路保护C、缺相保护D、过载保护正确答案:B6.X62型万能铣床线路采用走线槽敷设法敷线时,应采用()。
A、塑料绝缘软铜线B、塑料绝缘单芯硬铜线C、裸导线D、护套线正确答案:A7.X62型万能铣床主轴停车时没有制动,若主轴电磁离合器YC1端直流电压低,则可能因()线圈内部有局部短路。
A、YC1B、YC2C、YC3D、YC4正确答案:A8.电压负反馈会使放大器的输出电阻()。
A、减小B、为零C、不变D、增大正确答案:A9.晶闸导通后,管压降约有()。
A、0.3VB、0.7VC、2VD、1V正确答案:D10.编码器码盘上的沿圆周的缝隙数越多,表示()。
A、速度越慢B、速度越快C、精度越高D、精度越小正确答案:C11.控制变压器的额定容量是指()。
A、变压器一次侧的最大输入有功功率B、变压器二次侧的最大输出视在功率C、变压器一次侧的最大输入视在功率D、变压器二次侧的最大输出有功功率正确答案:B12.X62型万能铣床调试前,应首先检查主回路是否短路,断开变压器一次回路,用万用表()挡测量电源线与保护线之间是否短路。
电工中级题库及答案一、单选题(共50题,每题1分,共50分)1、对于有互供设备的变配电所,应装设符合互供条件要求的电测仪表。
例如,当功率有送、受关系时,就需要安装两组电能表和有双向标度尺的( )。
A、电压表B、功率因数表C、功率表D、电流表正确答案:C2、单结晶体管触发电路输出触发脉冲中的幅值取决于()。
A、发射极电压UeB、电容CC、电阻RbD、分压比η正确答案:D3、Z3040摇臂钻床主电路中的四台电动机,有()台电动机需要正反转控制。
A、2B、1C、4D、3正确答案:A4、测量额定电压500V以上的直流电动机的绝缘电阻时,应使用( )绝缘电阻表。
A、3000VB、1000VC、2500VD、500V正确答案:B5、电气测绘时,一般先测绘( ),后测绘输出端。
A、主线路B、各支路C、输入端D、某一回路正确答案:C6、中间继电器的选用依据是控制电路的()、电流类型、所需触点的数量和容量等。
A、电压等级B、短路电流C、绝缘等级D、阻抗大小正确答案:A7、CA6140型车床控制线路的电源是通过变压器TC引入到熔断器FU2,经过串联在一起的热继电器FR1和( )的辅助触点接到端子板6号线。
A、FR1B、FR2C、FR3D、FR4正确答案:B8、在MGB1420万能磨床晶闸管直流调速系统控制回路的辅助环节中,( )、R26组成电流正反馈环节。
A、V38B、V39C、V19D、RP2正确答案:C9、采用比例调节器调速,避免了信号()输入的缺点。
A、并联B、电压并联电流串联C、串联D、混联正确答案:C10、采用单结晶体管延时电路的晶体管时间继电器,其延时电路由()等部分组成。
A、延时环节、监幅器、输出电路、电源和指示灯B、主电路、辅助电源、双稳太触发器及其附属电路C、振荡电路、记数电路、输出电路、电源D、电磁系统、触头系统正确答案:A11、 ( )以电气原理图, 安装接线图和平面布置图最为重要.A、电工B、技术人员C、操作者D、维修电工正确答案:D12、下列事项中属于办事公道的是()。
电工(中级)考试题库附答案1、【单选题】1度电相当于( )。
( B )A、1瓦·秒B、1千瓦·小时C、1千瓦·秒D、1瓦·小时2、【单选题】45号绝缘油的凝固点为( )。
( D )A、-25℃B、-35℃C、-40℃D、-45℃3、【单选题】LFC-10型高压互感器额定电压比为10000/100。
在次级绕组用1000V或2500V兆欧表摇测绝缘电阻,其阻值应不低于( )兆欧。
( A )A、1B、2C、3D、0。
54、【单选题】M7130平面磨床中,砂轮电动机和液压泵电动机都采用了( )正转控制电路。
( A )A、接触器自锁B、按钮互锁C、接触器互锁D、时间继电器5、【单选题】TTL“与非”门电路的输入输出逻辑关系是()。
( C )A、与B、非C、与非D、或非6、【单选题】Z37摇臂转床的摇臂回转是靠()实现( B )A、机械转动B、人工拉转C、电机拖动D、自动控制7、【单选题】Z37摇臂钻床的摇臂升降开始前,一定先使( )松开.( A )A、立柱B、联锁装置C、主轴箱D、液压装置8、【单选题】三极管是由三层半导体材料组成的。
有三个区域,中间的一层为( )。
( A )A、基区B、栅区C、集电区D、发射区9、【单选题】三相异步电动机在运行时出现一相电源断电,对电动机带来的影响是( )。
( B )A、电动机立即停转B、电动机转速降低、温度增设C、电动机出现振动和异声D、电动机外壳带电10、【单选题】三相异步电动机在额定工作状态下运行时,对中小型异步电机而言s约为( )。
( D )A、1B、0C、0.004~0.007D、0.04~0.0711、【单选题】三相异步电动机的启停控制线路由电源开关、()、交流接触器、热继电器、按钮组成。
( C )A、时间继电器B、速度继电器C、熔断器D、电磁阀12、【单选题】下列不属于变压器轻瓦斯保护动作的原因是( )。
( D )A、空气进入变压器B、油面缓慢降落C、发生短路故障D、变压器内部故障产生大量气体13、【单选题】下列关于示波器的使用,()是不正确。
电工中级工技能鉴定考试题(含参考答案)一、单选题(共30题,每题1分,共30分)1、按电路中流过的电流种类,可把电路分为 ( )A、电池电路和发电机电路B、直流电路和交流电路C、视频电路和音频电路D、低频电路和微波电路正确答案:B2、下列对平行板电容器电容量大小影响最小的因数是 ( )A、极板的材料B、介质材料C、平行板的面积D、极板间距离正确答案:A3、基尔霍夫第二定律是研究电路 ( )之间关系的A、回路电压与电动势B、电压、电流、电阻C、电压与电流D、电压与电阻正确答案:A4、下列对涡流的叙述,正确的是 ( )A、涡流是直流电B、涡流是线性电流C、涡流属于感应电D、涡流是脉冲电流正确答案:C5、热继电器主要用于电动机的A、过载保护B、短路保护C、欠压保护D、失压保护正确答案:A6、电流互感器二次侧接地是为了( )A、保护接地B、节省导线C、测量用D、工作接地正确答案:A7、检修磁力起动器真空接触器的反力弹簧时,调整原则是:在满足()%的额定吸持电压下,接触器能可靠吸合时,应尽量调大反力弹簧的反力,使触头有较大的分闸速度,保证其足够的分断能力A、60B、75C、65D、70正确答案:B8、按钮的触头允许通过的电流较小一般不超过()AA、5B、10C、15D、20正确答案:A9、热继电器中主双金属片的弯曲主要是由于两种金属材料的()不同A、热膨胀系数B、电阻大小C、机械强度D、导电能力正确答案:A10、如果热继电器出线端的连接导线过细,会导致热继电器A、没有反应B、提前动作C、过热烧毁D、滞后动作正确答案:B11、()是为了保证电力系统正常运行所需要的接地。
A、防雷接地B、工作接地C、保护接地D、仪控接地正确答案:B12、如果要求任一组母线发生短路故障均不会影响各支路供电,则应选用A、双母线分段带旁路接线B、双母线接线C、多角形接线D、二分之三接线正确答案:D13、中间继电器JZ7-62其中2代表A、常开触头数量B、级数C、设计型号D、常闭触头数量正确答案:D14、电气设备的外壳与接地母线或局部接地极的连接,电缆连接装置两头的铠装、铅皮的连接,应采用截面不小于25mm2的()A、镀锌铁线B、铝线C、铜线D、扁钢正确答案:C15、导体在磁场中运动的条件是( )A、必须有电流B、闭合的C、不闭合的D、必须有电压正确答案:A16、人员工作与带电设备的部分,10KV电压的安全距离是()米。
电工中级工技能鉴定试题库(附参考答案)一、单选题(共30题,每题1分,共30分)1、具有过载保护的接触器自锁控制线路中,实现欠压和失压保护的电器是A、电源开关B、断器熔C、接触器D、热继电器正确答案:C2、电感线圈和电容并联电路中,产生并联谐振,其下面说法不正确的是()A、电路的总阻抗最大B、电路的总电流最大C、对每一支路而言,其电流比总电流大得多D、电压与电流同相位正确答案:B3、三相异步电动机过载保护用的电器是A、热继电器B、接触器C、熔断器D、中间继电器正确答案:A4、测量绝缘电阻前检查兆欧表能否正常工作,将兆欧表水平放置,空摇兆欧表手柄,使L和E两接线柱瞬间短路轻摇,指针应迅速指向( )A、中间位置B、“∞”C、水平位置D、“0”正确答案:D5、正弦交流电的三要素是 ( )A、瞬时值、周期、有效值B、电压、电流、频率C、周期、频率、角频率D、最大值、周期、初相位正确答案:D6、阻值为6欧的电阻与容抗为8欧的电容串联后接在交流电路中,功率因数为()。
A、0.6B、0.5C、0.3D、0.8正确答案:A7、对一次设备起控制、保护、测量、监察等作用的设备称为()A、二次设备B、监控设备C、主设备D、辅助设备正确答案:A8、行星减速机的主要传动结构中,不包括()A、行星轮B、齿轮轴C、内齿环D、太阳轮正确答案:B9、热继电器的文字符号时A、QFB、KMC、KHD、GB正确答案:C10、变压器负载运行时,原边电源电压的相位超前于铁心中主磁通的相位,且略大于( )。
A、(A) 180°B、(B) 90°C、(C) 60°D、(D) 30°正确答案:B11、在利益关系中正确地处理好国家、企业、职工个人、他人(消费者)的利益关系称为( )A、服务群众B、办事公道C、诚实守信D、奉献社会正确答案:C12、相量图是用旋转相量法把几个 ( )的交流电画在同一坐标中A、不同频率B、同频率C、不同效率D、同效率正确答案:B13、定位销的数目一般为()个。
职业技能鉴定国家题库统一试卷中级电工知识试卷(中级1)一、选择题(第1~80题。
选择正确的答案,将相应的字母填入题内的括号中。
每题1.0分。
满分80分。
)1.在解析式u=Umsin(ωt+φ)中,φ表示()。
(A)频率(B)相位(C)初相角(D)相位差2.在以(ωt)为横轴的电流波形图中,取任一角度所对应的电流值叫该电流的()。
(A)瞬时值(B)有效值(C)平均值(D)最大值3.下列关于无功功率的叙述()说法正确。
(A)电路与电源能量交换的最大规模 (B)单位时间放出的热量 (C)单位时间所做的功 (D)电感消耗的能量4.1度电相当于()。
(A)1瓦·秒 (B)1千瓦·小时 (C)1千瓦·秒 (D)1瓦·小时5.为提高功率因数常在感性负载两端()。
(A)串联一个电感(B)并联一个电感(C)并联适当电容器(D)串联一个电容器6.三相四线制供电系统中火线与中线间的电压等于()。
(A)零电压(B)相电压(C)线电压(D)1/2线电压7.异步电动机空载时的效率为()。
(A)零(B)25~30% (C)铭牌效率的30% (D)空载电流与额定电流之比8.三相电源绕组产生的三相电动势在相位上互差()。
(A)30o(B)90o(C)180o(D)120o9.3~10kW电力网,一般采用中性点()方式。
(A)接地(B)不接地(C)为零(D)直接接地10.发电机并网运行时发电机电压的有效值应等于电网电压的()。
(A)有效值(B)最大值(C)瞬时值(D)平均值11.某一交流电路其端电压为1000伏,电路总电流是20安,则其视在功率为()。
(A)1000伏安(B)2000伏安(C)20000伏安(D)500伏安12.若变压器的额定容量是P S,功率因数是0.8,则其额定有功功率是()。
(A)P S(B)1.25P S(C)0.8P S(D)0.64P S13.单相交流电路无功功率计算公式是()。
电工(中级)技能鉴定题库及答案一、选择1.色标法电阻器的色环道通常有四道,其中三道相距较近的是作为()A.误差标注B.阻值标注C.单位标注D.特性标注2. R1、R2为两个串联电阻,已知R1=4R2,若R1消耗的功率为16W,则R2上消耗的功率为()A.4W B.8W C.16W D.32W3.如图所示,电源E1=6V,E2=12V,电阻R1=R2=R3=R4=R5,那么电阻R3两端的电压为()A. 6VB. 4.5VC. 4VD. 2V4.一只额定值为“220V 40W”的灯泡接于u=220sin(314t+300)V 电源上工作,消耗的功率()A. 大于60W B. 小于40W C. 等于40W D. 无法确定5.一微安表头,内阻为1000Ω,满偏电流为100微安,要改为1毫安的电流表,则并联R的阻值为()A. 100/9ΩB. 90ΩC. 99ΩD. 1000/9Ω6. 如图所示,已知R1=R2=R3=R4=R5=10KΩ,AB之间的等效电阻为()A.8KΩB.10KΩC.6.25KΩD.8.25KΩ7.两个同频率的正弦交流电u1、u2的有效值各为12V和16V,当u1+u2的有效值为20V,u1与u2的相位差是()A、0度B、180度C、90度D、45度8.在RLC串联电路中,电路呈电感性的是()A. R=4Ω,X L=1Ω,X C=2 ΩB. R=4Ω,X L=0Ω,X C=2 ΩC. R=4Ω,X L=3Ω,X C=2 ΩD. R=4Ω,X L=3Ω,X C=3Ω9.如图1—3所示中三相负载按星形联结,每相接一个220V 、60W 灯泡。
若图中S1断开,S2、S3闭合,则出现的情况是( )A. 灯1比灯2、灯3都亮B. 灯1不亮,灯2比灯3亮C. 灯1不亮,灯2、灯3亮度一样D. 灯3比灯1、灯2都亮10. 三相对称负载,当电源线电压为380V 时作星形联结,每相负载的阻抗为100Ω,则电路中的相电压和线电流分别为( )A .380V ,3.8A B. 220V ,3.8A C. 380V ,2.2A D. 220V ,2.2A11.若电源电压不变,在感性负载的两端并联一只适当的电容后,下列说法正确的是( )原感性负载支路电流增加 B. 总电流增加C. 原感性负载支路电压不变D. 总电流不变12. 触电的危害性与通过人体的电流大小、时间长短还与频率有关,下列( )的交流电对人体的危害较大。
职业技能鉴定国家题库统一试卷(中级电工)注 意 事 项1. 请首先按要求在试卷的标封处填写您的姓名、考号和所在单位的名称。
2. 请仔细阅读各种题目的回答要求,在规定的位置填写您的答案。
3. 不要在试卷上乱写乱画,不要在标封区填写无关内容。
一、选择题(第1~60 题。
选择正确的答案,将相应的字母填入题内的括号中。
每题1.0分。
满分60分):1. 应用戴维南定理分析含源二端网络的目的是( )。
(A) 求电压 (B) 求电流 (C) 求电动势 (D) 用等效电源代替二端网络2. 如图所示二端网络,等效为一个电源时的电动势为( )。
(A) 8V (B) 4V(C) 2V (D) 6V3. 如图所示正弦交流电的频率为( )Hz 。
(A) 25 (B) 40 (C) 100(D) 504. 在RLC 串联电路中,视在功率P s ,有功功率P ,无功功率P qc 、P ql 四者的关系是( )。
(A) P s =P+P ql +p qc (B) P s =P+P ql -P qc(C) P S 2=P 2+(P ql -P qc ) 2 (D) p s =P 2+(P ql +P qc ) 25. 阻值为6Ω的电阻与容抗为8Ω的电容串联后接在交流电路中,功率因数为( )。
(A) 0.6 (B) 0.8 (C) 0.5 (D) 0.36. 在星形联接的三相对称电路中,相电流与线电流的相位关系是( )。
(A) 相电流超前线电流30° (B) 相电流滞后线电流30°(C) 相电流与线电流同相 (D) 相电流滞后线电流60°7. 在三相四线制中性点接地供电系统中,线电压指的是( )的电压。
(A) 相线之间 (B) 零线对地间 (C) 相线对零线间 (D) 相线对地间8. 欲精确测量中等电阻的阻值,应选用( )。
(A) 万用表 (B) 单臂电桥 (C) 双臂电桥 (D) 兆欧表9. 直流双臂电桥可以精确测量( )的电阻。
电工中级操作考试题库及答案一、单项选择题(每题3分,共30分)1. 电流的单位是()。
A. 伏特B. 安培C. 瓦特D. 欧姆答案:B2. 并联电路中,各支路电流之和等于()。
A. 总电流B. 总电压C. 总电阻D. 总功率答案:A3. 电阻的单位是()。
A. 欧姆B. 安培C. 伏特D. 瓦特答案:A4. 电路中,电压、电流和电阻之间的关系是()。
A. V=IRB. I=V/RC. P=V^2/RD. P=I^2R答案:B5. 交流电的频率单位是()。
A. 赫兹B. 瓦特C. 伏特D. 安培答案:A6. 电流表的内阻应该()。
A. 很小B. 很大C. 等于被测电阻D. 等于被测电压答案:A7. 电流通过导体产生的热量与电流的平方成正比,这个关系称为()。
A. 欧姆定律B. 焦耳定律C. 基尔霍夫定律D. 法拉第定律答案:B8. 直流电的电流方向是()。
A. 不断变化B. 保持不变C. 周期性变化D. 随机变化答案:B9. 电容器的单位是()。
A. 法拉B. 欧姆C. 安培D. 伏特答案:A10. 电感器的单位是()。
A. 亨利B. 欧姆C. 安培D. 伏特答案:A二、多项选择题(每题4分,共20分)1. 以下哪些是电路的基本组成元件?()A. 电阻B. 电容器C. 电感器D. 导线答案:ABCD2. 以下哪些是电流的基本特性?()A. 有方向性B. 有大小C. 有单位D. 可以测量答案:ABCD3. 以下哪些是电压的基本特性?()A. 有方向性B. 有大小C. 有单位D. 可以测量答案:ABCD4. 以下哪些是欧姆定律的表达式?()A. V=IRB. I=V/RC. P=V^2/RD. P=I^2R答案:AB5. 以下哪些是交流电的特点?()A. 电流方向不变B. 电流方向周期性变化C. 电压大小不变D. 电压大小周期性变化答案:BD三、判断题(每题2分,共20分)1. 电流的单位是伏特。
()答案:错误2. 并联电路中,各支路电流之和等于总电流。
中级电工证考试题及答案一、选择题(每题2分,共20分)1. 交流电的三要素是()。
A. 频率、电压、电流B. 频率、相位、电流C. 频率、电压、相位D. 电压、电流、相位答案:C2. 电流的单位是()。
A. 瓦特B. 伏特C. 安培D. 欧姆答案:C3. 电路中电阻的单位是()。
A. 欧姆B. 安培C. 伏特D. 瓦特答案:A4. 并联电路中,总电阻与各分电阻之间的关系是()。
A. 等于最大电阻B. 等于最小电阻C. 小于任一分电阻D. 大于任一分电阻答案:C5. 电容器的容抗与频率的关系是()。
A. 正比B. 反比C. 无关D. 先增大后减小答案:B6. 以下哪种设备用于测量电流()。
A. 电压表B. 电流表C. 功率表D. 电阻表答案:B7. 变压器的工作原理是()。
A. 电磁感应B. 电磁转换C. 电磁辐射D. 电磁共振答案:A8. 直流电与交流电的主要区别在于()。
A. 电流方向B. 电流大小C. 电流速度D. 电流频率答案:A9. 电路中电流的流动方向是()。
A. 从正极到负极B. 从负极到正极C. 从高电势到低电势D. 从低电势到高电势答案:A10. 以下哪种材料是半导体材料()。
A. 铜B. 铁C. 硅D. 铝答案:C二、判断题(每题1分,共10分)1. 电流通过电阻时会产生热量。
()答案:正确2. 电容器可以储存电能。
()答案:正确3. 电感器可以阻止交流电流的流动。
()答案:错误4. 欧姆定律适用于直流电路和交流电路。
()答案:错误5. 电流的单位是伏特。
()答案:错误6. 并联电路中,总电流等于各支路电流之和。
()答案:正确7. 变压器的匝数比等于电压比。
()答案:正确8. 半导体的导电性能介于导体和绝缘体之间。
()答案:正确9. 电流表应串联在电路中。
()答案:正确10. 电容器的容抗与频率成正比。
()答案:错误三、简答题(每题5分,共30分)1. 请简述欧姆定律的内容。
答案:欧姆定律指出,在电阻一定的情况下,通过电阻的电流与两端的电压成正比;在电压一定的情况下,通过电阻的电流与电阻成反比。
职业技能鉴定国家题库电工 中级注 意 事 项1. 请首先按要求在试卷的标封处填写您的姓名、考号和所在单位的名称。
2. 请仔细阅读各种题目的回答要求,答案必须写在答题纸上。
3. 不要在试卷上乱写乱画,不要在标封区填写无关内容。
一、选择题(第1~80 题。
选择正确的答案,将相应的字母填入题内的括号中。
每题 1.0分。
满分80分): 1. 已知正弦交流电流i =10T2sin(314t +25°)则其频率为 ( A )。
(A )50HZ (B )220HZ (C )314HZ (D )100πHZ 2. 电能的计算公式是( A )。
(A )A =Uit (B )A =I2R (C )A =UI (D )A =U2/R 3. 三相负载星形联接,每相负载承受电源的(B )。
(A )线电压 (B )相电压 (C )总电压 (D )相电压或线电压 4. 三相四线制供电系统中,线电压指的是( A )。
(A )两相线间的电压(B )零对地电压(C )相线与零线电压 (D )相线对地电压 5. 线电流是通过(B )。
(A )每相绕组的电流 (B )相线的电流 (C )每相负载的电流(D )导线的电流 6. 保护接地指的是电网的中性点不接地设备外壳(B )。
(A )不接地 (B )接地 (C )接零 (D )接零或接地 7. 纯电感电路中,反映线圈对电流起阻碍作用的物理量是( D )。
(A )电阻 (B )频率 (C )线圈匝线 (D )感抗 8. 纯电容电路的容抗是(A )。
(A )1/ωC (B )ωC (C )U/ωC (D )I ωC9. 三相电源绕组产生的三相电动势在相位上互差(D )。
(A )30° (B )90° (C )180° (D )120°10. (A )及以上的电压的电力网采用中性点直接接地方式。
(A )220KV (B )220V (C )1000V (D )10000V11. 下列电源相序( A)是正相序。
(A )U →V →W (B )W →V →U (C )U →W →V (D )V →U →W12. 在容性电路中电压与电流的相位差( A )。
(A )小于零 (B )等于零 (C )大于零 (D )不确定13. 单相交流电路的有功功率计算公式P=( A )。
(A)UICosφ(B)UIsinφ(C)UI (D)UI+UiCosφ14. 交流电路中,无功功率是C )。
(A)电路消耗的功率(B)瞬时功率的平均值(C)电路与电源能量交换的最大规模(D)电路的视在功率15. 灯泡电压220伏,电路中电流0.5安,通电1小时消耗的电能是( B )。
(A)0.2度(B)0.11度(C)110度(D)0.4度16. "220、100W"的灯泡经一段导线接在220V电源上时,它的实际功率为81W,则导线上损耗的功率是( B)。
(A)19W (B)9W (C)10W (D)3817. 纯电容正弦交流电路中,增大电源频率时,其它条件不变,电路中电流会( A)。
(A)增大(B)减小(C)不变(D)增大或减小18. 某电机线圈电阻为0.5欧,通过的电流为4安,工作30分钟发出的热量是( A )。
(A)14400J (B)1.44J (C)60J (D)120J19. 一个满偏电流500μA,内阻200Ω的磁电系测量机构,要制成30V量程的电压表,应串联( B )Ω的附加电阻。
(A)60000 (B)59800 (C)300 (D)5950020. 兆欧表的标尺是( D)。
(A)正向刻度的,并且是均匀的(B)反向刻度的,并且是均匀的(C)正向刻度的,并且是不均匀的(D)反向刻度的,并且是不均匀的21. 用来测量交流电流的钳形电流表是由( A )和电流表组成的。
(A)电流互感器(B)电压互感器(C)分流器(D)变压器22. 直流单臂电桥由( C )个标准电阻组成比率臂和比较臂。
(A)一(B)二(C)三(D)四23. 一般钳形电流表,不适用( C )电流的测量。
(A)单相交流电路(B)三相交流电路(C)直流电路(D)高压交流二次回路24. 安装电度表时,表的中心应装在离地面( C )处。
(A)1米以下(B)不低于1.3米(C)1.5~1.8米(D)高于2米25. 容性负载电路中电流相位(A)电压相位。
(A)超前(B)滞后(C)等于(D)不能确定26. 下列( A )阻值的电阻适用于直流双臂电桥测量。
(A)0.1Ω(B)100Ω(C)500KΩ(D)1MΩ27. 接地摇表的电位探测针和电流探测针应沿直线相距(C)米分别插入地中。
(A)5 (B)10 (C)20 (D)2528. 在实验室中,作为标准表使用的频率表大都采用( B)测量机构。
(A)电磁系(B)电动系(C)感应系(D)静电系29. 用万用表测电阻时,( C )情况下换档后需要重新校准调零。
(A)由高档位到低档位(B)由低档位到高档位(C)任何情况下都需要(D)在使用前将所有档位检验后30. 下述仪表的检测( A)正确。
(A)万用表带电测量保险是否熔断(B)单臂电桥测开关触点接触电阻(C)兆欧表测接地电阻(D)500型万用表测交流电流31. 在选择仪表量限时,应使测量的指示值在仪表量限的( C )。
(A)初始段(B)中间段(C)三分之二以上(D)任意段32. 准确读数可以减小测量的( A )误差。
(A)系统误差(B)偶然误差(C)疏失误差(D)相对误差33. 晶体三极管要处于截止状态必须满足(B )。
(A)发射结集电结构正偏(B)发射结集电结均反偏(C)发射结正偏集电结反偏(D)发射结反偏集电结正偏34. 差动放大电路是为克服( D)而设计。
(A)截止失真(B)饱和失真(C)交越失真(D)零点漂移35. 已知正弦交流电流i=100πsin(100πt+φ)则电流的有效值为( C )。
(A)70.7 (B)100 (C)70.7π(D)100π36. 触发导通的晶闸管,当阳极电流减小到低于维持电流时,晶闸管的状态是( B)。
(A)继续维持导通(B)转为关断(C)只要阳极-阴极仍有正向电压,管子能继续导通(D)不能确定37. 单向可控硅由导通变为截止要满足( D )条件。
(A)升高阳极电压(B)降低阴极电压(C)断开控制电路(D)正向电流小于最小维持电流38. 直流耐压试验所采用的限流水电阻,其数值取( C )。
(A)5Ω/V (B)8Ω/V (C)10Ω/V (D)15Ω/V39. 耐压试验现场工作必须执行( D)制度。
(A)工作票和工作许可(B)工作监护(C)工作间断、转移和总结(D)含A、B、C40. 常用检查三相变压器联结组别的试验方法是( D )。
(A)双电压表法(B)直流法(C)相位法(D)含A、B、C41. 测量互感器线圈绝缘电阻和吸收比,判断标准是( D )。
(A)不小于1000MΩ(B)不小于500 MΩ(C)不小于1200 MΩ(D)与历次试验值比较,不应有显著变化42. 避雷器内串联非线性元件的非线性曲线用(C )方法获得。
(A)交流耐压试验(B)直流耐压试验(C)测量电导电流(D)测量泄漏电流43. 1KV以下无避雷线的钢筋混凝土杆的接地电阻应不大于( C )。
(A)10Ω(B)20Ω(C)30Ω(D)40Ω44. 45号绝缘油的凝固点为( D)。
(A)-25℃(B)-35℃(C)-40℃(D)-45℃45. 运行中的绝缘油的闪点应不比新油的标准降低( D )。
(A)1℃(B)2℃(C)3℃(D)5℃46. 运动中的DB-45型绝缘油,用目测检查油样时,( D )炭微粒和机械杂质。
(A)允许含有微量(B)允许含有一定量(C)允许含有少量(D)不应发现有47. 管型避雷器是在大气过电压时用以保护( B )的绝缘薄弱环节。
(A)电缆线路(B)架空线路(C)变压器(D)高压断路器48. 为了降低因绝缘损坏而造成触电事故的危害,将电气设备的金属外壳和接地装置作可靠的电气连接,叫( C )接地。
(A)工作接地(B)重复接地(C)保护接地(D)中性点接地49. 电杆埋设深度最浅不应小于( C )m。
(A)1.0 (B)1.2 (C)1.5 (D)1.850. 多芯塑料绝缘电缆的最小弯曲半径是电缆外径的(B )倍。
(A)5 (B)10 (C)15 (D)2051. 6KV干包式终端头安装时,包屏蔽层的长度自应力堆最大直径处开始至与铅(铝)包搭接(B )左右处为止。
(A)8mm (B)10mm (C)12mm (D)14mm52. 电力电缆中间盒耐压试验时,正常情况下试验电压应持续(C )。
(A)1min (B)3min (C)5min (D)10min53. 10KV塑料绝缘电缆终端盒耐压试验电压规定为( D )。
(A)50KV (B)40KV (C)20KV (D)25KV54. 变压器的初、次级电动势E1、E2和初、次级线圈匝数N1、N2之间的关系为(A )。
(A)E1/E2=N1/N2(B)E1/E2=N2/N1(C)E1/E2=N12/N (D)无明显规律55. 变压器铁芯压紧的工作必须以( D)进行。
(A)从左边到右边(B)从右边到左边(C)从两边到中部(D)从中部到两边56. 电力变压器并联运行是将满足条件的两台或多台电力变压器(C )同极性端子之间通过同一母线分别互相连接。
(A)一次侧(B)二次侧(C)一次侧和二次侧(D)上述说法都对57. 过负荷保护装置的动作时限为(D )。
(A)6S (B)7S (C)8S (D)9~10S58. 零序电流保护装置的动作电流应作用于( C )。
(A)报警(B)光字牌(C)开关与信号(D)开关59. 运行中的变压器发出的是连续的"嗡嗡"声比平常加重,就要检查( C )。
(A)电压(B)油温(C)电压和油温(D)上述说法都不对60. 国际规定强迫油循环风冷变压器上层最高温度为( C )。
(A)65℃(B)75℃(C)85℃(D)95℃61. 为保证电能质量对负荷调整,下列说法( C )不正确。
(A)可提高供电的可靠性(B)提高电能质量(C)提高电网的输送能力(D)保证供电的合理性62. 为满足供电的可靠性,要求电力系统至少具备( B )的备用容量。
(A)5%~10% (B)10%~15% (C)15%~20% (D)20%~30%63. 提高功率因数的主要目的是( C )。
(A)节约用电,增加电动机的输出功率(B)提高电动机的效率(C)减少无功功率,提高电源的利用率(D)降低用户电气设备的损坏率64. 提高功率因数的方法主要有( D )。
(A)利用过励磁的同步电机进行无功补偿(B)利用调相机做无功功率电源(C)异步电机同步化的方法(D)以上都正确65. 对于大容量的变压器通常采用( A )连接。