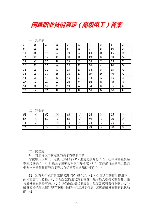
国家职业技能鉴定题库(高级电工)
- 格式:doc
- 大小:77.50 KB
- 文档页数:12
维修电工(高级)职业鉴定国家题库一、选择题:1. 在多级放大电路的级间耦合中,低频电压放大电路主要采用(A)耦合方式。
A、阻容B、直接C、变压器D、电感2.共发射极偏置电路中,在直流通路中计算静态工作点的方法称为(C)A、图解分析法B、图形分析法C、近似估算法D、正交分析法3.磁极周围存在着一种特殊物质,这种物质具有力和能的特性,该物质叫(b )。
A、磁性B、磁场C、磁力D、磁体4.关于磁场的基本性质下列说法错误的是(D )。
A、磁场具有能的性质B、磁场具有力的性质C、磁场可以相互作用D、磁场也是由分子组成5.关于相对磁导率下面说确的是(B)。
A、有单位B、无单位C、单位是亨/米D、单位是特6.以下列材料分别组成相同规格的四个磁路,磁阻最大的材料是(C)。
A、铁B、镍C、黄铜D、钴7.在一个磁导率不变的磁路中,当磁通势为5安·匝时,磁通为1WB;当磁通势为10安·匝时,磁通为(C)Wb 。
A、2.5B、10C、2D、58.在铁磁物质组成的磁路中,磁阻非线性的原因是(A )是非线性的。
A、磁导率B、磁通C、电流D、磁场强度9.线圈中的感应电动势大小与线圈中(C )。
A、磁通的大小成正比B、磁通的大小成反比C、磁通的变化率成正比D、磁通的变化率成反比10.根据电磁感应定律e=-N(⊿Φ/⊿t)求出的感应电动势,是在⊿t这段时间的(A )。
A、平均值B、瞬时值C、有效值D、最大值11.空心线圈的自感系数与(C)有关。
A、通过线圈电流的方向B、周围的环境温度C、线圈的结构D、通过线圈电流的时间长短12.与自感系数无关的是线圈的(D)A、几何形状B、匝数C、磁介质D、电阻13.自感电动势的大小正比于本线圈中电流的(D )。
A、大小B、变化量C、方向D、变化率14.线圈自感电动势的大小与(D)无关。
A、线圈中电流的变化率B、线圈的匝数C、线圈周围的介质D、线圈中的电阻15.互感电动势的大小正比于(D)。
国家职业技能鉴定(高级电工)答案
三、简答题
81、对集电极扫描电压的要求有以下三条:
①能够从小到大,再从大到小的(1`)重复连续变化(1`)。
②扫描的重复频率要足够快(1`),以免显示出来的曲线闪烁不定(1`)。
③扫描电压的最大值要根据不同的晶体管的要求在几百伏的范围内进行调节(1`)。
82、①有两个稳定的工作状态“0”和“1”。
(1`)②在适当的信号作用下,两种状态可以转换。
(1`)触发器输出状态的变化,除与输入端信号有关外,还与触发器原状态有关。
(1`)③当触发信号消失后,触发器状态保持不变。
(1`)触发器能把输入信号寄存下来,保持一位二进制信息,这就是触发器具有记忆功能。
(1`)
四、计算题
83、①Ib≈Ec/Rb=12/400k=30Ua (1`)
Ic=βIb=50×30u=1.5Ma (1`)
Uce=Ec-IcRc=12-1.5m×3k=7.5V (1`)
②若Ic=2mA
则Ib=Ic/β=2m/50=40u (1`)
Rb≈Ec/Ib=12/40u=300kΩ(1`)
84、①对单叠绕组有α=P=1
Ea=(N·P/60α)·φ·n=(780×1)/(60×1)×0.02×885=230.1(伏)
(2分)
②T= Ea·Ia/(2π·n/60)
=9.55Ea·Ia/ n=9.55×230.1×40/885=99.36 (牛·米)(3分)。
职业技能鉴定国家题库统一试卷高级维修电工知识试卷注 意 事 项1 首先按照要求在试卷的标封处填写您的姓名、考号跟所在单位的名称。
2 请仔细阅读各种题目的问答要求,在规定的位置填写您的答案。
3 不要在试卷上乱写乱画,不要在标封区填写无关内容。
一、选择题(第1—60题。
选择正确的答案,将相应字母题内的括号中。
每题1.0分。
满分60分):1.在共发射极放大电路中,计算静态工作点的常用方法是( )。
(A )直接分析法 (B )图形分析法 (C )近似估算法(D )正交分析法2.根据电磁感应定律e=-N ×(Δφ/Δt)求出的感应电动势,是Δt 在这段时间内的( )。
(A )平均值 (B )瞬时值 (C )有效值 (D )最大值 3.空心线圈的自感系数与( )什么有关。
(A )通过线圈电流的方向 (B )周围环境温度 (C )线圈的结构 (D )通过线圈电流的时间长短 4.自感电动势的大小正比于线圈中电流的( )。
(A )大小 (B )变化量 (C )方向 (D )变化率 5.互感电动势大小正比于( )。
(A )本线圈电流的变化量 (B )另一线圈电流的变化量 (C )本线圈电流的变化率 (D )另一线圈的电流变化率 6.JT-1型晶体管的特性图示仪测试台上的“测试选择”开关是用于改变()。
(A )被测管的类型 (B )被测管的接地形式 (C )被测管A或B (D )被测管耐压7.晶体管特性测试仪(JT-1)示波管X 偏转板施加的电压波形式是( )。
(A )锯齿形(B )正弦半波 (C )阶梯波 (D )尖脉冲8.使用示波器时,要使圆点居于屏幕正中,应调节( )旋钮(A )“Y 轴衰减”与“X 轴位移” (B )“Y 轴位移”与“X 轴衰减” (C )“Y 轴衰减”与“X 轴衰减” (D )“Y 轴位移”与“X 轴位移” 9.SBT-5型同步示波器采用了( )扫描。
(A )连续 (B )触发 (C )断续 (D )隔行10.使用SR-8型双踪示波器时,如果找不到光点,课调节“( )”借以区别光点的位置。
电工高级工技能鉴定题库含参考答案一、单选题(共40题,每题1分,共40分)1、他励直流电动机的励磁和负载转矩不变时,电枢回路串电阻,电动机稳定运行时电流A、上升B、不变C、下降D、以上都对正确答案:B2、下列测量机构仅可以测量直流的是( )A、电磁系测量机构B、感应系测量机构C、磁电系测量机构D、电动系测量机构正确答案:C3、职业道德内容很丰富,但是不包括( )A、职业道德特点B、职业道德品质C、职业道德行为规范D、职业道德守则正确答案:C4、万用表用完后,应将选择开关拨在( )档A、电流B、电压C、交流电压D、电阻正确答案:C5、全电欧姆定律表明,在闭合回路中,电流的大小与电源电动势(),与整个电路的电阻成反比。
A、成反比B、成正比C、正弦规律正确答案:B6、IGBT的中文名称是()A、快速晶闸管B、门极可关断晶闸管C、光电晶闸管D、绝缘栅双级晶体管正确答案:D7、晶闸管的导通角越大,则控制角()。
A、变化不一定B、越大C、不改变D、越小正确答案:D8、不属于PLC的功能的是()A、逻辑控制B、定时控制C、计数控制D、人工智能正确答案:D9、低频信号发生器的主振级多采用()。
A、三点式振荡器B、RC文氏电桥振荡器C、电感反馈式振荡器D、三角波振荡器正确答案:B10、直流发电机由主磁通感应的电动势存在于A、励磁绕组B、电枢绕组C、电枢和励磁绕组D、以上都不对正确答案:C11、在可控整流电路中,输出电压随控制角的变大而( )。
A、不变B、变化无规律C、变大D、变小正确答案:D12、过负荷保护要求具有()延时特性A、反时限B、选择性C、速断D、灵敏正确答案:A13、尽量缩短电弧炉短网是为了A、提高电炉地电效率B、提高电路地功率因数C、使三相功率平衡D、以上都是正确答案:A14、将变压器的一次侧绕组接交流电源,二次侧绕组开路,这种运行方式称为变压器( )运行。
A、过载B、负载C、空载D、满载正确答案:C15、可控硅有()PN结组成A、4个B、3个C、2个D、1个正确答案:B16、电动机定子和转子之间的气隙过大,将使磁组()A、不变B、为0C、增大D、减小正确答案:C17、测量变压器绝缘电阻时必须同时测量变压器( )A、短路电压B、空载电流C、温度D、直流电阻正确答案:C18、综采工作面刮板输送机双速电动机是用()改变转速的A、降低电机端电压B、降低电机起动电流C、提高电机端电压D、改变电极的极对数正确答案:D19、变频器由主电路(包括整流器、中间直流环节、逆变器)和( )组成A、反馈电路B、输出电路C、控制电路D、输入电路正确答案:C20、软启动器旁路接触器必须与软启动器的输入和输出端一一对应接正确,()。
职业技能鉴定国家题库统一试卷电工知识试卷一.选择题(第1~60题,选择正确的答案,将相应的字母填入题内的括号中。
每题1.0分,满分60分)1.一电流源的内阻为2Ω,当把它等效变换成10V 的电压源时,电流源的电流是( )。
(A )5A (B )2A (C )10A (D )2.5A2.相量V e U j 060.100-=的解析式为( )。
(A )V t Sin u )60(21000-=ω (B )V t Sin u )60(1000-=ω(C )V t Sin u )60(1000+=ω (D )V t Sin u )60(21000+=ω3.一台额定功率是15KW ,功率因数是0.5的电动机,效率为0.8,它的输入功率是( )KW 。
(A )18.5 (B )30 (C )14 (D )284.三相对称负载接成三角形时,线电流的大小煤耗相电流的( )倍。
(A )3 (B )33 (C )3 (D )25.疏失误差可以通过( )的方法来消除。
(A )校正测量仪表 (B )正负消去法(C )加强责任心,抛弃测量结果 (D )采用合理的测试方法6.用电桥测电阻时,电桥与被测电阻的连接应用( )的导线。
(A )较细较短 (B )较粗较长 (C )较细较长 (D )较粗较短7.变压器负载运行时,原边电源电压的相位超前于铁心中主磁通的相位略大于()。
(A)1800(B)900(C)600(D)3008.当变压器带容性负载运行时,副边端电压随负载电流的增大而()。
(A)升高(B)不变(C)降低很多(D)先降低后升高9.变压器的额定容量是指变压器在额定负载运行时()。
(A)原边输入的有功功率(B)原边输入的视在功率(C)副边输出的有功功率(D)副边输出的视在功率10.若要调大带电抗器的交流电焊机的焊接电流,可将电抗器的()。
(A)铁心空气隙调大(B)铁心空气隙调小(C)线圈向内调(D)线圈向外调11.整流式直流弧焊机具有()的外特性。
职业技能鉴定国家题库统一试A卷一.选择题第1~60题,选择正确的答案,将相应的字母填入题内的括号中;每题分,满分60分1.电气图包括:电路图、功能图和等构成;A系统图和框图B部件图C元件图D装配图2.表示的图形符号;A熔断器式开关B刀开关熔断器C熔断器式隔离开关D隔离开关熔断器3.对电感意义的叙述,的说法不正确;A线圈中的自感电动势为零时,线圈的电感为零B电感是线圈的固有参数C电感的大小决定于线圈的几何尺寸和介质的磁导率D电感反映了线圈产生自感电动势的能力4.安培的电流通过阻值为2欧姆的导体,10秒内流过导体的电量是;A5库仑B1库仑C4库仑D库仑5.电压是的物理量;A衡量磁场力做功本领大小B衡量非电场力做功本领大小C徇电场力做功本领大小D具有相对性6.两只“100W,220V”灯泡串联接在220V电源上,每只灯泡的实际功率是;A 220WB 100WC 50WD25W 7.根据i=I m sinφt可知;A任一时刻i总大于0 B任一时刻i总小于0Ci值在0~I m之间变化 Di值-I m~I m之间变化8.正弦交流电的三要素是指;A最大值、频率和角频率B有效值、频率和角频率C最大值、角频率和相位D最大值、角频率和初相位9.如图所示,一根放在磁场中的通电直导体,图中已标出电流和磁感应强度方向,导体的受力方向应向;A上B下C左D右10.电工钳、电工刀、螺丝刀刀属于;A电工基本安全用具B电工辅助安全用具C电工基本工具D一般防护安全用具11.兆欧表屏蔽端钮的作用为屏蔽被测物的表面漏电流;A屏蔽被测物的表面漏电流B屏蔽外界干扰磁场C屏蔽外界干扰电场D保护兆欧表,以免其线圈被烧毁12.万用表用完之后,最好将转换开关置于;A任意位置B最大电流档C最高电压档D最大电阻档13.钳形电流表的主要优点是不必切断电路可以测量电流;A准确度高B灵敏度高C功率损耗小D不必切断电路可以测量电流14.移动式电动工具用的电源线,应选用的导线类型是;A绝缘软线B通用橡套电缆C绝缘电线D在埋线15.绝缘材料在一定的电压作用下,总有一些极其微弱的电流通过,其值一分钟后趋于稳定不变,我们称这种电流称为电流;A额定B短路C击穿D泄漏16.型号为1032的醇酸浸渍漆的耐热等级是;AY级BE级CB级DA级17.可供耐热等级为B级的电机电器作衬垫绝缘的浸渍纤维制品是;A型号为2012的黄漆布B型号为2212的黄漆绸C型号为2422的油性玻璃漆布D型号为2430的沥青醇酸玻璃漆布18.滚动轴承按其滚动体的形式不同可分大类;A14 B10 C7 D219.我国现行的滚动轴承代号标准是;AGB272—64 BGB272—97 CGB/T272—93 DGB272—8820.变压器储油箱的作用是 ;A防止油箱爆炸B使油箱内部与外界隔绝空气C散热D使输出电压稳定21.三相变压器铭牌上的额定电压指;A原副绕组的相电压B原副绕组线电压C变压器内部的电压降D带负载后原副绕组电压22.测量超高电压时,应使用与电压表配合测量;A电压互感器 B电流互感器 C电流表 D电度表23.型号LFC—10/—100的互感器,其中100表示 ;A额定电流为100A B额定电压100伏 C额定电流为100KA D额定电压为100KV24.单相鼠笼式异步电动机工作原理与相同;A单相变压器B三相鼠笼式异步电动机C交流电焊变压器D直流电动机25.直流时机具有特点;A起动转矩大 B造价低 C维修方便 D结构简单26.三相交流异步电动机旋转方向由决定;1/2D字子总槽数的1/3组成;600A,要求具有失压、欠压、,应选择总开关的型号是 ;—600/3A切换主电路B切换信号回路C切换测量回路D切换控制电路31.速度继电器的作用是 ;A限制运行速度 B速度计量 C反接制动 D能耗制动32.10KV三相异步电动机定子绕组△接线,用热继电器作过载保护,其型号应选取最合适;AJR16—20/3,热元件额定电流22安,调整范围14—22安BJR0—20/3D,热元件额定电流22安,调整范围14—22安CJR15—40/2,热元件额定电流24安,调整范围15—20—24安DJR14—20/3D,热元件额定电流11安,调整范围—11安33.压力继电器的正确使用方法是 ;A继电器的线圈装在机床电路的主电路中,微动开关触头装在控制电路中B继电器的线圈装在机床控制电路中,其触头接在主电路中C继电器装在有压力源的管路中,微动开关触头装在控制回路中D继电器线圈并在主电路中,其触头装在控制电路中34.电磁离合器的的原理是 ;A电流的热效应B电流的化学效应C电磁效应D机电转换35.电磁铁的结构主要由部分组成;A铁心、衔铁、线圈及工作机械等 B电磁系统、触头系统、灭弧装置和其它附件C电磁机构、触头系统和其它辅件 D闸瓦、闸轮、杠杆、弹簧组成的制动器和电磁机构36.三相鼠笼式异步电动机,可以采用定子串电阻降压启动,由于它的主要缺点是 ,所以很少采用此方法;A产生的启动转矩太大 B产生的启动转矩太小C启动电流过大 D启动电流在电阻上产生的热损耗过大37.异步电动机采用Y—△降压启动时,启动转矩是△接法全压启动的倍;A√= B3/√3 C√3/2 D1/338.实现三相异步电动机的正反转是 ;A正转接触器的常闭触点和反转接触器的常闭联锁B正转接触器的常开触点和反转接触器的常开联锁C正转接触器的常闭触点和反转接触器的常开联锁D正转接触器的常开触点和反转接触器的常闭联锁39.反接制动的优点是 ;A制动平稳 B能耗较小 C制动迅速 D定位准确40.X62W型万能铣床上要求主轴电动机启动时,进给电动机才能启动,这种控制方式称为 ; A顺序控制 B多地控制 C自锁控制 D联锁控制41.绕线式异步电动机启动时,在转子回路中接入作联接的三相启动变阻器;A串 B并 C星形 D三角形42.属于热辐射光源的是 ;A高压汞灯 B钠灯 C白炽灯 D日光灯43.高压汞灯的镇流器可起到作用;A电热 B限流 C光电转换 D化学能转换44.工厂电气照明按其照明范围可分为种;A2 B3 C4 D545.穿管敷设的绝缘导线的线芯最小截面,铜线为平方毫米;A B C D446.电压互感器的二次线圈有一点接地,此接地应称为 ;A重复接地 B工作接地 C保护接地 D防雷接地47.接地体多采用制成,其截面应满足热稳定和机械强度的要求;A任一种金属材料 B铜铝材料 C型钢 D绝缘导线48.保护接零的有效性是当设备发生故障时使保护装置动作;A过载电压 B额定电压 C短路电流 D接地电流49.车间起重机上的照明灯只允许采用接法;A一相一地 B三相星形 C三相三角形 D三相一地50.晶体二极管含有PN结的个数为 ;A一个 B二个 C三个 D四个51.在NPN型晶体三极管放大电路中,如将其基极与发射极短路,三极管所处的状态是 ;A截止 B饱和 C放大 D无法判定52.硅稳压管工作在击穿区时,其伏安特性是 ;A电压微变,反向电流微变 B电压剧变,反向电流微变C反向电流剧变,电压微变 D无法判定53.下面型号中,表示稳压管型号的是 ;A2AP1 B2CW5A C2CK84A D2CZ5054.一单相桥式整流电路,输入电压20伏,则输出电压为 ;A28V B24V C20V D18V55.经过划线确定加工时的最后尺寸,在加工过程中,应通过来保证尺寸准确度;A测量 B划线 C加工 D看样冲眼56.錾子两个刃面的夹角称为 ;A前角 B后角 C刃倾角 D楔角57.用Φ10mm的麻花钻头钻孔时,应选用夹持钻头;A钻夹头 B钻套 C钻夹头或钻套 D其它夹具58.具有铆接压力大、动作快、适应性好、无噪声的先进铆接方法是 ;A风枪铆 B液压铆 C手工铆 D机械铆59.在钢和铸铁工件上分别加工同样直径的内螺纹,钢件圆杆直径比铸铁圆杆直径 ;A大 B大 C小 D小60.对于变形十分严重或脆性较大的金属板材、型材,要加热到的温度下进行热矫正;A200~350 B300~500 C500~700 D700~1000二.判断题第61~80题,正确的填“√”,错误的填“×”,每题2分,满分40分61.电路图不能与接线图或接线表混合绘制;62.在电气制图中TM表示新符号控制变压器;63.在一个闭合电路中,当电源内电阻一定时,电源的端电压随电流的增大而增大;64.铜比铁的导磁性更好;65.滚动轴承基本代号由结构类型、尺寸系列、内径、接触角构成;66.铝基润滑脂及复合铝基润滑脂抗水性最优良;67.电流互感器副边不准短路;68.交流三相异步电动机铭牌上的频率是电动机转子绕组电动势的频率;69.在低压电路内起通断、保护、控制或对电路参数起检测或调节作用的电气设备称为低压电器;70.低压开关、接触器、继电器、主令电器、电磁铁等都属于低压控制电器;系列无填料封闭管式熔断器多用于低压电力网和成套配电装置中,其分断能力很大,可多次切断电路,不必更换熔断器管;系列转换开关是有限位转换开关,它只能在900范围旋转,有定位限制即所谓两位置转换类型;例如:HZ3—132型转换开关手柄,有倒、顺、停三个位置,手柄只能从“停”位置,左转900和右转900;73.三相鼠笼式异步电动机采用自耦变压器启动,其启动电流和启动转矩均按变比的倍数降低;74.断电动作型电磁抱闸的性能是:当线圈断电时,闸瓦与闸轮分开;75.能耗制动是指当三相鼠笼式异步电动机切断电源后,在定子绕组中通入单相交流电;76.卤钨灯的工作原理是给灯丝通电加高温至白炽状向四周辐射而发光;77.按制作材料晶体二极管可分为硅管和锗管;78.单管晶体管放大电路若不设静态工作点,则产生输出波形失真;79.单齿纹锉刀适用于锉软材料,双齿纹锉刀知用于锉硬材料;80.锯割薄壁管子时,应用粗齿锯条;职业技能鉴定A卷答案选择题:评分标准:各小题答对给分,答错或漏答不给分,也不扣分二.判断题评分标准:各小题答对给分,答错或漏答不给分,也不扣分61.√ 62.× 63.× 64.× 65.√ 66.√ 67.× 68.× 69.√ 70.×71.× 72.× 73.× 74.× 75.× 76.√ 77.√ 78.√ 79.√ 80.×电工知识试B卷一.名词解释:第1~5题,每题2分,总计10分1.电流:2.电阻的并联:3.过电流保护:4.自感系数:5.三角形接法:二.填空题:第6~12题,每题3分,总计21分6.装设接地线必须先 ,拆除接地线必须先拆 ,装拆接地线必须使用_______或 ;7.三极管有三种工作状态即、和 ;8.常用的锡焊方法有、和 ;9.常用的硬磁材料有合金及合金;10.常用电焊变压器交流弧焊机有以下两种 ;11.交流电源的第1相、第2相、第3相及中线图或记代号分别是、和 ;12.接地体的材料常采用、、、等;三.选择题:第13~20题,每题分,总计20分13.电路中,电流之所以能流动,是由于电源两端电位差所造成的,我们把这个电位差叫 ;A电压 B电动势 C电位14.加速绝缘材料老化的主要原因是绝缘材料长期的 ;A电压过高 B电流过大 C温度过高15.用电流表测得的交流电流的数值是交流电的 ;A有效值 B瞬时值 C最大值16.涡流损耗的大小与频率成正比;A大小 B平方 C方根17.雷电引起的过电压为 ;A内部过电压 B工频过电压 C大气过电压18.绝缘油在高压开关中的主要作用是 ;A散热 B绝缘 C熄灭电弧19.要改变在恒定磁场中的通电导体受力方向,可采用的方法是 ;A改变导体中电流方向或磁场方向 B同时改变电流和磁场的方向20.励磁机中起减弱电刷下火花作用的是 ;A换向极绕组 B励磁绕组 C电枢绕组四.判断题:第21~28题,每题分,总计20分21.交流电机中的定子绕组用来产生旋转磁场;22.同样长度和截面积的铜线电阻比铝线电阻小;23.普通拉线与电杆之间的夹角不应小于500;24.触电对人体危害分电击和电灼伤两种;25.同样的导线,明设和穿管时其安全载流量一样;26.电流表内阻很大;27.电压表内阻很小;28.三相四线制照明线路上,零线要装保险;五.简答题:第29~31题,每题5分,总计15分29.对钢管布线中的钢管有什么要求和选择30.为什么丰相四线制照明线路的零线不装设保险31.什么叫有功功率六.计算题:第32~33题,每题7分,总计14分32.有一1500W的电炉,接于220V的交流电路中,求出线路中电流多大33.已知一电阻性负载的电阻为100欧,流过它的电流为10安培,求出负载所消耗的功率;电工知识试B卷标准答案与评分标准一.名词解释:1.导体中的自由电子,在电场力的作用下做有规律的定向运动称为电流;2.把几个电阻相互并排地联接起来,使电流有几个通路称为电阻的并联;3.是按照躲过最大负载电流整定的,它是带有动作时限的;4.自感系数是穿过回路所包围面积的磁通与产生此磁通的电流之间的比例系数;5.是指把三相绕组按头—尾—头—尾的方式依次连接,组成封闭三角形;二.填空题:6.接地端;导体端;绝缘棒;绝缘手套7.放大状态;饱和状态;截止关闭状态8.电烙铁加焊;汽焊;喷灯焊9.铝镍钴;铝镍钴钛10.二次侧带电器;动铁式;动圈式;L2;L3;N12.钢管;角钢;圆钢;扁钢三.选择题四.判断题21.√ 22.√ 23.√ 24.√ 25.× 26.× 27.× 28.×五.简答题29.答1钢管及其附件应做防腐处理,明敷设时一般采用镀锌钢管,暗敷设在混凝土内或地下的管线一般采用防腐漆的厚壁管;2钢管的管口及内壁要圆滑无毛刺,无堵塞,无漏洞,其接头紧密;30.答:在三相四线380伏/220伏中性点接地系统中,如果零线装保险,当保险熔断时,断点后面的线路如果三相负荷不平衡,负载上的一相将出现高压,从而引起烧坏灯泡和家用电器,所以零线上不准装设保险;31.答:交流电的功率是交变的,功率在一个周期内的平均值叫做有功功率;六.计算题32.解:由P=UI得I=P/U=1500/220=A33.解:由功率公式P=I2R得P=I2R=102x100=10000W答:负载所消耗的功率为10000瓦特电工知识试C卷一.选择题第1~60题,选择正确的答案,将相应的字母填入题内的括号中;每题分,满分60分1.正弦交流电压u=100Sin628t+600V,它的频率为 ;A100H Z B50H Z C60H Z D628H Z2.如图所示正弦交流电的初相位是 ;Aπ/6 B-π/6 C7π/6 Dπ/33.额定电压都为220V的40W、60W和100W三只灯泡串联在220V的电源中,它们的发热量由大到小的排列为;A100W、60W、40WB40W、60W、100C100W、40W、60WD60W、100W、40W4.三相对称负载接成三角形时,线电流的大小为相电流的倍;3 C3 D2A3 B35.低频信号发生器开机后即可使用;A很快 B加热1分钟后 C加热20分钟后 D加热1小时后6.用通用示波器观察工频220V电压波形时,被测电压应接在之间;A“Y轴输入”和“X轴输入”端钮 B“Y轴输入”和“接地”端钮C“X轴输入”和“接地”端钮 D“整步输入”和“接地”端钮7.直流双臂电桥可以精确测量的电阻;A1Ω以下 B10Ω以上 C100Ω以上 D100KΩ以上8.变压器负载运行并且其负载的功率因数一定时,变压器的效率和的关系叫变压器负载运行的效率特性;A时间 B主磁通 C铁损耗 D负载系数9.一台三相变压器的联接组别为Y N,d11,其中的“11”表示变压器低压边电角度;A线电势相位超前高压边线电势相位3300B线电势相位滞后高压边线电势相位3300C相电势相位超前高压边相电势相位300D相电势相位滞后高压边相电势相位30010.为了满足电焊工艺的要求,交流电焊机应具有的外特性;A平直 B陡降 C上升 D稍有下降11.直流电焊机之所以不能被交流电焊机取代,是因为直流电焊机具有的优点;A制造工艺简单,使用控制方便B电弧稳定,可焊接碳钢、合金钢和有色金属C使用直流电源,操作较安全D故障率明显低于交流电焊机12.与直流弧焊发电机相比,整流式直流电焊机具有的特点;A制造工艺简单,使用控制方便B制造工艺复杂,使用控制不便C使用直流电源,操作较安全D使用调速性能优良的直流电动机拖动,使得焊接电流易于调整;13.整流式直流电焊机次级电压太低,其故障原因可能是 ;A变压器线圈匝间短路 B饱和电抗器控制绕组极性接反C稳压器谐振线圈短路 D稳压器补偿线圈匝数不恰当14.在三相交流异步电动机定子上布置结构完全相同,在空间位置上互差1200电角度的三相绕组,分别通入,则在字子与转子的空气隙间将会产生旋转磁场;A直流电 B交流电 C脉动直流电 D三相对称交流电15.三相异步电动机定子各相绕组的电源引出线应彼此相隔电角度;A600 B900 C1200 D180016.一台三相异步电动机,磁极数为4,定子槽数为24,定子绕组形式为单层链式,节距为5,并联支路数为1,在绘制绕组展开图时,同相各线圈的联接方法应是 ;A正串联 B反串联 C正并联 D反并联17.汽轮发电机的转子一般做成隐极式,采用 ;A良好导磁性能的硅钢片叠加而成B良好导磁性能的高强度合金钢锻成C1~毫米厚的钢片冲制后叠成D整块铸钢或锻钢制成18.按励磁方式分类,直流电机可分为种;A2 B3 C4 D519.直流电动机的某一个电枢绕组在旋转一周的过程中,通过其中的电流是 ;A直流电流 B交流电流 C脉冲电流 D互相抵消正好为零20.直流电动机出现振动现象,其原因可能是 ;A 电枢平衡未校好B 负载短路C 电机绝缘老化D 长期过载21.若被测机械的转向改变,则交流测速发电机输出电压的 ;A 频率改变B 大小改变C 相位改变900D 相位改变180022.电磁调速异步电动机又称为 ;A 交流异步电动机B 测速发电机C 步进电动机D 滑差电动机23.在电磁转差离合器中,如果电枢和磁极之间没有相对转速差, ,也就没有转矩去带动磁极旋转,因此取名为“转差离合器”;A 磁极中不会有电流产生B 磁极就不存在C 电枢中不会有趋肤效应产生D 电枢中就不会有涡流产生24.交磁电机扩大机的作用是将微弱的控制信号放大成较强的 输出;A 电流B 电压C 电功率D 电动势25.从工作原理上看,交磁电机扩大机相当于 ;A 直流电动机B 两极直流电动机C 直流发电机D 两极直流发电机26.交流电动机作耐压试验时,对额定电压为380V,功率在1~3kW 以内的电动机,试验电压应取 伏; A500 B1000 C1500 D200027.交流电动机耐压试验中绝缘被击穿的原因可能是 ;A 试验电压高于电机额定电压两倍B 鼠笼式转子断条C 长期停用的电机受潮D 转轴弯曲28.晶体管接近开关用量最多的是 ;A 电磁感应型B 电容型C 光电型号D 高频振荡型29.高压负荷开关交流耐压试验在标准试验电压下持续时间为 分钟;A5 B2 C1 D330.高压10kV 互感器的交流耐压试验是指 对外壳的工频交流耐压试验;A 线圈B 次级线圈C 瓷套管D 线圈连同套管一起31.FN3-10T 型负荷开关安装之后,用2500V 兆欧表测量开关动片和触点对地绝缘电阻,交接试验时应不少于 M Ω;A300 B500 C1000 D80032.对FN-10型户内高压负荷开关进行交流耐压试验时被击穿,其原因是 ;A 支柱绝缘了破损,绝缘拉杆受潮B 周围环境湿度减小C 开关动静触头接触良好D 灭弧室功能完好33.高压隔离开关在进行交流耐压试验时,试验合格后,应在5秒钟内均匀地将电压下降到试验值的 %以下,电压至零后,拉开刀闸,将被试品接地放电;A10 B40 C50 D2534.对电流互感器进行交流耐压试验后,若被试品合格,试验结束应在5秒钟内均匀地降到电压试验值的 %以下,电压至零后,拉开刀闸;A10 B40 C50 D2535.三相异步电动机采用Y —降压启动时,启动转矩是△接法全压启动的 倍; A 3 B 31 C 23 D1/336.直流电动机采用电枢回路串电阻启动,应把启动电流限制在额定电流的 倍;A4~5 B3~4 C1~2 D2~37.为使直流电动机的旋转方向发生改变,应将电枢电流 ;A 增大B 减小C 不变D 反向38.同步电动机不能自行启动,其原因是 ;A 本身无启动转矩B 励磁绕组开路C 励磁绕组串电阻D 励磁绕组短路39.直流电动机反接制动时,当电动机转速接近于零时,就应立即切断电流,防止 ;A电流增大 B电机过载 C发生短路 D电动机反向转动40.同步电动机停车时,如需进行电力制动,最方便的方法是 ;A机械制动 B反接制动 C能耗制动 D电磁抱闸41.M7120型磨床的液压泵电动机和砂轮升降电动机的正反转控制可采用来实现;A点动 B点动互锁 C自锁 D互锁42.T68卧式镗床常用制动;A反接 B能耗 C电磁离合器 D电磁抱闸43.交磁扩大机的电差接法与磁差接法相比,电差接法在节省控制绕组,减少电能损耗上 ;A较优越 B不优越 C一样 D无法比较44.直流发电机——直流电动机自动调速系统采用改变励磁磁通调速时,其实际转速应额定转速; A等于 B大于 C小于 D不大于45.X62W万能铣床的进给操作手柄的功能是 ;A只操纵电器 B只操纵机械 C操纵机械和电器 D操纵冲动开关46.Z37摇臂钻床的摇臂升、降开始前,一定先使松开;A立柱 B联锁装置 C主轴箱 D液压装置47.放大电路设置静态工作点的目的是 ;A提高放大能力 B避免非线性失真C获得合适的输入电阻和输出电阻 D使放大器工作稳定48.阻容耦合多级放大电路的输入电阻等于 ;A第一级输入电阻 B各级输入电阻之和C各级输入电阻之积 D末级输入电阻49.对功率放大电路最基本的要求是 ;A输出信号电压大 B输出信号电流大C输出信号电压和电流均大 D输出信号电压大、电流小50.直接耦合放大电路产生零点飘移的主要原因是变化;A温度 B湿度 C电压 D电流51.半导体整流电源中使用的整流二极管应选用 ;A变容二极管 B稳压二极管C点接触型二极管 D面接触型二极管52.开关三极管一般的工作状态是 ;A截止 B放大 C饱和 D截止或饱和53.晶闸管硬开通是在情况下发生的;A阳极反向电压小于反向击穿电压 B阳极正向电压小于正向转折电压C阳极正向电压大于正向转折电压 D阴极加正压,门极加反压54.KP20—10表示普通反向阻断型晶闸管的通态正向平均电流是 ;A20A B2000A C10A D1000A55.单向全波可控整流电路中,若输入电压为U2,则输出平均电压为 ;AU2 B1+Cosα/2 C D56.在三相半波可控整流电路中,控制角α的最大移相范围是 ;A900 B1500 C1800 D360057.氩弧焊是利用惰性气体的一种电弧焊接方法;A氧 B氢 C氩 D氖58.常见焊接缺陷按其在焊缝中的位置不同,可分为种;A2 B3 C4 D559.部件的装配略图可作为拆卸零件后的依据;A画零件图 B重新装配成部件 C画总装图 D安装零件60.检修电气设备电气故障的同时,还应检查 ;A是否存在机械、液压部分故障B指示电路是否存在故障C照明电路是否存在故障 D机械联锁装置和开关装置是否存在故障二.判断题第61~80题,将判断结果填入括号中,正确的填“√”,错误的填“×”,每题2分,满分40分61.戴维南定理最适用于求复杂电路中某一条支路的电流;62.利用戴维南定理,可把一个含源二端网络等效成一个电源;63.在交流电路中功率因数Cosφ=有功功率/有功功率+无功功率;64.三相对称负载做△联接,若每相负载的阻抗为10Ω,接在线电压为380V的三相交流电路中,则电路的线电流为38A;65.中小型电力变压器无载调压分接开关的调节范围是其额定输出电压的±15%;66.直流弧焊发电机焊接电流的调节是靠调节铁心的空气隙的大小来实现的;67.如果变压器绕组之间绝缘装置不适当,可通过耐压试验检查出来;68.同步电机主要分同步发电机和同步电动机两类;69.直流发电机在电枢绕组元件中产生的是交流电动势,只是由于加装了换向器和电刷装置,才能输出直流电动势;70.测速发电机分为交流和直流两大类;71.永磁式测速发电机的转子是用永久磁铁制成的;72.直流伺服电动机实质上就是一台自励式直流电动机;73.直流耐压试验比交流耐压试验更容易发现高压断路器的绝缘缺陷;74.接触器触头为了保持良好接触,允许涂以质地优良的润滑;75.只要在绕线式电动机的转子电路中接入一个调速电阻,改变电阻的大小,就可平滑调速;76.要使三相绕线式异步电动机的启动转矩为最大转矩,可以用在转子回路中串入合适电阻的方法来实现;77.三相异步电动机的变极调速属于无级调速;78.测绘较复杂机床电气设备的电气控制线路图时,应以单元电路的主要元器件作为中心;79.T610卧式镗床的钢球无级变速器达到极限位置,拖动变速器的电动机应当自动停车;80.机械驱动的起重机械中必须使用钢丝绳;电工知识试C卷标准答案与评分标准一.选择题:评分标准:各小题答对给分,答错或漏答不给分,也不扣分1 A2 B3 B4 C5 C6 B7 A8 D9 B 10 B11 B 12 A 13 A 14 D 15 C16 B 17 B 18 C 19 B 20 A21 D 22 D 23 D 24 C 25 D26 C 27 C 28 D 29 C 30 D31 C 32 A 33 D 34 D 35 D36 D 37 D 38 A 39 D 40 C41 B 42 A 43 A 44 B 45 C46 A 47 B 48 A 49 C 50 A51 D 52 D 53 C 54 A 55 C56 B 57 C 58 A 59 B 60 A二.判断题评分标准:各小题答对给分,答错或漏答不给分,也不扣分61 √62 √63 ×64 ×65 ×。
职业技能鉴定国家题库试卷3(高级维修电工)一、单项选择(第1题~第160题。
选择一个正确的答案,将相应的字母填入题内的括号中。
每题0.5分,满分80分。
)1、用独立的变频电路给同步电动机供电的称为(A)。
A、他控变频B、自控变频C、主控变频D、辅控变频2.改变逆变电路的输出(D)并协调地改变输出电压,即可实现同步电动机地调速。
A、电压B、电流C、功率D、频率3.在下列办法中,不能改变交流异步电动机转速的是(B)。
A、改变定子绕组地磁极对数B、改变供电电网地电压C、改变供电电网的频率D、改变电动机的转差率4.变频调速所用的VVVF型变频器,具有(C)功能。
A、调压B、调频C、调压与调频D、调功率5.直流电动机的转速公式为(A)。
A、n=(U-IaRa) /CeΦB、n=(U+IaR2) /CeΦC、n= CeΦ/ (U-IaRa)D、n= CeΦ/ (U+IaRa)6、直流电动机调速所用的斩波器主要起(D)作用。
A、调电阻B、调电流C、调电抗D、调电压7、线绕式异步电动机串级调速的特点是(D)。
A、机械特性软B、调速不平滑C、功率损耗大D、可在一定范围内调速8.线绕式异步电动机采用串级调速与转子回路串电阻调速相比(C)。
A、机械特性一样B、机械特性较软C、机械特性较硬D、机械特性较差9.三相并励换向器电动机调速适用于(A)负载。
A、恒转矩B、逐渐增大转矩C、恒功率D、逐渐减小转矩10.转子供电式三相并励交流换向器电动机的调速范围在(B)以内时,调速平滑性很高。
A、1:1B、3:1C、5:1D、10:111、无换向器电动机的逆变电路直流侧(B)。
A、串有大电容B、串有大电感C、并有大电容D、并有大电感12.无换向器电动机基本电路中,当电动机工作在再生制动状态时,逆变电路部分工作在(D)状态。
A、逆变B、放大C、斩波D、整流13.在实现恒转矩调速时,调频的同时(C)。
A、不必调整电压B、不必调整电流C、必须调整电压D、必须调整电流14、变频调速中的变频电源是(C)之间的接口。
职业技能鉴定国家题库试卷1(高级维修电工)一、单项选择(第1题~第160题.选择一个正确的答案,将相应的字母填入题内的括号中。
每题0.5分,满分80分。
)1.市场经济条件下,不符合爱岗敬业要求的是( D )的观念。
A、树立职业理想B、强化职业责任C、干一行爱一行D、多转行多受锻炼2.( A )是企业诚实守信的内在要求.A、维护企业信誉B、增加职工福利C、注重经济效益D、开展员工培训3。
下列关于勤劳节俭的论述中,不正确的选项是( A)。
A、企业可提倡勤劳,但不宜提倡节俭B、“一分钟应看成是八分钟”C、勤劳节俭符合可持续发展的要求D、“节省一块钱,就等于净赚一块钱”4.关于创新的论述,不正确的说法是( D )。
A、创新需要“标新立异”B、服务也需要创新C、创新是企业进步的灵魂D、引进别人的新技术不算创新5。
电功的数学表达式不正确的是( A )。
A、W=Ut/R2tB、W=UIt C、W=U2t/Rt D、W=I2Rt6. 用右手握住通电导体,让拇指指向电流方向,则弯曲四指的指向就是( D)。
A、磁感应B、磁力线C、磁通D、磁场方向7. 电感两端的电压超前电流(A ).A、90° B、180°C、360°D、30°8。
当ωt=360°时,i1、i2、i3分别为(D)。
A、负值、正值、0 B、0、正值、负值C、负值、0、正值 D、0、负值、正值9. 当二极管外加电压时,反向电流很小,且不随( D )变化。
A、正向电流B、正向电压C、电压D、反向电压10.在图中所示放大电路,已知Ucc =6V、Rc=2KΩ、RB=200Kω、 =50.放大电路的静态工作点为(A).A 、A 30B 、mA 5.1C 、mA 3D 、mA 111. 维修电工以电气原理图,( B )和平面布置最为重要。
A 、配线方式图B 、安装接线图C 、接线方式图 D、组件位置图12。
Y -D 降压启动的指电动机启动时,把定子绕组联结成Y 形,以降低启动电压,限制启动电流。
维修电工高级理论知识试卷(一)一、单项选择(第1题~第160题。
选择一个正确的答案,将相应的字母填入题内的括号中。
每题0.5分,满分80分。
)1. 市场经济条件下,职业道德最终将对企业起到( )的作用。
A、决策科学化B、提高竞争力C、决定经济效益D、决定前途与命运2. 为了促进企业的规范化发展,需要发挥企业文化的( )功能。
A、娱乐B、主导C、决策D、自律3. 对待职业和岗位,( )并不是爱岗敬业所要求的。
A、树立职业理想B、干一行爱一行专一行C、遵守企业的规章制度D、一职定终身,不改行4. 坚持办事公道,要努力做到( )。
A、公私不分B、有求必应C、公正公平D、全面公开5. 下列关于勤劳节俭的论述中,正确的选项是( )。
A、勤劳一定能使人致富B、勤劳节俭有利于企业持续发展C、新时代需要巧干,不需要勤劳D、新时代需要创造,不需要节俭6. 企业生产经营活动中,要求员工遵纪守法是( )。
A、约束人的体现B、保证经济活动正常进行所决定的C、领导者人为的规定D、追求利益的体现7. 一般规定正电荷移动的方向为( )的方向。
A、电动势B、电流C、电压D、电位8. 电压的方向规定由( )。
A、低电位点指向高电位点B、高电位点指向低电位点C、低电位指向高电位D、高电位指向低电位9. 正弦量的平均值与最大值之间的关系不正确的是( )。
A、E av=2/π*E mB、U av=2/π*E mC、I av=2/π*E mD、I=I m/1.4410. 当ωt=360°时,i1、i2、i3分别为( )。
A、负值、正值、0B、0、正值、负值C、负值、0、正值D、0、负值、正值11. 维修电工以( ),安装接线图和平面布置最为重要.A、电气原理图B、电气设备图C、电气安装图D、电气组装图12. 读图的基本步骤有:看图样说明,( ),看安装接线图。
A、看主电路B、看电路图C、看辅助电路D、看交流电路13. 定子绕组串电阻的降压启动是指电动机启动时,把电阻串接在电动机定子绕组与电源之间,通过电阻的分压作用来( )定子绕组上的启动电压。
职业技能鉴定国家题库高级维修电工技师理论知识试卷职业技能鉴定国家题库高级维修电工技师理论知识试卷维修电工高级理论知识试卷维修电工高级理论知识试卷一单项选择第1题~第160题选择一个正确的答案将相应的字母填入题内的括号中每题05分满分80分1 市场经济条件下职业道德最终将对企业起到 B 的作用A决策科学化 B提高竞争力 C决定经济效益 D决定前途与命运2 为了促进企业的规范化发展需要发挥企业文化的 D 功能A娱乐 B主导 C决策 D自律3 对待职业和岗位 D 并不是爱岗敬业所要求的A树立职业理想 B干一行爱一行专一行C遵守企业的规章制度 D一职定终身不改行4 坚持办事公道要努力做到 CA公私不分 B有求必应 C公正公平 D全面公开5 下列关于勤劳节俭的论述中正确的选项是 BA勤劳一定能使人致富 B勤劳节俭有利于企业持续发展C新时代需要巧干不需要勤劳 D新时代需要创造不需要节俭6 企业生产经营活动中要求员工遵纪守法是 BA约束人的体现 B保证经济活动正常进行所决定的C领导者人为的规定 D追求利益的体现7 一般规定正电荷移动的方向为 B 的方向A电动势 B电流 C电压 D电位8 电压的方向规定由 B A低电位点指向高电位点 B高电位点指向低电位点C低电位指向高电位 D高电位指向低电位9 正弦量的平均值与最大值之间的关系不正确的是 DAEav 2πEm BUav 2πEm CIav 2πEm DI Im14410 当ωt 360°时i12i3分别为 DA9V B12V C24V D36V21 电气设备的巡视一般均由 B 进行 A1人 B2人 C3人 D4人22 下列污染形式中不属于公害的是 CA地面沉降 B恶臭 C水土流失 D振动23 下列控制声音传播的措施中 D 不属于个人防护措施A使用耳塞 B使用耳罩 C使用耳棉 D使用隔声罩24 对于每个职工来说质量管理的主要内容有岗位的质量要求质量目标质量保证措施和 D 等A信息反馈 B质量水平 C质量记录 D质量责任25 岗位的质量要求通常包括操作程序工作内容工艺规程及 C 等A工作计划 B工作目的 C参数控制 D工作重点26 逆变桥由晶闸管VT7~VT10组成每个晶闸管均 A 以限制晶闸管导通时的电流上升率A串有空心电感 B硒堆组成的过电压保护装置 C串有快速熔断器 D并有CR组成的阻容吸收装置27 调频信号输入到方波变换器变成两组互差180°的方波输出经微分电路后产生尖脉冲传送至双稳态触发电路形成两组互差180°的 B 脉冲 A尖脉冲 B矩形 C梯形 D三角波28 积分电路Cl接在V5的集电极它是 C 的锯齿波发生器A电感负反馈 B电感正反馈 C电容负反馈 D电容正反馈29 KC41C的内部的l~6端输入 C 块KC04来的6个脉冲A一 B二 C三 D四30 KC41的输出端10~15是按后相给前相补脉冲的规律经V1~V6放大可输出驱动电流为 D 的双窄脉冲列A100~300μA B300~800μA C100~300mA D300~800mA31 工频电源输入端接有两级LB-300型电源滤波器是阻止 D 的电器上去A工频电网馈送到高频设备以内 B工频电网馈送到高频设备以外C高频设备产生的信号通过工频电网馈送到高频设备机房以内D高频设备产生的信号通过工频电网馈送到高频设备机房以外32 铁磁饱和式稳压器的基本结构与变压器相似由硅钢片叠成二心柱式铁心而心柱2工作在磁化曲线的 A 段A饱和 B未饱和 C过饱和 D起始33 GP100C型高频设备中的保护措施有 DA过电流保护 B水压保护 C水温保护 D以上都是34 A 适用于8~50kHz频率范围AIGBT BSIT CMOSFET DMOSFET35 数控系统的可靠性主要取决于 AA数控装置 B伺服系统 C测量反馈装置 D控制器36 A 可分为开环控制半闭环控制和闭环控制A数控装置 B伺服系统 C测量反馈装置 D控制器37 A 控制方式的优点是精度高速度快其缺点是调试和维修比较复杂A闭环 B半闭环 C双闭环 D开环38 正向触发脉冲只允许在t1以后加入并要求触发脉冲有一定的 AA宽度 B电压 C电流 D功率39 双窄脉冲的脉宽在 D 左右在触发某一晶闸管的同时再给前一晶闸管补发一个脉冲作用与宽脉冲一样A120° B90° C60° D18°40 通过变流器把直流电能变成某一频率或可调频率的交流电能直接供电给负载的叫做 B A有源逆变 B无源逆变 C整流 D反馈41 三相桥式逆变电路电压脉动小变压器利用率高晶闸管工作电压低电抗器比三相半波电路小在 D 容量可逆系统中广泛应用A小 B中小 C大 D大中42 在要求零位附近快速频繁改变转动方向位置控制要求准确的生产机械往往用可控环流可逆系统即在负载电流小于额定值 C 时让人为地制造环流使变流器电流连续A1%~5% B5%~10% C10%~15% D15%~20%43 关断晶闸管GTO构成高性能的变速调速系统但目前由于元件的制造水平只限于 D 容量 A大中 B大 C中小 D较小44 并联谐振式逆变器的换流 D 电路并联A电感与电阻 B电感与负载 C电容与电阻 D电容与负载45 串联谐振逆变器输入是恒定的电压输出电流波形接近于 D 属于电压型逆变器A锯齿波 B三角波 C方波 D正弦波46 电流型逆变器中间环节采用电抗器滤波 BA电源阻抗很小类似电压源 B电源呈高阻类似于电流源C电源呈高阻类似于电压源 D电源呈低阻类似于电流源47 触发脉冲信号应有一定的宽度脉冲前沿要陡电感性负载一般是 C ms相当于50Hz正弦波的18°A01 B05 C1 D1548 数字式触发电路中如UK=O时脉冲频率f=13kHzUK=10V时f= C kHzA13 B13 C130 D130049 消除关断过电压最常用的方法是在晶闸管两端并联 AARC吸收电路 B无敏电阻 C接地电容 D硒堆50 采用电压上升率dudt限制办法后电压上升率与桥臂交流电压 C 成正比的作用A有效值 B平均值 C峰值 D瞬时值51 真空三极管具有阳极阴极和 BA发射极 B栅极 C控制极 D基极52 当Rˊ=Ri时电路阻抗匹配振荡器的工作状态叫做 DA过零状态 B欠压状态 C过压状态 D临界状态53 剩磁消失而不能发电应重新充磁直流电源电压应低于额定励磁电压一般取100V左右充磁时间约为 B A1~2min B2~3min C3~4min D4~5min54 启动电动机组后工作台高速冲出不受控产生这种故障有 B 原因A交磁放大机控制绕组接反 B发电机励磁绕组WEG接反 C发电机旋转方向相反 D以上都是55 停车时产生振荡的原因常常由于 D 环节不起作用A电压负反馈 B电流负反馈 C电流截止负反馈 D桥型稳定56 数控系统程序数据保存不住可直接检查后备电池断电检测及切换电路以及 CA震荡电路 BCPU及周边电路 C存储器周边电路 D地址线逻辑57 伺服驱动过电流可能是驱动装置输出L1L2L3之间短路或 B 或功率开关晶体管Vl~V6损坏或是加速过快 A使用环境温度超过了规定值B伺服电动机过载 C负载有冲击 D编码器故障58 晶体管的集电极与发射极之间的正反向阻值都应大于 D 如果两个方向的阻值都很小则可能是击穿了 A05KΩ B1KΩ C15KΩ D2KΩ59 D 材质制成的螺栓螺母或垫片在中频电流通过时会因涡流效应而发热甚至局部熔化 A黄铜 B不锈钢 C塑料 D普通钢铁60 对触发脉冲要求有 BA一定的宽度且达到一定的电流 B一定的宽度且达到一定的功率C一定的功率且达到一定的电流 D一定的功率且达到一定的电压61 启动电容器CS上所充的电加到由炉子L和补偿电容C组成的并联谐振电路两端产生 C 电压和电流A正弦振荡 B中频振荡 C衰减振荡 D振荡62 逆变电路为了保证系统能够可靠换流安全储备时间tβ必须大于晶闸管的 BA引前时间 B关断时间 C换流时间 Dtf- tr63 SP100-C3型高频设备半高压接通后阳极有电流产生此故障的原因有 DA阳极槽路电容器 B栅极电路上旁路电容器C栅极回馈线圈到栅极这一段有断路的地方 D以上都是64 根据 D 分析和判断故障是诊断所控制设备故障的基本方法A原理图 B逻辑功能图 C指令图 D梯形图65 弱磁调速是从n0向上调速调速特性为 D 输出A恒电流 B恒效率 C恒转矩 D恒功率66 要调节异步电动机的转速可从 D 入手A变极调速 B变频调速 C转差率调速 D以上都是67 交磁电机扩大机可用来控制直流电动机的电枢电压构成交磁电机扩大机直流电动机系统简称 BAGM系统 BAGM系统 CAGGM系统 DCNCM系统68 电流正反馈是在 B 时起着补偿作用其补偿程度与反馈取样电阻Rv的分压比有关 A程序运行时 B负载发生变化 C电机高速 D电机低速69 非独立励磁控制系统在 D 的调速是用提高电枢电压来提升速度的电动机的反电动势随转速的上升而增加在励磁回路由励磁调节器维持励磁电流为最大值不变A低速时 B高速时 C基速以上 D基速以下70 反电枢可逆电路由于电枢回路 C 适用于要求频繁启动而过渡过程时间短的生产机械如可逆轧钢机龙门刨等A电容小 B电容大 C电感小 D电感大71 由一组逻辑电路判断控制整流器触发脉冲通道的开放和封锁这就构成了B 可逆调速系统A逻辑环流 B逻辑无环流 C可控环流 D可控无环流72 转矩极性鉴别器常常采用运算放大器经 B 组成的施密特电路检测速度调节器的输出电压unA负反馈 B正反馈 C串联负反馈 D串联正反馈73 逻辑保护电路一旦出现 D 的情况与非门立即输出低电平使和均被箝位于0将两组触发器同时封锁AuR 1uF=0 BuR 0uF=0 CuR 0uF=1 DuR 1uF=174 C 是经济型数控机床按驱动和定位方式划分A闭环连续控制式 B变极控制式 C步进电动机式 D直流点位式75 微处理器一般由 C 程序存储器内部数据存储器接口和功能单元如定时器计数器以及相应的逻辑电路所组成ACNC BPLC CCPU DMPU76 经济型数控系统常用的有后备电池法和采用非易失性存储器如片内带锂电池的随机存储器 B AEEPROM BNVRAM CFLASHROM DEPROM77 MPU与外设之间进行数据传输有 D 方式A程序控制 B控制中断控制 C选择直接存储器存取DMA D以上都是78 非编码键盘接口一般通过 D 或82558155等并行IO接口和MPU相连A与门 B与非门 C或非门 D三态缓冲器79 各位的段驱动及其位驱动可分别共用一个锁存器每秒扫描次数大于 D 次靠人眼的视觉暂留现象便不会感觉到闪烁A20 B30 C40 D5080 电动机绕组电感L当V突然导通时绕组电流按指数规律上升时间常数=B 是电动机绕组的电阻值A BC D81 三相六拍脉冲分配逻辑电路由FFlFF2FF3三位D触发器组成其脉冲分配顺序是 D AA→B→C→ BAB→BC→CA→CA→AC→C→CB→B→BA→A→ DA→AB→B→BC→C→CA→A→82 D 不是CPU和RAM的抗干扰措施A人工复位 B掉电保护 C软件陷阱 D接地技术83 中频发电机组启动时交流电动机的冲击电流约为额定电流的 C 倍A3~5 B4~6 C5~7 D6~784 实践证明在高于额定灯丝电压 B 情况下长期工作管子寿命几乎减少一半A3% B5% C10% D15%85 当使用新管或长期贮存的管子时应加额定灯丝电压进行预热时间不少于B hA1 B2 C25 D386 电子管水套内壁的圆度要求公差不超过 A mmA±025 B±05 C±075 D±187 检查可编程序控制器电柜内的温度和湿度不能超出要求范围 C 和35%~85%RH不结露否则需采取措施A-5~50℃ B0~50℃ C0~55℃ D5~55℃88 更换电池之前先接通可编程序控制器的交流电源约 D s为存储器备用电源的电容器充电电池断开后该电容器对存储器做短时供电A3 B5 C10 D1589 运行指示灯是当可编程序控制器某单元运行 D 正常时该单元上的运行指示灯一直亮A自检 B调节 C保护 D 监控90 正常时每个输出端口对应的指示灯应随该端口有输出或无输出而亮或熄否则就是有故障其原因可能是 DA输出元件短路 B开路 C烧毁 D以上都是91 外部环境检查时当湿度过大时应考虑装 CA风扇 B加热器 C空调 D除尘器92 组合机床电磁阀和信号灯采用直流 C 电源A6V B12V C24V D36V93 强供电回路的管线尽量避免与可编程序控制器输出输入回路 D 且线路不在同一根管路内A垂直 B交叉 C远离 D平行94 根据液压控制梯形图下列指令正确的是 CAAND 00 BLD 12 CANI 12 DLDI 1295 根据主轴控制梯形图下列指令正确的是 DAORI31 BLD31 CLDI31 DOR3196 根据滑台向前控制梯形图下列指令正确的是 BAANI11 BAND11 CLD11 DLDI1197 根据加工完成控制梯形图下列指令正确的是 CA ANI 100 BAND100 COR100 DORI10098 根据滑台向后控制梯形图下列指令正确的是 DAANI100 BAND100 CORI100 DOR10099 根据工件松开控制梯形图下列指令正确的是 DAAND07LD30 BLD07AND30 CLDI07AND30 DAND07AND30100 将程序写入可编程序控制器时首先将存储器清零然后按操作说明写入B 结束时用结束指令A地址 B程序 C指令 D序号101 程序检查过程中如发现有错误就要进行修改包括 DA线路检查 B其他检查 C语法检查 D以上都是102 语法检查键操作中代码 C 表示设定常数值K不正确Al-l B1-2 C1-3 D1-4103 线路检查键操作中代码2-2表示LDLDI和 D 使用不正确AANIAND BORORI CANIANB DANBORB104 双线圈检查是当指令线圈 D 使用时会发生同一线圈接通和断开的矛盾 A两次 B八次 C七次 D两次或两次以上105 可编程序控制器采用可以编制程序的存储器用来在其内部存储执行逻辑运算顺序控制计时计数和算术运算等 C 指令A控制 B基本 C操作 D特殊106 可编程序控制器编程灵活性编程语言有布尔助记符功能表图 D 和语句描述A安装图 B逻辑图 C原理图 D功能模块图107 D 阶段把逻辑解读的结果通过输出部件输出给现场的受控元件A输出采样 B输入采样 C程序执行 D输出刷新108 可编程序控制器通过编程灵活地改变其控制程序相当于改变了继电器控制的 D 线路A主控制 B控制 C软接线 D硬接线109 F-20MS可编程序控制器表示 B 类型A继电器输出 B晶闸管输出 C晶体管输出 D单晶体管输出110 F-40MR可编程序控制器中M表示 AA基本单元 B扩展单元 C单元类型 D输出类型111 F系列可编程序控制器系统是由基本单元扩展单元编程器用户程序 D 和程序存入器等组成A鼠标 B键盘 C显示器 D写入器112 F系列可编程序控制器计数器用 D 表示AX BY CT DC113 F-20MR可编程序控制器输入的点数是 C A5 B8 C12 D16114 当程序需要 D 接通时全部输出继电器的输出自动断开而其他继电器仍继续工作 AM70 BM71 CM72 DM77 115 F系列可编程序控制器常开点用 A 指令ALD BLDI COR DORI 116 F系列可编程序控制器常闭触点的串联用 B 指令AAND BANI CANB DORB117 F系列可编程序控制器常开触点的并联用 A 指令AOR BORI CANB DORB118 F系列可编程序控制器中的ORB指令用于 DA串联连接 B并联连接 C回路串联连接 D回路并联连接119 F系列可编程序控制器中回路串联连接用 D 指令AAND BANI CORB DANB120 D 指令为复位指令ANOP BEND CS DR121 用 D 指令可使LD点回到原来的公共线上ACJP BEJP CMC DMCR122 编程器的显示内容包括地址数据工作方式 D 情况和系统工作状态等 A位移储存器 B参数 C程序 D指令执行123 编程器的数字键由0~9共10个键组成用以设置地址号计数器 D 的设定值等A顺序控制 B参数控制 C工作方式 D定时器124 检查电源电压波动范围是否在数控系统允许的范围内否则要加 BA直流稳压器 B交流稳压器 CUPS电源 D交流调压器125 检查变压器上有无 D 检查电路板上有无5060Hz频率转换开关供选择 A熔断器保护 B接地 C插头 D多个插头126 短路棒用来设定短路设定点短路设定点由 B 完成设定A维修人员 B机床制造厂 C用户 D操作人员127 电源相序可用相序表或 A 来测量A示波器 B图形仪C万用表 D兆欧表128 准备功能又叫 B AM功能 BG功能 CS功能 DT功能129 数控装置工作基本正常后可开始对各项 A 迹行检查确认和设定A参数 B性能 C程序 D功能130 JWK系列经济型数控机床通电试车不包含 D 内容A数控系统参数核对B手动操作 C接通强电柜交流电源 D直流电源的检查131 以最高进给速度运转时应在全行程进行分别往复 AA1次和5次 B2次和4次 C3次和2次 D4次和1次132 在主轴 B 调速范围内选一适当转速调整切削量使之达到最大功率机床工作正常无颤振现象A恒转矩 B恒功率 C恒电流 D恒电流133 数控机床的几何精度检验包括 DA主轴的轴向窜动 B主轴箱沿Z坐标方向移动时主轴轴心的平行度CX Z坐标方向移动时工作台面的平行度 D以上都是134 主轴回转轴心线对工作台面的垂直度属于数控机床的 B 精度检验A定位 B几何 C切削 D联动135 直线运动坐标轴的定位精度和重复定位精度属于数控机床的 B 精度检验A几何 B定位 C切削 D联动136 数控机床的定位精度检验包括 D A回转运动的定位精度和重复分度精度 B回转运动的反向误差 C回转轴原点的复归精度 D以上都是137 数控机床的定位精度检验包括 DA回转运动的定位精度和重复分度精度 B各直线运动坐标轴机械原点的复归精度C回转轴原点的复归精度 D以上都是138 端面铣刀铣平面的精度属于数控机床的 A 精度检验A切削 B定位 C几何 D联动139 数控单元是由双8031 B 组成的MCS-51系统APLC B单片机 C微型机 D单板机140 JWK经济型数控机床通过编程指令可实现的功能有 DA返回参考点 B快速点定位 C程序延时 D以上都是141 JWK经济型数控机床通过编程指令可实现的功能有 DA直线插补 B圆弧插补 C程序循环 D以上都是142 使用自动循环当程序结束后又自动从程序 C 循环执行A终止点 B断开点 C开头 D暂停143 为了方便 B 和减少加工程序的执行时间参考点应设在靠近工件的地方在换刀前让刀架先退出一段距离以便刀架转位转位完毕后再按相同距离返回 A读写 B编程 C测试 D检查144 引导程序包括 DA参考点工件号设定和快进速度设定 B间隙补偿量的设定和刀具补偿量的设定C换刀偏置量的设定和机械原点设定 D以上都是145 S功能设定有两种输出方式供选择分别是 A A编码方式和数字方式B逻辑式和数字方式 C编码方式和逻辑式 D编制方式和数字方式146 JWK型经济型数控机床按照程序输入步骤输入零件加工程序检查 A 正常后方可联机调试A各种功能 B程序 C轴流风机 D电机147 JWK型经济型数控机床系统电源切断后必须等待 C s以上方可再次接通电源不允许连续开关电源A10 B20 C30 D40 148 为了保护零件加工程序数控系统有专用电池作为存储器RAM芯片的备用电源当电池电压小于 C V时需要换电池更换时应按有关说明书的方法进行 A15 B3 C45 D6149 线绕电阻器用 D 表示ART BRPJ CRJ DRX150 电阻器的阻值及精度等级一般用文字或数字直接印于电阻器上允许偏差为5用 C 表示A无色 B银色 C金色 D白色151 铌电解电容器的型号用 D 表示ACJ BCD CCA DCN152 D 统称为极限偏差A最大极限尺寸和最大极限尺寸 B最大极限上偏差和最大极限下偏差C最大上偏差和最大下偏差 D上偏差和下偏差153 规定孔的尺寸减去轴的尺寸的代数差为正是 B 配合A基准 B间隙 C过渡 D过盈154 国家标准规定了基轴制的 B 代号为hA上偏差为零上偏差大于零 B上偏差为零下偏差小于零C下偏差为零上偏差小于零 D下偏差为零上偏差大于零155 车床尾架体孔和顶尖套筒的配合种类为基本偏差 DAe Bf Cg Dh156 金属材料的性能中不属于工艺性能的是 CA铸造性能 B切削性能 C化物性能 D热处理性能157 逻辑代数的基本公式和常用公式中反演律德摩根定理 AA B C D158 与非门电路与非门逻辑关系中下列正确的表达式是 DAA 1B 0Z 0 BA 0B 1Z 0 CA 0B 0Z 0 DA 1B 1Z 0159 导线的绝缘强度必须符合国家部局规定的耐压试验标准绝缘电阻应不低于 C MΩA025 B05 C1 D4160 从机械设备电器修理质量标准方面判断下列 D 不属于电器仪表需要标准A表盘玻璃干净完整 B盘面刻度字码清楚C表针动作灵活计量正确 D垂直安装二判断题第161题~第200题将判断结果填入括号中正确的填√错误的填×每题05分满分20分161 ×向企业员工灌输的职业道德太多了容易使员工产生谨小慎微的观念162 √事业成功的人往往具有较高的职业道德163 ×职业道德活动中做到表情冷漠严肃待客是符合职业道德规范要求的164 √在日常接待工作中对待不同服务对象采取一视同仁的服务态度165 ×部分电路欧姆定律反映了在含电源的一段电路中电流与这段电路两端的电压及电阻的关系166 ×电解电容有正负极使用时负极接高电位正极接低电位167 √在磁场外部磁力线由N极指向S极在磁场内部磁力线由S极指向N 极168 ×变压器是根据电磁感应原理而工作的它能改变交流电压和直流电压169 ×启动按钮优先选用绿色按钮急停按钮应选用红色按钮停止按钮优先选用红色按钮170 √按钮联锁正反转控制线路的优点是操作方便缺点是容易产生电源两相短路事故在实际工作中经常采用按钮接触器双重联锁正反转控制线路171 √电动机是使用最普遍的电气设备之一一般在70-95额定负载下运行时效率最高功率因数大172 ×发电机发出的嗡嗡声属于气体动力噪音173 ×变压器的嗡嗡声属于机械噪声174 ×可编程带RAM的IO接口8155芯片则作为输入和键盘用的接口175 ×来自三块KC04触发器13号端子的触发脉冲信号分别送入KC42的2412端V1V2V3构成与非门电路只要任何一个触发器有输出S点就是低电平V4截止使V5V6V8组成的环形振荡器停振176 √整流状态时整流器将交流电能变成直流电能供给电动机177 √锯齿波同步的晶闸管触发电路由锯齿波发生脉冲相位控制脉冲整形脉冲放大等环节组成178 ×非线性电阻元件具有正反向相同的很陡的伏安特性正常工作时漏电流极小遇到浪涌电压时反应快可通过数安培的放电电流因此抑制过电压能力强179 ×根据真空三极管的特性曲线可以看出改变栅极电流就可使阳极电流180 ×丙类工作状态的栅偏压比截止栅压更负若振荡管采用固定栅偏压管子将恒处于饱和状态181 ×如果发电机的电流达到额定值而其电压不足额定值则需减小淬火变压器一次线圈的匝数182 ×开环控制系统仅适用于要求高的场合183 ×传统的驱动电源有单电源驱动电路和双电源驱动电路新型电源有高压电压斩波电源184 ×当可编程序控制器输出额定电压和额定电流值大于负载时可加装中间继电器过渡185 ×按INSTR若程序中存在某一线路上的错误则显示出错代码186 √ F-20MR可编程序控制器的输出继电器用来将可编程序控制器输出信号传送给外部负载它只能在程序内部用指令驱动外部信号无法直接驱动用户可任选继电器输出晶体管输出或晶闸管输出187 × F系列可编程控制器内部元件计数器为加法计数器当计数器接通后从设定值一直减到零时计数器线圈有电相应触点动作188 ×检查直流电源输出端为系统提供的5V6V40V120V等电源电压有无通地和开路现象189 ×数控机床的几何精度包括检验工作台的垂直度190 √机床的切削精度不仅反映了机床的几何精度和定位精度同时还包括了试件的材料环境温度刀具性能以及切削条件等各种因素造成的误差191 ×轴端键槽应画出剖视图因为各轴段的尺寸用标注即可表达清楚所以其他视图必须画剖视图192 √ N型硅材料稳压管二极管用2CW表示193 ×轴主要指圆柱形的外表面也包括其他外表面中由单一尺寸确定的部。
国家职业技能鉴定高级电工技术业务理论试一二总分得分一、选择题(第1—第50题。
选择一个正确的答案,将相应的字母填入题内的括号。
每题1分,满分50分。
)1.在闭合电路中,电源端电压随负载的增大而()。
A.减小B、增大C、不变D、不确定2.磁场()。
A无方向B、有方向C是间断的D方向是变化的3.制造指南针是利用下列哪一原理( )A.磁场B.电磁感应C.机械原理D.电子原理4.判断感应电动势的大小要用()。
A法拉第法律B楞次定律C安培定则D欧姆定律5.如果在某线圈中放入铁磁性材料,该线圈的自感系数将()。
A不变B显著增大C显著减小D稍减小6.互感系数的符号是()。
A、M B、L C、S D、H7.直流电机的电枢绕组若为单波绕组,则绕组的并联支路数等于()。
A、主磁极数B、主磁极对数C、两条D、四条8.110KV以上电力变压器的主要结构有哪些()。
A、铁芯、绕组、外壳B、铁芯、外壳、套管C、绕组、导电杆、变压器D、铁芯、绕组、外壳、套管及冷却系统9.35KV油开关的主要结构有哪些()。
10.A、提升机构、油箱、导电系统B、电容套管、电流互感器操作机构C、油箱灭弧室、导电系统、电容套管D、油箱、铁架、升降机构、导电系统11.电压互感器副边短路运行的后果是()。
A、主磁通骤增,铁损增大,铁心过热B、副边电压为零,原边电压也为零C、原、副边绕组因电流过大而烧毁D、副边所接仪表或断电器因电流过而大烧坏12.隔离开关不能用于下述哪种操作()。
A切断短路电流B、切断小电流,隔离带电设备C、隔离电源,倒闸操作,切断小电流D、隔离电源,隔离故障,侧面操作13.变压器投入运行后,每隔()要小修一次。
A、1年B、2年C、3年D、4年14.在真空断路器大修后必须检验合闸接触器是否动作,其最低动作电压应是客应电压的()倍。
A、50%B、80%C、85%D、90%15.大修后35KV以上的油浸式电压互感器一次绕组连同套管的介质损耗系数tg&值应为()。
高级电工试题一、填空1、直流电机的转子是由电枢铁心、绕组换向器、转轴和风叶等部分组成,是进行能量转换的重要部分。
2、直流电动机的励磁方式可分为他励、并励、串励和复励。
3、直流电机在额定负载下运行时,其#等级不应超过1.5级。
4、三相变压器的额定容量,是给一次绕组放额定电压时,为保证部温升不超过额定值所允许输出的最大视在功率。
它等于二次绕组额定电压与额定电流乘积的√3倍。
5、变压器在运行中,绕组中电流的热效应所引起的损耗通常称为铜耗;交变磁场在铁心中所引起的损耗可分为磁滞损耗和涡流损耗,合称为铁耗。
6、由于变压器短路试验时电流较大,而所加电压却很低,所以一般在高压侧加压,使低压侧短路。
22、高压断路器的“跳跃”是指断路器合上又跳开,跳开又合上的现象。
(√)23、大容量高压隔离开关的每极上都装有两片刀片,其目的是增大导电截面积,从而增大容量。
(×)24、低压空气断路器同时装有分励脱扣器和失压脱扣器时,称为复式脱扣装置。
(×)25、装设电抗器的目的是:增大短路阻抗,限制短路电流,减小电压波动。
(√)26、电磁式交流接触器和直流接触器都装有短路环,以消除铁心的振动和噪音。
(×)27、在易燃、易爆场所带电作业时,只要注意安全、防止触电,一般不会发生危险。
(×)28、防爆电器出厂时涂的黄油是防止生锈的,使用时不应抹去。
(×)29、一般来说,继电器的质量越好,接线越简单,所包含的接点数目越少,则保护装置的作越可靠。
(√)30、气体(瓦斯)继电器能反应变压器的一切故障而作出相应的动作。
(×)维修电工高级试题《高级维修理论复习题》一、选择题(第1~60题。
选择正确的答案,将相应的字母添入题内的括号中。
每题1.0分):1.在多级放大电路的级间耦合中,低频电压放大电路主要采用(A)耦合方式。
(A)阻容(B)直接(C)变压器(D)电感2.如果一直线电流的方向由北向南,在它的上方放一个可以自由转动的小磁针,则小磁针的N极偏向(A)。
职业技能鉴定国家题库统一试卷电工知识试卷一.选择题(第1~60题,选择正确的答案,将相应的字母填入题内的括号中。
(A)3 (B)33(C)3(D)25.低频信号发生器开机后()即可使用。
(A)很快(B)加热1分钟后(C)加热20分钟后(D)加热1小时后6.用通用示波器观察工频220V电压波形时,被测电压应接在()之间。
(A)“Y轴输入”和“X轴输入”端钮(B)“Y轴输入”和“接地”端钮(C)“X轴输入”和“接地”端钮(D)“整步输入”和“接地”端钮7.直流双臂电桥可以精确测量()的电阻。
(A)1Ω以下(B)10Ω以上(C)100Ω以上(D)100KΩ以上8.变压器负载运行并且其负载的功率因数一定时,变压器的效率和()的关系叫变压器负载运行的效率特性。
(A)时间(B)主磁通(C)铁损耗(D)负载系数9.一台三相变压器的联接组别为Y N,d11,其中的“11”表示变压器低压边()电角度。
(A)线电势相位超前高压边线电势相位3300(B)线电势相位滞后高压边线电势相位3300(C)相电势相位超前高压边相电势相位300(D)相电势相位滞后高压边相电势相位30010.为了满足电焊工艺的要求,交流电焊机应具有()的外特性。
(A)平直(B)陡降(C)上升(D)稍有下降11.直流电焊机之所以不能被交流电焊机取代,是因为直流电焊机具有()的优点。
(A)制造工艺简单,使用控制方便(B)电弧稳定,可焊接碳钢、合金钢和有色金属(C)使用直流电源,操作较安全(D)故障率明显低于交流电焊机12.与直流弧焊发电机相比,整流式直流电焊机具有()的特点。
(A)制造工艺简单,使用控制方便(B)制造工艺复杂,使用控制不便(C)使用直流电源,操作较安全(D)使用调速性能优良的直流电动机拖动,使得焊接电流易于调整。
13.整流式直流电焊机次级电压太低,其故障原因可能是()。
(A)变压器线圈匝间短路(B)饱和电抗器控制绕组极性接反(C)稳压器谐振线圈短路(D)稳压器补偿线圈匝数不恰当14.在三相交流异步电动机定子上布置结构完全相同,在空间位置上互差1200电角度的三相绕组,分别通入(),则在字子与转子的空气隙间将会产生旋转磁场。
职业技能鉴定国家题库统一试卷高级电工知识试卷二一、选择题(第1~80 题。
选择正确的答案,将相应的字母填入题内的括号中.每题1.0分.满分80分):1。
已知某三极管的集电极电阻,电源电压,三极管的发射极直接接地,则三极管截止时的集电极电流为(B)。
(A)6mA (B)0 (C)∞(D)5。
3mA2。
磁场(B)。
(A)无方向(B)有方向(C)是间断的(D)方向是变化的3. 磁通的单位是(B)。
(A)高斯(B)韦伯(C)韦.平方米(D)平方米4. 磁阻越大,材料的导磁性越(B)。
(A)好(B)差(C)无影响(D)不稳定5. 磁路欧姆定律的正确表达式为(D)。
(A)φ=BS (B)φ=B/S (C)φ=NI/μs (D)φ=NIμs/L 6。
线圈中的磁通(C)时,线圈中就有感应电动势产生。
(A)很小(B)不变(C)发生变化(D)很大7。
换向器片间短路时应(A)。
(A)检查并清除云母槽中的电刷碳屑或铜屑等(B)擦拭换向器(C)调整电刷压力(D)研磨电刷8。
若换向器表面有严重的灼伤或不平,不圆,局部凸凹应( C ).(A)用150号砂布打磨处理(B)用100号砂布打磨处理(C)用机床车削到要求的光洁度(D)用180号砂布打磨处理9. 电压较高和换向不好的电机应选用接触电阻(B)的电刷。
(A)小(B)大(C)大小均可(D)特别小10。
滑动轴承运行中油温不要超过(D)。
(A)90℃(B)80℃(C)70℃(D)60℃11。
电力变压器储油柜的作用是(C)。
(A)为器身散热(B)防止油箱爆炸(C)使油箱内部与外界空气隔绝,在温度变化时对油箱内的油量起调节作用(D)储存油12。
隔离开关不能用于下述哪种操作(B)。
(A)隔离电源(B)切断负荷电流(C)切断电压互感器(D)切断无恢复电压的环流13。
FN3~10型负荷开关的技术性能主要有哪些(B)。
(A)绝缘水平,过电流能力,机械强度好(B)绝缘水平,动、热稳定性能好,开、合性能好(C)绝缘水平,灭弧能力强,机械寿命长(D)接触好,分合闸灵活,机械强度好14。
电工高级工技能鉴定练习题库及参考答案一、单选题(共50题,每题1分,共50分)1、一台三相异步电动机运行在s=0.02时,则由定子通过气隙传递给转子的功率中有A、2%是转子铜耗B、.2%是机械损耗C、2%是机械功率D、2%是电磁功率正确答案:A2、()是为了保证电力系统正常运行所需要的接地。
A、保护接地B、工作接地C、防雷接地D、仪控接地正确答案:B3、万用表的()可以测量电容A、电流档B、电压档C、电阻档D、电容档正确答案:D4、关于PLC的功能,下列观点正确的是()A、.PLC的抗干扰能力强,因此在工业控制中广泛采用B、PLC具有强大的多种集成功能和实时特性C、.以上全正确D、.PLC采用循环扫描工作方式正确答案:D5、PLC的输出方式为晶体管型时,它适用于( )负载A、感性B、交直流C、交流D、直流正确答案:D6、INC指令是A、加1指令B、减1指令C、除1指令D、乘1指令正确答案:A7、单芯电缆的导线截面为()A、卵圆形B、方形C、扇形D、圆形正确答案:D8、他励直流电动机的励磁和负载转矩不变时,电枢回路串电阻,电动机稳定运行时电流A、上升B、以上都对C、不变D、下降正确答案:C9、职业道德是( )的基石A、企业文化B、企业精神C、企业管理D、企业发展正确答案:A10、集成运放的输入级常采用具有较高放大倍数的()。
A、功率放大器B、电压放大器C、电流放大器D、差动放大器正确答案:D11、软启动器的日常维护一定要由( )进行操作A、专业技术人员B、销售服务人员C、设备管理部门D、使用人员正确答案:A12、由1台PLC控制1台设备或1条简易生产线的是A、远程I/O控制系统B、集中控制系统C、分布式控制系统D、单机控制系统正确答案:D13、软启动器内部发热主要来自晶闸管组件,通常晶闸管散热器的温度要求不高于()A、75B、60C、120D、100正确答案:A14、交—交变频装置通常只适用于()拖动系统。
国家职业技能鉴定题库含答案(高级电工)一、选择题(每题2分,共40分)1. 以下哪项不是电流做功的实质?(D)A. 电流通过导体产生热量B. 电流通过导体产生磁场C. 电流通过导体产生机械能D. 电流通过导体产生光能答案:D2. 在RLC串联电路中,以下哪个元件不会影响电路的谐振频率?(C)A. 电阻B. 电感C. 电容D. 电源频率答案:C3. 以下哪个不是电力系统的主要组成部分?(D)A. 发电机B. 变压器C. 传输线路D. 电动机答案:D4. 在下列哪个条件下,三相异步电动机的启动电流最小?(B)A. 直接启动B. 星角启动C. 自耦降压启动D. 频率启动答案:B5. 以下哪个不是电力系统中性点接地方式?(C)A. 直接接地B. 经消弧线圈接地C. 经电阻接地D. 经电抗接地答案:C6. 在电力系统中,以下哪个设备用于补偿无功功率?(B)A. 电容器B. 电感器C. 变压器D. 电动机答案:B7. 以下哪个不是电力系统过电压的原因?(D)A. 雷击B. 切换操作C. 系统故障D. 电压波动答案:D8. 以下哪个不是电力系统自动化装置的主要功能?(C)A. 监测B. 控制C. 计算D. 保护答案:C9. 以下哪个不是电力系统继电保护的基本要求?(D)A. 选择性B. 快速性C. 可靠性D. 灵敏性答案:D10. 以下哪个不是电力系统设备绝缘老化的原因?(C)A. 温度B. 湿度C. 电流D. 电场答案:C二、填空题(每题2分,共40分)1. 电力系统中,交流电的周期为______秒。
答案:0.022. 三相异步电动机的启动方式有直接启动、______启动和自耦降压启动。
答案:星角3. 电力系统中性点接地方式有直接接地、经消弧线圈接地、______接地和经电阻接地。
答案:不接地4. 电力系统自动化装置的主要功能有监测、控制、______和保护。
答案:计算5. 电力系统继电保护的基本要求有选择性、快速性、可靠性和______。
职业技能鉴定国家题库统一试卷一.选择题(第1~60题,选择正确的答案,将相应的字母填入题内的括号中。
每题1.0分,满分60分)1.电气图包括:电路图、功能图和()等构成。
(A)系统图和框图(B)部件图(C)元件图(D)装配图2.表示()的图形符号。
(A)熔断器式开关(B)刀开关熔断器(C)熔断器式隔离开关(D)隔离开关熔断器3.对电感意义的叙述,()的说法不正确。
(A)线圈中的自感电动势为零时,线圈的电感为零(B)电感是线圈的固有参数(C)电感的大小决定于线圈的几何尺寸和介质的磁导率(D)电感反映了线圈产生自感电动势的能力4.0.5安培的电流通过阻值为2欧姆的导体,10秒内流过导体的电量是()。
(A)5库仑(B)1库仑(C)4库仑(D)0.25库仑5.电压是()的物理量。
(A)衡量磁场力做功本领大小 (B)衡量非电场力做功本领大小 (C)徇电场力做功本领大小 (D)具有相对性6.两只“100W,220V”灯泡串联接在220V电源上,每只灯泡的实际功率是()。
(A) 220W (B) 100W (C) 50W (D) 25W7.根据i=Imsinφt可知()。
(A)任一时刻i总大于0 (B)任一时刻i总小于0 (C) i值在0~Im之间变化(D) i值-Im ~Im之间变化8.正弦交流电的三要素是指()。
(A)最大值、频率和角频率 (B)有效值、频率和角频率 (C)最大值、角频率和相位(D)最大值、角频率和初相位9.如图所示,一根放在磁场中的通电直导体,图中已标出电流和磁感应强度方12.万用表用完之后,最好将转换开关置于()。
(A)任意位置(B)最大电流档(C)最高电压档(D)最大电阻档13.钳形电流表的主要优点是(不必切断电路可以测量电流)。
(A)准确度高(B)灵敏度高(C)功率损耗小(D)不必切断电路可以测量电流14.移动式电动工具用的电源线,应选用的导线类型是()。
(A)绝缘软线(B)通用橡套电缆(C)绝缘电线(D)在埋线15.绝缘材料在一定的电压作用下,总有一些极其微弱的电流通过,其值一分钟后趋于稳定不变,我们称这种电流称为()电流。
(A)额定(B)短路(C)击穿(D)泄漏16.型号为1032的醇酸浸渍漆的耐热等级是()。
(A)Y级(B)E级(C)B级(D)A级17.可供耐热等级为B级的电机电器作衬垫绝缘的浸渍纤维制品是()。
(A)型号为2012的黄漆布(B)型号为2212的黄漆绸(C)型号为2422的油性玻璃漆布(D)型号为2430的沥青醇酸玻璃漆布18.滚动轴承按其滚动体的形式不同可分()大类。
(A)14 (B)10 (C)7 (D)219.我国现行的滚动轴承代号标准是()。
(A)GB272—64 (B)GB272—97 (C)GB/T272—93(D)GB272—8820.变压器储油箱的作用是()。
(A)防止油箱爆炸(B)使油箱内部与外界隔绝空气(C)散热(D)使输出电压稳定21.三相变压器铭牌上的额定电压指()。
(A)原副绕组的相电压(B)原副绕组线电压(C)变压器内部的电压降(D)带负载后原副绕组电压22.测量超高电压时,应使用()与电压表配合测量。
(A)电压互感器(B)电流互感器(C)电流表(D)电度表23.型号LFC—10/0.5—100的互感器,其中100表示()。
(A)额定电流为100A(B)额定电压100伏(C)额定电流为100KA (D)额定电压为100KV24.单相鼠笼式异步电动机工作原理与()相同。
(A)单相变压器(B)三相鼠笼式异步电动机(C)交流电焊变压器(D)直流电动机25.直流时机具有()特点。
(A)起动转矩大(B)造价低(C)维修方便(D)结构简单26.三相交流异步电动机旋转方向由()决定。
(A)电动势方向(B)电流方向(C)频率(D)旋转磁场方向27.三相异步电动机定子双层绕组的线圈总数为()。
(A)定子总槽数(B)定子总槽数的2倍(C)定子总槽数的1/2 (D))组成。
29.在低压配电网络中,作为用户动力总开关,安装在配电柜上额定电流为600A,要求具有失压、欠压、过载和短路四种保护,具有动作的快速性和限制短路上升的特点,应选择总开关的型号是()。
(A)DZ10—600/330 (B)CJ20—630/3 (C)DWX15—600/3901(D)DW10—600/330.主令电器的任务是(),故称主令电器。
(A)切换主电路(B)切换信号回路(C)切换测量回路(D)切换控制电路31.速度继电器的作用是()。
(A)限制运行速度(B)速度计量(C)反接制动(D)能耗制动32.10KV三相异步电动机定子绕组△接线,用热继电器作过载保护,其型号应选取()最合适。
(A)JR16—20/3,热元件额定电流22安,调整范围14—22安(B)JR0—20/3D,热元件额定电流22安,调整范围14—22安(C)JR15—40/2,热元件额定电流24安,调整范围15—20—24安(D)JR14—20/3D,热元件额定电流11安,调整范围6.8—11安33.压力继电器的正确使用方法是()。
(A)继电器的线圈装在机床电路的主电路中,微动开关触头装在控制电路中(B)继电器的线圈装在机床控制电路中,其触头接在主电路中(C)继电器装在有压力源的管路中,微动开关触头装在控制回路中(D)继电器线圈并在主电路中,其触头装在控制电路中34.电磁离合器的的原理是()。
(A)电流的热效应(B)电流的化学效应(C)电磁效应(D)机电转换35.电磁铁的结构主要由()部分组成。
(A)铁心、衔铁、线圈及工作机械等(B)电磁系统、触头系统、灭弧装置和其它附件(C)电磁机构、触头系统和其它辅件(D)闸瓦、闸轮、杠杆、弹簧组成的制动器和电磁机构36.三相鼠笼式异步电动机,可以采用定子串电阻降压启动,由于它的主要缺点是(),所以很少采用此方法。
(A)产生的启动转矩太大(B)产生的启动转矩太小(C)启动电流过大(D)启动电流在电阻上产生的热损耗过大37.异步电动机采用Y—△降压启动时,启动转矩是△接法全压启动的()倍。
(A)√=(B)3/√3 (C)√3/2 (D)1/338.实现三相异步电动机的正反转是()。
(A)正转接触器的常闭触点和反转接触器的常闭联锁 (B)正转接触器的常开触点和反转接触器的常开联锁(C)正转接触器的常闭触点和反转接触器的常开联锁 (D)正转接触器的常开触点和反转接触器的常闭联锁39.反接制动的优点是()。
(A)制动平稳(B)能耗较小(C)制动迅速(D)定位准确40.X62W型万能铣床上要求主轴电动机启动时,进给电动机才能启动,这种控制方式称为()。
(A)顺序控制(B)多地控制(C)自锁控制(D)联锁控制41.绕线式异步电动机启动时,在转子回路中接入作()联接的三相启动变阻器。
(A)串(B)并(C)星形(D)三角形42.属于热辐射光源的是()。
(A)高压汞灯(B)钠灯(C)白炽灯(D)日光灯43.高压汞灯的镇流器可起到()作用。
(A)电热(B)限流(C)光电转换(D)化学能转换44.工厂电气照明按其照明范围可分为()种。
(A)2 (B)3(C)4 (D)545.穿管敷设的绝缘导线的线芯最小截面,铜线为()平方毫米。
(A)1.0 (B)1.5 (C)2.5 (D)446.电压互感器的二次线圈有一点接地,此接地应称为()。
(A)重复接地(B)工作接地(C)保护接地(D)防雷接地47.接地体多采用()制成,其截面应满足热稳定和机械强度的要求。
(A)任一种金属材料(B)铜铝材料(C)型钢(D)绝缘导线48.保护接零的有效性是当设备发生故障时()使保护装置动作。
(A)过载电压(B)额定电压(C)短路电流(D)接地电流49.车间起重机上的照明灯只允许采用()接法。
(A)一相一地(B)三相星形(C)三相三角形(D)三相一地50.晶体二极管含有PN结的个数为()。
(A)一个(B)二个(C)三个(D)四个51.在NPN型晶体三极管放大电路中,如将其基极与发射极短路,三极管所处的状态是()。
(A)截止(B)饱和(C)放大(D)无法判定52.硅稳压管工作在击穿区时,其伏安特性是()。
(A)电压微变,反向电流微变(B)电压剧变,反向电流微变(C)反向电流剧变,电压微变(D)无法判定53.下面型号中,表示稳压管型号的是()。
(A)2AP1 (B)2CW5A (C)2CK84A (D)2CZ5054.一单相桥式整流电路,输入电压20伏,则输出电压为()。
(A)28V (B)24V (C)20V (D)18V55.经过划线确定加工时的最后尺寸,在加工过程中,应通过()来保证尺寸准确度。
(A)测量(B)划线(C)加工(D)看样冲眼56.錾子两个刃面的夹角称为()。
(A)前角(B)后角(C)刃倾角(D)楔角57.用Φ10mm的麻花钻头钻孔时,应选用()夹持钻头。
(A)钻夹头(B)钻套(C)钻夹头或钻套(D)其它夹具58.具有铆接压力大、动作快、适应性好、无噪声的先进铆接方法是()。
(A)风枪铆(B)液压铆(C)手工铆(D)机械铆59.在钢和铸铁工件上分别加工同样直径的内螺纹,钢件圆杆直径比铸铁圆杆直径()。
(A)大0.2P (B)大0.1P (C)小0.1P (D)小0.2P60.对于变形十分严重或脆性较大的金属板材、型材,要加热到()的温度下进行热矫正。
(A)200~350 (B)300~500 (C)500~700 (D)700~1000二.判断题(第61~80题,正确的填“√”,错误的填“×”,每题2分,满分40分)(√)61.电路图不能与接线图或接线表混合绘制。
(×)62.在电气制图中TM表示新符号控制变压器。
(×)63.在一个闭合电路中,当电源内电阻一定时,电源的端电压随电流的增大而增大。
(×)64.铜比铁的导磁性更好。
(√)65.滚动轴承基本代号由结构类型、尺寸系列、内径、接触角构成。
(√)66.铝基润滑脂及复合铝基润滑脂抗水性最优良。
(×)67.电流互感器副边不准短路。
(×)68.交流三相异步电动机铭牌上的频率是电动机转子绕组电动势的频率。
(√)69.在低压电路内起通断、保护、控制或对电路参数起检测或调节作用的电气设备称为低压电器。
(×)70.低压开关、接触器、继电器、主令电器、电磁铁等都属于低压控制电器。
(×)71.RM10系列无填料封闭管式熔断器多用于低压电力网和成套配电装置中,其分断能力很大,可多次切断电路,不必更换熔断器管。
(×)72.HZ3系列转换开关是有限位转换开关,它只能在900范围旋转,有定位限制即所谓两位置转换类型。
例如:HZ3—132型转换开关手柄,有倒、顺、停三个位置,手柄只能从“停”位置,左转900和右转900。