AB组填料施工作业指导书
- 格式:doc
- 大小:238.50 KB
- 文档页数:15
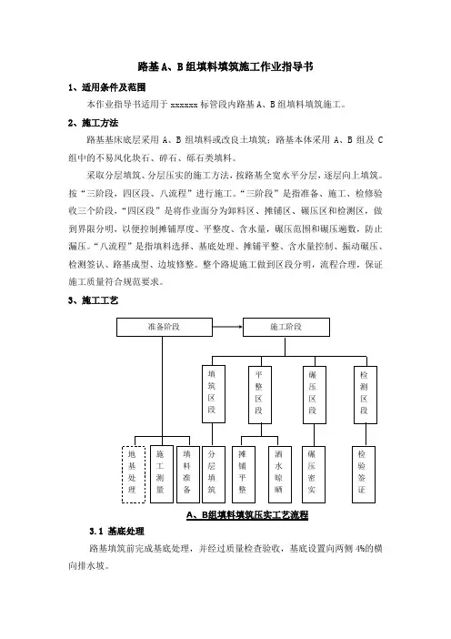
路基A、B组填料填筑施工作业指导书1、适用条件及范围本作业指导书适用于xxxxxx标管段内路基A、B组填料填筑施工。
2、施工方法路基基床底层采用A、B组填料或改良土填筑;路基本体采用A、B组及C 组中的不易风化块石、碎石、砾石类填料。
采取分层填筑、分层压实的施工方法,按路基全宽水平分层,逐层向上填筑。
按“三阶段,四区段、八流程”进行施工。
“三阶段”是指准备、施工、检修验收三个阶段,“四区段”是将作业面分为卸料区、摊铺区、碾压区和检测区,做到界限分明,以便控制摊铺厚度、平整度、含水量,碾压范围和碾压遍数,防止漏压。
“八流程”是指填料选择、基底处理、摊铺平整、含水量控制、振动碾压、检测签认、路基成型、边坡修整。
整个路堤施工做到区段分明,流程合理,保证施工质量符合规范要求。
3、施工工艺A、B组填料填筑压实工艺流程3.1 基底处理路基填筑前完成基底处理,并经过质量检查验收,基底设置向两侧4%的横向排水坡。
3.2 施工测量准备(1)做好测量放线和施工前的复查,划分作业区段,严禁跨区作业。
(2)根据设计文件做好永久或临时防排水设施,尤其在路堤与路堑搭接处,应首先做好排水设施,以免地表集水冲刷、浸湿路堤。
3.3 填料准备(1)土工试验按照《铁路工程土工试验方法》(TBJ102-96)的要求进行土工试验,开工前进行填料击实试验,采用重型击实标准,填筑时按规定进行压实度检测试验。
通过填料击实试验确定路基各种填料的最佳含水量、最佳密实度,填好《取土送样单》和《路基填土土工试验报告》,并报监理工程师审批签认。
(2)现场工艺试验选取实验室确定的合格填料,开工前,各项目部自选一段作为试验段进行现场压实工艺试验,并按试验结果填写《现场压实机具试验记录表》报监理工程师审批。
试验时记录压实设备的类型、组合方式、碾压遍数及碾压速度、工序、每层填料的松铺厚度及含水量等。
根据试验结果总结适合于该种路基填料的标准施工方法,报监理工程师批准后作为该种填料施工控制的依据。
A、B组填料填筑作业指导书1 目的明确A、B组填料填筑作业的工艺流程、操作要点和相应的工艺标准,指导、规范A、B组填料填筑施工。
2 编制依据《铁路路基工程施工质量验收暂行标准》《铁路路基工程施工技术指南》《铁路工程施工质量验收暂行标准》《重载铁路设计规范(山西中南部铁路通道路基施工强制性规定)》《路基工程设计与施工参考图集》《铁路工程土工试验规程》3 适用范围适用于中铁十一局山西中南部铁路通道ZNTJ-7标路基A、B组填料施工。
4 填料要求路堤填料要符合《铁路路基施工规范》的要求,当使用不同种类和条件的填料填筑路堤应按设计要求进行。
填料指符合A、B组填料标准的填料。
1.对A、B组填料的材质要求填料的种类、质量应符合设计要求2.A、B组填料的具体指标要求严格控制A、B组填料最大粒径和细粒土含量,选择合理的级配组成,控制最佳含水量。
对于矿山、路堑、隧道的洞碴、河床内的卵石加工而成的碎石类土填料技术指标要求:最大粒径宜控制在60mm以内, 应具有良好的颗粒级配组成,大于20mm的颗粒含量宜控制在25~45%,小于0.075mm的细粒含量宜控制在15%以内,细粒土宜为低液限粉土或低液限粉质粘土;并进行标准击实试验确定最大干密度、最优含水量。
对于天然级配的砾石类细角粒土和细圆粒土,最大粒径宜控制在60mm以内,大于20mm的颗粒含量宜大于20%,小于0.075mm的细粒含量宜控制在15%以内(且不应大于20%);颗粒应做矿物成分分析,以判定其抗风化、软化性能及水稳定性能;并对细粒土应做液塑限指标试验。
对细角粒土和细圆粒土应进行室内标准击实试验,以确定最大干密度和最优含水量。
若天然的砂卵石级配不良,圆粒过多,细粒土含量较少,整体粘性差应进行筛分(或破碎)与掺加细粒土进行组成拌和,以满足B组填料的各项指标和路基各部位压实标准。
5 施工工艺及技术要求A、B组填料填筑施工工艺流程见下图。
A、B组填料填筑施工工艺流程图1、分层填筑路基填筑采取横断面全宽、纵向分层填筑的方式。
A、B组填筑施工作业指导书1 目的明确路基A、B组填料施工作业的工艺流程、操作要点和相应的工艺标准,指导、规范路基A、B组填料填筑施工。
2 编制依据《客运专线铁路路基工程施工质量验收暂行标准》《客运专线铁路路基工程施工技术指南》《新建铁路成绵乐客运专线施工图设计文件》3 适用范围适用于新建铁路成绵乐客运专线路堤A、B组填料填筑施工。
4 A、B组填料要求及料源4.1 A、B组填料应符合设计文件和验标的要求。
4.2施工前对A、B组填料粒径、填料种类进行核实,A、B组填料的种类及技术条件应符合设计要求。
填筑前通知监理工程师对填料进行见证取样检验;填筑时对运至现场的填料进行抽样检验。
4.3基床底层:采用A、B组填料进行填筑的路基基床底层,填料可从当地砂场购买砂卵石,对粒径较大的卵石、块石进行破碎工艺,最大粒径不大于6cm;4.4 路堤本体:采用A、B组填料进行填筑的路堤本体,填料可从当地砂场购买砂卵石,对粒径较大的卵石、块石进行破碎工艺,最大粒径不大于10cm;4.5 地基挖出换填:采用A、B组填料进行地基挖出换填的路基,填料可从当地砂场购买砂卵石,对粒径较大的卵石、块石进行破碎工艺,最大粒径不大于10cm;5 施工工艺及技术要求5.1主要机械设备配置挖掘机、装载机、推土机、平地机、压路机、自卸汽车、稳定土拌和设备。
5.2路基填筑试验段5.2.1路基全面开工前,根据工程土类性质和填料性质、压实机械条件,分别选择一定长度(不少于100m)的试验区段进行路基填筑试验,以选定与路基填筑、压实、检测有关的工艺参数;确定新的快速试验检测办法与已规定的基本试验检测之间的相互关系等,验证和优化路基填筑施工方案,确定施工工艺参数。
5.2.2试验段的目的为取得施工经验及相关参数,检验施工机械组合,根据压实机械和路堤不同部位的压实标准来确定松铺厚度、达到设计要求密实度的碾压遍数等,以确定最佳的组合方案。
将以上资料整理上报监理工程师批准后,指导此项工程的路基施工。
中铁一局武广客运专线 XXTJ Ⅱ标无碴轨道路基A、B组填料施工作业指导书编制:审核:批准:中铁一局武广客运专线项目经理部2007年5月目 录1、编制依据2、编制原则3、填前准备4、A、B组填料4.1填料要求4.2填料选择4.3填料生产及管理5、路堤填筑5.1基床以下路堤填筑5.1.1填筑方法5.1.2配置机械5.1.3施工工艺5.2基床底层路基填筑6、沉降变形监测及四电接口预留7、质量控制要点及质量控制措施7.1质量控制要点7.2质量控制措施8、安全保证措施9、其他注意事项中铁一局武广客运专线XXTJ Ⅱ标无碴轨道路基A、B组填料施工作业指导书1、编制依据1.1新建铁路武广至广州客运专线乌龙泉至花都段施工大样图及补遗 1.2新建铁路武广至广州客运专线乌龙泉至花都段路基附属结构物及其接口设计图集1.3客运专线铁路路基工程施工质量验收暂行标准1.4客运专线铁路路基工程施工技术指南1.5我单位自行编制的武广客运专线铁路路基工程施工技术细则1.6我管段7个料源点填料选择及试验段工艺总结报告2、编制原则2.1严格按照设计,细节入手,全工序进行质量控制,保证每个环节的验标标准的落实。
2.2全面落实武广公司号召的“精品武广”的目标。
2.3针对武广客运专线无碴轨道路基工程特点,制定相应的技术措施。
3、填前准备3.1施工前,须对地基进行复查、核对,发现地基范围内有局部松软、坑穴、泉眼等,应慎重处理,不得随意填塞。
3.2路堤必须严格按设计文件进行地基处理,并经检验满足设计要求和监理工程师签认后方可开始填筑。
3.3在大面积填筑前,不同填料应选取有代表性的地段至少100m作为试验段,进行现场填筑压实工艺试验,确定施工工艺参数,并报监理单位进行预评估,然后申报长沙项目部进行填料及施工工艺的评估。
3.4路堤施工应及时做好防排水3.4.1施工前应结合永久排水设施做好地表排水设施,排水沟应随挖随砌,铺砌必须及时完成。
另外排水沟必须统一规划,并核查排水沟与地貌标高是否匹配,务必使排水沟有出水口。
路基AB料填筑施工作业指导书1适用围本作业指导书适用于适用于新建福平铁路二标段路堤AB料填筑施工。
2作业准备2.1.1作业条件1施工场地达到“三通一平”,地基处理按照设计施工完成并通过验收,进场道路满足路基AB填料运输的要求。
2沿征地界开挖排水沟,沟宽1.0m,深0.8m,确保临时排水通畅。
3施工围的地上、地下障碍物清理或改移完毕,对不能改移的障碍物进行标识,并有技术保护措施。
2.1.2技术准备1收集场地工程地质、水文地质资料,考察周边环境,编制AB料运输方案和制定施工中排水措施。
2组织施工技术人员进行了图纸会审工作,并对施工人员进行了技术交底。
3通过路基AB料填筑试验段施工确定工艺参数。
4对全段导线点进行了复测,复测结果符合技术规要求。
5沉降板、位移桩等已按要求准备齐全并按设计要求进行了设置。
2.1.3定位放样路基AB料填筑前先放出定位轴线和控制点,控制点尽量设置在远离施工区域不受干扰的地方,并加以固定保护。
在填筑过程中,要经常对控制点进行复核。
根据控制点,由项目部测量组和现场技术员,测放出线路中心线及填筑边线,在中心线处插入钢筋,在边线处撒石灰标识,对放出的中心线和边线,请监理工程师进行复核检查,并作好复核记录。
2.1.4机械设备及测量仪器路基AB料填筑施工每个作业面需投入机械设备有推土机、压路机、挖掘机、平地机、自卸汽车。
所需的测量仪器有全站仪、水准仪。
施工人员配备有:推土机司机、平地机司机、压路机司机、挖掘机司机、自卸汽车司机、试验工、测量工和普工。
3技术要求路基AB料填筑施工前需要选择长度不小于200m的路段进行工艺性试验,根据工艺性试验确定的参数编制施工方案,经监理单位审批后组织进行大面积的施工。
根据设计要求,路基基床底层检测标准见下表。
路基AB料填筑施工重难点如下。
1填料含水量和松铺厚度的控制是施工的重点,直接影响路基的压实质量。
2沉降观测是施工控制的重点和难点,直接影响后期无砟轨道施工质量。
A、B组填料施工作业指导书编制:审核:批准:2010年02月01日发布2010年03月01日实施A、B组填料施工作业指导书1、适用范围本作业指导书适用于贵广铁路10标段DK628+043.270~DK654+027.460段路基工程A、B组填料的施工。
2、作业准备2.1内业技术准备开工前由总工程师组织技术人员认真学习实施性施工组织设计,审核施工图纸,澄清相关技术问题,熟知验收标准和技术标准。
制定施工安全、质量、环水保、工期等保证措施,编制应急预案。
由各对应部门组织对施工作业人员进行技术交底、岗前技术、安全培训,考核合格后持证上岗。
2.2外业技术准备收集施工中所涉及的各种外部技术数据。
修建生活房屋及施工便道、水、电等临时设放,配齐生活、办公设施,满足主要管理、技术人员生活、办公需要。
3、技术要求(1)基床以下路堤应选用A、B组填料和C组碎石类、砾石类填料。
当选用C 组细粒土填料时,应根据填料性质进行改良。
当选用硬质岩石及不易风化的软质岩的碎石时,应级配较好,块石类填料的粒径不得大于15cm。
(2)基床底层选用A、B组填料或改良土。
碎石类作为基床底层填料时,应级配良好,其粒径不应大于10cm。
本管段工程采用的A、B组填料:根据设计要求,区间内路基本体与基床底层A、B组填料选用细角砾土,为A组料。
粒径大于2mm颗粒的质量超过总质量的50%,棱状为主,细粒含量<5%,为级配良好的含土细角砾。
(3)施工前先进行现场填筑压实工艺试验,确定不同压实机械、不同填料施工含水率的控制范围、适宜的松铺厚度和相应的碾压遍数、最佳的机械配套和施工组织,形成试验段总结报告,报监理单位确认后方进行大面积施工。
4、施工程序及工艺流程4.1施工程序填筑按“三阶段、四区段、八流程”施工工艺组织施工,将一个路基段按一定长度(一般在200m以上)划分出4个连续作业区段,组织4个独立作业班组承单路基填筑施工的8道作业工序(测量放线→地面处理→分层填土→摊铺整平→洒水晾晒→碾压夯实→检测报验→整修成型)。
AB组填料作业指导书一、引言填料作业是化工生产过程中常见的操作步骤之一,它在提高反应效率、增加传质和传热效果等方面起着重要作用。
本指导书旨在为AB组填料作业提供详细的操作指导,确保填料作业的安全、高效进行。
二、填料的选择1. 根据填料的化学性质、物理性质和工艺要求,选择适合的填料种类。
2. 考虑填料的成本、耐久性和可维护性,选择经济实用的填料。
3. 根据填料的形状和尺寸要求,选择合适的填料。
三、填料的准备1. 检查填料的质量和数量,并进行记录。
2. 对填料进行清洗和干燥处理,确保填料表面无杂质和水分。
3. 准备好填料的储存容器,并确保容器干净、无污染。
四、填料的装填1. 准备好填料的装填设备,如填料塔或填料床。
2. 按照设计要求,将填料均匀地装填到填料塔或填料床中。
3. 确保填料的层高和均匀度,避免出现空隙或堵塞现象。
4. 在填料装填过程中,注意操作人员的安全,佩戴好防护装备。
五、填料的压实1. 使用合适的装填工具,对填料进行轻轻压实,以提高填料的密实度。
2. 注意控制压实力度,避免填料的破碎或变形。
3. 检查填料的压实效果,确保填料层的均匀和稳定。
六、填料的保养和维护1. 定期清洗填料,去除附着在填料表面的污垢和杂质。
2. 检查填料的磨损情况,如有需要,及时更换磨损严重的填料。
3. 注意填料的存放环境,避免受潮和受污染。
4. 定期检查填料的堵塞情况,如有需要,进行清理和疏通。
七、填料作业的安全注意事项1. 在填料作业过程中,严格遵守相关的安全操作规程和操作规范。
2. 操作人员应佩戴好防护装备,如手套、护目镜和防护服。
3. 确保填料作业区域通风良好,避免有害气体的积聚。
4. 确保填料作业区域干燥,避免滑倒和事故发生。
5. 遵守消防安全规定,确保填料作业区域的消防设施完好有效。
八、填料作业的质量控制1. 定期对填料作业进行检查和评估,确保填料的质量符合要求。
2. 监测填料作业的效果,如传质和传热效果,及时调整填料的使用量和形状。
AB组填料作业指导书一、任务概述本作业指导书旨在为AB组填料作业提供详细的操作指导和注意事项,以确保填料作业的顺利进行。
本指导书包括填料材料的选择、填料的安装方法、填料的密度控制以及填料作业的安全注意事项等内容。
二、填料材料选择1. 根据填料作业的具体要求,选择适合的填料材料。
常见的填料材料有陶瓷球、金属填料、塑料填料等,根据填料的应用环境和性能要求进行选择。
2. 考虑填料的耐腐蚀性、耐磨性、热传导性等性能,确保填料材料能够满足工作条件下的要求。
3. 选择填料时,还需考虑填料的成本、可维护性和可回收性等因素,以实现经济合理性和环境友好性。
三、填料安装方法1. 在进行填料作业前,确保填料设备和安全防护措施已经准备就绪。
2. 根据填料的形状和尺寸,选择合适的填料安装工具,如填料刀、填料夹等。
3. 根据填料的要求,将填料均匀地分散在填料设备中,确保填料的密度均匀。
4. 使用填料安装工具将填料逐层压实,确保填料的紧密度和稳定性。
5. 在填料作业过程中,及时清理填料设备内的杂物和碎屑,以保持填料的清洁度。
四、填料密度控制1. 根据填料的性能要求和工作条件,合理控制填料的密度。
填料密度的控制直接影响填料的传质和传热性能。
2. 填料密度的控制可以通过填料的选择、填料的层数、填料的压实程度等方式实现。
3. 根据填料的应用要求,参考相关的填料密度标准或经验数据,进行填料密度的控制。
五、填料作业的安全注意事项1. 在进行填料作业前,必须戴好个人防护设备,包括安全帽、防护眼镜、耳塞、防护手套等。
2. 在填料作业过程中,严禁吸烟、使用明火或其他可能引起火灾的物品。
3. 注意填料设备的稳定性,避免填料设备倾斜或翻倒。
4. 遵守相关的操作规程和安全操作规范,确保填料作业的安全进行。
5. 在填料作业结束后,及时清理现场和设备,排除安全隐患。
六、总结本作业指导书详细介绍了AB组填料作业的相关内容,包括填料材料的选择、填料的安装方法、填料的密度控制以及填料作业的安全注意事项等。
京沈京冀客专Ⅰ标段二工区A、B组填料施工作业指导书京沈京冀客专I标二工区路基工程A、B组填料施工作业指导书编制:复核:审核:中铁一局京沈京冀客专I标指挥部二工区二○一四年五月京沈京冀客专Ⅰ标段二工区A、B组填料施工作业指导书A、B组填料施工作业指导书目录1.适用范围 (1)2.作业准备 (1)2.1内业技术准备 (1)2.2外业技术准备 (1)3.技术要求 (1)4.施工程序与工艺流程 (2)4.1施工程序 (2)4.2施工工艺流程 (3)5.施工要求 (4)5.1施工准备 (4)5.2施工工艺 (4)6.劳动组织 (6)7.材料要求 (6)8.设备机具配置 (7)9.质量控制与检验 (7)9.1质量控制 (7)9.2质量检验 (8)10.安全及环保要求 (10)10.1安全要求 (10)10.2环保要求 (11)京沈京冀客专Ⅰ标段二工区A、B组填料施工作业指导书A、B组填料填筑施工作业指导书1.适用范围适用于京沈京冀客专Ⅰ标段路基A、B组填料填筑施工。
2.作业准备2.1内业技术准备作业指导书编制后,应在开工前组织技术人员认真学习实施性施工组织设计,阅读、审核施工图纸,澄清有关技术问题,熟悉规范和技术标准。
制定施工安全保证措施,提出应急预案。
对施工施工人员进行技术交底,对参加施工人员进行上岗技术培训,考核合格后持证上岗。
2.2外业技术准备施工作业层中所涉及的各种外部技术数据收集。
修建生活房屋,配备生活、办公设施,满足主要管理、技术人员进场生活、办公需要。
3.技术要求3.1路基基床以下A、B组填料生产工艺流程见图3.1-1。
图3.1-1 基床以下路堤A 、B 组填料生产工艺流程图3.2料源分选:根据路基填筑的不同部位,对不易风化的料源进行相应分选,选用硬质岩石加工A 、B 组填料;3.3堆放料时用装载机在振动筛出料口处及时转运,分层堆放,防止形成自然坡角的料堆,避免颗粒发生离析,以保证成品填料颗粒级配的均匀性。
AB组填料作业指导书填料作业指导书一、引言填料作业是工业生产中常见的一项工作,它的目的是将填料材料填充到设备或容器中,以达到密封、隔热、吸声、吸振等功能。
本指导书旨在为AB组填料作业提供详细的操作指导,以确保填料作业的安全、高效和质量。
二、填料作业前的准备工作1. 确定填料材料:根据设备或容器的工作条件和要求,选择适合的填料材料。
常见的填料材料有金属填料、塑料填料、陶瓷填料等。
2. 准备填料工具和设备:包括填料夹具、填料刀、填料搅拌器等。
3. 确保工作区域安全:清理工作区域,确保没有杂物、油污等可能影响填料作业的因素。
三、填料作业步骤1. 检查设备或容器:在填料作业之前,仔细检查设备或容器的表面是否平整、无明显破损或腐蚀等情况。
如有问题,应及时修复或更换。
2. 清洁设备或容器:使用清洁剂和刷子清洁设备或容器的表面,确保无尘、无油污,以便填料能够牢固附着。
3. 定位填料夹具:根据设备或容器的形状和尺寸,选择合适的填料夹具,并将其正确定位在需要填充的位置上。
4. 混合填料材料:按照填料材料的使用说明,将所需的填料材料与适量的润滑剂或粘结剂混合均匀。
确保填料材料的质量和性能符合要求。
5. 填充填料材料:使用填料刀或填料搅拌器将混合好的填料材料填充到设备或容器中。
填充时要均匀、适量,避免过度填充或不足填充。
6. 整理填料材料:使用填料刀或填料搅拌器将填料材料整理平整,确保填料层均匀、紧密,没有空隙或松散部分。
7. 检查填料质量:填料作业完成后,仔细检查填料层的质量。
确保填料材料没有脱落、松动或漏填的情况。
四、填料作业的注意事项1. 安全操作:在填料作业过程中,必须佩戴个人防护装备,如手套、安全帽和防护眼镜等。
避免直接接触填料材料和化学药品,以免对身体造成伤害。
2. 防火防爆:根据填料材料的特性,采取相应的防火防爆措施,确保填料作业过程中不会引发火灾或爆炸事故。
3. 环境保护:填料作业产生的废料和废液应妥善处理,避免对环境造成污染。
AB组填料作业指导书填料是一种常用的化工设备内部填充材料,用于增加接触面积,提高传质传热效率。
AB组填料是一种常见的填料类型,由A组填料和B组填料组成。
本文将为大家介绍AB组填料的选择、安装和维护等方面的操作指导。
一、AB组填料的选择1. 填料材料选择AB组填料的选择应根据具体的工艺要求和介质性质来确定。
常见的填料材料有金属、塑料和陶瓷等。
金属填料具有良好的强度和耐腐蚀性能,适用于高温高压工况;塑料填料具有较好的耐腐蚀性和低密度,适用于一般工况;陶瓷填料具有良好的耐磨性和耐高温性能,适用于高磨损和高温工况。
2. 填料形状选择AB组填料的形状选择应根据填料床层的要求来确定。
常见的填料形状有环形、球形、片状和网状等。
环形填料具有较大的表面积和较好的液膜分布性能,适用于传质传热要求较高的工况;球形填料具有较好的容积利用率和液膜分布性能,适用于一般工况;片状填料具有较大的液膜分布面积和较好的液膜分布性能,适用于高传质传热要求的工况;网状填料适用于高流速和高液体负荷的工况。
二、AB组填料的安装1. 安装前准备在安装AB组填料之前,需要对设备进行清洗和检查,确保设备内部干净无杂质。
同时,需要检查填料支撑结构的完整性和稳定性,确保填料能够正常运行。
2. 填料的均匀分布将A组填料和B组填料按照一定比例混合均匀,然后均匀地分布在填料支撑结构上。
填料的分布应均匀、密实,避免出现空隙和堆积现象。
3. 填料的固定填料安装完成后,需要进行固定。
常见的固定方式有填料网固定、填料夹固定和填料卡固定等。
选择合适的固定方式,确保填料能够稳定地固定在填料支撑结构上。
三、AB组填料的维护1. 定期检查定期对AB组填料进行检查,发现问题及时处理。
检查内容包括填料的磨损程度、堆积情况和固定情况等。
如发现填料磨损严重或堆积过多,应及时更换或清理。
2. 清洗保养定期对AB组填料进行清洗保养,保持填料的清洁和良好的传质传热性能。
清洗时可使用适当的溶液或清洗剂,注意避免对填料造成损害。
新建沪昆铁路客运专线贵州段CKGZTJ-1标段路基工程编号:SDQJHKGZ-1-03-A、B组填料填筑施工作业指导书编制:审核:批准:2010年-11月 - 发布2010年-11月- 实施中国水电七局沪昆客专贵州段工程指挥部批准发布A、B组填料填筑施工作业指导书1 适用范围适用于新建沪昆铁路客运专线长沙至昆明段(贵州)CKGZTJ-1标段DK419+530~DK437+926.46段路基基床以下及基床底层A、B组填料填筑施工。
2准备工作1) 作业指导书编制之后,组织技术人员认真学习实施性施工组织设计,阅读、审核施工图纸,澄清有关技术问题,熟悉规范和技术标准。
对施工人员进行技术交底,对参加施工人员进行上岗前技术培训,考核合格后持证上岗。
2) 施工前,应做好土石方的调配方案。
取土场应根据实际要求和施工地段总的土石方调配计划进行选定。
3) 检查核对填料的试验和实际使用情况,当实际使用填料发生变化时,应另取样进行土工试验鉴定。
3 技术要求1) 施工前要进行现场填筑压实工艺试验,确定不同压实机械、不同填料施工含水率的控制范围、适宜的松铺厚度和相应的碾压遍数、最佳的机械配套和施工组织。
2) 施工前按设计提供的配合比进行室内试验,确定施工配合比。
4 施工程序与工艺流程4.1 施工程序基床以下路堤填筑应按“三阶段、四区段、八流程“的施工工艺组织施工程序。
4.2 工艺流程A、B组填料填筑压实工艺流程5 施工要求5.1 施工准备1)做好测量放线和施工前的复查,划分作业区段。
2)施工前进行现场填筑压实工艺试验,确定不同压实机械、不同填料施工含水率的控制范围、适宜的松铺厚度和相应的碾压遍数、最优的机械配套和施工组织。
5.2 施工工艺1)基底处理人工配合挖掘机将原地面杂草树根及表层软土等清理干净,并将弃土用自卸汽车运至弃土场,对基底土进行晾晒,待含水量达到试验确定的最佳含水量,再用推土机进行平整、碾压,已达到规定的压实度。
A、B组填料填筑施工作业指导书1合用条件及范围本作业指导书合用于武广客运专线XXTJlV标中铁五局五总队管段的路基A、B组填料填筑施工。
2施工方法客运专线铁路路堤基床底层采用A、B组填料或者改良土;基床以下,原则上采用A、B组及C组中的不易风化块石、碎石、砾石类填料,当采用细粒土、粉土和易风化软岩块石及其风化物等C、D组填料的改良土填筑时,应同时采取边坡加筋、坡面防护等加固措施。
A、B组填料的填筑施工,关键在于填料的控制和压实质量的控制,以隧道弃磴、路堑弃土经粒径改良、级配改良后形成A、B组土,或者设置集中取土场进行A、B组土生产,采用自卸汽车、推土机、平地机、压路机配合完成其填筑施工。
A、B组土生产厂需要配置石料粉碎设备、过筛设备及混合料拌和设备(稳定土拌和设备)。
3施工工艺A、B组填料填筑压实工艺流程1.1基底处理路基填筑前完成基底处理,并经过质量检查验收,基底设置向两侧4%的横向排水坡。
3.2施工测量准备(1)做好测量放线和施工前的复查,划分作业区段,严禁跨区作业。
(2)根据设计文件做好永久或者暂时防排水设施,特别在路堤与路堑搭接处,应首先做好排水设施,以免地表集水冲刷、浸湿路堤。
4.3填料准备(1)按设计要求选择填料来源,应通过室内试验按《客运专线铁路路基工程施工技术指南》中附录A路基填料分组的相应标准对料源进行鉴别,如果无法利用挖方弃土,则设置集中取土场,以满足施工需要。
(2)按《客运专线铁路路基工程施工质量验收暂行标准》规定的填料复查批量进行填料性质试验,确定其相应的技术指标。
(3)料源场需要设置粉碎设备、过筛设备等对填料的粒径、级配进行控制,必要时采取稳定土拌和设备进行拌制。
(4)针对不同的填料,进行工艺性填筑试验,确定摊铺厚度、压实遍数等施工参数。
5.4分层填筑(1)路基按横断面全宽纵向分层填筑。
(2)当原地面高低不平时,先从最低处分层填筑,从两边向中部填筑。
(3)填料虚铺厚度按照试验段确定的虚铺厚度进行控制,自卸汽车运土,根据车容量计算卸料间距并在路基上划线打格,以便平整时摊铺厚度均匀。
A、B组填料填筑路基作业指导书
1.选用级配良好填料。
2.双向拉伸聚丙烯土工格栅每延米纵向拉伸屈服力≥30KN/m,每延米横向拉伸屈服力≥30KN/m,纵向屈服伸长率≤13%;横向屈服伸长率≤16%。
纵横向2%伸长率时,纵横向拉伸力≥10KN/m,纵横向5%伸长率时,纵横向拉伸力≥15KN/m。
3.双向高强聚酯长丝经编土工格栅,其纵横极限抗拉强度≥30KN/m,纵横向标称抗拉强度下的伸长率≤13%;纵横向5%伸长率时,纵横向抗拉强度≥18KN/m。
4.填筑按“三阶段、四区段、八流程”方式作业,严格控制填筑层厚度,分层厚度不大于30cm,不小于15cm,先用推土机初平,再用平地机精平,做成向路基两侧4%的排水坡,路基两侧各加宽50厘米,保证边坡压实密度。
5.摊铺完毕,及时检测摊铺层含水量。
6.振动压路机按试验段确定的工艺参数进行碾压。
碾压时,压路机先慢后快,振动频率先弱后强,直线段由两侧向中间,行与行的轮迹重叠宽度不小于0.3m,上下两层接头处错开3m,无漏压,无死角,碾压均匀。
7.铺设土工格栅:在边坡3m范围内纵向铺设土工格栅,土工格栅要拉直平顺,紧贴下承层,幅与幅之间采用铁丝捆绑法或编结法搭接30cm,用U型钢卡固定在下层土中,上下两
层接缝应相互错开3.0m以上。
A、B填料(基床底层及混凝土基床两侧)填筑作业指导书1.适用范围本条文适用京沈京冀客基床底层及混凝土基床两侧A、B组料填筑的作业。
2.作业准备2.1内业技术准备组织技术人员认真学习、领会实施性施工组织设计,阅读、审核、新建铁路北京至沈阳铁路客运专线施工图,澄清有关技术要求问题,熟悉规范和技术标准。
对参加施工人员进行路基基床底层A、B组料填筑施工技术交底、安全交底,告知危险源以及相应的应急措施,并进行岗前技术、安全培训,安质员考核合格后持证上岗。
2.2外业技术准备2.2.1施工作业层中所涉及的各种外部技术数据收集,对所选择的填料进行核对确认并经试验鉴定,使其能够确保路基基床底层A、B组料的质量检测、压实标准等指标达到设计要求。
2.2.2已完成现场踏勘,对妨碍施工和安全操作有影响的既有架空管线、地下管线等设施,已采取清除、改移、保护措施妥善处理。
2.2.3施工便道已完成,能满足各种施工机械的通行、施工的条件。
2.3工程概况DK50+400~DK50+652.08、DK50+671.92~DK51+175基床表层填筑级配碎石,厚0.7m。
基床底层依次填筑非冻胀A、B组土,厚度0.5m,A、B组土,厚度 1.8m。
基床底层以下填筑A、B、C组土。
DK51+175~DK51+228.26路堤段上部设置混凝土基床,基床依次为C35混凝土,厚0.5m,C20混凝土,厚0.8m,混凝土基床以下铺设0.5m 厚碎石垫层及0.9m厚A、B组土,基床底层以下填筑A、B、C组土,混凝土基床两侧路基面铺筑C30混凝土预制块,其下设置0.1m厚砂砾垫层,垫层底面设置一层两布一膜不透水土工布,土工布以下设置0.1m厚三七灰土垫层。
3.技术要求(1)AB组填料加工场根据需要配备相应的筛分、破碎、拌和等设备。
(2)AB组填料生产所选原材,不得有强风化材料或泥块。
(3)AB组填料粒径、级配须符合规范要求。
(4)AB组填料施工前须进行室内试验确定配合比。
沪昆客专贵州段CKGZTJ-9标段隧道工程编号:A、B组土填筑施工作业指导书单位:编制:审核:批准:2010年10月31日发布 2010年11月1日实施A、B组土填筑施工作业指导书1适用范围适用于沪昆客专贵州段CKGZTJ-9标段路基A、B组土填筑施工。
2作业准备2.1内业技术准备作业指导书编制后,应在开工前组织技术人员认真学习实施性施工组织设计,阅读、审核施工图纸,澄清有关技术问题,熟悉规范和技术标准。
制定施工安全保证措施,提出应急预案。
对施工人员进行技术交底,对参加施工人员进行上岗前技术培训,考核合格后持证上岗。
2.2外业技术准备施工作业层中所涉及的各种各部技术数据收集。
修建生活房屋,配齐生活、办公设施,满足主要管理、技术人员进场生活、办公需要。
3施工程序与工艺流程3.1施工程序每个施工单元为一个完整的作业区,包含四个区段:填铺区、整平区、碾压区、检测区。
施工程序为:施工准备→A、B组填料的强度和级配检测→验收下承层→测量放样→填料的运输→分层摊铺平整→封层洒水与碾压→分层检测→路堤边坡及路面修正→填写检查检测记录及试验报告→报验3.2工艺流程4施工要求 4.1施工准备(1)熟悉核对施工图分层填筑作业循环图3.2 A 、B 组填料施工工艺流程图接到施工图后应组织技术人员全面熟悉核对,充分了解设计标准,核对基床底层预埋管线的设置及路基与相邻结构物的关系,作好核对记录,需办理变更手续的应按有关规定及时办理。
(2)土石方的调配方案取土场应根据施工图和施工地段总的土石方调配计划,并结合路基排水和当地土利用、环保规划进行布置,不得任意挖取。
(3)填料检验填筑前对取土场填料进行取样检验,填筑时应对运至现场的填料进行抽样检验。
填料的强度、颗粒、级配等相关项目按《铁路工程土工试验规程》(TB10102)规定的试验方法进行检验,确保基床底层填层的填料达到A、B组填料标准要求。
(4)试验段选择在A、B组土填筑大面积填筑前,根据工程土类性质和填料性质、压实机械条件,分别选择一定长度的试验区段进行路基填筑试验,以选定与路基填筑、压实、检测有关的工艺参数;确定不同压实机械、不同填料施工含水率的控制范围、适宜的松铺厚度和相应的碾压遍数、最佳的机械配套和施工组织。
青荣城际铁路工程QRZH-V标路基工程编号:AB组填料填筑施工作业指导书单位:编制:审核:批准:年月日发布年月日实施青荣城际铁路工程QRZH-V标路基工程A、B组填料填筑施工作业指导书一、编制目的:为了确保路基A、B组填料填筑的施工质量,保证无砟轨道的顺利施工。
二、适用范围:适用于青荣城际铁路QRZH-V标A、B组填料填筑施工。
三、编制依据和引用标准1、编制依据(1)设计院提供的相关设计文件和图纸。
(2)国家、铁道部等颁发的现行规范、规程、规则、验标及有关规定。
四、填料要求对将用于填筑路基的土按要求取样,并按《铁路工程土工试验规程》规定的试验方法进行填料的筛分、不均匀系数、曲率系数、表观密度、最大粒径、压碎指数等,符合规范要求的,报监理工程师批准。
路基基床底层填料的最大粒径无砟轨道一般不大于10cm,不同种类的填料不得混杂填筑,每一水平层的全宽应采用同一种填料,当采用包心路堤时,对堤心与两侧的填料应分别进行施工控制。
五、施工工艺及方法根据《客运专线铁路路基工程施工技术指南》、《客运专线铁路路基工程施工质量验收暂行标准》和《客运专线无砟轨道铁路工程施工质量验收暂行标准》要求, A、B料填筑施工按三阶段,四区段,八流程施工程序组织施工。
“三阶段”为:准备阶段——施工阶段——整修阶段“四区段”为:填筑区——平整区——碾压区——检验区“八流程”为:施工准备——基底处理——分层填筑——摊铺平整——洒水或晾晒——碾压夯实——检测签证——路基整修施工工艺及方法:1、原地面处理:作好地表排水设施,按照设计要求安装路基沉降监测元件,铺设褥垫层并压实达到设计、技术指南和验标要求。
2、分层填筑路堤采用按横断面全宽纵向水平分层填筑。
用自卸车运输时,要根据车容量计算堆土间距,用石灰画出方格网,以便平整时控制层厚均匀。
填筑路基前首先用石灰线打出方格网,方格网按路基的宽度横向从中线分开,纵向每隔5 m打一道横线,即每个纵向隔5m设2个小方格,根据路基的宽度计算出每个方格的面积,按照松铺厚度计算出每个小方格的体积,结合运输车运A、B料的立方数,从而确定每个方格所卸填料车数。
路基A、B组填料填筑施工作业指导书1. 目的A、B组填料填筑施工在路基施工的关键工序之一,其施工质量的好坏直接影响到路基工程的长期耐久性和稳定性,为了确保路基工程施工质量,满足设计及验标要求,特编制本作业指导书。
2. 适用范围该作业指导书适用于杭长铁路客运专线HCZJ-1标段中铁三局集团杭长客专浙江段项目经理部承建的HCZJ-1标段范围内的所有A、B组填料填筑施工作业。
3. 编制依据设计院提供的施工图纸;《客运专线铁路路基工程施工质量验收暂行标准》(铁建设[2005]160号)《客运专线铁路路基工程施工技术指南》TZ212—20054. 施工工艺流程按照路基填筑施工“三阶段、四区段、八流程”的施工工艺及压实试验确定的施工工艺流程见“A、B组填料填筑施工工艺框图”5. 施工工序控制施工准备5.1.1 A、B组填料的选择5.1.1.1 A、B组填料的材质要求现场填筑采用碎石类土(包括岩块石、卵石破碎加工而成的碎石类、砾石类和天然级配的砾石类)作为A、B组填料,要求填料中的粗颗粒的母岩单轴饱和抗压强度Rc>15MPa,且不易风化,不易软化(软化系数大于等于);填料中小于0.075mm的细粒含量不宜大于15%,且宜为低液限粉土或低液限粉质粘土。
5.1.1.2 A、B组填料的具体指标要求现场填筑时须严格控制A、B组填料最大粒径和细粒土含量,选择合理的级配组成,控制填料的最佳含水量。
对于矿山、路堑、河床内的卵石加工而成的碎石类填料技术指标要求:最大粒径宜控制在60mm以内,应具有良好的颗粒级配组成,大于20mm的颗粒含量宜控制在25%~45%,小于0.075mm的细粒含量宜控制在15%以内,细粒土宜为低液限粉土或低液限粉质粘土;对填料进行标准击实试验后确定填料最大干密度为cm3,最优含水量为%。
A、B组填料填筑施工工艺框图5.1.2 建议填筑参数5.1.2.1 验标要求填筑时最大填筑压实厚度不得大于35cm,最小填筑压实厚度不得小于10cm,建议摊铺厚度为35cm,碾压遍数为6遍,碾压顺序为静压(1遍)—弱振(2遍)—强振(2遍)—静压(1遍),在施工过程中根据实际情况可对摊铺厚度和碾压遍数进行调整。
5.1.2.2 按照填料室内试验,填料施工含水量限值控制在偏离最优含水量的-3%~+2%范围内。
5.1.3 机械、设备及人员5.1.3.1 主要施工机械设备主要施工机械为压实设备(采用自重25t振动压路机,最大激振力45t,极限影响深度为70~80cm),辅助设备有挖掘机、自卸汽车、推土机、平地机、小型内燃夯机等。
5.1.3.2 试验及测量检测仪器试验检测仪器主要配备有E Vd动态变形模量测试仪、E V2静态变形模量测试仪K30 检测仪,测量检测仪器有全站仪、水准仪等。
5.1.3.3 主要施工人员主要施工人员有技术人员、试验检测人员、各类施工机械操作人员及辅助人员。
、基底处理按照设计图纸,进行路基地基加固处理。
地基加固处理施工完毕并验收合格。
检测合格后填报检验批,报监理工程师批准、认可。
测量放样在填筑前,应全面进行一次高程和中线测量,中线每20m一个桩,并相应在两侧钉出边桩,再对中心及路肩进行水平测量,检查基底标高,即可进行A、B组填料填筑。
填筑前后,要进行水平测量,保证松铺厚度和压实厚度。
填筑5.4.1 运输采用自卸汽车从填料存放场地或取土场运送A、B料至施工现场,施工现场在有效的填筑范围内,按5m×5m用白灰画出网格,按照自卸汽车每车运输方量约9m3,松铺厚度35cm时,每格内倒入1车填料,自卸车由现场施工员进行指挥,严格按照标识卸放,现场须严格控制填料的松铺厚度,以保证压实质量。
控制填料含水量。
按照填料室内试验,填料施工含水量控制在最佳含水量±1%以内。
填料的含水量较低时,采用洒水车洒水措施;填料的含水量较高时,翻松晾晒。
进入现场的填料必须严格保证最大粒径不大于60cm,填料级配良好、均匀。
并及时报现场监理及试验监理进行检查签证。
5.4.2 摊铺填料的摊铺采用人工配合推土机按照边桩标识高度进行。
填料含水量适中时,压路机静压一遍后,平地机进行初步整平和整形。
平地机由两侧向路基中心进行刮平。
平地机初平后压路机快速静压一遍,将不平整的地方,人工挂线挖槽,平地机根据挂线挖槽高度进行细平。
必要时可再稳压一遍,用水平仪测放标高,人工挂线挖槽,补洒白灰点,用平地机进行精平,使其纵向顺延,横向路拱满足4%~6%的要求,精平要仔细进行,必须将局部高出部分刮除,并清出路外。
另在摊铺过程中对集料窝应及时进行处理,使填料级配均匀、良好,保证路基的碾压质量。
碾压全段路基摊铺整形完成,填料含水量接近最优含水量时(含水量限值控制在偏离最优含水量的-3%~+2%范围内),采用压路机在路基全宽范围内静压一遍,压路机由两侧路肩向路基中心碾压。
路基经过稳压后,进行振动压实,压实原则为“先轻后重,先慢后快,先弱后强”。
由两边向中间循序碾压,各幅碾压面重叠不小于0.4m,各区段交接处互相重叠压实,纵向搭接长度不小于2m。
外观质量检验每层路基填筑完毕后中线至边缘距离、宽度、横坡、平整度的允许偏差、检验数量及检验方法应符合下表的规定。
如发现超标现象,及时进行处理。
基床以下路堤中线至边缘距离、宽度、基床底层顶面中线至边缘距离、宽度、试验检测在试验人员在取样或测试前必须检查填料是否符合要求,碾压区段是否压实均匀,填筑层厚度是否超过规定的厚度。
填料复查的标准项目及频次按下表执行。
路基填料复查项目及频次注:表列数字为进行一次试验的填料体积。
5.7.1 路基填土压实的质量检验随分层填筑碾压施工分层检测。
包括地基系数、动态变形模量、孔隙率的检验检测。
检验、试验的质量标准及频次应符合以下规定。
基床以下路堤沿线路纵向每100m每压实层抽样检验压实系数或孔隙率 6个点,其中左右距路肩边线1m处各2点,路基中部2点;每100m每填高90cm抽样检验地基系数K304个点,其中其中左右距路肩边线1m处各1点,路基中部2点。
路堤基床底层沿线路纵向每100m每压实层抽样检验孔隙率6点,其中:相距50m两个断面左、右距路肩边线1m处各2点,路基中部2点;每100m每填高约90cm抽样检验地基系数K30 、动态变形模量E Vd 、变形模量E V2 各4点,其中:距路基边线2m处左、右各1点,路基中部2点。
5.7.2 路基每层填筑压实质量经按规定检验达到设计及规范要求后,并经监理确认合格后进行下一层填筑施工,否则应进行重新压实,直到合格为止。
压实标准符合下表规定:基床以下路堤压实质量标准基床底层压实标准检查签证经试验检测合格后报监理工程师进行检测,或与监理工程师平行检测,待监理工程师检测合格、签证后转入下一道工序施工。
填筑过程中各种预埋件及填筑施工注意事项5.9.1 沉降监测原件5.9.1.1 在A、B组填料施工过程中需要预埋的沉降元器件有沉降板、观测桩、检测桩三种沉降监测原件。
5.9.1.2 施工注意事项:(1)按设计要求埋设沉降观测设备。
路基填筑过程中,应注意保护沉降观测设备,不得损坏。
(2)沉降板埋设后,需制作相应的标示旗或保护架插在上方,沉降板附近1m范围内采用人工摊平及小型机具(可用内燃夯机或电动夯机)碾压,不得采用大型机械推土及碾压,并安排专人负责指导,确保元器件不受损坏。
(3) 应根据沉降观测情况进行综合分析,及时调整填筑施工工艺、施工组织措施或地基处理工程措施。
(4)路基施工应按设计要求进行地基沉降、侧向位移的动态观测。
观测基桩必须置于不受施工影响的稳定地基内,并进行定期的复核校正。
观测装置的埋设位置应符合设计要求,且埋设稳定。
观测期间应对观测点采取有效的保护措施。
(5)边桩及沉降在施工期间一般每一填筑层应进行一次观测,在沉降量突变的情况下,每天应观测2~3次。
如果两次填筑间隔时间较长,每3d 至少观测一次。
路堤经过分层填筑达到预压高程后,在预压期的前2~3个月内,每5d观测一次,三个月后7~15d观测一次;半年后一个月观测一次,一直观测到设计要求的时间。
(6)路基填筑至设计标高,应在路肩设观测桩,应与边桩和沉降同步进行观测,通过测量路肩观测桩的高程变化,确定路基面的沉降量。
(7)沉降观测资料应及时整理、汇总、分析,并进行评估,指导路基填筑施工和铺轨施工。
沉降观测资料、施工过程记录应作为控制工后沉降量的依据进行验交。
5.9.2 路基附属结构物及其接口预埋件5.9.2.1 在A、B组填料施工过程中需要的接口预埋件有过轨钢管、综合接地贯通电缆、路堤地段线间集水井及通信、信号电缆槽底部横向排水管。
5.9.2.2 施工注意事项:(1)路基中的预埋管件施工前应在预埋管件部位,先采用凸轮震动冲击压实机械进行3~6遍的冲击碾压,并采用滚筒压路机将路基碾压平整,且均大于路基相应部位的压实标准后,开挖一深15~20cm的槽道(直径15cm的管道槽深为20cm,直径10cm的管道槽深为15cm),安放管道前应采用小型机械对槽底土进行碾压密实,且平整水平,检测满足压实标准后,安放管道,回填与路基相同的A、B组填料,回填料的最大粒径不得大于20mm,且级配良好。
回填土采用振捣机械结合小型机械碾压密实,并经检测满足路基相应部位的压实标准,必要时回填料中可掺入5%的水泥。
预埋管件施工完成后,槽道顶第一层的填筑压实厚度不宜大于20cm,振动碾压密实后,对槽道顶第一层填筑层的压实检测点加密,一般不宜少于5个点。
路基中心1点,路基左右线中心各1点,距路基边线2m处左、右各1点。
(2)纵向贯通电缆与分支电缆成蛇形铺设,严禁绷紧。
电缆铺设好后,其后的路基填筑每一填层施工完成后,对贯通电缆以及分支电缆进行联通性检测,以防电缆断裂。
(3)每处预埋管道的开挖到完成回填碾压、以及每段接地电缆的埋设到完成回填碾压,尽量安排在一个工班内施工完成。
(4)路基填筑需等筏板、板梁混凝土强度达到设计要求以后方可施工。
(5)填筑A、B组填料时每层填筑厚度必须严格按照验标要求厚度控制。
(6)分层之间间隔时间较长,崩松的填料须洒水重压,雨季施工时,下层填筑前需重新碾压。
6. 施工要求检查核对填料的试验和实际使用情况,当实际使用填料发生变化时,必须另取样进行土工试验。
填料颗粒级配检验,其料源调查时级配以产地取样的筛分为判断依据,而颗粒级配的复查检测应在摊铺现场的不同部分取样的筛分为判断依据。
土样的取样、运送及试验过程中采用封闭性好的器具,防止细颗粒流失,以确保土样的代表性和试验成果的真实可靠性。
颗粒级配分析试验,应采取干筛法和水洗法两种方法,以水洗法为准,以确定细粒土的真实含量。
6.3 A、B组填料填筑严格按照“三阶段、四区段、八流程”的施工工艺组织施工。