钣金结构设计工艺大揭秘分析
- 格式:doc
- 大小:654.88 KB
- 文档页数:32
钣金折弯结构工艺性设计的探讨分析摘要:现今社会,钣金构造被普遍应用到设备制造,设备装配以及日常生活中,如汽车、IT、医疗二分类设备、自动化装备、空调等等,并对我们的生活产生着宏大的作用。
随同着科学技术的成熟与开展以及金属材料加工工艺的不断提升,钣金折弯产品的工艺性设计也得到了充沛的开展。
下面对日常生活中常见的数控折弯为例对钣金折弯构造工艺性设计进行浅析,希望可以对推进钣金折弯技术的提升起到一定的积极作用。
关键词:钣金折弯构造工艺设计钣金构造加工工艺主要是指对厚度在3mm以及以下的金属薄板进行剪切、冲切、部分拉伸、复合、折弯、焊接、铆接、拼接以及成型等,经过上述这些钣金工艺的设计与加工使得钣金更好的效劳于消费生活;普通来讲,钣金构造工艺设计是相关于热加工而言的,属于比拟意义上综合冷加工工艺。
在当前科学技术不断提升的状况下,金属材料成型与加工工艺不断走向成熟,为钣金构造工艺设计的提升奠定了坚实的根底,极大的提升了钣金消费效率,也使钣金构造工艺设计与消费成为一种可能。
在钣金构造工艺设计中,会遭到折弯零件构造外形构造、尺寸、材质等方面的限制,因而,在进行钣金折弯构造加工工艺过程中必需要对钣金折弯机上模、下模等诸多要素进行思索,以更好的使加工零部件合适加工工艺的理想需求。
1弯曲件的定义和加工要求1.1弯曲件的定义。
什么是弯曲件,弯曲是板料成形的一种根本方式,而弯曲件是板式构造设计和加工制造中最常用的零件。
钣金弯曲常用的工艺方式为折弯机折弯或者冲压。
工艺性好的弯曲件,不只取得优秀的加工质量,而且能够到达简化模具的设计制造,提升消费效率,降低消费本钱的目的。
金属板料在弯曲后,截面外形发作了变化,刚性得到了大幅提升,截面抗弯惯性矩增加,运用性能得到改善。
但是,弯曲件的截面外形、构造尺寸常常遭到折弯机或模具的约束。
具有良好工艺性的弯曲件不只能取得良好的加工质量,而且能简化模具。
1.2折弯展开的长度计算。
板料在弯曲过程中外层受到拉应力, 内层受到压应力, 从拉到压之间有一既不受拉力又不受压力的过渡层称为中性层; 中性层在弯曲过程中的长度和弯曲前一样, 保持不变, 所以中性层是计算弯曲件展开长度的基准。
钣金折弯结构的工艺性设计分析摘要:自从我国的工业化建设发展以来,我国的社会发展速度就越来越快,经济也获得了巨大的发展,这促进了我国金属加工制造行业的进步,而金属加工制造行业也是我国工业领域中的重要行业,直接影响着金属的使用和机械设备的生产,因此近几年来,随着我国科技的不断发展,技术加工工艺也不断进步。
目前在金属加工领域中,钣金加工技术是其中十分重要的工艺技术,在我国的机械设备生产和人们的日常生活中,都有着十分重要的作用。
所以本文就针对金属加工中的钣金折弯结构工艺设计进行探讨,提高钣金折弯结构的工艺设计水平。
关键词:钣金折弯;结构;公益性设计随着我国科技的不断发展,金属加工技术也得到了极大的进步,目前金属制品已经被广泛应用于社会生活的各个领域,给人们的生活提供了极大的便利,对我国各项事业的发展,也起到了积极的推动作用。
在我国当前的金属加工工艺中,钣金折弯结构的加工技术是其中十分重要的金属加工技术,钣金加工指的是将金属薄板通过手工或模具的冲压进行塑性变形,使其呈现出需要的形状和尺寸,能够被用于生产和加工复杂零件,所以在当前社会生活的各个领域中,都有着比较广泛的应用。
一、钣金弯曲件的介绍1、定义在我们的日常生活中,很多设备和产品的形状并不是简单的直线型,而是弯曲的,需要有一定的弧度结构进行连接,弯曲件就是板料成形的基本形式,也是板式结构设计和加工制造中最常用的零件,弯曲件的性能直接影响到整个零件的整体性能,和工艺性好的弯曲件,在加工质量和后期的制造过程中都能够发挥重要的作用,尤其是弯曲筋,还可以达到简化模具设计制造的效果,从而提高模具的生产效率,降低生产成本。
一般来说,弯曲件在加工的过程中,由于对其进行了弯曲,所以截面形状发生了变化,弯曲件的整体刚性会相应提升,截面的抗弯惯性距增加,从而有效的改善了弯曲件的整体性能,使其能够发挥出重要的应用价值。
但是弯曲件的加工工作存在一定的困难,其加工过程中需要有模具进行定型,所以弯曲件的结构尺寸和截面形状会受到模具的限制。
钣金件的结构设计需要注意以下几点:1. 简单形状准则:切割面的几何形状越简单,切割下料越方便、简单、切割的路径越短,切割量也越小。
如直线比曲线简单,圆比椭圆及其它高阶曲线简单,规则图形比不规则图形简单。
2. 节省原料准则:在薄板构件的设计中,要尽量减少下角料。
冲切弃料最少以减少料的浪费。
特别在批量大的构件下料时效果显著,减少下角料的途径有:减少相邻两构件之间的距离;巧妙排列;将大平面处的材料取出用于更小的构件。
3. 足够强度刚度准则:带斜边的折弯边应避开变形区。
两孔之间的距离若太小,则在切割时有产生裂纹的可能。
零件上冲孔设计应考虑留有合适的孔边距和孔间距以免冲裂。
4. 工艺性:孔的尺寸不宜过小,孔间距不宜过小,孔与工件直壁之间的距离不宜过小。
尽量减少零件对模具的磨损,注意节约原材抖。
弯折件的圆角半径应大于板料许可的最小弯曲半径。
弯折件的直边高度不宜过小。
避免畸形孔。
5. 美观性:钣金件的设计应该考虑到美观性,包括形状、表面处理、颜色等方面。
在满足功能和性能的前提下,尽量使设计看起来更加美观。
6. 功能性:钣金件的设计应该考虑到其在使用过程中的功能性。
例如,如果钣金件是用于支撑或固定其他部件的,那么其形状和尺寸应该能够满足这些功能要求。
7. 环保性:在现代设计中,环保性越来越受到重视。
钣金件的设计应该考虑到其在使用和制造过程中对环境的影响。
例如,应选择环保的材料,如可回收材料,而不是有害的材料。
8. 经济性:钣金件的设计应该考虑到其制造成本和价格。
在满足功能和性能的前提下,应选择成本较低的材料和制造方法,以降低产品的价格。
9. 安全性:钣金件的设计应该考虑到其在使用过程中的安全性。
例如,如果钣金件是用于保护人身安全的,那么其结构和材料应该能够满足这些安全要求。
10. 可维护性:钣金件的设计应该考虑到其在使用过程中的可维护性。
例如,如果钣金件需要定期清洁或更换部件,那么其结构和设计应该方便维护和更换。
钣金结构设计的工艺性问题研究摘要:钣金有时也称为扳金,一般是将一些金属薄板通过手工或模具冲压使其产生塑性变形,形成所希望的形状和尺寸,并可进一步通过焊接或少量的机械加工形成更复杂的零件。
钣金是针对金属薄板(一般在6mm以下)一种综合冷加工工艺,包括剪、冲、切、折、焊接、拼接等等,其最显著的特征就是同一个零件的厚度一致。
钣金结构设计中的工艺原则包括适用范围、材料、设备及工艺装备、工艺准备等等,一般情况下,钣金工厂最重要的三个步骤是剪、冲、折。
根据钣金结构设计的工艺性问题的分析,结合优化设计中的实际问题,可以有效的提高设计人员对钣金结构设计的水平,保证结构设计的工艺性。
关键词:钣金结构设计;工艺性;问题1钣金结构设计的工艺性分析钣金加工就是对金属板材的加工,钣金件是钣金加工的主要工艺品,例如生活中常见的烟囱、铁皮炉以及汽车的外壳等都是钣金件,用不锈钢做的一些厨具也是钣金件的一种。
钣金件对结构没有过多的要求,大多数是依据产品的需要进行设计的,在设计过程中,要尽量做到成本低、操作简便、外形美观等要求。
钣金结构设计中要用到剪板机、数控冲床、折弯机、点焊机、开卷机、去毛刺机等各种基本设备,制作流程工艺较复杂,且对钣金件的质量要求极高,需要独立于生产的品质检验。
现代钣金工艺包括:是灯丝电源绕组、激光切割、重型加工、金属粘结、金属拉拔、等离子切割、精密焊接、辊轧成型、金属板材弯曲成型、模锻、水喷射切割、精密焊接等。
此外,钣金结构的设计没有相应的框架应用,必须根据产品的不同需求来进行设计,这就大大增加了钣金结构设计的工艺性难度。
2制造工艺和模具的改进2.1改进制造工艺制造工艺的改进是人们在进行钣金加工工艺中经过实践不断总结得到的经验。
在钣金加工工艺的不断发展中人们发现了许多问题,如在钣金加工过程中,仅仅通过一件弯曲件来进行加工,往往难以得到符合人们要求的零件。
为此需要对其制造工艺进行改进,于是人们通过采用两件或多件弯曲件来进行共同加工,最后通过拼接的方式来得到人们想要的加工件。
钣金零件成型工艺及设计分析1 前言钣金零件是指通过钣金加工,即金属毛料通过手工或模具施加压力而产生塑性变形,达到所希望形状和尺寸而形成的零件。
按照原材料供应状态的不同,飞机钣金零件可分为挤压型材零件、板材零件及管材零件,分别由型材、薄板及管材通过相关成型工艺制作而成。
挤压型材零件主要适用于长桁、缘条、梁、支柱、连接角片类型材零件,按照型材原材料及零件特征,制造时可按照自身工艺能力选择闸压、滚弯、绕弯及拉弯工艺中的一种或几种进行。
板材零件主要适用于平板、蒙皮、框肋、口盖及整体壁板等类型零件,其主要成型工艺有闸压、液压、滚压、拉形及型辊成型。
管材零件主要适用于液压系统、氧气系统、燃油系统、空调系统中使用的各种导管以及部分管材结构零件。
钣金零件主要成型及制造方法包括冲切、剪切、铣切、闸压、液压、滚压、绕弯、拉弯、拉形及型辊成型。
2 钣金零件设计要求钣金零件设计时,所选的材料不但要考虑其使用性能(如强度、耐疲劳、抗腐蚀等),同时必须考虑材料的可成形性、材料供应商可提供金属材料的品种和规格以及零件制造供应商的设备加工能力;考虑材料性能、热处理状态及零件构型等因素,如可能,最好将零件设计成具有多种成型方法可供选择的零件。
2.1 设计时材料要求设计时应先了解适用材料的性能及其设计特性。
航空钣金零件中,最常用的材料是铝合金,其次是耐蚀钢、低合金钢及钛合金。
最终选择的材料应能保证零件满足其服役状态要求,并能最大限度地节约成本。
选材时,主要考虑以下因素。
(1)考虑材料对具体制造工艺的适用性及相关制造成本。
(2)考虑制造过程中加工硬化的速率。
(3)在满足强度要求的基础上考虑材料的成形特性。
(4)一般情况下,强度越高的零件越难成形。
(5)选择适航部门批准的材料。
(6)由于硬质合金(如镍、铁及钛合金)成型能力限制,应避免该类材料设计成小公差零件。
(7)沉淀硬化钢应在软状态成形,然后热处理至使用状态。
(8)如果可能,保证弯曲半径尽可能大,通常情况下,硬质合金应选择高温热成形以防止零件产生破裂。
钣金件结构设计及其工艺优化探讨摘要:随着经济的发展,人们的物质生活水平得到了明显提升,人们对钣金产品的需求也越来越大。
为了满足市场对钣金产品的需求,钣金工艺在发展过程中得到了有效提升,钣金工艺水准上升到了新的高度,已经能够很大程度满足钣金件的加工需求。
随着钣金工艺的优化提升,对钣金件的结构设计提出了更高的要求。
在激烈的市场竞争下,对钣金工艺优化目标下的钣金件结构设计进行探究有着十分深刻的现实意义。
文章以钣金件的工艺优化为目标,对其结构的设计过程进行了分析。
关键词:钣金件;结构设计;工艺优化;折弯;焊接工艺钣金件的用途十分广泛,在电器柜、金属控制箱、电池包等领域都有着普遍的应用。
随着机械行业对钣金工艺的要求不断提高,相关技术人员需要不断调整工作方向,进一步优化钣金件的结构设计,选择最为恰当的钣金工艺,使钣金件能够符合相关技术标准的要求。
一、钣金件结构设计概述1.1 钣金件结构设计的特点钣金通常指的是通过冲压成型的金属薄片。
这种金属薄片为了得到要求的形状和尺寸,在性能方面要求金属片具备不可恢复原状的特性。
通过焊接或者其他方式将金属薄片相互连接,加工成结构更加复杂的部件,以满足产品的功能要求。
比如,汽车的制造过程中大量应用到了钣金工艺。
钣金件的结构设计一方面要满足产品的实用性功能需求,另一方面需满足加工的便捷性、美观性等需求。
对钣金件的结构来说,不同产品的结构设计不尽相同,不同的结构设计之间的性能也不尽相同。
总的来说,钣金件的结构设计没有固定的形式,需要根据产品的要求和钣金工艺的实际情况进行设计,也是钣金件结构设计的难点所在。
1.2 设计要点分析在进行钣金件结构设计的时候,首先需要考虑的问题是钣金件的材料。
材料的选择是钣金产品生产过程中很重要的一个环节。
正确选择材料能够为之后的钣金加工提供很大的便利,能在满足产品功能的前提下节约一定的成本。
其次,要尽量避免原材料和钣金件的尺寸大小不同,即便尺寸相同也不能直接使用,避免为后续的加工带来不便。
钣金结构设计及制造工艺分析摘要:钣金凭借其自身的诸多优点随着经济的发展在我国的应用越来越广泛。
本文阐述了饭金结构设计在制造业中的地位, 从三个方面分析了饭金结构设计符合工艺性的重要性, 并给出了相应的设计参考依据。
为做好钣金结构的设计工作提供一定的指导。
关键词:钣金结构;设计;制造;工艺1.引言随着我国工业化程度的不断增强,钣金结构在制造业各个领域应用范围较广。
做好钣金结构的设计工作,对于增强钣金加工制造业的工作效率、提高其品质具有重要意义。
饭金结构件具有劳动生产率和材料利用率高、结构灵活、易形成生产力的优点,尤其最近几年, 我国电子技术迅速发展, 各种电子类高科技公司如雨后春笋般地出现, 使得饭金结构在机械行业中所占的比重越来越大, 对从事电子结构设计的人才需求更为迫切, 许多大学生直接进入公司或企事业单位的设计部门, 很少甚至没有在生产一线进行过实践, 使得设计出的产品工艺性不尽合理, 给生产带来极大的困难, 不仅加大了产品的原材料成本、增加的加工成本还使产品的工艺性和美观大打折扣, 而且延长了产品的开发周期, 最终使产品在市场上缺乏竞争力。
众所周知, 产品的性能、品质主要取决于设计,结构设计是其最重要的部分。
所以,需要保证产品易制造、保证品质的情况下,价格相对便宜. 而想要生产出这样的产品, 钣金结构设计就非常重要和制造工艺就非常重要。
众所周知, 金属钣料折弯以后, 板料截面的形状发生了根本性地变化—刚性得到大幅度地提高, 截面抗弯惯性矩大大增加。
因此, 金属薄板零件的加工经常采用折弯加工工艺。
但是, 折弯零件的截面形式与外形尺寸往往受到板料折弯机上刀口、下模体的结构和尺寸的限制。
为了使设计的析弯零件的工艺性较好,加工制造中不能与板料折弯机的上刀口或下模体发生干涉( 又称之为抗刀) , 设计人员在设计折弯零件的结构形式与尺寸时及工艺人员在审查图纸发解对应折弯机的工艺能力、编制加工工艺过程时, 都必须首先确定和判断其合理的截面形式及相应的尺寸。
钣金设计方法讲解钣金设计是指在制造钣金零件时,根据所需的功能、强度、刚度和外观要求,采用适当的设计方法和工艺流程,完成零件的结构设计、工艺设计和成本估算。
钣金设计涉及到很多方面的知识和技术,下面将从设计原则、工艺流程和常用工具等方面进行详细讲解。
钣金设计的原则主要包括以下几点:1.结构合理性:设计时要考虑零件的使用条件和工作环境,合理确定零件的形状、尺寸和位置,以满足功能要求和力学性能要求。
2.材料选择:根据零件的使用要求,选择合适的钣金材料。
常用的材料包括冷轧板、热轧板、不锈钢板和铝合金板等,选择时要考虑材料的强度、刚度、耐腐蚀性和成本等因素。
3.工艺可行性:设计时要考虑到钣金加工的可行性,合理确定板材的尺寸、工艺规程和加工工艺。
尽量减少材料的消耗和加工工序,提高生产效率和降低成本。
4.简化结构:在设计时尽量简化零件的结构,减少焊接、铆接和弯曲等连接方法,以提高零件的强度和刚度,同时减少工艺难度和成本。
钣金设计的工艺流程主要包括以下几个步骤:1.零件结构设计:根据产品的功能和外观要求,确定零件的结构形式、尺寸和位置。
2.材料选择:根据产品的使用要求,选择合适的钣金材料,考虑材料的强度、刚度、耐腐蚀性和成本等因素。
3.工艺规程设计:根据零件的结构和材料,确定钣金加工的工艺规程,包括切割、冲孔、折弯、成型和焊接等工艺。
4.图纸设计:根据零件的结构和工艺规程,绘制详细的钣金图纸,包括三视图、剖视图、局部放大图和工艺标记等。
5.成本估算:根据材料消耗量和加工工艺,估算零件的成本,包括材料成本、加工成本和人工成本等。
常用的钣金设计工具包括以下几种:1. CAD软件:用于绘制和修改钣金图纸,方便进行结构设计和工艺规程设计,常用的CAD软件有AutoCAD和SolidWorks等。
2.仿真软件:用于模拟和分析钣金零件的成形、变形和受力情况,以确定零件的强度和刚度,常用的仿真软件有ANSYS和ABAQUS等。
完美修复钣金喷漆工艺大揭秘修复钣金喷漆工艺一直是汽车维修领域中关键的环节之一。
在以往的车身维修中,由于技术和设备的限制,修复后的车身往往难以达到完美的状态。
然而,随着科技的进步和工艺的发展,现代汽车维修行业已经取得了显著的进展。
本文将揭示汽车修复钣金喷漆工艺的秘密和创新技术,为读者们带来关于完美修复钣金喷漆工艺的探讨。
一、钣金修复技术的发展在过去,钣金修复技术主要依靠人工操作和有限的工具设备。
这种修复方式往往会导致车身变形、色差等问题。
然而,随着技术的进步,先进的钣金修复技术逐渐引入汽车维修行业。
而今,使用电脑辅助设备对车身进行扫描和测量,可以精确记录车身的状况和损伤程度。
同时,先进的压铸设备和钣金成型工具能够根据车身的曲线和轮廓进行精确修复,确保修复后的车身形状完美无瑕。
二、智能化喷漆技术的应用传统的喷漆工艺往往存在喷漆面积不均匀、颜色不匹配等问题。
为了解决这些问题,智能化喷漆技术应运而生。
智能化喷漆设备能够通过精确的色彩匹配系统,调配出与原车漆色完全一致的涂料,确保喷漆后不会出现明显色差。
此外,喷漆机器人的应用也能够保证喷漆过程的均匀性和稳定性,从而减少人工操作的误差,提高喷漆质量。
三、全新喷漆工艺的应用为了解决传统喷漆过程中可能产生的漆面氧化和划痕等问题,全新喷漆工艺被引入到汽车修复钣金喷漆工艺中。
全新喷漆工艺采用了特殊的喷涂工艺和环境控制系统,确保涂层的质量和光泽度。
此外,使用高级涂料可以减少对环境的污染,符合环保要求。
四、严格的质量控制完美修复钣金喷漆工艺的关键之一是严格的质量控制。
高标准的质量控制流程可以确保修复后的车身外观符合原车标准。
例如,在喷漆过程中,需要对喷漆设备进行定期的维护和检查,以保证喷漆的均匀性和精准性。
同时,还需要对修复后的车身进行全面的检查,确保没有瑕疵和缺陷。
五、不断创新的精细修复工艺除了上述技术和工艺的应用,汽车修复钣金喷漆工艺还需要不断创新和提高。
精细修复工艺的创新包括钣金修复工艺的进一步提高,以及精细磨砂和抛光等细节工艺的应用。
钣金件设计工艺要点钣金件是一种由薄板金材料加工而成的零件,广泛应用于各个领域,如汽车、航空航天、电子等。
钣金件的设计工艺对产品的质量、成本和生产周期等都有着重要影响。
本文将详细介绍钣金件设计工艺的要点。
1.材料选择钣金件可以使用各种不同的金属材料,如碳钢、不锈钢、铝合金等。
在选择材料时需要考虑材料的机械性能、耐腐蚀性能、成本等因素。
同时,还应根据产品的使用环境和要求选择合适的材料。
2.结构设计钣金件的结构设计要考虑到产品的功能要求、装配要求、强度要求等。
在设计过程中应尽量简化结构,减少焊缝和连接件的数量,以提高产品的强度和稳定性。
同时,还应根据产品的装配要求,合理设置孔洞和连接点,以方便产品的安装和维修。
3.加工工艺选择钣金件的加工工艺包括剪切、折弯、冲孔、压铆等。
在选择工艺时需要综合考虑产品的形状和尺寸、加工精度要求、成本和生产效率等因素。
一般而言,折弯工艺可以用于制作形状复杂的零件,而冲孔和压铆等工艺可以用于增加产品的连接性和强度。
4.件型设计钣金件的件型设计要求尽可能简单,易于加工和装配。
设计时需要考虑材料的板厚、弯曲半径、折边宽度等因素,以确保产品的加工质量和成本控制。
对于需要多次折弯的零件,需要进行合理的安排顺序和次数,以避免造成材料的疲劳和变形。
5.表面处理钣金件的表面处理可以提高产品的外观质量和耐腐蚀性能。
常见的表面处理方法包括喷涂、电泳、氧化处理等。
在选择表面处理方法时需要考虑产品的使用环境和要求,以及材料的特性和成本等因素。
6.工装设计钣金件的加工需要依靠工装,合理的工装设计可以提高加工的精度和效率。
工装设计时需要考虑产品的形状和尺寸、加工工艺和要求,以及材料的特性等因素。
同时,还需要考虑工装的制造成本和可调性,以提高工装的寿命和使用效果。
7.质量控制钣金件的质量控制是保证产品质量的关键。
质量控制包括从材料选择、工艺设计、加工过程到最终产品的检验等方面。
在设计和制造过程中,应严格按照相关标准和要求进行质量控制,以确保产品的质量和一致性。
钣金设计及加工工艺介绍1简介1.1简介按钣金件的基本加工方式,如下料、折弯、拉伸、成型、焊接。
本规范阐述每一种加工方式所要注意的工艺要求。
1.2关键词钣金、下料、折弯、拉伸、成形、排样、最小弯曲半径、毛边、回弹、打死边、焊接2 下料下料根据加工方式的不同,可分为普冲、数冲、剪床开料、激光切割、风割,由于加工方法的不同,下料的加工工艺性也有所不同。
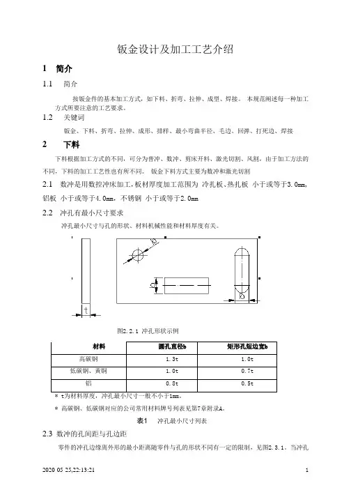
钣金下料方式主要为数冲和激光切割2.1数冲是用数控冲床加工,板材厚度加工范围为冷扎板、热扎板小于或等于3.0mm,铝板小于或等于4.0mm,不锈钢小于或等于2.0mm2.2冲孔有最小尺寸要求冲孔最小尺寸与孔的形状、材料机械性能和材料厚度有关。
图2.2.1 冲孔形状示例* 高碳钢、低碳钢对应的公司常用材料牌号列表见第7章附录A。
表1冲孔最小尺寸列表2.3数冲的孔间距与孔边距零件的冲孔边缘离外形的最小距离随零件与孔的形状不同有一定的限制,见图2.3.1。
当冲孔1.5t。
2.4折弯件或拉深件冲孔时,其孔壁与工件直壁之间应保持一定的距离(图2.4.1)图2.4.1 折弯件、拉伸件孔壁与工件直壁间的距离2.5螺钉、螺栓的过孔和沉头座螺钉、螺栓过孔和沉头座的结构尺寸按下表选取取。
对于沉头螺钉的沉头座,如果板材太薄难以同时保证过孔d2和沉孔D,应优先保证过孔d2。
表2用于螺钉、螺栓的过孔*要求钣材厚度t≥h。
表3用于沉头螺钉的沉头座及过孔*要求钣材厚度t≥h。
表4用于沉头铆钉的沉头座及过孔2.6激光切割是用激光机飞行切割加工,板材厚度加工范围为冷扎板热扎板小于或等于20.0mm, 不锈钢小于10.0mm 。
其优点是加工板材厚度大,切割工件外形速度快,加工灵活.缺点是无法加工成形,网孔件不宜用此方式加工,加工成本高!3 折弯3.1折弯件的最小弯曲半径材料弯曲时,其圆角区上,外层收到拉伸,内层则受到压缩。
当材料厚度一定时,内r越小,材料的拉伸和压缩就越严重;当外层圆角的拉伸应力超过材料的极限强度时,就会产生裂缝和折断,因此,弯曲零件的结构设计,应避免过小的弯曲圆角半径。
钣金产品设计基本要点,钣金设备设计结构思路,钣金制作工艺流程关键词:钣金产品设计、电脑机箱设计、钣金制作工艺内容概述:钣金工艺常见于一些大型的机械设备(例如加工机械、网络机柜、交换机等)办公设施(例如文件柜、电脑桌等)。
恰好相反,钣金往往不能应用领域在那些对于外观和尺寸建议较低的小型产品之中。
本文着重讲述了钣金制作工艺的主要种类和特点,同时也对钣金产品设计过程中必须注意的一些问题进行了分类阐述。
一,钣金制作工艺钣金产品设计过程中,特别需要了解和关注钣金制作工艺的独有特点。
钣金制作工艺,就是指针对厚金属板(通常在6mm以下)的一系列综合冷加工女团工艺。
具体内容工艺科细分为:剪切、当鼠标、波洛吉区、冲压、焊接、堆叠、冲压成型等。
钣金工艺零件的最为明显的特征单一零件上一致的厚度尺寸。
简言之:金属板材加工就叫做钣金加工。
1,剪切/冲切图1,钣金当鼠标零件剪切/冲切工艺的目的,主要是用于下料。
其却别是,冲切除了下料还带有部分成型的目的;而剪切的目的单纯是大料分切为较小的。
(见图1)图2,钣金多次波洛吉区2,折弯工艺由于钣金件的料薄相对比较大,同时金属材料的延展性也容许波洛吉区工艺的实行,因此波洛吉区工艺就是钣金工艺中采用频率最低的工艺之一。
顾名思义,“波洛吉区”就是利用外力,逼使金属板材按照既定的角度和半径伸展。
(见到图2)3,冲压成型此工艺通常须要冲压模具。
冲压成型就是利用外力和金属板材本身的延展性,逼使材料按照事先多瓣的冲压模的型腔形状回去成型。
冲压成型后,通常还须要进一步除去毛刺边缘和废料等。
图3,钣金冲压零件4,相连接工艺钣金零部件在装配过程中,通常会使用到焊接、铆接、拼接等多种连接工艺方式。
通过这些连接方式,钣金零部件方能形成一个整体。
5,表面处理工艺由于钣金材料表面往往由于氧化或其他原因,形成了锈蚀或污渍。
为了最终成品的外观品质要求,往往需要对钣金零部件进行表面处理。
通常的钣金表面处理工艺包括:除锈去污、喷漆、喷砂、氧化、镀饰等。
钣金件结构设计要点-20240927一、引言钣金件是一种常见的工程构件,广泛应用于制造业中。
其结构设计的合理与否直接影响着工件的质量和使用性能。
本文将对钣金件结构设计的要点进行细致讨论。
二、结构设计要求1.刚性:钣金件的结构设计首先要求具备足够的刚性。
刚性可以使钣金件在负载下保持稳定的形状,并能够承受外部力的作用而不发生形变。
刚性的保证需要考虑材料的选择、形状的设计以及连接方式的合理性等方面。
2.强度:钣金件设计还要求具备足够的强度,能够在外部力的作用下不发生破坏。
强度的保证需要考虑材料的选择、材料的热处理以及结构的设计等方面。
在选择材料时应考虑到优良的机械性能和良好的耐蚀性。
3.稳定性:钣金件结构设计还需要具备足够的稳定性,能够在负载条件下不发生失稳或塌陷。
稳定性的保证需要考虑到几何形状的设计以及表面的处理等方面。
4.安全性:钣金件的结构设计还需要符合安全性的要求,能够在正常的使用条件下不发生事故或伤害。
安全性的保证需要考虑到外部环境的影响、工作环境的设计以及操作方式的规定等方面。
5.可靠性:钣金件设计要求具备足够的可靠性,能够在使用寿命内不发生失效。
可靠性的保证需要考虑到材料的选择、结构的设计以及工艺的控制等方面。
6.经济性:钣金件结构设计还需要考虑经济性的要求,能够在保证质量和功能的前提下尽可能降低成本。
经济性的保证需要考虑材料的选择、生产工艺的优化以及生产流程的改进等方面。
三、结构设计方法1.结构分析:在进行钣金件结构设计之前,需要进行结构分析,确定设计的目标和要求,并进行材料性能的分析和计算,找出影响结构强度和刚性的关键因素,并进行有限元模拟分析等。
2.形状设计:根据钣金件的功能和使用要求,进行形状设计,包括确定外形尺寸、表面形貌和几何形状等。
形状设计需要考虑到结构的强度、刚性和稳定性,以及制造工艺的可行性。
3.连接设计:钣金件的连接方式直接影响了结构的稳定性和强度。
连接设计需要考虑到材料的选择、连接方式的合理性以及连接结构的强度计算等。
钣金结构设计工艺大揭秘分析钣金结构设计工艺是一种制造金属零部件或产品的工艺方法,广泛应用于机械制造、电子电器、汽车制造等各个行业领域。
在钣金工艺中,通过冷压、冷剪等方式对金属板材进行加工,以获得所需形状和尺寸的零部件。
本文将从材料选择、工艺流程和质量控制等方面对钣金结构设计工艺进行详细分析。
1.材料选择在钣金结构设计工艺中,正确选择金属材料是至关重要的。
常见的金属材料包括冷轧板、镀锌板、不锈钢板等。
不同的材料具有不同的机械性能和耐腐蚀性能,因此需要根据实际使用环境和要求选择合适的材料。
在选择材料时还需考虑到成本和可加工性等因素。
2.工艺流程(1)下料:下料是指根据设计图纸,将金属板材按照所需尺寸进行切割。
常用的下料方法有剪切、切割、冲孔等。
(2)折弯:折弯是将金属板材按照设计要求进行弯曲成形。
折弯机是常用的折弯设备,通过调整上模和下模的位置和角度来实现对金属板材的弯曲。
(3)冲孔:冲孔是指在金属板材上打孔,以便于零部件的组装和安装。
冲孔通常使用冲孔机进行,通过更换不同形状的模具可以得到不同形状和尺寸的孔。
(4)焊接:焊接是将多个金属板材通过热力或压力相互连接。
常用的焊接方法有点焊、氩弧焊、激光焊等。
选择合适的焊接方法需考虑到材料的类型和要求等因素。
3.质量控制在钣金结构设计工艺中,保证产品质量是至关重要的。
质量控制主要包括以下几个方面:(1)设计检查:在进行钣金结构设计时,需要对设计图纸进行检查,确保尺寸、形状和工艺要求的准确性和一致性。
避免设计错误导致的生产问题。
(2)材料检验:对使用的金属板材进行检验,确保材料质量符合要求。
检验项目包括表面平整度、厚度、材料成分等。
(3)工艺控制:在生产过程中,通过监控各个环节的工艺参数,保证产品的加工精度和一致性。
如折弯的角度、冲孔位置的准确性等。
(4)成品检验:对成品进行全面检验,确保产品的外观和功能符合设计要求。
检验项目包括尺寸、外观、配合度等。
通过以上质量控制措施,可以有效提高钣金产品的质量和可靠性。
引言薄板指板厚和其长宽相比小得多的钢板。
它的横向抗弯能力差,不宜用于受横向弯曲载荷作用的场合。
薄板就其材料而言是金属,但因其特殊的几何形状厚度很小,所以薄板构件的加工工艺有其特殊性。
和薄板构件有关的加工工艺有三类:(1)下料:它包括剪切和冲裁。
(2)成形:它包括弯曲、折叠、卷边和深拉。
(3)连接:它包括焊接、粘接等。
薄板构件的结构设计主要应考虑加工工艺的要求和特点。
此外,要注意构件的批量大小。
薄板构件之所以被广泛采用是因为薄板有下列优点:(1)易变形,这样可用简单的加工工艺制造多种形式的构件。
(2)薄板构件重量轻。
(3)加工量小,由于薄板表面质量高,厚度方向尺寸公差小,板面不需加工。
(4)易于裁剪、焊接,可制造大而复杂的构件。
(5)形状规范,便于自动加工。
2结构设计准则在设计产品零件时,必须考虑到容易制造的问题。
尽量想一些方法既能使加工容易,又能使材料节约,还能使强度增加,又不出废品。
为此设计人员应该注意以下制造方面事项。
钣金件的工艺性是指零件在冲切、弯曲、拉伸加工中的难易程度。
良好的工艺应保证材料消耗少,工序数目少,模具结构简单,使用寿命高,产品质量稳定。
在一般情况下,对钣金件工艺性影响最大的是材料的性能、零件的几何形状、尺寸和精度要求。
如何在薄板构件结构设计时充分考虑加工工艺的要求和特点,这里推荐几条设计准则。
2.1简单形状准则切割面几何形状越简单,切割下料越方便、简单、切割的路径越短,切割量也越小。
如直线比曲线简单,圆比椭圆及其它高阶曲线简单,规则图形比不规则图形简单(见图1)。
(a)不合理结构(b)改进结构图1图2a的结构只有在批量大时方有意义,否则冲裁时,切割麻烦,因此,小批量生产时,宜用图b所示结构。
(a)不合理结构(b)改进结构图22.2节省原料准则(冲切件的构型准则)节省原材料意味着减少制造成本。
零碎的下角料常作废料处理,因此在薄板构件的设计中,要尽量减少下脚料。
冲切弃料最少以减少料的浪费。
引言薄板指板厚和其长宽相比小得多的钢板。
它的横向抗弯能力差,不宜用于受横向弯曲载荷作用的场合。
薄板就其材料而言是金属,但因其特殊的几何形状厚度很小,所以薄板构件的加工工艺有其特殊性。
和薄板构件有关的加工工艺有三类:(1)下料:它包括剪切和冲裁。
(2)成形:它包括弯曲、折叠、卷边和深拉。
(3)连接:它包括焊接、粘接等。
薄板构件的结构设计主要应考虑加工工艺的要求和特点。
此外,要注意构件的批量大小。
薄板构件之所以被广泛采用是因为薄板有下列优点:(1)易变形,这样可用简单的加工工艺制造多种形式的构件。
(2)薄板构件重量轻。
(3)加工量小,由于薄板表面质量高,厚度方向尺寸公差小,板面不需加工。
(4)易于裁剪、焊接,可制造大而复杂的构件。
(5)形状规范,便于自动加工。
2结构设计准则在设计产品零件时,必须考虑到容易制造的问题。
尽量想一些方法既能使加工容易,又能使材料节约,还能使强度增加,又不出废品。
为此设计人员应该注意以下制造方面事项。
钣金件的工艺性是指零件在冲切、弯曲、拉伸加工中的难易程度。
良好的工艺应保证材料消耗少,工序数目少,模具结构简单,使用寿命高,产品质量稳定。
在一般情况下,对钣金件工艺性影响最大的是材料的性能、零件的几何形状、尺寸和精度要求。
如何在薄板构件结构设计时充分考虑加工工艺的要求和特点,这里推荐几条设计准则。
2.1简单形状准则切割面几何形状越简单,切割下料越方便、简单、切割的路径越短,切割量也越小。
如直线比曲线简单,圆比椭圆及其它高阶曲线简单,规则图形比不规则图形简单(见图1)。
(a)不合理结构(b)改进结构图1图2a的结构只有在批量大时方有意义,否则冲裁时,切割麻烦,因此,小批量生产时,宜用图b所示结构。
(a)不合理结构(b)改进结构图22.2节省原料准则(冲切件的构型准则)节省原材料意味着减少制造成本。
零碎的下角料常作废料处理,因此在薄板构件的设计中,要尽量减少下脚料。
冲切弃料最少以减少料的浪费。
特别在批量大的构件下料时效果显著,减少下角料的途径有:(1)减少相邻两构件之间的距离(见图3)。
(a)不合理结构(b)改进结构图3(2)巧妙排列(见图4)。
(a)不合理结构(b)改进结构图4(3)将大平面处的材料取出用于更小的构件(见图5)。
(a)不合理结构(b)改进结构图52.3足够强度刚度准则⑴、带斜边的折弯边应避开变形区⑵.两孔之间的距离若太小,则在切割时有产生裂纹的可能。
零件上冲孔设计应考虑留有合适的孔边距和孔间距以免冲裂。
零件的冲孔边缘离外形的最小距离随零件与孔的形状不同有一定的限制。
当冲孔边缘与零件外形边缘不平行时,该最小距离应不小于材料厚度t;平行时,应不小于1.5t。
最小孔边距和孔间距见表。
模具制作上以圆孔最坚固好制造维修,唯开孔率较低。
以正方形孔开孔率最高,但因是90度角,角边容易磨损崩塌,造成要修模而停线.而六角形的开孔其大于90度的120度角比正方形孔开孔更坚固但开孔率在边缘比正方形孔差一点。
⑶.细长的板条刚度低,也易在剪裁时产生裂纹,特别是对刀具的磨损严重。
冲裁件的凸出或凹入部分的深度和宽度,一般情况下,应不小于1.5t(t为料厚),同时应该避免窄长的切口与和过窄的切槽,以便增大模具相应部位的刃口强度。
见图3.3.1。
对一般钢A≥1.5t;对合金钢A≥2t;对黄铜、铝A≥1.2t;t—材料厚度。
2.4可靠冲裁准则图9a所示的半圆切线结构冲裁加工很难。
因为这要求准确地确定刀具和工件之间的相对位置。
准确测量定位不仅费时,更重要的是,刀具由可磨损和安装的误差,精度通常达不到这么高的要求。
这样的结构一旦加工稍有偏差,质量很难保证,且切割外观差。
所以应采用图b所示的结构,它可保证可靠的冲裁加工质量。
(a)不合理结构(b)改进结构图92.5避免粘刀准则(穿破件的构型准则)在构件中间冲裁切割时会出现刀具和构件粘接交紧的问题。
解决的办法:(1)留有一定的坡度;(2)切割面连通(见图10和图11)。
(a)不合理结构(b)改进结构 (a)不合理结构(b)改进结构图10图11当搭接在一道工序中用冲切法制成90°的弯边时,选材要注意材质不宜太硬,否则易在直角弯折处破裂。
应在弯边位置设计工艺切口,防止折角处破裂。
2.6弯曲棱边垂直切割面准则薄板在切割加工以后,一般还要进一步进行成形加工,比如弯曲。
弯曲棱边应垂直于切割面,否则交汇处产生裂纹的危险升高。
若因其它限制垂直要求不能满足时,应在切割面和弯曲棱边交汇处设计一个圆角,其半径大于板厚的两倍。
2.7平缓弯曲准则陡峭的弯曲需特殊的工具,且成本高。
此外,过小的弯曲半径易产生裂纹,在内侧面上还会出现皱折(见图16、图17)。
(a)不合理结构(b)改进结构图16(a)不合理结构(b)改进结构图172.8避免小圆形卷边准则薄板构件的棱边常用卷边结构,这有多项好处。
(1)加强了刚度;(2)避免了锋利的棱边;(3)美观。
但卷边应注意两点,一是半径应大于1.5倍的板厚;二是不要完全的圆形,这样加工起来困难,图18b所示的卷边比各自a所示的卷边易加工。
(a)不合理结构(b)改进结构图182.9槽边不弯曲准则弯曲棱边和槽孔棱边要相距一定的距离,推荐值是弯曲半径加上2倍的壁厚。
弯曲区受力状态复杂,且强度较低。
有缺口效应的槽孔也应排除在这个区域以外。
既可以将整个槽孔远离弯曲棱边,也可以让槽孔横跨整个弯曲棱边(见图19)。
(a)不合理结构(b)改进结构图192.10复杂结构组合制造准则空间结构过于复杂的构件,完全靠弯曲成形比较困难。
因此尽量将结构设计得简单一些,在非复杂不可的情况下,可用组合构件,即将多个简单的薄板构件用焊接,螺栓连接等方式组合在一起。
图20b的结构比其图20a的结构易加工。
(a)不合理结构(b)改进结构图202.11避免直线贯通准则薄板结构有横向弯曲刚度较差的缺点。
大平板结构易屈曲失稳。
进一步还会弯曲断裂。
通常用压槽来提高其刚度。
压槽的排列方式对提高刚度的效果影响很大,压槽排列基本原则是避免无压槽区域直线贯通。
贯通的低刚度窄带易成为整个板面屈曲失稳的惯性轴。
失稳总要围绕一个惯性轴,因此,压槽的排列要切断这种惯性轴,使它越短越好。
图21a所示的结构,无压槽区域形成多条贯通的窄条。
围绕这些轴,整个板的弯曲刚度没有改进。
图21b所示结构没有潜在的连通失稳惯性轴,图22列出了常见的压槽形状和排列方式,从左到右刚度增强效果逐渐加大,不规则排列是避免直线贯通的有效方法。
(a)不合理结构(b)改进结构图21图222.12压槽连通排列准则压槽的终点疲劳强度低是薄弱环节,如果压槽连通,其部分终点将消灭。
图23是一个卡车上的电瓶箱,它受动载作用,图23a结构在压槽端都产生了疲劳破坏。
而图23b结构就不存在这一问题。
陡峭的压槽端面应避免,可能的情况下压槽延至边界(见图24)。
压槽的贯通消除了薄弱的端部。
但压槽的交汇处要有足够大的空间,使得各压槽之间的相互影响减少(见图25)。
(a)不合理结构(b)改进结构图23(a)不合理结构(b)改进结构图24(a)不合理结构(b)改进结构图252.13空间压槽准则空间结构的失稳不只限于某一方面,因此,只在一个平面上设置压槽不能达到提高整个结构抗失稳能力的效果。
例如图26所示的U型和Z型结构,它们的失稳会发生在棱边附近。
解决这个问题的方法是将压槽设计成空间的(见图26b结构。
)(a)不合理结构(b)改进结构图262.14局部松驰准则薄板上局部变形受到严重阻碍时会出现皱折。
解决的办法是在皱折附近设置几个小的压槽,这样减低局部刚度,减少变形阻碍(见图28)。
(a)不合理结构(b)改进结构图282.15冲裁件的构型准则⑴.最小冲孔直径或方孔的最小边长冲孔时,应受到冲头强度的限制,冲孔的尺寸不能太小,否则容易损坏冲头。
最小冲孔直径及最小边长见表。
* t为材料厚度,冲孔最小尺寸一般不小于0.3mm。
⑵.冲切缺口原则冲切缺口应尽量避免尖角,如a图所示。
尖角形式容易减短模具使用寿命,且尖角处容易产生裂纹。
应改为如b图所示。
R≥0.5t(t─材料厚度)a 图b 图冲裁件的外形及内孔应避免尖角。
在直线或曲线的连接处要有圆弧连接,圆弧半径R≥0.5t。
(t为材料壁厚)2.16、弯曲件的结构准则⑴、板件最小弯曲半径材料弯曲时,其圆角区上,外层收到拉伸,内层则受到压缩。
当材料厚度一定时,内半径r越小,材料的拉伸和压缩就越严重;当外层圆角的拉伸应力超过材料的极限强度时,就会产生裂缝和折断,因此,弯曲零件的结构设计,应避免过小的弯曲圆角半径。
为此规定最小弯曲半径。
常用金属材料最小折弯半径列表序号材料最小弯曲半径108、08F、10、10F、DX2、SPCC、E1-T52、0Cr18Ni9、1Cr18Ni9、1Cr18Ni9Ti、1100-H24、T20.4t 215、20、Q235、Q235A、150.5t 325、30、Q2550.6t 41Cr13、H62(M、Y、Y2、冷轧)(铜)0.8t 545、50 1.0t 655、60 1.5t7 65Mn 、60SiMn 、1Cr17Ni7、1Cr17Ni7-Y 、1Cr17Ni7-DY 、SUS301、0Cr18Ni9、SUS302 2.0tl 弯曲半径是指弯曲件的内侧半径,t 是材料的壁厚。
l t 为材料壁厚,M 为退火状态,Y 为硬状态,Y2为1/2硬状态。
对于如下图所示封闭式弯边零件,其弯边高度h 最大不得超过40㎜,若需大于40㎜者,须经校核后方能使用。
⑵、弯曲的最小直边高度弯曲的直边高度不宜过小,否则不易成形足够的弯矩,很难得到形状准确的零件。
其值h ≥R+2t 方可。
①一般情况下的最小直边高度要求弯曲件的直边高度不宜太小,最小高度按图要求:h>2t。
弯曲件的直边高度最小值②特殊要求的直边高度如果设计需要弯曲件的直边高度h≤2t,,则首先要加大弯边高度,弯好后再加工到需要尺寸;或者在弯曲变形区内加工浅槽后,再折弯。
特殊情况下的直边高度要求③弯边侧边带有斜角的直边高度当弯边侧边带有斜角的弯曲件时,侧面的最小高度为:h=(2~4)t>3mm弯边侧边带有斜角的直边高度⑶、弯曲的直边变形处理①、当a<R时,弯曲后,b面靠a处仍然有一段残余圆弧,为了避免残余圆弧,必须使a≥R。
②、在U形弯曲件上,两弯曲边最好等长,以免弯曲时产生向一边移位。
如不允许,可设一工艺定位孔。
③、防止侧面(梯形)弯曲时产生裂纹或畸形。
应设计预留切槽,或将根部改为阶梯形。
槽宽K≥2t,槽深L≥t+R+K/2。
④、防止圆角在弯曲时受压产生挤料后起皱,应设计预留切口。
如室外机侧板(上端、下端)圆角处切口形式。
B 与盖板厚度(t)相等⑤、防止弯曲后,直角的两侧平面产生褶皱,应设计预留切口。