地质工程勘察收费标准
- 格式:docx
- 大小:74.03 KB
- 文档页数:7
《工程勘察收费标准》第三章工程地质勘察索引第一节工程地质测绘第二节钻探第三节现场测试第四节技术工作费第五节复杂场地勘察第一节工程地质测绘一、工作内容搜集与研究区域地质资料,实地测绘勘察场地及附近地层的岩性、地质构造、第四纪地质、地貌、自然地质现象、不良地质现象等,测量地质点的位置、高程;绘制工程地质图、素描图、地质剖面图;对典型地质现象拍相,采取标本等。
二、复杂程度分类表24三、收费标准单位:元/km2表25注:1、同时进行地质测绘和工程地质测绘时,按上表增加50%计费;2、带状工程地质测绘的成图面积按上表增加30%计费;3、测绘的总面积不足一板图时,则按一板计费;第二节钻探一、钻孔(一)工作内容:生产准备、安装与拆卸钻机,垂直钻进,测量进尺和水位,描述记录,清理钻具,移至新点。
(二)地层分类地层分类表表26注:1、基岩破碎带钻进取芯时,地层类别可提高一级;2、Ⅳ、Ⅴ类卵(碎)石层大于100mm的粒径含量大于20%,或各类卵(碎)石含有漂石时,地层类别可提高一级。
注:1、钻探深度超过100m时,每增加20m为一档,按前一档的收费标准递增20%计费;2、跟管钻进或泥浆护壁,按上表增加50%计费;3、北京铲、洛阳铲、螺纹钻按上表的30%计费;4、水上钻探按上表收费标准增加幅度规定如下:海上钻探增加200%计费;湖上、江上、河上钻探增加100%计费;塘上、沼泽地上钻探增加40%计费;大面积积水区(含水稻田)上钻探增加30%计费;5、基岩无水干钻按上表增加50%计费;6、坑道内钻探按上表增加30%计费;7、斜孔钻探按上表增加100%计费;8、线路钻探按上表增加20%计费;9、孔与孔之间运输距离超过1km,或因河沟、高差等因素,钻机搬迁需绕行时,则按实耗台班计费。
二、探井(一)工作内容:准备工具、安装滑车、掘进、量尺、描述、清理场地、移至新点。
(二)地层分类:同表26Ⅰ~Ⅷ类。
(三)收费标准单位:元/m表28注:1、掘进深度超过20m时,每增加10m为一档,按前一档的收费标准递增30%计费;2、支护的人工费和材料费另计。
3 岩土工程勘察3.1 技术工作岩土工程勘察技术工作费收费比例表表3.1-1注:1 岩土工程勘察等级见国标《岩土工程勘察规范》;2.利用已有勘察资料提出勘察报告的只收取技术工作费,技术工作费的计费基数为所利用勘察资料的实物工作收费额。
3.2 工程地质测绘工程地质测绘复杂程度表表3.2-1工程地质测绘实物工作收费基价表表3.2-23.3 岩土工程勘探与原位测试岩土工程勘探与原位测试复杂程度表表3.3-1岩土工程勘探实物工作收费基价表表 3.3-2取土、水、石试样实物工作收费基价表表3.3-3原位测试实物工作收费基价表表3.3-4原位测试实物工作收费基价表续表3.3-4岩土工程勘探与原位测试实物工作收费附加调整系数表表 3.3-54 岩土工程设计与检测监测4.1 岩土工程设计4.1.1 岩土工程设计服务内容根据工程性质和技术要求,现场踏勘,收集分析已有资料,调查周边建筑物及地下管线情况;编制岩土设计文件,绘制施工图,提出试验、检测和监测方案;配合施工,解决施工中的设计问题。
4.1.2 岩土工程设计收费岩土工程设计复杂程度表表4.1-1岩土工程设计收费基价表表4.1-2注:1.该表采用插入法计算;2.岩土工程设计收费不足0.5万元,按照0.5万元计算收费;3.岩土工程概算额>2000万元时,级按照费率3.5%、Ⅱ级按照费率4.5%、Ⅲ级按照费率5.0%计算收费;4.岩土工程设计收费基价是完成4.1.1岩土工程设计服务内容的价格。
4.2 岩土工程检测监测4.2.1 岩土工程检测监测技术工作岩土工程检测监测技术工作费收费比例为22%。
4.2.2 岩土工程检测监测实物工作岩土工程检测实物工作收费基价表表4.2-1岩土工程监测复杂程度表表4.2-2岩土工程监测实物工作收费基价表表4.2-3。
3 岩土工程勘察
3.1 技术工作
岩土工程勘察技术工作费收费比例表表3.1—1
注:1、岩土工程勘察等级见国标《岩土工程勘察规》;
2、利用已有勘察资料提出勘察报告的只收取技术工作费,技术工作费的计费基数为所利用勘察资料的实物工作收费额。
3.2 工程地质测绘
工程地质测绘复杂程度表表3.2—1
工程地质测绘实物工作收费基价表表3.2—2
3.3 岩土工程勘探与原位测试
岩土工程勘探与原位测试复杂程度表表3.3—1
注:岩土的分类和鉴定见国标《岩土工程勘察规》。
岩土工程勘探实物工作收费基收表表3.3—2
取土、水、石试样实物工作收费基价表表3.3—3
原位测试实物工作收费基价表表3.3—4
续表3.3—4
续表3.3—4
岩土工程勘探与原位测试实物工作收费附加调整系数表表3.3—5。
3 岩土工程勘察岩土工程勘察技术工作费收费比例表 表 3 。
1— 1注:1、岩土工程勘察等级见国标《岩土工程勘察规范》;2、利用已有勘察资料提出勘察报告的只收取技术工作费,技术工作费的计费基数为所利用勘察资料的实物工作收费额。
工程地质测绘复杂程度表 表 3 。
2— 1简 单 中 等 复 杂地质构造有显著的褶皱、断层岩层特征变化不稳定, 露头中等,地形地貌地形平整 , 植被不 地形起伏较大,河流、 灌 岭谷山地,林木密集,变化复杂,种类繁多 ,有复杂的褶皱、断层岩 层 产 状 水 平 或者简单,露头良好类 别技术工作费收费比例(%)120 100 80岩土工程勘察等级甲级 乙级 丙级工程地质测绘实物工作收费基价表 表 3。
2—2表 3 。
3— 1 Ⅵ粒径≤ 100mm 、松散地层硬塑、坚硬流 塑 、 软岩石地层 极软岩砂土, 粒径≤软岩 较软岩 较硬岩注:岩土的分类和鉴定见国标《岩土工程勘察规范》。
岩土工程勘探实物工作收费基收表项 目 计费序号 勘探 深度 D (m ) / 长 度 L 单位项目1 钻孔 D ≤10 m计费单位1:200 1 :5001:1000成图 1:2000Km 2比 1 :5000 例1:100001:25000 1 :50000附加调整系数为 1.3附加调整系数为 1 。
5项工程地质测绘带状工程地质测绘 工程地质测绘与收费基价(元)简单 16065 8033 5355 3570 1071 536 268134中等 22950 11475 7650 5100 1530 765 383 191复杂 34425 17213 114757650 2295 1148 574 287序 号123目岩土工程勘探与原位测试复杂程度表岩土类别 Ⅰ Ⅱ Ⅲ Ⅳ粒径〉坚硬岩收费基价(元) Ⅳ207 Ⅵ382Ⅴ301 Ⅲ117 表 3.3-2Ⅰ 46Ⅱ 71Ⅴ2 3 4 探井探槽平硐10〈D≤2020<D≤3030<D≤4040〈D≤5050<D≤6060〈D≤8080〈D≤100D>100D≤22〈D≤55〈D≤1010〈D≤20D〉20D≤2D〉2L≤5050<L≤100100〈L≤150150〈L≤200200<L≤250250〈L≤300259311368439489542592每增加20m,按前一档收费基价乘以1.2 的附加调整系数125156194256每增加10m,按前一档收费基价乘以1.3 的附加调整系数921339801029107811271176122512017411731231129013481407146614821513481415148215501617168440m358350368385m403420438L>300 每增加50m,按前一档收费基价乘以1 。
工程勘察设计收费标准2002修订版XXX、建设部关于发布《工程勘察设计收费管理规定》的通知为规范工程勘察设计收费行为,保障工程质量,促进行业健康发展,XXX、建设部联合发布了《工程勘察设计收费管理规定》(以下简称《规定》)。
现将《规定》内容公布如下。
工程勘察设计收费管理规定规定》适用于从事工程勘察设计活动的单位和个人,包括勘察设计机构、勘察设计人员、勘察设计监理机构、勘察设计监理人员等。
规定》明确了工程勘察设计收费的原则、范围、标准、计算方法、监督管理等方面的内容,旨在规范收费行为,提高勘察设计质量。
工程勘察收费标准1总则工程勘察收费标准是指工程勘察设计单位和个人为完成工程勘察所应收取的费用,包括勘察设计人员工资、办公费用、设备费用、材料费用、管理费用等。
2工程测量工程测量是工程勘察的基础工作,是工程建设的前提和基础。
工程测量的收费标准应当根据勘察地区的不同、测量精度的要求、测量方法的复杂程度等因素进行确定。
工程测量的收费应当包括测量人员工资、测量设备费用、办公费用、材料费用、管理费用等。
其中,测量设备费用应当按照实际使用情况计算,不得超过设备原值的10%。
工程测量的收费标准应当按照工程测量的不同阶段进行划分,包括前期测量、施工测量和竣工测量等。
3岩土工程勘察岩土工程勘察是指对土石体进行勘察,确定其物理力学性质和工程地质特征,为工程设计提供依据的勘察工作。
岩土工程勘察的收费标准应当根据勘察地区的不同、勘察深度的要求、勘察方法的复杂程度等因素进行确定。
岩土工程勘察的收费应当包括勘察人员工资、勘察设备费用、办公费用、材料费用、管理费用等。
岩土工程勘察的收费标准应当按照不同的勘察深度进行划分,包括浅层勘察、深层勘察和特殊勘察等。
4岩土工程设计与检测监测岩土工程设计是指根据岩土工程勘察结果,进行工程设计的过程。
岩土工程设计的收费标准应当根据设计难度、设计范围、设计深度等因素进行确定。
岩土工程设计的收费应当包括设计人员工资、设计设备费用、办公费用、材料费用、管理费用等。
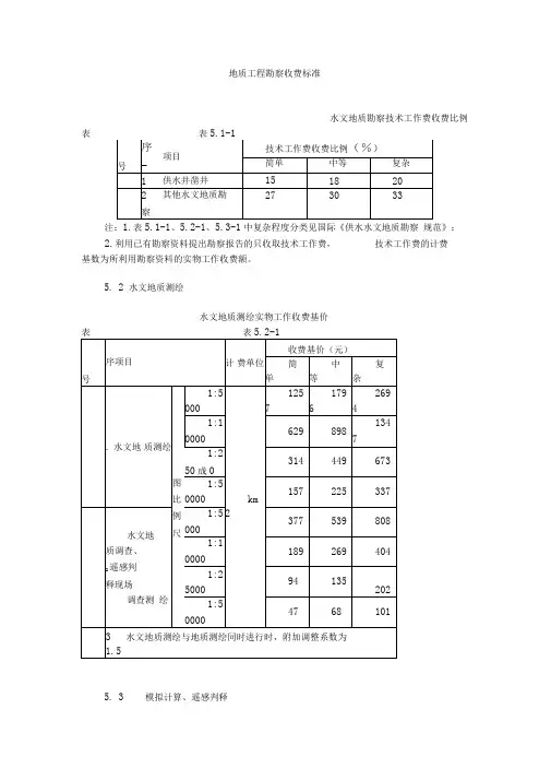
地质工程勘察收费标准
5.1 技术工作
水文地质勘察技术工作费收费比例
规范》;
2.利用已有勘察资料提出勘察报告的只收取技术工作费,技术工作费的计费基数为所利用勘察资料的实物工作收费额。
5.2 水文地质测绘
水文地质测绘实物工作收费基价
5.3 模拟计算、遥感判释
模拟计算实物工作收费基价
5.4 水文地质钻探
水文地质钻探实物工作收费基价按所钻探地层分层计算,计算公式如下:水文地质钻探实物工作收费基价=130(元/米)×自然进尺(米)×岩土类
别系数×孔深系数×孔径系数
水文地质钻探复杂程度
《岩土工程勘察规范》。
水文地质钻探岩土类别系数表
表
水文地质钻探孔深孔径系数
表
表
5.5 现场测试与取样
现场测试与取样实物工作收费基价
.
5.6 洗井、固井与旧井处理
洗井与固井实物工作收费基价
.
旧井处理实物工作收费基价。
一、工程勘察设计收费标准1总那么工程勘察收费是指勘察人依据发包人的托付,收集已有资料、现场踏勘、制订勘察纲要,进行测绘、勘探、取样、试验、测试、检测、监测等勘察作业,以及编制工程勘察文件和岩土工程设计文件等收取的费用。
工程勘察收费标准分为通用工程勘察收费标准和专业工程勘察收费标准。
1通用工程勘察收费标准适用于工程测量、岩土工程勘察、岩土工程设计与检测监测、水文地质勘察、工程水文气象勘察、工程物探、室内试验等工程勘察的收费。
2专业工程勘察收费标准分不适用于煤炭、水利水电、电力、长输管道、铁路、公路、通信、海洋工程等工程勘察的收费。
专业工程勘察中的一些工程能够执行通用工程勘察收费标准。
通用工程勘察收费采取实物工作量定额计费方法计算,由实物工作收费和技术工作收费两局部组成。
专业工程勘察收费方法和标准,分不在煤炭、水利水电、电力、长输管道、铁路、公路、通信、海洋工程等章节中规定。
通用工程勘察收费按照以下公式计算1工程勘察收费=工程勘察收费基准价×〔1±浮动幅度值〕2工程勘察收费基准价=工程勘察实物工作收费+工程勘察技术工作收费3工程勘察实物工作收费=工程勘察实物工作收费基价×实物工作量×附加调整系数4工程勘察技术工作收费=工程勘察实物工作收费×技术工作收费比例工程勘察收费基准价工程勘察收费基准价是按照本收费标准计算出的工程勘察基准收费额,发包人和勘察人能够依据实际情况在规定的浮动幅度内协商确定工程勘察收费合同额。
工程勘察实物工作收费基价工程勘察实物工作收费基价是完成每单位工程勘察实物工作内容的全然价格。
工程勘察实物工作收费基价在相关章节的?实物工作收费基价表?中查寻确定。
实物工作量实物工作量由勘察人按照工程勘察标准、规程的规定和勘察作业实际情况在勘察纲要中提出,经发包人同意后,在工程勘察合同中约定。
附加调整系数附加调整系数是对工程勘察的自然条件、作业内容和复杂程度差异进行调整的系数。
地质工程勘察收费标准
水文地质勘察技术工作费收费比例表表5.1-1
注:1.表5.1-1、5.2-1、5.3-1中复杂程度分类见国际《供水水文地质勘察规范》;
2.利用已有勘察资料提出勘察报告的只收取技术工作费,技术工作费的计费
基数为所利用勘察资料的实物工作收费额。
5. 2 水文地质测绘
水文地质测绘实物工作收费基价
表表5.2-1
5. 3 模拟计算、遥感判释
模拟计算实物工作收费基价表表5.3-1
遥感判释实物工作收费基价表表5.3-2
5. 4 水文地质钻探
水文地质钻探实物工作收费基价按所钻探地层分层计算,计算公式如下:水文地质钻探实物工作收费基价=130 (元/米)x自然进尺(米)x岩土类
别系数X孔深系数X孔径系数
水文地质钻探复杂程度表表5.4-1
注:土的分类见国标《供水水文地质勘察规范》,岩土的分类和鉴定见国标《岩土工程勘察规范》。
水文地质钻探岩土类别系数表
表5.4-2
岩石破碎带钻进取芯时,附加调整系数为 1.5
水文地质钻探孔深孔径系数
表
5.4-3
5. 5 现场测试与取样
现场测试与取样实物工作收费基价表表
5. 6 洗井、固井与旧井处理
洗井与固井实物工作收费基价表表5.6-1
50000
<1500
D >1500 旧井处理实物工作收费基价
表
表5.6-2。
地质勘探收费标准如下:
1,工程勘察收费=工程勘察收费基准价×(1±浮动幅度值)。
2,工程勘察收费基准价=工程勘察实物工作收费+工程勘察技术工作收费。
3,工程勘察实物工作收费=工程勘察实物工作收费基价×实物工作量×附加调整系数 4 工程勘察技术工作收费=工程勘察实物工作收费×技术工作收费比例。
工程勘察收费是指勘察人根据发包人的委托,收集已有资料、现场踏勘、制订勘察纲要,进行测绘、勘探、取样、试验、测试、检测、监测等勘察作业,以及编制工程勘察文件和岩土工程设计文件等收取的费用。
地质勘探收费标准
Document serial number【NL89WT-NY98YT-NC8CB-NNUUT-NUT108】
地质勘探收费标准如下:
1,工程勘察收费=工程勘察收费基准价×(1±浮动幅度值)。
2,工程勘察收费基准价=工程勘察实物工作收费+工程勘察技术工作收费。
3,工程勘察实物工作收费=工程勘察实物工作收费基价×实物工作量×附加调整系数 4 工程勘察技术工作收费=工程勘察实物工作收费×技术工作收费比例。
工程勘察收费是指勘察人根据发包人的委托,收集已有资料、现场踏勘、制订勘察纲要,进行测绘、勘探、取样、试验、测试、检测、监测等勘察作业,以及编制工程勘察文件和岩土工程设计文件等收取的费用。
工程地质勘察收费标准————————————————————————————————作者:————————————————————————————————日期:国家计委、建设部关于发布《工程勘察设计收费管理规定》的通知计价格[2002]10号国务院各有关部门,各省、自治区、直辖市计委、物价局,建设厅:为贯彻落实《国务院办公厅转发建设部等部门关于工程勘察设计单位体制改革若干意见的通知》(国办发[1999]101号),调整工程勘察设计收费标准,规范工程勘察设计收费行为,国家计委、建设部制定了《工程勘察设计收费管理规定》(以下简称《规定》),现予发布,自2002年3月1日起施行。
原国家物价局、建设部颁发的《关于发布工程勘察和工程设计收费标准的通知》([1992]价费字375号)及相关附件同时废止。
本《规定》施行前,已完成建设项目工程勘察或者工程设计合同工作量50%以上的,勘察设计收费仍按原合同执行;已完成工程勘察或者工程设计合同工作量不足50%的,未完成部分的勘察设计收费由发包人与勘察人、设计人参照本《规定》协商确定。
二00二年一月七日附件:工程勘察设计收费管理规定第一条为了规范工程勘察设计收费行为,维护发包人和勘察人、设计人的合法权益,根据《中华人民共和国价格法》以及有关法律、法规,制定本规定及《工程勘察收费标准》和《工程设计收费标准》。
第二条本规定及《工程勘察收费标准》和《工程设计收费标准》,适用于中华人民共和国境内建设项目的工程勘察和工程设计收费。
第三条工程勘察设计的发包与承包应当遵循公开、公平、公正、自愿和诚实信用的原则。
依据《中华人民共和国招标投标法》和《建设工程勘察设计管理条例》,发包人有权自主选择勘察人、设计人,勘察人、设计人自主决定是否接受委托。
第四条发包人和勘察人、设计人应当遵守国家有关价格法律、法规的规定,维护正常的价格秩序,接受政府价格主管部门的监督、管理。
第五条工程勘察和工程设计收费根据建设项目投资额的不同情况,分别实行政府指导和市场调节价。
地质勘探收费标准 The document was finally revised on 2021
地质勘探收费标准如下:
1,工程勘察收费=工程勘察收费基准价×(1±浮动幅度值)。
2,工程勘察收费基准价=工程勘察实物工作收费+工程勘察技术工作收费。
3,工程勘察实物工作收费=工程勘察实物工作收费基价×实物工作量×附加调整系数 4 工程勘察技术工作收费=工程勘察实物工作收费×技术工作收费比例。
工程勘察收费是指勘察人根据发包人的委托,收集已有资料、现场踏勘、制订勘察纲要,进行测绘、勘探、取样、试验、测试、检测、监测等勘察作业,以及编制工程勘察文件和岩土工程设计文件等收取的费用。
3 岩土工程勘察3。
1 技术工作岩土工程勘察技术工作费收费比例表表3。
1—1注:1、岩土工程勘察等级见国标《岩土工程勘察规范》;2、利用已有勘察资料提出勘察报告的只收取技术工作费,技术工作费的计费基数为所利用勘察资料的实物工作收费额。
3.2 工程地质测绘工程地质测绘复杂程度表表3。
2—1工程地质测绘实物工作收费基价表表3。
2—23.3 岩土工程勘探与原位测试岩土工程勘探与原位测试复杂程度表表3。
3—1注:岩土的分类和鉴定见国标《岩土工程勘察规范》。
岩土工程勘探实物工作收费基收表表3。
3—2取土、水、石试样实物工作收费基价表表3.3—3原位测试实物工作收费基价表表3.3—4续表3。
3—4续表3。
3—4岩土工程勘探与原位测试实物工作收费附加调整系数表表3。
3-54 岩土工程设计与检测监测4.1 岩土工程设计4.1.1 岩土工程设计服务内容根据工程性质和技术要求,现场踏勘,收集分析已有资料,调查周边建筑物及地下管线情况;编制岩土设计文件,绘制施工图,提出试验、检测和监测方案;配合施工,解决施工中的设计问题.4.1。
2 岩土工程设计收费岩土工程设计复杂程度表表4。
1—1岩土工程设计收费基价表表4.1-2注:1、该表采用插入法计算;2、岩土工程设计收费不足0。
5万元,按照0。
5万元计算收费;3、岩土工程概算额〉2000万元时,Ⅰ级按照费率3.5%、Ⅱ级按照费率4。
5%、Ⅲ级按照费率5。
0%计算收费;4、岩土工程设计收费基价是完成4.1.1岩土工程设计服务内容的价格。
4。
2 岩土工程检测监测4.2.1 岩土工程检测监测技术工作岩土工程检测监测技术工作费收费比例为22%。
4。
2.2 岩土工程检测监测实物工作岩土工程检测实物工作收费基价表表4.2—1续表4。
2—1岩土工程监测复杂程度表表4.2-2岩土工程监测实物工作收费基价表表4.2—3续表4。
2—3。
国家计委、建设部关于发布《工程勘察设计收费管理规定》的通知计价格[2002]10号国务院各有关部门,各省、自治区、直辖市计委、物价局,建设厅:为贯彻落实《国务院办公厅转发建设部等部门关于工程勘察设计单位体制改革若干意见的通知》(国办发[1999]101号),调整工程勘察设计收费标准,规范工程勘察设计收费行为,国家计委、建设部制定了《工程勘察设计收费管理规定》(以下简称《规定》),现予发布,自2002年3月1日起施行。
原国家物价局、建设部颁发的《关于发布工程勘察和工程设计收费标准的通知》([1992]价费字375号)及相关附件同时废止。
本《规定》施行前,已完成建设项目工程勘察或者工程设计合同工作量50%以上的,勘察设计收费仍按原合同执行;已完成工程勘察或者工程设计合同工作量不足50%的,未完成部分的勘察设计收费由发包人与勘察人、设计人参照本《规定》协商确定。
二00二年一月七日附件:工程勘察设计收费管理规定第一条为了规范工程勘察设计收费行为,维护发包人和勘察人、设计人的合法权益,根据《中华人民共和国价格法》以及有关法律、法规,制定本规定及《工程勘察收费标准》和《工程设计收费标准》。
第二条本规定及《工程勘察收费标准》和《工程设计收费标准》,适用于中华人民共和国境内建设项目的工程勘察和工程设计收费。
第三条工程勘察设计的发包与承包应当遵循公开、公平、公正、自愿和诚实信用的原则。
依据《中华人民共和国招标投标法》和《建设工程勘察设计管理条例》,发包人有权自主选择勘察人、设计人,勘察人、设计人自主决定是否接受委托。
第四条发包人和勘察人、设计人应当遵守国家有关价格法律、法规的规定,维护正常的价格秩序,接受政府价格主管部门的监督、管理。
第五条工程勘察和工程设计收费根据建设项目投资额的不同情况,分别实行政府指导和市场调节价。
建设项目总投资估算额500万元及以上的工程勘察和工程设计收费实行政府指导价;建设项目总投资估算额500万元以下的工程勘察和工程设计收费实行市场调节价。
工程勘察设计收费标准工程勘察设计收费标准一、总则为了规范工程勘察设计收费行为,保障勘察设计单位、勘察设计人员和业主的合法权益,根据《中华人民共和国勘察设计行业管理条例》和《工程勘察设计收费管理办法》的相关规定,制定本收费标准。
本收费标准适用于各类工程勘察设计单位和勘察设计人员的收费行为,包括工程测量和岩土工程勘察。
二、工程测量2.1 技术工作工程测量包括现场测量和数据处理两个阶段。
其中,现场测量包括地面测量和测量基准的设置,数据处理包括数据的整理、计算和绘图等。
勘察设计单位和勘察设计人员应当根据工程测量的具体情况制定测量方案,并按照标准收费标准进行收费。
2.2 地面测量地面测量是工程测量的重要组成部分,包括平面控制测量、高程控制测量和详细测量等。
勘察设计单位和勘察设计人员应当根据地面测量的具体情况制定测量方案,并按照标准收费标准进行收费。
三、岩土工程勘察3.1 技术工作岩土工程勘察包括现场勘查和室内试验两个阶段。
其中,现场勘查包括地质勘查和土工勘查,室内试验包括岩土试验和水文地质试验等。
勘察设计单位和勘察设计人员应当根据岩土工程勘察的具体情况制定勘察方案,并按照标准收费标准进行收费。
3.2 工程地质测绘工程地质测绘是岩土工程勘察的重要组成部分,包括地质剖面、地质平面图和地质剖面图等。
勘察设计单位和勘察设计人员应当根据工程地质测绘的具体情况制定测绘方案,并按照标准收费标准进行收费。
3.3 岩土工程勘探与原位测试岩土工程勘探和原位测试是岩土工程设计的重要组成部分。
勘探和测试的目的是为了了解地下岩土的物理和力学特性,以便进行合理的设计和施工。
勘探和测试的方法包括钻探、取样、地质勘探、地球物理勘探和原位测试等。
这些方法可以帮助工程师了解地下岩土的结构、性质和力学特性,并为设计提供必要的数据和信息。
4 岩土工程设计与检测监测岩土工程设计是岩土工程的核心,它是根据勘探和测试结果,制定合理的设计方案,以满足工程的要求。
3 岩土工程勘察
3.1 技术工作
岩土工程勘察技术工作费收费比例表表3.1—1
注:1、岩土工程勘察等级见国标《岩土工程勘察规范》;
2、利用已有勘察资料提出勘察报告的只收取技术工作费,技术工作费的计费基数为所利用勘察资料的实物工作收费额。
3.2 工程地质测绘
工程地质测绘复杂程度表表3.2—1
工程地质测绘实物工作收费基价表表3.2—2
3.3 岩土工程勘探与原位测试
岩土工程勘探与原位测试复杂程度表表3.3—1
注:岩土的分类和鉴定见国标《岩土工程勘察规范》。
岩土工程勘探实物工作收费基收表表3.3—2
取土、水、石试样实物工作收费基价表表3.3—3
原位测试实物工作收费基价表表3.3—4
续表3.3—4
续表3.3—4
岩土工程勘探与原位测试实物工作收费附加调整系数表表3.3—5。
工程勘察设计收费标准(2002年修订本)范文(完整版) 工程勘察设计收费标准(2002年修订本)一、概述为规范工程勘察设计收费行为,按照《中华人民共和国价格法》、《中华人民共和国价格听证条例》和《国务院关于加强工程咨询管理的决定》等规定,制定本标准。
本标准合用于国内各类勘察设计单位与业主的勘察设计业务合同中的收费标准。
二、基本要求1.工程勘察设计应根据工程建设实际情况中的复杂程度、工程性质、技术难易程度和工程规模等因素,合理确定收费标准。
2.勘察设计收费标准应当公开、透明、合理。
3.勘察设计收费应当以合同为基础。
工程勘察设计收费应当实行合同价款明细化、内部结算透明化等制度。
合同明细应当被评审专家组认真核查。
4.收费应当与服务相适应。
工程勘察设计单位应当按照像关法律法规及规章制度,切实履行工程勘察设计职责,提供质量合格、服务优良的勘察设计服务。
三、收费标准1.工程勘察收费标准(1)土建工程:按照工程规模、复杂程度和土地物理条件等综合确定收费。
(2)公路工程:按照路线、地质条件、复杂程度、路线过渡方案的多样性等综合确定收费。
(3)铁路工程:按照路线、地质条件、铁路建设产业规划等因素综合确定收费。
(4)市政工程:按照项目规模、地质条件、城市交通流量等因素综合确定收费。
(5)水利工程:按照工程规模、复杂度、特殊地质条件等因素综合确定收费。
(6)电力工程:按照设备类型、电气负荷大小、设备性能参数标定等因素综合确定收费。
(7)矿山工程:按照地质条件、采矿方法、矿产储量等因素综合确定收费。
2.工程设计收费标准(1)土建工程:按照用地规划、建造面积、结构形式等因素综合确定收费。
(2)公路工程:按照路线规划编制、桥梁、车辆通行量多少等因素综合确定收费。
(3)铁路工程:按照设备规划、路线规划、列车通行量多少等因素综合确定收费。
(4)市政工程:按照交通流量、建造设计标准、城市垃圾处理情况等因素综合确定收费。
(5)水利工程:按照建造规模、水力设备类型、建设过程中的复杂程度等因素综合确定收费。
地质工程勘察收费标准 Company Document number:WTUT-WT88Y-W8BBGB-BWYTT-19998
地质工程勘察收费标准
5.1技术工作
水文地质勘察技术工作费收费比例表表
注:1.表、、中复杂程度分类见国际《供水水文地质勘察规范》;
2.利用已有勘察资料提出勘察报告的只收取技术工作费,技术工作费的计费基数为所利用勘察资料的实物工作收费额。
5.2水文地质测绘
水文地质测绘实物工作收费基价表表
5.3模拟计算、遥感判释
模拟计算实物工作收费基价表表
遥感判释实物工作收费基价表表
5.4水文地质钻探
水文地质钻探实物工作收费基价按所钻探地层分层计算,计算公式如下:
水文地质钻探实物工作收费基价=130(元/米)×自然进尺(米)×岩土类别系数×孔深系数×孔径系数
水文地质钻探复杂程度表表
注:土的分类见国标《供水水文地质勘察规范》,岩土的分类和鉴定见国标《岩土工程勘察规范》。
水文地质钻探岩土类别系数表表
水文地质钻探孔深孔径系数表表
5.5现场测试与取样
现场测试与取样实物工作收费基价表表
5.6洗井、固井与旧井处理
洗井与固井实物工作收费基价表表
旧井处理实物工作收费基价表表。