深圳市工程设计、岩土工程勘察收费标准
- 格式:pdf
- 大小:181.64 KB
- 文档页数:11
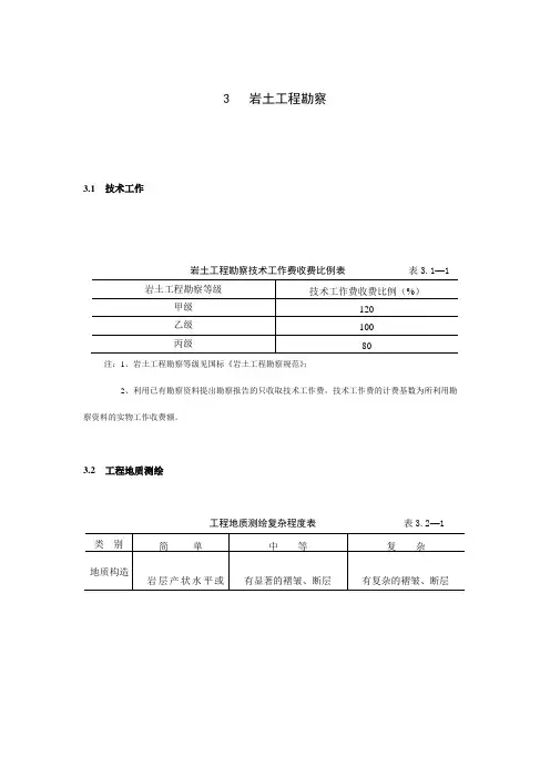
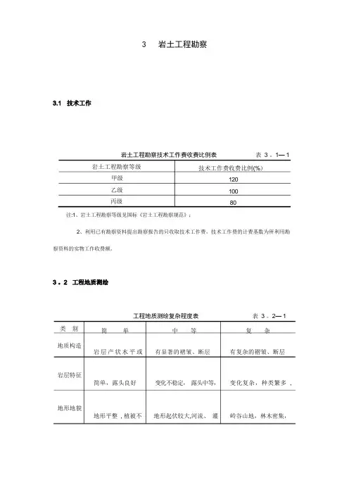
3 岩土工程勘察
3.1 技术工作
岩土工程勘察技术工作费收费比例表表3.1—1
注:1、岩土工程勘察等级见国标《岩土工程勘察规范》;
2、利用已有勘察资料提出勘察报告的只收取技术工作费,技术工作费的计费基数为所利用勘察资料的实物工作收费额。
3.2 工程地质测绘
工程地质测绘复杂程度表表3.2—1
工程地质测绘实物工作收费基价表表3.2—2
3.3 岩土工程勘探与原位测试
岩土工程勘探与原位测试复杂程度表表3.3—1
注:岩土的分类和鉴定见国标《岩土工程勘察规范》。
岩土工程勘探实物工作收费基收表表3.3—2
取土、水、石试样实物工作收费基价表表3.3—3
原位测试实物工作收费基价表表3.3—4
续表3.3—4
续表3.3—4
岩土工程勘探与原位测试实物工作收费附加调整系数表表3.3—5。
3 岩土工程勘察岩土工程勘察技术工作费收费比例表 表 3 。
1— 1注:1、岩土工程勘察等级见国标《岩土工程勘察规范》;2、利用已有勘察资料提出勘察报告的只收取技术工作费,技术工作费的计费基数为所利用勘察资料的实物工作收费额。
工程地质测绘复杂程度表 表 3 。
2— 1简 单 中 等 复 杂地质构造有显著的褶皱、断层岩层特征变化不稳定, 露头中等,地形地貌地形平整 , 植被不 地形起伏较大,河流、 灌 岭谷山地,林木密集,变化复杂,种类繁多 ,有复杂的褶皱、断层岩 层 产 状 水 平 或者简单,露头良好类 别技术工作费收费比例(%)120 100 80岩土工程勘察等级甲级 乙级 丙级工程地质测绘实物工作收费基价表 表 3。
2—2表 3 。
3— 1 Ⅵ粒径≤ 100mm 、松散地层硬塑、坚硬流 塑 、 软岩石地层 极软岩砂土, 粒径≤软岩 较软岩 较硬岩注:岩土的分类和鉴定见国标《岩土工程勘察规范》。
岩土工程勘探实物工作收费基收表项 目 计费序号 勘探 深度 D (m ) / 长 度 L 单位项目1 钻孔 D ≤10 m计费单位1:200 1 :5001:1000成图 1:2000Km 2比 1 :5000 例1:100001:25000 1 :50000附加调整系数为 1.3附加调整系数为 1 。
5项工程地质测绘带状工程地质测绘 工程地质测绘与收费基价(元)简单 16065 8033 5355 3570 1071 536 268134中等 22950 11475 7650 5100 1530 765 383 191复杂 34425 17213 114757650 2295 1148 574 287序 号123目岩土工程勘探与原位测试复杂程度表岩土类别 Ⅰ Ⅱ Ⅲ Ⅳ粒径〉坚硬岩收费基价(元) Ⅳ207 Ⅵ382Ⅴ301 Ⅲ117 表 3.3-2Ⅰ 46Ⅱ 71Ⅴ2 3 4 探井探槽平硐10〈D≤2020<D≤3030<D≤4040〈D≤5050<D≤6060〈D≤8080〈D≤100D>100D≤22〈D≤55〈D≤1010〈D≤20D〉20D≤2D〉2L≤5050<L≤100100〈L≤150150〈L≤200200<L≤250250〈L≤300259311368439489542592每增加20m,按前一档收费基价乘以1.2 的附加调整系数125156194256每增加10m,按前一档收费基价乘以1.3 的附加调整系数921339801029107811271176122512017411731231129013481407146614821513481415148215501617168440m358350368385m403420438L>300 每增加50m,按前一档收费基价乘以1 。
工程勘察收费标准目录1.总则2.工程测量3.岩土工程勘察4.岩土工程设计与检测监测5.水文地质勘察6.工程水文气象勘察7.工程物探8.室内试验9.煤炭工程勘察10.水利水电工程勘察11.电力工程勘察12.长输管道工程勘察13.铁路工程勘察14.公路工程勘察15.通信工程勘察16.海洋工程勘察1 总则1.0.1 工程勘察收费是指勘察人根据发包人的委托,收集已有资料、现场踏勘、制订勘察纲要,进行测绘、勘探、取样、试验、测试、检测、监测等勘察作业,以及编制工程勘察文件和岩土工程设计文件等收取的费用。
1.0.2 工程勘察收费标准分为通用工程勘察收费标准和专业工程勘察收费标准。
1 通用工程勘察收费标准适用于工程测量、岩土工程勘察、岩土工程设计与检测监测、水文地质勘察、工程水文气象勘察、工程物探、室内试验等工程勘察的收费。
2专业工程勘察收费标准分别适用于煤炭、水利水电、电力、长输管道、铁路、公路、通信、海洋工程等工程勘察的收费。
专业工程勘察中的一些项目可以执行通用工程勘察收费标准。
1.0.3 通用工程勘察收费采取实物工作量定额计费方法计算,由实物工作收费和技术工作收费两部分组成。
专业工程勘察收费方法和标准,分别在煤炭、水利水电、电力、长输管道、铁路、公路、通信、海洋工程等章节中规定1.0.4 通用工程勘察收费按照下列公式计算1 工程勘察收费=工程勘察收费基准价×(1土浮动幅度值)2 工程勘察收费基准价=工程勘察实物工作收费+工程勘察技术工作收费3 工程勘察实物工作收费=工程勘察实物工作收费基价×实物工作量×附加调整系数4 工程勘察技术工作收费=工程勘察实物工作收费×技术工作收费比例1.0.5 工程勘察收费基准价工程勘察收费基准价是按照本收费标准计算出的工程勘察基准收费额,发包人和勘察人可以根据实际情况在规定浮动的幅度内协商确定工程勘察收费合同额。
1.0.6 工程勘察实物工作收费基价工程勘察实物工作收费基价是完成每单位工程勘察实物工作内容的基本价格。
3 岩土工程勘察3.1 技术工作岩土工程勘察技术工作费收费比例表表3.1—1注:1、岩土工程勘察等级见国标《岩土工程勘察规范》;2、利用已有勘察资料提出勘察报告的只收取技术工作费,技术工作费的计费基数为所利用勘察资料的实物工作收费额。
3.2 工程地质测绘工程地质测绘复杂程度表表3.2—1工程地质测绘实物工作收费基价表表3.2—23.3 岩土工程勘探与原位测试岩土工程勘探与原位测试复杂程度表表3.3—1注:岩土的分类和鉴定见国标《岩土工程勘察规范》。
岩土工程勘探实物工作收费基收表表3.3—2取土、水、石试样实物工作收费基价表表3.3—3原位测试实物工作收费基价表表3.3—4续表3.3—4续表3.3—4岩土工程勘探与原位测试实物工作收费附加调整系数表表3.3—54 岩土工程设计与检测监测4.1 岩土工程设计4.1.1 岩土工程设计服务内容根据工程性质和技术要求,现场踏勘,收集分析已有资料,调查周边建筑物及地下管线情况;编制岩土设计文件,绘制施工图,提出试验、检测和监测方案;配合施工,解决施工中的设计问题。
4.1.2 岩土工程设计收费岩土工程设计复杂程度表表4.1—1岩土工程设计收费基价表表4.1—2注:1、该表采用插入法计算;2、岩土工程设计收费不足0.5万元,按照0.5万元计算收费;3、岩土工程概算额>2000万元时,Ⅰ级按照费率3.5%、Ⅱ级按照费率4.5%、Ⅲ级按照费率5.0%计算收费;4、岩土工程设计收费基价是完成4.1.1岩土工程设计服务内容的价格。
4.2 岩土工程检测监测4.2.1 岩土工程检测监测技术工作岩土工程检测监测技术工作费收费比例为22%。
4.2.2 岩土工程检测监测实物工作岩土工程检测实物工作收费基价表表4.2—1续表4.2—1岩土工程监测复杂程度表表4.2—2岩土工程监测实物工作收费基价表表4.2—3续表4.2—3。
一、工程勘察设计收费(一)1总则1.0.1 工程勘察收费是指勘察人根据发包人的委托,收集已有资料、现场踏勘、制订勘察纲要,进行测绘、勘探、取样、试验、测试、检测、监测等勘察作业,以及编制工程勘察文件和岩土工程设计文件等收取的费用。
1.0.2 工程勘察收费分为通用工程勘察收费和专业工程勘察收费。
1通用工程勘察收费适用于工程测量、岩土工程勘察、岩土工程设计与检测监测、水文地质勘察、工程水文气象勘察、工程物探、室内试验等工程勘察的收费。
2专业工程勘察收费分别适用于煤炭、水利水电、电力、长输管道、铁路、公路、通信、海洋工程等工程勘察的收费。
专业工程勘察中的一些项目可以执行通用工程勘察收费。
1.0.3 通用工程勘察收费采取实物工作量定额计费方法计算,由实物工作收费和技术工作收费两部分组成。
专业工程勘察收费方法和,分别在煤炭、水利水电、电力、长输管道、铁路、公路、通信、海洋工程等章节中规定。
1.0.4 通用工程勘察收费按照下列公式计算1工程勘察收费=工程勘察收费基准价×(1±浮动幅度值)2工程勘察收费基准价=工程勘察实物工作收费+工程勘察技术工作收费3工程勘察实物工作收费=工程勘察实物工作收费基价×实物工作量×附加调整系数4工程勘察技术工作收费=工程勘察实物工作收费×技术工作收费比例1.0.5 工程勘察收费基准价工程勘察收费基准价是按照本收费计算出的工程勘察基准收费额,发包人和勘察人可以根据实际情况在规定的浮动幅度内协商确定工程勘察收费合同额。
1.0.6 工程勘察实物工作收费基价工程勘察实物工作收费基价是完成每单位工程勘察实物工作内容的基本价格。
工程勘察实物工作收费基价在相关章节的《实物工作收费基价表》中查找确定。
1.0.7 实物工作量实物工作量由勘察人按照工程勘察规范、规程的规定和勘察作业实际情况在勘察纲要中提出,经发包人同意后,在工程勘察合同中约定。
1.0.8 附加调整系数附加调整系数是对工程勘察的自然条件、作业内容和复杂程度差异进行调整的系数。
.深圳市工程设计、岩土工程勘察收费标准(99年修订版深圳市勘察设计协会)总说明4. 设计内容包括:方案设计初步设计(含概算)、施工图设计(含技术交底、施工配合及竣工验收)、复用工程设计图及建设项目前期工作咨询及其其他技术服务。
5. 工程设计费是指完成上述内容时,按工程设计总概算造价的百分率计算的设计费。
6. 业主要求编制施工图预算时,按设计费的10%收取。
8. 设计费收取方法按深圳市工程设计合同管理的规定,可采用一次性收取或依设计进度收取的两种方式。
一次性付款方式在合同生效后,一次性结清合同款。
分期付款方式,在合同签定时受取总设计费的20%为定金;提供方案设计或提供初步设计时收取的设计费应不低于按概算造价的百分率收取总设计费的50%,提供施工图设计成果时应收取总设计费达80%。
9. 对于其他技术服务,如编制设计任务书,可行性研究报告、工程咨询策划、招投标书、厂址选择、规划调研、科学试验、环境预评价、数据测试、特殊的电算和模型以及技术考察、对外谈判等收费,一般以工作日计算:初级技术职称人员300元/工日600~中级技术职称人员800元/工日800高级技术职称人员~1000元/工日1000~1200元/工日高级专家份(含装订成册用于报份、初步设计及其他的委托工作均提供施工图设计提供10. 86建份数)业主要求增加份数,费用另计。
国家及地方标准图由业主自行向有关标准站购买。
第一章工程设计收费标准1.1房屋建筑工程设计收费标准教育资料..1.1.2房屋建筑(含工业厂房仓库)工程等级分类表教育资料..1.1.3 房屋建筑工程设计收费标准[方案(含初设)及施工图全套]注:民用建筑工程设计收费标准基础上(含应增加方案费:特级及一级10%,二级6%,三级3%)×特区系数1.3,再×抗震系数1.11.1.4 房屋建筑工程中做方案或方案批准后的初步设计收费标准注:为全过程设计收费的30%。
按甲方委托要求,可做两个比选方案,若甲方要求增加方案设计,从第三个方案起,每增加一个方案,增收方案设计费50%。
3 岩土工程勘察
3.1 技术工作
岩土工程勘察技术工作费收费比例表表3.1—1
注:1、岩土工程勘察等级见国标《岩土工程勘察规范》;
2、利用已有勘察资料提出勘察报告的只收取技术工作费,技术工作费的计费基数为所利用勘察资料的实物工作收费额。
3.2 工程地质测绘
工程地质测绘复杂程度表表3.2—1
3.3 岩土工程勘探与原位测试
岩土工程勘探与原位测试复杂程度表表3.3—1
注:岩土的分类和鉴定见国标《岩土工程勘察规范》。
岩土工程勘探实物工作收费基收表表3.3—2
取土、水、石试样实物工作收费基价表表3.3—3
原位测试实物工作收费基价表表3.3—4
续表3.3—4
续表3.3—4
3.3—5
岩土工程勘探与原位测试实物工作收费附加调整系数表表。
3 岩土工程勘察3.1 技术工作岩土工程勘察技术工作费收费比例表表3.1-1注:1 岩土工程勘察等级见国标《岩土工程勘察规范》;2.利用已有勘察资料提出勘察报告的只收取技术工作费,技术工作费的计费基数为所利用勘察资料的实物工作收费额。
3.2 工程地质测绘工程地质测绘复杂程度表表3.2-1工程地质测绘实物工作收费基价表表3.2-23.3 岩土工程勘探与原位测试岩土工程勘探与原位测试复杂程度表表3.3-1岩土工程勘探实物工作收费基价表表 3.3-2取土、水、石试样实物工作收费基价表表3.3-3原位测试实物工作收费基价表表3.3-4原位测试实物工作收费基价表续表3.3-4岩土工程勘探与原位测试实物工作收费附加调整系数表表 3.3-54 岩土工程设计与检测监测4.1 岩土工程设计4.1.1 岩土工程设计服务内容根据工程性质和技术要求,现场踏勘,收集分析已有资料,调查周边建筑物及地下管线情况;编制岩土设计文件,绘制施工图,提出试验、检测和监测方案;配合施工,解决施工中的设计问题。
4.1.2 岩土工程设计收费岩土工程设计复杂程度表表4.1-1岩土工程设计收费基价表表4.1-2注:1.该表采用插入法计算;2.岩土工程设计收费不足0.5万元,按照0.5万元计算收费;3.岩土工程概算额>2000万元时,级按照费率3.5%、Ⅱ级按照费率4.5%、Ⅲ级按照费率5.0%计算收费;4.岩土工程设计收费基价是完成4.1.1岩土工程设计服务内容的价格。
4.2 岩土工程检测监测4.2.1 岩土工程检测监测技术工作岩土工程检测监测技术工作费收费比例为22%。
4.2.2 岩土工程检测监测实物工作岩土工程检测实物工作收费基价表表4.2-1岩土工程监测复杂程度表表4.2-2岩土工程监测实物工作收费基价表表4.2-3。
3 岩土工程勘察3.1 技术工作岩土工程勘察技术工作费收费比例表表3.1—1 岩土工程勘察等级技术工作费收费比例(%)甲级120乙级100丙级80注:1、岩土工程勘察等级见国标《岩土工程勘察规范》;2、利用已有勘察资料提出勘察报告的只收取技术工作费,技术工作费的计费基数为所利用勘察资料的实物工作收费额。
3.2 工程地质测绘工程地质测绘复杂程度表表3.2—1 类别简单中等复杂地质构造岩层产状水平或有显著的褶皱、断层有复杂的褶皱、断层岩层特征简单,露头良好变化不稳定,露头中等,变化复杂,种类繁多,地形地貌地形平坦,植被不地形起伏较大,河流、岭谷山地,林木密集,工程地质测绘实物工作收费基价表表3.2—2序号项目计费单位收费基价(元)简单中等复杂1工程地质测绘成图比例1:200Km2160652295034425 1:500803311475172131:100053557650114751:20003570510076501:50001071153022951:1000053676511481:250002683835741:500001341912872带状工程地质测绘附加调整系数为1.33工程地质测绘与附加调整系数为1.53.3 岩土工程勘探与原位测试岩土工程勘探与原位测试复杂程度表表3.3—1 岩土类别ⅠⅡⅢⅣⅤⅥ松散地层流塑、软硬塑、坚硬砂土,粒径≤粒径≤100mm、粒岩石地层极软岩软岩较软岩较硬岩坚硬岩注:岩土的分类和鉴定见国标《岩土工程勘察规范》。
岩土工程勘探实物工作收费基收表表3.3—2序号项目计费单位收费基价(元)勘探项目深度D(m)/ 长度L(m)ⅠⅡⅢⅣⅤⅥ1钻孔D≤10m4671117207301382 10<D≤20 5889147259377477 20<D≤30 69107176311452573 30<D≤40 82127209368536680 40<D≤50 98151249439639809 50<D≤60 109168277489711901 60<D≤80 1211873075427891000 80<D≤100 1322043355928621092D>100 每增加20m,按前一档收费基价乘以1.2的附加调整系数2探井D≤2m506378125200250 2<D≤5 637897156250313 5<D≤10 7897120194310388 10<D≤20 103128159256410513 D>20 每增加10m,按前一档收费基价乘以1.3的附加调整系数3探槽D≤2m340527292120148 D>2 58751041331742154平硐L≤50m35052573598011731348 50<L≤100 368551772102912311415 100<L≤150 385578809107812901482 150<L≤200 403604845112713481550 200<L≤250 420630882117614071617 250<L≤300 438656919122514661684 L>300 每增加50m,按前一档收费基价乘以1.1的附加调整系数标准断面为4m2,大于标准断面部分乘以0.6附加调整系数,另行计算收费取土、水、石试样实物工作收费基价表表3.3—3序号项目计费单位收费基价(元)取样深度≤30m取样深1取土锤击法厚壁取土器试样规格Φ=80~100mm件4050静压法厚壁取土器Φ=80~100mm6595敞口或自由活塞薄壁取土器Φ=75mm310460水压固定活塞薄壁取土器Φ=75mm420620固定活塞薄壁取土器Φ=75mm360560束节式取土器Φ=75mm150240黄土取土器Φ=120mm80120回转型单动、双动三重管取土器Φ=75mm310460探井取土100150扰动取土152取石取岩芯样25人工取样2003取土40原位测试实物工作收费基价表表3.3—4序号项目计费单位收费基价(元)测试项目测试深度ⅠⅡⅢⅣⅤⅥ1标准贯入D[dx1]≤20次80108144试验20<D≤50120162216D>50144194259续表3.3—4序号项目计费单位收费基价(元)测试项目测试深度D(m)ⅠⅡⅢⅣⅤⅥ2圆锥动力触探试验轻型D≤10m325082重型D≤10 507812830037542510<D≤20 639715937546953120<D≤30 7511619145056363830<D≤40 8913822753466875740<D≤50 106164270636795901超重型D≤10 14033041346810<D≤20 17541351658420<D≤30 21049561970130<D≤40 24958773483240<D≤50 2977008759913静力触探试验单桥D≤10 34498210<D≤20 436210220<D≤30 517412230<D≤40 618814540<D≤50 7210517350<D≤60 8011619360<D≤80 89129214双桥按单桥收费基价乘以1.15的附加调整系数双测孔压按单桥或双桥收费基价乘以1.2的附加调整系数4扁铲侧胀试验D≤10点6699 10<D≤20 83124 20<D≤30 99149 30<D≤40 116173 40<D≤50 132198 50<D≤60 158238 60<D≤80 1982975十字板剪切试验D≤10 20610<D≤20 22720<D≤30 247D>30309续表3.3—4序号项目计费收费基价(元)6旁压试验方法深度D (m)压力≤2500kPa压力>2500kPa 预钻式D≤10点26335110<D≤20 342456D>20444593自钻式D≤10 34245610<D≤20 444593D>205777717载荷试验螺旋板试验点18902080浅、深层平板面积0.1~1(m2)加荷最大值(kN)水位以上水位以下≤1002790306020036904060300459050504005490604050064007040>500见表4.2-1中序号1试坑开挖、加荷体吊装运输费另计8土体现场直剪试验试验面积(m2)压应力≤500kPa压应力>500kPa水位以上水位以下水位以上水位以下0.10组27753330333039960.2539654758475857100.5051566188618874259岩体变承压法向荷重(kN)试软岩硬岩形试验板法≤500验67867488100074248237>1000每增加500按前一档收费基价乘以1.1的附加调整系数钻孔变形法39784563续表3.3—4序号项目计费收费基价(元)10岩体强度试验岩体结构面直剪试验点994511412岩体直剪87759891混凝土与岩体直剪7020760511岩体原位应力测试方法孔原位应力测试三轴交汇测应力孔径变形法/孔底应变法2925058500孔壁应变法3510012压水、注水试验压水试验深度D(m)D≤20段次1753D>202104注水钻孔注水409探井注水205岩土工程勘探与原位测试实物工作收费附加调整系数表表3.3—5序号项目附加调备注1钻孔跟管钻进、泥浆护壁、基岩无水干钻钻探、基岩破碎带钻进取芯1.52钻孔水平孔、斜孔钻探 2.03钻孔坑道内作业 1.34勘探、取样、原位测试线路上作业 1.3包括工程物探5钻孔、取样、水滨海 3.0原位测试上作业湖、江、河水深D(m)D≤10 2.010<D≤20 2.5D>20 3.0塘、沼泽地 1.5积水区(含水稻田) 1.2续表3.3—5序号项目附加调备注6钻孔、取样夜间作业 1.2原位测试仅限于表7勘探、取样、岩溶、洞穴、泥石流、滑坡、沙漠、 1.1 ~8原位测试、工程物探的勘探费用另计9小型岩土工程<3个台班,按3个台班计算收费。
1 总则1.0.1工程勘察收费是指勘察人根据发包人的委托,收集已有资料、现场踏勘、制订勘察纲要,进行测绘、勘探、取样、试验、测试、检测、监测等勘察作业,以及编制工程勘察文件和岩土工程设计文件等收取的费用。
1.0。
2工程勘察收费标准分为通用工程勘察收费标准和专业工程勘察收费标准。
1 通用工程勘察收费标准适用于工程测量、岩土工程勘察、岩土工程设计与检测监测、水文地质勘察、工程水文气象勘察、工程物探、室内试验等工程勘察的收费。
2 专业工程勘察收费标准分别适用于煤炭、水利水电、电力、长输管道、铁路、公路、通信、海洋工程等工程勘察的收费。
专业工程勘察中的一些项目可以执行通用工程勘察收费标准。
1。
0.3通用工程勘察收费采取实物工作量定额计费方法计算,由实物工作收费和技术工作收费两部分组成.专业工程勘察收费方法和标准,分别在煤炭、水利水电、电力、长输管道、铁路、公路、通信、海洋工程等章节中规定。
1.0。
4通用工程勘察收费按照下列公式计算1 工程勘察收费=工程勘察收费基准价×(1±浮动幅度值)2 工程勘察收费基准价=工程勘察实物工作收费+工程勘察技术工作收费3 工程勘察实物工作收费=工程勘察实物工作收费基价×实物工作量×附加调整系数4 工程勘察技术工作收费、工程勘察实物工作收费×技术工作收费比例1。
0.5工程勘察收费基准价工程勘察收费基准价是按照本收费标准计算出的工程勘察基准收费额,发包人和勘察人可以根据实际情况在规定的浮动幅度内协商确定工程勘察收费合同额.1.0。
6工程勘察实物工作收费基价工程勘察实物工作收费基价是完成每单位工程勘察实物工作内容的基本价格。
工程勘察实物工作收费基价在相关章节的《实物工作收费基价表》中查找确定。
1.0。
7实物工作量实物工作量由勘察人按照工程勘察规范、规程的规定和勘察作业实际情况在勘察纲要中提出,经发包人同意后,在工程勘察合同中约定。
3 岩土工程勘察
3.1 技术工作
岩土工程勘察技术工作费收费比例表表3.1—1
注:1、岩土工程勘察等级见国标《岩土工程勘察规范》;
2、利用已有勘察资料提出勘察报告的只收取技术工作费,技术工作费的计费基数为所利用勘察资料的实物工作收费额。
3.2 工程地质测绘
工程地质测绘复杂程度表表3.2—1
工程地质测绘实物工作收费基价表表3.2—2
3.3 岩土工程勘探与原位测试
岩土工程勘探与原位测试复杂程度表表3.3—1
注:岩土的分类和鉴定见国标《岩土工程勘察规范》。
岩土工程勘探实物工作收费基收表表3.3—2
取土、水、石试样实物工作收费基价表表3.3—3
原位测试实物工作收费基价表表3.3—4
续表3.3—4
续表3.3—4
岩土工程勘探与原位测试实物工作收费附加调整系数表表3.3—5。
深圳市工程设计、岩土工程勘察收费标准(99年修订版深圳市勘察设计协会)总说明4. 设计内容包括:方案设计初步设计(含概算)、施工图设计(含技术交底、施工配合及竣工验收)、复用工程设计图及建设项目前期工作咨询及其其他技术服务。
5. 工程设计费是指完成上述内容时,按工程设计总概算造价的百分率计算的设计费。
6. 业主要求编制施工图预算时,按设计费的10%收取。
8. 设计费收取方法按深圳市工程设计合同管理的规定,可采用一次性收取或依设计进度收取的两种方式。
一次性付款方式在合同生效后,一次性结清合同款。
分期付款方式,在合同签定时受取总设计费的20%为定金;提供方案设计或提供初步设计时收取的设计费应不低于按概算造价的百分率收取总设计费的50%,提供施工图设计成果时应收取总设计费达80%。
9. 对于其他技术服务,如编制设计任务书,可行性研究报告、工程咨询策划、招投标书、厂址选择、规划调研、科学试验、环境预评价、数据测试、特殊的电算和模型以及技术10. 施工图设计提供8份、初步设计及其他的委托工作均提供6份(含装订成册用于报建份数)业主要求增加份数,费用另计。
国家及地方标准图由业主自行向有关标准站购买。
第一章工程设计收费标准1.1房屋建筑工程设计收费标准三级3%)×特区系数1.3,再×抗震系数1.1方案设计,从第三个方案起,每增加一个方案,增收方案设计费50%。
如果甲方委托设计条件变更,再做方案设计时,另行收取方案设计费。
1.1.17 关于设计过程中修改设计的收费标准是指已有明确的设计任务书(或行政主管部门批准过的设计要点、业主的设计要求)在进行设计并完成一定中间成果(当超过各设计阶段内容的20%)的过程中,因原定的设计任务书(或或行政主管部门批准过的设计要点、业主的设计要求)发生变更而引致设计必须修改,造成返工、应视工作量的多少和其复杂情况决定:当设计工作完成20%~50%的工作量报废、按原设计费20~40%增收;当设计工作完成50%以上的工作量报废、按原设计费60~100%增收;当设计修改工作量很大,有方案性变化时,要结清该阶段设计收费,另按当前要求重新开始,按本标准计收设计费。
1 总则1.0.1工程勘察收费是指勘察人根据发包人的委托,收集已有资料、现场踏勘、制订勘察纲要,进行测绘、勘探、取样、试验、测试、检测、监测等勘察作业,以及编制工程勘察文件和岩土工程设计文件等收取的费用。
1.0.2工程勘察收费标准分为通用工程勘察收费标准和专业工程勘察收费标准。
1 通用工程勘察收费标准适用于工程测量、岩土工程勘察、岩土工程设计与检测监测、水文地质勘察、工程水文气象勘察、工程物探、室内试验等工程勘察的收费。
2 专业工程勘察收费标准分别适用于煤炭、水利水电、电力、长输管道、铁路、公路、通信、海洋工程等工程勘察的收费。
专业工程勘察中的一些项目可以执行通用工程勘察收费标准。
1.0.3通用工程勘察收费采取实物工作量定额计费方法计算,由实物工作收费和技术工作收费两部分组成。
专业工程勘察收费方法和标准,分别在煤炭、水利水电、电力、长输管道、铁路、公路、通信、海洋工程等章节中规定。
1.0.4通用工程勘察收费按照下列公式计算1 工程勘察收费=工程勘察收费基准价×(1±浮动幅度值)2 工程勘察收费基准价=工程勘察实物工作收费+工程勘察技术工作收费3 工程勘察实物工作收费=工程勘察实物工作收费基价×实物工作量×附加调整系数4 工程勘察技术工作收费、工程勘察实物工作收费×技术工作收费比例1.0.5工程勘察收费基准价工程勘察收费基准价是按照本收费标准计算出的工程勘察基准收费额,发包人和勘察人可以根据实际情况在规定的浮动幅度内协商确定工程勘察收费合同额。
1.0.6工程勘察实物工作收费基价工程勘察实物工作收费基价是完成每单位工程勘察实物工作内容的基本价格。
工程勘察实物工作收费基价在相关章节的《实物工作收费基价表》中查找确定。
1.0.7实物工作量实物工作量由勘察人按照工程勘察规范、规程的规定和勘察作业实际情况在勘察纲要中提出,经发包人同意后,在工程勘察合同中约定。
岩土工程勘察收费标准3.1 技术工作岩土工程勘察技术工作费收费比例表表3.1-1注:1 岩土工程勘察等级见国标《岩土工程勘察规范》;2.利用已有勘察资料提出勘察报告的只收取技术工作费,技术工作费的计费基数为所利用勘察资料的实物工作收费额。
3.2 工程地质测绘工程地质测绘复杂程度表表3.2-1工程地质测绘实物工作收费基价表表3.2-23.3 岩土工程勘探与原位测试岩土工程勘探与原位测试复杂程度表表3.3-1岩土工程勘探实物工作收费基价表表 3.3-2取土、水、石试样实物工作收费基价表表3.3-3原位测试实物工作收费基价表表3.3-4原位测试实物工作收费基价表续表3.3-4岩土工程勘探与原位测试实物工作收费附加调整系数表表 3.3-54 岩土工程设计与检测监测4.1 岩土工程设计4.1.1 岩土工程设计服务内容根据工程性质与技术要求,现场踏勘,收集分析已有资料,调查周边建筑物及地下管线情况;编制岩土设计文件,绘制施工图,提出试验、检测与监测方案;配合施工,解决施工中的设计问题。
4.1.2 岩土工程设计收费岩土工程设计复杂程度表表4.1-1岩土工程设计收费基价表表4.1-2注:1.该表使用插入法计算;2.岩土工程设计收费不足0.5万元,按照0.5万元计算收费;3.岩土工程概算额>2000万元时,级按照费率3.5%、Ⅱ级按照费率4.5%、Ⅲ级按照费率5.0%计算收费;4.岩土工程设计收费基价是完成4.1.1岩土工程设计服务内容的价格。
4.2 岩土工程检测监测4.2.1 岩土工程检测监测技术工作岩土工程检测监测技术工作费收费比例为22%。
4.2.2 岩土工程检测监测实物工作岩土工程检测实物工作收费基价表表4.2-1岩土工程监测复杂程度表表4.2-2岩土工程监测实物工作收费基价表表4.2-3。
岩土工程勘察设计收费标准20021 总则1.0.1 工程勘察收费是指勘察人根据发包人的委托,收集已有资料、现场踏勘、制订勘察纲要,进行测绘、勘探、取样、试验、测试、检测、监测等勘察作业,以及编制工程勘察文件和岩土工程设计文件等收取的费用。
1.0.2 工程勘察收费标准分为通用工程勘察收费标准和专业工程勘察收费标准。
1 通用工程勘察收费标准适用于工程测量、岩土工程勘察、岩土工程设计与检测监测、水文地质勘察、工程水文气象勘察、工程物探、室内试验等工程勘察的收费。
2 专业工程勘察收费标准分别适用于煤炭、水利水电、电力、长输管道、铁路、公路、通信、海洋工程等工程勘察的收费。
专业工程勘察中的一些项目可以执行通用工程勘察收费标准。
1.0.3 通用工程勘察收费采取实物工作量定额计费方法计算,由实物工作收费和技术工作收费两部分组成。
专业工程勘察收费方法和标准,分别在煤炭、水利水电、电力、长输管道、铁路、公路、通信、海洋工程等章节中规定。
1.0.4 通用工程勘察收费按照下列公式计算1 工程勘察收费=工程勘察收费基准价×(1±浮动幅度值)2 工程勘察收费基准价=工程勘察实物工作收费+工程勘察技术工作收费3 工程勘察实物工作收费=工程勘察实物工作收费基价×实物工作量×附加调整系数4 工程勘察技术工作收费、工程勘察实物工作收费×技术工作收费比例1.0.5 工程勘察收费基准价工程勘察收费基准价是按照本收费标准计算出的工程勘察基准收费额,发包人和勘察人可以根据实际情况在规定的浮动幅度内协商确定工程勘察收费合同额。
1.0.6 工程勘察实物工作收费基价工程勘察实物工作收费基价是完成每单位工程勘察实物工作内容的基本价格。
工程勘察实物工作收费基价在相关章节的《实物工作收费基价表》中查找确定。
1.0.7 实物工作量实物工作量由勘察人按照工程勘察规范、规程的规定和勘察作业实际情况在勘察纲要中提出,经发包人同意后,在工程勘察合同中约定。
地质勘探收费标准 The document was finally revised on 2021
地质勘探收费标准如下:
1,工程勘察收费=工程勘察收费基准价×(1±浮动幅度值)。
2,工程勘察收费基准价=工程勘察实物工作收费+工程勘察技术工作收费。
3,工程勘察实物工作收费=工程勘察实物工作收费基价×实物工作量×附加调整系数 4 工程勘察技术工作收费=工程勘察实物工作收费×技术工作收费比例。
工程勘察收费是指勘察人根据发包人的委托,收集已有资料、现场踏勘、制订勘察纲要,进行测绘、勘探、取样、试验、测试、检测、监测等勘察作业,以及编制工程勘察文件和岩土工程设计文件等收取的费用。