诺信喷胶设备常见故障及日常维护
- 格式:ppt
- 大小:14.56 MB
- 文档页数:61
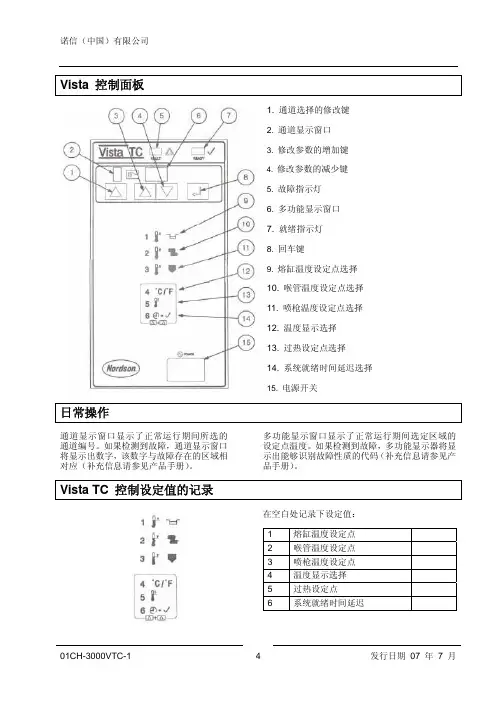
诺信(中国)有限公司01CH-3000VTC-1 4 发行日期 07 年 7 月Vista控制面板1. 通道选择的修改键2. 通道显示窗口3. 修改参数的增加键4. 修改参数的减少键5. 故障指示灯6. 多功能显示窗口7. 就绪指示灯 8. 回车键9. 熔缸温度设定点选择10. 喉管温度设定点选择 11. 喷枪温度设定点选择 12. 温度显示选择 13. 过热设定点选择 14. 系统就绪时间延迟选择15. 电源开关日常操作通道显示窗口显示了正常运行期间所选的通道编号。
如果检测到故障,通道显示窗口将显示出数字,该数字与故障存在的区域相对应(补充信息请参见产品手册)。
多功能显示窗口显示了正常运行期间选定区域的设定点温度。
如果检测到故障,多功能显示器将显示出能够识别故障性质的代码(补充信息请参见产品手册)。
Vista TC 控制设定值的记录在空白处记录下设定值: 1 熔缸温度设定点 2 喉管温度设定点 3 喷枪温度设定点 4 温度显示选择 5 过热设定点 6系统就绪时间延迟A 2-10 描述01CH-3000VTC-1-A3安装3000V TC发行日期 07 年 7 月诺信(中国)有限公司版权所有显示区操作显示区给出了有关系统设置的详细信息。
图A 2-12 显示区1. 通道显示窗口2. 多功能显示窗口3. 回车键4. 参数修改键,上键和下键5. 参数修改键,上键通道显示窗口和参数修改键、上键正常运行期间,通道显示窗口显示了所选的通道编号。
如果检测到故障,通道显示窗口将显示出数字,该数字与故障存在的区域相对应。
0 = 熔缸1 = 喉管12 = 喉管23 = 喉管34 = 喉管45 = 喷枪16 = 喷枪27 = 喷枪 38 = 喷枪4当您按下位于通道显示窗口下方的上键时,它将一个接着一个的滚动通道编号。
描述 A 2-11诺信(中国)有限公司版权所有3000V TC发行日期 07 年 7 月01CH-3000VTC-1-A3安装多功能显示窗口和按键正常运行期间,多功能显示窗口显示了选定通道的值。
Nordson®诺信热熔胶机日常与定期维护工作内容保养安全须知*诺信热熔胶机,喉管及喷枪内含电路元件,操作不慎会造成危险。
请指定由受过专业训练的人员操作*安全眼镜,手套及长袖工作服是必备的,以免被热熔胶机,溅起的热熔胶和喷枪烫伤*拆卸管路接头前必须先释放内部胶压,以保安全*拆卸零件绝对不可用明火直接加热,应使用热风枪或浸泡在诺信专用清洗液中加热*水溶性及挥发性溶剂不可倒入密封容器中用以清洗部件,请特别留意可能带来爆炸着火的危险经常性保养程序*清洁空气过滤器杂质及积水*清洁电器箱内部灰尘*清洁胶机,喉管及喷枪外表*检查所有电器接头固定牢靠*检查所有液压部件接头是否有漏胶现象*检查所有密封件是否有漏胶现象*检查胶缸内是否有杂质日保养程序*随时保持热熔胶机清洁*保持热熔胶清洁及无污染,外来的杂质容易造成过滤网堵塞及损坏胶泵,过滤网堵塞也会造成出胶不稳定*清洁附在喷枪表面的炭化物,炭化物可能会影响喷枪的正常操作*检查密封圈,O型圈,垫片是否有破损和泄漏*将胶机内部的杂质从排污阀处排出月保养程序*清洁热熔胶机及喷枪的过滤器#将热熔胶机加热至操作温度#将胶泵压力调节气压调节至O#将适当的容器摆臵在排污阀下,打开排污阀和气压调节阀排胶,直至流出的热熔胶干净后再关闭气压调节阀#将过滤器以反时针方向旋松并取出#清洁过滤器外表及检查O型圈,正常后将过滤器送入并用手旋紧#打开气压调节阀直到干净的热熔胶流出再关闭气压调节阀并锁紧排污阀每六个月保养程序_……机械部分*将胶机加热至操作温度,排空胶箱内的热熔胶。
检查胶缸内是否有杂质,如有杂质用干净的抹布清洁胶缸*检查胶缸内壁是否有炭化层,如有炭化层请使用诺信专用清洗液清洗胶缸*清洁或更换胶机和喷枪的过滤网*清洁喷枪外表,清理喷嘴,保证喷嘴的畅通*检查喷枪是否有漏胶现象,如有漏胶现象请调节,维修,更换喷枪,喷头,喷嘴等需更换的部件每六个月保养程序……电气部分*清洁及检查胶机电器箱内部*检查所有电源连接线连接是否牢靠*检查所有电源连接线是否有破损现象,其他绝缘件是否牢靠*检查所有接线盒和接线柱是否牢固每次加胶程序*按时检查胶缸内的胶量是否在胶缸容量一半以下提示:保持胶量在胶缸容量一半以上,可防止炭化物的形成,并可避免胶泵在工作时因胶量不足而空打*再添加干净的热熔胶,直至胶缸顶端下25mm处或根据实际用胶量而定提示:确定热熔胶是干净无污的,切勿将外来的杂物带入胶缸内。
诺信热熔胶机常见故障及排除方法_2方案诺信热熔胶机是一种常用的热熔设备,用于将热熔胶融化并涂覆在不同材料的表面上,常用于制作包装盒、书籍装订、制鞋、家具等多个行业。
然而,由于长时间的使用或其他原因,热熔胶机可能会出现一些故障。
以下是一些常见的故障及排除方法:1.温度不稳定:热熔胶机的温度不稳定可能会造成熔胶不均匀、胶水过冷或过热等问题。
解决方法包括检查热熔胶机的温度调节器是否正常工作、是否有损坏的温度传感器或加热元件等,并进行修理或更换。
2.胶水堵塞:长时间使用或不当使用热熔胶机可能会导致胶水堵塞在喷嘴或管道中。
解决方法包括使用专门的清洁剂进行清洗、更换堵塞的喷嘴或管道,并进行保养和维护工作,以避免胶水堵塞。
3.胶滴滑落:在热熔胶机运行过程中,有时会出现胶滴滑落的情况,可能会造成生产效率低下或产品质量下降。
解决方法包括检查喷嘴和胶枪是否固定牢固、胶枪是否存在松动或损坏,并及时进行修理或调整。
4.胶水浪费:热熔胶机在工作过程中,有时会出现胶水浪费的情况,可能会增加生产成本和环境污染。
解决方法包括优化胶水的供应系统、调整喷嘴的喷胶量、合理使用胶水,以减少浪费。
5.热熔胶机无法启动:有时热熔胶机可能无法启动,可能是由于电源故障、控制器损坏或线路短路等原因造成的。
解决方法包括检查电源是否正常、更换损坏的控制器或修复线路,并确保热熔胶机的安全使用。
6.胶水炭化:长时间的使用或胶水的质量问题可能会导致胶水炭化,进而影响熔胶的质量和效果。
解决方法包括选择质量良好的胶水、定期检查胶水的质量和保存方式,并尽量避免胶水的长时间停留在热熔胶机中。
总的来说,遇到热熔胶机的常见故障时,应及时排除故障并采取相应的修复措施。
此外,为了减少故障的发生,我们应定期对热熔胶机进行保养和维护工作,并使用高质量的胶水和配件。
只有这样,才能保持热熔胶机的正常运行,提高生产效率和产品质量。
胶装机常见问题及保养胶装机维护手册保养的重要性决定了机器保养是日常设备管理中的一项重要任务。
这项任务完成的好坏首先是人的因素,如果人的主观能动性得不到充分发挥,要保养好现有的机器显然是不可能的。
1.加强操作人员管理:1)操作人员技术素质高低决定了机器保养质量的高低,因此首先要提高操作人员的技术水平。
操作人员应具备这样的知识。
对机器结构有一个基本了解,对日常保养知识有深刻认识,要懂得为什么要进行机器保养;对一些机械故障的本质原因能够有所了解。
因此上机前应对员工进行严格的岗位培训,刚上机的员工应多做一些机器保养方面的工作。
2.加强视器保养:1)保养机器必须采取科学手段,这样才能使机器得到最好的保养,要利用一切可以利用的条件提高员工的科学保养意识。
2)建立各种工序机器保养的规章条例机器保养必须做到有章可循。
一般机器保养都应以机器的说明书为准。
如定期加油,清洗过滤器,定期对机器精度进行检测,以便确定机器小修、中修、大修的部件。
要把这些条例张贴在机器旁边,以便经常提醒操作人员。
3)加强各种工序机器重点部件的保养齿轮、凸轮、链轮和轴承这些部件是机器上最重要的部件。
对它们的保养要有别于其它部件,因为它们精度的变化就意味着打印后保单质量的变化。
弹簧是机器上用于力封闭机构最多的部件,它们工作的好坏直接决定了运动部件相互配合的精度高低。
对弹簧的要求就是要有敏弹性,而滞弹性和不可恢复的塑性变形对弹簧的工作是极其不利的。
3.进行技术指导培训:1)加强机器保养,要对那些本利于机器保养的结构加以改进或采取其它补救措施。
胶装机的日常故障解决及问题排除办法汇总如下两部分:(一)故障问题解决一、装订出来的书本,书脊封皮起皱解决办法:调节置面平台的高低,把置面平台适当的调低,就可以解决。
同样,如装订出来的书本书脊不方把置面平台调高一些就能解决。
二、不上胶解决办法:1.查看胶盒里的胶是不是过少,超过最低限。
2.调整刮胶杆,把刮胶杆适当调低,加大上胶量,但不能过大,当胶量过大,就会出现侧胶大,直接导致侧胶溢出,影响保单的美观。
喷胶常见问题分析一:初粘性差、不粘1、胶水挥发速度过快或过慢:调整胶水挥发速度或改变施工工艺2、气温太低影响初粘性:调整施工场所温度或换耐低温品种3、喷枪空气管道含水:排放空气机的积水二:喷不出来:1、气压太低:调整气压,正常6千克2、气温太低:影响粘度:调整施工场所温度3、喷枪故障:更换或维修喷枪(喷枪质量差或不经常清洗)三、喷涂飞丝1、气压太低:调整气压,正常为6-8千克压力2、喷枪故障:更换或维修喷枪3、喷涂距离太远:调整喷涂的距离和角度四:喷涂不均匀散不开1、气压太低:调整气压,正常6千克2、喷枪故障:更换或维修喷枪3、胶水粘度太高:用稀释剂调整胶水粘度4、喷涂距离太远:调整喷涂的距离和角度五:颜色变深1、松香酸值高,与铁、空气发生化学反应:库存喷胶,先进先出2、运输过程,发生挤压、碰撞,导致空气、杂志等进入包装桶:破损包装桶,优先使用3、客户库房管理不善,产品积压,储存温度过高:改善库房条件4、成本接受:选用高档次产品六、胶层太硬或易粉状1、喷胶太厚:正确操作,喷涂均匀,喷胶适量,节约成本2、粘合后房事时间过长:树脂耐老化差,即粘即用3、太阳长时间照射:树脂耐紫外线差,避免太阳长时间照射4、喷胶性能:选用高耐喷胶LP882、LP889等七、气味大1、生产厂房密不透风:采取强排,同时提高安全系数2、天气寒冷,空气干燥生产厂房紧密门窗:保持空气流通3、喷胶过多:均匀喷涂4、夏季温度高、挥发快:通风设备有效运转5、粘合后有味:溶剂蒸汽被海绵吸收,不易散发,材料本身有味6、个体对气味适应性:使用劳动防护用品八、喷胶变稠1、季节交替:温度降低,体积缩水2、胶桶不注意封盖:包装桶保持密封状态九、产品起泡、不干1、人造革含油、增塑剂:选用含油质少的人造革,选用抗油型喷胶2、温度过高:选用耐高温喷胶3、上胶不均匀,加压不到位:加强对喷涂作业的技能培训。
诺信喷粉设备使用操作手册诺信(中国)有限公司中国上海浦东新金桥路828号TEL: (86-21) 5854 2345FAX: (86-21) 5854 9150目录NO. 内容页数1.控制柜操作程序 43.每日开机前检查 64.诺信自动粉末喷枪-每日保养75.手动喷房开机程序86.手动喷房关机程序97.日常维护保养108.漆膜的缺陷分析及解决方法119.系统操作参数1410.系统工作要求1511.系统一些常用参数参考值1612.每班/每日清理工作程序(8小时) 1713.换色程序1814.旋转筛常见故障排除1915.内充电枪故障排除2016.每班/每日/每月/每次换色清理检查工作 2217.喷枪控制器操作程序2318.反吹阀控制器操作程序2619.自动喷房开机程序2720.自动喷房关机程序2822.粉位探头调整步骤3023.安全预防措施3124.喷枪电阻和高发器的测量方法3325.MC-3控制器故障对策 3426.双旋风粉房换色程序 351.控制柜操作程序1、开机前,检查压缩空气压力,低于不得开机;2、压缩空气必须干燥清洁,因此不论是使用本车间的空压机或空压站的压缩空气均须使用冷冻干燥机;3、打开进气总阀后,检查喷枪气垫气流是否畅通,无气垫不得开机;4、检查泵漆供漆系统,(溶剂清洗系统)是否准备妥当;5、打开进入控制柜的空气阀;6、按工艺根据线上工件按下列顺序调节各表头的空气压力:(1) 调节流量阀(2) 调节雾形压力(3) 打开涡轮转动开关(4) 调节涡轮空载转动压力(5) 打开静电发生器电器(6) 用测试开关测量高压发生器工作情况(7) 高压开关一边放于普通,一边放于自动状态(8) 打开漆泵开关 (9) 调节涡轮负载转动压力7、根据工件喷涂情况,对漆流量,雾形及转速进行适当的微调;8、停车时,关闭漆阀、打开溶剂开关、清洗三次喷杯;9、关静电发出器开关、电源开关;10、关涡轮转动开关,并使用涡轮刹车开关,使涡轮停转;11、关闭调节流量阀、雾形压力阀;12、每班结束后,拆下喷枪进行清理、拆下雾形控制的盖盘并清洗干净、极针一起清洗干净;13、清洗全部结束后,装好喷杯后,关闭进气总阀。
诺信喷胶设备常见故障及日常维护随着工业生产的不断发展,喷胶设备已经成为了许多生产线上不可或缺的设备之一。
而以诺信喷胶设备作为其中的一种,其高效、稳定的性能受到了广大生产厂家的青睐。
然而,随着使用时间的延长,喷胶设备也会出现一些常见的故障。
为了确保生产线的正常运转,及时排除故障是非常重要的。
同时,日常的维护保养也是至关重要的。
下面将针对以诺信喷胶设备常见的故障及日常维护进行详细介绍。
一、常见故障1. 喷嘴堵塞喷嘴堵塞是喷胶设备常见的故障之一。
当喷嘴堵塞时,会导致喷胶不均匀,甚至完全无法喷胶,严重影响生产效率。
喷嘴堵塞的原因可能是胶水中的杂质或者胶水凝固堵塞了喷嘴。
解决方法是定期清洗喷嘴,确保喷嘴通畅。
2. 胶管老化胶管老化也是喷胶设备常见的故障之一。
胶管老化会导致胶水泄漏,甚至无法正常输送胶水。
解决方法是定期检查胶管的磨损情况,及时更换老化的胶管。
3. 液压系统故障液压系统故障会导致喷胶设备无法正常工作。
可能的原因包括液压油温过高、液压油压力不足等。
解决方法是定期检查液压系统的工作状态,及时更换液压油,保持液压系统的正常工作。
4. 控制系统故障控制系统故障会导致喷胶设备无法正常操作。
可能的原因包括控制器损坏、电路故障等。
解决方法是定期检查控制系统的工作状态,及时更换损坏的部件。
以上就是以诺信喷胶设备常见的故障,针对这些故障,我们需要及时排除,以确保生产线的正常运转。
二、日常维护1. 定期清洁定期清洁喷胶设备是非常重要的,可以有效预防喷嘴堵塞等故障的发生。
清洁时,应使用专用的清洁剂,避免使用腐蚀性强的清洁剂,以免损坏设备。
2. 定期润滑喷胶设备的各个部件都需要定期润滑,以保证设备的正常运转。
在润滑时,应选择适当的润滑油,避免使用不当的润滑油导致设备损坏。
3. 定期检查定期检查喷胶设备的各个部件,包括液压系统、控制系统、胶管等,及时发现并解决潜在的故障。
4. 注意安全在维护喷胶设备时,要注意安全,避免因操作不当导致意外事故的发生。
胶装机常见问题及保养(一)-------------------胶装机维护手册保养的重要性决定了机器保养是日常设备管理中的一项重要任务。
这项任务完成的好坏首先是人的因素,如果人的主观能动性得不到充分发挥,要保养好现有的机器显然是不可能的。
1.加强操作人员管理:1)操作人员技术素质高低决定了机器保养质量的高低,因此首先要提高操作人员的技术水平。
操作人员应具备这样的知识。
对机器结构有一个基本了解,对日常保养知识有深刻认识,要懂得为什么要进行机器保养;对一些机械故障的本质原因能够有所了解。
因此上机前应对员工进行严格的岗位培训,刚上机的员工应多做一些机器保养方面的工作。
2.加强视器保养:1)保养机器必须采取科学手段,这样才能使机器得到最好的保养,要利用一切可以利用的条件提高员工的科学保养意识。
2)建立各种工序机器保养的规章条例机器保养必须做到有章可循。
一般机器保养都应以机器的说明书为准。
如定期加油,清洗过滤器,定期对机器精度进行检测,以便确定机器小修、中修、大修的部件。
要把这些条例张贴在机器旁边,以便经常提醒操作人员。
3)加强各种工序机器重点部件的保养齿轮、凸轮、链轮和轴承这些部件是机器上最重要的部件。
对它们的保养要有别于其它部件,因为它们精度的变化就意味着打印后保单质量的变化。
弹簧是机器上用于力封闭机构最多的部件,它们工作的好坏直接决定了运动部件相互配合的精度高低。
对弹簧的要求就是要有敏弹性,而滞弹性和不可恢复的塑性变形对弹簧的工作是极其不利的。
3.进行技术指导培训:1)加强机器保养,要对那些本利于机器保养的结构加以改进或采取其它补救措施。
胶装机的日常故障解决及问题排除办法汇总如下两部分:(一)故障问题解决一、装订出来的书本,书脊封皮起皱●解决办法:调节置面平台的高低,把置面平台适当的调低,就可以解决。
同样,如装订出来的书本书脊不方把置面平台调高一些就能解决。
二、不上胶●解决办法:1.查看胶盒里的胶是不是过少,超过最低限。
胶装机常见问题及保养(一)-------------------胶装机维护手册保养的重要性决定了机器保养是日常设备管理中的一项重要任务。
这项任务完成的好坏首先是人的因素,如果人的主观能动性得不到充分发挥,要保养好现有的机器显然是不可能的。
1.加强操作人员管理:1)操作人员技术素质高低决定了机器保养质量的高低,因此首先要提高操作人员的技术水平。
操作人员应具备这样的知识。
对机器结构有一个基本了解,对日常保养知识有深刻认识,要懂得为什么要进行机器保养;对一些机械故障的本质原因能够有所了解。
因此上机前应对员工进行严格的岗位培训,刚上机的员工应多做一些机器保养方面的工作。
2.加强视器保养:1)保养机器必须采取科学手段,这样才能使机器得到最好的保养,要利用一切可以利用的条件提高员工的科学保养意识。
2)建立各种工序机器保养的规章条例机器保养必须做到有章可循。
一般机器保养都应以机器的说明书为准。
如定期加油,清洗过滤器,定期对机器精度进行检测,以便确定机器小修、中修、大修的部件。
要把这些条例张贴在机器旁边,以便经常提醒操作人员。
3)加强各种工序机器重点部件的保养齿轮、凸轮、链轮和轴承这些部件是机器上最重要的部件。
对它们的保养要有别于其它部件,因为它们精度的变化就意味着打印后保单质量的变化。
弹簧是机器上用于力封闭机构最多的部件,它们工作的好坏直接决定了运动部件相互配合的精度高低。
对弹簧的要求就是要有敏弹性,而滞弹性和不可恢复的塑性变形对弹簧的工作是极其不利的。
3.进行技术指导培训:1)加强机器保养,要对那些本利于机器保养的结构加以改进或采取其它补救措施。
胶装机的日常故障解决及问题排除办法汇总如下两部分:(一)故障问题解决一、装订出来的书本,书脊封皮起皱●解决办法:调节置面平台的高低,把置面平台适当的调低,就可以解决。
同样,如装订出来的书本书脊不方把置面平台调高一些就能解决。
二、不上胶●解决办法:1.查看胶盒里的胶是不是过少,超过最低限。