国家照度标准值
- 格式:pdf
- 大小:120.37 KB
- 文档页数:9
国家照明标准要求一、照度标准照度是指单位面积上所接受的光通量,单位为勒克斯(Lux)。
国家照明标准规定了不同场合的照度要求,以确保人们在不同的环境中能够获得足够的照明,提高视觉舒适度和工作效率。
以下是常见的照度标准:居住区:300 Lux办公室:500 Lux商场:700 Lux医院手术室:1000 Lux工厂:300-500 Lux学校:300-700 Lux图书馆:300-500 Lux美术馆、博物馆:100-300 Lux交通隧道:100-200 Lux二、色温标准色温是指光源发射光的颜色与黑体在某一温度下辐射的光颜色相同时,黑体的温度称为该光源的色温。
国家照明标准要求光源的色温应符合以下规定:室内照明:4000K-5500K室外照明:4500K-6500K阅读照明:4500K-6500K手术室照明:3500K-5000K美术馆、博物馆照明:3500K-4500K商业照明:5500K-7500K体育场馆照明:7500K-10,000K三、显色指数标准显色指数是指光源对物体颜色呈现的逼真程度。
国家照明标准规定,室内照明显色指数不应低于80,室外照明显色指数不应低于65。
四、均匀度标准均匀度是指照明区域内最亮和最暗部分的照度差值与平均照度的比值。
国家照明标准规定,室内照明的均匀度应不小于规定值的85%,室外照明的均匀度应不小于规定值的80%。
五、能耗标准能耗是指照明设备在单位时间内所消耗的能量。
国家照明标准规定了不同场合下照明的功率密度值(W/m²),以限制能耗和减少能源浪费。
以下是常见的能耗标准:居住区:≤11W/m²办公室:≤11W/m²商场:≤18W/m²学校:≤11W/m²(教室),≤14W/m²(图书馆)医院:≤14W/m²(病房),≤20W/m²(手术室)工厂:按实际需要设定交通隧道:≤22W/m²六、噪音标准噪音是指人们不需要的声音干扰,如机械振动、电磁干扰等。
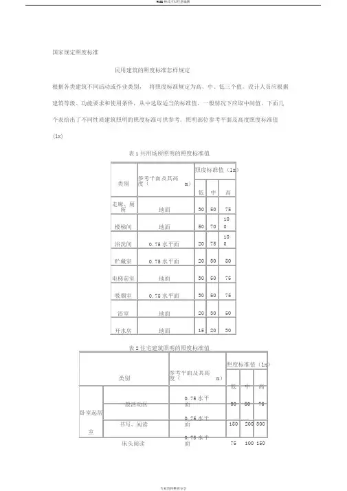
国家规定照度标准民用建筑的照度标准怎样规定根据各类建筑不同活动或作业类别,将照度标准规定为高、中、低三个值。
设计人员应根据建筑等级、功能要求和使用条件,从中选取适当的标准值,一般情况下应取中间值。
下面几个表给出了不同性质建筑照明的照度标准可供参考。
照明部位参考平面及高度照度标准值(lx)表1 共用场所照明的照度标准值照度标准值(lx )类别参考平面及其高度(m)低中高走廊、厕所地面30 50 75楼梯间地面50 70 100浴洗间0.75 水平面20 75 100贮藏室0.75 水平面20 30 50电梯前室地面30 50 75吸烟室0.75 水平面30 50 75浴室地面20 30 50开水房地面15 20 30表2 住宅建筑照明的照度标准值照度标准值(lx )类别参考平面及其高度(m)低中高一般活动区0.75 水平面30 50 75 卧室起居书写、阅读0.75 水平面150 200 300 室床头阅读0.75 水平面75 100 150精细作业0.75 水平面200 300 500餐厅或方厅、厨房0.75 水平面50 75 100卫生间0.75 水平面10 15 20楼梯间地面 5 10 20表 3 办公楼建筑照明的照度标准值类别参考平面及其高度(m)照度标准值)(lx)办公室、报告厅、会议室、接待室、陈列室、营业厅0.75 水平面100 150 200 有视觉显示屏的作业工作台水平面150 200 300 设计室、绘图室、打字室实际工作面200 300 500装订、辅音、晒图、档案室0.75 水平面75 100 150 值班室0.75 水平面50 75 100门厅地面30 50 75表 4 商店建筑照明的照度标准照度标准值(lx )类别参考平面及其高度(m)低中高一般区域0.75 水平面75 100 150柜台柜台面上100 150 200一般商店营业厅货架 1.5 垂直面100 150 200陈列柜、橱窗货物所处平面200 300 500室内菜市场营业厅0.75 水平面50 75 100自选商场营业厅0.75 水平面150 200 300试衣室试衣位置 1.5 高处垂直面150 200 300收款处收款台面150 200 320库房0.75 水平面30 50 75表 5 中小学校建筑照明的照度标准类别照度标准值(lx)备注普通教室、书法教室、语言教室、音乐教室、史地教150 课桌面室、合班教室实验室、自然教室150 试验课桌面微型电子计算机教室200 机台面琴房150 谱架面舞蹈教室150 地面美术教室、阅览教室200 课桌面风雨操场100 地面办公室、保健室150 桌面饮水处、厕所、走道、楼梯间20 地面。
照度国家标准值照度国家标准值照度国家标准值照度国家标准值照明光源的利用系数(utilization coefficient) 是用投射到工作面上的光通量( 包括直射光通和多方反射到工作面上的光通)与全部光源发出的光通量之比来表示,即u=φe/nφ推荐照度(Lx)厕所、盥洗室、楼梯间、走道5-15小门厅、库房10-20中频机室、空调机室、调压室20-50食堂、传达室、电梯机房30-75校办工厂、(非专业化一般加工车间)30-75录像编辑室、外台接收室、厨房50-100医务室、准备室、接待室、书库、目录室、借阅室、教师、实验室、教研室、阅览室、办公室、会议室、装订室、报告厅、色谱室、电镜室、磁带磁盘间、穿孔间、电话机房75-150设计室、绘图室、打字室100-200电子计算机房、室内体育馆(非体育专业院校)150-300备注:1 美术室的照度可按100-200Lx选取。
2 当装设黑板照明时,教室黑板上的垂直照度应不低于水平照度的1.5倍,最低不应小于150Lx。
3 电化教师中演播室的演播区内主光的推荐垂直照度宜在2000-3000Lx (文艺演播室应在1000-1500Lx)。
4 书库架上距地15cm处的垂直照度不宜低于30Lx。
1967年法国第十三届国际计量大会规定了以坎德拉、坎德拉/平方米、流明、勒克斯分别作为发光强度、光亮度、光通量和光照度等的单位,为统一工程技术中使用的光学度量单位有重要意义。
1. 烛光、国际烛光、坎德拉(candela)的定义在每平方米101325牛顿的标准大气压下,面积等于1/60平方厘米的绝对“黑体”(即能够吸收全部外来光线而毫无反射的理想物体),在纯铂(Pt)凝固温度(约2042K获1769℃)时,沿垂直方向的发光强度为1 坎德拉。
并且,烛光、国际烛光、坎德拉三个概念是有区别的,不宜等同。
从数量上看,60 坎德拉等于58.8国际烛光,亥夫纳灯的1烛光等于0.885国际烛光或0.919坎德拉。
国家规定照度标准民用建筑的照度标准怎样规定根据各类建筑不同活动或作业类别,将照度标准规定为高、中、低三个值。
设计人员应根据建筑等级、功能要求和使用条件,从中选取适当的标准值,一般情况下应取中间值。
下面几个表给出了不同性质建筑照明的照度标准可供参考。
照明部位参考平面及高度照度标准值(lx)表1共用场所照明的照度标准值照度标准值(lx)类别参考平面及其高度(m)低中高走廊、厕所地面30 50 75楼梯间地面50 70 10 0浴洗间0.75水平面20 75 10 0贮藏室0.75水平面20 30 50电梯前室地面30 50 75吸烟室0.75水平面30 50 75浴室地面20 30 50开水房地面15 20 30表2住宅建筑照明的照度标准值照度标准值(lx)类别参考平面及其高度(m)低中高一般活动区0.75水平面30 50 75卧室起居书写、阅读0.75水平面150 200 300室床头阅读0.75水平面75 100 150精细作业0.75水平面200 300 500 餐厅或方厅、厨房0.75水平面5075 100 卫生间0.75水平面1015 20 楼梯间地面510 20 表3办公楼建筑照明的照度标准值类别参考平面及其高度(m)照度标准值)(lx)办公室、报告厅、会议室、接待室、陈列室、营业厅0.75水平面100 150 200有视觉显示屏的作业工作台水平面150 200 300设计室、绘图室、打字室实际工作面200 300 500装订、辅音、晒图、档案室0.75水平面75 100 150值班室0.75水平面50 75 100门厅地面30 50 75 表4商店建筑照明的照度标准类别照度标准值(lx)参考平面及其高度(m)低中高一般区域0.75水平面75 100 15 0柜台柜台面上100 150 20 0一般商店营业厅货架 1.5垂直面100 150 20 0陈列柜、橱窗货物所处平面200 300 50 0室内菜市场营业厅0.75水平面50 75 10 0自选商场营业厅0.75水平面150 200 30 0试衣室试衣位置1.5高处垂直面150 20030收款处收款台面150 200 320库房0.75水平面305075表5 中小学校建筑照明的照度标准类别照度标准值(lx)备注普通教室、书法教室、语言教室、音乐教室、史地教150 课桌面室、合班教室实验室、自然教室150 试验课桌面微型电子计算机教室200 机台面琴房150 谱架面舞蹈教室150 地面美术教室、阅览教室200 课桌面风雨操场100 地面办公室、保健室150 桌面饮水处、厕所、走道、楼梯间20地面。
照明标准值1、居住建筑居住建筑照明标准值房间或场所参考平面及其高度照度标准值(Lx) Ra起居室一般活动 0.75m 水平面 100 80书写、阅读 300卧室一般活动 0.75m 水平面 75 80床头、阅读 150餐厅 0.75m 餐桌面 150 80厨房一般活动 0.75m 水平面 100 80操作台台面 150卫生间 0.75m 水平面 100 80注:宜用混合照明。
2、公共建筑商业建筑照明标准值房间或场所参考平面及其高度照度标准值(Lx) UGR Ra一般商店营业厅 0.75m 水平面 300 22 80高档商店营业厅 0.75m 水平面 500 22 80一般超市营业厅 0.75m 餐桌面 300 22 80高档超市营业厅 0.75m 水平面 500 22 80收款台台面 500 - 80图书馆建筑照明标准值房间或场所参考平面及其高度照度标准值(Lx) UGR Ra一般阅览室 0.75m 水平面 300 19 80国家、省市及其他重要图书馆的阅览室 0.75m 水平面 500 19 80 老年龄阅览室 0.75m 餐桌面 500 19 80珍善本与图书阅览室 0.75m 水平面 500 19 80陈列室、目录厅(室)出纳厅 0.75m 水平面 300 19 80书库 0.25m 水平面 50 - 80工作间 0.75m 水平面 300 19 80办公建筑照明标准值房间或场所参考平面及其高度照度标准值(Lx) UGR Ra普通办公室 0.75m 水平面 300 19 80高档办公室 0.75m 水平面 500 19 80会议室 0.75m 餐桌面 300 19 80接待室、前台 0.75m 水平面 300 - 80营业厅 0.75m 水平面 300 22 80设计室实际工作面 500 19 80文件整理、复印、发行室 0.75m 水平面 300 - 80资料档案室 0.75m 水平面 200 - 80旅馆建筑照明标准值房间或场所参考平面及其高度照度标准值(Lx) UGR Ra 客一般活动区 0.75m 水平面 75 - 80床头 0.75m 水平面 150 - 80房写字台台面 300 - 80卫生间 0.75m 水平面 150 - 80中餐厅 0.75m 水平面 200 22 80西餐厅、酒吧间、咖啡厅 0.75m 水平面 100 - 80多功能 0.75m 水平面 300 22 80门厅、总服务台地面 300 - 80休息厅地面 200 22 80客房层走廊地面 50 - 80厨房台面 200 - 80洗衣房 0.75m 水平面 200 - 80学校建筑照明标准值房间或场所参考平面及其高度照度标准值(Lx) UGR Ra 教室课桌面 300 19 80实验室实验桌面 300 19 80美术教室桌面 500 19 90多媒体教室 0.75m 水平面 300 19 80教室黑板黑板面 500 - 80医院建筑照明标准值房间或场所参考平面及其高度照度标准值(Lx) UGR Ra 治疗室 0.75m 水平面 300 19 80化验室 0.75m 水平面 500 19 80手术室 0.75m 水平面 750 19 90诊室 0.75m 水平面 300 19 80候诊室、挂号厅 0.75m 水平面 200 19 80病房地面 100 22 80护士站 0.75m 水平面 300 - 80药房 0.75m 水平面 500 19 80重症监护房 0.75m 水平面 300 19 80展览馆展厅照明标准值房间或场所参考平面及其高度照度标准值(Lx) UGR Ra 一般展厅地面 200 22 80高档展厅地面 300 22 80注:高于6m的展厅Ra可降低到60。
照度标准值
照度标准值是指在特定条件下所需要达到的照度值,这些标准值是根据工作室或房间的功能而定。
照度是衡量照明质量的一种重要标准,照度越高越明亮,反之越暗。
正确的照度标准值是根据工作场所的活动来确定的,比如在办公场所照度要求最少在300 Lux以上,室内教室要求在400 Lux以上,而医院病房和手术室则要求在1000 Lux以上,下列是一些其他的照度标准值:室内便利店:200-400 Lux。
室内图书馆:300-500 Lux。
室内博物馆:200-500 Lux。
室内明显照度:500-1000 Lux 。
室内家居:200-400 Lux 。
室内娱乐场所:300-600 Lux。
室内洗衣房:200-400 Lux。
室外犯罪现场勘查:30-50 Lux。
几乎所有的工作场所对于照度的要求都是按照“300 Lux以上”的标准值,以保证室内的照度以确保工作的安全和舒适。
光照度(简称照度):是受光表面上光通量的面密度,即单位面积的光通量。
故照度是表示受光表面被照亮程度的一个量。
以E表示,单位为勒克斯(Lx)。
例:自然光的照度大约如下:100000Lx 晴天的阳光直射下10000Lx 晴天时背阴处20 Lx 晴天时室内角落0.2 Lx 月夜100~200 Lx 一般办公室要求的照度一般学习的照度应不少于75Lx在40W普通灯泡正下方1m处的照度约为30Lx40W荧光灯正下方1.3m处的照度约为90Lx夏季阳光强烈的中午地面照度约5000 lx,冬天晴天时地面照度约2000 lx,晴朗的月夜地面照度约0.2 lx。
室外照明推荐的维持照度值范围:照度范围(lx)评价的平面应用场所1~10 水平舒适环境、普通仓库垂直保安、比较随意的体育训练场所10~15 水平货物装卸、要求不高的工作地区、车库50~100 水平要求严格之工作地区、体育活动、运动场垂直航空服务区、广告100~150 水平俱乐部和竞赛性运动、销售区垂直广告、体育比赛500~1000 垂直有观众的体育比赛1000~2000 垂直电视直播的体育比赛家庭怎样配置荧光灯?(例如客厅、卧室、书房、厨房、卫生间、走道)10年前颁布的《民用建筑照明设计标准》GBJ133-90已偏低,现在装饰后的住宅的照度应提高一个档次才能达到住户满意的效果。
(1)客厅:现行标准:(指GBJ133-90)一般活动时分为20-30-50LX三档,建议提高为100-150-200LX三档装灯,平均为75LX为宜。
(2)卧室:现行标准为20-30-50LX三档,建议提高为50-100-150LX三档,平均照度75LX 为宜。
床头台灯供阅读用300LX为宜。
(3)厨房、卫生间:现行标准为20-30-50LX,为化妆、剃须以及炒菜等功能需要,建议增加为75-100-150LX为宜。
(4)庭院照明:无明确规定,夜晚能辨别出花草色调,建议平均照度20-50LX为宜,景点和重点花木另增加效果照明。
各种场所照度标准(包含CNS国家标准)照度:照度的定义为被照体单位面积所受的光通量,其单位为勒克斯(LUX)。
每一不同使用目的的场所,均有其合适的照度来配合实际需要。
例如,一般家庭书房的全般照明照度约为100 LUX,阅读时则需要照度600 LUX,此时可用台灯作为局部照明,以达到所需照度。
照度太低时,容易导致眼睛疲劳造成近视,照度太高则过分明亮刺眼,形成电力浪费。
测量方式:可使用数位照度计测量办公场所照度(LUX)场所1500~750办公室,设计,制图750~300办公室,会议室,计算机室300~100厕所,走廊,楼梯,休息室,其他场所75~30太平梯工厂照度(LUX)场所3000~1500组装作业,检查,测试,分析,超细微作业,检查1500~750组装作业,检查,测试,分析,细微作业750~300组装作业,检查,测试,分析,普通作业300~150包装,仓库学校 照度(LUX) Place1500~300精密制图,精密实验,图书馆 750~200教室,图书阅览室,教职员休息室,体育馆300~75 演讲大厅,礼堂,衣物间,走廊,楼梯,休息室 75~30 仓库,安全梯 10~2 通道(夜间使用)CNS 标准办公室照 度 Lux 场 所 (1)作 业 2000 ──1500 ○设计 ○制图 ○打字 ○计算 ○打卡1000办公室 (a) (2) ,营业所,设计室,制图室,正门大厅 (日间) (3)750500 ─办公室 (b) ,主管室,会议室,印刷室,总机室,电子计算机室,控制室,诊疗室 ○电器机械室等支配电盘及继器盘 ○服务台 ─ 300礼堂,会客室,大厅,餐厅,厨房,娱乐室,休息室,警卫室,电梯走道 200书库,会客室,电气室,教室,机械室,电梯,杂务室─ 150 ─ 盥洗室,茶水间,浴室,走廊,楼梯,厕所100 饮茶室,休息室,值夜室,更衣室,仓库,入口 (靠车处)75 ─ 50 安 全 梯30注:(1)关于室内停车场请参照表10。
一些生活工作场所的照度标准值中华人民共和国国家标准【建筑照明设计标准】GB 50034-2004 规定了新建、改建和扩建的居住、公共和工业建筑的一般照度标准值。
房间〔场所〕参考平面及其高度照度标准值〔lx〕居住建筑起居室〔一般活动) 0.75m程度面100居住建筑起居室〔书写阅读〕0.75m程度面300宜用混合照明居住建筑餐厅 0.75m餐桌面150图书馆一般阅览室 0.75m程度面300办公建筑普通办公室0.75m程度面300一般超市营业厅 0.75m程度面300医院候诊室、挂号厅 0.75m程度面200学校教室课桌面 300学校教室黑板黑板面 500公用场所普通走廊、流动区域地面 50公用场所自动扶梯地面 150工业建筑机械加工粗加工 0.75m程度面200工业建筑机械加工一般加工公差≥300应另加部分照明工业建筑机械加工精细加工公差< 500应另加部分照明符合以下条件之一及以上时,作业面或参考平面的照度,可按照度标准值分级进步一级。
1 视觉要求高的精细作业场所,眼睛至识别对象的间隔大于5 ( X ) nun 时;2 连续长时间紧张的视觉作业,对视觉器官有不良影响时;3 识别挪动对象,要求识别时间短促而识别困难时;4 视觉作业对操作平安有重要影响时;5 识别对象亮度比照小于0.3时;6 作业精度要求较高,且产生过失会造成很大损失时;7 视觉才能低于正常才能时;8 建筑等级和功能要求高时。
符合以下条件之一及以上时,作业面或参考平面的照度,可按照度标准值分级降低一级。
1 进展很短时间的作业时;2 作业精度或速度无关紧要时;3 建筑等级和功能要求较低时。
在一般情况下,设计照度值与照度标准值相比拟,可有—10%—+10%的偏向。
各种场所照度标准参考值泰亮【搜集】标准【採编】①居住建筑居住建筑照明标准值②公共建筑商业建筑照明标准值图书馆建筑照明标准值办公建筑照明标准值旅馆建筑照明标准值学校建筑照明标准值医院建筑照明标准值展览馆展厅照明标准值体育建筑照明质量标准值③工业建筑工业建筑一般照明标准值④公用场所公用场所照明标准值。
国家规定照度标准集团标准化小组:[VVOPPT-JOPP28-JPPTL98-LOPPNN]
国家规定照度标准
民用建筑的照度标准怎样规定
根据各类建筑不同活动或作业类别,将照度标准规定为高、中、低三个值。
设计人员应根据建筑等级、功能要求和使用条件,从中选取适当的标准值,一般情况下应取中间值。
下面几个表给出了不同性质建筑照明的照度标准可供参考。
照明部位参考平面及高度照度标准值(lx)
表1 共用场所照明的照度标准值
表2 住宅建筑照明的照度标准值
表3办公楼建筑照明的照度标准值
表4 商店建筑照明的照度标准
表5 中小学校建筑照明的照度标准。
照度国家标准值照度国家标准值照度国家标准值照度国家标准值照明光源的利用系数(utilization coefficient) 是用投射到工作面上的光通量( 包括直射光通和多方反射到工作面上的光通)与全部光源发出的光通量之比来表示,即u=φe/nφ推荐照度(Lx)厕所、盥洗室、楼梯间、走道5-15小门厅、库房10-20中频机室、空调机室、调压室20-50食堂、传达室、电梯机房30-75校办工厂、(非专业化一般加工车间)30-75录像编辑室、外台接收室、厨房50-100医务室、准备室、接待室、书库、目录室、借阅室、教师、实验室、教研室、阅览室、办公室、会议室、装订室、报告厅、色谱室、电镜室、磁带磁盘间、穿孔间、电话机房75-150设计室、绘图室、打字室100-200电子计算机房、室内体育馆(非体育专业院校)150-300备注:1 美术室的照度可按100-200Lx选取。
2 当装设黑板照明时,教室黑板上的垂直照度应不低于水平照度的1.5倍,最低不应小于150Lx。
3 电化教师中演播室的演播区内主光的推荐垂直照度宜在2000-3000Lx (文艺演播室应在1000-1500Lx)。
4 书库架上距地15cm处的垂直照度不宜低于30Lx。
1967年法国第十三届国际计量大会规定了以坎德拉、坎德拉/平方米、流明、勒克斯分别作为发光强度、光亮度、光通量和光照度等的单位,为统一工程技术中使用的光学度量单位有重要意义。
1. 烛光、国际烛光、坎德拉(candela)的定义在每平方米101325牛顿的标准大气压下,面积等于1/60平方厘米的绝对“黑体”(即能够吸收全部外来光线而毫无反射的理想物体),在纯铂(Pt)凝固温度(约2042K获1769℃)时,沿垂直方向的发光强度为1 坎德拉。
并且,烛光、国际烛光、坎德拉三个概念是有区别的,不宜等同。
从数量上看,60 坎德拉等于58.8国际烛光,亥夫纳灯的1烛光等于0.885国际烛光或0.919坎德拉。
国家规定照度标准国家规定照度标准民用建筑的照度标准怎样规定根据各类建筑不同活动或作业类别,将照度标准规定为高、中、低三个值。
设计人员应根据建筑等级、功能要求和使用条件,从中选取适当的标准值,一般情况下应取中间值。
下面几个表给出了不同性质建筑照明的照度标准可供参考。
照明部位参考平面及高度照度标准值(lx)表1 共用场所照明的照度标准值照度标准值(lx)类别参考平面及其高度(m)低中高走廊、厕所地面30 50 75楼梯间地面50 70 100浴洗间0.75水平面20 75 100贮藏室0.75水平面20 30 50电梯前室地面30 50 75吸烟室0.75水平面30 50 75浴室地面20 30 50开水房地面15 20 30表2 住宅建筑照明的照度标准值照度标准值(lx)类别参考平面及其高度(m)低中高卧室起居一般活动区0.75水平面30 50 75室书写、阅读0.75水平面150 200 300床头阅读0.75水平面75 100 150精细作业0.75水平面200 300 500餐厅或方厅、厨房0.75水平面50 75 100卫生间0.75水平面10 15 20楼梯间地面 5 10 20表3办公楼建筑照明的照度标准值类别参考平面及其高度(m)照度标准值)(lx)办公室、报告厅、会议室、接待室、陈列室、营业厅0.75水平面100 150 200 有视觉显示屏的作业工作台水平面150 200 300 设计室、绘图室、打字室实际工作面200 300 500装订、辅音、晒图、档案室0.75水平面75 100 150 值班室0.75水平面50 75 100门厅地面30 50 75表4 商店建筑照明的照度标准类别参考平面及其高度(m)照度标准值(lx)低中高一般商店营业厅一般区域0.75水平面75 100 150 柜台柜台面上100 150 200 货架 1.5垂直面100 150 200 陈列柜、橱窗货物所处平面200 300 500 室内菜市场营业厅0.75水平面50 75 100自选商场营业厅0.75水平面150 200 300试衣室试衣位置 1.5高处垂直面150 200 300收款处收款台面150 200 320库房0.75水平面30 50 75表5 中小学校建筑照明的照度标准类别照度标准值(lx)备注普通教室、书法教室、语言教室、音乐教室、史地教150 课桌面室、合班教室实验室、自然教室150 试验课桌面微型电子计算机教室200 机台面琴房150 谱架面舞蹈教室150 地面美术教室、阅览教室200 课桌面风雨操场100地面办公室、保健室150 桌面饮水处、厕所、走道、楼梯间20 地面Welcome T o Download欢迎您的下载,资料仅供参考!。
照度国家标准值照度国家标准值照度国家标准值照度国家标准值照明光源的利用系数(utilization coefficient) 是用投射到工作面上的光通量( 包括直射光通和多方反射到工作面上的光通)与全部光源发出的光通量之比来表示,即u=φe/nφ推荐照度(Lx)厕所、盥洗室、楼梯间、走道5-15小门厅、库房10-20中频机室、空调机室、调压室20-50食堂、传达室、电梯机房30-75校办工厂、(非专业化一般加工车间)30-75录像编辑室、外台接收室、厨房50-100医务室、准备室、接待室、书库、目录室、借阅室、教师、实验室、教研室、阅览室、办公室、会议室、装订室、报告厅、色谱室、电镜室、磁带磁盘间、穿孔间、电话机房75-150设计室、绘图室、打字室100-200电子计算机房、室内体育馆(非体育专业院校)150-300备注:1 美术室的照度可按100-200Lx选取。
2 当装设黑板照明时,教室黑板上的垂直照度应不低于水平照度的1.5倍,最低不应小于150Lx。
3 电化教师中演播室的演播区内主光的推荐垂直照度宜在2000-3000Lx (文艺演播室应在1000-1500Lx)。
4 书库架上距地15cm处的垂直照度不宜低于30Lx。
1967年法国第十三届国际计量大会规定了以坎德拉、坎德拉/平方米、流明、勒克斯分别作为发光强度、光亮度、光通量和光照度等的单位,为统一工程技术中使用的光学度量单位有重要意义。
1. 烛光、国际烛光、坎德拉(candela)的定义在每平方米101325牛顿的标准大气压下,面积等于1/60平方厘米的绝对“黑体”(即能够吸收全部外来光线而毫无反射的理想物体),在纯铂(Pt)凝固温度(约2042K获1769℃)时,沿垂直方向的发光强度为1 坎德拉。
并且,烛光、国际烛光、坎德拉三个概念是有区别的,不宜等同。
从数量上看,60 坎德拉等于58.8国际烛光,亥夫纳灯的1烛光等于0.885国际烛光或0.919坎德拉。
照度标准值按0.5、1、3、5、10、15、20、30、50、75、100、150、200、300、500、750、1000、1500、2000、3000 、5000lx 分级。
lx(勒克斯)为照度单位。
照度标准值分级以在主观效果上明显感觉到照度的最小变化,照度差大约为1.5倍,该分级与CIE国际发光照明委员会标准《室内工作场所照明的分级大体一致。
中华人民共和国国家标准《建筑照明设计标准》规定了新建、改建和扩建的居住、公共和工业建筑的一般照度标准值。
房间(场所)参考平面及其高度照度标准值(lx)居住建筑起居室(一般活动)0.75m水平面100居住建筑起居室(书写阅读)0.75m水平面300宜用混合照明居住建筑餐厅0.75m餐桌面150图书馆一般阅览室0.75m水平面300办公建筑普通办公室0.75m水平面300一般超市营业厅0.75m水平面300医院候诊室、挂号厅0.75m水平面200学校教室课桌面300学校教室黑板黑板面500公用场所普通走廊、流动区域地面50公用场所自动扶梯地面50工业建筑机械加工粗加工0.75m水平面200工业建筑机械加工一般加工公差≥0.1mm0.75m水平面300应另加局部照明工业建筑机械加工精密加工公差<0.1mm0.75m水平面500应另加局部照明符合下列条件之一及以上时,作业面或参考平面的照度,可按照度标准值分级提高一级。
视觉要求高的精细作业场所,眼睛至识别对象的距离大于5 ( X ) nun 时;连续长时间紧张的视觉作业,对视觉器官有不良影响时;识别移动对象,要求识别时间短促而辨认困难时;视觉作业对操作安全有重要影响时;识别对象亮度对比小于0.3时;作业精度要求较高,且产生差错会造成很大损失时;视觉能力低于正常能力时;建筑等级和功能要求高时。
符合下列条件之一及以上时,作业面或参考平面的照度,可按照度标准值分级降低一级。
进行很短时间的作业时;作业精度或速度无关紧要时;建筑等级和功能要求较低时。
照明标准值1、居住建筑居住建筑照明标准值房间或场所参考平面及其高度照度标准值(Lx)Ra起居室一般活动0.75m水平面10080书写、阅读300卧室一般活动0.75m水平面7580床头、阅读150餐厅0.75m餐桌面15080厨房一般活动0.75m水平面10080操作台台面150卫生间0.75m水平面10080注:宜用混合照明。
2、公共建筑商业建筑照明标准值房间或场所参考平面及其高度照度标准值(Lx)UGR Ra 一般商店营业厅0.75m水平面3002280高档商店营业厅0.75m水平面5002280一般超市营业厅0.75m餐桌面3002280高档超市营业厅0.75m水平面5002280收款台台面500-80图书馆建筑照明标准值房间或场所参考平面及其高度照度标准值(Lx)UGR Ra一般阅览室0.75m水平面3001980国家、省市及其他重要图书馆的阅览室0.75m水平面5001980老年龄阅览室0.75m餐桌面5001980珍善本与图书阅览室0.75m水平面5001980陈列室、目录厅(室)出纳厅0.75m水平面3001980书库0.25m水平面50-80工作间0.75m水平面3001980办公建筑照明标准值房间或场所参考平面及其高度照度标准值(Lx)UGR Ra 普通办公室0.75m水平面3001980高档办公室0.75m水平面5001980会议室0.75m餐桌面3001980接待室、前台0.75m水平面300-80营业厅0.75m水平面3002280设计室实际工作面5001980文件整理、复印、发行室0.75m水平面300-80资料档案室0.75m水平面200-80旅馆建筑照明标准值房间或场所参考平面及其高度照度标准值(Lx)UGR Ra客房一般活动区0.75m水平面75-80床头0.75m水平面150-80写字台台面300-80卫生间0.75m水平面150-80中餐厅0.75m水平面2002280西餐厅、酒吧间、咖啡厅0.75m水平面100-80多功能0.75m水平面3002280门厅、总服务台地面300-80休息厅地面2002280客房层走廊地面50-80厨房台面200-80洗衣房0.75m水平面200-80学校建筑照明标准值房间或场所参考平面及其高度照度标准值(Lx)UGR Ra教室课桌面3001980实验室实验桌面3001980美术教室桌面5001990多媒体教室0.75m水平面3001980教室黑板黑板面500-80医院建筑照明标准值房间或场所参考平面及其高度照度标准值(Lx)UGR Ra 治疗室0.75m水平面3001980化验室0.75m水平面5001980手术室0.75m水平面7501990诊室0.75m水平面3001980候诊室、挂号厅0.75m水平面2001980病房地面1002280护士站0.75m水平面300-80药房0.75m水平面5001980重症监护房0.75m水平面3001980展览馆展厅照明标准值房间或场所参考平面及其高度照度标准值(Lx)UGR Ra 一般展厅地面2002280高档展厅地面3002280注:高于6m的展厅Ra可降低到60。
体育建筑照明质量标准值类别GR Ra无彩电转播5065有彩电转播5080注:GR值仅适用于室外体育场地。
3、工业建筑工业建筑一般照明标准值房间或场所参考平面及其高度照度标准值(lx)UGR Ra备注1.通用房间或场所试验室一般0.75m水平面3002280可另加局部照明精细0.75m水平面5001980可另加局部照明检验一般0.75m水平面3002280可另加局部照明精细、有颜色要求0.75m水平面7501980可另加局部照明计量室、测量室0.75m水平面5002560可另加局部照明变、配电站配电装置室0.75m水平面2001980平面照度不小于100lx 变压器室地面1002820电源设备室、发电机室地面2002560控制室一般控制室0.75m水平面3002280盘面照度不小于200lx 主控制室0.75m水平面3001980盘面照度不小于200lx电话站、网络中心0.75m水平面5001980计算机站0.75m水平面5001980防光幕反射动力站风机房、空调机室地面1002860泵房地面1002860冷冻站地面1502860压缩空气站地面1502560锅炉房、煤气站的操作层地面1002840锅炉水位表照度不小于50lx 大件库(如钢坯、钢材、大成品、气瓶)1.0m水平面502820一般件库 1.0m水平面1002560货架垂直照度不小于50lx 精细件库(如工具、小零件)1.0m水平面2002560货架垂直照度不小于50lx车辆加油站地面1002560油表照度不小于50lx2.机电工业机械加工粗加工0.75m水平面2002260可另加局部照明一般加工,工差>=0.1mm0.75m水平面3002260可另加局部照明一般加工,工差<0.1mm0.75m水平面5001960可另加局部照明机电仪表装配大件0.75m水平面2002580可另加局部照明一般件0.75m水平面3002580可另加局部照明精密0.75m水平面5002280可另加局部照明特精密0.75m水平面7501980可另加局部照明电线、电缆制造0.75m水平面3002580线圈绕制大线圈0.75m水平面3002580中等线圈0.75m水平面5002280精密线圈0.75m水平面7501980线圈浇注0.75m水平面3002580焊接一般0.75m水平面2002560精密0.75m水平面3002560钣金0.75m水平面3002560冲压、剪切0.75m水平面3002560热处理地面至0.5m水平面2002520铸造熔化、浇注地面至0.5m水平面252520造型地面至0.5m水平面3002560精密铸造的制模、脱壳地面至0.5m水平面5002560锻工地面至0.5m水平面2002520电镀0.75m水平面3002580喷漆一般0.75m水平面252580精细0.75m水平面7502280酸洗、腐蚀、清洗0.75m水平面3002580抛光一般装饰性0.75m水平面252280防频闪精细0.75m水平面5002280复合材料加工、铺叠、装饰0.75m水平面5002280防频闪机电修理一般0.75m水平面2002560可另加局部照明精密0.75m水平面3002260可另加局部照明3.电子和信息产业电子元器件0.75m水平面5001980可另加局部照明电子零部件0.75m水平面5001980可另加局部照明电子材料0.75m水平面3002280可另加局部照明酸、碱、药液及粉配置0.75m水平面30022804.纺织、化纤工业纺织洗毛0.75m水平面3002280清棉、和毛、梳毛0.75m水平面1502280前纺、梳棉、并条、粗纺0.75m水平面2002280纺纱0.75m水平面3002280织布0.75m水平面3002280织袜穿综筘、缝纫、量呢、检验0.75m水平面3002280可另加局部照明修补、剪毛、染色、印花、裁剪、熨烫0.75m水平面3002280可另加局部照明化纤投料0.75m水平面1002580纺丝0.75m水平面1502280卷绕0.75m水平面2002280平衡间、中间贮存干燥间、废丝间、油剂高位槽间0.75m水平面752560集束间、后加工间、打包间、油剂调配0.75m水平面1002560组件清洗间0.75m水平面1502560拉伸、变形、分级包装0.75m水平面1502560操作面可另加局部照明化验、检验0.75m水平面2002280可另加局部照明5.药业工业制药生产、配制、清洗灭菌、超滤、制粒、压片、混匀、烘干、灌装、轧盖等0.75m水平面3002280制药生产流转通道地面2002580 6.橡胶工业炼胶车间0.75m水平面3002280压延压出工段0.75m水平面3002280程兴裁断工程0.75m水平面3002280硫化工段0.75m水平面3002280 7.电力工业火电厂锅炉房地面1002840火电厂发电机大厅地面202560主控室0.75m水平面5001680控制盘面照度200lx 8.钢铁工业炼铁炉顶平台、各层平台平台面302540出铁厂、出铁机室地面1002540卷扬机室、碾泥机室、煤气清洗配水室地面502540炼钢及连铸炼钢主厂房和平台地面1502540连铸浇注平台、切割区、出坯区地面1502540精整清理线地面2002560轧刚钢坯台、轧机区地面1502540加热炉周围地面502520重绕、横剪及纵剪机组0.75m水平面1502540打印、检查、精密分类、验收0.75m水平面20025809.制浆造纸工业备料地面1502560蒸煮、选洗、漂白地面2002520纸机网部、压榨部、烘缸、压光、卷取、涂布地面3002560复卷、切纸地面3002560涂布、切纸地面3002560选纸地面5002560碱回收地面2002540 10.啤酒及饮料工业啤酒糖化0.75m水平面2002560发酵0.75m水平面1502560包装0.75m水平面1502560饮料生产0.75m水平面300256011.玻璃工业备料、退火、熔制0.75m水平面1502560窑炉地面1002820 12.水泥工业主要生产车间地面1002820储存地面752840输送走廊地面302820粗坯成型0.75m水平面300256013.皮革工业原皮、水浴0.75m水平面2002560转、整理、成品0.75m水平面2002260可另加局部照明干燥地面100282014.卷烟工业制丝车间0.75m水平面2002560卷烟、接过滤嘴、包装0.75m水平面300228015.化学、石油工业厂区内经常操作的区域、如泵压缩机、阀门、电操作柱等操作位高度1002820装置区现场控制和检测点测控点高度752560人行通道、平台、设备顶部地面302820装卸站操作位高度752820装卸站平台地面30282016.木业和家具制造一般机器加工0.75m水平面2002260精密机器加工0.75m水平面5001980防频闪锯木区0.75m水平面3002560防频闪木模区0.75m水平面7502260防频闪胶合、组装0.75m水平面3002560磨光、异行细木工0.75m水平面75022604、公用场所公用场所照明标准值房间或场所参考平面及其高度照度标准值(Lx)UGR Ra 门厅普通地面100-60高档地面200-80走廊、流动区域普通地面50-60高档地面100-80楼梯、平台普通地面30-60高档地面75-80自动扶梯地面150-60普通地面7560厕所、浴室高档地面15080普通地面7560电梯前厅高档地面15080休息室地面1002280储藏室、仓库地面10060停车间地面752860车库检修间地面2002560注:居住、公共建筑的动力站、变电站的照明标准值按表选取。