体育运动场地照度标准值
- 格式:docx
- 大小:17.54 KB
- 文档页数:2
体育场馆的照明灯具设计要求
首先,照度是体育场馆照明设计中最重要的要求之一、根据国际标准,不同类型的体育场馆需要不同的照度。
例如,篮球场的照度要求为最大1000lux,而排球场的照度要求为最大750lux。
在选用灯具时要考虑灯具
的照度输出是否满足体育场馆的照度需求,以确保运动员和观众有足够的
光照。
其次,照明的均匀性也是一个重要的设计要求。
在体育场馆中,要求
不同位置的照明均匀性要达到一定的标准,以确保没有阴影和光照不足的
区域。
在选择灯具时,要考虑灯具的光分布和光束角度是否能够实现均匀
的照明效果。
此外,闪烁也是体育场馆照明设计中需要考虑的一个要求。
闪烁会造
成视觉疲劳并影响运动员的表现。
在选择灯具时,要选择频率高、闪烁小
的灯具,以确保稳定的照明效果。
另外,光色和色温也是影响体育场馆照明效果的重要因素。
不同的运
动项目对光色和色温的要求有所不同,需要根据实际情况来选择合适的灯具。
通常来说,采用高色温的灯具可以提高运动员的注意力和反应速度。
此外,体育场馆的照明灯具设计还需要考虑能源效率和照明控制系统。
在选择灯具时,要选择节能效果好的灯具,以降低使用成本。
同时,还可
以考虑使用智能照明控制系统,通过调节光照亮度和光色来实现照明效果
的调节。
综上所述,体育场馆的照明灯具设计要求包括照度、均匀性、闪烁、
光色和色温、能源效率和照明控制系统等方面。
只有考虑到这些因素,才
能设计出符合需求的照明系统,为运动员和观众创造一个舒适的照明环境,提升运动体验和观赛体验。
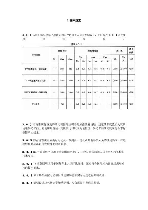
3 基本规定3.0.1 体育场馆应根据使用功能和电视转播要求进行照明设计,并应按表3.0.1进行使用功能分级。
3.0.2本标准所作规定的场地范围除注明外均应指比赛场地。
规定的照度值应为比赛场地参考平面上的使用照度值,其照度均匀度应为最低值,参考平面的高度应符合本标准附录A规定。
3.0.3体育场馆照明应满足运动员、裁判员、观众及其他各类人员的使用要求。
有电视转播时应满足电视转播的照明要求。
3.0.4 HDTV转播照明应用于重大国际比赛时,还应符合国际相关体育组织和机构的技术要求。
3.0.5 TV应急照明应用于国际和重大国际比赛时,还应符合国际相关体育组织和机构的技术要求。
3.0.6体育场馆应按运动项目的使用功能和实际用途进行照明设计。
3.0.7照明设计应包括比赛场地照明、观众席照明和应急照明。
3.0.8照明设计时应进行照明计算。
照度计算网格及摄像机位置宜符合本标准附录A 规定。
3.0.9照明设计在满足相应照明指标的同时,应实施照明节能。
3.0.10照明系统安装完成后及进行重大国际比赛前,应由国家认可的检测机构进行照明检测。
3.0.11在体育建筑方案设计阶段,应同时考虑照明设计方案的要求。
3.0.12对于利用天然采光的体育场馆,应采取措施降低和避免天然光产生的高亮度及阴影形成的强烈对比。
4.2 相关规定4.2.1有电视转播时平均水平照度宜为平均垂直照度的0.75~2.0。
4.2.2照明计算时维护系数值应为0.8。
对于多雾和污染严重地区的室外体育场维护系数值可降低至0.7。
4.2.3 HDTV转播重大国际比赛时,辅摄像机方向的垂直照度应为面向场地周边四个方向垂直面上的照度。
4.2.4水平照度和垂直照度均匀度梯度应符合下列规定:1有电视转播时:当照度计算与测量网格小于5m时,每2m不应大于10%;当照度计算与测量网格不小于5m时,每4m不应大于20%。
2无电视转播时:每5m不应大于50%。
4.2.5比赛场地每个计算点四个方向上的最小垂直照度和最大垂直照度之比不应小于0.3,HDTV转播重大国际比赛时,该比值不应小于0.6。
体育场馆照明设计及检测标准一、引言体育场馆照明设计及检测是体育场馆建设和管理中非常重要的一环。
良好的照明设计可以保障比赛和训练的顺利进行,也可以营造出良好的氛围和观赏性。
而照明检测则是为了确保照明设施的正常运行和安全使用。
本文将从照明设计和检测两个方面来对体育场馆进行分析和探讨。
二、体育场馆照明设计标准1.照明设计原则体育场馆的照明设计应该遵循以下原则:-充分考虑运动员和观众的需求,确保比赛和观赏的舒适性和安全性;-照明设计应符合环保要求,减少能源消耗,降低运营成本;-照明设计应考虑到场馆结构和使用要求,保证照明设施的合理布局和使用寿命。
2.照明设计参数体育场馆照明设计参数包括照明均匀度、照度、色彩温度和色彩还原指数等。
-照明均匀度:照明均匀度是指场馆内各区域的照度分布情况。
在体育场馆内,要求照明均匀度达到特定标准,以保证运动员和观众在各个位置都能够得到良好的照明效果。
-照度:照度是指单位面积上的光照强度,通常以勒克斯(lux)为单位。
不同类型的体育项目和不同级别的比赛对照度的要求是不同的,因此需要根据实际情况来确定照度标准。
-色彩温度和色彩还原指数:色彩温度和色彩还原指数会影响到运动员和观众对比赛的观感和判断。
因此,在照明设计时需要考虑到这两个参数,并根据实际情况来确定标准。
3.照明设施选择体育场馆的照明设施应该选择符合规定标准的产品,并且要符合场馆结构和使用要求。
常见的照明设施包括LED灯具、荧光灯具和金属卤化物灯具等。
在选择照明设施时,还需要考虑设施的使用寿命、能耗和维护成本。
4.照明设计方案照明设计方案应根据体育场馆的实际情况和使用需求来确定。
一般来说,照明设计方案需要考虑到灯具的布局、照明控制系统、照明设施的调光控制等方面。
同时,还需要考虑到紧急照明和应急疏散照明等特殊要求。
5.照明设计评估照明设计评估是照明设计的最后一步,通过对照明设计方案的评估,可以确保设计方案符合规定标准,满足体育场馆的使用要求。
灯光球场照明标准在体育赛事和演出活动中,球场的照明标准是非常重要的。
良好的照明不仅可以提供观众更好的观赛体验,也可以确保运动员和演员在比赛或表演中有良好的视野,从而保障比赛和表演的公平性和安全性。
因此,灯光球场的照明标准需要严格遵守和执行。
首先,球场的照明强度是至关重要的。
根据国际标准,室内篮球场的照明强度应该在300-500勒克斯之间,而室外足球场的照明强度则应该在500-1000勒克斯之间。
这样的照明强度可以确保观众和运动员在比赛或表演中有足够的光线,不会因为光线不足而影响到比赛和表演的进行。
其次,球场的照明均匀性也是需要重视的。
照明均匀性指的是球场各个区域的照明强度差异不能太大,否则会影响到观众和运动员的视野。
为了确保照明均匀性,球场的灯具布置需要科学合理,光源的分布要均匀,避免出现明暗不一致的情况。
除此之外,球场照明还需要考虑到光色温和色彩再现性。
光色温指的是光的冷暖程度,一般来说,篮球场和足球场的照明色温应该在4000-6000K之间,这样的色温可以提供清晰明亮的光线。
而色彩再现性则是指光线对物体颜色的还原程度,球场的照明需要确保运动员的装备和球场的颜色能够真实再现,避免因为光线问题而影响到比赛的进行。
最后,球场的照明还需要考虑到能源消耗和环保因素。
随着社会的发展,节能环保已经成为了一个重要的议题。
因此,在设计和选择球场照明设备的时候,需要考虑到设备的能源消耗情况,选择能效高、寿命长的照明设备,以降低能源消耗,减少对环境的影响。
总的来说,球场的照明标准是一个综合性的问题,需要考虑到照明强度、照明均匀性、光色温、色彩再现性以及能源消耗和环保因素等多个方面。
只有严格遵守这些标准,才能确保球场的照明达到最佳状态,为观众和运动员提供良好的观赛和比赛环境。
体育馆灯光照明系统设计说明一、工程概况:综合性体育馆,可进行篮球、排球、乒乓球、羽毛球、手球、室内足球、体操、技巧、武术等体育项目的比赛训练或小型文艺表演活动。
二、比赛馆场地照明技术要求:1.主要技术参数:水平照度(场地地面):1500Lx垂直照度(主摄像机方向):1000Lx水平照度均匀度:U1=Emin / Emax > 0.5U2=Emin / Eave >0.6垂直照度均匀度:U1=Emin / Emax > 0.4U2=Emin / Eave >0.5光源色温: 6000K >Tk ≥ 4000K显色指数: Ra ≥ 85观众席水平照度:375Lx观众席垂直照度:250Lx贵宾席水平照度:750Lx贵宾席垂直照度:500Lx眩光限制质量等级:眩光指数<50光源使用寿命:≥6000小时2.设计思路:2.1照度标准:现行国家规范及国家体委的相关标准对各种运动场地的照度指标均有相关的要求,这取决于每种体育项目的特点、所需要的运动空间及运动速度,同时还要考虑使用者的比赛规格和技术难度等因素。
现代体育馆还要充分考虑彩色电视转播的技术要求。
按国标要求,正式比赛时不同的运动项目的照度范围为350~1000Lx。
本馆提出的照度标准略高于国家标准,这是基于以下两点考虑:(1)满足重大比赛的彩色电视转播的要求;电视摄像机需要的最佳垂直照度为800~1000Lx。
按照目前的技术手段及布灯方式,垂直照度与水平照度的比一般为1:1.5~2.5,据此确定了水平照度(场地地面)为1500Lx,垂直照度(主摄像机方向)为1000Lx的照度标准。
(2)适应多种运动项目的不同照度需求。
确定水平照度(场地地面)为1500Lx,有利于灵活设定或调整不同运动项目模式的照明方式及照度水平,更好地体现综合馆多功能的特点。
2.2照明质量要求:对于运动场地的照明除基本的照度要求外,其它如照度的均匀度、立体感;光源的显色性、色温要求;眩光及频闪控制也是衡量照明质量的重要指标。
体育馆灯光设计标准
体育馆灯光设计标准主要考虑以下几个方面:
1.照度:根据国际体联第83号文件对体育场馆的推荐照度,以及《民用建筑照明设计标准》GBJ133-90中的规定,足球场照度标准值为150~200~300lx,当观看距离为160m时,照度需达到200~300~500lx,当观看距离为200m时,照度值要求为300~500~750lx。
观看距离指的是观众席最后一排到场地边线的距离。
2.眩光:眩光是否明显是评价灯光质量的重要指标。
眩光会分散运动员和观众的注意力,影响比赛和观看体验。
3.照明的稳定性:是否有频闪也是评价灯光质量的重要指标。
频闪会导致视觉疲劳和不适感。
4.亮度比:物体与背景色、高度相差大小是评价灯光质量的重要指标之一。
合理的亮度比可以提高视觉对比度和可视度,使运动员和观众更容易分辨出不同的物体和场景。
5.照明均匀度:运动场地的照度是否均匀是评价灯光质量的重要指标之一。
照明均匀度过高或过低都会影响视觉效果和比赛质量。
在体育馆灯光设计中,需要综合考虑以上因素,以创造出一个舒适、自然、符合运动员和观众需求的照明环境。
同时,灯具的布灯方式也需要根据体育馆的具体情况来选择,以达到最佳的照明效果。
体育馆照明设计标准体育馆作为体育比赛、训练和其他大型活动的场所,其照明设计标准对于保障运动员和观众的视觉需求,提高比赛质量和观赛体验至关重要。
在体育馆照明设计中,需要考虑的因素包括照明亮度、均匀度、色彩性能、抗眩光性能等多个方面。
本文将就体育馆照明设计标准进行详细介绍,以期为相关设计人员提供参考和指导。
首先,体育馆照明设计中的照明亮度要求较高。
在进行比赛或训练时,运动员需要清晰地看到球场上的情况,观众也需要清晰地观看比赛过程。
因此,体育馆的照明亮度一般要求在500lux以上,而在一些高水平比赛场馆,如篮球馆、排球馆等,照明亮度甚至需要达到1000lux以上,以确保比赛的顺利进行。
其次,照明均匀度也是体育馆照明设计中需要重点考虑的因素之一。
照明均匀度不仅关系到运动员和观众的视觉舒适度,还直接影响到比赛的公正性和观赛的观感效果。
因此,体育馆的照明均匀度一般要求在0.7以上,而在一些专业比赛场馆,则需要在0.8以上,以确保比赛过程中没有明显的阴影和光斑,保证比赛的公平性和观赛的舒适度。
另外,色彩性能也是体育馆照明设计中需要重点考虑的因素之一。
在比赛过程中,运动员需要清晰地辨认球场上的各种颜色,观众也需要真实地感受比赛场景。
因此,体育馆的照明设计需要保证灯光的色彩还原性能和色彩均匀性,以确保比赛过程中各种颜色的真实呈现,提高比赛的质量和观赛的体验。
最后,抗眩光性能也是体育馆照明设计中需要重点考虑的因素之一。
在比赛或训练过程中,运动员和观众都需要避免眩光对视觉的影响,因此体育馆的照明设计需要采用抗眩光性能较好的灯具和照明方案,以确保比赛过程中没有眩光影响,提高比赛的质量和观赛的体验。
综上所述,体育馆照明设计标准涉及到照明亮度、均匀度、色彩性能、抗眩光性能等多个方面,需要综合考虑运动员和观众的视觉需求,以提高比赛质量和观赛体验。
希望设计人员在进行体育馆照明设计时,能够充分考虑这些因素,确保照明设计达到标准要求,为体育比赛和观众带来更好的体验。
体育馆建筑照明的照度标准值
1. 竞技区域:体育馆内的竞技区域是最关键的部分,需要特别
注意照明的设计。
常见的照度标准值为1500至2000勒克斯(lux),这些数值能够确保运动员在比赛中能够清晰地看到球和场地。
2. 观众区域:观众在体育馆中观看比赛时,也需要有足够的照明。
观众区域的照度标准值通常为300至500勒克斯(lux),这样可以保证观众能够看清比赛的细节。
3. 走廊和通道:体育馆内的走廊和通道也需要适当的照明。
通
常情况下,走廊和通道的照度标准值为100至200勒克斯(lux),以确保人们能够安全地穿行。
4. 辅助区域:除了竞技区域、观众区域和通道外,体育馆还有
一些辅助区域,如休息室、更衣室等。
这些辅助区域的照度标准值
通常为200至400勒克斯(lux),以提供足够的亮度和舒适度。
以上是体育馆建筑照明的一些照度标准值的参考。
当进行体育馆照明设计时,应该根据具体情况来确定合适的照度标准值,并确保它们能够满足运动员和观众的需求。
灯光球场照明标准
球场照明是体育赛事中至关重要的一环,良好的照明条件不仅可以提升比赛质量,也可以保障运动员和观众的安全。
因此,对于球场照明标准的制定和执行,必须要有严格的规范和要求。
首先,球场照明的亮度是至关重要的。
根据国际标准,室外体育场馆的照明亮度应该达到最低500勒克斯,而室内体育场馆的照明亮度则应该达到最低750勒克斯。
这样的亮度可以保证运动员在比赛中有良好的视野,观众也可以清晰地观赛,而且可以避免因光线不足而导致的安全隐患。
其次,球场照明的均匀性也是需要重视的。
在比赛中,球场上的光线分布应该是均匀的,不能出现明暗不均的情况。
为了保证照明的均匀性,需要合理设计照明设备的布局和数量,以及采用合适的灯具类型和光源。
另外,对于球场照明的色温和色彩还需要进行规范。
一般来说,体育场馆的照明色温应该在4000K至6000K之间,这样的色温可以呈现出清晰、明亮的效果。
此外,为了保证运动员在比赛中有良好的色彩识别能力,需要确保照明的色彩还原性,避免出现色彩失真的情况。
最后,球场照明的节能环保也是需要考虑的因素。
在满足比赛需求的前提下,应该尽量采用节能型的照明设备,减少能源的消耗。
同时,球场照明设备的使用寿命也需要得到保障,避免频繁更换设备带来的资源浪费。
总的来说,球场照明标准的制定和执行是非常重要的,不仅关乎比赛质量和观赛体验,也关乎能源的节约和环境的保护。
因此,我们需要严格按照标准要求,确保球场照明达到最佳状态,为体育赛事的顺利进行提供保障。
球场照明工程方案一、项目概况球场照明工程是指为体育场馆、足球场、篮球场等提供照明灯光的工程。
随着体育事业的发展,越来越多的球场照明工程开始受到重视。
随着科技的不断进步,现代化的球场照明工程已经成为一个综合性的系统工程。
本文将从照明工程的设计、施工和运行等方面进行详细介绍。
二、设计要求1. 光照要求:根据国际体育场馆照明标准,体育场馆的照度要求在300-2000勒克斯之间,高四十米球馆照度为2000勒克斯,中高场球场在场地照度需求为1500勒克斯,中低场球场需求为1000勒克斯。
2. 配光要求:球场照明灯具选用对光线有很好的控制,光源不应有过多的去向性即不会影响到运动员的视线。
做到蒙光角度大,采用柔和的光线,保证观众能够有良好的观赛体验,而不会受到眩光的影响。
3. 节能要求:由于体育场馆的灯光设备一般使用时间较长,需要选用节能灯具,如LED灯具,并采用智能化的控制系统,做到灯光照射到需要的地方,达到节能效果。
4. 安全要求:球场照明工程的设计要符合国家规定的相关安全标准,灯具要符合防护等级要求,以保证运动员和观众的安全。
5. 环境保护要求:在设计和施工中,要做到污染物的减少,使用环保型材料设备,并保证照明工程不会对周边环境造成负面影响。
三、设计方案根据上述设计要求,本设计方案将采用LED灯具,能够减少能源消耗,并配合智能化控制系统,以实现照明功耗的最大程度的节省。
1. 照明设备方案选用LED灯具作为体育场馆照明的主要光源,LED灯具能够提供高亮度、高效能、长寿命、高颜色还原性的光线,能够满足体育场馆的照明要求;同时LED灯具可以根据使用的情况进行分区控制,以满足运动员训练和比赛的要求。
2. 控制系统方案采用智能化的集中控制系统,对LED灯具进行控制,实现灯光的调节、分区控制、定时控制等功能,以实现节能、舒适的照明效果。
利用光照传感器、运动传感器等技术,实时监测环境光照度、运动员的活动情况等,做到灯光调节更加智能化,同时,设备设定优先级,实现灯光按需分区、逐级调节,保存能源。
体育场馆照明设计相关知识要做好一个体育场照明设计,设计者必须了解和掌握体育场照明:应有足够的照度和照明的均匀度,足够的亮度和无眩光照明,适当的阴影效果,颜色的正确性等。
体育场照明设计主要是为了满足空间内的足球运动或田径运动所需的照明亮度。
足球运动因球的运行不仅在地面上,同时还在距地10~30m的空间进行,因此在一定空间高度的各个方向上要保持一定亮度,一般足球场上空15m以下空间的光分布要非常均匀。
田径比赛大部分在距地面约3m高度的范围内进行,这类运动设施的照明,主要是满足地面上的光均匀分布的要求。
标枪、铁饼、链球等项目运动高度可达20m,但这类项目往往不在晚上举行,体育照明不必专门为此设计专用照明。
体育馆照明设计重点是馆内场地照明,也就是比赛灯光。
馆内场地照明是一项功能性强、技术性高、难度较大的设计。
要满足各种体育项目比赛要求,有利于运动员技术水平发挥,有利于裁判员的正确评判,有利于观众席上各方位的观看效果。
有多功能使用要求的体育馆,除满足体育比赛要求外,还应该满足音乐会、放映电影、文娱演出、集会活动等使用要求。
为了适合于彩色电视实况转播比赛的要求,要求运动员和场地以及观众之间的亮度比率应具有一定数值。
由于要知道运动员、运动场和观众的反射比,因此需要把这些指标规定下来。
体育馆设计要特别注意彩色电视现场实况转播,为保证转播图像画面生动清晰、色彩逼真,对垂直照度、照度均匀度及立体感、光源的色温及显色性等指标有特定要求。
体育馆照明设计是否能够满足照度标准和照明质量的要求是评价一个体育馆的主要标志之一。
体育场馆照明设计应充分考虑赛时与赛后的照明设施的综合利用和运营。
为提高体育场馆照明的设计质量,保证体育场馆照明符合使用功能的要求,要做到安全适用、技术先进、经济合理、节约能源。
如果我们把多功能的体育馆照明设计按照功能性划分,它可以分为两个部分,一个部分是比赛区域,另一个部分是辅助区域。
那么,在辅助区域可以有多种亮化设计和功能性划分。
体育馆照明质量要求及布灯方法体育馆在进行比赛或运动训练时需要拥有良好的照明,以确保运动员和观众的安全和舒适。
因此,在体育馆的照明设计和布灯方案中,必须考虑到多种因素,包括照明强度、均匀度、色彩还原性等。
照明强度要求体育馆的照明强度需要根据使用情况和比赛类型进行合理的调整。
对于室内体育场地,国际标准要求照度应在500至1000勒克斯(lux)之间。
如果是进行比赛时,需要提高照明强度,达到1000至1500勒克斯。
照明均匀度和灯光反射率除了照明强度外,还需要保证照明的均匀度。
如果场地上的照明不够均匀,则有些区域可能会过于明亮或过于暗淡,会影响运动员的判断和观赏效果。
因此,在体育场馆的照明设计中,需要使用适当的照明设备来保证照度的均匀性。
此外,体育场馆的灯光反射率也必须得到考虑。
在白色或浅灰色墙壁的体育场馆中,灯光反射率通常在70%至80%之间。
在设计灯光时,应避免直接照射反射物,而是尽可能将灯光照射到天花板上或者照射到近墙处。
照明色温和色彩还原性照明色温和色彩还原性也是需要注意的因素。
海拔高度较高的场馆通常会有天然光线,但是颜色可能会发生变化。
过低或过高的色温都会影响观众的心情和运动员的表现。
照明设备需要接受低颜色偏移的调节,以确保场馆内的颜色保持自然。
此外,色彩还原性也非常重要。
过低的色彩还原性会使比赛或演出的细节无法清晰地展现出来,这对于运动员和观众来说都是不利的。
在体育场馆的照明设计中,需要使用高质量的灯具来保证较高的色彩还原性。
布灯方案针对体育馆的布灯方案,以下是常用的几种方案:1.跑道照明方案:针对田径运动场进行照明,灯具的投射方向应向下,使其避免直接照射到运动员的眼睛。
2.运动馆照明方案:对于运动馆照明而言,应采用挂式灯具,使其均匀地照射到整个场地。
挂式灯具应放置于悬挂在屋顶的托架上,以达到合理的高度。
3.矩形厅照明方案:矩形厅的照明需要考虑到球员的球感,应该将照明面放在离地表3至3.5米处的屋顶上,同时也确保照度的均匀分布。
体育建筑照度标准一、照度水平照度是指单位面积上所接受的光通量,单位为勒克斯(Lux)。
体育建筑照度标准主要包括室内场馆和室外场地两种情况。
1、室内场馆室内场馆的照度标准应符合国际照明委员会(CIE)推荐的标准。
根据不同区域和活动类型,照度水平应符合以下要求:(1)比赛场地:照度均匀,比赛场地中心位置照度不低于3000 Lux,观众席位置照度不低于1500 Lux。
(2)运动员休息区:照度不低于1000 Lux。
(3)观众席:每个观众席的照度不低于800 Lux。
(4)贵宾席:照度不低于1500 Lux。
(5)媒体席:照度不低于1500 Lux。
2、室外场地室外场地的照度标准应根据活动类型和天气条件来确定。
以下是一些常见的室外场地照度要求:(1)足球场:对于大型比赛,照度应均匀分布,比赛场地中心位置照度不低于3000 Lux,观众席位置照度不低于1500 Lux。
对于一般活动,照度可适当降低。
(2)田径场:对于大型比赛,照度应均匀分布,比赛场地中心位置照度不低于3000 Lux,观众席位置照度不低于1500 Lux。
对于一般活动,照度可适当降低。
(3)网球场:照度不低于1500 Lux。
二、光源选择体育建筑照度标准中,光源的选择也是重要的一环。
在选择光源时,应考虑光效、色温、显色指数等因素。
以下是几种常见的光源及其特点:1、白炽灯:光效较低,但色温适中,显色指数高,适用于暖色调照明场所。
在体育建筑中,可用于观众席、运动员休息区等场所。
2、荧光灯:光效高,色温低,显色指数适中,适用于冷色调照明场所。
在体育建筑中,可用于比赛场地、媒体席等场所。
体育照明检测标准体育照明检测标准是为了保证体育场馆的照明质量和运动员的视觉环境而制定的一系列指标和要求。
下面是一些相关的参考内容:一、光照度要求:1. 足球场:照明点平均水平光照度不低于1000勒克斯(lx),最小照度点不低于300勒克斯(lx);2. 篮球场:照明点平均水平光照度不低于750勒克斯(lx),最小照度点不低于200勒克斯(lx);3. 游泳馆:场地中心线的照度不低于300勒克斯(lx),泳道区域的水平照度不低于200勒克斯(lx)。
二、照度均匀度要求:1. 足球场:照度均匀度不低于0.7;2. 篮球场:照度均匀度不低于0.6;3. 游泳馆:照度均匀度不低于0.6。
三、闪烁指数要求:1. 足球场:闪烁指数不得超过0.3;2. 篮球场:闪烁指数不得超过0.4;3. 游泳馆:闪烁指数不得超过0.4。
四、灯光色温要求:1. 足球场:灯光色温应为4000K-6000K之间;2. 篮球场:灯光色温应为4000K-6000K之间;3. 游泳馆:灯光色温应为3000K-4000K之间。
五、灯光亮度均匀度要求:1. 足球场:灯光亮度均匀度不低于0.7;2. 篮球场:灯光亮度均匀度不低于0.6;3. 游泳馆:灯光亮度均匀度不低于0.6。
六、灯光颜色指数要求:1. 足球场:灯光颜色指数应不低于Ra80;2. 篮球场:灯光颜色指数应不低于Ra80;3. 游泳馆:灯光颜色指数应不低于Ra80。
七、光源寿命要求:1. 足球场:灯具寿命不低于50000小时;2. 篮球场:灯具寿命不低于50000小时;3. 游泳馆:灯具寿命不低于50000小时。
综上所述,体育照明检测标准从光照度、照度均匀度、闪烁指数、灯光色温、灯光亮度均匀度、灯光颜色指数和光源寿命等方面对体育场馆的照明进行了要求和限制。
这些标准的制定旨在提高运动员的可视性,保证比赛的公正性和准确性,同时也能提供良好的观赛体验。
体育场馆需要根据自身的情况和要求,选择合适的照明设备和灯具,确保达到相关的检测标准。
体育场馆照明设计及检测标准一、引言体育场馆是举办各类体育比赛、演出和活动的场所,其照明设计对于比赛及观众的体验和安全至关重要。
体育场馆照明设计及检测标准的制定是非常必要的。
二、体育场馆照明设计标准1. 亮度要求体育场馆的照明亮度需满足比赛和观众需求,根据不同项目的运动性质和荧光发光体特性确定。
一般情况下,室内比赛场馆的照度需求在500-1500勒克斯之间。
2. 均匀度要求照明系统的均匀度需保证在比赛场地上的分布均匀,避免局部出现过亮或过暗区域,影响运动员和裁判员的视线。
3. 色温要求体育场馆的照明色温应符合比赛需求,通常在4000K-6000K之间,以确保比赛环境的视觉效果和色彩还原度。
4. 防眩目性能照明系统需具备良好的防眩目性能,防止炫光对运动员和观众造成视觉不适。
5. 能效要求体育场馆照明需具备较高的能效,采用节能的灯具和光源,以降低运营成本和减少能源消耗。
6. 控光性能照明系统需具备良好的控光性能,能够根据不同比赛项目和观众需求进行光照调节。
7. 照明安全性体育场馆照明需符合相关安全标准,避免因照明设备而引发火灾、触电等安全隐患。
三、体育场馆照明检测标准1. 光照度检测通过光照度检测,评估照明系统的亮度是否满足需求标准,并检测不同区域的光照度均匀度。
2. 色温检测对体育场馆照明的色温进行检测,确保其符合比赛和观众需求,并评估色温是否合适。
3. 防眩目性能检测对照明系统的防眩目性能进行检测,验证其是否满足防止炫光对观众和运动员造成视觉不适的要求。
4. 能效检测评估照明系统的能效水平,检测其实际能耗与设计能效标准的符合程度。
5. 控光性能检测对照明系统的光照控光性能进行检测,确保能够根据实际需求进行光照调节。
6. 安全性能检测通过安全性能检测,验证照明系统是否符合相关的安全标准要求。
四、结论体育场馆照明设计及检测标准对于体育比赛和场馆观众的视觉体验和安全至关重要。
通过严格的照明设计标准和检测标准,可以确保体育场馆照明系统达到最佳的运行状态,保障比赛和活动的顺利进行,并提升观众的观赛体验。