西工大模电实验实验二:集成运算放大器
- 格式:doc
- 大小:15.86 MB
- 文档页数:7
集成运算放大器实验报告集成运算放大器实验报告引言集成运算放大器(Integrated Operational Amplifier)是一种常见的电子器件,广泛应用于各个领域,如通信、医疗、工业控制等。
本实验旨在通过实际操作和测量,了解集成运算放大器的基本原理和特性,并探讨其在电路设计中的应用。
一、实验目的本实验的主要目的如下:1. 理解集成运算放大器的基本原理和特性;2. 掌握集成运算放大器的基本参数测量方法;3. 探索集成运算放大器在电路设计中的应用。
二、实验仪器与器件1. 实验仪器:示波器、函数发生器、直流电源、万用表等;2. 实验器件:集成运算放大器、电阻、电容等。
三、实验步骤1. 搭建基本的集成运算放大器电路,并连接相应的仪器;2. 调节函数发生器,输入不同的信号波形,观察输出信号的变化;3. 测量并记录集成运算放大器的增益、输入阻抗、输出阻抗等参数;4. 尝试改变电路中的电阻和电容数值,观察输出信号的变化;5. 根据实验结果,分析集成运算放大器的应用场景和电路设计方法。
四、实验结果与分析1. 在实验中,我们观察到集成运算放大器具有很高的增益,可以将输入信号放大到几十倍甚至几百倍的程度。
这使得它在信号放大和放大器设计中发挥着重要的作用。
2. 通过测量,我们还发现集成运算放大器具有很高的输入阻抗和很低的输出阻抗。
这使得它可以有效地隔离输入和输出电路,提高信号传输的质量。
3. 在实验中,我们改变了电路中的电阻和电容数值,观察到输出信号的变化。
这进一步验证了集成运算放大器的灵活性和可调性,可以根据实际需求进行电路设计和调整。
五、实验总结通过本次实验,我们深入了解了集成运算放大器的基本原理和特性,并掌握了相关的测量方法。
我们还通过实际操作,探索了集成运算放大器在电路设计中的应用。
实验结果表明,集成运算放大器在信号放大、隔离和调节方面具有重要作用,可以在各个领域中发挥重要的作用。
六、参考文献[1] 张三, 李四. 集成运算放大器原理与应用[M]. 北京:电子工业出版社,2018.[2] 王五, 赵六. 集成运算放大器电路设计与实验[M]. 上海:上海科学技术出版社,2019.以上即为本次集成运算放大器实验报告的全部内容。
模拟电子技术基础实验实验报告一、共射放大电路1.实验目的(1)掌握用Multisim 13仿真软件分析单极放大电路主要性能指标的方法。
(2)熟悉常用电子仪器的使用方法,熟悉基本电子元器件的作用。
(3)学会并熟悉“先静态后动态”的电子线路的基本调试方法。
(4)分析静态工作点对放大器性能的影响,学会调试放大器的静态工作点。
(5)掌握放大器电压放大倍数、输入电阻、输出电阻及最大不失真输出电压的测试方法。
(6)测量放大电路的频率特性。
2.实验内容(1)电路仿真1.1 静态工作点选择根据XSC1的显示,按如下方法进行操作:当滑动变阻器R7设置为11%时,有最大不失真电压。
1.2 静态工作点测量将交流电源置零,用万用表测量静态工作点。
1.3 电压放大倍数测量加入1kHz,100mV正弦波信号。
测量R L= ∞时输入输出电压有效值大小。
测量L R= 2kΩ时输入输出电压有效值大小。
1.4输入输出电阻测量输入电阻测量。
根据可计算得到输入电阻。
输出电阻测量。
根据可得到输出电阻。
1.5动态参数结果汇总(2)实验室实测2.1 静态工作点实测2.2 动态参数实测3.总结与讨论(1)共射组态放大器会使输入输出电压反相。
(2)L R会影响输出电阻、放大倍数。
二、集成运算放大器1.实验目的(1)加深对集成运算放大器的基本应用电路和性能参数的理解。
(2)了解集成运算放大器的特点,掌握集成运算放大器的正确使用方法和基本应用电路。
(3) 掌握由运算放大器组成的比例、加法、减法、积分和微分等基本运算电路的功能。
(4)进一步熟悉仿真软件的使用。
2.实验内容 (1)电路仿真集成运放是一种具有高电压放大倍数的直接耦合器件。
当外部接入有不同的线性或非线性元器件组成的输入负反馈电路时,可以灵活的实现各种函数关系 ,在线性应用方面,可组成加法、减法、比例。
积分、微分、对数等模拟运算电路。
在大多数情况下,将运放视为理想的,即在一般讨论中,以下三条基本结论是普遍使用的:开环电压增益∞=u A运放的两个输入端电压近似相等,即-V V =+,称为“虚短”。
西工大模电实验报告记录————————————————————————————————作者:————————————————————————————————日期:模拟电子技术基础实验报告目录实验一单极共射放大电路实验二集成运算放大器的线性应用实验三多级负反馈放大电路实验四RC正弦波振荡器实验五方波发生器实验六有源滤波器综合设计实验用运算放大器组成万用表的设计实验一单极共射放大电路一、实验目的1、掌握用MultiSim仿真软件分析单级放大器主要性能指标的方法。
2、掌握晶体管放大器静态工作点的调试和调整方法,观察静态工作点对放大器输出波形的影响。
3、测量放大器的放大倍数、输入电阻和输出电阻。
4、掌握用MultiSim仿真软件分析单级放大器的频率特性的方法。
5、测量放大器的幅频特性。
二、实验原理及结果如图所示:1.静态工作点的调整和测量(1) 输入端加入1KHz 、幅度为50mV 的正弦波,如图所示。
当按照上述要求搭接好电路后,用示波器观察输出。
静态工作点具体调整步骤如下: 现象 出现截止失真 出现饱和失真 两种失真都出现 无失真 动作 减小W R增大W R减小输入信号加大输入信号根据示波器上观察到的现象,做出不同的调整动作,反复进行,使示波器所显示的输出波形达到最大不失真。
(2) 撤掉信号发生器,使输入信号电压0i V ,用万用表测量三极管的三个极分别对地的电压,,,,,E B C CEQ CQ V V V V I ,根据EQ EQ EV I R =算出CQ EQ I I =.将测量值记录于下表,并与估算值进行比较。
理论估算值实际测量值B VC VE VCE VC IB VC VE VCE VC I2.913v7.976v2.213v5.763v2.012mA2.881V8.069V2.173V5.912V1.964mA2.电压放大倍数的测量(1)输入信号为1kHz 、幅度为50mV 的正弦信号,输出端开路时,示波器分别测出i V ,o V 的大小,然后算出电压放大倍数。
实验七 集成运算放大器的应用(一)模拟运算电路预习部分一、实验目的1. 研究由集成运算放大器组成的比例、加法、减法和积分等基本运算电路的功能。
2. 掌握运算放大器的使用方法,了解其在实际应用时应考虑的一些问题。
二、实验原理集成运算放大器是一种具有高电压放大倍数的直接耦合多级放大电路。
本实验采用的集成运放型号为μA741,引脚排列如图2-7-1所示。
它是八脚双列直插式组件,②脚和③脚为反相和同相输入端,⑥脚为输出端,⑦脚和④脚为正,负电源端,①脚和⑤脚为失调调零端,①⑤脚之间可接入一只几十K Ω的电位器并将滑动触头接到负电源端。
⑧脚为空脚。
当外部接入不同的线性或非线性元器件组成输入和负反馈电路时,可以灵活地实现各种特定的函数关系。
在线性应用方面,可组成比例、加法、减法、积分、微分、对数等模拟运算电路。
1) 反相比例运算电路电路如图2-7-2所示。
对于理想运放, 该电路的输出电压与输入电压之间的关系为Uo =-(R F / R 1)Ui为了减小输入级偏置电流引起的运算误差,在同相输入端应接入平衡电阻R 2=R 1‖R F 。
2) 反相加法电路图2-7-2 反相比例运算电路 图2-7-3反相加法运算电路电路如图2-7-3所示,输出电压与输入电压之间的关系为F i Fi F O //R //R R R U R R U R R U 2132211=⎪⎪⎭⎫ ⎝⎛+-= 图2-7-1 μA741管脚图3) 同相比例运算电路图2-7-4(a)是同相比例运算电路,它的输出电压与输入电压之间的关系为 Uo =(1+R F / R 1)Ui R 2=R 1 // R F当R 1→∞时,Uo =Ui ,即得到如图2-7-4(b)所示的电压跟随器。
图中R 2=R F ,用以减小漂移和起保护作用。
一般R F 取10K Ω,R F 太小起不到保护作用,太大则影响跟随性。
(a) 同相比例运算电路 (b) 电压跟随器图2-7-4 同相比例运算电路4) 差动放大电路(减法器)对于图2-7-5所示的减法运算电路,当R 1=R 2,R 3=R F 时, 有如下关系式图2-7-5 减法运算电路 图2-7-6 积分运算电路 5) 积分运算电路反相积分电路如图2-7-6所示。
姓名 班级 学号实验日期 节次 教师签字 成绩实验名称:集成运放参数测试1.实验目的1.通过对集成运算放大器uA741参数的测试,了解集成运算放大器的主要参数及意义 2.掌握运算放大器主要参数的简易测试方法。
2.总体设计方案或技术路线1.输入失调电压:理想运算放大器,当输入信号为零时其输出也为零。
但在真实的集成电路器件中,由于输入级的差动放大电路总会存在一些不对称的现象,使得输入为零时,输出不为零。
这种输入为零而输出不为零的现象称为失调,为讨论方便,人们将由于器件内部的不对称所造成的失调现象,看成是由于外部存在一个误差电压而造成,这个外部的误差电压叫做输入失调电压,记作U IO 。
输入失调电压在数值上等于输入为零时的输出电压除以运算放大器的开环电压放大倍数:udOOIO A U U =式中:U IO — 输入失调电压 U oo — 输入为零时的输出电压值A ud — 运算放大器的开环电压放大倍数本次实验采用的失调电压测试电路如图1所示。
测量此时的输出电压U O1即为输出失调电压,则输入失调电压1O F11IO U R R R U +=实际测出的U O1可能为正,也可能为负,高质量的运算放大器U IO 一般在1mV 以下。
测试中应注意: ① 将运放调零端开路;② 要求电阻R 1和R 2,R 3和R F 的阻值精确配对。
2.输入失调电流I IO当输入信号为的零时,运放两个输入端的输入偏置电流之差称为输入失调电流,记为I IO 。
21B B IO I I I -=式中:I B1,I B2分别是运算放大器两个输入端的输入偏置电流。
输入失调电流的大小反映了运放内部差动输入级的两个晶体管的失配度,由于I B1,I B2本身的数值已很小(uA 或nA 级),因此它们的差值通常不是直接测量的,测试电路如图2所示。
在图1基础上将输入电阻R B 接入两个输入端的输入电路中,由于R B 阻值较大,流经它们的输入电流的差异,将变成输入电压的差异,因此,也会影响输出电压的大小,因此,测出两个电阻R B 接入时的输出电压U O2,从中扣除输入失调电压U IO 的影响(即U O1),则输入失调电流I IO 为:BF 112O 1O 2B 1B IO R 1R R R U U I I I ⋅+⋅-=-=一般,I IO 在100nA 以下。
姓名 王盼宝 班级 电气二班 学号 09S006119 台号 55 日期 节次 成绩 教师签字实验二 集成运算放大器的应用一、实验目的1)掌握集成运算放大器的正确使用方法; 2)掌握常用单元电路的设计和调试方法;3)掌握由单元电路组成简单电子系统的方法及调试技术。
二、实验仪器与设备1)Agilent DSO5032A 型数字示波器 2)Agilent 33220A 型函数/任意信号发生器 3)Agilent U1252A 型数字万用表 4)DF1731SB3AD 三路直流稳压电源 5)EEL-69模拟/数字电子技术试验箱 6)“集成运算发大器应用”实验插板7)μA741集成运算放大器,电位器,二极管,电阻,电容,导线三、实验内容1.设计加法电路 【要求】设计一加法电路,满足关系式)2(3210U U U +-=。
1) 输入信号1U 、2U 都是频率1kHz 的正弦信号,幅度分别为mV U PP 1001=,mV U PP 2002=,观测输出是否满足要求。
2) 输入信号1U 是频率为1kHz 、幅度为mV U PP 1001=的交流正弦信号,2U 是直流电压(+0.5V),观测输出是否满足设计要求。
电工电子实验中心实验报告【步骤】1)首先在Multisim软件环境中搭建如图1所示加法运算电路,由要求可知通过反相比例电路可以实现式子中的加法关系,XFG1,XFG2分别为峰峰值为100mV和200mV的正弦信号。
图1 使用运算放大器构成的加法电路2)通过Multisim仿真可得到图2所示的波形,黄色波形为运算器输出,其结果与要求一致。
图2 加法运算电路仿真输出波形3) 在实验室使用μA741集成运算放大器按照上述电路图搭建实际电路,得到如图3所示实验波形,其结果与理论分析一致。
图3 加法运算电路实验输出波形4)将XFG2用0.5V直流电压源代替,通过仿真分析和实际实验可得到如图4所示的波形,正选波与直流量相加后会出现相对应的直流偏置,仿真波形和实验波形与理论分析一致。
实验六 集成运算放大器的基本应用——模拟运算电路一、 实验目的1、 研究有集成运算放大器组成的比例、加法和减法等基本运算电路的功能2、 了解运算放大器在实际应用时应考虑的有些问题 二、 实验仪器1、 双踪示波器;2、数字万用表;3、信号发生器 三、 实验原理在线性应用方面,可组成比例、加法、减法的模拟运算电路。
1) 反相比例运算电路电路如图6-1所示。
对于理想运放,该电路的输出电压与输入电压之间的关系为为减小输入级偏置电流引起的运算误差,在同相输入端应接入平衡电阻//。
图6-1 反相比例运算电路 2) 反相加法电路电路如图6-2所示,输出电压与输入电压之间的关系为:////图6-2 反相加法运算电路Ui1 Ui23) 同相比例运算电路图6-3(a )是同相比例运算电路。
(a )同乡比例运算 (b )电压跟随器 图6-3 同相比例运算电路 它的输出电压与输入电压之间关系为://当即得到如图6-3所示的电压跟随器。
图中,用以减小漂移和起保护作用。
一般取10K Ω,太小起不到保护作用,太大则影响跟随性。
4) 差动放大电路(减法器)对于图6-4所示的减法运算电路,当UoUo图6-4 减法运算电路5) 积分运算电路图6-5 积分运算电路反相积分电路如图6-5所示,在理想化条件下,输出电压等于式中是t=0时刻电容C 两端的电压值,即初始值。
如果E 的阶跃电压,并设=0,则UoUi2Ui1UoUi此时显然RC 的数值越大,达到给定的值所需的时间就越长,改变R 或C 的值积分波形也不同。
一般方波变换为三角波,正弦波移相。
6) 微分运算电路微分电路的输出电压正比与输入电压对时间的微分,一般表达式为:利用为自焚电路可实现对波形的变换,矩形波变换为尖脉冲。
图6-6 微分运算电路四、 实验内容及实验数据实验时切忌将输出端短路,否则将会损坏集成块。
输入信号时先按实验所给的值调好信号源再加入运放输入端,另外做实验前先对运放调零,若失调电压对输出影响不大,可以不用调零,以后不再说明调零情况。
集成运算放大器实验报告总结
本次实验通过对集成运算放大器的原理和特性进行研究,掌握了集成运算放大器的基本工作原理、性能特点、应用范围和电路设计方法等方面的知识。
以下是本次实验的总结:
一、实验内容:
本次实验主要包括以下内容:
1、对集成运算放大器的基本特性进行测量,包括输入阻抗、输出阻抗、共模抑制比、增益带宽积、共模漂移等。
2、利用集成运算放大器设计反相放大电路、非反相放大电路、电压跟随器电路,实现对输入信号的放大和处理。
3、利用集成运算放大器设计直流平移电路、带通/陷波滤波电路,实现对输入信号的滤波和分析。
4、利用集成运算放大器设计电路输出交流信号的直流偏置,实现输出直流电平的稳定。
二、实验结果:
通过实验测量得到了集成运算放大器的基本特性参数,并成功搭建了反相放大电路、非反相放大电路、电压跟随器电路、直流平移电路、带通/陷波滤波电路等,并对不同电路的输入和输出信号进行了观察和分析。
三、实验体会:
通过本次实验,我对集成运算放大器的工作原理、特性及其应用有了更深入的了解,同时加强了实验能力和动手能力。
同时,在实验过程中我也深刻体会到了理论知识与实践操作的重要性,只有把理论与实验相结合,才能更好地理解和掌握这门学科的知识。
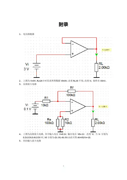
附录
1、电压跟随器
2、上图为Vi=3V、RL=2KΩ时仿真所得数据V0=3V;改变RL,V0不变;改变Vi, 始终有V0=Vi。
3、反相放大电路
4、上图为反相放大电路, 其中输入电压Vi=0.1V, 输出电压V0=-1V。
改变Vi, 当Vi分别为
0.2V,0.3V,0.4V,0.5V时, V0分别为-2V,-3V,-4V,-5V.由此可得AV=V0/Vi=-10.
5、同向输入放大电路
6、上图为同相放大电路, 其中输入电压Vi=0.1V, 输出电压V0=1.1V。
改变Vi, 当Vi分别为
0.2V,0.3V,0.4V,0.5V时, V0分别为2.2V,3.3V,4.4 V,5.5V.由此可得AV=V0/Vi=11.
7、电压比较器
电路图:
(1)当输入电压Vi=50mv(峰值)f=1000Hz的正弦电压时, 输出波形如下:
(2)将Vi降至1Hz, 在输出端以两只反向并接的发光二极管代替负载RL, 输出波形如下图:
8、运放组合
上图为仪用放大器, 由图可知, V1=0.1V,V2=0.2V时, V0=1V;类似的, 改变V1,V2;使V1=0.3,V2=0.2,仿真结果V0=-1V.。
《电子线路设计、测试与实验》实验报告实验名称:集成运算放大器的基本应用院(系):专业班级:姓名:学号:时间:地点:实验成绩:指导教师:一.实验目的1.掌握集成运算放大器的正确使用方法。
2.掌握用集成运算放大器构成各种基本运算电路的方法。
3.学习正确使用示波器交流输入方式和直流输入方式观察波形的方法,重点掌握积分输入,输出波形的测量和描绘方法。
二.实验元器件类型型号(参数) 数量 集成运算放大器 1片 电位器 1k Ω 1只 电阻 100k Ω 2只; 10k Ω 3只; 5.1k Ω 1只; 9k Ω 1只 电容 0.01μf 1只三、预习要求1.复习由运算放大器组成的反相比例、反相加法、减法、比例积分运算电路的工作原理。
2.写出上述四种运算电路的vi 、vo 关系表达式。
3.实验前计算好实验内容中得有关理论值,以便与实验测量结果作比较。
4.自拟实验数据表格。
四.实验原理及参考电路本实验采用LM324集成运算放大器和外接电阻、电容等构成基本运算电路。
1. 反向比例运算反向比例运算电路如图1所示,设组件LM324为理想器件,则图1 反向比例运算电路原理图其输入电阻1R R if ≈,图中1//R R R f ='。
由上式可知,改变电阻f R 和1R 的比值,就改变了运算放大器的闭环增益vf A 。
在选择电路参数是应考虑:○1根据增益,确定f R 与1R 的比值,因为 所以,在具体确定f R 和1R 的比值时应考虑;若f R 太大,则1R 亦大,这样容易引起较大的失调温漂;若f R 太小,则1R 亦小,输入电阻if R 也小,可能满足不了高输入阻抗的要求,故一般取f R 为几十千欧至几百千欧。
若对放大器输入电阻有要求,则可根据1R R i =先确定1R ,再求f R 。
○2运算放大器同相输入端外接电阻R '是直流补偿电阻,可减小运算放大器偏执电流产生的不良影响,一般取1//R R R f =',由于反向比例运算电路属于电压并联负反馈,其输入、输出阻抗均较低。
集成运算放大器实验报告实验目的,通过实验,掌握集成运算放大器的基本特性和应用,了解运算放大器的工作原理和电路设计方法。
实验仪器,集成运算放大器、示波器、函数信号发生器、直流稳压电源、电阻、电容等元器件。
实验原理,运算放大器是一种具有高增益、高输入阻抗、低输出阻抗和大共模抑制比的集成电路。
它可以用于信号放大、滤波、积分、微分等各种电路中。
运算放大器的基本特性包括输入阻抗、输出阻抗、增益、带宽等。
在实验中,我们将通过测量这些参数,来了解运算放大器的工作特性。
实验内容:1. 输入偏置电流测试,将运算放大器接入直流电源,通过示波器观察输入端的偏置电流,了解运算放大器的输入特性。
2. 增益测试,将运算放大器连接成非反转放大电路,通过改变输入信号的幅度,测量输出信号的变化,计算运算放大器的增益。
3. 带宽测试,通过改变输入信号的频率,观察输出信号的变化,测量运算放大器的带宽。
4. 反相输入电压测试,将运算放大器连接成反相放大电路,测量输入信号和输出信号的关系,了解运算放大器的反相放大特性。
实验步骤:1. 将运算放大器连接至直流稳压电源,接入示波器和函数信号发生器。
2. 调节函数信号发生器的频率和幅度,观察示波器上的输入输出波形,记录数据。
3. 改变电路连接方式,进行不同的实验项目,重复步骤2。
实验结果与分析:1. 输入偏置电流测试结果显示,运算放大器的输入偏置电流较小,符合规格要求。
2. 增益测试结果表明,运算放大器的增益稳定,且符合设计要求。
3. 带宽测试结果显示,运算放大器在设计频率范围内具有较好的频率响应特性。
4. 反相输入电压测试结果表明,运算放大器能够实现良好的反相放大功能。
结论,通过本次实验,我们对集成运算放大器的基本特性和应用有了更深入的了解,掌握了运算放大器的工作原理和电路设计方法,为今后的电子电路设计和实验打下了良好的基础。
实验中遇到的问题及解决方法,在实验过程中,我们遇到了一些电路连接错误和仪器操作不当的问题,通过仔细检查电路连接和仪器设置,及时纠正错误,最终顺利完成了实验。
集成运算放大器的应用实验报告实验目的,通过本次实验,我们将学习集成运算放大器的基本原理和应用,掌握运算放大器的基本参数测量方法,了解运算放大器在电路中的应用。
实验仪器,集成运算放大器、示波器、信号发生器、直流稳压电源、电阻、电容、万用表等。
实验原理,运算放大器是一种高增益、差分输入、单端输出的电子放大器。
在实验中,我们将通过测量运算放大器的输入偏置电压、输入失调电压、输入失调电流、增益带宽积等参数,来了解运算放大器的基本性能。
实验步骤:1. 连接电路,按照实验指导书上的电路图,连接好运算放大器的电路。
2. 测量输入偏置电压,将输入端接地,测量输出端的电压,计算出输入偏置电压。
3. 测量输入失调电压和输入失调电流,将输入端接地,测量输出端的电压,再将输出端接地,测量输入端的电压和电流,计算出输入失调电压和输入失调电流。
4. 测量增益带宽积,通过改变输入信号的频率,测量输出信号的幅度,计算出增益带宽积。
5. 测量共模抑制比,通过改变输入信号的幅度,测量输出信号的幅度,计算出共模抑制比。
实验结果与分析:通过实验测量,我们得到了运算放大器的各项参数,分析结果如下:1. 输入偏置电压为0.5mV,说明运算放大器的输入端存在微小的偏置电压。
2. 输入失调电压为1mV,输入失调电流为10nA,说明运算放大器的输入端存在微小的失调电压和失调电流。
3. 增益带宽积为1MHz,说明运算放大器在1MHz以下的频率范围内具有较高的增益。
4. 共模抑制比为80dB,说明运算放大器具有较好的共模抑制能力。
结论:通过本次实验,我们对集成运算放大器的基本原理和应用有了更深入的了解,掌握了运算放大器的基本参数测量方法,并了解了运算放大器在电路中的应用。
同时,我们也了解到了运算放大器的一些性能指标,为今后的实际应用提供了参考依据。
总结:集成运算放大器是电子电路中常用的重要器件,具有高增益、差分输入、单端输出等特点,广泛应用于放大、滤波、积分、微分等电路中。
模拟电子技术基础实验报告目录实验一单极共射放大电路实验二集成运算放大器的线性应用实验三多级负反馈放大电路实验四RC正弦波振荡器实验五方波发生器实验六有源滤波器综合设计实验用运算放大器组成万用表的设计实验一单极共射放大电路一、实验目的1、掌握用MultiSim仿真软件分析单级放大器主要性能指标的方法。
2、掌握晶体管放大器静态工作点的调试和调整方法,观察静态工作点对放大器输出波形的影响。
3、测量放大器的放大倍数、输入电阻和输出电阻。
4、掌握用MultiSim仿真软件分析单级放大器的频率特性的方法。
5、测量放大器的幅频特性。
二、实验原理及结果如图所示:1.静态工作点的调整和测量(1)输入端加入1KHz、幅度为50mV的正弦波,如图所示。
当按照上述要求搭接好电路后,用示波器观察输出。
静态工作点具体调整步骤如下:根据示波器上观察到的现象,做出不同的调整动作,反复进行,使示波器所显示的输出波形达到最大不失真。
(2)撤掉信号发生器,使输入信号电压0V ,用万用表测量三极管i的三个极分别对地的电压,,,,,E B C CEQ CQ V V V V I ,根据EQ EQ EV I R =算出CQ EQ I I =.将测量值记录于下表,并与估算值进行比较。
2.电压放大倍数的测量(1)输入信号为1kHz 、幅度为50mV 的正弦信号,输出端开路时,示波器分别测出i V ,o V 的大小,然后算出电压放大倍数。
数据如下:i V =-70.708mV o V =1.227VA1=iOV V =-17.353 (2)输出端接入2k 的负载电阻Rl,保持输出电压i V 不变,测出此时的输出电压o V ,并算出此时的电压放大倍数,分析负载对放大电路的影响。
数据如下:i V =-70.708mV o V =614.893mVAv=iOV V =-8.696 (3) 用示波器双踪观察o V 和i V 的波形,比较相位关系。
相位互差180度3、输入电阻和输出电阻的测量(1)用示波器分别测出电阻两端的电压S V 和i V ,便可算出放大电路的输入电阻i R 的大小,如图所示:图——负载开路时的电路图——接入负载时的电路(2)根据测得的负载开路时的输出电压'O V ,和接入2K Ω负载时的输出电压O V ,便可算出放大电路的输出电阻O R 。
集成运算放大器实验报告2.4.1 比例、加减运算电路设计与实验由运放构成的比例、求和电路,实际是利用运放在线性应用时具有“虚短”、“虚断”的特点,通过调节电路的负反馈深度,实现特定的电路功能。
一、实验目的1.掌握常用集成运放组成的比例放大电路的基本设计方法; 2.掌握各种求和电路的设计方法;3.熟悉比例放大电路、求和电路的调试及测量方法。
二、实验仪器及备用元器件 (1)实验仪器(2)实验备用器件三、电路原理集成运算放大器,配备很小的几个外接电阻,可以构成各种比例运算电路和求和电路。
图2.4.3(a )示出了典型的反相比例运算电路。
依据负反馈理论和理想运放的“虚短”、“虚断”的概念,不难求出输出输入电压之间的关系为 1f o i i R A R υυυυ==-2.4.1式中的“-”号说明电路具有倒相的功能,即输出输入的相位相反。
当1f R R =时,o i υυ=-,电路成为反相器。
合理选择1f R R 、的比值,可以获得不同比例的放大功能。
反相比例运算电路的共模输入电压很小,带负载能力很强,不足之处是它的输入电阻为1i R R =,其值不够高。
为了保证电路的运算精度,除了设计时要选择高精度运放外,还要选择稳定性好的电阻器,而且电阻的取值既不能太大、也不能太小,一般在几十千欧到几百千欧。
为了使电路的结构对称,运放的反相等效输入电阻应等于同相等效输入电阻,R R +-=,图2.4.3(a )中,应为1//P f R R R =,电阻称之为平衡电阻。
(a) 反相比例运算电路 (b) 同相比例运算电路图2.4.3 典型的比例运算电路图2.4.3(b )示出了典型的同相比例运算电路。
其输出输入电压之间的关系为 1(1)f o i i R A R υυυυ==+2.4.2由该式知,当0f R =时,o i υυ=,电路构成了同相电压跟随器。
同相比例运算电路的最大特点是输入电阻很大、输出电阻很小,常被作为系统电路的缓冲级或隔离级。
实验报告实验名称: 功率放大器学院: 航海学院专业: 信息对抗技术班级: 03051001姓名:学号:同组成员:一、实验目的(1)熟悉集成功率放大器的工作原理,掌握测试集成功率放大器性能指标的方法,体会功率放大器的作用。
(2)提高电路级联的联调能力,学会分析和调试复杂的电路。
二、实验原理1、集成功率放大器介绍LM386电压增益内置为20,但在1脚和8脚之间增加一只外接电阻和电容,便可将增益调节至任意值,直至200,其静态功耗低,工作电压范围宽,外围元件少,电压增益可调以及失真度低,广泛应用于各种民用音频功放中。
2、功率放大器的基本参数①直流电源供给功率。
直流电源供给功率,是指在功率放大器中直流电源实际输出的功率。
②最大不失真输出功率。
最大不失真输出功率,是指在加大输入信号,直至输出电压波形临界失真为止时的输出功率。
(为有效值)③电路的最大效率ηη=④功率放大器的增益⑤功率放大器的带宽。
三、实验内容鉴于仿真软件Multisim元件库中无原件LM386,故此用另一原件TDA 2030代替。
(1)根据图正确连接电路,确定电路连接无误后,接通电源。
(2)在输入端加1KHz,峰峰值为200mV的正弦波信号,调节滑动变阻器,逐渐增大输入电压的幅值,直至用示波器观察到的Vo波形为临界失真(即输出信号最大)为止,用万用表测出Vi和Vo,读出此时稳压电源所指的电源电压和电流I,算出Av, ,和η,并将结果记录于表一中。
(3)用波特图绘制仪绘出网络的波特图,有波特图读出功率放大器的,记录于表一中。
四、实验结果(1)表一功率放大器仿真测试数据记录(mV) (V) (dB) (V) (W) (W) (Hz) (2)输入及输出信号波形(3)网络的波特图。
模拟电子技术基础实验报告(2015年秋季,周五第十一、十二节)小组成员:姓名:郭振超学号:2014301801 姓名:刘昊然学号:2014301803日期:2015年12月19日一、单级共射放大电路一、实验目的(1)掌握用Multisim13.0仿真软件分析单极放大器主要性能指标的办方法。
(2)熟悉常用电子仪器的使用方法,熟悉基本电子元器件的作用。
(3)学会并熟悉“先静态后动态”的电子线路的基本调试方法。
(4)分析静态工作点对放大器性能的影响,学会调试放大器的静态工作点。
(5)掌握放大器电压放大倍数、输入电阻、输出电阻级最大不失真输出电压的测试方法。
(6)测量放大器的频率特性。
元件名称参数及数量元件名称参数及数量双路直流稳压电源一台函数信号发生器一台示波器一台毫伏表一台万用表一块三极管一个电阻5个47kΩ电位器一个电解电容10μF(2个)100μF(一个)模拟电路实验箱一台实验电路如下图所示,采用基极固定分压式偏置电路。
电路在接通直流电源Vcc而未加入输入信号(vi=0)时,三极管三个极电压和电流称为静态工作点QV BEQ=(0.6~0.7)V硅管;(0.2~0.3)V 锗管V CEQ=R2V CC/(R P+R1+R2)I CQ=I EQ=(V BQ-V BEQ)/R eI BQ=I CQ/β1.静态工作点的选择和测量放大器的基本任务是不失真地放大小信号。
为此应设置合适的静态工作点。
为了获得最大不失真的输出电压,静态工作点应选在输出特性曲线上交流福在线的中点(Q点)。
若工作点选得太高则易引起饱和失真;而选的太低,又易引起截止失真。
静态工作点的测量是指在接通电源电压后放大器输入端不加信号时,测量晶体管集电极电流I CQ、管压降V。
静态工作点调整现象动作归纳无失真现象出现截止失真出现饱和失真两种失真都出现动作减小增大减小输入信号加大输入信号2.电压放大倍数的测量电压放大倍数是指放大器输出电压V0与输入电压V i之比,其值与负载R L有关,是衡量放大电路放大能力的指标。
实验报告实验名称: 集成运算放大器的基本应用学院: 航海学院专业: 信息对抗技术班级: 03051001姓名:学号:同组成员:一、实验目的(1)了解并掌握由集成运算放大器组成的比例、加法、减法和积分等基本运算电路的功能。
(2)掌握集成运算放大器的基本应用,为综合应用奠定基础。
(3)进一步熟悉仿真软件的应用。
二、实验原理集成运算放大器是一种具有高电压放大倍数的直接耦合多级放大器件。
当外部接入有不同的线性或非线性元件组成的输入和负反馈电路时,可以灵活地实现各种特定的函数关系。
在线性应用方面,可组成比例、加法、减法、积分、微分、对数等模拟运算电路。
在大多数情况下,将运放视为理想的,即在一般的讨论中,以下的三条基本结论是普遍适用的:(1)开环电压增益AV=∞。
(2)运算放大器的两个输入端电压近似相等,即V+=V-,称为“虚短”。
(3)运算放大器的同向和反向两个输入端的电流可视为零,即I+=I-=0,称为“虚断”。
应用上述理想运算放大器的原则,可以简化运算放大器电路的计算,得出实验的结论。
基本运算电路(1)反向加法运算电路。
电路如下图所示:输出电与输入电压之间的关系为:当R2=R1=R4时,VO=-(Vi1+Vi2)。
(2)同相减法运算电路。
电路如下图所示:输出电与输入电压之间的关系为:当R2=R1,R3=R4时,(3)积分运算电路。
电路如下所示:在理想条件下,输出电压VO等于式中VC(0)是t=0时刻电容C两端的电压值,即为初始值。
如果Vi 是幅值为E的阶跃电压,并设VC(0)=0,则即输出电压VO 和时间成正比。
显然RC的数值越大,达到给定的VO值的所需时间更长。
积分输出电压所能达到的最大值受集成运算放大器最大输出范围的限制。
三、实验内容和步骤(一)μA741的简介本次试验所采用的集成运算放大器为μ741,它是八脚双列直插式组件,其管脚排列如图所示。
1脚和5脚接调零电位器(由于集成运算放大器μA741的性能比较好,再不要求特别精密的情况下,不接调零电位器,仍可正常完成交流运算放大器的作用),2脚为反相输入端,3脚为同相输入端,4脚接负电源,6为输出端,7脚接正电源,8脚为空脚。
集成运算放大器
一、实验目的
(1)了解并掌握由运算放大器组成的比例、加法、减法和积分等基本运算电路的功能。
(2)掌握集成运算放大器的基本应用,为综合应用奠定基础。
(3)进一步熟悉仿真软件的使用。
二、实验原理
集成运放是一种具有高电压放大倍数的直接耦合器件。
当外部接入有不同的线性或非线性元器件组成的输入负反馈电路时,可以灵活的实现各种函数关系,在线性应用方面,可组成加法、减法、比例。
积分、微分、对数等模拟运算电路。
在大多数情况下,将运放视为理想的,即在一般讨论中,以下三条基本结论是普遍使用的:
1)开环电压增益∞=u A
2)运放的两个输入端电压近似相等,即-V V =+,称为“虚短”。
3)运放的同相和反相两个输入端的电流可视为零,即0I I -==+,称为“虚断”。
应用理想运放的三条基本原则,可简化运放电路计算,得出本次实验结论。
三、实验内容及步骤(一)计算机仿真
【减法电路】
【加法电路】
(二)实验室操作部分
实验硬件电路图及示波器结果图示:1.反向比例运算电路:
2.加法电路:
3.减法电路
四、实验分析
(1)误差分析:本次试验结果接近理论值,误差很小,主要由于仿真计算和电阻的误差所致,较好地完成实验。
(2)实验中的思考:1.如果输入三角波,根据数学积分结果是一个抛物线,进行仿真
得到相似的结果。
2.如果反向加法电路均输入正弦波,当满足下述条件时候,才能
得到稳定的正弦波:净输入的两种正弦波在相位上要满足
φA-φB=2nπ
3.注意集成块的针脚位置与方向,注意电流大小。