pkpm中混凝土构件配筋与钢构件验算简图 (1)
- 格式:pdf
- 大小:553.21 KB
- 文档页数:5
P K P M构件配筋详解功能说明这项菜单主要以图形方式显示各构件设计及验算结果,可以直接输出DWG图形文件。
图8.6.4 构件计算配筋简图8.6.4.1 各构件设计及验算结果功能说明简图上各构件的配筋结果表达方式如下:(1)钢筋混凝土梁和型钢混凝土梁(RC-Beam、SRC-Beam)图中:Asul-Asum-Asur:为梁上部左端、跨中、右端配筋面积(cm2);Asdl-Asdm-Asdr:为梁下部左端、跨中、右端配筋面积(cm2);GAsv:为梁加密区抗剪箍筋面积和剪扭箍筋面积的较大值(cm2);GAsvm:为梁非加密区抗剪箍筋面积和剪扭箍筋面积的较大值(cm2);VTAst :为梁受扭纵筋面积(cm2);VTAst1 :为梁抗扭箍筋的单肢箍面积(cm2);G、VT :为箍筋及剪扭配筋标志。
注意事項(1)梁配筋简图如下:图8.6.4.1-1 梁配筋示意图(2)加密区和非加密区箍筋都是按用户输入的箍筋间距计算的,当输入的箍筋间距为加密区间距时,梁端箍筋加密区的计算结果可直接使用;如果非加密区与加密区的箍筋间距不同时,需要对非加密区的箍筋面积按非加密区的间距进行换算后再使用。
当梁受扭时,配置的箍筋单肢面积不应小于VTAst1。
(3)输出的箍筋面积为箍筋间距范围内所有肢的总面积,在确定单肢箍筋的面积时,需要除以箍筋肢数。
(4)输出的纵筋及箍筋面积都满足规范要求的最小配筋率要求,如果计算出的配筋面积小于最小配筋率时,按最小配筋面积来输出。
(5)VTAst和VTAst1都为零时,该行不输出。
功能说明(2)矩形钢筋混凝土柱和型钢混凝土柱(RC-Column、SRC-Column)图中:Asc :为柱1根角筋的总面积(cm2);Asy、Asz:分别为柱B边和H边的单边面积,包括两根角筋面积(cm2);Asvj:为柱节点域抗剪箍筋面积(cm2);GAsv :为柱加密区抗剪箍筋面积(cm2);GAsvm :为柱非加密区抗剪箍筋面积(cm2);Uc :为非地震作用效应荷载组合下柱的轴压比;Ucs :为地震作用效应荷载组合下柱的轴压比;G :为箍筋配筋标志。
(完整版)PKPM手工配筋(根据SATWE配筋简图).docx根据 SATWE计算结果手工配筋一、 SATWE梁的计算结果的含义:1、加密区和非加密区箍筋都是按用户输入的箍筋间距计算的,并按沿梁全长箍筋的面积配筋率要求控制。
若输入的箍筋间距为加密区间距,则加密区的箍筋计算结果可直接参考使用,如果非加密区与加密区的箍筋间距不同,则应按非加密区箍筋间距对计算结果进行换算;1)用户输入的箍筋间距信息在SATWE参数设置框中2)沿梁全长箍筋的面积配筋率要求,见《混规》11. 3. 9 梁端设置的第一个箍筋距框架节点边缘不应大于50mm。
非加密区的箍筋间距不宜大于加密区箍筋间距的 2 倍。
沿梁全长箍筋的面积配筋率ρsv 应符合下列规定:3)如何进行换算?保持总的配箍率不变,当加密区间距为100,非加密区间距为200,则应对非加密区箍筋面积进行换算,假设换算前后面积分别为ASV1、ASV2,间距分别为S1、S2,则有:ASV1/ S1= ASV2/ S2.[ 即 Asv/S 保持不变,原因见《混规》 -2010 中式( 4.3.2-2 )]2、算例下面的梁为百盛米厂第三层右边数过来第四根边梁。
该梁有关信息如下:截面参数(m)B*H = 0.250*0.600保护层厚度(mm)Cov = 30.0箍筋间距(mm)SS= 100.0混凝土强度等级RC= 30.0主筋强度(N/mm2)FYI = 360.0箍筋强度(N/mm2)FYJ = 210.0抗震构造措施的抗震等级NF= 41、梁顶纵筋和梁底纵筋(bxh=250mmx600mm )1)配置原则:框架梁、次梁单侧纵筋不得多于两层,底筋根数不少于3 根;同侧纵筋布置中,不同直径的钢筋,直径相差不大于 2 级;框架梁、次梁通长纵筋直径可小于支座短筋直径。
尽量使通长面筋(钢筋面积)不大于支座纵筋面积的60%,但不宜小于30%。
2)手工配置:梁面(右):AS=12cm2=1200 mm2 , 实配 4 根 HRB400级直径 20( 1257),保护层C=20,2x(20+8)+3x25+4x20=211<250, 放置一排,满足(见《混凝》 P102 和 P115)梁底(左)(: AS=13cm2=1300 mm 2, 实配 5 根 HRB400 级直径 20(1571 ),保护层 C=20, 2x(20+8)+4x25+5x20=256>250, 放置两排,上排 2 根,下排 3 根。
框架结构模型建立软件一:PMCAD软件二:SAT-8操作要点分析:一、PMCAD1.柱布置:根据建筑施工图平面布局,合理设计结构体系,选择适当的柱布置处。
2.梁布置:(1)根据结构体系布局,与框架柱形成双向框架结构体系;(2)有墙处下设梁;(3)现浇板短边尺寸大于5米以上,宜在中间布置梁,将大板分割成小板。
3.柱定义:截面尺寸取值:N/fc A≤1(N:柱子所承担的竖向轴力设计值;fc:柱所采用混凝土的轴心抗压强度设计值;A:柱子截面面积)一般多层框架结构柱截面尺寸在400mm左右。
4.梁定义:(1)截面宽度一般与墙等厚,取250mm;(2)截面高度与跨度有关,框架梁取跨度的1/8~1/12(1/11),次梁取跨度的1/12~1/15,悬挑梁取跨度的1/4~1/6。
《建筑抗震规范》6.3.1;框架结构中主梁一般按连续梁或者固结考虑,5.楼板:楼板厚度一般不大于楼板短边尺寸的1/30,(一般单向板取1/35,双向板取1/40)且不宜小于100mm。
楼板在卫生间、浴室、厨房、阳台等,一般降板50mm。
6.楼梯荷载楼梯建模时,板厚为0,恒载8kn/㎡、活载3.5kn/㎡7.楼面荷载:(1)楼面恒载:一般4.0KN/M2左右15厚地砖面层+25厚1:3水泥砂浆结合层+110厚现浇板+15厚板底粉刷:0.04X20+25X0.11+0.015X17=3.9KN/M2(2)楼面活载:根据国标《建筑结构荷载规范》取值,例如:住宅、宿舍:2.0KN/M2办公楼、教室:2.0KN/M2走廊、楼梯(住宅、宿舍):2.0KN/M2 走廊、楼梯(办公楼、教室):2.5KN/M2阳台、露台(一般情况):2.5KN/M2(3)屋面、露台恒载:一般3.5KN/M2左右(自动计算楼板自重)(4)屋面活载:根据国标《建筑结构荷载规范》取值,例如:不上人屋面:0.5KN/M2上人屋面:2.0KN/M28.梁间荷载:240厚烧结页岩砖: 5.24KNM2240厚多孔砖外墙: 3.8KN/M2,内墙(3.6KN/M²)240厚多孔砖外墙:(开窗) 2.8KN/M2200厚加气混凝土砌块内墙: 2.5KN/M2200厚的混凝土空心砌块 3.4KN/M2120厚多孔砖内墙: 2.5KN/M2栏杆、屋面女儿墙: 3.5KN/M² 5.0KN/M屋顶120厚砼栏板:(1.4M) 5.0KN/M有门窗的位置,梁间荷载和取80%~90%近似取值;二、SATWE-81、接PM生成SATWE数据2、结构内力,配筋计算**特殊构件补充定义每层的次梁两端定义铰接(采用一端铰接方式);框架柱四个角定义角柱。
参数确定基本风压=0.35KN/m2抗震设防烈度=6度设防,0.05g 第一组楼面楼板面荷载:恒载:假定楼板厚度均为120mm,0.12x25=3KN/m2附加面层恒载一般是1.5--2.0KN/m2. 3+2=5KN/m2活载:活荷载2.0KN/m2屋顶花园活荷载=3.0KN/m2。
屋面楼板面荷载:恒载:假定楼板厚度均为120mm,0.12x25=3KN/m2附加面层恒载一般是3.5KN/m2. 3+3.5=6.5KN/m2活载:活荷载2.0KN/m2屋顶花园活荷载=3.0KN/m2。
隔墙荷载:砖容重14KN/m314KN/m3x0.2m=2.8KN/m2抹灰容重一般是20KN/m320KN/m3x0.04m=0.8KN/m22.8+0.8=3.6KN/m2实心隔墙3.6KN/m2x3m=10.8KN/m有窗户7.0KN/m阳台栏杆荷载3.5KN/m卫生间沉箱高度40cm,一般填充建筑垃圾20KN/m3恒载:0.4x20KN/m3=8KN/m28+3(楼板恒载)+1(抹灰)=12KN/m2活荷载:2.0KN/m2楼梯间:梯板厚度100mm,实际计算应按照100+170/2(踏板的高度/2)=185mm倾斜角27°转化为水平荷载:1.85x5/cos27°=8.4KN/m2,偏安全保守取9KN/m2Satwe参数设置一般情况下,正交轴网,水平力与整体坐标夹角为0,其它情况见老庄satwe参数设置原理方法17页混凝土容重,考虑装饰层面,抹灰什么的框架结构 25.5 框剪结构 26 剪力墙结构 27钢材容重一般情况下不改变,默认即可。
若是纯钢结构,则要考虑钢结构装饰层面,根据具体情况进行修改。
裙房(裙房指与高层建筑相连的建筑高度不超过24米的附属建筑,裙房亦称裙楼)裙房的高度一般不超过24m;裙房高度小于10米(含10米)时,按低层间距控制;高度超过10米、小于24米(含24米)时,按多层间距控制;高度超过24m时,按高层间距控制国标24m的附属建筑,一律按高层建筑对待。
建筑结构毕业设计使用PKPM软件应注意的关键问题王晓飞【摘要】在分析目前普通本科高校土木工程专业毕业设计现状的基础上介绍了利用PKPM软件进行建筑结构毕业设计的意义.针对学生利用PKPM软件进行毕业设计时存在的问题,以结构设计理论为基础,以规范准则为依据,介绍了利用PKPM软件在建筑结构毕业设计时需要注意的关键问题.【期刊名称】《南阳师范学院学报》【年(卷),期】2019(018)003【总页数】5页(P39-43)【关键词】PKPM软件;土木工程专业;建筑结构;毕业设计;问题【作者】王晓飞【作者单位】南阳师范学院土木建筑工程学院,河南南阳473061【正文语种】中文【中图分类】G642.00 引言毕业设计是土木工程专业本科教育阶段最后一个综合性实践教学环节[1-2].目前,大部分土木工程专业师生在选择毕业设计题目时,往往倾向于建筑结构设计类.对于此类毕业设计,一小部分学生会选择手算手绘施工图的模式,而大部分学生则选择利用PKPM软件进行辅助设计.如果利用手算手绘施工图的模式进行结构毕业设计,虽然可以最大程度地训练学生的专业基本功,但其中计算与手绘施工图属于低效劳动,在设计市场早已被淘汰.而目前,PKPM软件在国内设计行业中占有绝对优势,拥有用户上万家,市场占有率高达90%以上,现已成为国内应用最为普遍的CAD系统[3].利用PKPM软件进行毕业设计的辅助设计既能很好地考察学生的结构设计理论知识,又可实现与实际设计市场接轨的目的.许多学生在建筑结构毕业设计中只是机械性地学会了PKPM软件操作,还存在结构设计概念不清晰、软件中参数的选取不明确、结构设计所涉及的规范条文不理解、结构设计结果出现问题不知怎样处理等问题.基于此,针对土木工程专业学生的特点,以结构设计理论为基础,以规范准则为依据,介绍了PKPM软件在建筑结构毕业设计中需要注意的关键问题.1 柱、梁截面尺寸估算问题学生在进行柱、梁建模时一般会忽略截面的估算,直接根据经验或某些书上的例题确定柱、梁截面尺寸.这些学生中大部分是因为不清楚柱、梁尺寸的估算原理和步骤.柱截面尺寸的估算步骤为:1)确定建筑物所在地区的抗震设防烈度及设计地震分组;2)确定建筑物的抗震等级;3)进一步确定框架柱的截面形状与尺寸.框架柱截面尺寸可初步按下式估算:≤[μN],(1)N=βSgn,(2)式中,N为地震作用组合下柱的轴向压力设计值;fc为混凝土轴心抗压强度设计值;Ac为柱截面尺寸;[μN]为柱轴压比值;β为考虑地震作用组合后柱的轴向压力增大系数,角柱、边柱均取1.3,中柱等跨度取1.2,中柱不等跨度取1.25;S按简支状态计算柱的负荷面积;g为单位建筑面积上的重力荷载代表值,可近似取12~15 kN/m2;n为楼层层数.《建筑抗震设计规范》(GB 50011—2010)[4](下文中简称《抗规》)6.3.5条规定,抗震等级为三级且超过2层的建筑中框架柱的截面宽度和高度不宜小于400 mm且长边与短边之比不宜超过3.2 楼梯布置问题相比较2001版的《抗规》,2010版《抗规》增加了第6.1.15条,用以考虑楼梯的斜撑作用对结构刚度、承载力以及规则性的影响.学生在布置楼梯时经常会出现楼梯布置不上或参数设置不合理等情况.解决上述问题的唯一办法是正确理解“平行两跑楼梯—智能设计对话框”中各参数的含义及建筑施工图中结构层高、楼梯的设计参数等.“平行两跑楼梯—智能设计对话框”如图1所示.图1 平行两跑楼梯—智能设计对话框首先,需要注意的是底层楼梯布置需设置“起始高度”,即底层楼梯从室内±0.000标高开始,底层结构高度从基础顶面开始,两者之间的差值绝对值即为“起始高度”.其余层的楼梯“起始高度”为0.其次,注意“起始节点号”的选择,有时程序默认的“起始节点号”与实际建筑中楼梯的起始位置不一致,此时需要按照建筑图中楼梯的实际工程情况选择“起始节点号”以及确定是否勾选“是否是顺时针”.图1中“各梯段宽”是指梯井边缘至梁边的距离,“各梯段宽”=梯井边缘至墙边缘的距离-梁边缘到墙边缘的距离.“各标准跑详细设计数据”中第1跑的“起始位置”与第2跑的“结束位置”相等,第1跑的“结束位置”与第2跑的“起始位置”数值相等,而且“平台宽度”=第1跑“结束位置”.最后,注意图1中的其他参数需要根据建筑施工图中楼梯的实际工程情况进行填写.3 SATWE模块中参数理解问题在SATWE模块中进行各参数补充定义时,部分学生存在参数理解不清楚、参数选值不确定等问题.3.1 “分析与设计参数补充定义(必须执行)”选项中需要注意的参数3.1.1 对所有楼板强制采用刚性楼板假定:根据实际工程情况选择是否勾选.《高层建筑混凝土结构技术规程》(JGJ 3—2010)[5](下文简称《高规》)5.1.5条规定,进行高层建筑内力与位移计算时,可假定楼板在其自身平面内无限刚性.一般建筑结构仅在计算位移比时建议选择,在进行结构内力分析和配筋计算时可不选择.3.1.2 X、Y向结构基本周期:此项用于X向和Y向风荷载的计算.SATWE计算完成后,得到了准确的结构自振周期,再回到此处将新的周期值填入,然后重新计算,以得到更为准确的风荷载.对于比较规则的结构,可采用近似方法计算基本周期.框架结构T=(0.08~0.1)N;框剪结构、框筒结构T=(0.06~0.08)N;剪力墙结构、筒中筒结构T=(0.05~0.06)N,其中N为结构层数.结构基本周期主要是计算风荷载中的风振系数用的,设计人员可以先按照程序给定的缺省值对结构进行计算.计算完成后再将程序输出的第一平动周期值填入即可.如果不想考虑风振系数的影响,则可在此处输入一个小于0.25的值.3.1.3 柱配筋计算原则:根据实际工程情况确定.若按单偏压计算,程序按单偏压计算公式分别计算柱两个方向的配筋;若按双偏压计算,程序按双偏压计算公式计算柱两个方向的配筋.《高规》6.2.4条规定:抗震设计时,框架角柱应按双向偏心受力构件进行正截面承载力设计.一般情况下,SATWE设计信息中选择“按单偏压计算”,然后在柱施工图归并选筋后,再进行双偏压验算.3.2 “结构内力,配筋计算”选项中需要注意的参数3.2.1 层刚度比计算:《抗规》3.4.2和3.4.3条建议的计算方法是地震剪力与地震层间位移比.对于多层(砌体、砖混底框),宜采用剪切刚度;对于带斜撑的钢结构,宜采用弯剪刚度;多数结构宜采用地震剪力与地震层间位移比(所有结构均可采用该方法进行层刚度比计算).3.2.2 地震作用分析方法:“侧刚分析方法”是指按侧刚模型进行结构振动分析,“总刚分析方法”是指按总刚度模型进行结构的振动分析.当考虑楼板的弹性变形(某层局部或整体有弹性楼板单元)或有较多的错层构件(如错层结构、空旷的工业厂房、体育馆所等)时,建议采用“总刚分析法”.4 计算结果分析问题利用SATWE模块对所建结构模型进行内力与配筋计算后,大部分学生不会根据SATWE模块输出的结果图形与文本显示进行分析,即使发现问题也不知怎样对模型或参数进行调整.要想解决上述问题,需要结合规范准则、结构设计理论知识及结构设计经验最终确定修改方案.4.1 文本文件输出“文本文件输出”选项中需要重点检查“结构设计信息”“周期、振型、地震力”“结构位移”选项.4.1.1 “结构设计信息”选项中一般从以下三个方面对计算结果进行检查4.1.1.1 进一步校对、复核SATWE中“分析与设计参数补充定义”的参数有无错误,包括总信息、风荷载信息、地震信息、活荷载信息、调整信息、配筋信息、设计信息、荷载组合信息等输入信息.4.1.1.2 查看“各层的质量、质心坐标信息”“各层构件数量、构件材料和层高”“风荷载信息”“各楼层偶然偏心信息”“各层楼等效尺寸”等信息.核对“各楼层单位面积质量”,各层楼的单位面积质量=结构总重量/建筑面积.一般情况下,框架结构的单位面积质量大约为11~14 kN/m2,框剪结构大约为13~15 kN/m2,剪力墙结构大约在15 kN/m2左右.4.1.1.3 查看“计算信息”.“计算信息”中重点检查以下4项:(1)“各层刚心、偏心率、相邻层侧移刚度比等计算信息”中“刚度比”需要重点检查,通过检查“刚度比”判断结构竖向有无薄弱层.(2)“结构整体抗倾覆验算结果”中的“零应力区”需要检查,一般情况下“零应力区”数值不允许大于15.根据《抗规》4.2.4条规定,高宽比大于4的高层建筑,在地震作用下基础底面不宜出现零应力区;其他建筑,基础底面与地基土之间的零应力面积不应超过基础底面积的15%.(3)“结构整体稳定验算结果”中的“刚重比”需要检查.刚重比:主要为控制结构的稳定性,以免结构产生滑移和倾覆.当结构刚重比大于10时,能够通过《高规》5.4.4条的稳定验算;当结构刚重比大于20时,可以不考虑重力二阶效应.(4)“楼层抗剪承载力及承载力比值”中的“最小楼层抗剪承载力之比”需要检查. 《高规》3.5.3条规定,A级高度高层建筑的楼层抗侧力结构的层间受剪承载力不宜小于其相邻上一层受剪承载力的80%,不应小于其相邻上一层受剪承载力的65%;B级高度高层建筑的楼层抗侧力结构的层间受剪承载力不应小于其相邻上一层受剪承载力的75%.4.1.2 “周期、振型、地震力”选项中一般对以下3个计算结果进行检查4.1.2.1 检查“考虑扭转联耦时的振动周期(秒)、X,Y方向的平动系数、扭转系数”计算结果,主要核算结构的“周期比”是否满足规范要求以及检查“地震作用最大的方向”值的大小.周期比主要用来控制结构扭转效应,减小扭转对结构产生的不利影响.《高规》第3.4.5条规定:结构扭转为主的第一自振周期Tt与平动为主的第一自振周期T1之比,A级高度高层建筑不应大于0.9.如果出现不能满足要求的情况,一般通过调整平面布置来改善.总的调整原则是加强结构外围墙、柱或梁的刚度,适当削弱结构中间墙、柱或梁的刚度.当地震作用最大方向的计算结果大于15度时,需要将夹角计算结果输入到“水平力与整体坐标夹角”中重新计算.4.1.2.2 检查“各层X、Y方向的作用力”计算结果.主要检查结构“X向、Y向各层剪重比”以及“X向、Y向的有效质量系数”是否满足规范要求.剪重比:主要为控制各楼层最小地震剪力,确保结构安全性,具体要求参见《抗规》表5.2.5及《高规》表4.3.12.有效质量系数:《抗规》5.2.2条文说明及《高规》第5.1.13条第1款要求,有效质量系数不应小于90%.4.1.3 “结构位移”选项中主要检查X、Y向在各工况下的“最大层间位移角”以及“最大位移比”是否满足规范要求.《抗规》表5.5.1中规定了各种结构类型的弹性层间位移角的限值,其中钢筋混凝土框架结构的层间位移角限值为1/550.《抗规》3.4.3条规定:在规定水平力作用下,楼层的最大弹性水平位移(或层间位移),大于该楼层两端弹性水平位移(或层间位移)平均值的1.2倍,则结构属于扭转不规则.如果结构的“最大层间位移角”“最大层间位移与平均层间位移的比值”以及“最大位移与层平均位移的比值”出现不满足规范要求的情况,可以通过人工调整改变结构平面布置,减小结构刚心与形心的偏心距.4.2 图形文件输出“图形文件输出”选项中需要重点检查“混凝土构件配筋及钢构件验算简图”选项.其中梁配筋信息中有红色字体出现,则代表梁超筋;柱配筋信息中出现红色字体,则代表柱超筋或轴压比超限.造成梁超筋的原因主要有两种:第一种是梁抗剪承载力不足,第二种是梁抗弯承载力不足.具体是哪种原因造成的超筋需要单击“构件信息”中的“梁信息”,如图2所示,然后鼠标左键红色的梁,则会弹出记事本,如图3所示.图3中框内信息即是超筋的原因:抗剪承载力不足.图2 构件信息图3 超筋信息不同原因造成的超筋问题的解决方案不同:(1)针对抗剪承载力不足引起的超筋问题的解决方案抗剪差的原因主要是和梁垂直搭接次梁传来的力太大,超过本根梁能超过的范围.有两种解决办法,主要减小传来梁的剪力:一是在PKPM-SATWE特殊构件定义中将传来梁的定义为铰接,这是解决此类问题的很好的办法;二是提高本梁的刚度,主要方法是加大梁的截面和提高混凝土等级等.(2)针对抗弯承载力不足引起的超筋问题的解决方案如果是抗弯承载力不足引起的超筋,造成梁抗弯承载力不足的原因有很多,例如输入的荷载错误,有可能是荷载输入过大;梁截面过小;混凝土的强度等级过低等.针对以上原因,解决办法是根据实际工程情况减小荷载、加大梁的截面尺寸或者适当提高混凝土强度.除了上述介绍的造成梁超筋的常见原因外,还有很多其他原因,需要设计人员根据实际工程情况进行判断并提出解决方案.针对轴压比超限的常见解决方法有:①加大柱子截面面积;②采用高强度混凝土.引起柱超筋的原因很多,需要针对不同原因提出相对应的解决方法.(1)如果是框架结构整体刚度不足,在地震力的作用下倾覆力矩太大而超筋,这时结构的位移角基本上也不会满足规范要求,可以通过查看“结构位移”确定.这种情况下可以增大柱截面或是增加柱数量,也可以尝试增加斜撑或者阻尼支撑,甚至可以增加一些剪力墙.(2)如果是与柱相连的梁线刚度太小(尤其是大跨度结构),梁受弯时会传递很大的弯矩给柱端,弯矩将造成柱端出现很大的偏心,从而导致柱超筋.这种情况在竖向力较小时(比如顶层)比较常见,此时增大梁高或者减小柱距就能有效解决问题.(3)如果是结构平面局部薄弱,平面刚度突变而出现柱超筋,这主要是由水平力作用下的应力集中引起的.这种情况下可以增大薄弱部位处的刚度(增大柱截面或者增加柱根数),或者直接在平面薄弱部位处设置抗震缝,将结构断开成两个单体. (4)如果是结构平面扭转较大,局部(尤其是边角)形成很大的剪力而造成超筋,这时首先考虑对整体结构进行调整,平衡刚度,使结构刚度中心与质量中心尽量重合以减少扭矩.如果上述措施还不能解决柱超筋问题,可以再考虑增大柱截面.(5)如果结构竖向存在薄弱层,软件在计算时会将该薄弱层乘以放大系数,这种情况也容易引起超筋.薄弱层一般是因为上层的刚度太大,所以除了增大本层刚度外,还可以尝试降低上层刚度.5 结语利用PKPM软件进行建筑结构毕业设计不仅仅是软件的简单操作,其中涉及大量结构设计理论知识、规范条文、参数含义等,并要求学生具备分析计算结果并解决问题的能力.本文针对PKPM软件设计过程中学生比较容易出现问题的地方进行了详细分析与解释,可以在一定程度上提高土木工程专业学生的结构设计能力及毕业设计质量. 参考文献【相关文献】[1]曹云,孟云梅. 土木工程专业毕业设计教学改革与实践[J]. 中国电力教育,2012(28):117-118.[2]孙文彬. 土木工程专业毕业设计教学改革与实践[J]. 长沙大学学报,2006,20(5):101-104.[3]陈占锋,向娟. 结构设计软件应用:PKPM[M]. 2版.武汉:武汉大学出版社,2017.[4]中华人民共和国住房和城乡建设部.建筑抗震设计规范GB 50011—2010 [S]. 北京:中国建筑工业出版社, 2010.[5]中华人民共和国住房和城乡建设部.高层建筑混凝土结构技术规程JGJ 3—2010[S]. 北京:中国建筑工业出版社, 2010.[6]刘于,王龙海,罗德海. 浅谈PKPM软件在建筑结构课程教学中的应用[J]. 绿色环保建材,2018(5):270.[7]代发能. PKPM框架结构设计分析[J]. 建材与装饰,2018(30):113-114.。
2012年9月第1周结构软件问题汇总1、输入地质报告,筏板的基床系数怎么没有计算?答:jccad的基床系数总面荷载值/平均沉降S1。
沉降计算使用附加荷载,所以当基础埋深较深附加荷载为0时沉降为0。
这时基床系数软件就自动回归默认值20000。
2、为什么我的转换层在3层没有判定高位转换提高框支柱抗震等级?答:可能是没有在软件里勾选高位转换自动提高或者是所谓的三层不是在正负0以上的自然层。
目前软件的判断是以地面正负0为基准。
3、为什么软件数据检查时总是出现id=3,然后什么提示都没有?答:尽量不要大量修改墙的上节点高以及修改墙底的标高,否则会导致墙划分单元出错。
4、为什么总是提示人防荷载超出正负0,我的工程组装底标高是-5.6,而层高是3.8?答:没有指定底层为地下室,软件则认为人防荷载不在正负0以下。
5、10高规4.2.2条:对风荷载比较敏感的高层建筑,承载力设计时应按基本风压的1.1倍采用,是不是直接将基本风压乘以1.1填入软件?答:不是的,还是填原来的基本风压,然后再将承载力设计时风荷载效应放大系数填为1.1即可。
若直接放大基本风压则计算位移的时候也会放大。
6、墙、柱、及基础设计时的活荷载折减则在SATWE中设置后,是否会影响到基础的活荷载折减?答:该折减仅用于SATWE的文本及图形输出;在接力JCCAD进行计算时,SATWE传递的内力为没有折减的标准内力,由用户在JCCAD中另行指定折减信息。
7、剪力墙边缘构件能否手工修改或者指定某处为边缘构件?答:可以在satwe中交互指定约束或者构造边缘构件,也可以删除或者指定。
2012年9月第2周结构软件问题汇总1、基础中基本组合的校核,桩设计值有考虑偏心荷载1.2系数进行校核,在计算桩身强度时是否要考虑该系数答:不用考虑2、jccad中剪力墙显示洞口有问题,网格划分经常出错。
答:新版6月30日程序,可以读取门洞,需要门洞底标高和筏板顶标高一致。
3、slabcad计算提示内存不足?答:关闭杀毒软件,重新安装pkpm软件,运行时关闭杀毒软件。
如何进行钢结构防火计算钢结构防火设计操作步骤:(1)前处理参数中勾选进行抗火设计,并设置好抗火设计相关参数。
(2)点击前处理→特殊荷载→防火设计(3)点击梁或柱,定义抗火参数,定义完成后点击某根构件进行构件级抗火参数的定义。
(4)到结果模块,点击配筋→防火保护层厚度即可输出构件防火保护层厚度。
其中di表示计算所需防火保护层厚度,ri表示计算所需防火保护层等效热阻。
(5)到结果模块,点击钢结构防火→生成计算书。
即可输出钢结构防火文本计算书。
常见问题:Q1:如何定义防火材料,防火材料的参数如何取?A1:防火材料定义如下图所示,可新增防火材料类型和修改防火材料参数。
防火材料的参数应根据实际防火涂料填写。
Q2:程序中定义了耐火等级及涂料类型,为什么有些构件还是没有进行防火设计?A2:当构件的荷载比接近于1的时候,无论怎么增加涂层的厚度都不能满足需要达到的耐火等级要求,程序便无法进行设计,此时就需要调整构件尺寸或耐火等级使其满足设计要求。
用户可以通过构件信息,来查看是否属于此种情形。
Q3:PKPM防火计算书中各参数代表什么含义?A3:PKPM防火计算书中各参数含义如下:Ts—未涂抹防火涂料时在耐火极限时间内的钢构件最大温度Td—在耐火极限时间内的钢构件临界温度Ri—保护层涂料的等效热阻di—最终验算钢构件所需要的非膨胀型涂料厚度,单位为米Q4:为什么防火计算结果中没有输出防火保护层厚度?A4:如果是膨胀型防火材料,软件不输出保护层厚度,只输出等效热阻。
不输出保护层厚度,原因是防火技术规范5.3.2条膨胀型防火涂料等效热阻和厚度的关系,需要给定五个厚度对应的等效热阻(厂家提供),才能求出某个特定厚度下的等效热阻。
Q5:膨胀型和非膨胀型材料有何区别,如何选用?A5:膨胀型涂料是一种在高温下膨胀发泡,形成耐火隔热保护层的钢结构防火涂料,涂层厚度不小于 1.5mm。
非膨胀型材料是一种在高温下不膨胀发泡,其自身成为耐火隔热保护层的钢结构防火涂料,涂层厚度不小于15mm。
第四章施工图的绘制作为结构工程师,施工图就是我们的思想的表达,为了正确表达我们的设计思想和设计理念,画出良好的施工图那是必不可少的。
第一节板钢筋图的绘制板可分为单向板和双向板。
单向板指两边支承或四边支承时长宽比>2。
双向板指四边支承时长宽比<2。
单向板的配筋计算只需计算短跨方向的底筋,长跨方向的底筋和四边的负筋按构造要求,负筋长度从梁边到板内的长度取短净跨的1/4。
双向板的配筋计算需计算两个方向的底筋和四边负筋,负筋长度从梁边到板内的长度取短净跨的1/4。
第二节梁钢筋图的绘制图中代表钢筋配筋如上(此图涉及的平法表示见03G101-1图集)1、梁下部纵筋面积(418)=10.182cm >9.02cm 2、梁上部左端纵筋面积(420)=12.572cm ≈132cm 3、梁上部右端纵筋面积(420)=10.182cm >112cm 4、梁加密区一个间距范围内箍筋面积(双肢箍8@100)=1.012cm >0.52cm 5、梁非加密区一个间距范围内箍筋面积(双肢箍8@200)=0.52cm ≈0.52cm6、考虑梁高≥450㎜在梁侧面配构造钢筋4127、上下纵筋之间的距离要≤200㎜注意:取某轴线上所有梁归为一类b≥350采用四肢箍h≥450加腰筋;框架梁截面高度一般>400,规范规定梁箍筋间距大于梁截面高度的1/4,如果截面高度小于400,则箍筋最小间距得<100,【特别注意】那么如何进行箍筋加密区和非加密区的箍筋间距转换。
已知:假定在SATWE上显示的结果为GAsv-Asv0,即加密区的箍筋面积为Asv,非加密区的箍筋面积为Asv0,在SA TWE中输入的箍筋间距为100。
加密区箍筋:梁通常采用的是n肢箍,选用单肢箍的面积为A的箍筋,则双肢箍的面积为nA。
如果nA>Asv,则可以选用这种钢筋。
非加密区箍筋:换算成间距为200的箍筋,nAx100/200,n是因为选择n肢箍。
PKPM 设计参数PKPM 设计参数楼层组装—设计参数a.总信息1.结构体系(框架,框剪,框筒,筒中筒,剪力墙,断肢剪力墙,复杂高层,砌体,底框)。
2.结构主材(钢筋混凝土,砌体,钢和混凝土)。
4.底框层数,地下室层数按实际选用。
6.与基础相连的最大楼层号,按实际情况,如没有什么特殊情况,取1。
b.材料信息1.混凝土容重取 26-27,全剪力墙取27,取25时需输入粉刷层荷载。
2.钢材容重取 78。
3.梁柱主筋类别,按设计需要选取。
优先采用三级钢,可以节约钢材。
SATWE设计参数a.总信息1.水平力与整体坐标夹角(度),通常采用默认值。
(逆时针方向为正,当需进行多方向侧向力核算时,可改变次参数)2.混凝土容重取 26-27,钢材容重取 78。
3.裙房层数,转换层所在层号,地下室层数,均按实际取用。
(如果有转换层必须指定其层号)。
4.墙元细分最大控制长度,这是在墙元细分时需要的一个参数,对于尺寸较大的剪力墙,在作墙元细分形成一定的小壳元时,为确保分析精度,要求小壳元的边长不得大于给定限值Dmax,程序限定1.0≤Dmax≤5.0 ,隐含值为Dmax=2.0 , Dmax对分析精度略有影响,但不敏感,对于一般工程,可取Dmax=2.0 ,对于框支剪力墙结构, Dmax可取略小些, 例如Dmax=1.5或1.0 。
5.对所有楼板强制采用刚性楼板假定(在计算结构位移比时选用此项,除了位移比计算,其他的结构分析、设计不应选择此项)。
6.墙元侧向节点信息:这是墙元刚度矩阵凝聚计算的一个控制参数,若选“出口”,则只把墙元因细分而在其内部增加的节点凝聚掉,四边上的节点均作为出口节点,墙元的边形协调性好,分析结果符合剪力墙的实际,但计算量大。
若选“内部”则只把墙元上、下边的节点作为出口节点,墙元的其他节点均作为内部节点被凝聚掉,这时,带动口的墙元两侧边中部的节点为变形不协调点。
这是对剪力墙的一种简化模拟,其精度略逊于前者,但效率高,实用性好。
(整理)pkpm⼀些参数设置及pkpm钢筋输出⽂件简图. 1、⼀般情况下模拟施⼯加载取模拟施⼯加载3⽐较符合逐层施⼯的实际情况。
模拟施⼯加载2则可以更合理的给基础传递荷载。
复杂结构设计⼈员可以指定施⼯次序。
模拟施⼯加载的选择1.⼀次性加载模型,计算时只形成⼀次整体刚度矩阵,⽤于多层2.模拟施⼯加载1.是整体刚度分层加载模型,本层加载对上部结构没有影响,总刚矩阵由构件单刚形成,程序默认算法。
⽤于多⾼层3..模拟施⼯加载2,逐层加载模型,n层会有n个总刚矩阵形成,计算量⼤。
与⼿算接近。
⽤于多⾼层,较少采⽤。
4.模拟施⼯加载3,新版有。
分层刚度分层加载模型,更符合⼯程实际,⾼层⾸选。
5.对有吊车的结构必须⽤⼀次性加载,因为吊车对上部结构有影响,也就是对有上传荷载的结构要⽤⼀次性加载。
6.要知道由于模拟施⼯加载计⼊了施⼯引起的变形,在计算结果输出中各节点在竖荷载作⽤下的节点⼒矩是不平衡的。
只有⼀次性加载下才是平衡的2、修正后的基本风压⼀般就是荷载规范规定的基本风压,对于沿海和强风地带对风荷载敏感的建筑可以在此基础上放⼤10%~20%,门刚中则规定按放⼤5%采⽤。
3、对于⾼度⼤于150M的⾼层混凝⼟建筑才要验算风振舒适度。
结构阻尼⽐取0.01~0.02,程序缺省0.02。
4、侧刚计算⽅法:⼀种简化计算法,计算速度快,但应⽤范围有限,当定义有弹性楼板或有不与楼板相连的构件时(如错层结构、空旷的⼯业⼚房、体育馆等)⽤此法会有⼀定误差;总刚计算⽅法:精度⾼,适⽤范围⼴,计算量⼤。
对于没有定义弹性楼板且没有不与楼板相连构件的⼯程,两种⽅法结果⼀样。
(以下转贴)“刚性楼板”的适⽤范围:绝⼤多数结构只要楼板没有特别的削弱、不连续,均可采⽤这个假定。
相关注意:由于“刚性楼板假定”没有考虑板⾯外的刚度,所以可以通过“梁刚度放⼤系数”来提⾼梁⾯外弯曲刚度,以弥补⾯外刚度的不⾜。
同样原因,也可通过“梁扭矩折减系数”来适当折减梁的设计扭矩。
PKPM-混凝⼟构件配筋及钢构件验算简图【PKPM】混凝⼟构件配筋及钢构件验算简图1.混凝⼟梁和型钢混凝⼟梁:Asu1、Asu2、Asu3----为梁上部左端、跨中、右端配筋⾯积(cm2)Asd1、Asd2、Asd3----为梁下部左端、跨中、右端配筋⾯积(cm2)Asv----为梁加密区抗剪箍筋⾯积和剪扭箍筋⾯积的较⼤值(cm2)Asv0----为梁⾮加密区抗剪箍筋⾯积和剪扭箍筋⾯积的较⼤值(cm2)Ast、Ast1----为梁受扭纵筋⾯积和抗扭箍筋沿周边布置的单肢箍的⾯积,若Ast和Ast1均为0则不输出这⼀⾏(cm2)G、VT----为箍筋和剪扭配筋标志梁配筋计算说明:(1)若计算的ξ值⼩于ξb,软件按单筋⽅式计算受拉钢筋⾯积;若计算的ξ>ξb,程序⾃动按双筋⽅式计算配筋,即考虑压筋的作⽤;(2)单排筋计算时,截⾯有效⾼度h0=h-保护层厚度-12.5mm(假定梁钢筋直径为25mm);对于配筋率⼤于1%的截⾯,程序⾃动按双排计算,此时,截⾯有效⾼度h0=h-保护层厚度-37.5mm;(3)加密区和⾮加密区箍筋都是按⽤户输⼊的箍筋间距计算的,并按沿梁全长箍筋的⾯积配箍率要求控制。
若输⼊的箍筋间距为加密区间距,则加密区的箍筋计算结果可直接参考,如果⾮加密区与加密区的箍筋间距不同,则应按⾮加密区箍筋间距对计算结果进⾏换算;若输⼊的箍筋间距为⾮加密区间距,则⾮加密区的箍筋计算结果可直接参考使⽤,如果加密区与⾮加密区的箍筋间距不同,则应按加密区箍筋间距对计算结果进⾏换算。
2.钢梁:没根钢梁的下⽅都标有"steel"字样,表⽰该梁为钢梁。
若该梁与刚性铺板相连,不需验算整体稳定,则R2处的数值以R2字符代替。
输⼊格式如上图所⽰。
其中:R1表⽰钢梁正应⼒强度与抗拉、抗压强度设计值的⽐值F1/f。
R2表⽰钢梁整体稳定应⼒强度与抗拉、抗压强度设计值的⽐值F2/f。
R3表⽰钢梁剪应⼒强度与抗拉、抗压强度设计值的⽐值F3/f。
功能说明这项菜单主要以图形方式显示各构件设计及验算结果,可以直接输出DWG 图形文件。
图8.6.4 构件计算配筋简图各构件设计及验算结果功能说明简图上各构件的配筋结果表达方式如下:(1)钢筋混凝土梁和型钢混凝土梁(RC-Beam、SRC-Beam)图中:Asul-Asum-Asur:为梁上部左端、跨中、右端配筋面积(cm2);Asdl-Asdm-Asdr:为梁下部左端、跨中、右端配筋面积(cm2);GAsv:为梁加密区抗剪箍筋面积和剪扭箍筋面积的较大值(cm2);GAsvm:为梁非加密区抗剪箍筋面积和剪扭箍筋面积的较大值(cm2);VTAst :为梁受扭纵筋面积(cm2);VTAst1 :为梁抗扭箍筋的单肢箍面积(cm2);G、VT :为箍筋及剪扭配筋标志。
注意事項(1)梁配筋简图如下:图8.6.4.1-1 梁配筋示意图(2)加密区和非加密区箍筋都是按用户输入的箍筋间距计算的,当输入的箍筋间距为加密区间距时,梁端箍筋加密区的计算结果可直接使用;如果非加密区与加密区的箍筋间距不同时,需要对非加密区的箍筋面积按非加密区的间距进行换算后再使用。
当梁受扭时,配置的箍筋单肢面积不应小于VTAst1。
(3)输出的箍筋面积为箍筋间距范围内所有肢的总面积,在确定单肢箍筋的面积时,需要除以箍筋肢数。
(4)输出的纵筋及箍筋面积都满足规范要求的最小配筋率要求,如果计算出的配筋面积小于最小配筋率时,按最小配筋面积来输出。
(5)VTAst和VTAst1都为零时,该行不输出。
功能说明(2)矩形钢筋混凝土柱和型钢混凝土柱(RC-Column、SRC-Column)图中:Asc :为柱1根角筋的总面积(cm2);Asy、Asz:分别为柱B边和H边的单边面积,包括两根角筋面积(cm2);Asvj:为柱节点域抗剪箍筋面积(cm2);GAsv :为柱加密区抗剪箍筋面积(cm2);GAsvm :为柱非加密区抗剪箍筋面积(cm2);Uc :为非地震作用效应荷载组合下柱的轴压比;Ucs :为地震作用效应荷载组合下柱的轴压比;G :为箍筋配筋标志。
钢筋混凝土构件钢筋超筋的种类及解决办法超筋的种类1、弯矩超,即梁的弯矩设计值大于梁的极限承载M;2、剪扭超;3、扭超(普通梁不存在扭矩超,有的话,可能是中间梁端梁M不平衡导致)4、剪超;5、配筋超:梁端钢筋配筋率 2.5%;6、混凝土受压区高度不满足;只要一项不满足,整个计算结果都显示红色,在“混凝土构件配筋及钢构件验算简图”中可以查看、可以根据受力分析,结构布置,和周边梁计算结果比较,判断是哪种超筋。
PKPM计算结果说明图形文件输出混凝土构件配筋及钢构件验算简图As1、As2、As3为梁上部(负弯矩)左支座、跨中、右支座的配筋面积(cm²)。
Asm1、Asm2、Asm3表示梁下部(负弯矩)左支座、跨中、右支座的配筋面积(cm²)。
Asv表示梁在Sb范围内的箍筋面积(cm²),取抗剪箍筋Asv与剪扭箍筋Astv的大值。
Ast表示梁受扭所需要的纵筋面积(cm²)。
Ast1表示梁受扭所需要周边箍筋的单根钢筋的面积(cm ²)。
G,TV分别为箍筋和剪扭配筋标志。
设计时应注意要点1、梁端负弯矩传递给主梁,就成了主梁扭矩,扭矩越大,扭转角度和变形也就越大。
2、假设次梁无限刚,不发生任何变形,相当于铰接,传递过去时,就一个剪力;换种说法:当次梁截面较高、主梁截面较窄、次梁无负弯距配筋下,次梁端完全开裂,此时可以认为是完全铰。
3、假设一开始是按固接设计,后来由于扭矩过大或者抗扭刚度大,会发生很大的变形,就会破坏,相当于卸载。
4、钢筋混凝土结构式允许带缝工作的;当主梁出现裂缝后,其抗扭刚度急速降低,主梁对次梁的嵌固作用降低,在节点出现裂缝,内力出现重分布,次梁端弯矩变小,跨中弯矩变大。
5、不管是点铰还是不点,次梁对主梁来说始终存在不可忽视的扭矩;次梁和主梁间的扭转是协调扭转,而非纯扭转;.pkpm没有考虑楼板对主梁的约束作用,也就是程序算出的扭矩不是真实的,偏大。
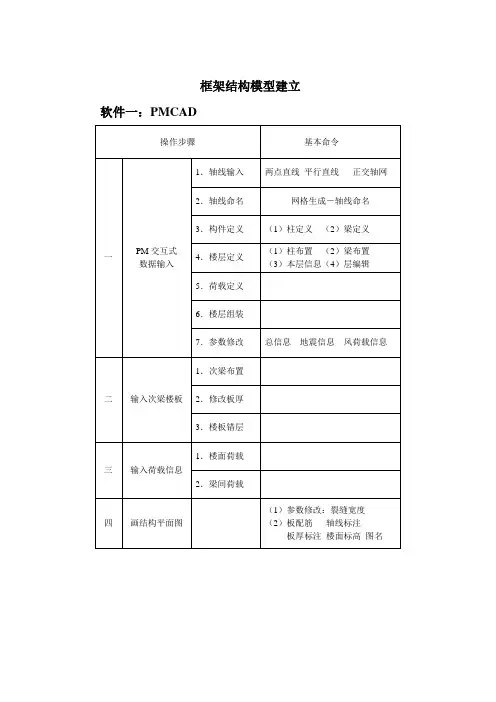
PKPM设计步骤★ PMCAD对于新建工程,用户应在工作盘建文件夹,输入该工程的名称。
工程名称由用户定义,文件名的总字节数不应大子20个英文字符或10个中文字符,且不能有特殊字符。
1 建筑模型与荷载输入1.轴线输入PKPM图标→改变目录→找到所建文件夹→所建工程名称→结构→建筑模型与荷载输入→轴线输入→正交轴网→输入开间及进深尺寸→确定→用光标在屏幕上左键点一点→出现所建轴网→轴线命名→按键盘Tab →点第一条轴线→点掉不要标的轴线→右键→输入第一条轴线名称→回车2.轴网生成可利用该菜单进行删除轴线、删除节点、平移网点等操作。
3. 楼层定义输入本建筑要用到的所有柱、梁、墙、门窗洞口的截面尺寸。
可以一边定义构件的尺寸,一边布置构件。
①柱布置→出柱类型、截面的对话框→新建→输入柱的截面尺寸、材料→确定→点该柱的信息→布置(当在以前的操作中已定义柱截面时,直接点取进行布置即可)②主梁布置→出主梁类型、截面的对话框→输入主梁的截面尺寸、材料→确定→点该主梁的信息→布置(当在以前的操作中已定义主梁截面时,直接点取进行布置即可)③墙布置:(当为砌体结构的承重墙或框剪结构、剪力墙结构的砼墙时才需布置,框架结构的墙及砌体结构的非承重墙均不用布置,在后面的菜单中把墙重作为梁的荷载输入即可)墙布置→新建→出墙厚度、材料的对话框→输入墙的厚度尺寸、材料→确定→点该墙的信息→布置(当在以前的操作中已定义墙厚度时,直接点取进行布置即可)采用偏心对齐菜单使柱、梁、墙等构件位置正确。
④洞口布置:(当为砌体结构的承重墙或框剪结构、剪力墙结构的砼墙时才需布置,框架结构的墙及砌体结构的非承重墙均不用布置,在后面的菜单中把带洞口的墙重作为梁的荷载输入即可)洞口布置→定出砌体结构的承重墙或框剪结构、剪力墙结构上洞口的高度和宽度→确定→点该洞口的信息→布置→输入洞口的定位尺寸、底部标高→布置到该洞口位置的墙上可采用截面显示菜单校核所布置的构件尺寸是否正确。
1、SATWE 生成数据提示WINSAT-P 错误。
答:模型中存在弧梁,且弧网格与直网格共用两端节点。
此时需要在弧梁上加节点,否则弧梁围成的房间荷载会丢失,导致错误。
2、PMCAD 楼梯各杆件都用斜杆建模,是否可以,计算后对楼梯周边杆件内力及配筋与按梁建有何区别?答:可以按照斜杆来输入梯板,梯梁等各部分。
由于其刚度与梁一致,所以对内力无影响。
但配筋时斜杆考虑拉弯和压弯,梁的配筋初始只给出拉弯。
这里主要考虑楼梯对结构整体的影响,楼梯自身的配筋可不参考整体计算结果,而另外单独计算。
3、www.51设计.com,QQ长期代做。
3、SATWE 结果文件WZQ.OUT 中给出的各层剪力Static Fx 是底部剪力法计算的吗?答:不是底部剪力法。
可不参考。
4、砌体结构,建模后无法生成楼板。
答:因为房间由圈梁围成,砌体中圈梁围成的房间不能生成楼板。
需要由砌体墙或洞口或混凝土梁围成的房间可以生成楼板。
5、基础CAD 桩承台有否考虑冲切验算,计算书中哪里查看?答:通过“自动生成”或“承台布置”的桩承台基础有考虑桩对承台的冲切及剪切计算,如不满足要求,程序自动加厚承台。
具体在点击“单个验算”弹出的计算书中查看。
6、对悬臂独立柱,程序如何取柱子的计算长度系数?答:对独立柱,按一层组装建模,程序按照计算长度系数为1.0 处理;按多个标准层层分段来组装建模独立柱,计算长度系数等于独立柱总高除以该层层高。
可根据实际情况人工修改构件计算长度系数。
7、.转换层刚度不满足规范要求,用加斜撑的方法可行吗?答:可以。
8、在PMCAD 中层间编辑,插入标准层后,经过SATWE 进行结构内力与配筋计算时出错?答:只提取建模数据文件“工程名.JWS”文件,放入新建文件夹中,重新定义SATWE 参数计算即可。
9、JCCAD 里的墙下条形基础,C15 毛石混凝土基础是不是选择毛石、片石基础?答:是。
10、在PMCAD 输入的吊车荷载,为什么在“平面荷载显示校核”里无法显示呢?答:吊车荷载是移动荷载,通过轨道和吊车梁传递给结构的最不利作用力,这些作用力加载到支撑吊车梁的柱上,在平面荷载校核里不会给出每个柱子的荷载显示。