桥梁接触网基础施工技术交底
- 格式:doc
- 大小:715.00 KB
- 文档页数:7
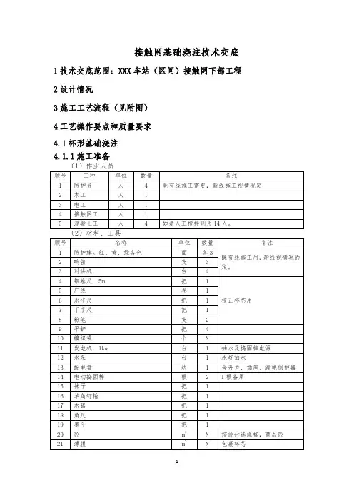
接触网基础浇注技术交底1技术交底范围:XXX车站(区间)接触网下部工程2设计情况3施工工艺流程(见附图)4工艺操作要点和质量要求4.1杯形基础浇注4.1.1施工准备4.1.2杯芯制作用δ=5mm 木板制作。
左右两块竖模高=1650mm 。
前后两块竖模=(杯基外形尺寸-木板厚度) (高于=1650mm ),底板=杯底外形尺寸。
中部和上部各做一个十字撑(如图4-1)。
四根100×100mm 固定木条(长度同竖向木模)。
4.1.3基坑检查 请甲方监理到现场检查基坑尺寸及土质并填写相关工程检查证。
4.1.4模型组装(1)在平整地面将四块竖向模板与底板通过长铁钉钉在一起,四块竖向模板也用长铁钉钉在一起,四根100×100mm 固定木条将四块竖向木模固定在一起。
4.1.5杯基底部混凝土浇注浇注杯基混凝土至杯芯底位置。
原则上采用商品混凝土。
4.1.6杯芯放置将钉好的模型放入坑内,调整模型(如图4-2),使其四边顶面水平,横线路中心垂直于线路中心,Cx 符合设计要求。
调整完成,在模形中部和顶部加装十字撑,用木撑将模形四周与坑壁进行固定,防止模模形跑位。
杯芯组装完成,用薄膜将其包裹。
4.1.7继续混凝土模型调整完成,继续浇注混凝土。
杯形基础用混凝土坍落度为50°~60°。
否则杯芯会飘浮。
如产生轻微飘浮,可在杯顶加重物压制。
4.1.8基础养护:采用自然养护,即在自然气温(高于5℃)条件下,用草袋覆盖在基础上,并根据情况浇水,保持湿润实施养护,杯口要盖住,以保持杯芯清洁。
4.1.8拆模混凝土初凝后,先拆除十字撑,撬掉四根木条,再撬掉前后两块模板,最后拆除左右现场模板,取出底板。
图4-1图4-2 线路中心4.2钢柱基础浇注4.2.1施工准备由技术人员出图,委外加工。
(4)备料按设计的基础型号,选择相应的地脚螺栓,基础模型(模板)并运到现场。
4.2.2基坑检查请甲方监理到场检查基坑几何尺寸、地质情况,并填写工程检查证等签字手续。
一、交底目的为确保接触网施工、维护及检修过程中的安全,预防安全事故的发生,特制定本安全技术交底。
二、交底对象接触网施工、维护及检修人员。
三、交底内容1. 施工现场安全注意事项:(1)施工人员进入施工现场必须佩戴安全帽、工作服,穿防滑鞋,高空作业人员必须系好安全带。
(2)施工过程中,禁止酒后作业、疲劳作业,确保人员精神状态良好。
(3)施工现场严禁吸烟、动火,如需动火作业,需办理动火作业许可证,并做好防火措施。
(4)施工现场应设置安全警示标志,提醒施工人员注意安全。
2. 接触网施工安全要求:(1)施工前,对施工人员进行安全教育和技能培训,确保其具备相应的安全知识和操作技能。
(2)接触网施工前,应检查施工设备、工具是否完好,施工场地是否符合要求。
(3)接触网施工过程中,严禁擅自移动接触网支柱、设备,确保施工安全。
(4)接触网施工时,应遵循以下顺序:先安装接触网,再安装支柱,最后安装接地装置。
(5)施工过程中,接触网支柱与设备的间距应符合设计要求,确保安全。
3. 接触网维护及检修安全要求:(1)维护及检修前,对维护及检修人员进行安全教育和技能培训,确保其具备相应的安全知识和操作技能。
(2)维护及检修过程中,严格遵守操作规程,确保施工安全。
(3)维护及检修时,应先切断接触网电源,确认无电压后,方可进行作业。
(4)维护及检修过程中,注意观察接触网设备状态,发现问题及时上报。
(5)维护及检修结束后,应检查现场设备状态,确保恢复正常。
四、交底程序1. 项目部安全工程师对施工、维护及检修人员进行安全教育和技能培训。
2. 施工、维护及检修人员参加安全教育和技能培训,了解并掌握安全知识和操作技能。
3. 项目部安全工程师对施工、维护及检修人员进行安全技术交底,确保其掌握安全注意事项。
4. 施工、维护及检修人员签字确认,表示已了解并掌握安全技术交底内容。
五、交底时间根据施工、维护及检修计划,提前安排安全技术交底。
六、交底责任人1. 项目部安全工程师负责安全技术交底的组织和实施。
新建成都至贵阳铁路乐山至贵阳段站前工程CGZQSG-6标段接触网基础施工技术交底(作业层)四川公路桥梁建设集团有限公司成贵铁路CGZQSG-6标段项目经理部二分部二〇一六年七月•宜宾三级技术交底记录表记录号:使用编号:项目名称:交底地点时间年月日交底单位接受单位主持人主讲人(签字)接受人(签字):见附后签到表交底内容:一、适用范围及基础类型本交底内容适用于成贵铁路6标二分部施工范围内(DK151+740-DK164+511)所有路基接触网支柱施工。
本标段施工范围内,路基接触网支柱基础分507-VI-3和507-VI-7两种形式,施工时分别参照《接触网支柱H型钢柱基础图成贵施网507-VI-3 H型钢柱A型法兰盘支柱钻孔基础构造图(二)》和《接触网支柱H型钢柱基础图成贵施网507-VI-7 H型钢柱B型法兰盘支柱钻孔基础构造图(二)》施工。
拉线基础分为LZJ-1和LZJ-2两种形式,施工时分别参照《接触网拉线基础图成贵施网509-2 LZJ-1型下锚拉线基础构造图》和《接触网拉线基础图成贵施网509-3 LZJ-2型下锚拉线基础构造图》施工。
根据《铁路混凝土结构耐久性设计规范》TB10005-2010的规定,基础结构使用年限为60年,环境类别为碳化环境,作用等级为T2,安全等级为二级,结构重要性系数为1.0。
基础抗震设防烈度为8度及以下。
建筑材料:基础:C30级混凝土;顶帽:C25级混凝土。
钢筋:HPB300;地脚螺栓:Q345C。
二、施工流程备料图1.施工流程图 三、施工工艺及控制要点1.施工准备(1)备齐各种施工工具,手持风镐、尖锹、平锹、插入式振捣器、组合钢模板、木抹子、铁抹子等。
(2)钢筋加工场集中加工基础钢筋笼,钢筋笼尺寸根据基础结构形式不同分4种形式,加工时需看清图纸,避免加工错误。
(3)准备孔口安全防护用具,基础成孔后应加强孔口安全防护,避免人或其他小动物掉入孔内。
(4)模板、接地端子等运送至施工现场。
一、交底目的为确保接触网施工过程中的安全,提高施工人员的安全意识,防止安全事故的发生,特制定本安全技术交底。
二、交底内容1. 施工人员要求(1)所有参与接触网施工的作业人员必须经过专业培训,取得相应操作资格证书。
(2)施工人员应熟悉接触网施工的相关技术标准和操作规程。
(3)施工人员应掌握安全防护知识和应急处置能力。
2. 施工现场安全管理(1)施工现场应设立安全警示标志,明确警示内容。
(2)施工区域应设置隔离设施,防止无关人员进入。
(3)施工人员应穿戴符合要求的个人防护用品,如安全帽、绝缘手套、绝缘鞋等。
3. 接触网施工安全要点(1)施工前,应对接触网设备进行全面检查,确保设备完好。
(2)施工过程中,严禁施工人员攀登接触网设备,防止触电事故发生。
(3)施工过程中,应保持施工区域整洁,防止杂物掉落接触网设备。
(4)施工过程中,如需调整接触网设备,应先断开电源,确保安全。
(5)施工过程中,施工人员应严格按照操作规程进行施工,防止误操作。
4. 安全防护措施(1)施工人员应佩戴绝缘手套、绝缘鞋等防护用品。
(2)施工过程中,应设置专人进行监护,确保施工安全。
(3)施工过程中,如发现异常情况,应立即停止施工,采取相应措施进行处理。
(4)施工结束后,应对施工现场进行清理,消除安全隐患。
5. 应急处置(1)如发生触电事故,应立即切断电源,并立即进行心肺复苏等急救措施。
(2)如发生火灾事故,应立即报警,并采取灭火措施。
(3)如发生其他安全事故,应立即采取相应措施进行处理,并报告相关部门。
三、交底要求1. 施工单位应将本安全技术交底作为施工过程中的重要依据,严格执行。
2. 施工人员应认真学习本安全技术交底,掌握安全操作规程。
3. 施工单位应定期对施工人员进行安全教育培训,提高安全意识。
4. 施工现场应设置专人负责安全监督,确保施工安全。
四、交底时间本安全技术交底自发布之日起实施。
五、交底单位施工单位:XXX六、接受人项目经理:XXX技术负责人:XXX施工负责人:XXX安全员:XXX七、备注本安全技术交底如有未尽事宜,可根据实际情况进行修改和补充。
接触网基础施工技术交底根据接触网支柱基础的设计资料、相关验收标准及规范要求,结合本工程的实际情况,特作接触网下部施工的技术交底,具体如下:一、工程概况:我分部管段内接触网支柱共97对(详见接触网支柱预留表),共分别为ZH140、ZH160、ZLX1三种形式。
表1 路基工程一览表1、设计说明混凝土(1)基础混凝土强度等级为C25,垫层混凝土为C15,支柱底板与基础顶面间二次浇灌细石混凝土为C40。
(2)基础纵向受力钢混凝土保护层厚度为40mm。
(3)水泥应采用强度等级不低于42.5的硅酸盐水泥、普通硅酸盐水泥、矿渣硅酸盐水泥、火山灰质硅酸盐水泥、粉煤灰硅酸盐水泥。
其质量应分别符合GB175、GB1344的规定。
不应采用快硬型水泥。
(4)细骨料应采用洁净天然、级配合理、质地坚硬的中粗砂,其质量应符合GB/T14684的规定。
不得采用未经淡化的海砂。
(5)粗骨料应采用坚硬的碎石或卵石,并宜用粒径5~40mm连续级配的石料。
基最大粒径不得大于钢筋笼主筋最小净距的1/3,且不大于40mm,其质量应符合国家标准GB/T14685的规定。
不宜选用石灰石碎石。
(6)混凝土拌和用水不应含有影响混凝土正常凝结硬化及对钢筋有腐蚀作用的有害物质、污水、泥水、pH值小于4的酸性水等,其质量应符合JGJ63的规定。
(7)混凝土中掺用的外加剂质量及应用技术应符合GB8076的规定,外加剂的选用应考虑与水泥成份、水质、外加剂间的相容性,保证拌制的混凝土性能,不宜使用早强剂。
(8)混凝土质量控制应符合GB50164的规定。
钢筋(1)基础纵向主筋采用HRB335级(II级),箍筋及架立筋采用HPB235级(I 级)。
(2)焊条应用用与主体钢筋强度相适应的型号,并应符合现行相应标准的规定。
(3)钢筋笼应采用环形模制作,钢筋笼的外形尺寸应符合设计要求,其质量检验标准应符合下表的规定。
表2 钢筋笼质量检验标准地脚螺栓(1)地脚螺栓的材质为16Mn钢,其质量应符合GB/T1591的规定。
新建铁路南昌至赣州客运专线施工技术交底纪要CGZQ- 8 标段工程项目:桥梁接触网基础施工编号:记录者:(签字)交底者:(签字)技术负责:(签字)技术部门:(盖章)日期:单位:中铁十六局集团第二工程有限公司昌赣客专二分部工程名称昌赣客专CGZQ-8标分部(分项)工程桥面附属设施交底项目接触网基础施工图纸名称、图号昌赣客专施(网)-J208-02、通桥(2013)2322A交底内容:一、适用范围本技术交底适用于昌赣客专CGZQ-8标箱梁接触网钢柱基础施工。
二、设计要求1、根据设计施工图要求:本线路接触悬挂采用全补偿弹性链形悬挂,接触悬挂导线组合:JTMH120+CTSH150。
2、本接触网基础按照时速350公里高速铁路无砟轨道后张法预应力混凝土简支箱梁《通桥(2013)2322A》接触网支柱基础施工预埋。
接触网基础及拉线基础类型、具体设置里程位置见昌赣客专施(网)-J208-02《泰和至万安区间区间接触网预留接口设计图》接触网基础预留接口设计图。
3、本工程桥梁接触网基础采用QJ-B型、连续梁采用LQJ-B型,下拉锚线基础采用QJLX-1型,具体参见通桥(2013)2322A。
三、施工技术要求1、本图所有里程标注(除墩台里程外)均对应接触网基础中心里程;图中所标注的接触网支柱中心与相邻梁缝中心间距,制梁时可按与梁端距离控制,施工误差±0.5m。
拉线基础中心至相邻线路中心距离与下锚支柱基础的中心位置相同,且拉线基础与下锚柱必须处于同一片梁,不得跨梁缝设置,其至下锚支柱基础距离施工误差为+1m,-0m。
同片梁上多支柱间距施工误差为+0.5m,-0m。
2、接触网支柱基础和下锚拉线基础中心线距线路中心距离均为 5.75m(线间距5m)。
接触网支柱基础、拉线基础等预留金属构件必须按设计图纸要求进行接地。
所有接地钢筋之间的连接均采用Φ16钢筋L形焊接,焊接质量必须保证单面焊焊缝长度不小于200mm,双面焊不小于100mm,焊接厚度不小于4mm。
新修铁路北昌至赣州客运博线之阳早格格创做
动工技能接底纪要
CGZQ-8标段
工程名目:桥梁交战网前提动工
编号:
记录者:(签名)
接底者:(签名)
技能控造:(签名)
技能部分:(盖章)
日期:
单位:中铁十六局集团第两工程有限公司
昌赣客博两分部
接底记录
工程称呼昌赣客博CGZQ-8标分部(分项)
工程
桥里附属办法
接底名目交战网前提动工图纸称呼、图号昌赣客博施(网)-J208-02、通桥(2013)2322A
24m梁交战网接天端子树立位子 32m梁交战网接天端子树立位子
接天仄里安插图
9、交战网前提模板拆置允许偏偏好及考验要领
序号名目允许偏偏好(mm)考验要领
1 核心位子 3 尺量
2 少度±10 尺量
3 薄度±3 尺量
4 仄坦度 2 1m靠尺、塞尺
5 笔曲度2mm/1m 吊线尺量
6 预留孔核心位子10 尺量
接底单位及签名。
接触网基础施工技术交底根据接触网支柱基础的设计资料、相关验收标准及规范要求,结合本工程的实际情况,特作接触网下部施工的技术交底,具体如下:一、工程概况:我分部管段内接触网支柱共97对(详见接触网支柱预留表),共分别为ZH140、ZH160、ZLX1三种形式。
表1 路基工程一览表1、设计说明混凝土(1)基础混凝土强度等级为C25,垫层混凝土为C15,支柱底板与基础顶面间二次浇灌细石混凝土为C40。
(2)基础纵向受力钢混凝土保护层厚度为40mm。
(3)水泥应采用强度等级不低于42.5的硅酸盐水泥、普通硅酸盐水泥、矿渣硅酸盐水泥、火山灰质硅酸盐水泥、粉煤灰硅酸盐水泥。
其质量应分别符合GB175、GB1344的规定。
不应采用快硬型水泥。
(4)细骨料应采用洁净天然、级配合理、质地坚硬的中粗砂,其质量应符合GB/T14684的规定。
不得采用未经淡化的海砂。
(5)粗骨料应采用坚硬的碎石或卵石,并宜用粒径5~40mm连续级配的石料。
基最大粒径不得大于钢筋笼主筋最小净距的1/3,且不大于40mm,其质量应符合国家标准GB/T14685的规定。
不宜选用石灰石碎石。
(6)混凝土拌和用水不应含有影响混凝土正常凝结硬化及对钢筋有腐蚀作用的有害物质、污水、泥水、pH值小于4的酸性水等,其质量应符合JGJ63的规定。
(7)混凝土中掺用的外加剂质量及应用技术应符合GB8076的规定,外加剂的选用应考虑与水泥成份、水质、外加剂间的相容性,保证拌制的混凝土性能,不宜使用早强剂。
(8)混凝土质量控制应符合GB50164的规定。
钢筋(1)基础纵向主筋采用HRB335级(II级),箍筋及架立筋采用HPB235级(I 级)。
(2)焊条应用用与主体钢筋强度相适应的型号,并应符合现行相应标准的规定。
(3)钢筋笼应采用环形模制作,钢筋笼的外形尺寸应符合设计要求,其质量检验标准应符合下表的规定。
表2 钢筋笼质量检验标准地脚螺栓(1)地脚螺栓的材质为16Mn钢,其质量应符合GB/T1591的规定。
技术交底记录
编号:工程名称交底地点施工现场交底组织单位交底负责人
施工单位接收负责人
接触网基础施工技术交底
一、工程概况
接触网支柱基础有:H型钢柱基础、接触网下锚拉线基础。
本段接触网支柱左右对称布置,接触网H型钢柱基础包括QJ-A2型、QJ-B 型、QJ-C型三种规格,拉线基础为QJLX-1型、
二、施工准备
1、施工准备
(1)施工前施工人员应熟悉并复核设计图纸、施工技术规范和招标技术规范,领会设计意图。
(2)施工机械设备、人员就位。
组织施工人员学习施工技术规范,施工前向施工人员明确施工中应注意事项,以防野蛮施工。
(3)进场原材料须有合格证和出厂检验报告,并经自检合格后才能使用。
三、主要施工工艺及方法
接触网支柱一般间距48m左右,支柱及下锚拉线基础设在通信电缆槽内与竖墙连接成一体。
在梁体预制时留有接触网支柱及下锚拉线预埋钢筋和预留螺栓,其混凝土可以和竖墙一起浇筑。
接触网支柱立面布置图下锚拉线基础立面布置图
1、施工工艺流程如下:
施工准备—点位测设—凿毛清理—钢筋安装—浇筑混凝土—成品养护
2、施工方法
①测量放样
编制:复核:签发:。
交底内容:接触网基础技术交底一、技术要求:1、接触网支柱基础中预埋8根M39锚栓外漏基础面190mm,螺纹长190mm+5mm,每个锚栓配有三个螺母,两个垫圈。
螺栓全长855mm,材质为Q345碳素钢。
2、接触网支柱基础中心距桥梁中心线距离为5650mm。
3、在接触网支柱基础中心两侧2m(顺桥向)范围内对桥面进行局部加高100mm。
4、预埋件的方向应该严格按照图纸施工。
施工进行中及施工完毕时均需不断进行检查和校正,施工完成后应采取有效措施对锚栓外漏部分进行防护,以避免支柱安装前损坏螺纹。
5、位于平坡或纵坡上的桥梁,支柱基础顶面都应保持水平,预埋钢板顶面应与基础顶面齐平,预埋锚栓应保持与基础水平面垂直,锚栓顶部偏离垂直位置的距离误差不应大于1mm。
6、锚栓、螺母、垫圈及预埋钢板均应做防腐处理。
基础面以下150mm范围内的锚栓及其外漏部分均应采用多元合金共渗+达可乐技术+封闭层处理,预埋钢板1采用多元合金共渗+封闭层处理。
7、接触网支柱基础钢筋应与人行道遮板的连接钢筋绑扎牢固,其混凝土浇筑应与人行道遮板的安装同时进行。
8、施工完毕后,应对锚栓外露部分采取抹黄油、用聚乙烯薄膜裹扎等措施进行防护,避免损坏螺栓及螺纹。
9、梁体钢筋与预埋件相碰时,可适当移动或弯折梁体钢筋。
10、在施工中应根据线路布置情况,在接触网支柱设置处对梁体钢筋进行局部加强。
11、基础预埋件应牢固可靠,螺栓相邻间距允许误差为±1mm,螺栓对角线间距允许误差为±1.5mm,螺栓应垂直于水平面,每个螺栓的中心偏差在顶端偏移误差为±1mm。
详细尺寸见下图12、螺栓与钢板应在加工厂组装,以便精确定位螺栓位置。
螺栓穿入钢板后先电焊固定,点焊位置为钢板下表面和螺栓连接处。
固定后按图所示尺寸调整螺栓间距和垂直度,确保螺栓在调整过程中外露高度不变。
13、螺栓位置调整完毕后,必须将螺栓和钢板底部满焊,焊缝连续封闭,焊缝高度为8mm。
桥梁接触网支柱基础预埋技术交底一、前言在铁路建设中,接触网支柱是承担电缆和接触网网站重量的重要组成部分。
为了保证接触网支柱的稳固性和牢固性,需要对其基础进行加固和预埋。
本文将就桥梁接触网支柱基础预埋技术进行介绍和交底。
二、技术介绍1. 预埋基础选型与材料桥梁接触网支柱基础预埋技术,需要先进行合适的选型和材料选择。
选择基础预埋材料时,应考虑其承载能力和耐久性。
常用的预埋材料有混凝土、钢筋混凝土等。
预埋基础选型应根据施工现场的实际情况和工程要求进行选择。
2. 预埋基础施工流程(1)基础预处理在进行基础预埋前,需要对现场进行一些预处理工作。
首先应对现场环境进行清理,保证施工环境整洁有序。
其次,需要对基础施工区域进行测量,并确定预埋深度。
(2)基础预埋将预埋材料按照预设的深度和规格进行预埋。
在预埋过程中,需要注意基础的平整度和深度的准确性,保证基础施工完成后的承载能力和牢固性。
(3)基础加固在基础预埋完成后,需要对基础进行加固。
加固工作包括钢筋的加固和混凝土的浇筑。
在进行加固工作时,需要注意钢筋的排布和浇筑混凝土的均匀性,确保基础处理工程的稳定性和耐久性。
3. 安全施工要求在进行桥梁接触网支柱基础预埋工作时,安全施工是非常重要的。
施工人员在进行基础施工时,应按照相关安全规范进行操作,如佩戴安全帽、手套等防护设备。
在进行基础加固时,应注意施工现场的结构稳定性和钢筋、混凝土等材料的堆放位置,防止施工过程中发生意外事故。
三、总结桥梁接触网支柱基础预埋技术在铁路建设中具有非常重要的意义。
准确的基础预埋和加固工作,能保证接触网支柱的牢固性和稳定性,从而确保铁路交通安全性和行车舒适度。
在进行基础预埋工作时,需要对选材和施工细节进行充分考虑,并严格按照安全施工要求操作,确保工程的质量和安全性。