抛光等级、表面粗糙度对应表
- 格式:doc
- 大小:37.50 KB
- 文档页数:1
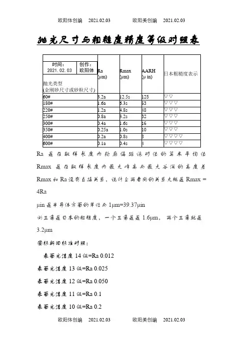
抛光尺寸与粗糙度精度等级对照表
Ra是在取样长度内轮廓偏距绝对值的算术平均值Rmax是在取样长度内最大峰高与最大谷深的高度差Rmax和Ra没有直接关系,统计上两者间的关系大概是Rmax = 4Ra
μin是半导体方面的单位与1μm=39.37μin
倒三角是日本的粗糙度,一个三角是是1.6μm,两个三角就是3.2μm
国标新旧标准对照:
表面光洁度14级=Ra 0.012
表面光洁度13级=Ra 0.025
表面光洁度12级=Ra 0.050
表面光洁度11级=Ra 0.1
表面光洁度10级=Ra 0.2
表面光洁度9级=Ra 0.4
表面光洁度8级=Ra 0.8
表面光洁度7级=Ra 1.6
表面光洁度6级=Ra 3.2
表面光洁度5级=Ra 6.3
表面光洁度4级=Ra 12.5
表面光洁度3级=Ra 25
表面光洁度2级=Ra 50
表面光洁度1级=Ra 100
以上表面粗糙度单位均为μm,即微米。
抛光等级、表面粗糙
度对应表
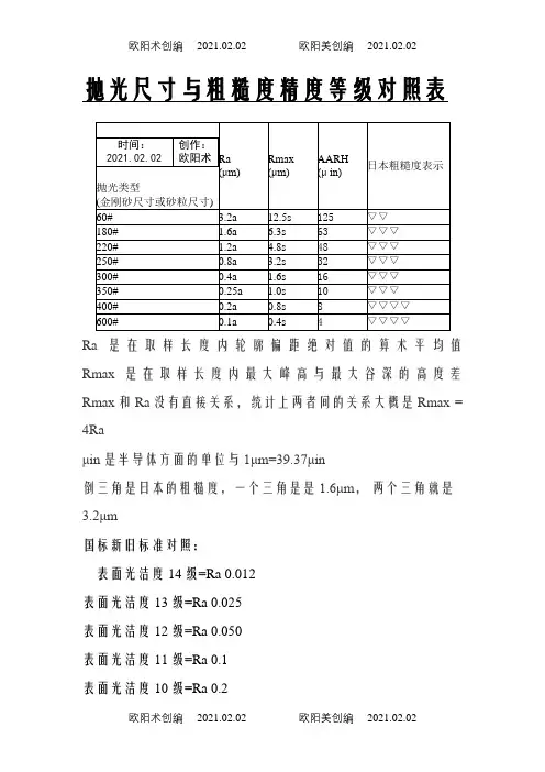
抛光尺寸与粗糙度精度等级对照表
Ra 是在取样长度内轮廓偏距绝对值的算术平均值
Rmax 是在取样长度内最大峰高与最大谷深的高度差
Rmax 和Ra没有直接关系,统计上两者间的关系大概是Rmax = 4Ra μin是半导体方面的单位与1μm=39.37μin
倒三角是日本的粗糙度,一个三角是是1.6μm,两个三角就是3.2μm
国标新旧标准对照:
表面光洁度14级=Ra 0.012
表面光洁度13级=Ra 0.025
表面光洁度12级=Ra 0.050
表面光洁度11级=Ra 0.1
表面光洁度10级=Ra 0.2
表面光洁度9级=Ra 0.4
表面光洁度8级=Ra 0.8
表面光洁度7级=Ra 1.6
表面光洁度6级=Ra 3.2
表面光洁度5级=Ra 6.3
表面光洁度4级=Ra 12.5
表面光洁度3级=Ra 25
表面光洁度2级=Ra 50
表面光洁度1级=Ra 100
以上表面粗糙度单位均为μm,即微米。
粗糙度、光洁度、抛光级别对应表抛光等级对照表
Polish Grade Comparision
Ra是在取样长度内轮廓偏距绝对值的算术平均值
Rmax是在取样长度内最⼤峰⾼与最⼤⾕深的⾼度差
Rmax和Ra没有直接关系,统计上两者间的关系⼤概是Rmax = 4Ra
µin是半导体⽅⾯的单位与1µm=39.37µin
倒三⾓是⽇本的粗糙度,⼀个三⾓是是1.6,两个三⾓就是3.2
国标新旧标准对照:
表⾯光洁度14级=Ra 0.012
表⾯光洁度13级=Ra 0.025
表⾯光洁度12级=Ra 0.050
表⾯光洁度11级=Ra 0.1
表⾯光洁度10级=Ra 0.2
表⾯光洁度9级=Ra 0.4
表⾯光洁度8级=Ra 0.8
表⾯光洁度7级=Ra 1.6
表⾯光洁度6级=Ra 3.2
表⾯光洁度5级=Ra 6.3
表⾯光洁度4级=Ra 12.5
表⾯光洁度3级=Ra 25
表⾯光洁度2级=Ra 50
表⾯光洁度1级=Ra 100
以上表⾯粗糙度单位均为µm,即微⽶。
抛光尺寸与粗糙度精度等级对照表
Ra 是在取样长度内轮廓偏距绝对值的算术平均值
Rmax 是在取样长度内最大峰高与最大谷深的高度差
Rmax 和Ra没有直接关系,统计上两者间的关系大概是Rmax = 4Ra
μin是半导体方面的单位与1μm=μin
倒三角是日本的粗糙度,一个三角是是μm,两个三角就是μm
国标新旧标准对照:
表面光洁度14级=Ra
表面光洁度13级=Ra
表面光洁度12级=Ra
表面光洁度11级=Ra
表面光洁度10级=Ra
表面光洁度9级=Ra
表面光洁度8级=Ra
表面光洁度7级=Ra
表面光洁度6级=Ra
表面光洁度5级=Ra
表面光洁度4级=Ra
表面光洁度3级=Ra 25
表面光洁度2级=Ra 50
表面光洁度1级=Ra 100
以上表面粗糙度单位均为μm,即微米。
抛光等级对照表
Polish Grade Comparision
Ra是在取样长度内轮廓偏距绝对值的算术平均值
Rmax是在取样长度内最大峰高与最大谷深的高度差
Rmax和Ra没有直接关系,统计上两者间的关系大概是Rmax = 4Ra
μin是半导体方面的单位与1μm=μin
倒三角是日本的粗糙度,一个三角是是,两个三角就是
国标新旧标准对照:
表面光洁度14级=Ra
表面光洁度13级=Ra
表面光洁度12级=Ra
表面光洁度11级=Ra
表面光洁度10级=Ra
表面光洁度9级=Ra
表面光洁度8级=Ra
表面光洁度7级=Ra
表面光洁度6级=Ra
表面光洁度5级=Ra
表面光洁度4级=Ra
表面光洁度3级=Ra 25
表面光洁度2级=Ra 50
表面光洁度1级=Ra 100
以上表面粗糙度单位均为μm,即微米。
抛光尺寸与粗糙度精度等级对照表
Ra是在取样长度内轮廓偏距绝对值的算术平均值Rmax是在取样长度内最大峰高与最大谷深的高度差Rmax和Ra没有直接关系,统计上两者间的关系大概是Rmax = 4Ra
μin是半导体方面的单位与1μm=39.37μin
倒三角是日本的粗糙度,一个三角是是1.6μm,两个三角就是3.2μm
国标新旧标准对照:
表面光洁度14级=Ra 0.012
表面光洁度13级=Ra 0.025
表面光洁度12级=Ra 0.050
表面光洁度11级=Ra 0.1
表面光洁度10级=Ra 0.2
表面光洁度9级=Ra 0.4
表面光洁度8级=Ra 0.8
表面光洁度7级=Ra 1.6
表面光洁度6级=Ra 3.2
表面光洁度5级=Ra 6.3
表面光洁度4级=Ra 12.5
表面光洁度3级=Ra 25
表面光洁度2级=Ra 50
表面光洁度1级=Ra 100
以上表面粗糙度单位均为μm,即微米。
抛光等级对照表
Polish Grade Comparision
Ra是在取样长度内轮廓偏距绝对值的算术平均值
Rmax是在取样长度内最大峰高与最大谷深的高度差
Rmax和Ra没有直接关系,统计上两者间的关系大概是Rmax = 4Ra
μin是半导体方面的单位与1μm=39.37μin
倒三角是日本的粗糙度,一个三角是是1.6,两个三角就是3.2
国标新旧标准对照:
表面光洁度14级=Ra 0.012
表面光洁度13级=Ra 0.025
表面光洁度12级=Ra 0.050
表面光洁度11级=Ra 0.1
表面光洁度10级=Ra 0.2
表面光洁度9级=Ra 0.4
表面光洁度8级=Ra 0.8
表面光洁度7级=Ra 1.6
表面光洁度6级=Ra 3.2
表面光洁度5级=Ra 6.3
表面光洁度4级=Ra 12.5
表面光洁度3级=Ra 25
表面光洁度2级=Ra 50
表面光洁度1级=Ra 100
以上表面粗糙度单位均为μm,即微米。
抛光等级对照表
Polish Grade Comparision
Ra是在取样长度内轮廓偏距绝对值的算术平均值
Rmax是在取样长度内最大峰高与最大谷深的高度差
Rmax和Ra没有直接关系,统计上两者间的关系大概是Rmax = 4Ra
μin是半导体方面的单位与1μm=39.37μin
倒三角是日本的粗糙度,一个三角是是1.6, 两个三角就是3。
2
国标新旧标准对照:
表面光洁度14级=Ra 0。
012
表面光洁度13级=Ra 0。
025
表面光洁度12级=Ra 0。
050
表面光洁度11级=Ra 0.1
表面光洁度10级=Ra 0。
2
表面光洁度9级=Ra 0.4
表面光洁度8级=Ra 0。
8
表面光洁度7级=Ra 1。
6
表面光洁度6级=Ra 3。
2
表面光洁度5级=Ra 6.3
表面光洁度4级=Ra 12.5
表面光洁度3级=Ra 25
表面光洁度2级=Ra 50
表面光洁度1级=Ra 100
以上表面粗糙度单位均为μm,即微米。
抛光尺寸与粗糙度精度等级对照表
Ra是在取样长度内轮廓偏距绝对值的算术平均值Rmax是在取样长度内最大峰高与最大谷深的高度差Rmax和Ra没有直接关系,统计上两者间的关系大概是Rmax = 4Ra
μin是半导体方面的单位与1μm=39.37μin
倒三角是日本的粗糙度,一个三角是是1.6μm,两个三角就是3.2μm
国标新旧标准对照:
表面光洁度14级=Ra 0.012
表面光洁度13级=Ra 0.025
表面光洁度12级=Ra 0.050
表面光洁度11级=Ra 0.1
表面光洁度10级=Ra 0.2
表面光洁度9级=Ra 0.4
表面光洁度8级=Ra 0.8
表面光洁度7级=Ra 1.6
表面光洁度6级=Ra 3.2
表面光洁度5级=Ra 6.3
表面光洁度4级=Ra 12.5
表面光洁度3级=Ra 25
表面光洁度2级=Ra 50
表面光洁度1级=Ra 100
以上表面粗糙度单位均为μm,即微米。
抛光等级、表⾯粗糙度对应表抛光尺⼨与粗糙度精度等级对照表
Ra 是在取样长度内轮廓偏距绝对值的算术平均值
Rmax 是在取样长度内最⼤峰⾼与最⼤⾕深的⾼度差
Rmax 和Ra没有直接关系,统计上两者间的关系⼤概是Rmax = 4Ra µin是半导体⽅⾯的单位与1µm=µin
倒三⾓是⽇本的粗糙度,⼀个三⾓是是µm,两个三⾓就是µm
国标新旧标准对照:
表⾯光洁度14级=Ra
表⾯光洁度13级=Ra
表⾯光洁度12级=Ra
表⾯光洁度11级=Ra
表⾯光洁度10级=Ra
表⾯光洁度9级=Ra
表⾯光洁度8级=Ra
表⾯光洁度7级=Ra
表⾯光洁度6级=Ra
表⾯光洁度5级=Ra
表⾯光洁度4级=Ra
表⾯光洁度3级=Ra 25
表⾯光洁度2级=Ra 50
表⾯光洁度1级=Ra 100
以上表⾯粗糙度单位均为µm,即微⽶。
. 抛光尺寸与粗糙度精度等级对照表
Ra 是在取样长度内轮廓偏距绝对值的算术平均值
Rmax 是在取样长度内最大峰高与最大谷深的高度差
Rmax 和Ra没有直接关系,统计上两者间的关系大概是Rmax = 4Ra
μin是半导体方面的单位与1μm=39.37μin
倒三角是日本的粗糙度,一个三角是是1.6μm,两个三角就是3.2μm
国标新旧标准对照:
表面光洁度14级=Ra 0.012
表面光洁度13级=Ra 0.025
表面光洁度12级=Ra 0.050
表面光洁度11级=Ra 0.1
表面光洁度10级=Ra 0.2
表面光洁度9级=Ra 0.4
表面光洁度8级=Ra 0.8
表面光洁度7级=Ra 1.6
表面光洁度6级=Ra 3.2
表面光洁度5级=Ra 6.3
表面光洁度4级=Ra 12.5
表面光洁度3级=Ra 25
表面光洁度2级=Ra 50
表面光洁度1级=Ra 100
以上表面粗糙度单位均为μm,即微米。
.。
[19]中华人民共和国国家知识产权局[12]发明专利申请公布说明书[11]公开号CN 101401896A [43]公开日2009年4月8日[21]申请号200810168826.3[22]申请日2008.09.28[21]申请号200810168826.3[71]申请人湖北福人药业股份有限公司地址437400湖北省咸宁市通城县石南镇石南桥[72]发明人刘焱文 干国平 孙进 [74]专利代理机构北京华科联合专利事务所代理人王为[51]Int.CI.A61K 36/896 (2006.01)A61P 15/00 (2006.01)A61P 35/00 (2006.01)A61K 125/00 (2006.01)权利要求书 2 页 说明书 13 页 附图 2 页[54]发明名称菝葜有效成分及其提取方法[57]摘要本发明涉及菝葜有效成分及其提取方法,具体步骤包括:菝葜的乙醇提取液浓缩后,加水至一定体积,滤过,滤液过大孔吸附树脂,先用水洗脱,继用乙醇洗脱,浓缩乙醇洗脱液,上清液经喷雾干燥,沉淀经减压干燥,混匀,得提取物。
200810168826.3权 利 要 求 书第1/2页1.一种菝葜有效成分提取物,其特征在于,其中的总黄酮,总皂苷和总鞣质的含量之和为75~95%。
2.权利要求1的提取物,其特征在于,其中总黄酮占35~43%,总皂苷占20~26%,总鞣质占20~26%,三者含量之和为75~95%。
3.权利要求1的提取物,其特征在于,若不计算总鞣质,其中总黄酮,总皂苷的含量之和为40~90%。
4.权利要求1的提取物,其特征在于,若不计算总鞣质,其中总黄酮,总皂苷的含量之和为55~69%。
5.权利要求1的提取物的制备方法,其特征在于,经过以下步骤,菝葜用乙醇提取,提取液浓缩后加水,过滤,滤液通过大孔吸附树脂吸附,先用水洗脱,继用乙醇洗脱,浓缩乙醇洗脱液,即得。
6.权利要求4的制备方法,其特征在于,经过以下步骤,a.取菝葜饮片,加6~10倍药材量的40~95%的乙醇提取1~3次,每次60~120分钟,合并乙醇提取液;b.将乙醇提取液浓缩至无醇味,加蒸馏水使药液体积为2.5~10倍药材量,,静置过滤后,得到滤液;c.滤液以每小时0.5~3倍柱床体积的流速通过大孔吸附树脂柱,先用2~4倍树脂量的水洗脱除去杂质,再用3~7倍药材量的40~95%的乙醇以每小时0.5~3倍柱床体积的流速进行洗脱,得到洗脱液;d.将洗脱液浓缩至相对密度为1.05,上清液喷雾干燥,沉淀减压干燥,两部分混匀得到菝葜抗炎有效成分提取物。
抛光尺寸与粗糙度精度等级对照表
Ra是在取样长度内轮廓偏距绝对值的算术平均值Rmax是在取样长度内最大峰高与最大谷深的高度差Rmax和Ra没有直接关系,统计上两者间的关系大概是Rmax = 4Ra
μin是半导体方面的单位与1μm=39.37μin
倒三角是日本的粗糙度,一个三角是是1.6μm,两个三角就是3.2μm
国标新旧标准对照:
表面光洁度14级=Ra 0.012
表面光洁度13级=Ra 0.025
表面光洁度12级=Ra 0.050
表面光洁度11级=Ra 0.1
表面光洁度10级=Ra 0.2
表面光洁度9级=Ra 0.4
表面光洁度8级=Ra 0.8
表面光洁度7级=Ra 1.6
表面光洁度6级=Ra 3.2
表面光洁度5级=Ra 6.3
表面光洁度4级=Ra 12.5
表面光洁度3级=Ra 25
表面光洁度2级=Ra 50
表面光洁度1级=Ra 100
以上表面粗糙度单位均为μm,即微米。
抛光等级对照表
Polish Grade Comparision
Ra是在取样长度内轮廓偏距绝对值的算术平均值
Rmax是在取样长度内最大峰高与最大谷深的高度差
Rmax和Ra没有直接关系,统计上两者间的关系大概是Rmax = 4Ra
μin是半导体方面的单位与1μm=39.37μin
倒三角是日本的粗糙度,一个三角是是1.6,两个三角就是3.2
国标新旧标准对照:
表面光洁度14级=Ra 0.012
表面光洁度13级=Ra 0.025
表面光洁度12级=Ra 0.050
表面光洁度11级=Ra 0.1
表面光洁度10级=Ra 0.2
表面光洁度9级=Ra 0.4
表面光洁度8级=Ra 0.8
表面光洁度7级=Ra 1.6
表面光洁度6级=Ra 3.2
表面光洁度5级=Ra 6.3
表面光洁度4级=Ra 12.5
表面光洁度3级=Ra 25
表面光洁度2级=Ra 50
表面光洁度1级=Ra 100
以上表面粗糙度单位均为μm,即微米。
抛光尺寸与粗糙度精度等级对照表
Ra 是在取样长度内轮廓偏距绝对值的算术平均值
Rmax 是在取样长度内最大峰高与最大谷深的高度差
Rmax 和Ra没有直接关系,统计上两者间的关系大概是Rmax = 4Ra
μin是半导体方面的单位与1μm=39.37μin
倒三角是日本的粗糙度,一个三角是是1.6μm,两个三角就是3.2μm
国标新旧标准对照:
表面光洁度14级=Ra 0.012
表面光洁度13级=Ra 0.025
表面光洁度12级=Ra 0.050
表面光洁度11级=Ra 0.1
表面光洁度10级=Ra 0.2
表面光洁度9级=Ra 0.4
表面光洁度8级=Ra 0.8
表面光洁度7级=Ra 1.6
表面光洁度6级=Ra 3.2
表面光洁度5级=Ra 6.3
表面光洁度4级=Ra 12.5
表面光洁度3级=Ra 25
表面光洁度2级=Ra 50
表面光洁度1级=Ra 100
以上表面粗糙度单位均为μm,即微米。