场地设计(作图题)解析共21页文档
- 格式:ppt
- 大小:1.93 MB
- 文档页数:21
二级注册建筑师考试《场地与建筑方案设计(作图题)》真题解析(2022年)
停车场设计(2020年)
一、题目
项目用地范围如图3-15-2所示,场地中包括一既有停车楼。
场地东侧、北侧分别为城市支路1、城市支路2,南侧为既有办公楼,西侧为城市绿地。
(一)设计要求
(1)设置满足38个停车位。
(2)需包含10个电动汽车车位。
(3)需包含5个无障碍车位。
(4)设置停车场收费站。
(5)城市公厕一处,36m2。
(6)非机动车停放区域,200m2。
(二)规划要求
(1)场地东侧设置车辆出入口一处,北侧仅设置车辆出口,需设置人行出入口一处。
(2)机动车位应退用地红线不小于2m,非机动车停车位退道路红线不小于5m,城市公厕、停车场收费岗亭及闸门应退用地红线和道路红线不小于5m。
(3)停车场收费岗亭附近需考虑行人出入区域。
(三)作图要求
(1)设计室外停车场,并按图例标注收费站闸门。
(2)标注场地出入口、红线退线等相关设计尺寸,设计场地绿化。
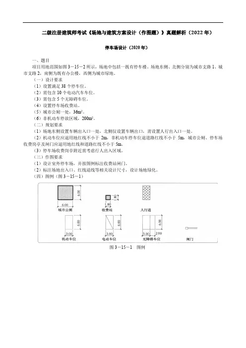
(四)图例(图3-15-1)
图3-15-1 图例
图3-15-2 总平面图二、解析
(一)读题与信息分类(图3-15-3)
图3-15-3 读题与信息分类
(二)场地分析与解答(图3-15-4)
图3-15-4 场地分析及解答。
二级注册建筑师考试《场地与建筑方案设计(作图题)》真题解析(2021年)
场地平整设计(2021年)
一、题目
拟建设两栋6层住宅,建筑日照计算高度为19m,当地建筑日照间距系数为1.5,住宅位置及场地条件见图3-16-1。
(一)设计要求
将用地界线内的坡地整理为两块平整的台地,并满足下列要求:
(1)满足当地日照间距要求。
(2)用地范围内土石方平衡且挖填量最小。
(二)作图要求
(1)在场地平面图中。
用粗实线绘出两块台地的分界线,并在图中()内注明台地设计标高。
(2)在1-1剖面图中,用粗实线绘出整理后的台地剖面轮廓线,并注明台地标高、住宅高度。
(三)提示
(1)场地平整设计不考虑住宅室内外高差的影响。
(2)住宅平面位置及高度不应改动。
图3-16-1 场地条件图
二、解析
(一)读题与信息分类(图3-16-2)
图3-16-2 读题与信息分类(二)场地分析与解答(图3-16-3)
图3-16-3 场地分析与解答。
二级注册建筑师考试《场地与建筑方案设计(作图题)》真题解析(2011年)山地场地分析(2011年)一、题目(一)设计条件(1)已知某山地地形图如图3-9-1所示,最高点高程为50.00m。
(2)要求围合出拟用建设用地,坡度不超过10%,可以参考图中场地西侧已绘出坡度小于10%的拟用建设用地。
(3)场地上空有高压线经过,高压走廊宽50m,高压线走廊范围内不可作为拟用建设用地,图中已绘制出高压线走廊西边线。
(4)保留场地内原有树木,拟用建设用地距树边线3m。
(二)任务要求(1)在给出场地内剩余部分中绘出符合要求的拟用建设用地,用表示。
(2)绘出高压线走廊东边线。
(3)要求拟用建设用地坡度不超过10%,则符合要求的等高线间距应为____m。
图3-9-1 场地总图二、解析地形分析类题目,一定要基本概念清晰,描述地形的基本概念包括:①等高线间距:两等高线水平距离;②等高距:两等高线高差;③坡度:坡度一等高距/等高线间距,等高线间距越大,坡度越小。
其中的关键点就是坡度公式。
同时应尽可能训练三维直觉能力,看着等高线,山脊、山谷能浮现在眼前。
(一)读题与信息分类(图3-9-2)文字部分只包含两类信息:用地信息及表达信息。
用地信息中详细列明了建设用地范围的各种制约因素,包括坡度限制、高压走廊限制及保留树木边线的限制。
图3-9-2 读题与信息分类(二)场地分析与解答(图3-9-3)图3-9-3 场地分析与解答三、评分标准评分标准详见表3-9-1。
2011年场地设计评分标准表3-9-1注:各扣分点的扣分总和以该项分值为限,扣完为止。
场地设计(作图)一、作图题1.任务书设计条件1.某地块拟建4层(局部可做3层)的商场,层高4m,小区用地尺寸如图所示。
2.西侧高层住宅和东侧多层住宅距用地界线均为3m,北侧道路宽12m。
北侧道路红线距商场5m,距停车场5m。
南侧用地界线距商场22m,距停车场2m。
商场距停车场6 m。
3.当地日照间距系数为1.6。
任务要求1.根据基地条件布置商场和停车场,并使容积率最大。
商场距停车场6m。
2.北侧道路红线距商场5m,距停车场5m。
3.南侧用地界线距商场22m,距停车场2m。
4.停车场面积为1900m(±5%),东、西两侧距用地界线3m。
5.商场为框架结构,柱网9m×9m,均取整跨,南北向为27m,建筑不能跨越人防通道,人防通道在基地中无出入口。
6.标注相关尺寸。
解题要点1.正确理解题意,根据设计条件和任务要求进行分析。
2.根据日照间距系数布置建筑单体。
3.停车场和相邻建筑之间的防火间距一、二级建筑为6m,停车场南侧边界应有2m宽的绿化带。
(出自《汽车库、修车库、停车场设计防火规范》)作图提示1.根据日照间距系数计算建筑单体距北侧住宅的距离:三层建筑距北侧住宅日照间距L=12×1.6=19.2 (m)四层建筑距北侧住宅日照间距L=16×1.6=25.6 (m)三、四层之间跨距为9m,则L+9=19.2+9=28.2 (m)>L=25.6 (m),所以应把建筑北侧一跨做三层,取L大于19.2m。
又有建筑退道路红线5m后距北侧住宅为22m,大于19.2m,所以取L=22 (m)。
2.建筑南侧布置停车场,与建筑物的防火间距为6m,距用地界线2m。
3.要容积率最大即建筑面积最大,又因建筑不能跨越人防通道,所以在通道处将建筑一分为二,取整跨,则西侧建筑长9m×7=63 (m)。
如仅在南侧做停车场,其可做面积为1610m,不满足面积要求,需在两栋单体建筑之间场地也做停车场。
二级注册建筑师考试《场地与建筑方案设计(作图题)》真题解析(2004年)某科技工业园场地设计(2004年)一、题目(一)设计任务某科技工业园拟建设开发办公楼、厂房、设备用房各一幢。
用地现状及用地范围如图3-2-1所示。
拟建建筑物受场地现有道路、山地、池塘、高压走廊、微波通道等条件的限制,请按设计要求进行总平面设计。
(二)设计内容与规模(图3-2-2)(1)研发办公楼55m×18m,6层。
(2)厂房60m×30m,2层。
(3)设备用房25m×25m,1层。
(4)货车停车场50m×50m。
(5)小汽车停车场不少于10个停车位。
图3-2-1 场地总图图3-2-2 图示(三)设计要求(1)建筑退道路红线≥9m。
(2)建筑退距池塘边线≥12m。
(3)建筑之间的间距≥9m。
(4)建筑退场地边线≥4m。
(5)高压走廊中心线两侧各25m范围内不准规划建筑物。
(6)微波通道中心线两侧各20m范围内不准规划建筑物。
(7)停车场可设于高压走廊或微波通道范围内。
(8)建筑物及停车场不允许规划在山地上。
(9)研发办公楼前应设置入口广场。
(四)任务要求(1)按1:500比例绘制总平面图,标注场地出入口,布置园区道路。
(2)标注与设计要求有关的尺寸。
二、解析(一)读题与信息分类(图3-2-3)图3-2-3 读题与信息分类(二)场地分析、建筑场地定位及流线组织(图3-2-4)图3-2-4 建筑场地定位及交通组织(三)表达阶段(图3-2-5)图3-2-5 表达阶段。
场地地形题
任务书
设计条件
1.拟在某⼭坡上建纪念碑⼀座,场地现状如图所⽰。
2.纪念碑⼴场为35m×35m的⽅形,四⾓设计标⾼相同,中部向外微坡,以使⾬⽔流⼊⼴场四边内侧的暗沟内排出。
任务要求
1.确定纪念碑⼴场四⾓的设计标⾼,应使⼟⽅量基本平衡。
2.画出⼴场四周的护坡线(⾼:宽=1:2),并注明四⾓处的坡宽。
3.在保留原有树⽊和地势⾛向的条件下,调整⼴场两侧的地形,以形成排⽔凹⾕,使⾬⽔不流⼊纪念碑⼴场。
回答问题
1.⼴场四⾓设计标⾼应为()m。
A.61 B.62 C.63 D.64
【答案】B
【解析】纪念碑⼴场处的原始地形为西北⾼东南低,坡度基本均匀,⾼差为64m-60m=4m,考虑挖填⼟⽅量平衡,⼴场四⾓设计标⾼显然应为62m。
2.挖填⽅零点以上为()
A.填⽅(坡向外) B.填⽅(坡向内) C.挖⽅(坡向内) D.挖⽅(坡向外)
【答案】C
【解析】挖填⽅零点以上为挖⽅(坡向内),以下为填⽅(坡向外)。
二级注册建筑师考试《场地与建筑方案设计(作图题)》真题解析(2009年)
某商业用地场地分析(2009年)
一、题目
(一)设计条件
(1)某地块拟建4层(局部可做3层)的商场,层高4m,小区用地尺寸如图3-7-1所示。
(2)西侧高层住宅和东侧多层住宅距用地界线均为3m,北侧道路宽12m;北侧道路红线距商场5m,距停车场5m;南侧用地界线距商场22m,距停车场2m;停车场东、西两侧距用地界线3m;商场距停车场6m。
(3)商场为框架结构,柱网9m×9m,均取整跨,南北向为27m,建筑不能跨越人防通道,人防通道在基地中无出入口。
(4)停车场面积为1900m2(±5%)。
(5)当地日照间距系数为1.6。
(二)任务要求
(1)根据基地条件布置商场和停车场,并使容积率最大。
(2)标注相关尺寸。
图3-7-1场地总图
二、解析
(一)读题与信息分类(图3-7-2)
本题题型为确定建筑可建范围,题目涉及的间距有退线间距、日照间距、防火间距等,按题作答即可。
图3-7-2读题与信息分类(二)场地分析(图3-7-3)。
场地设计(作图题)-室外停车场(一)(总分1012, 做题时间90分钟)**题任务书与解答任务书设计条件1.某单位拟扩建停车场,保留原有停车场入口,用地界线如图所示。
2.沿用地界线内侧至少留出2m宽绿化带,如果设计成纵横垂直排列停车方式时其转角处应退让1m。
3.垂直停车位尺寸为3m×6m,不少于4个残疾人停车位。
并设无障碍通道通向建筑入口。
4.车行道宽7m,并尽可能形成环形车道。
任务要求1.尽可能多地布置停车位并绘出位置、车位数、行车道、绿化带及残疾人停车位,并标注尺寸。
2.完成停车场作图并判断下列选择题。
SSS_TEXT_QUSTI分值: 100答案:[解析] 1.停车场出入口数量及其最小间距应满足《汽车库、修车库、停车场设计防火规范》要求。
2.合理布置停车带和行车道。
3.尽可能形成环形车道,方便通行。
4.停车位尽可能最多。
5.应设置残疾人车位。
[作图提示]1.根据《汽车库、修车库、停车场设计防火规范》,停车场停车数量大于50辆时需设2个出入口,且出入口之间的距离应大于10m。
2.停车场要贯通布置,形成回路。
3.残疾人车位应靠近建筑入口,并在后面设置残疾人通道。
选择题1.停车场共计停车( )辆。
A.68 B.69C.70 D.71SSS_SIMPLE_SINA B C D分值: 1答案:B2.残疾人停车位位于用地( )。
A.东面B.南面C.西面D.北面SSS_SIMPLE_SINA B C D分值: 1答案:D3.停车场出入口设置( )个,朝向( )。
A.2 东面B.3 东面C.2 东面和北面D.3 东面和北面SSS_SIMPLE_SINA B C D分值: 1答案:A**题任务书与解答任务书设计条件1.拟建停车场用地界线如图。
2.垂直停车位尺寸为3m×6m,水平停车位尺寸为3m×8m。
不少于4个残疾人停车位。
行车道宽7m,并应形成环路。
3.沿用地界线内侧至少留出2m宽绿化带,当垂直转角停车时应退让1m。
场地设计(作图题)-场地地形设计(一)(总分1116, 做题时间90分钟)**题任务书与解答任务书设计条件已知某场地的标高为10.05,平面尺寸28m×24m,西南角缺一块6m×6m,呈L形的平面。
图中设有A点、B点。
任务要求1.按等高距0.05,坡度2.5%,设计成一台地。
2.按要求绘制等高线。
3.注明主要等高线间距离尺寸并标明A点、B点的设计标高。
SSS_TEXT_QUSTI分值: 100答案:[解析] 1.在图纸上熟练进入三维空间的思维。
2.正确运用设计等高线法进行场地竖向设计与表达。
[作图提示]1.根据坡度(i=2.5%),求等高距为0.05的平距长度为0.05÷2.5%=2(m)2.依次画出等高距为0.05的等高线,其平距长度为2m。
3.根据所画等高线,可知A点在10.25的等高线上,设计标高为10.25;B点在 10.30的等高线上,设计标高为10.30。
选择题1.等高距为0.05的平距是( )。
A.1.5m B.2.0mC.2.5m D.3.0mSSS_SIMPLE_SINA B C D分值: 1答案:B2.A点的设计标高为( )。
A.10.20 B.10.25C.10.30 D.10.35SSS_SIMPLE_SINA B C D分值: 1答案:B3.8点的设计标高为( )。
A.10.20 B.10.25C.10.30 D.10.35SSS_SIMPLE_SINA B C D分值: 1答案:C**题任务书与解答任务书设计条件1.如图,拟在某自然坡地内平整出大小为16m×20m的场地一块,场地内标高为50m。
2.高于场地部分拟设置1:1放坡,低于场地部分采用挡土墙。
任务要求1.绘出放坡的位置和挡土墙的位置。
SSS_TEXT_QUSTI分值: 100答案:[解析] 1.掌握场地护坡的概念。
2.掌握填方、挖方及挡土墙概念。
[作图提示]1.由于护坡1:1,所以A点沿垂直(竖向)方向至58m等高线的距离为58-50=8m。
场地设计(作图题)-场地分析(一)(总分1215, 做题时间90分钟)**题任务书与解答任务书设计条件1.某开发商已征一宗建设用地,拟建多层和高层住宅。
用地南侧已建有一幢高层综合体建筑,主体分别高40m和45m。
用地西北角已建有一幢高层办公建筑,楼高40m。
2.要求建筑控制线:多层住宅后退道路红线5m,高层住宅后退道路红线10m,后退用地界线3m。
3.已征场地标高105.00,道路南侧场地标高102.50。
4.当地日照间距系数取1.2。
任务要求1.分别绘出多层和高层住宅建筑的可建范围(分别用和表示)。
2.完成场地分析作图并判断下列选择题。
SSS_TEXT_QUSTI该题您未回答:х该问题分值: 100答案:[解析] 1.应满足日照间距要求,并应考虑场地之间的高差问题。
2.满足《高层建筑设计防火规范》的防火间距。
3.正确理解建筑控制线、道路红线以及用地界线的概念。
[作图提示]1.高层住宅建筑控制线后退道路红线10m,多层住宅建筑控制线后退道路红线5m。
2.画出后退用地界线3m。
3.西北角高层办公建筑与多层住宅之间的防火间距为9m,与高层住宅之间的防火间距为13m。
4.道路南侧已建高层综合体左段40m高建筑与住宅的日照间距为(40-2.5)×1.2=45m5.道路南侧已建高层综合体右段45m高建筑与住宅的日照间距为(45-2.5)×1.2=51m6.多层住宅与高层住宅可建范围面积差计算a.西北角:(23-3)×(13-9)+(132-92)×1/4×3.14+(7-3)×(13-9)=80+69.08+16=165.08(m2)b.西南角:29×(10-5)=145(m2)c.东侧:(55+15)×(10-5)=350(m2)d.面积总计:165.08+145+350≈660(m2)选择题1.已建高层办公建筑与多层住宅可建范围边界的距离为( )m。