化工设备机械基础课程设计--液氨储罐的机械设计
- 格式:pdf
- 大小:2.70 MB
- 文档页数:21
内蒙古科技大学化工设备机械基础课程设计说明书题目:带液氨储罐学生姓名:张辉专业:化学工程与工艺班级:化工-2班指导教师:兰大为设计任务书一、课题:液氨贮罐的机械设计设计内容:根据给定工艺参数设计一台液氨储罐二、已知工艺参数:最高使用温度:T=50℃公称直径:DN=2600mm筒体长度(不含封头):L0=3900mm三、具体内容包括:1.筒体材料的选择2.罐的结构尺寸3.罐的制造施工4.零部件型号及位置、接口5.相关校核计算6.绘制装备图(A2图纸)设计人:张辉学号:前言化工专业课程设计室掌握化工原理和化工设备机械基础相关内容后进行的一门课程设计,也是培养学生具备基本化工设计技能的实践性教学环节。
此课程设计所进行的是化工单元设备或主要辅助设备的工艺设计及选型,其性质属于技术设计范畴。
课程设计是对课程内容的应用性训练环节,是学生应用所学知识进行阶段性的单体设备或单元设计方面的专业训练过程,也是对理论教学效果的检验。
通过这一环节使学生在查阅资料、理论计算、工程制图、调查研究、数据处理等方面得到基本训练,培养学生综合运用理论知识分析、解决实际问题的能力。
本设计是设计-卧式液氨储罐。
液氨储罐是合成氨工业中必不可少的储存容器。
为了解决容器设计中的各类问题,本设计针对这方面相关问题做了阐述。
综合考虑环境条件,液体性质等因素并参考相关标准,按工艺设计,设备结构设计,设备强度计算,分别对储罐的筒体,封头,鞍座,人孔,接管进行设计,然后用强度校核标准,最终形成合理的设计方案。
通过本次课程设计得到了化工设计基本技能的训练,为毕业设计及今后从事化工技术工作奠定了基础。
此次设计主要原理来自<<化工过程设备机械基础>>一书及其他参考资料。
目录第一章液氨储罐设计参数的确定罐体和封头的材料的选择纯液氨腐蚀性小,贮罐可选用一般钢材,但由于压力较大,可以考虑20R、16MnR.这两种钢种。
如果纯粹从技术角度看,建议选用20R 类的低碳钢板,16MnR 钢板的价格虽比20R贵,但在制造费用方面,同等重量设备的计价,16MnR 钢板为比较经济。
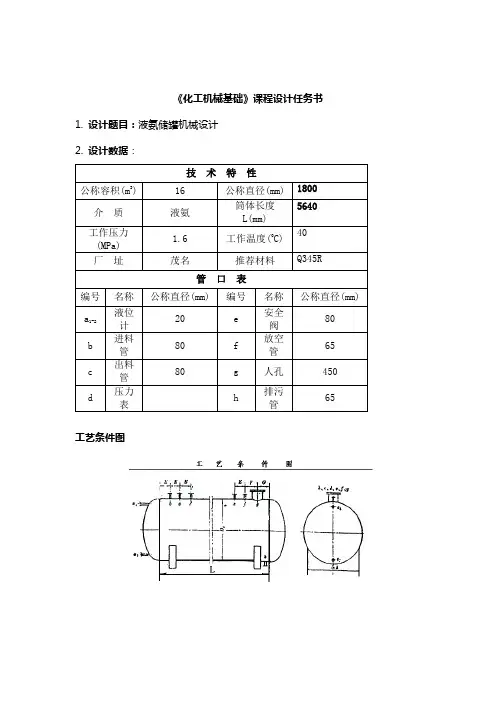
《化工机械基础》课程设计任务书1.设计题目:液氨储罐机械设计2. 设计数据:工艺条件图3.计算及说明部分内容(设计内容):一、内容与要求1、课程设计的目的(1)综合运用所学机械基础课程及其他课程的理论知识,巩固、加强所学课程的基本理论与基本知识。
(2)培养工程设计能力,分析解决问题的能力,树立正确的设计思想,初步掌握机械设计的一般方法和步骤。
(3)熟悉运用有关设计资料,进行国家标准、设计手册、规范图册的查阅,培养制图、运算、编写设计说明书基本技能。
2、课程设计的基本要求(1)树立正确的设计思想,在设计过程中本着对工程设计认真负责的态度,从难从严求求,综合考虑设备的经济性、实用性、安全可靠和先进性,高质量完成设计任务。
(2)具有积极主动的学习态度和进取精神,在课程设计中遇到问题不敷衍,通过查阅资料和复习有关教科书中的内容,积极思考,提出个人见解,主动解决问题,注重能力培养。
(3)学会正确使用标准和规范,使设计有法可依,有章可循,当设计与标准规范相矛盾时,必须严格计算和验证,直到符合设计要求。
各则应优先按标准选用。
(4)正确采用设计方法,统筹兼顾,在深刻理解设计理论的基础上,合理进行设计,同时要考虑结构等方法的要求。
在设计中要注意处理好尺寸的圆整。
3、课程设计内容:(1)设计说明书一份(2)设备总装图一张(1号图纸),零件图各一格。
4、设计说明书目录(参考)第一章绪论1、设计任务,设计思想和设计特点2、主要设计参数的确定及说明第二章材料及结构的选择及论证1、主要零部件材料选择及论证2、主要零部件结构选择及论证(封头、人孔、法兰、支座、液面计、进出口等)第三章强度计算1、筒体壁厚强度计算2、封头壁厚强度计算3、水压试验筒体强度校核4、人孔开孔补强计算5、鞍座造型及承载能力强度校核第四章主要附件的选用1、液面计选择2、各进出口的选择3、压力表选择第五章设计小结附设计参考资料清单二、课程设计步骤(1)准备阶段A、准备好设计资料、手册、图纸、说明书的报告纸B、认真研究、分析设计任务及有关设计数据,明确设计要求及设计内容C、认真复习有关教科书内容,熟悉有关资料及步骤D、结合有关图纸,了解设备结构及作用(2)机械设计阶段A、根据设计参数,论证选材、论证物料的腐蚀性及对环境的污染情况B、根据计算有关壳体的尺寸,根据压力计算壳体壁厚,校核壳体的强度,确定合理尺寸C、选用零部件,查标准及手册,确定尺寸和结构D、计算设备重量,列表有关附件的重量E、绘制设备总装图F、绘制零部件图G、提出技术要求,对设备制造、检验、安装提出技术地求,并在总图上标注清楚H、编写设计说明书设计说明书是图纸设计的理论依据及总结,是审核设计的技术文件之至,其内容应包括:目录设计任务书设计内容技术文件设计小结及参考资料说明书要求:计算正确,论述清楚,条理分明,文字精炼,插图简明,图表合理,书写工整,装订成册三、课程设计成绩评定(1)设计说明书及图纸质量(2)设计过程中态度及认真研究、分析情况(3)回答问题正确程度等。
化工设备机械基础课程设计题目:液氨贮罐的机械设计班级:学号:0708010213姓名:陈剑指导教师:崔岳峰沈阳理工大学环境与化学工程学院2010年11月设计任务书课题:液氨储罐的机械设计设计内容:根据给定的工艺参数设计一台液氨储罐。
已知工艺参数:最高使用温度:T=50℃公称直径:DN=3000mm筒体长度:L=4500mm具体内容包括:(1)筒体材料的选择(2)储罐的结构和尺寸(3)罐的制造施工(焊接焊缝)(4)零部件的型号、位置和接口(5)相关校核计算设计人:陈剑学号:0708010213下达时间:2010年11月19日完成时间:2010年12月24日目录前言 11液氨储罐的设计背景 22液氨储罐的分类和选型 32.1 储罐的分类 32.2 储罐的选型 33 材料用钢的选取 43.1容器用钢 43.2附件用钢 44工艺尺寸的确定 54.1储罐的体积 55工艺计算 65.1筒体壁厚的计算 65.2封头壁厚的计算65.3水压试验75.4支座75.4.1支座的选取75.4.2鞍座的计算75.4.3安装高度95.5人孔的选取95.6人孔补强95.6.1人孔补强的计算95.6.2 不需补强的最大开孔直径115.7接口管125.7.1液氨进料管125.7.2液氨出料管125.7.3排污管125.7.4液面计接管125.7.5放空接口管135.7.6安装阀接口管136参数校核146.1筒体轴向应力校核146.1.1 筒体轴向弯矩的计算146.1.2筒体轴向应力的计算146.2 筒体和封头切向应力的校核156.2.1筒体切向应力的计算156.2.2封头切向应力的计算166.3筒体环向应力的计算与校核166.3.1环向应力的计算166.3.2环向应力校核176.4鞍座有效断面平均压力177总结188设计结果一览表199液氨储罐化工设计图20参考文献21前言本学期在学习完化工设备机械基础理论课同时,老师下设了关于化工设备机械基础的课程设计-液氨储罐的机械设计,让我们学好理论知识的同时让我们懂得如何将学到的理论知识运用到实际生产中去,懂得如何综合考虑实际问题。
目录第一章、绪论-----------------------------------------------------21.液氨贮罐的设计背景---------------------------------------------52.设计任务-----------------------------------------------------3.设计思路-----------------------------------------------------4.2.液氨贮罐的分类及选型-------------------------------------------53.设计温度和设计压力的确定--------------------------------------- 第二章、材料及结构的选择与论证-----------------------------------61.材料选择与论证-------------------------------------------------62.结构选择与论证-------------------------------------------------7 第三章工艺尺寸的确定-------------------------------------------8 第四章设计计算-------------------------------------------------91.计算筒体的壁厚-------------------------------------------------92.计算封头的壁厚------------------------------------------------103.水压试验压力及其强度校核--------------------------------------104.选择人孔并核算开孔补强----------------------------------------115.选择鞍座并核算承载能力----------------------------------------136.选择液位计----------------------------------------------------147.选配工艺接管--------------------------------------------------14 设计小结--------------------------------------------------------15参考文献--------------------------------------------------------16总图材料明细表………………………………………………………第一章、绪论1、液氨贮罐的设计背景化学工业和其它流程工业的生产都离不开容器。
《化工机械基础》课程设计任务书目录第一部分设计绪论 (5)(1)设计任务、设计思想、设计特点 (5)(2)主要设计参数的确定及说明 (5)第二部分材料及结构的选择与论证 (7)(1)材料的选择与认证 (7)(2)结构的选择与认证 (7)第三部分设计计算 (10)(1)计算筒体的壁厚 (10)(2)计算封头的壁厚 (11)(3)水压试验压力及其强度校核 (11)(4)选择人孔并核算开孔补强 (12)(5)选择鞍座并核算承载能力 (14)第四部分主要附件的选用 (15)(1)选择液位计 (16)(2)各进出口的选择 (16)第五部分设计小结 (17)参考文献 (17)《化工机械基础》课程设计任务书1.设计题目:液氨储罐机械设计技术特性公称容积(m3) 25 公称直径Dg(mm) 2200介质液氨筒体长度L(mm) 7200设计压力(MPa) 3.6 工作温度(0C) ≤40℃厂址芜湖市推荐材料16MnR管口表编号名称公称直径(mm) 编号名称公称直径(mm)a1-2 液位计15 e 安全阀25b 进料管40 f 放空管25c 出料管20 g 人孔450d 压力表25 h 排污管40工艺条件图3.计算及说明部分内容(设计内容):第一部分绪论:(1)设计任务、设计思想、设计特点;(2)主要设计参数的确定及说明。
第二部分材料及结构的选择与论证(1)材料选择与论证;(2)结构选择与论证:封头型式的确定、人孔选择、法兰型式、液面计的选择、鞍式支座的选择确定。
第三部分设计计算(1)计算筒体的壁厚;(2)计算封头的壁厚;(3)水压试验压力及其强度校核;(4)选择人孔并核算开孔补强;(5)选择鞍座并核算承载能力;第四章主要附件的选用(1)、液面计选择(2)、各进出口的选择(3)、压力表选择第五章设计小结附设计参考资料清单4.绘图部分内容:总装配图一张(1#)5.设计期限:1周(20123年 06 月 24 日—— 2013年 06月 30 日)6.参考资料:[1]《化工过程设备机械基础》,李多民、俞慧敏主编,中国石化大学出版社[2]《化工设备机械基础》,汤善甫朱思明主编,华东理工大学出版社。
《化工设备机械基础》课程设计设计题目: 液氨贮罐设计2011年12月制附:设计任务书一、设计题目10.0m3液氨贮罐的设计二、设计参数及要求一、设计参数液氨压力:16Kg/cm²;温度:40℃;公称容积:10.0m³操作容积:9.0m³介质: 液氨设计利用年限:10年建议利用材料:16MnR二、设计要求按照设计参数, 对液氨贮罐的主要元件(筒体、封头)进行正确的强度、刚度和稳定性计算和结构设计;对贮罐的附件进行选型;熟悉贮罐质量的查验方式;绘制出贮罐的装配图;三、设计内容一、概述二、罐体的设计(1)罐体的PN、DN肯定(2)筒体壁厚的设计(3)封头壁厚的设计(4)筒体长度的设计3、罐体的压力实验(1)罐体的水压实验(2)罐体的气压实验4、罐体附件的选型及尺寸设计(1)工艺接管的设计(2)支座的设计(3)人孔的设计(4)液面计的设计五、罐体的开孔及补强的计算(1)允许开孔的范围(2)开孔补强的设计计算(3)补强圈的设计5、设计结果汇总6、10.0m3液氨贮罐装配图7、设计评述四、图纸要求10.0m3液氨贮罐装配图,A1号图纸五、参考资料[1] 汤善甫、朱思明等编.化工设备机械基础[M] . 上海:华东理工大学出版社.[2] 化工设备设计手册.材料与零部件(上). 上海科学技术出版社.1981[3] 广西大学《实用机械零部件手册》编写组. 实用机械零件手册.广西科学技术出版社附:目录一、液氨储罐的工艺设计计算 (1)1、罐体的设计 (1)、罐体的PN、DN肯定 (1)1.1.1、罐体DN的肯定 (1)1.1.2、釜体PN的肯定 (1)、筒体壁厚的设计 (1)1.2.1、设计参数的肯定 (1)1.2.2、筒体壁厚的设计 (1)1.2.3、刚度条件设计筒体的最小壁厚 (1)、罐体封头壁厚的设计 (2)2.3.1、设计参数的肯定 (2)2.3.2、封头的壁厚设计 (2)2.3.3、封头的直边、体积及重量的肯定 (2)、筒体的长度设计及重量的肯定 (2)、贮罐的压力实验 (3)、罐体的水压实验 (3)1.6.1、液压实验压力的肯定 (3)1.6.2、液压实验的强度校核 (3)1.6.3、压力表的量程、水温的要求 (3)1.6.4、液压实验的操作进程 (3)、罐体的气压实验 (3)1.7.1、气压实验压力的肯定 (3)1.7.2、气压实验的强度校核 (3)1.7.3、压力表的量程、气温的要求 (4)1.7.4、气压实验的操作进程 (4)2、罐体的开孔与补强 (4)、开孔补强的设计准则 (4)、开孔补强的计算 (4)2.2.1、开孔补强的有关计算参数 (4)2.2.2、补强圈的设计 (5)3、罐体附件的选型及尺寸设计 (5)、工艺接管的设计 (5)3.1.1、液氨进料管 (5)3.1.2、液氨出料管 (5)3.1.3、排污管 (5)3.1.4、安全阀接口管 (6)3.1.5、压力表接口管 (6)、支座的设计 (6)、鞍座的计算 (6)、安装位置 (7)、人孔的设计 (7)、液面计的设计 (7)二、设计结果一览表 (8)三、课程设计总结 (9)四、参考资料 (10)一、液氨储罐的工艺设计计算1、罐体的设计、罐体的PN、DN肯定1.1.1、罐体DN的肯定液氨贮罐的长径比L/D i一般取3~,本设计取L/D i=,由V=(πDi2/4) L=10和L/D i =,得:D i==1569mm。
课程设计任务书课程名称:化工设备机械基础课程设计设计题目:14.0 m3液氨贮罐的设计(一)、教学要求课程设计是对课程内容的应用性训练环节,是学生应用所学知识进行阶段性的单体设备或单元设计等方面的专业训练过程,也是对理论教学效果的检验。
通过这一环节使学生在查阅资料、理论计算、工程制图、调查研究、数据处理等方面得到基本训练,培养学生综合运用理论知识分析、解决实际问题的能力(二)、设计资料及参数本设计任务为设计一14.0 m3液氨贮罐的设计。
设计条件如下:1、最高工作温度为40度,氨的饱和蒸汽压 1.55 兆帕;32、液氨的储量为14.0 m3 试根据上述设计条件完成液氨贮罐的设计。
(三)、设计要求及成果1. 确定容器材质;2. 确定罐体形状及名义厚度;3. 确定封头形状及名义厚度;4. 确定支座,人孔及接管,以及开孔补强情况5. 编制设计说明书以及绘制设备装配图 1 张(A2)。
二设计步骤1. 储罐材质的选取根据储罐设计的温度、压力要求集体积介质的综合考虑《化工设备机械基础》P114表6—7,GB150规定使用的低合金结构钢,选取钢号为16MnR的低合金钢。
2. 罐体的长度、公称直径(内径)设计根据液氨的储量14.0m3,有D i L 14即D i2L 17.832i取L=3.7m,D i =2.2m。
由所选数据可得:液氨的储量为D i L 3.14 2.2 3.7 14.06m322满足要求。
3.罐体壁厚设计1)设计压力P容器设计时必须考虑在工作情况下可能遇到的工作压力和相对器顶部最高压力与相应的设计温度一起作为设计载荷条件,其值不低于工作压力。
应的温度两者相结合中最苛刻工作压力来确定设计压力般是指容此液氨储罐采用安全法,依据《化工设备机械基础》若储罐采用安全法时设计压力应采用最大工作压力P W的 1.05-1.1 倍,取设计压力P=1.1PW(已知P W=1.45MPa表压)所以P=1.1PW=1.6MPa2)罐体的焊接系数φ查《化工机械设备基础》的表14-5 ,对此罐体采用双面全焊头对接焊缝,进行100%全部无损检查,则焊接系数φ =1.03 )储罐钢材的最大许用应力[σ]t40o4) 腐蚀余量由于储存液体为液氨溶液 , 所以介质对材质的腐蚀为轻度腐 蚀, 腐蚀速率在 0.05-0.13mm/a ,同时储罐为单面腐蚀,则取腐 蚀余量 C 2=1.0mm 。
设计任务书课题:液氨贮罐的机械设计设计内容:根据给定的工艺参数设计一个液氨贮罐相关工艺参数:最高使用温度:T=50℃公称直径:DN=2800mm筒体长度(不含封头):L0=4500mm 设计操作步骤:1.筒体材料的选择2.罐的结构及尺寸3.罐的制造施工4.零部件型号及位置、接口5.相关校核计算设计人: XXX学号:080801XXXX下达时间:2011年11月25日完成时间:2011年12月26日目录前言 (1)1设计方案 (2)1.1设计原则 (2)1.2材料的选择 (2)1.3结构的选择 (2)2设计参数 (4)3设计计算 (5)3.1壁厚的计算 (5)3.1.1筒体壁厚 (5)3.1.2封头壁厚 (5)3.2鞍座承载能力计算 (7)3.2.1罐体质量m1 (7)3.2.2 封头质量m2 (7)3.2.3液氨质量m3 (7)3.2.4附件质量m4 (7)3.3人孔补强计算 (8)4附件选择 (11)4.1人孔选择 (11)4.2接口管的选择 (11)4.2.1液氨进料管 (11)4.2.2液氨出料管 (11)4.2.3液面计接口管 (11)4.2.4安全阀接口管 (11)4.2.5放空阀接口管 (11)4.2.6排污管 (11)5参数校核 (12)5.1筒体轴向应力校核 (12)5.1.1筒体轴向弯矩计算 (12)5.1.2筒体轴向应力计算 (12)5.2筒体和封头切向应力校核 (14)5.2.1筒体切向应力计算 (14)5.2.2 封头切向应力计算 (14)5.3筒体环向应力校核 (14)5.3.1环向应力计算 (14)5.3.2环向应力校核 (15)5.4鞍座有效断面平均压力 (15)6设计汇总 (17)7小结 (21)参考文献 (22)前言本设计是针对《化工设备机械基础》这门课程所安排的一次课程设计,是对这门课程的一次总结,要综合运用所学的知识并查阅相关书籍完成设计。
液氨作为一种重要的化工原料,在工业上应用广泛。
课程设计
1.设计题目:液氨储罐机械设计
(2). 设计数据:
3. 工艺条件图
4. 计算及说明部分内容(设计内容):
第1章绪论:
(1)概述
(2)设计任务、设计思想、设计特点;
(3)主要设计参数的确定及说明。
第2章材料及结构的选择与论证
(1)材料选择与论证;
(2)结构选择与论证:封头型式的确定、人孔选择、法兰型式、液面计的选择、鞍座的选择确定。
第3章设计计算
(1)计算筒体的壁厚;
(2)计算封头的壁厚;
(3)水压试验压力及其强度校核;
(4)选择人孔并核算开孔补强;
(5)选择鞍座并核算承载能力;
(6)选择液位计;
(7)选配工艺接管。
设计小结
参考文献
5.绘图部分内容:
总装配图一张(A1图纸)
6.设计期限:1周(2009 年 7 月 04 日~ 2009 年 7 月 08 日)7、设计参考进程:
(1)设计准备工作、选择容器的型式和材料半天
(2)设计计算筒体、封头、选择附件并核算开孔补强等一天
(3)绘制装配图二天
(4)编写计算说明书一天
(5)答辩半天。
湖北大学化学化工学院化工设备机械基础课程设计计算说明书课程设计题目: 液氨储罐设计姓名邹晓双学号专业年级12级化工2班指导教师鲁德平日期目录一、设计任务书 (1)二、液氨储罐设计参数的确定 (2)1、根据要求选择罐体和封头的材料 (2)2、确定设计温度与设计压力 (2)3、其他设计参数 (2)三、筒体和封头壁厚的计算 (2)1.1设计参数的确定 (3)1.2筒体壁厚的设计 (3)1.3刚度条件设计筒体的最小壁厚 (3)2、罐体封头壁厚的计算 (3)3、罐体的水压试验 (3)3.1液压试验压力的确定 (3)3.2液压试验的强度校核 . (3)3.3压力表的量程、水温的要求 (3)3.4液压试验的操作过程 (3)4、罐体的气压试验 (4)4.1气压试验压力的确定 (4)4.2气压试验的强度校核 (4)4.4、气压试验的操作过程 (4)四、罐体的开孔与补强 (4)1、开孔补强的设计准则 (4)2、开孔补强的计算 (4)2.1、开孔补强的有关计算参数 .......................5 2.2、补强圈的设计 (5)五、选择鞍座并核算承载能力 (5)1、支座的设计 (5)3、安装位置 (6)4、人孔的设计 (6)5、液面计的设计 (7)六、选配工艺接管 (7)1、液氨进料管 (7)2、液氨出料管 (7)3、排污管 (7)4、安全阀接口管 (7)5、压力表接口管 (8)七、设计结果一览表 (9)八、液氨储罐装配图(见附图)...............................一、设计任务书试设计一液氨储罐,其公称容积、储罐内径、罐体(不包括封头)长度见下表。
使用地点:家乡--湖北省十堰市竹溪县。
技术特性表二、液氨储罐设计参数的确定1、根据要求选择罐体和封头的材料纯液氨腐蚀性小,贮罐可选用一般钢材,但由于压力较大,可以考虑20R、16MnR.这两种钢种。
如果纯粹从技术角度看,建议选用20R类的低碳钢板, 16MnR钢板的价格虽比20R 贵,但在制造费用方面,同等重量设备的计价,16MnR钢板为比较经济。
液氨贮罐设计设计任务书课题:液氨贮罐的机械设计设计内容:根据给定工艺参数设计一台液氨贮罐已知工艺参数:最高使用温度:T=50℃公称直径:DN=3000mm筒体长度(不含封头):L0=5000mm 具体内容包括:1.罐体材料的选择2.罐的结构及尺寸3.罐的制造施工4.零部件型号及位置,接口5.相关校核计算设计人:贾善坤学号:0708010219下达时间:2010年11月19日完成时间:2010年12月24日目录前言 (1)1 液氨贮罐的设计参数 (2)1.1 容器直径 (2)1.2 容器长度 (2)1.3 设计温度 (2)1.4 设计压力 (2)2液氨贮罐的分类与选型 (3)2.1 贮罐的分类 (3)2.2 贮罐的选型 (3)3 材料用钢的选取 (4)3.1 容器用钢 (4)3.2 附件用钢 (4)4工艺计算 (5)4.1 筒体壁厚 (5)4.2 封头壁厚 (5)4.3 水压试验 (6)4.4 支座设计 (6)4.4.1 支座选取 (6)4.4.2 鞍座计算 (6)4.5 人孔设计 (8)4.5.1 人孔选取 (8)4.5.2 人孔补强 (9)4.6接口管设计 (11)4.6.1 液氨进料管 (11)4.6.2 液氨出料管 (11)4.6.3 排污管 (12)4.6.4 液面计接管 (12)4.6.5 放空管接管 (12)4.6.6 安全阀接管 (12)5 参数校核 (13)5.1 筒体轴向应力校核 (13)5.1.1 筒体轴向弯矩计算 (13)5.1.2 筒体轴向应力计算 (14)5.2 筒体和封头切向应力校核 (16)5.2.1筒体切向应力计算 (16)5.2.2 封头切向应力计算 (16)5.3 筒体环向应力的计算和校核 (16)5.3.1环向应力的计算 (16)5.3.2 环向应力的校核 (17)5.4 鞍座有效断面平均压力 (17)6 设计总结 (19)7 设计一览表 (20)8 贮罐技术要求 (22)9 参考文献 (23)前言化工容器与设备是化工、石油、轻工、冶金等生产中的重要生产装置。
设计任务书一、设计题目13m3液氨贮罐的设计二、设计任务设计一个容积为13m3液氨贮罐三、设计条件1.最高温度40℃,氨的饱和蒸汽压为1.55Mpa2.液氨的储量为13m3四、设计步骤1.确定容器的材质根据液氨贮罐的工作压力、工作温度和介质的性质可知该设备为一中压常温设备,介质对碳钢的腐蚀作用很小。
故选材料时,主要考虑的强度指标(指σs和σb)和塑性指标适合的材料有:A3R、20g、16MnR、15MnVR。
为了节省金属,高压设备应优先选取普通低合金钢、中强度。
凡属强度计算为主要的中压设备亦以采用普通低合金钢为宜。
因为屈服强度分别为343MPa 和392MPa的普通低合金钢,其材料价格与碳素钢差不多,但强度比碳素钢约高30%-60%,采用该类钢材制造压力容器,可以有效地减少设备质量,降低成本,给设备的制造、运输、安装带来很大的方便。
其中16MnR的机械加工性能、强度和塑性指标都比较好,综合金属的强度、刚度、温度、抗腐蚀能力等方面考虑选用16MnR制作罐体和封头。
2. 确定罐体的形状及内径(1)由于此容器为液氨贮存性容器,所以此容器选用罐身为圆筒形,两端均用标准椭圆形封头的卧式容器。
(2)内径的确定根据《化工设备机械与基础》中的表8-1压力容器的公称直径,由于V=13m3液氨贮罐,试选用Di=1600mm,设罐身的长度为L,则2×V1+V2× L= 26m3V1——标准椭圆形封头的容积查表为0.586 m3V2——筒体每米的容积查表为2.017 m3求得L=2.40m.由L/Di=1.5 符合L/Di=2-9所以次容器的罐身的长度L=2400mm,公称直径Di=1600mm3.罐体壁厚设计设计壁厚δd 根据公式计算:40o C温度时,16MnR钢材的许用应力表负偏差查表:式中 P-设计压力。
本贮罐在夏季最高温度可达40℃,这时氨的饱和蒸气压为1.55MPa(绝对压力),故取p=1.1×1.45=1.6 MPa (表压);Di=1600mm;[σ]t =170MPa(表8-7);φ=1.O(双面对接焊缝,100%探伤,表8-10);C2=1mm 于是:δd =[]ppD-⨯⨯φσ2+C2=6.10.1170216006.1-⨯⨯⨯+1=8.6mm取C1=0.8mm (见表8-11),圆整后取δ=12mm 厚的16MnR 钢板制作罐体。
目录第一章绪论 (1)1.1 设计任务 (1)1.2 设计思路 (2)1.3 设计特点 (2)1.4 主要设计参数的确定及说明 (3)第二章材料及结构的选择与论证 (4)2.1 材料的选择与论证 (4)2.2 结构的选择与论证 (4)第三章设计计算 (7)3.1 公称直径DN的确定 (7)3.2 计算筒体的壁厚 (7)3.3 计算封头的壁厚 (8)3.4 水压实验及其强度校核 (8)3.5 选择人孔并核算开孔补强 (9)3.6 选择鞍座并核算承载能力 (9)3.7 选择液位计 (14)3.8 选配工艺接管 (14)第四章设计小节 (15)第一章绪论1.1设计任务设计题目:液氨储罐机械设计公称容积():50工作压力(MPa):3.2工作温度(℃):40材料:16MnR设计任务主要分两个阶段:(1)准备阶段A、准备好设计资料、手册、图纸、说明书的报告纸B、认真研究、分析设计任务及有关设计数据,明确设计要求及设计内容C、认真复习有关教科书内容,熟悉有关资料及步骤D、结合有关图纸,了解设备结构及作用(2)机械设计阶段A、根据设计参数,论证选材、论证物料的腐蚀性及对环境的污染情况B、根据计算有关壳体的尺寸,根据压力计算壳体壁厚,校核壳体的强度,确定合理尺寸C、选用零部件,查标准及手册,确定尺寸和结构D、计算设备重量,列表有关附件的重量E、绘制设备总装图,进行缩小或放大绘图比例F、提出技术要求,对设备制造、检验、安装提出技术地求,并在总图上标注清楚G、编写设计说明书1.2设计思路各种石油化工设备,虽然大小不一、形状不同,但都有一个受到内压或外压作用的称之为压力容器的外壳。
压力容器是化工生产所用的各种各样化工设备外部壳体的总称。
所以,容器设计是所有化工设备设计的基础。
综合运用所学的机械基础课程知识,考虑结构方面的要求,合理地进行设计,研究出最佳方案。
1.3设计特点对化工压力容器的基本要求:(1)安全可靠性的要求要求所使用的设备具有足够的强度、韧性和刚度,以及良好的密封性和腐蚀性。