投标设备技术性能说明
- 格式:docx
- 大小:918.30 KB
- 文档页数:18
投标设备主要技术性能,配置情况,技术参数及功能1,Schindler 3300AP 系列乘客电梯介绍Schindler 3300AP 系列电梯是瑞士迅达电梯公司针对亚太地区市场特点而推出的乘客电梯。
该产品主要面向亚洲市场,同时出口大洋洲,东欧,非洲等地区。
其特点是使用了一种新的曳引技术,从而在电梯乘坐舒适度,井道空间利用率上表现优异。
同时独具一格的时尚轿厢设计与呼梯系统,充分贴合现代建筑的整体理念。
该系列的无机房产品Schindler 3300AP,载重从400公斤到1000公斤,速度从1m/s到1.75m/s,最大停站数25层。
适用于各种别墅,住宅和中低要求的办公大楼,宾馆及博物馆等。
环保高效的驱动系统高效交流异步无齿曳引机配合先进的曳引媒介和变频驱动,具有外形尺寸小,效率高,实现小扭矩,低能耗,使得整台电梯结构紧凑,环保节能。
能耗经济的曳引机,由于采用先进的曳引媒介,无论在电梯内,还是在整座建筑物内,令噪音降至极低。
双碟形制动器结构紧凑,安全,可靠,宁静。
整梯通过国际权威电梯能效评级VDI4707。
综合能耗最高可达A 级。
运行安静的曳引媒介曳引媒介取代传统的钢丝绳,重量更轻,占用空间更小,运行却更安静。
控制系统Schindler 3300AP系列电梯采用迅达最新研制的专业32位电梯控制系统。
其核心服务成本计算原则是极其先进精确的调度原则。
它使候梯及运行时间更低,自动上行高峰及下行高峰电梯运行模式切换以及空轿厢自动分配等功能为群控电梯的垂直交通处理提供了极大的方便。
该控制系统不仅具有普通控制系统所有的功能,而且拓展了保留运行,独立运行,优先运行,消防功能,司机控制等其他特殊控制功能。
最多可群控三台电梯。
控制柜安装在顶层门框内,不仅简化了电梯安装和日常操作,更大幅度节省了空间。
其高效的解决方案是电梯行业一项重要改进。
安全系统Schindler 3300AP系列电梯采用了最安全的保护系统。
除了常规的安全部件如安全钳,限速器,缓冲器之外,还采用了大量的电子保护措施。
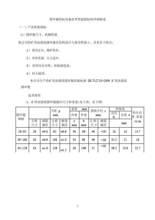
圆环链投标设备技术性能指标的详细描述(一)产品性能指标(1)圆环链尺寸、机械性能我公司的矿用高强度圆环链在结构设计与使用性能上,具有以下特点:1)使用安全,维护简单。
2)外形美观,尺寸适中。
3)采用闪光对焊,焊接强度高。
4)经久耐用。
本公司生产的矿用高强度圆环链依据标准 GB/T12718-2009 矿用高强度圆环链技术特性1、矿用高强度圆环链链环尺寸和重量(见下表,见下图)圆环链规格试验负荷kN试验负荷下最大伸长率%最小破断负荷kN破断时最小总伸长率%C级D级C级D级C级D级C级D级26×92 680 — 1.6 —850 —12 —30×108 900 — 1.6 —1130 —12 —34×126 1160 1450 1.6 1.9 1450 1810 12 123、矿用高强度圆环链疲劳强度(见下表)圆环链规格疲劳试验负荷kN最小循环次数C 级D 级下限上限下限上限26×92 53 350 ——30000 30×108 71 467 ——30000 34×126 90 598 90 725 30000圆环链是按照GB/T12718-2009 标准要求的圆钢弯曲、编结、焊接而成,其结构如下图所示(2)紧凑链尺寸、机械性能型式和尺寸产品的型式、尺寸及质量应符合图1、图2和表1的规定。
图2立环表1紧凑链规格、链环尺寸及质・伸长率:试验负荷下最大伸长率不大于 1.6%;破断时最小总伸长率不大于 12%2.配对长度在拉伸应力为25 N/mm2的成品链上测量,任意两条配对链条的长度之差应符合下列规定:a)2 m和2 m以内的链条,长度之差不得大于链条长度的0.1%;b)2 m以上的链条,长度之差不得大于链条长度的0.15%;3.平环用钢材质量应满足GB/T 12718—2001中5. 2至5. 3的规定。
4.立环钢材的化学成分及机械性能应等同于平环材料。
投标设备技术性能指标的详细描述
设备技术性能指标是指设备的技术能力,它反映了设备在发挥功能时的性能水平。
设备技术性能指标的具体内容可以从功能、结构、精度、稳定性、可靠性、安全性、维护性、经济性、环保性等方面来考虑。
首先,从功能性能指标上来看,它表示设备的功能范围,以及每个功能的完成程度。
其次,从结构性能指标上来看,它表示设备的结构设计是否合理、是否满足要求。
此外,从精度性能指标上来看,它表示设备的精度水平,即设备能够达到的最高精度等级。
再者,从稳定性性能指标上来看,它表示设备在持续使用条件下,能否长期稳定运行。
此外,从可靠性性能指标上来看,它表示设备在正常使用情况下,能否可靠地完成任务。
此外,从安全性性能指标上来看,它表示设备在使用过程中,能否满足安全要求,不会有安全事故发生。
此外,从维护性性能指标上来看,它表示设备的维护难度。
最后,从经济性性能指标上来看,它表示设备的使用成本是否合理,以及其有效利用率是否满足要求。
此外,从环保性性能指标上来看,它表示设备的运行是否符合环保要求,不会对环境造成污染。
通过以上分析,可以看出,设备技术性能指标是来描述设备功能、结构、精度、稳定性、可靠性、安全性、维护性、经济性、环保性等性能水平的一种量化技术指标。
它对设备的技术性能有着重要的指导意义,为设备的
正确选择、使用及维护提供了重要参考依据。
本文部分内容来自网络整理,本司不为其真实性负责,如有异议或侵权请及时联系,本司将立即删除!== 本文为word格式,下载后可方便编辑和修改! ==投标产品的质量、技术、性能综合说明篇一:投标设备技术性能说明投标设备技术性能说明*****工贸有限公司在管道原材料的选用,生产加工设备及检测设备的购置和严格贯彻执行国家相关生产标准等综合因素确保了产品的可靠性和使用寿命。
体现了公司以“重质、守信”的经营理念。
一、产品特性1、公司选用给水管专用料,它保证了PE管的综合的性能和饮用水卫生安全。
2、PE给水管具有耐腐蚀性、不泄漏性、高韧性、良好的抗刮痕能力、良好的抗快速开裂性等性能,从而保证了产品的使用可靠性和较长的使用寿命。
3、具有良好的卫生性能,无毒,不含重金属添加剂,不结垢,不滋生细菌,符合GB17219安全性评价规定。
4、内壁光滑,摩擦系数极低,是供水管道的首选。
5、耐寒性:在零度以下没有物理变化和不会产生冻裂现象。
6、耐腐蚀性和绝缘性:不存在腐蚀和电位腐蚀,不会产生缩径现象,化学稳定性好,抗各种酸、碱、盐的腐蚀,且具有很好的耐腐蚀性,因此聚乙烯管埋地铺设不需要防腐处理。
7、耐渗透性:不发生任何化学反映,微生物不能渗透。
8、重量轻:仅为镀锌钢管重量的1/7,施工方便,安全省时间。
9、具有独特的柔韧性:在敷设时方便经济,不需开挖工作坑,沟底的平整度要求也不高;材质具有可熔接性,管件与管材为同质量材料,聚乙烯管的熔接接头可以承受轴向负荷而不发生泄露和脱开。
其断裂伸长率大于350%,弯曲半径可以小到管道直径的20-25倍,还有优秀的耐刮伤痕能力,因此铺设时很容易移动,弯曲和穿插。
10、对于管道基础的适用能力强:一方面铺设时对于管基的要求较低,可以节约施工安装费用,且适用年限长、故障率低,所需人力少及工期短,它是一种经济型管材。
11(来自:WWw. : 投标产品的质量、技术、性能综合说明 )、密封性好。
PE管本身采用熔接连接(热熔或电熔),本质上保证了接口材质、结构与管体本身的同一性。
投标产品技术参数投标产品的技术参数主要是指产品的各项技术指标和性能参数,包括产品的外观尺寸、电气参数、功能特点、操作方式等。
在投标产品的技术参数中,除了对产品性能的描述外,还需要对产品的技术特点进行详细的介绍,以满足客户的需求。
以下是一份投标产品技术参数的示例,供参考:产品名称:智能家居系统一、外观尺寸1. 主机尺寸:150mm*100mm*50mm2. 子机尺寸:80mm*80mm*30mm二、电气参数1.输入电压:AC100V-240V,50Hz/60Hz2.输出电压:DC12V3.工作电流:≤500mA4.通信方式:Wi-Fi、蓝牙三、功能特点1.遥控功能:支持手机APP远程遥控家电设备,实现一键开关、调节亮度、温度控制等功能。
2.安防功能:支持智能门窗感应器,当有人非法入侵时,系统将立即发送警报信息。
3.能源管理:系统可以对家中用电设备进行定时开关控制,节约能源、提高效率。
4.智能场景:支持自定义场景设置,根据用户的需求自动调节家中的照明、温度、音响等设备。
5.数据统计:系统可以对家中用电设备的耗电量进行实时统计和分析,并生成报表,帮助用户更好地管理用电。
四、操作方式2.语音控制:支持语音控制功能,用户可以通过语音指令控制家中的设备开关和状态。
五、产品优势1.稳定可靠:产品采用先进的技术,确保系统的稳定性和可靠性。
2.兼容性强:产品兼容多种设备和平台,可以与其他智能家居设备集成使用。
3.易于安装:产品结构简单、安装方便,适用于各种家庭环境。
4.操作简单:通过手机APP和语音控制,用户可以轻松操作智能家居系统。
六、售后服务1.故障保修:产品提供免费保修服务,在保修期内,若发生故障可享受维修服务。
本文部分内容来自网络整理,本司不为其真实性负责,如有异议或侵权请及时联系,本司将立即删除!== 本文为word格式,下载后可方便编辑和修改! ==投标书产品质量性能篇一:投标设备技术性能说明投标设备技术性能说明*****工贸有限公司在管道原材料的选用,生产加工设备及检测设备的购置和严格贯彻执行国家相关生产标准等综合因素确保了产品的可靠性和使用寿命。
体现了公司以“重质、守信”的经营理念。
一、产品特性1、公司选用给水管专用料,它保证了PE管的综合的性能和饮用水卫生安全。
2、PE给水管具有耐腐蚀性、不泄漏性、高韧性、良好的抗刮痕能力、良好的抗快速开裂性等性能,从而保证了产品的使用可靠性和较长的使用寿命。
3、具有良好的卫生性能,无毒,不含重金属添加剂,不结垢,不滋生细菌,符合GB17219安全性评价规定。
4、内壁光滑,摩擦系数极低,是供水管道的首选。
5、耐寒性:在零度以下没有物理变化和不会产生冻裂现象。
6、耐腐蚀性和绝缘性:不存在腐蚀和电位腐蚀,不会产生缩径现象,化学稳定性好,抗各种酸、碱、盐的腐蚀,且具有很好的耐腐蚀性,因此聚乙烯管埋地铺设不需要防腐处理。
7、耐渗透性:不发生任何化学反映,微生物不能渗透。
8、重量轻:仅为镀锌钢管重量的1/7,施工方便,安全省时间。
9、具有独特的柔韧性:在敷设时方便经济,不需开挖工作坑,沟底的平整度要求也不高;材质具有可熔接性,管件与管材为同质量材料,聚乙烯管的熔接接头可以承受轴向负荷而不发生泄露和脱开。
其断裂伸长率大于350%,弯曲半径可以小到管道直径的20-25倍,还有优秀的耐刮伤痕能力,因此铺设时很容易移动,弯曲和穿插。
10、对于管道基础的适用能力强:一方面铺设时对于管基的要求较低,可以节约施工安装费用,且适用年限长、故障率低,所需人力少及工期短,它是一种经济型管材。
11、密封性好。
PE管本身采用熔接连接(热熔或电熔),本质上保证了接口材质、结构与管体本身的同一性。
投标设备技术性能指标详细描述一、性能指标1、型号:投标设备型号应符合投标文件的要求,具有良好的可靠性和稳定性,并可满足投标文件中提出的性能要求。
2、性能指标:投标设备的性能指标应符合投标文件中规定的要求,包括但不限于设备的精度、数据传输率、可靠性、安全性、灵敏度、稳定性、耐用性等。
3、安全性:投标设备应具有良好的安全性,可以有效地防止电磁干扰、火灾、短路等安全隐患,以确保设备的正常运行。
4、可靠性:投标设备应具有良好的可靠性,可以长期稳定地运行,并可满足投标文件中规定的可靠性要求。
5、稳定性:投标设备应具有良好的稳定性,可以在预定的环境温度、湿度和压力范围内长期稳定地运行,确保设备的正常工作。
6、耐用性:投标设备应具有良好的耐用性,可以在投标文件中规定的环境条件下长期稳定地运行,并可满足投标文件中规定的耐用性要求。
二、实例为了更好地说明投标设备技术性能指标,下面举例说明:1、型号:投标设备型号为XX-XXX-XXX,符合投标文件的要求,具有良好的可靠性和稳定性,可满足投标文件中提出的性能要求。
2、性能指标:投标设备的性能指标精度为±0.1%,数据传输率为12M/s,可靠性为99.99%,安全性为99.999%,灵敏度为0.1℃,稳定性为±2℃,耐用性为100,000小时。
3、安全性:投标设备采用国际先进的抗电磁干扰技术,能有效防止电磁干扰、火灾、短路等安全隐患,以确保设备的正常运行。
4、可靠性:投标设备采用先进的技术手段,可长期稳定地运行,满足投标文件中规定的可靠性要求。
5、稳定性:投标设备采用先进的技术手段,可以在投标文件中规定的环境温度、湿度和压力范围内长期稳定地运行,确保设备的正常工作。
6、耐用性:投标设备采用先进的技术手段,可以在投标文件中规定的环境条件下长期稳定地运行,并可满足投标文件中规定的耐用性要求。
总之,投标设备的技术性能指标是非常重要的,应符合投标文件的要求,同时应具有良好的可靠性、安全性、稳定性和耐用性,以确保设备的正常运行。
投标设备技术性能说明 Company number:【WTUT-WT88Y-W8BBGB-BWYTT-19998】投标设备技术性能说明*****工贸有限公司在管道原材料的选用,生产加工设备及检测设备的购置和严格贯彻执行国家相关生产标准等综合因素确保了产品的可靠性和使用寿命。
体现了公司以“重质、守信”的经营理念。
一、产品特性1、公司选用给水管专用料,它保证了PE管的综合的性能和饮用水卫生安全。
2、PE给水管具有耐腐蚀性、不泄漏性、高韧性、良好的抗刮痕能力、良好的抗快速开裂性等性能,从而保证了产品的使用可靠性和较长的使用寿命。
3、具有良好的卫生性能,无毒,不含重金属添加剂,不结垢,不滋生细菌,符合GB17219安全性评价规定。
4、内壁光滑,摩擦系数极低,是供水管道的首选。
5、耐寒性:在零度以下没有物理变化和不会产生冻裂现象。
6、耐腐蚀性和绝缘性:不存在腐蚀和电位腐蚀,不会产生缩径现象,化学稳定性好,抗各种酸、碱、盐的腐蚀,且具有很好的耐腐蚀性,因此聚乙烯管埋地铺设不需要防腐处理。
7、耐渗透性:不发生任何化学反映,微生物不能渗透。
8、重量轻:仅为镀锌钢管重量的1/7,施工方便,安全省时间。
9、具有独特的柔韧性:在敷设时方便经济,不需开挖工作坑,沟底的平整度要求也不高;材质具有可熔接性,管件与管材为同质量材料,聚乙烯管的熔接接头可以承受轴向负荷而不发生泄露和脱开。
其断裂伸长率大于350%,弯曲半径可以小到管道直径的20-25倍,还有优秀的耐刮伤痕能力,因此铺设时很容易移动,弯曲和穿插。
10、对于管道基础的适用能力强:一方面铺设时对于管基的要求较低,可以节约施工安装费用,且适用年限长、故障率低,所需人力少及工期短,它是一种经济型管材。
11、密封性好。
PE管本身采用熔接连接(热熔或电熔),本质上保证了接口材质、结构与管体本身的同一性。
其接口的抗拉强度与爆破强度均高于管材本体,可有效抵抗内压力产生的环向应力及轴向的拉伸应力,密封性能十分良好。
一、项目背景为满足我国某地区某项目需求,现对项目所需设备进行公开招标。
为确保项目顺利进行,特制定本招标文件,对产品技术参数进行详细说明。
二、招标内容本次招标产品为某型号设备,具体技术参数如下:三、产品技术参数1. 设备名称:某型号设备2. 设备型号:XX3. 设备类型:通用设备4. 设备用途:用于某项目5. 设备规格:(1)尺寸:长XX米,宽XX米,高XX米(2)重量:XX吨6. 功率:XX千瓦7. 电压:XX伏特8. 频率:XX赫兹9. 电流:XX安培10. 环境要求:(1)温度:-20℃~+50℃(2)湿度:≤95%(相对湿度)(3)海拔:≤2000米11. 防护等级:IP5412. 控制系统:(1)操作系统:Windows 10(2)编程语言:C++(3)数据库:MySQL13. 数据接口:(1)串口:RS232(2)网口:RJ4514. 通讯协议:(1)TCP/IP(2)Modbus15. 安全性能:(1)设备具备多重保护功能,如过载保护、短路保护、过温保护等。
(2)设备具备数据备份功能,确保数据安全。
16. 使用寿命:≥10年17. 售后服务:(1)质保期:自验收合格之日起12个月(2)质保期内,免费提供设备维修、更换零部件等服务。
(3)质保期外,提供有偿维修服务。
四、产品性能指标1. 设备运行稳定,无故障率低于0.1%2. 设备运行噪音≤60分贝3. 设备运行效率≥95%4. 设备抗干扰能力强,可抵御外部电磁干扰5. 设备可远程监控,实时掌握设备运行状态五、技术支持1. 招标人需提供设备技术支持,包括但不限于:(1)设备操作手册(2)设备维护保养手册(3)设备故障排除手册(4)设备软件升级包2. 招标人需在项目实施过程中,对设备进行技术指导,确保设备正常运行。
六、招标文件要求1. 投标人需严格按照本招标文件要求,提供完整的技术参数、产品说明书等相关资料。
2. 投标人需在投标文件中明确设备价格、售后服务等内容。
投标设备技术性能详细描述范文英文回答:Technical Performance Description of Bidding Equipment.The technical performance of the bidding equipment is crucial in determining its suitability and competitiveness in the market. In this article, I will provide a detailed description of the technical performance of the equipment, highlighting its key features and advantages.First and foremost, the equipment boasts exceptional reliability and durability. It is designed to withstand harsh operating conditions and deliver consistent performance over an extended period. For example, our equipment has been tested in extreme temperatures and has proven to be highly resistant to corrosion and wear. This ensures that the equipment can operate efficiently and reliably in various environments, making it an ideal choice for different industries.In addition to its reliability, the equipment alsooffers superior efficiency. It is equipped with advanced technologies that optimize energy consumption and minimize waste. For instance, our equipment is equipped with energy-saving motors and intelligent control systems that automatically adjust the power output based on the workload. This not only reduces energy costs but also contributes toa greener and more sustainable operation.Furthermore, the equipment is highly versatile and adaptable. It can be customized and configured to meet specific requirements and applications. For example, our equipment can be equipped with various attachments and accessories to perform different tasks, such as drilling, cutting, and lifting. This flexibility allows our customers to maximize the utilization of the equipment and achieve greater productivity.Moreover, the equipment is designed with user-friendliness in mind. It features intuitive controls and ergonomic designs that facilitate ease of operation andreduce operator fatigue. For instance, our equipment is equipped with a user-friendly interface and ergonomic handles that ensure comfortable and efficient operation. This not only improves productivity but also enhances the safety and well-being of the operators.Lastly, the equipment is supported by a comprehensive after-sales service. We provide timely technical support, maintenance, and spare parts to ensure the smooth operation and longevity of the equipment. Our dedicated team of technicians is available 24/7 to assist our customers with any issues or concerns they may have. This commitment to customer satisfaction sets us apart from our competitors and reinforces our reputation as a reliable and trusted equipment provider.中文回答:投标设备技术性能详细描述。
投标设备技术性能指标1.准确度:准确度是指设备测量或控制结果与真实值之间的接近程度。
对于测量设备,准确度可以通过比较测量结果和标准值来衡量。
对于控制设备,准确度可以通过比较设定值和实际输出值来评估。
准确度越高,设备的实用性和可靠性就越高。
2.灵敏度:灵敏度是指设备对输入变化的响应能力。
在测量设备中,灵敏度可以衡量设备对小变化的检测能力。
在控制设备中,灵敏度可以衡量设备对输入变化的快速响应能力。
高灵敏度的设备对于精确测量和快速控制至关重要。
3.响应时间:响应时间是指设备从接收到信号到产生相应输出的时间。
对于控制设备,响应时间越短,设备对输入变化的响应越快。
对于测量设备,响应时间可以衡量设备对动态过程的监测能力。
短响应时间对于实时监测和控制至关重要。
4.可靠性:可靠性是指设备在预定条件下正常工作的能力。
设备的可靠性可以通过故障率和可修复性来评估。
低故障率和容易修复的设备通常可以提供稳定和持久的运行。
5.适应性:适应性是指设备对不同工作条件的适应能力。
设备的适应性可以通过测试设备在不同环境条件下的性能来评估。
适应性强的设备可以在各种工作条件下提供稳定和可靠的性能。
6.可扩展性:可扩展性是指设备的功能和性能是否可以根据需要进行扩展。
对于许多设备,可扩展性对于随着需求增长而对设备进行升级和扩展非常重要。
可扩展性强的设备可以提供灵活的解决方案。
7.能效:能效是指设备在特定工作条件下所能提供的输出与所消耗的能量之比。
高效能设备可以在提供良好性能的同时减少能源消耗,降低运行成本。
8.安全性:安全性是指设备在使用过程中对操作人员和环境的保护能力。
安全性可以通过设备的防护措施、紧急停机机制和可靠性来评估。
安全性高的设备可以提供安全的工作环境。
综上所述,准确性、灵敏度、响应时间、可靠性、适应性、可扩展性、能效和安全性是常见的设备技术性能指标。
在进行设备投标时,买方应根据自身需求和优先级,选择合适的技术性能指标,并详细描述需要满足的要求。
投标设备技术性能说明*****工贸有限公司在管道原材料的选用,生产加工设备及检测设备的购置和严格贯彻执行国家相关生产标准等综合因素确保了产品的可靠性和使用寿命。
体现了公司以“重质、守信”的经营理念。
一、产品特性1、公司选用给水管专用料,它保证了PE管的综合的性能和饮用水卫生安全。
2、PE给水管具有耐腐蚀性、不泄漏性、高韧性、良好的抗刮痕能力、良好的抗快速开裂性等性能,从而保证了产品的使用可靠性和较长的使用寿命。
3、具有良好的卫生性能,无毒,不含重金属添加剂,不结垢,不滋生细菌,符合GB17219安全性评价规定。
4、内壁光滑,摩擦系数极低,是供水管道的首选。
5、耐寒性:在零度以下没有物理变化和不会产生冻裂现象。
6、耐腐蚀性和绝缘性:不存在腐蚀和电位腐蚀,不会产生缩径现象,化学稳定性好,抗各种酸、碱、盐的腐蚀,且具有很好的耐腐蚀性,因此聚乙烯管埋地铺设不需要防腐处理。
7、耐渗透性:不发生任何化学反映,微生物不能渗透。
8、重量轻:仅为镀锌钢管重量的1/7,施工方便,安全省时间。
9、具有独特的柔韧性:在敷设时方便经济,不需开挖工作坑,沟底的平整度要求也不高;材质具有可熔接性,管件与管材为同质量材料,聚乙烯管的熔接接头可以承受轴向负荷而不发生泄露和脱开。
其断裂伸长率大于350%,弯曲半径可以小到管道直径的20-25倍,还有优秀的耐刮伤痕能力,因此铺设时很容易移动,弯曲和穿插。
10、对于管道基础的适用能力强:一方面铺设时对于管基的要求较低,可以节约施工安装费用,且适用年限长、故障率低,所需人力少及工期短,它是一种经济型管材。
11、密封性好。
PE管本身采用熔接连接(热熔或电熔),本质上保证了接口材质、结构与管体本身的同一性。
其接口的抗拉强度与爆破强度均高于管材本体,可有效抵抗内压力产生的环向应力及轴向的拉伸应力,密封性能十分良好。
12、科学的安装和连接是PE管使用可靠性的基础和保障,本公司采用电熔及热熔连接方法,保证整体的同质性,使接口强度高于管材本体,解决了传统金属管道接口的泄漏性和腐蚀性。
投标书示例:机械设备尊敬的招标方:感谢贵公司发布本次机械设备采购项目的招标信息。
我方经过认真研究,决定参与本次投标,并诚挚希望能够为贵公司提供优质的机械设备及服务。
以下是我方针对本次招标项目的详细投标方案:一、投标设备简介我方本次投标的机械设备为我公司自主研发的一款具有高性能、高效率、易操作等特点的机械设备。
设备采用了先进的控制系统,能够实现自动化生产,提高了生产效率。
同时,设备在设计过程中充分考虑了节能环保,降低了能源消耗。
二、设备技术参数设备的主要技术参数如下:1. 设备尺寸:长×宽×高(单位:mm)2. 设备重量:净重(单位:kg)3. 设备功率:额定功率(单位:kW)4. 设备生产效率:每小时生产量(单位:件/小时)5. 设备能耗:每小时能耗(单位:kWh)三、服务承诺1. 设备交付:我方承诺在合同签订后X个月内完成设备的制造、调试及交付工作。
2. 安装调试:我方将派出专业技术人员负责设备的安装调试工作,确保设备正常运行。
3. 培训:我方将提供免费的技术培训,包括设备操作、维护及故障排除等内容,以确保贵公司员工能够熟练掌握设备的使用方法。
4. 售后服务:我方将提供X年的免费售后服务,包括设备维修、配件更换等。
四、投标价格根据贵公司的招标要求,我方提供的设备价格为人民币XX万元整(大写:人民币玖拾玖万捌仟元整),该价格包括但不限于设备成本、运输费用、安装调试费用、培训费用等。
五、投标保证金我方已向贵公司提交了人民币XX万元的投标保证金,并承诺在贵公司确定中标方后五个工作日内无息退还。
六、合作意向我方非常重视与贵公司的合作,希望能够通过本次投标,建立起长期稳定的合作关系。
如果贵公司对我方的投标方案有任何疑问或需要进一步沟通,请随时与我方联系。
再次感谢贵公司给予我方这次投标的机会。
我方将全力以赴,为客户提供最优质的产品和服务。
期待与贵公司的合作!此致敬礼!投标方:(公司名称)联系人:(姓名)联系(电话号码)电子邮箱:(邮箱地址)日期:(年/月/日)。
投标设备技术性能说明*****工贸有限公司在管道原材料的选用,生产加工设备及检测设备的购置和严格贯彻执行国家相关生产标准等综合因素确保了产品的可靠性和使用寿命。
体现了公司以“重质、守信”的经营理念。
一、产品特性1、公司选用给水管专用料,它保证了PE管的综合的性能和饮用水卫生安全。
2、PE给水管具有耐腐蚀性、不泄漏性、高韧性、良好的抗刮痕能力、良好的抗快速开裂性等性能,从而保证了产品的使用可靠性和较长的使用寿命。
3、具有良好的卫生性能,无毒,不含重金属添加剂,不结垢,不滋生细菌,符合GB17219安全性评价规定。
4、内壁光滑,摩擦系数极低,是供水管道的首选。
5、耐寒性:在零度以下没有物理变化和不会产生冻裂现象。
6、耐腐蚀性和绝缘性:不存在腐蚀和电位腐蚀,不会产生缩径现象,化学稳定性好,抗各种酸、碱、盐的腐蚀,且具有很好的耐腐蚀性,因此聚乙烯管埋地铺设不需要防腐处理。
7、耐渗透性:不发生任何化学反映,微生物不能渗透。
8、重量轻:仅为镀锌钢管重量的1/7,施工方便,安全省时间。
9、具有独特的柔韧性:在敷设时方便经济,不需开挖工作坑,沟底的平整度要求也不高;材质具有可熔接性,管件与管材为同质量材料,聚乙烯管的熔接接头可以承受轴向负荷而不发生泄露和脱开。
其断裂伸长率大于350%,弯曲半径可以小到管道直径的20-25倍,还有优秀的耐刮伤痕能力,因此铺设时很容易移动,弯曲和穿插。
10、对于管道基础的适用能力强:一方面铺设时对于管基的要求较低,可以节约施工安装费用,且适用年限长、故障率低,所需人力少及工期短,它是一种经济型管材。
11、密封性好。
PE管本身采用熔接连接(热熔或电熔),本质上保证了接口材质、结构与管体本身的同一性。
其接口的抗拉强度与爆破强度均高于管材本体,可有效抵抗内压力产生的环向应力及轴向的拉伸应力,密封性能十分良好。
12、科学的安装和连接是PE管使用可靠性的基础和保障,本公司采用电熔及热熔连接方法,保证整体的同质性,使接口强度高于管材本体,解决了传统金属管道接口的泄漏性和腐蚀性。
投标设备技术性能说明-图文某某某某某工贸有限公司在管道原材料的选用,生产加工设备及检测设备的购置和严格贯彻执行国家相关生产标准等综合因素确保了产品的可靠性和使用寿命。
体现了公司以“重质、守信”的经营理念。
一、产品特性1、公司选用给水管专用料,它保证了PE管的综合的性能和饮用水卫生安全。
2、PE给水管具有耐腐蚀性、不泄漏性、高韧性、良好的抗刮痕能力、良好的抗快速开裂性等性能,从而保证了产品的使用可靠性和较长的使用寿命。
3、具有良好的卫生性能,无毒,不含重金属添加剂,不结垢,不滋生细菌,符合GB17219安全性评价规定。
4、内壁光滑,摩擦系数极低,是供水管道的首选。
5、耐寒性:在零度以下没有物理变化和不会产生冻裂现象。
6、耐腐蚀性和绝缘性:不存在腐蚀和电位腐蚀,不会产生缩径现象,化学稳定性好,抗各种酸、碱、盐的腐蚀,且具有很好的耐腐蚀性,因此聚乙烯管埋地铺设不需要防腐处理。
7、耐渗透性:不发生任何化学反映,微生物不能渗透。
8、重量轻:仅为镀锌钢管重量的1/7,施工方便,安全省时间。
9、具有独特的柔韧性:在敷设时方便经济,不需开挖工作坑,沟底的平整度要求也不高;材质具有可熔接性,管件与管材为同质量材料,聚乙烯管的熔接接头可以承受轴向负荷而不发生泄露和脱开。
其断裂伸长率大于350%,弯曲半径可以小到管道直径的20-25倍,还有优秀的耐刮伤痕能力,因此铺设时很容易移动,弯曲和穿插。
10、对于管道基础的适用能力强:一方面铺设时对于管基的要求较低,可以节约施工安装费用,且适用年限长、故障率低,所需人力少及工期短,它是一种经济型管材。
11、密封性好。
PE管本身采用熔接连接(热熔或电熔),本质上保证了接口材质、结构与管体本身的同一性。
其接口的抗拉强度与爆破强度均高于管材本体,可有效抵抗内压力产生的环向应力及轴向的拉伸应力,密封性能十分良好。
12、科学的安装和连接是PE管使用可靠性的基础和保障,本公司采用电熔及热熔连接方法,保证整体的同质性,使接口强度高于管材本体,解决了传统金属管道接口的泄漏性和腐蚀性。
投标设备技术性能说明*****工贸有限公司在管道原材料的选用,生产加工设备及检测设备的购置和严格贯彻执行国家相关生产标准等综合因素确保了产品的可靠性和使用寿命。
体现了公司以“重质、守信”的经营理念。
一、产品特性1、公司选用给水管专用料,它保证了PE管的综合的性能和饮用水卫生安全。
2、PE给水管具有耐腐蚀性、不泄漏性、高韧性、良好的抗刮痕能力、良好的抗快速开裂性等性能,从而保证了产品的使用可靠性和较长的使用寿命。
3、具有良好的卫生性能,无毒,不含重金属添加剂,不结垢,不滋生细菌,符合GB17219安全性评价规定。
4、内壁光滑,摩擦系数极低,是供水管道的首选。
5、耐寒性:在零度以下没有物理变化和不会产生冻裂现象。
6、耐腐蚀性和绝缘性:不存在腐蚀和电位腐蚀,不会产生缩径现象,化学稳定性好,抗各种酸、碱、盐的腐蚀,且具有很好的耐腐蚀性,因此聚乙烯管埋地铺设不需要防腐处理。
7、耐渗透性:不发生任何化学反映,微生物不能渗透。
8、重量轻:仅为镀锌钢管重量的1/7,施工方便,安全省时间。
9、具有独特的柔韧性:在敷设时方便经济,不需开挖工作坑,沟底的平整度要求也不高;材质具有可熔接性,管件与管材为同质量材料,聚乙烯管的熔接接头可以承受轴向负荷而不发生泄露和脱开。
其断裂伸长率大于350%,弯曲半径可以小到管道直径的20-25倍,还有优秀的耐刮伤痕能力,因此铺设时很容易移动,弯曲和穿插。
10、对于管道基础的适用能力强:一方面铺设时对于管基的要求较低,可以节约施工安装费用,且适用年限长、故障率低,所需人力少及工期短,它是一种经济型管材。
11、密封性好。
PE管本身采用熔接连接(热熔或电熔),本质上保证了接口材质、结构与管体本身的同一性。
其接口的抗拉强度与爆破强度均高于管材本体,可有效抵抗内压力产生的环向应力及轴向的拉伸应力,密封性能十分良好。
12、科学的安装和连接是PE管使用可靠性的基础和保障,本公司采用电熔及热熔连接方法,保证整体的同质性,使接口强度高于管材本体,解决了传统金属管道接口的泄漏性和腐蚀性。
金力公司强大的产品研发能力使管道的安装和连接有了新的突破,多次获得了国家实用新型专利证书,使用效果得到了用户的好评。
13、同兴公司强大的技术服务队伍随时为用户提供最科学,最经济的技术措施,并免费为用户培训专业技术人才,为日常的维护做好后盾,保证管道使用的可靠性。
二、产品主要技术参数1、产品基本参数要求:我公司产品管材生产执行标准为GB/T13663-2000国家标准。
生产工艺水平说明*******工贸有限责任公司不断加强生产过程的质量控制与管理,严格按相关的工艺流程组织生产,并组织工人不定期进行生产工艺的学习、培训,不断强化对生产设备的管理、保养和维护,确保设备的正常运作。
同时,我公司建立和健全了完善的生产管理制度,将生产的每一道工序标准化、制度化。
公司的技术巡检人员定期对PE 管材挤出生产线、注塑生产线进行检查,发现问题立即纠正。
通过以上生产工艺管理措施的实施,大大加强了我公司的产品质量,产品生产合格率连续达到了100%,无论是生产工艺还是产品质量均处于国内前列,并得到了我公司广大客户的一致认可和广泛赞誉。
******工贸有限责任公司拥有国内先进的全自动PE管材生产线二十条,具备了年产2万吨管材的生产能力。
同时,为加强产品质量,我公司引进了国内先进的全自动原料烘干设备,该设备可对原料进行充分的水分烘干,并可全自动上料补料。
1、管材挤出设备原料自动上料、烘干装置↑生产车间-管材挤出机生产线↑挤出机附机-定型冷却装置↑在线计量装置↑主要设备的结构特点及技术指标:1.单螺杆挤出机操作手册设备类型:BCE1-90-30B/4设备序号:97-0421-1.1机器结构:单螺杆挤出机主要有机架、驱动及齿轮传动系统、挤出系统、温度控制系统、加料、控制系统等组成。
动力由电动机提供,经过皮带轮减速传送给减速箱,再经过减速箱减速,传递给螺杆。
加工原料由料斗加入,再螺杆的旋转带动下,向前输送并沿途吸收加热系统提供的热量,熔融、塑化。
最后经过定型、冷却经过定型、冷却制成制品。
1.2技术参数:螺杆直径 90mm长径比: 30螺杆转速: 150rpm主电机功率: 185KW总加热功率: 31KW风机总功率: 2.2KW机筒加热区: 4个最大产量: 700kg/h机器尺寸:(长×宽×高) 5350×1400×2300(mm)2.行星切割机操作手册:设备类型:SU250P设备序号:97-04212.1机器结构:行星切割机用于定长管材切割。
在切割过程中,管材可选择单边或双边倒角,机架上的锯台可沿管材挤出方向移动。
电气开关和可编程控制器装在电柜内。
所有操作开关按钮都处于方便操作的高度。
切割过程由装在牵引机上的计长器来启动。
在机器角部和后部的夹紧装置夹住管材,切割台可在气缸的带动下沿导轨方向移动,从而与管材保持相对静止。
锯片电机启动,油缸推动锯臂进给,锯片切入管材,绕管材旋转。
完全切断管材后,转盘触动已事先调好的感应接近开关,锯片摆回到初始位置,准备下次切割。
锯片的转速是恒定的,若有必要,可加转变频器来调速。
锯台滑动和管材挤出同步。
锯片电机和液压系统的电力由滑环输送。
四块“C”型加紧块,锯片和倒角刀易于更换。
倒角深度可由偏心轮调节。
2.2技术参数:切割管径: 16mm-250mm循环周期: 2.45-29.5秒/圈锯台移动速度:最大5m/min切割频率:约8次/min锯片直径: 200mm倒角刀直径: 125mm锯盘电机功率: 2.2KW锯台移动行程: 1000mm总功率: 3.5KW耗气量:(8次/秒) 226NL耗气量: 13.56m3/小时气压: 6bar机器尺寸(长×宽×高) 3255×1630×1780(mm)在线检测↑3.牵引机操作手册:设备类型:R250/4设备序号:97-04213.1机器结构:履带牵引机用于平稳的牵引管材,主要由焊接机架,上下牵引履带和动力及传动装置组成。
上牵引带通过气缸压在管材上,并可在挤管方向上下移动,下牵引带由手轮调整。
用于夹紧管材的橡胶块固定在链条上,可防止发生位移。
橡胶块设计成“V”型,可更加有效地夹紧管材。
驱动装置采用电流电机,并可实现远程控制。
3.2技术参数:压缩空气接头: R3/8”气压: 6bar履带数量: 4履带长度: 1500mm最大牵引力: 10000N最大牵引管径: 250mm最小牵引管径: 20mm最大牵引速度: 10m/min最小牵引速度: 0.1m/min中心高度: 1160mm电机频率: 6.7KW外型尺寸:长度: 3360mm宽度: 1320mm高度: 1680-1850mm自动计长牵引机、切割↑附:管材挤出生产工艺流程图设备主要数据和运行性能的详细描述产品生产、验收标准及质量保证措施产品生产、验收标准*******工贸有限责任公司视产品质量为企业生存的根本,在加强产品生产的同时,不断引进和完善各类产品检测设备,严格按照国家标准对出厂的管材管件进行检测、控制,以保证产品的优良品质。
为加强产品质量控制,更好更方便的为各地用户服务,我公司在在引进先进生产设备的同时,即引进全套的检测设备,对原材料及管材、管件生产过程中进行检验(检验项目包括原料的检验、水分含量、耐环境应力开裂、长期静压强度管径的标准尺寸等),对每一批产品严格把关,坚决防止不合格产品流向市场。
以下为公司的主要检测设备:质量检验设备与项目见下表:厂方的检验资质:我公司拥有齐全的管材检测设备,能完成各种检测项目的检测。
*******工贸有限责任公司检验室部分介绍WDT-W微机控制型电子万能试验机该机为双丝杆主机,控制、测量、操作一体化结构,融当代先进技术于一体,具有精度高、调速范围宽、结构紧凑、操作方便、性能稳定等优点。
更配有我公司独创的大变形测量装置,该装置使用方便,测量准确。
产品满足GB/T1040、1041、8804、9341、9647、ISO7500-1、GB56491、GB/T17200、ISO5893、ASTMD638、695、790和塑料管材等标准的要求。
适用于PE塑料给水管试样及制品的拉伸、压缩、弯曲、蠕变试验并配有大压盘可直接进行管材扁平压缩(压缩复原)、环刚度(抗外负荷)、蠕变比率、环抗拉强度等试验。
(一)技术指标1)最大负荷:10KN-100 KN(门式)2)试验速度:0.01mm/min-500mm/min(无级调速)3)速度精度:0.1-500mm/min<示值的1%;0.01-0.05mm/min<示值的2% (拉伸)(弯曲)4)横梁位移分辨率:0.001mm5)位移测量精度: ≤示值的±0.5%6)位移测量范围: 大变形900mm;环刚度1500 mm7)力测量范围:0.4%FS-----100%FS8)力值采样精度:≤示值的±0.5%9)精度等级:0.5级(压缩)(二)大变形测量装置1、大变形引伸计分辨率:0.001mm2、大变形测量精度: ≤示值的±0.5% (环刚度)3、大变形测量范围: 900mm(三)性能卓越的万能试验机软件包1、基于中、英文Windows2000/XP系统平台2、满足ISO、JIS、ASTM、DIN、GB等多种试验方法标准3、具有位移、伸长、负荷、应力、应变等多种控制方式4、自动存储试验条件、测试结果等试验数据5、负荷、伸长自动标定6、横梁细微调整,便于标定校验7、遥控、鼠标等多元化操作控制,方便使用8、具有批试验功能,可方便快捷连续试验9、实时显示动态曲线10、可选择应力—应变、力—变形、力—时间、强度—时间等多种试验曲线11、同组试验曲线叠加对比12、试验曲线局部放大13、自动分析试验数据(四)简明配置:1、进口交流伺服系统一套2、德国纽盖特精密减速机一台3、双传感器测力结构4、大变形测量装置(选配)一套5、品牌电脑, A4彩色喷墨打印机一套6、试验专用软件及接口一套7、拉伸、压缩、弯曲夹具各一套质量保证承诺与措施致:若我单位在中,有幸中标,在该项目实施过程中,我方除响应投标文件中所有的条款及履约合同内同外,并对产品质量做出以下承诺:我公司所交付的货物质量均能达到国家现行技术标准,若有质量不合格产品,所有后果由我公司承担,任由甲方处罚。
我公司严格遵循IS09001质量保证体系,产品完全按照先进的国际标准进行设计、制造、检验,并一贯秉承“质量第一、服务第一”的宗旨,从合同评审、原材料采购到产品出厂测试,层层把关,层层有记录,产品生产的哥哥质量控制环节记录具有可追溯性,决不让不合格的产品流入下一道工序,做到每件出厂产品100%合格。