卧式机泵精找平找正及无应力配管和最终验收工序
- 格式:doc
- 大小:41.18 MB
- 文档页数:11
卧式机泵精找平找正及无应力配管和最终验收工序沙特 SES G20-C01标准对机泵的找平找正没有任何说明,完全遵照设备厂家和美国石油协会 API686-1996标准来执行。
我主要根据在沙特 PET 项目中设备精找平找正的工作经验,总结如下内容:1、设备基础完成凿毛清理, 采用座浆墩法就位, 粗找平找正 (质量允许公差为±3mm 工作结束,完成一次地脚螺栓灌浆 (采用无收缩水泥基灌浆料 ,在水平调整螺栓下放置平垫铁;2、通过水平调节螺栓来调整泵底座的水平, 具体检测泵底座的方法如 API686-1996第 72-77页和机泵厂家操作手册所示。
厂家操作手册的调整要求较高 , 具体调整水平步骤如下所示:整个设备底座泵侧和电机侧都要检测。
若现场到货有体积重量较大的卧式离心泵, 由于在运输过程中, 设备底座会发生较大的变形, 导致采用该检测方法行不通, 可以与质检人员协商通过检测泵出口法兰来验收。
1泵出口法兰的水平纵向和横向都要检测,质量要求不大于 0.02mm ,测量工具为条式或框式水平仪。
2电机下两块机械加工面板也都要检测纵向和横向,质量要求都不大于 0.05mm ,检测前要清除掉机械加工面的油漆; 若横向上两块底板机械加工面出现变形, 且用条式水平仪检测误差较大的情况,则质量检测要求可以不大于 0.1mm 。
水平仪气泡偏移太多不易读取时, 可以采用塞尺垫水平仪的低端来读取偏移道数。
若质量严格要求不大于 0.05mm ,且允许两块儿机械加工面横向上“ V ”字变形,可以将电机卸下,用水平尺跨两板然后其上用水平仪来测量, 对于不易将较大电机卸下来检测时, 可以采用塞尺加水平仪的方法, 在保证一块儿底板横向水平后, 对另一块儿底板上用同一个水平仪和同大小的塞尺, 然后读取水平仪的读数,不大于 0.05mm 即为合格。
工具为水平仪和塞尺。
3、卧式离心泵的轴对中调整。
松动泵体和电机下的紧固螺栓后,通过电机下底板上的调整螺栓来在水平平面上移动电机, 电机软脚下选择合适的不锈钢垫片 (不锈钢垫片平整无卷边, 不得使用厚度小于 0.05mm 垫片,总数不得超过 5片来上下移动,必要的时候可以松动泵体的紧固螺栓在平面上移动以达到轴对中的目的。
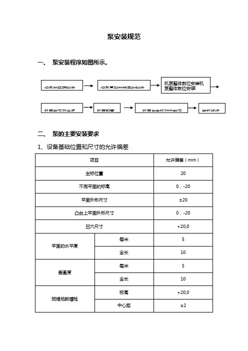
泵安装规范一、 泵安装程序如图所示。
二、 泵的主要安装要求1、设备基础位置和尺寸的允许偏差2、放线、找正(1)、机械设备就位前,应按施工图和相关建筑物的轴线、边缘线、标高线,划定安装的基准线。
(2)、相互有连接、衔接或排列关系的机械设备,应划定共同的安装基准线。
(3)、平面位置安装基准线与基础实际轴线或与厂房墙、柱的实际轴线、边缘线的距离,其允许偏差为±20mm。
(4)、机械设备定位基准的面、线或点与安装基准线的平面位置和标高的允许偏差应符合下表规定。
(5)、机械设备找正、调平的定位基准的面、线或点确定后,其找正、调平应在确定的测量位置上进行检验,且应做好标记,复检时应在原来的测量位置。
(6)、泵安装将泵安放在在预先埋好地脚螺栓的基础上,调整至泵水平(立式泵为垂直)放置,底座校直后,可以用混凝土灌浆,当水泥凝固后,拧紧地脚螺栓的螺母。
整机安装的泵,应以进出口法兰面或其他水平加工基准面为基准进行找平。
解体安装的泵应在水平中分面、轴的外露部分、底座的水平加工面上进行测量。
2、联轴器的径向位移、轴线倾斜和端面间隙,应符合现行国家标准《机械设备安装工程施工及验收通用规范》GB50231的有关规定,联轴器应设护罩,护罩应能罩住联轴器的所有旋转零件。
3、管道连接(1)、管子内部和管端应清洗洁净,清除杂物;密封面和螺纹不应损伤;(2)、吸入管道和输出管道应有各自的支架,泵不得直接承受管道的重量;(3)、相互连接的法兰端面应平行;螺纹管接头轴线应对中,不应借法兰螺栓或管接头强行连接;(4)、管道与泵连接后,应复检泵的原找正精度,当发现管道连接引起偏差时,应调整管道;(5)、管道与泵连接后,不应在其上进行焊接和气割;当需焊接和气割时,应拆下管道或采取必要的措施,并应防止焊渣进入泵内;三、泵试运转时应符合下列要求:1、各固定连接部位不应有松动;2、转子及各运动部件运转应正常,不得有异常声响和摩擦现象;3、附属系统的运转应正常;管道连接应牢固无渗漏;4、滑动轴承的温度不应大于70℃;滚动轴承的温度不应大于80℃;特殊轴承的温度应符合设备技术文件的规定;5、各润滑点的润滑油温度、密封液和冷却水的温度均应符合设备技术文件的规定;润滑油不得有渗漏和雾状喷油现象;6、泵的安全保护和电控装置及各部分仪表均应灵敏、正确、可靠;。
机泵找正个人分享一、目的为了让泵的中心线跟电机中心线在一条直线上,保证泵跟电机的同轴度,降低离心泵运行过程中振值。
二、找正所需工器具梅花扳手、活口扳手、剪刀、千分尺、撬杠、铜皮、百分表两副。
三、找正步骤1、粗找先用百分表调整好泵与电机左右径向数据,一般打表数据在15(0.15mm)道内。
2、精找1)先用扳手拧紧地脚螺栓,分别在泵的轴向跟径向架两块表(泵找电机,径向表在上,轴向表在下,反之亦然),记初始值为0,泵旋转180°读出下一组数据,记录数据。
(可以重复旋转2-3次,与前一组数据对比,看看第一次数据对不对,以准确数据为准)2)数据计算(1)轴向找平公式推倒(以上张口为例)三角形Oab~三角形ODE~三角形OAB(相似)所以,ab/DE=Ob/OE,即DE=(ab*OE)/Obab/AB=Ob/OB,即AB=(ab*OB)/ObDE为前地脚螺栓所加垫片,AB为前后脚螺栓所加垫片,Ob为靠背轮直径,OE为靠背轮到前地脚螺栓距离,OB为靠背轮到后地脚螺栓距离(用卷尺量)。
(2)上下轴向、径向找平常见的4种情况1)上张口,中心偏高2)上张口,中心偏低3)下张口,中心偏高4)下张口,中心偏低(3)上下轴向、径向找平数据计算(以上张口,中心偏低为例)则前地脚螺栓所加垫片厚度DE为:(0-(-0.18))*OE/Ob+(0.3-0)/2后地脚螺栓所加垫片厚度AB为:(0-(-0.18))*OB/Ob+(0.3-0)/2若计算结果为正,则加垫片,为负,则减垫片。
假设靠背轮直径Ob=195mm,靠背轮到前地脚轮上距离OE的距离为500mm,靠背轮到后地脚轮上距离OB的距离为1200mm则DE=(0-(-0.18))*500/195+(0.3-0)/2=0.46+0.15=0.61mm AB=(0-(-0.18))*1200/195+(0.3-0)/2=1.11+0.15=1.26mm所以前地脚螺栓加0.61mm,后地脚螺栓1.26mm。
卧式机泵精找平找正及无应力配管和最终验收工序沙特 SES G20-C01标准对机泵的找平找正没有任何说明,完全遵照设备厂家和美国石油协会 API686-1996标准来执行。
我主要根据在沙特 PET 项目中设备精找平找正的工作经验,总结如下内容:1、设备基础完成凿毛清理, 采用座浆墩法就位, 粗找平找正 (质量允许公差为±3mm 工作结束,完成一次地脚螺栓灌浆 (采用无收缩水泥基灌浆料 ,在水平调整螺栓下放置平垫铁;2、通过水平调节螺栓来调整泵底座的水平, 具体检测泵底座的方法如 API686-1996第 72-77页和机泵厂家操作手册所示。
厂家操作手册的调整要求较高 , 具体调整水平步骤如下所示:整个设备底座泵侧和电机侧都要检测。
若现场到货有体积重量较大的卧式离心泵, 由于在运输过程中, 设备底座会发生较大的变形, 导致采用该检测方法行不通, 可以与质检人员协商通过检测泵出口法兰来验收。
1泵出口法兰的水平纵向和横向都要检测,质量要求不大于 0.02mm ,测量工具为条式或框式水平仪。
2电机下两块机械加工面板也都要检测纵向和横向,质量要求都不大于 0.05mm ,检测前要清除掉机械加工面的油漆; 若横向上两块底板机械加工面出现变形, 且用条式水平仪检测误差较大的情况,则质量检测要求可以不大于 0.1mm 。
水平仪气泡偏移太多不易读取时, 可以采用塞尺垫水平仪的低端来读取偏移道数。
若质量严格要求不大于 0.05mm ,且允许两块儿机械加工面横向上“ V ”字变形,可以将电机卸下,用水平尺跨两板然后其上用水平仪来测量, 对于不易将较大电机卸下来检测时, 可以采用塞尺加水平仪的方法, 在保证一块儿底板横向水平后, 对另一块儿底板上用同一个水平仪和同大小的塞尺, 然后读取水平仪的读数,不大于 0.05mm 即为合格。
工具为水平仪和塞尺。
3、卧式离心泵的轴对中调整。
松动泵体和电机下的紧固螺栓后,通过电机下底板上的调整螺栓来在水平平面上移动电机, 电机软脚下选择合适的不锈钢垫片 (不锈钢垫片平整无卷边, 不得使用厚度小于 0.05mm 垫片,总数不得超过 5片来上下移动,必要的时候可以松动泵体的紧固螺栓在平面上移动以达到轴对中的目的。
泵安装工艺1)安装程序:基础验收→开箱检查→放线→垫铁配置→铲麻面→地脚螺栓安装→设备就位安装→校正调整→基础灌浆→拆装清洗→二次精平→各部位检查→试运转。
2)整体出厂的泵在防锈保证期内,其内部零件不宜拆卸,清洗和检查应符合设备技术文件规定。
3)整体安装的泵,纵向安装水平偏差不应大于0.10/1000,横向安装水平偏差不应大于0.20/1000,测量时应选在泵的进出口法兰面或其它水平面。
4)泵的找正:驱动机轴与泵轴以联轴器连接时,两个半联轴器的径向位移,端面间隙,轴线倾斜均应符合设备技术文件的规定,设备技术文件无规定时应符合下列规定:⑴凸缘联轴器装配时,两个半联轴器端面应紧密接触,两轴心的径向位移不应大于0.03mm。
⑵滑块联轴器装配时,两轴心径向位移,两轴线倾斜和端面间隙,应符合表的规定:滑块联轴器装配允许偏差⑶弹性套柱销联轴器装配时,两轴心径向位移,两轴线倾斜和端面间隙应符合表的规定:弹性套柱销联轴器装配允许偏差⑷弹性柱销联轴器装配时,两轴心径向位移,两轴线倾斜和端面间隙应符合表的规定:弹性柱销联轴器装配允许偏差5)管道与泵连接时应符合以下规定:⑴管子内部和管端应清洗洁净,清除杂物,密封面和螺纹不应损伤。
⑵吸入和输出管道应有各自的支架,泵不得直接承受管道的重量。
⑶相互连接的法兰端面应平行,螺纹管接头轴线应对中,不应借法兰螺栓或管接头强行连接。
⑷管道与泵连接后,应复验泵的原找正精度,当发现管道连接引起的误差时,应调整管道。
⑸管道与泵连接后,不应在其上进行焊接和气割;需要时,应拆管道或采取必要的措施,并防止焊渣进入泵内。
⑹泵的吸、排出管道的配置应符合设计及规范规定。
6)试运转前检查内容及要求⑴试运转前驱动机已空载运行2小时,并无异常现象,其转向与泵的转向相符;各指示仪表、安全保护装置及电控装置均应灵敏、准确、可靠。
⑵各固定联接部位无松动;各润滑部位已按设备技术文件规定加注润滑剂,有预润滑要求的部位应按规定进行预润滑。
泵类设备安装施工工艺标准QB-CNCEC J20701-20061 适用范围本工艺标准适用于除蒸汽往复泵之外的化工用泵的安装工程(包括整体安装和解体安装的泵),包括单机试车和配合系统联动试车。
泵类设备的典型结构见图1(1)~(9)。
图1(1)离心泵结构图图1(2)水平剖分式离心泵图1(3)垂直剖分式离心泵1-泵体;2-泵盖;3-叶轮;4-泵轴;5-轴承体;6-齿轮联轴器;7-轴套;8-叶轮密封环;9-泵体密封环;10-填料环;11-填料;12-水冷式填料压盖图1(4)齿轮泵图1(5)螺杆泵1-机座;2-曲轴;3-连杆;4-十字头;5-液缸;6-吸入阀;7-排出阀;8-柱塞;9-填料阀图1(7)柱塞式计量泵图1(8)隔膜式泵头计量泵图1(9)双隔膜式泵头计量泵2 施工准备2.1 技术准备2.1.1 施工技术资料2.1.1.1 审批合格的设备布置图。
2.1.1.2 审批合格的设备配管图。
2.1.1.3 审批合格的工艺流程图。
2.1.1.4 审批合格的其它相关施工图。
2.1.1.5 设备出厂技术资料。
2.1.2 现行施工标准规范2.1.2.1 《机械设备安装工程施工及验收通用规范》 GB50231 2.1.2.2 《化工机器安装工程施工及验收规范》 HGJ207 2.1.2.3 《压缩机、风机、泵安装工程施工及验收规范》 GB50275 2.1.2.4 《工程建设安装工程起重施工规范》 HG20201 2.1.2.5 《脱脂工程施工及验收规范》 HG20202 2.1.2.6 《工业设备化学清洗质量标准》 HG/T2387 2.1.2.7 《石油化工施工安全技术规程》 SH3505 2.1.2.8 《施工现场临时用电安全技术规范》 JGJ462.1.2.9 《化学工业工程建设交工技术文件规定》 HG202372.1.3 施工方案2.1.3.1 泵设备安装施工方案。
2.1.3.2 泵设备单机试车方案。
2.2 作业人员2.3 设备、材料的验收及保管2.3.1 设备的验收、保管2.3.1.1 泵类设备的开箱检验,应在业主、设计、制造厂、监理单位有关人员参与下进行,专业技术人员及设备管理人员应在检验后提交有签证的检验记录。
泵安装工程施工验收规范[键入文档副标题]luzefeng[选取日期][在此处键入文档摘要。
摘要通常为文档内容的简短概括。
在此处键入文档摘要。
摘要通常为文档内容的简短概括。
]泵安装工程施工验收规范(一)第四章泵第一节一般规定第4.1.1条本章适用于离心泵、井用泵、立式轴流泵及导叶式混流泵、机动往复泵、蒸汽往复泵、计量泵、螺杆泵和水环式真空泵的安装。
第4.1.2条应检查泵的安装基础的尺寸、位置和标高并应符合工程设计要求。
第4.1.3条泵的开箱检查应符合下列要求:一应按设备技术文件的规定清点泵的零件和部件,并应无缺件、损坏和锈蚀等;管口保护物和堵盖应完好;二应核对泵的主要安装尺寸并应与工程设计相符;三应核对输送特殊介质的泵的主要零件、密封件以及垫片的品种和规格。
第4.1.4条出厂时已装配、调整完善的部分不得拆卸。
第4.1.5条驱动机与泵连接时,应以泵的轴线为基准找正;驱动机与泵之间有中间机器连接时,应以中间机器轴线为基准找正。
第4.1.6条管道的安装除应符合现行国家标准《工业金属管道工程施工及验收规范》的规定外,尚应符合下列要求:一管子内部和管端应清洗洁净,清除杂物;密封面和螺纹不应损伤;二吸入管道和输出管道应有各自的支架,泵不得直接承受管道的重量;三相互连接的法兰端面应平行;螺纹管接头轴线应对中,不应借法兰螺栓或管接头强行连接;四管道与泵连接后,应复检泵的原找正精度,当发现管道连接引起偏差时,应调整管道;五管道与泵连接后,不应在其上进行焊接和气割;当需焊接和气割时,应拆下管道或采取必要的措施,并应防止焊渣进入泵内;六泵的吸入和排出管道的配置应符合设计规定。
当无规定时,可按本规范附录二的规定进行。
第4.1.7条润滑、密封、冷却和液压等系统的管道应清洗洁净保持畅通;其受压部分应按设备技术文件的规定进行严密性试验。
当无规定时,应按现行国家标准《工业金属管道工程施工及验收规范》的规定执行。
第4.1.8条泵的试运转应在其各附属系统单独试运转正常后进行。
泵的安装和找正一、对基础的要求泵的基础一般为混凝土。
基础的长度应比泵的底座长出50~70毫米,混凝土基础的重量是应为泵机组重量的3—5 倍,底座安装时要找平,推荐在各个方位上底座加工面每100毫米长度的不水平度小于0.25毫米。
二、找正找正是指调整泵和电动机旋转中心线的位置,使它们处于同一直线上。
无论是初次安装还是检修后安装,至少应找正三次:第一次,泵与电机摆放在底座上,尚未紧固(粗找正);第二次,泵与电机已紧固,进、出口法兰螺栓没紧固;第三次,泵运转24小时后。
找正方法和要求:1、用千分表或塞尺检查两联轴器法兰端面的平行度,通常用检查两端面的间隙差来代替,在圆周方向每隔90 0测量一下,最大间隙与最小间隙之差(a-b)≤0.3 毫米。
2、在联轴器法兰外园上、下、左、右四个位置检查它们是否在同一直线上,要求C≤0.1毫米。
找正C时,会影响(a-b),找正(a-b)会影响C,要互相兼顾。
不熟练的同志先找正(a-b),再找正C会更容易些。
通过调整电机脚下的垫片厚度使(a -b)和C符合要求。
找正前应检查进出口管路,保证进出口管路的重量不对泵产生作用力或力矩。
找正时还应注意消除泵转子的窜动,以免端面间隙产生误差。
如果在泵工作后检查,应在冷态下进行。
需要提请注意的是,成套出厂的泵机组,出厂时只进行了粗找正(用直尺检查),由于运输时可能产生位移,用户使用时必须再进行精确找正。
)三、管路连接注意事项:1、吸入管路吸入管路一般都有一段水平直管(泵进口法兰前段),这段管路的长度一般不要小于10倍的管直径,但最少不要小于0.5米,以免水流经过弯头时产生的旋涡进入泵内。
吸入管路应尽量做到短而直。
为了使管道中的空气在灌引水时能完全排空,水平段管道最好安装成泵高、弯头低的倾斜方向。
水泵制造、安装及验收标准一、水泵采用的主要相关专业标准:1. IS02858-1975(E)《轴向吸入离心泵(16bar级)一标记,额定性能点和尺寸》。
说明:参照采用了其标记,额定性能点标准,但大大扩充了其范围,具体有IS02858规定的泵口径范围为Dg50-Dg200,基础性能范围,流量为12.5m3/h400m3/h。
2. JB/6878.1-93《管道式离心泵型式与基本参数》说明:参照采用了其形式,基本参数等标准,且大大扩充其范围。
列:JB/T6878.1-93,规定的泵的口径Dg<150,流量Q<200m3/h,配套功率P<45KW,最高工作压力<1.0Mpa,吸入压力一般为0.3mpa,改变材质可达到<1.0mpa。
TPG系列泵的口径DN<500,流量Q<1200m3/h,配套功率<160kw。
最高工作压力一般<1.6mpa,改变材质可达到2.5mpa。
吸入压力一般<0.3mpa。
3. JB/T6878.2-93〈管道式离心泵技术条件〉参照采用。
4. JB/T53058-93〈管道式离心泵,产品质量分等〉参照采用。
5. GB3216-89 〈离心泵、混流泵、轴流泵和旋转泵试验方法〉等效采用。
6. GB10889-89〈泵的振动测量与评价方法〉等效采用。
7. GB10890-89〈泵的噪声测量与评价方法〉等效采用。
8. NBK22007-88〈Y系列(1P44)三相异步电动机技术条件〉参照采用。
9. JB4127-85 〈机械密封技术条件〉等效采用。
10. JBT4297-92 等效采用。
11. JB/T6880.1-93 〈泵用灰铸铁件〉参照采用。
12. JB/T4297-92 〈泵产品涂漆技术条件〉13. JB/T6880.3-93〈泵用抗磨白口铸件〉14. JB/T69133-93〈泵产品清洁度〉15. JB/T6880.2-93〈泵用铸钢件〉参照采用。
16. JB/T6879-93〈离心泵铸件过流部位尺寸公差〉参照采用。
一.概述管道与转动设备连接是石油化工装置管道安装中比较常见的。
如管道与泵的连接,管道与压缩机组的连接,管道与转动设备连接配管安装时,要求做到无应力配管,以保证设备的正常运转二.相关规范要求1.规范SH3501~2002中6.2.9条规定:与转动机器连接的管道,宜从机器侧开始安装,并应先安装管支架。
管道和阀门等的重量和附加力矩不得作用在机器上。
6.2.10条规定:与机器连接的管道及其支、吊架安装完毕后,应卸下接管上的法兰螺栓,在自由状态下所有螺栓应能在螺栓孔中顺利通过。
法兰密封面间的平行偏差、径向偏差及间距应符合规定值。
2.《石油化工泵组施工及验收规范》SH/T3541-2007中5.3.3条及5.3.4规定与上述要求相同。
3.《化工机器安装工程施工及验收规范》HG20203-2000中6.3.2条规定:与机器连接的管道固定焊口应远离机器进行焊接,距离不应小于1m,避免焊接热应力对机器造成影响;6.3.3条规定:管道与机器连接时,不得使机器承受外加负荷,严禁强制对口连接。
4.石油化工机器设备安装工程施工及验收通用规范SH/T 3538—20054.1 管道与机器的连接4.1 .1与机器连接的管道,安装前必须将内部吹扫干净。
4.1.2 与机器连接的管道,其固定焊口应远离机器,且应符合下列规定:a)管道与机器的连接前,应在自由状态下,检查配对法兰的平行度和同轴度,其偏差应符合表1的规定;表1法兰平行度、同轴度允许偏差b)配对法兰面在自由状态下的间距,以能顺利插入垫片的最小距离为宜;c)管道与机器最终连接时,应在联轴器上或机器支脚处,用百分表监测转子轴和机器机体的径向和轴向位移:1)转速大于6000r/min的机器,位移应不超过0.02mm;2)转速小于或等于6000r/min的机器,位移应不超过0.05mm。
4.1.3 管道安装合格后,不得承受设计文件规定以外的附加载荷。
三.泵口配管1.配管条件1.1支吊架已制作并安装就位,经检查符合要求,对安装工艺程序中后安装的支吊架除外;1.2机泵已就位、找正、精找平完,办理了工序交接手续;1.3相关的工艺系统主干管已配管完毕。
一、泵的安装1准备垫板垫板也称垫铁。
垫板放置在机座和混凝土基础之间,用于找机座的水平。
垫板有平垫板、斜垫板、开口垫板、调节式垫板。
2垫板的放置方法垫板放置在地脚螺栓的两侧,垫板与地脚螺栓间要留有一定的距离,以便于二次灌浆,一般不小于50mm。
距离也不要过大,距离太大地脚螺栓扭紧时在两垫铁之间的弯矩增大,容易使机座变形,所以一般不大于70mm。
地脚螺栓之间,间距超出500mm时应加加固垫铁。
3基础的检查和清理要求基础表面光洁,无孔眼、蜂窝和裂纹。
基础坐标位置允许偏差±20mm,基础各不同平面的标高﹢0﹣20,基础上平面外心尺寸±20,凸台上平面外形尺寸﹣20,基础上平面的不水平度每米5mm、总长10mm。
4地脚螺栓的固定地脚螺栓在基础上固定可分为一次法和二次灌浆法。
一次法对小型泵适用。
它是把机座放到已掘好的底槽之上,用架子支起,按标高和水平相对位置找正,穿上地脚螺栓并带上螺母之后,在浇灌混凝土。
待混凝土凝固后,再用垫板找平机座。
二次灌浆法适用于大型泵。
根据地脚螺栓的位置做出样板框架,并把地脚螺栓佯装在样板框架上(注意:地脚螺栓的中心距必须准确)。
在打混凝土时,把框架按标高和水平位置放好,递交螺栓直接埋入混凝土内。
混凝土凝固后,拆出框架,然后可直接安装底座。
5机座的安装机座的安装直接影响泵的运行。
放置垫板时,垫板一端露出机座25~30mm,便于调节。
垫板长边要垂直于机座。
每组垫板不应太多,最多不超过三块,一平两斜。
每组垫板长宽应一致。
垫板要与机座完全接触,用0.05mm塞尺放不进为准。
垫铁总高度在30—60mm太低不易灌浆,太高稳定性不好,厚垫板一般放在下面,薄的夹在中间,安装调整好后将各层垫铁焊死,以防松动变形。
找平之前首先使机座中心线与基中心线重合,即先找正,然后进行找平。
首先在地脚螺栓两旁垫好所需高度的垫铁,然后进行找平。
对于小泵,泵与底座一起安装,用水平仪放在泵出口法兰或泵轴颈上进行找平。
泵的安装和找正一、对基础的要求泵的基础一般为混凝土。
基础的长度应比泵的底座长出50~70毫米,混凝土基础的重量是应为泵机组重量的3—5 倍,底座安装时要找平,推荐在各个方位上底座加工面每100毫米长度的不水平度小于0.25毫米。
二、找正找正是指调整泵和电动机旋转中心线的位置,使它们处于同一直线上。
无论是初次安装还是检修后安装,至少应找正三次:第一次,泵与电机摆放在底座上,尚未紧固(粗找正);第二次,泵与电机已紧固,进、出口法兰螺栓没紧固;第三次,泵运转24小时后。
找正方法和要求:1、用千分表或塞尺检查两联轴器法兰端面的平行度,通常用检查两端面的间隙差来代替,在圆周方向每隔90 0测量一下,最大间隙与最小间隙之差(a-b)≤0.3 毫米。
2、在联轴器法兰外园上、下、左、右四个位置检查它们是否在同一直线上,要求C≤0.1毫米。
找正C时,会影响(a-b),找正(a-b)会影响C,要互相兼顾。
不熟练的同志先找正(a-b),再找正C会更容易些。
通过调整电机脚下的垫片厚度使(a-b)和C 符合要求。
找正前应检查进出口管路,保证进出口管路的重量不对泵产生作用力或力矩。
找正时还应注意消除泵转子的窜动,以免端面间隙产生误差。
如果在泵工作后检查,应在冷态下进行。
需要提请注意的是,成套出厂的泵机组,出厂时只进行了粗找正(用直尺检查),由于运输时可能产生位移,用户使用时必须再进行精确找正。
三、管路连接注意事项:1、吸入管路吸入管路一般都有一段水平直管(泵进口法兰前段),这段管路的长度一般不要小于10倍的管直径,但最少不要小于0.5米,以免水流经过弯头时产生的旋涡进入泵内。
吸入管路应尽量做到短而直。
为了使管道中的空气在灌引水时能完全排空,水平段管道最好安装成泵高、弯头低的倾斜方向。
泵进口法兰前不能安装扩散管,但可以安装收缩管,收缩管要做成偏心收缩管,以利排气,弯头的弯曲半径要大于3~5倍的管道直径。
另外底阀在水中的淹没深度不得小于0.3米,与池底及四周的距离应大于管道直径。
泵类设备安装验收手册【目录】1、编制目的 (3)2 、引用规范 (3)3、到货检查 (3)4 、安装 (3)5 、调试运行 (7)6、验收资料 (8)【编制目的】本检查验收手册参考现行国家规范,针对泵类安装工程的特点、内容、范围进行摘录而成,仅适用于广州立白企业集团公司新、扩建泵类安装项目的检查验收工作。
本检查验收手册根据泵类安装工程的特点,录入资产范围内常用泵类安装工程的内容,主要有:柱塞泵,凸轮转子泵,齿轮泵,离心水泵的安装工程内容。
其他泵类(管道泵等)安装检查可按照国家、行业的相关安装工程和随机安装资料的内容进行。
本检查验收手册主要内容包括到货检查、安装中间查验、安装验收、运行验收。
泵类安装工程的检查验收除应符合手册外,尚须符合国家现行的有关标准、规范的规定。
【引用规范】《化工机器安装工程施工及验收通用规范》(HG20203-2000)《工业管道焊接工程施工及验收规范》(GB50263-2011)【设备到货检查】1.按照合同,检查设备的名称、型号、规格、包装箱号及箱数,检查包装状况,外包装应无破损。
2.检查设备随机资料(制造厂提供的产品说明书、试验记录、合格证件及安装图纸等)应齐全完好整洁。
随机专用工具、备品备件应齐全,完好。
3.检查设备外观,应整洁完好,无破损,随机附件应完好,无锈蚀,金属屑末等,并核实数量和规格。
4.检查运输支撑,各部件应无移位。
5.到货检查后,应做好设备保管工作,注意防尘、防潮。
如:设备应垫高放于干燥位置,不得水淹等。
6.随机附件如表计、安全附件,润滑装置,相关阀门等应放置于干燥的室内,妥善保管,不得损坏。
【安装】1.安装前应作下列复查工作1.1基础1.1.1对设备基础进行外观检查,不得有裂纹、蜂窝、空洞、露筋等缺陷。
1.1.2按照有关土建基础图及机器的技术文件,对基础的尺寸、位置、标高进行复测检查。
其允许偏差应符合设计要求,若设计中没有明确要求,可参考下列复测。
1.1.3 基础表面在设备安装前应进行修整。
泵精华泵设备如何安装与配管?只会用泵不会安装怎么能行,那么,每天用的泵怎么安装?以水泵为例,它的安装流程是什么?跟着小编一起去了解一下吧!水泵安装水泵安装流程包括基础检验→水泵就位安装→检测与调整→润滑与加油→试运转。
具体如下:1基础检验过程第一步:查看施工图纸第二步:施工条件•水泵安装层已通过结构验收•建筑物有关轴线、标高线已画出•水泵基础混凝土强度已达到70%以上第三步:基础检验•基础坐标、标高、尺寸、预留孔洞应符合设计要求。
基础表面平整、混凝土强度达到设备安装要求。
•水泵基础的平面尺寸,无隔振安装时应较水泵机组底座四周各宽出100~150mm;有隔振安装时应较水泵隔振基座四周各宽出150mm。
基础顶部标高,无隔振安装时应高出泵房地面完成面100mm以上,有隔振安装时高出泵房地面完成面50mm以上,且不得形成积水。
基础外围周边设有排水设施,便于维修时泄水或排除事故漏水。
•水泵基础表面和地脚螺栓预留孔中的油污、碎石、泥土、积水等应清除干净;预埋地脚螺栓的螺纹和螺母应保护完好;放置垫铁部位表面应凿平。
2水泵安装就位将水泵放置在基础上,用垫铁将水泵找正找平。
水泵安装后同一组垫铁应点焊在一起,以免受力时松动。
1.水泵无隔振安装水泵找正找平后,装上地脚螺栓,螺杆应垂直,螺杆外露长度宜为螺杆直径的1/2。
脚螺栓二次灌浆时,混凝土的强度应比基础高1~2级,且不低于C25;灌浆时应捣实,并不应使地脚螺栓倾斜和影响水泵机组的安装精度。
2.水泵隔振安装(1)卧式水泵隔振安装卧式水泵机组的隔振措施是在钢筋混凝土基座或型钢基座下安装橡胶减振器(垫)或弹簧减震器。
(2)立式水泵隔振安装立式水泵机组的隔振措施是在水泵机组底座或钢垫板下安装橡胶减振器(垫)。
(3)水泵机组底座和减振基座或钢垫板之间采用刚性联接。
(4)减振垫或减振器的型号规格、安装位置应符合设计要求。
同一个基座下的减振器(垫)应采用同一生产厂的同一型号产品。
一.概述管道与转动设备连接是石油化工装置管道安装中比较常见的。
如管道与泵的连接,管道与压缩机组的连接,管道与转动设备连接配管安装时,规定做到无应力配管,以保证设备的正常运转二.相关规范规定1.规范SH3501~2023中6.2.9条规定:与转动机器连接的管道,宜从机器侧开始安装,并应先安装管支架。
管道和阀门等的重量和附加力矩不得作用在机器上。
6.2.10条规定:与机器连接的管道及其支、吊架安装完毕后,应卸下接管上的法兰螺栓,在自由状态下所有螺栓应能在螺栓孔中顺利通过。
法兰密封面间的平行偏差、径向偏差及间距应符合规定值。
2.《石油化工泵组施工及验收规范》SH/T3541-2023中5.3.3条及5.3.4规定与上述规定相同。
3.《化工机器安装工程施工及验收规范》HG20233-2023中6.3.2条规定:与机器连接的管道固定焊口应远离机器进行焊接,距离不应小于1m,避免焊接热应力对机器导致影响;6.3.3条规定:管道与机器连接时,不得使机器承受外加负荷,严禁强制对口连接。
4.石油化工机器设备安装工程施工及验收通用规范SH/T 3538—20234.1 管道与机器的连接4.1 .1与机器连接的管道,安装前必须将内部吹扫干净。
4.1.2 与机器连接的管道,其固定焊口应远离机器,且应符合下列规定:a)管道与机器的连接前,应在自由状态下,检查配对法兰的平行度和同轴度,其偏差应符合表1的规定;表1法兰平行度、同轴度允许偏差b)配对法兰面在自由状态下的间距,以能顺利插入垫片的最小距离为宜;c)管道与机器最终连接时,应在联轴器上或机器支脚处,用百分表监测转子轴和机器机体的径向和轴向位移:1)转速大于6000r/min的机器,位移应不超过0.02mm;2)转速小于或等于6000r/min的机器,位移应不超过0.05mm。
4.1.3 管道安装合格后,不得承受设计文献规定以外的附加载荷。
三.泵口配管1.配管条件1.1支吊架已制作并安装就位,经检查符合规定,对安装工艺程序中后安装的支吊架除外;1.2机泵已就位、找正、精找平完,办理了工序交接手续;1.3相关的工艺系统主干管已配管完毕。
一.概述管道与转动设备连接是石油化工装置管道安装中比较常见的。
如管道与泵的连接,管道与压缩机组的连接,管道与转动设备连接配管安装时,要求做到无应力配管,以保证设备的正常运转二.相关规范要求4.石油化工机器设备安装工程施工及验收通用规范SH/T 3538—20054.1 管道与机器的连接4.1 .1与机器连接的管道,安装前必须将内部吹扫干净。
4.1.2 与机器连接的管道,其固定焊口应远离机器,且应符合下列规定:a)管道与机器的连接前,应在自由状态下,检查配对法兰的平行度和同轴度,其偏差应符合表1的规定;表1法兰平行度、同轴度允许偏差b)配对法兰面在自由状态下的间距,以能顺利插入垫片的最小距离为宜;c)管道与机器最终连接时,应在联轴器上或机器支脚处,用百分表监测转子轴和机器机体的径向和轴向位移:1)转速大于6000r/min的机器,位移应不超过0.02mm;2)转速小于或等于6000r/min的机器,位移应不超过0.05mm。
4.1.3 管道安装合格后,不得承受设计文件规定以外的附加载荷。
三.泵口配管1.配管条件1.1支吊架已制作并安装就位,经检查符合要求,对安装工艺程序中后安装的支吊架除外;1.2机泵已就位、找正、精找平完,办理了工序交接手续;1.3相关的工艺系统主干管已配管完毕。
2.泵口配管技术:2.1先将泵口配对法兰用符合设计要求的螺栓连接,所有的连接螺栓都应顺利垂直通过法兰螺栓孔,以保证法兰接触面的闭合。
配对法兰紧固到泵口法兰上后,再与管件和管道组合件点焊,要求点焊牢固,以防止焊接过程中产生应力变形。
这样既能有效的调整对法兰不平行度的偏差,又能防止接口法兰的平行偏差、径向位移及间距超标,控制配管对设备的应力。
2.2充分利用管道的水平和垂直转向点、分支点,调整本配管与设备进、出口位置的轴线方向偏差。
2.3充分利用管道组合件的法兰短管,调节法兰与设备的径向偏差。
2.4对于较短的配管,应采用实测实量,精心下料,认真组装的方式进行;2.5配管的固定焊口应尽量靠近系统管道,远离泵口,以减少焊接应力对设备的影响;2.6对于清洁度要求较高的配管,应采用氩弧焊,并应保证管膛的清洁度。
卧式机泵精找平找正及无应力配管和最终验收工序
沙特SES G20-C01标准对机泵的找平找正没有任何说明,完全遵照设备厂家和美国石油协会API686-1996标准来执行。
我主要根据在沙特PET项目中设备精找平找正的工作经验,总结如下内容:
1、设备基础完成凿毛清理,采用座浆墩法就位,粗找平找正(质量允许公差为±3mm)工作结束,完成一次地脚螺栓灌浆(采用无收缩水泥基灌浆料),在水平调整螺栓下放置平垫铁;
2、通过水平调节螺栓来调整泵底座的水平,具体检测泵底座的方法如API686-1996第72-77页和机泵厂家操作手册所示。
厂家操作手册的调整要求较高,具体调整水平步骤如下所示:
整个设备底座泵侧和电机侧都要检测。
若现场到货有体积重量较大的卧式离心泵,由于在运输过程中,设备底座会发生较大的变形,导致采用该检测方法行不通,可以与质检人员协商通过检测泵出口法兰来验收。
1)泵出口法兰的水平纵向和横向都要检测,质量要求不大于0.02mm,测量工具为条式或框式水平仪。
2)电机下两块机械加工面板也都要检测纵向和横向,质量要求都不大于0.05mm,检测前要清除掉机械加工面的油漆;若横向上两块底板机械加工面出现变形,且用条式水平仪检测误差较大的情况,则质量检测要求可以不大于0.1mm。
水平仪气泡偏移太多不易读取时,可以采用塞尺垫水平仪的低端来读取偏移道数。
若质量严格要求不大于0.05mm,且允许两块儿机械加工面横向上“V”字变形,可以将电机卸下,用水平尺跨两板然后其上用水平仪来测量,对于不易将较大电机卸下来检测时,可以采用塞尺加水平仪的方法,在保证一块儿底板横向水平后,对另一块儿底板上用同一个水平仪和同大小的塞尺,然后读取水平仪的读数,不大于0.05mm即为合格。
工具为水平仪和塞尺。
3、卧式离心泵的轴对中调整。
松动泵体和电机下的紧固螺栓后,通过电机下底板上的调整螺栓来在水平平面上移动电机,电机软脚下选择合适的不锈钢垫片(不锈钢垫片平整无卷边,不得使用厚度小于0.05mm垫片,总数不得超过5片)来上下移动,必要的时候可以松动泵体的紧固螺栓在平面上移动以达到轴对中的目的。
若还不能完成轴对中,检查若是水平方向上的偏差,则在厂家允许的情况下,通过为电机或泵体的紧固螺栓孔扩孔来解决,若是垂直方向上的偏差,则需要调整和清洗垫片来进行轴对中。
轴对中的检测,质量要求不大于0.05mm,两轴端面间距(DBSE)偏差要求不大于±0.25mm,检测时两轴转向为电机和泵的指示方向。
1)按照API标准螺栓力矩值检测电机下紧固螺栓,电机软脚的跳动值不大于0.05mm,且要交叉检测,测前要松动调整螺栓,工具为力矩扳手,百分表,磁力表座;
2)采用双表法检测两轴的对中值不大于0.05mm,工具为两块儿百分表,夹具;
3)检测两轴的侧面(RIM)和端面(FACE)跳动值不大于0.05mm,测前应将轴擦拭干净,工具为磁力表座和百分表;
4)检测两轴的间距(DBSE)值允许公差为±0.25mm,工具为内径千分尺;
4、管道连接前的找平找正工作结束,但还需要进行泵的现场维护工作,地脚调整螺栓需要涂抹防腐蚀油脂,泵底座的机械加工面也需要涂抹防腐蚀油脂,两轴需要涂抹锂基防腐蚀油脂并用防护罩保护,并定期进行盘车。
5、泵的二次灌浆;首先支模水养护基础,采用无收缩水泥基灌浆料先填充至设备底座下边缘,一个小时后待灌浆料开始凝固,继续将泵底座内腔灌满,可以通过敲击底座将内腔中的气泡排出达到完全灌满底座的目的。
厂家操作手册如下所示:
6、二次灌浆完成后,准备进行管道的配管工作。
工艺管道在完成泵的配管及支架安装,水压试验,管道吹扫和冲洗后,需要再做无应力配管工作:消除管道对泵进出口的应力作用,以满足泵的最终找正。
无应力配管的具体操作:
(1)首先通过调节管道支架来调节泵进出口法兰的平行度;
(2)其次确定管道的材质,针对碳钢材质可以选用加热消除应力法,割口重新焊接法;针对不锈钢材质,主要是用割口重新焊接法
(3)最后在管道完成无损检测合格后,开始泵得最终验收。
无应力配管的检验标准要满足以下几项:
(1)进出口法兰的螺栓孔对中,中心度要求螺栓能够自由进出;
(2)进出口法兰平行,法兰间距要求为3.5-5mm(加入垫片后±0.8mm),平行度要求满足法兰直径的0.025mm/mm to 0.08mm/mm,(例如DN100的法兰,平行度满足在2.5-8道),使用工具为塞尺和外径千分尺;
(3)进出口法兰的螺栓紧固,螺栓的紧固要求满足百分表跳动值≤0.05mm。
具体为首先用两块儿百分表同时检测电机轴端面的横向和竖向的跳动值,然后加入正式垫片,进出口法兰螺栓按照10%,30%,100%的顺序依次紧固,只要百分表跳动值在5道以内,则满足要求,大于5道,重新再调法兰平行度。
现场实际根据ITT泵厂家要
求,电机需要低于泵0.05-0.10mm,实际表值应满足0.10-0.20mm,螺栓紧固应满足百分表跳动值±0.05mm,才能满足最终验收的合格需要。
7、泵的最终对中验收(钳工范围)
(1)首先检查轴对中,百分表读书值是否满足泵的要求,一般为径向位移量检测≤0.05mm;
(2)其次检查电机下软脚跳动值,先松开固定螺栓,再重新用力矩扳手紧固螺栓,同时检测轴向和径向百分表读数满足≤0.05mm;
(3)泵进出口法兰螺栓力矩检测,加入正式垫片和合格螺栓,螺栓力矩值采用10%,30%,100%来紧固,同时检测轴向和径向百分表读数满足≤0.05mm;
(4)双轴最终检测采用单表双打法,轴向和径向位移量满足检测≤0.05mm;
(5)最后检测轴端的径向位移量≤0.05mm;
(6)检测两轴端的间距(DBSE)安装联轴器,联轴器螺栓打力矩值,完成后涂抹上润滑脂,安装联轴器罩子;
(7)加注开车轴承箱润滑油,做好成品保护,设备包裹好,并挂好标牌,准备开车准备。