配气机构拆装作业表(省赛)
- 格式:docx
- 大小:16.71 KB
- 文档页数:1
配气机构的操作步骤及拆装工艺流程下载温馨提示:该文档是我店铺精心编制而成,希望大家下载以后,能够帮助大家解决实际的问题。
文档下载后可定制随意修改,请根据实际需要进行相应的调整和使用,谢谢!并且,本店铺为大家提供各种各样类型的实用资料,如教育随笔、日记赏析、句子摘抄、古诗大全、经典美文、话题作文、工作总结、词语解析、文案摘录、其他资料等等,如想了解不同资料格式和写法,敬请关注!Download tips: This document is carefully compiled by theeditor. I hope that after you download them,they can help yousolve practical problems. The document can be customized andmodified after downloading,please adjust and use it according toactual needs, thank you!In addition, our shop provides you with various types ofpractical materials,such as educational essays, diaryappreciation,sentence excerpts,ancient poems,classic articles,topic composition,work summary,word parsing,copy excerpts,other materials and so on,want to know different data formats andwriting methods,please pay attention!配气机构是内燃机的关键组成部分,它负责按照一定的时间顺序开启和关闭气门,以便于燃油和空气的混合以及废气的排出。
气门组拆装作业评分表考核,成绩按分计;操作规范符合要求,得分正常计算;操作规范不符合要求,酌情扣分;装配错误,酌情扣分;工具使用不当,酌情扣分;现场整理不规范,酌情扣分;总分低于60分,考核不合格;总分60分及以上,考核合格。
评分表-气门组拆装作业一、实训目的1.了解发动机气门组的构成和工作原理;2.掌握发动机气门组的拆装流程。
二、实训要求1.在规定时间内完成气门组的拆装,符合技术标准;2.操作过程中禁止违规操作,注意实训安全,防止损坏工具设备;3.实训作业要符合安全文明生产要求。
评分项目1.正确使用工具;2.气门弹簧拆装钳的使用;3.取出液压挺柱;4.取出气门锁片;5.取出气门弹簧;6.取出气门油封;7.取出气门;8.装气门;9.装气门油封;10.装气门弹簧;11.装气门锁片;12.装液压挺柱;13.整理工具、清理现场;14.遵守相关安全操作规范。
评分标准与指导1.工具使用不当酌情扣分,并指正;2.按要求酌情扣分,并指正;3.按要求酌情扣分,并指正;4.按要求酌情扣分,并指正;5.按要求酌情扣分,并指正;6.按要求酌情扣分,并指正;7.按要求酌情扣分,并指正;8.进、排气门装错扣10分,并指正;9.按要求酌情扣分,并指正;10.按要求酌情扣分,并指正;11.未按要求,装错扣10分,并指正;12.按要求酌情扣分,并指正;13.每项扣2分,扣完为止;14.操作规范符合要求,得分正常计算;15.操作规范不符合要求,酌情扣分;16.装配错误,酌情扣分;17.工具使用不当,酌情扣分;18.现场整理不规范,酌情扣分;19.总分低于60分,考核不合格;20.总分60分及以上,考核合格。
评价结果因违规操作发生人身和设备事故,终止考核,成绩按分计;超时每分钟扣1分,超时10分钟终止考核,成绩按分计;总分60分及以上,考核合格;总分低于60分,考核不合格。
中等职业技术学校汽修专业汽车发动机实训项目任务书任务名称_配气机构的拆装__任务编号__________________班级_______________姓名_______________指导教师________ __ ___布置时间__2012年___月____日_汽修教研组长签字_________专业部分管教学主任签字_______注:1、本任务书为学生学习过程评价,包含:课前预习、课堂学习、课后复习检查三个部分。
2、本任务书由专业教师根据课程具体情况提前一周制定,完成后由教研组长及专业部分管主任签字审核通过后,方可进行课堂教学。
本任务书应在课前装订好后发给学生完成相应预习内容,课前教师批阅预习部分,预习内容不完成,不得进入课堂。
3、学生项目学习分数评定为任务书成绩20%,技能成绩为80%,最终确定项目总分。
学生项目总分不合格,评定为成绩不合格。
成绩不合格,不得毕业。
4、本任务书在该任务完成后,收齐并上交专业部存档。
5、制表过程中,注意表格、文档的美观。
为节约纸张,请正反面复印。
预习部分:(一般在2页左右)任务名称发动机配气机构的拆装起止时间任务目标1、熟悉气缸盖的拆装方法及要求。
2、掌握齿形皮带的拆装、检查、调整。
3、掌握顶置凸轮轴的拆装方法及要求。
预备理论知识点(项目识记内容)教师准备内容:(一)、实训内容1、齿形皮带的拆卸2、气缸盖的拆卸3、凸轮轴的拆卸4、凸轮轴的装配5、气缸盖的装配6、正时齿形皮带的安装7、正时齿形皮带的检查与调整(二)、操作步骤1、齿形皮带的拆卸(1)旋下曲轴皮带轮的紧固螺栓,取下曲轴皮带轮。
(2)旋下加机油口盖,再从油底壳上旋下放油螺塞,放出发动机的润滑油。
(3)旋下螺栓,取下齿形带上罩和下罩。
(4)将发动机置于1缸压缩上止点位置,将曲轴皮带轮转至上方,对准中间轴上的记号,再将凸轮轴正时齿轮上的标记对准气缸盖罩的上边沿,此时为1缸压缩上止点,这时凸轮轴没有推压气门,可以保证拆卸气缸盖时即使曲轴转动,也不会使活塞与气门相撞而损坏气门,见图1。
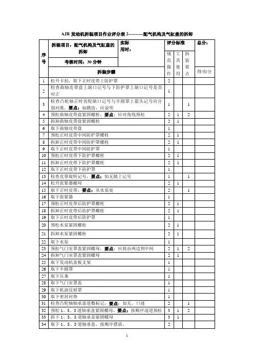
AJR发动机拆装项目作业评分表2----------配气机构及气缸盖的拆卸
注:1.
2.操作过程中发生零件、工具落地,每发生一次扣1分,共15分,扣完为止。
3.工具、零部件摆放凌乱、叠压等,扣1~5分。
4.拆装引起的零件损坏、丢失等,一次扣15分。
拆装引起的人身伤害,一次扣30分。
5.单个操作步骤超时5分钟,允许学生放弃该操作步骤,放弃步骤分数全部扣除。
6.步骤错误,学生自己发现并重新操作,原错误步骤不扣分,若没有重新操作,则错误步骤分数全部扣除。
7.该考核表总分150分。
AJR发动机拆装项目作业评分表5---------配气机构及气缸盖的装配
注:1.
2.操作过程中发生零件、工具落地,每发生一次扣1分,共15分,扣完为止。
3.工具、零部件摆放凌乱、叠压等,扣1~5分。
4.拆装引起的零件损坏、丢失等,一次扣15分。
拆装引起的人身伤害,一次扣30分。
5.单个操作步骤超时5分钟,允许学生放弃该操作步骤,放弃步骤分数全部扣除。
6.步骤错误,学生自己发现并重新操作,原错误步骤不扣分,若没有重新操作,则错误步骤分数全部扣除。
7.该考核表总分150分。
选手号码
………………………. …..密…...封……栏……………………………
发动机气缸盖(含配气机构)拆装操作记录表(高职组)
开始时间结束时间成绩
1.气缸盖螺栓测量作业表
备注:按照维修手册规定用卡尺测量。
表中缸盖螺栓编号及长度规定见提供的技术文件中发动机机械—部分发动机总成章节14~17页。
2.气缸盖平面度测量作业表单位:mm
备注:测量点个数自己选择,测量值如果由于小于0.02mm而测不出来,表内值可以填写小于0.02 mm
3.气缸体平面度测量作业表单位:mm
备注:测量点个数自己选择,测量值如果由于小于0.02mm而测不出来,表内值可以填写小于0.02 mm
4、气门间隙测量结果和维修建议单位:mm
裁判签名复核签名。
1ZR-FE 发动机配气正时机构拆装与测量评分表序号 项目配分内容扣分标准原因扣分 1 准备工具,清洁工作台 1分 选出操作需要的工具,并清洁工作台整理作业所需工具,未整理工具扣0.5分,未清洁工作台扣0.5分2拆卸气门罩盖1分取下气门罩盖,并放置至零件架在取下过程中不能磕碰凸轮轴壳,有磕碰现象扣0.5分气门罩盖安装面朝上放置至零件架,否则扣0.5分3检查正时标记4分转动曲轴并目视检查正时标记转动曲轴时必须使用指针式扭力扳手,否则扣0.5分转动曲轴,将1缸转至压缩上止点(TDC)位置:转动曲轴皮带轮,直到其凹槽与正时链条盖上的正时标记“0”对准,1分目视检查正时标记对正情况,并报出正时标记检查结果:检查并确认凸轮轴正是齿轮和链轮上的各正时标记和位于1号和2号轴承盖上的各正时标记对准。
如果没有对准,则转动曲轴1圈(360º),如上所述对准正时标记。
未检查正时标记对正情况,扣3分 未报出正时标记检查结果,扣1分4拆卸曲轴皮带轮4分 拆卸曲轴皮带轮固定螺栓 未使用专用工具SST 09213-58013拆卸曲轴皮带轮,扣1分用专用工具SST 09213-58013、09330-00021固定皮带轮就位并松开曲轴皮带轮螺栓,0.5分SST 安装螺栓旋入曲轴皮带轮上的位置要正确(SST 安装螺栓不能接触正时链条盖分总成)。
安装螺栓旋入曲轴皮带轮上的位置不正确扣0.5分用指针式扭矩扳手预松曲轴皮带轮固定螺栓,0.5分用摇把将曲轴皮带轮固定螺栓拆下,0.5分将曲轴皮带轮固定螺栓至零件架,要求摆放整齐,摆放不整齐扣0.5分拆下曲轴皮带轮使用专用工具拆卸曲轴皮带轮,未使用专用工具扣1分在皮带轮固定螺栓头部贴上保护性胶带,0.5分专用工具SST 安装螺栓不能接触正时链条盖分总成,否则扣0.5分用活动扳手正确固定专用工具SST,0.5分用梅花扳手将曲轴皮带轮拆下,0.5分 将曲轴皮带轮安装面朝上放置至零件架,0.5分5拆卸链条张紧器2分拆下1号链条张紧器总成 使用指针式扭力扳手预松1号链条张紧器总成2个固定螺母,使用摇把将1号链条张紧器总成固定螺母拆下,1分将1号链条张紧器总成(2个螺母,托架、链条张紧器)放置至零件架,0.5分 在拆卸1号链条张紧器的过程中不可转动曲轴,如果曲轴转动扣1分在不使用链条张紧器的情况下禁止转动曲轴,否则扣1分6拆卸正时链条前端盖3分正确拆下正时链条前端盖使用指针式扭力扳手按正确顺序预松正时链条前端盖固定螺栓,使用摇把将正时链条前端盖固定螺栓拆下,并将正时链条前端盖固定螺栓放置至零件架,放置要整齐,1分。
《汽车发动机构造与維修》工单
2
任务工单二
任务爼称配气机构学时6班级
学生姓筑学生学号任务成绩
实训设备实训场地日期
在实车上査找如下消息并填写。
生产年份_______ ,车牌号码_________ ,车型_________ ,行驶里程 ________ ,汽车识别代码(VIN),发动机型号和排量。
二、计划与决策
请根据任务要求;确袒所需要的检测仪器、工具,制庞详细的作业匸划。
1、作业计划
2、作业中的注意事项
三、实施一.作业时需要哪些工具.材料和设备?
圉工具车S1-2准备工位
《汽车发动机构造与維修》工单2
三、配气机构的作用和类型
K配气机构的作用
二、作业安全
图1-3穿好工作服1-4去除苒饰等
2 •配气机构的分
类
四、检查与评估
1.对本学习任务进行评价:各小组人员进行本学习任务时的表现情况依据“评分表”记录进行评
价,如表1-2所示。
1-2。
LDE配气正时机构拆装与气门间隙检查调整参考作业流程专用工具(可以同等工具替代)LDE配气正时机构拆装拆下凸轮轴盖11个紧固螺栓(2, 3);取下凸轮轴盖(1)。
旋转曲轴扭转减振器紧固螺栓,直到标记(1) 与气缸1在上止点处对齐。
箭头所指的六角水平对准凸轮轴,直至EN-6628-A锁止工具可以插入两个凸轮轴内。
安装EN-6628-A锁止工具 (1)。
安装EN-652固定工具 (1),通过起动机齿圈锁止飞轮 (2)或自动变速器挠性盘。
拆下曲轴扭转减振器螺栓(4)。
拆下曲轴扭转减振器垫圈(3)。
拆下曲轴扭转减振器(2)。
拆下2个正时皮带上前盖螺栓 (2)。
拆下正时皮带上前盖 (1)。
从正时皮带后盖上的2个位置处拆下正时皮带中前盖。
拆下正时皮带中前盖(1)。
拆下4个正时皮带下前盖螺栓 (2) 拆下正时皮带下前盖(1)。
注意: 正时皮带传动齿轮和油泵壳体必须对齐。
使用内六角扳手(1)对正时皮带张紧轮(2) 施加张力; 安装EN-6333锁销(3)。
拆下张紧器螺栓(3)。
拆下正时皮带张紧器(2)。
拆下正时皮带(1)。
检查正时皮带磨损、损伤、裂纹、油污。
检查涨紧轮和惰轮轴承松旷、噪音。
曲轴链轮的磨损状态进行检查。
进排气凸轮轴位置执行器调节器齿轮的磨损状态进行检查。
安装新的正时皮带(1)。
引导正时皮带通过张紧器并将其放置在曲轴链轮上。
将正时皮带放置在排气和进气凸轮轴位置执行器调节器上。
安装新的正时皮带张紧器(2)。
将正时皮带张紧器螺栓(3)紧固至20牛米。
使用内六角扳手(1)对正时皮带张紧轮(2) 施加张力;拆下EN-6333锁销(3)。
注意: 正时皮带张力器自动移至正确位置。
释放正时皮带上的张力。
安装下部正时皮带盖(1)。
安装4个下部正时皮带盖螺栓(2) 并紧固至6牛米。
安装曲轴扭转减振器(2)。
安装新的曲轴扭转减振器螺栓(1) 并使用专用角度仪分三遍紧固:第一遍紧固至95牛米。
第二遍紧固至45°。
2017年发动机气缸盖、气门组拆装检查作业评分表2017年全国职业院校技能大赛汽车运用与维修项目发动机气缸盖、气门组拆装检查作业评分表选手号码。
开始时间。
结束时间。
成绩:作业项目一、维修准备(总分值4分)1.检查发动机翻转架及发动机安装状况。
二、凸轮轴的拆卸(7.5分)1.拆卸第一道凸轮轴轴承盖1)使用合适工具按图示顺序释放分两次拧松1号凸轮轴盖力矩。
2)拆下4颗螺栓后用塑料锤轻敲以松开凸轮轴盖并将其拆下,敲打时用手扶住防止掉落。
2.拆下排气凸轮轴1)确认排气凸轮轴轴承盖标记。
2)使用合适工具以1/2至1圈的增量从内到外螺旋式一次拧松8个排气凸轮轴轴承盖螺栓固定力矩。
3)拆下8个排气凸轮轴轴承盖螺栓,注意螺栓不能互换。
4)从汽缸盖上拆下4个排气凸轮轴轴承盖6至9,并依次摆放至零件盆中。
5)取下排气凸轮轴并摆放零件盆中,注意轻拿轻放。
3.拆下进气凸轮轴1)确认进气凸轮轴轴承盖标记。
2)使用合适工具以1/2至1圈的增量从内到外螺旋式一次拧松8个进气凸轮轴轴承盖螺栓固定力矩。
3)拆下8个进气凸轮轴轴承盖螺栓,注意螺栓不能互换。
4)从汽缸盖上拆下4个进气凸轮轴轴承盖6至9,并依次摆放至零件盆中。
5)取下进气凸轮轴并摆放零件盆中,注意轻拿轻放。
三、气门挺杆拆卸(2分)1.检查气门挺柱标记。
2.使用EN-845抽吸装置(或吸棒)拆下16个气门挺柱。
标注位置可以正确区分进排气侧气门挺柱安装顺序,防止在安装过程中装错。
作业要求及注意事项分值1.检查确认工具、量具、零件及辅料。
扣分说明:未确认检查工具扣1分。
未确认检查量具扣0.5分。
未确认检查零件及辅料扣0.5分。
未检查翻转架状况扣1分。
未检查安装状况扣1分。
未使用合适工具(指针扳手)扣0.5分。
没有按规定的卸力顺序卸力扣1分。
没有分两次拧松螺栓扣1分。
未用塑料锤在规定位置敲击扣0.5分。
During disassembly。
if the order of n of the four exhaust camshaft bearing covers is not confirmed。
实验六配气机构的拆装
一、实验目的及要求
(一)熟悉:配气机构的组成,气门组和气门传动组各主要机件的构造、作用与装配关系;
(二)掌握:配气机构正确的拆装步骤、方法、要求。
二、实验设备及工量具
(一)设备完整的汽车发动机1台,
(二)工、量具常用工具1套、扭力扳手、塞尺1把。
三、试验内容
(一)配气机构的拆卸
(二)配气机构的装配
四、实验操作及步骤
(一)配气机构的拆卸
1、拆下气门室盖、风扇、正时链条(或皮带)室盖;
2、察看曲轴正时齿轮及凸轮轴正时齿轮上的正时记号,转动曲轴使正时齿轮上的正时记号都对正机体上的固定记号;
3、拆松正时链条(或皮带)的张紧装置,并取下正时链条(或皮带);
4、拆下凸轮轴;内容略
5、认真观察所拆下的配气机构的各零部件,熟悉它们的结构、装配关系。
(二)配气机构的装配
以相反的顺序安装配气机构。
内容略
配气机构在拆装时应注意以下几点:
1 、松开正时齿型皮带张紧轮前,应将曲轴转到 1 缸上止点位置;
2 、在取下正时齿型皮带时,应在正时齿型皮带上标上其原转动方向及定位标记,以防安装时装反和错齿。
否则,会加速正时齿型皮带的磨损;
3 、拆装凸轮轴时要按照正确的步骤操作,以防折断凸轮轴。
六、实验考核标准
(一)在实验中,你认为哪一步最难,你是如何进行的?
(二)为什么要特别注意正时记号的对正?。
鄂东职业技术学院
《发动机结构与拆装》课程任务工单
课程:发动机结构与拆装
学习情境:配气机构的拆装与调整
任务单元:预备知识
姓名:_______ 班级:________
指导教师:_____日期:________
任务成绩:_____ 共2页1.普通汽车传动系统的布置形式中,有的是用符号4×2 表示。
其中“4”表示的
是________________,“2”表示的是________________。
2.技师A说汽车传动系统可以实现减速增矩、实现变速。
技师B说汽车传动系统可以实现汽车倒驶、使两侧车轮具有差速作用。
谁说的对?
A.技师A说的对 B.技师B说的对
C.技师A和技师B说的都对 D.技师A和技师B说的都不对。
3.填出图中数字代表的总成(或零件)名称。
1.__________
2. __________
3. __________
4. __________
4.举升机在使用中应注意哪些问题?
鄂东职业技术学院
《发动机结构与拆装》课程任务工单。
2017年广东省省属中等职业学校技能大赛学生组发动机拆装作业表(一)
注意:裁判指定选取一汽缸(测量的汽缸、活塞直径、活塞环和进气门必须同一缸);活塞环侧隙和端隙仅测量第一道环;位置3(下部)精度不做要求;测量结果误差在±0.02mm内,在测量精度评分方面不扣分,但操作必须规范;仅测量曲轴第一个主轴颈处的油膜间隙。
1.汽缸和活塞测量作业表单位:㎜
2.曲轴止推间隙和主轴颈油膜间隙测量作业表单位:㎜
2017年广东省省属中等职业学校技能大赛学生组发动机拆装作业表(二)
3.汽缸盖下平面度测量作业表单位:㎜
备注:测量点个数自己选择,测量值如果由于小于0.02mm而测不出来,表内值可以填写〈0.02mm,如果测量数据大于0.05mm,填写>0.05mm,但数据介于二者之间则必须填写实测数据值。
4.气门长度和气门杆直径测量作业表单位:㎜。
任务一配气机构的拆装与检修【任务描述】本任务主要介绍配气机构的功用、结构和工作原理、以及零部件的检测和气门研磨。
【学习目标】通过本任务的学习,能够正确描配气机构的功用、结构和工作原理以及掌握技能实训项目要求。
【能力目标】能够正确选择与使用工具、设备,并规范进行配气机构的拆装和气门研磨任务工单1、在你拆装的发动机配气机构中,见过的类型有哪些?(1)按气门布置可分为和;(2)按凸轮轴布置形式可分为、和;(3)按气门数量可分为、和。
2、标出图中零件的名称。
(1)、(2)(3)、(4)、(5)、(6)、(7)、(8)、(9)、(10)、(11)、(12)、(13)、(14)、(15)、工作原理:发动机工作时曲轴通过正时齿轮驱动()转动,当凸轮的突起部分顶起()时,挺住推动()一起上行,作用于()上的推动力驱使摇臂绕轴转动,摇臂的另一端压缩()使()下行。
气门开启。
当凸轮突起部分离开挺柱时,气门便在弹簧弹力的作用下上行,气门关闭。
4、配气机构由气门组和气门传动组组成。
其中气门组主要零部件有_____________________ __________________________________________气门传动组主要零部件有________________________________________________________ 5、在气门组的检修中气门座的铰削顺序为用________________铰刀铰削工作面用________________铰刀铰削上斜面用________________铰刀铰削下斜面6、气门密封性的检查方法有:_____________、_____________、_____________、__________、。
第十届技能竞赛发动机气缸盖拆装评分表班级:姓名:开始时间:结束时间:用时:项目配分评分标准或要求扣分或违规记录得分基本情况评定工具的选用10工具选用不当,发现一次扣3分,扣完本分值为止工具的使用10工具使用不当,发现一次扣3分,扣完本分值为止零部件摆放及工具整理10零部件乱摆乱放,除下述另有规定的外,发现一次扣2分,扣完6分为止发动机安装完毕后,场地未清理干净扣4分,工具未整理或整理不当扣1~3分三不落地10零部件、工具、油料、抹布等落地一次扣2分,扣完本分值为止;发现较严重情况的本项不得分。
拆卸安装过程评定外围附件拆卸10该拆下的未拆下,发现一次扣2分,扣完本分值为止气缸盖罩和气缸盖拆卸15按正确顺序拆卸气缸盖罩否则扣1~5分按对角线顺序分批分次松开气缸盖安装螺栓,否则扣1~5分拆下后轻拿轻放摆放整齐否则扣1~5分该拆下的未拆下,发现一次扣2分,扣完6分为止气缸盖罩和气缸盖安装15能按对角线顺序分批分次拧紧气缸盖安装螺栓,否则扣5分能按正确顺序安装气缸盖罩,否则扣5分两次未看扳手扭矩,扣10分螺栓未按规定扭矩拧紧或未拧紧,发现一次或一个扣2分零部件漏装、错装,发现一次或一个扣2分外围附件安装10不能正确安装皮带,发现一次扣2分螺栓未按规定扭矩拧紧或未拧紧,发现一次或一个扣2分零部件漏装、错装,发现一次或一个扣2分安全文明生产10着装整齐、动作规范、精神饱满、有礼貌,否则扣1~10分。
总用时(分钟)25 每超过一分钟扣5分,扣完为止。
总配分100 总得分裁判签名:。