2011062402 2000定额人工费调整
- 格式:doc
- 大小:366.00 KB
- 文档页数:23
2000建筑工程计价定额解释(一)总说明1、施工单位到外地施工,人工费如何调整?答:按工程所在地造价站发布的人工费调整系数执行。
2、不同所有制的施工企业承包工程时,是否按定额工资标准执行?答:均按定额工资标准及地区人工调整系数执行。
3、规范、规程规定的砼粗骨料的最大粒径与定额中规定的粗骨料的最大粒径不同时,是否允许换算?答:定额已考虑规范、规程的规定,砼粗骨料的最大粒径系综合考虑的,不允许换算。
4、水泥的种类、标号与定额不同时,其量差是否可以进入定额基价?答:不得进入定额基价,作为价差处理。
5、地区材料预算价格低于基价时,怎么计取费用?答:无论地区材料预算价格低于或高于基价,均以定额基价计取各项费用,然后再按地区的规定调整材料价差。
6、房屋建筑区内、厂区内、室外总平内的零星工程如何判定工程类别?答:如为同一企业施工按有关规定执行;如不为同不企业施工,未按城市道路设计规范设计的厂区、生活区道路、化粪池、排水、排污沟、检查井、零星花池、喷水池等均执行土建四类工程,按城市道路设计规范设计的厂区、生活区道路、砼管沟的挖土方按照市政定额规定判定工程类别。
7、底层为框架,上部为砖混住宅,其工程类别如何确定?答:按层数确定其工程类别。
8、中、小学运动场的工程类别如何确定?答:中、小学运动场,不论其面积大小,均按四类工程执行。
9、施工单位离基地25km以外施工,临时设施费增加费20%,如何正确理解?答:假设某施工企业到距离基地25km以外的地方承建工程,工程类别为一类,其临时设施费增加20%后为:2.8%(1+20%)=3.36%。
10、单独的地下停车场的工程类别如何确定?答:按公共建筑确定工程类别。
11、多层仓库工程类别如何确定?答:按多层工业厂房确定工程类别。
12、其它直接费内是否包括白天施工照明费?答:不包括,发生时按签证另行计算。
13、建筑材料、成品、半成品的过桥费、过路费应如何计算?答:建筑材料、成品、半成品的过桥费、过路费,由各地造价站在编制材料预算价格时考虑。
关于成都市等10个市、州“二○○○”计价定额人工费调整的批复
发表时间:2011-6-24 11:42:24 阅读:990次
四川省建设工程造价管理总站
川建价发〔2011〕19号
各有关市、州工程造价管理机构:
你们关于四川省“二○○○”计价定额人工费调整的请示收悉。
根据省建设厅《关于颁发<四川省建筑工程计价定额>等三部定额的通知》(川建厅价发[2000]0130号)、《关于颁发<四川省市政工程计价定额>等三部定额的通知》(川建厅价发[2000]0823号)和《关于规范建设工程人工费调整测算、发布制度的通知》(川建价发[2008]33号)的规定,现批准成都市等10个市、州“二○○○”计价定额人工费调整幅度(见附件)。
一、此次批准的人工费调整幅度从2011年7月1日起执行。
二、此次人工费调整适用于2010年4月2日前已发出招标文件或已签订施工合同以及开工建设,但至2011年7月1日仍未竣工的工程。
三、此次人工费调整按结转工程量分段执行,已办理结算的工程不再调整。
四、人工费调整的计算基础是定额人工费,调整的人工费不作为计取其他费用的基础(税金除外)。
附件:成都市等10个市、州“二000”计价定额人工费调整幅度表
二○一一年六月二十四日附件:
成都市等10个市、州“二○○○”计价定额人工费调整幅度表
注:市政工程中的给水、燃气、给排水机械设备安装、路灯工程执行安装工程相应标准。
转发省住房和城乡建设厅《关于调整建设工程定额人工费的通知》的通知信息来源:市定额站采编人员:发布时间:2011-12-05建管〔2011〕367号有关单位:现将安徽省住房和城乡建设厅《关于调整建设工程定额人工费的通知》(建标〔2010〕267号)转发给你们,请贯彻执行。
一、我市建设工程定额人工费单价由47元/工日调整为57元/工日。
二、调整的定额人工费单价自2012年1月1日起执行。
跨年度工程按工程合同约定办理。
三、调整增加的人工费只计取税金,不计取其他费用。
附件:省造价管理总站《关于调整执行建设工程定额人工费的实施意见》(造计〔2011〕25号)淮南市城乡建设委员会二○一一年十一月二十一日抄送:省住房和城乡建设厅,省造价管理总站关于调整建设工程定额人工费的通知建标〔2011〕267号各市住房和城乡建委(城乡建委)、建管局(处),广德、宿松住房和城乡建委(局),省直有关厅局:随着我省经济的快速发展,建筑市场劳务价格(含劳务基本工资、社会保障费用、住房公积金等)有了较大幅度的上涨,现行定额人工费已不能适应市场发展的要求。
为合理确定建设工程造价,保障建设市场各方的权益,促进建设市场健康有序发展,经测算后决定,将我省建设工程定额人工费单价由47元/工日调整为57元/工日。
现就调整执行的有关问题通知如下:一、凡在我省从事建筑、安装、装饰装修、市政、房屋修缮、抗震加固、园林绿化及仿古建筑、城市轨道交通等工程,并执行现行计价依据的均执行本通知。
二、调整增加的人工费只计取税金,不计取其他费用。
三、调整执行的具体事宜由安徽省建设工程造价管理总站负责办理。
四、本通知自2012年1月1日起执行。
安徽省住房和城乡建设厅二〇一一年十月三十一日关于调整执行建设工程定额人工费的实施意见造计〔2011〕25号各市造价(定额)站:根据省住房和城乡建设厅《关于调整建设工程定额人工费的通知》(建标〔2011〕267号)文件精神,我省建设工程定额人工费单价由47元/工日调整为57元/工日。
关于调整执行建设工程定额人工费的实施意见〔2010〕25号各市造价(定额)站:根据省住房和城乡建设厅《关于调整建设工程定额人工费的通知》(建标〔2010〕211号)文件精神,我省建设工程定额人工费单价调整为47元/工日。
为便于贯彻实施,经研究提出如下实施意见:一、适用范围:凡执行我省现行建设工程计价依据的,包括建筑、安装、装饰装修、市政、房屋修缮、园林绿化及仿古建筑、城市轨道交通、抗震加固等工程,均按调整定额人工费文件要求进行调整。
二、调整的人工费单价所包括的内容:主要包括定额人工费组成的内容及流动施工津贴,不包括社会保障费、住房公积金等其他费用。
三、执行清单计价的工程:1、对于执行2005年《建设工程工程量清单计价规范》及其配套清单计价依据的,原定额人工费单价为31元/工日,现调整为47元/工日,调整增加的人工费不参与取费,只计取税金。
其中装饰装修工程定额人工费单价可以由当事人视工程技术特点、难易程度等,在合同中约定单价标准,但不得超过每工日70元。
2、对于执行2009年《安徽省建筑、装饰装修工程计价定额综合单价》、《安徽省安装工程(常用册)计价定额综合单价》的,定额人工费单价由39元/工日调整到47元/工日,调整增加的人工费不参与取费,只计取税金。
3、对于执行2010年《安徽省城市轨道交通工程计价定额综合单价》的,定额人工费单价由39元/工日调整到47元/工日,调整增加的人工费不参与取费,只计取税金。
四、执行定额计价的工程:其定额人工费单价统一调整为47元/工日(含流动施工津贴),取消定额人工工日地区和定额项目差价。
1、对于执行2000年定额计价依据的,原定额人工费单价(分别为2 7.64元/工日、25.84元/工日、24.55元/工日)统一调整到47元/工日,其价差计取税金后,计入工程总价。
2、对于执行1999年《全国统一建筑工程基础定额安徽省装饰工程综合估价表》的,原定额人工费单价(分别为19.69元/工日、22.00元/工日、26.00元/工日)现统一调整为47元/工日,其价差计取税金后,计入工程总价。
附件1:20kV及以下配电网工程定额人工费调整系数汇总表单位:% 省份或地区建筑工程调整系数安装工程调整系数备注北京44.57 23.19天津40.07 20.78河北(南部) 25.23 16.08河北(北部) 26.49 16.17山西18.78 12.91山东22.70 17.76蒙东22.30 21.84蒙西含锡盟19.05 16.45辽宁24.09 22.12吉林22.47 18.34黑龙江22.20 16.10上海48.21 33.25江苏29.49 25.26浙江24.17 20.80安徽25.86 16.96福建28.91 17.57河南27.93 17.18湖北30.43 27.04湖南31.39 27.04江西20.41 18.62四川40.91 28.94重庆31.51 18.58陕西30.36 28.88甘肃12.24 11.96宁夏17.79 13.82青海28.26 24.34新疆35.63 25.81西藏51.51 54.07广东60.16 58.68 广州、深圳43.61 36.91 佛山、珠海江门、东莞21.84 17.92 其他地区广西12.96 10.82 云南17.58 15.58 贵州19.00 18.13 海南11.75 10.75附件2:20kV及以下配电网工程定额材机调整系数汇总表单位:% 省份或地区工程类别配电站(开关站)架空线路电缆线路通信与调度工程工程工程自动化北京建筑18.78 13.98 21.10安装30.37 18.45 28.42 13.99天津建筑15.93 11.78 18.18安装24.98 18.00 19.44 9.83河北建筑13.11 11.01 16.47安装19.48 16.68 19.96 7.99山西建筑13.69 10.53 14.41安装16.98 15.94 25.86 7.93山东建筑13.72 11.41 17.75安装21.32 14.28 16.68 12.45蒙东建筑14.17 10.50 15.23安装17.64 19.76 20.11 8.78蒙西含锡盟建筑14.65 11.50 16.06安装16.74 15.05 15.70 9.11辽宁建筑15.10 11.98 17.50安装19.20 21.71 21.15 11.55吉林建筑13.78 10.21 16.83安装21.01 15.57 21.55 10.15黑龙江建筑13.90 9.85 17.66安装21.62 12.45 24.79 10.34上海建筑17.36 12.98 19.78安装28.27 24.58 26.81 12.02江苏建筑9.98 10.64 15.75安装14.55 18.98 19.09 9.39浙江建筑9.12 9.90 7.53安装13.65 17.29 16.61 8.81安徽建筑12.78 13.46 10.19安装16.65 14.46 20.56 10.22福建建筑13.85 13.07 14.66安装22.95 17.51 16.87 8.80河南建筑11.02 12.18 18.20安装17.73 18.81 16.66 8.10湖北建筑15.97 14.72 12.37安装20.42 16.48 18.68 9.96湖南建筑16.51 14.07 16.37安装20.53 17.56 19.75 6.10江西建筑11.53 11.88 14.60安装15.48 14.60 10.08 8.16四川建筑16.41 12.59 16.49安装23.64 18.26 22.12 9.07重庆建筑16.18 11.94 16.24安装23.48 19.62 21.07 9.46陕西建筑10.35 10.94 19.91安装23.99 14.17 26.04 10.41甘肃建筑10.29 10.71 15.27安装19.89 12.68 23.88 6.22宁夏建筑13.08 11.51 16.81安装21.73 15.95 24.45 8.34青海建筑17.73 12.07 20.14安装27.91 18.96 26.91 9.46新疆建筑16.85 12.21 17.98安装26.75 17.43 27.09 11.27西藏建筑20.94 16.14 19.91安装43.49 36.24 28.41 15.53广东建筑16.61 15.64 17.77安装29.22 23.18 24.42 14.73广西建筑9.80 9.86 14.66安装18.79 15.98 20.33 8.70云南建筑13.46 11.19 12.70安装14.87 13.04 15.20 9.90贵州建筑14.78 11.53 14.02安装14.90 14.60 18.25 8.00海南建筑13.42 8.84 12.25安装12.53 15.22 10.91 9.69。
天津市2011各季度人工费,规率调整
基价调整——2011年一季度人工费计价系数2011.4.25
计价系数计取基数
1.457 08预算基价人工工日单价
1.本系数根据市建交委《于建设工程人工费计价有关问题的通知》(建筑[2011]249号)文件测算、发布。
(按文件一类工86.2544;二类工68.7704;三类工54.9289)
2.按本系数调整人工单价后,规费计取基数按调整后人工费合计乘0.77计算。
(按文件规费费率=34.0417% 此系数输入到软件动态费率规费相应的位置)
基价调整——2011年二季度人工费计价系数2011.7.20
计价系数计取基数
1.549 08预算基价人工工日单价
1.本系数根据市建交委《关于建设工程人工费计价有关问题的通知》(建筑[2011]249号)文件测算、发布。
(按文件一类工91.7008;二类工73.1128;三类工58.3973)
2.按本系数调整人工单价后,规费计取基数按调整后人工费合计乘0.72计算。
(按文件规费费率=31.8312% 此系数输入到软件动态费率规费相应的位置)
基价调整——2011年三季度人工费计价系数2011.10.21
计价系数计取基数
1.621 08预算基价人工工日单价
1.本系数根据市建交委《关于建设工程人工费计价有关问题的通知》(建筑[2011]249号)文件测算、发布。
(按文件一类工95.9632;二类工76.5112;三类工61.1117)
2.按本系数调整人工单价后,规费计取基数按调整后人工费合计乘0.69计算。
(按文件规费费率=30.5049% 此系数输入到软件动态费率规费相应的位置)。
关于发布二O一一年建筑安装等工程结算指导意见的通知--------------------------------------------------------------------------------文件号:黑建造价[2011]12号颁布机关:黑龙江省住房和城乡建设厅日期:2011-11-17各市(行署)住建局(建委),各建设、施工、设计单位,有关社会中介服务机构,中直驻省单位,哈尔滨铁路局,省军区、驻军:为了规范工程造价计价行为,合理确定工程造价,更好地贯彻执行《建设工程工程量清单计价规范》(GB50500-2008)以及国家和省有关工程造价管理规定,现对2011年我省建筑安装等工程结算作出如下指导意见:一、人工费价差:合同中对人工费价差有约定的,按照合同约定执行;合同中没有约定的,承发包双方可协商解决,或参照以下规定进行调整:(一)执行2010年计价依据的工程1、投标书(或报价书)中的人工单价小于或等于53元/工日的,哈尔滨市的工程,人工单价按32元/工日(装饰工程:37元/工日)进行调增,其他地市的工程,人工单价按27元/工日(装饰工程:37元/工日)进行调增;2、哈尔滨市的工程,投标书(或报价书)中的人工单价大于53元/工日、小于或等于85元/工日(装饰工程:90元/工日)的,人工单价按85元/工日(装饰工程:90元/工日)与投标书(或报价书)中的人工单价差额进行调增,其他地市的工程,投标书(或报价书)中的人工单价大于53元/工日、小于或等于80元/工日(装饰工程:90元/工日)的,人工单价按80元/工日(装饰工程:90元/工日)与投标书(或报价书)中的人工单价差额进行调增;3、哈尔滨市的工程,投标书(或报价书)中的人工单价大于85元/工日(装饰工程:90元/工日)的,按投标书(或报价书)中的人工单价执行,其他地市的工程,投标书(或报价书)中的人工单价大于80元/工日(装饰工程:90元/工日)的,按投标书(或报价书)中的人工单价执行。
关于贯彻执行调整建设工程定额人工费的通知建价[2010]13号各县(市)、区建设局,各建设、设计、施工、造价咨询、招标代理、监理单位:为及时贯彻执行安徽省住房和城乡建设厅《关于调整建设工程定额人工费的通知》(建标[2010]211号)、安徽省建设工程造价管理总站《关于调整执行建设工程定额人工费的实施意见》(造计[2010]25号)及安庆市建设委员会《转发省建设厅“关于调整建设工程定额人工费的通知”的通知》(建质发[2010]503号)的文件精神,我站根据清单与定额计价方式的不同特点,结合本市实际情况,研究制定出以下具体调整办法,请遵照执行。
一、定额计价方式下,各类专业工程计价程序见附件一。
二、清单计价方式下,各类专业工程计价程序见附件二。
三、本通知自2011年1月1日起执行,对于跨年度的工程按工程合同的约定办理。
四、涉及本地区调整执行中的具体问题由安庆市建设工程造价管理站负责解释。
附:1、安庆市定额计价方式下各类专业工程造价计算程序2、安庆市清单计价方式下各类专业工程造价计算程序3、《关于调整执行建工程定额人工费的实施意见》(安徽省造价总站造计[2010]25号)安庆市建设工程造价管理站二0一0年十二月十日抄:省造价总站、市建委送:各相关单位附件一:安庆市定额计价方式下各类专业工程造价计算程序一、2000年全国统一建筑工程基础定额安徽省综合估价表㈠定额直接费㈡流动施工津贴=定额工日×3.5元㈢材料价差=∑(信息价-定额价)×材料消耗量㈣计取综合费=[㈠+㈡+㈢]×综合费率㈤安全防护文明施工措施费=[㈠+㈡+㈢]×规定费率×(1+税率)㈥定额人工费调整=定额工日×(47-原定额人工费单价-流贴单价)×(1+税率)㈦机械台班费中人工费调整=工日总量×(47-原定额人工费单价-流贴单价)×(1+税率)㈧工程总造价∑= ㈠+㈡+㈢+㈣+㈤+㈥+㈦二、1999年全国统一建筑工程基础定额安徽省装饰工程综合估价表㈠定额直接费㈡流动施工津贴=定额工日×3.5元㈢材料价差=∑(信息价-定额价)×材料消耗量㈣计取综合费率=(定额人工费+流动施工津贴)×综合费率㈤定额测定编制管理费=[㈠+㈡+㈢+㈣] ×0‰㈥计取税金=[㈠+㈡+㈢+㈣+㈤] ×税率㈦安全防护文明施工措施费=(定额人工费+流动施工津贴)×规定费率×(1+税率)㈧定额人工费调整=定额工日×(47-原定额人工费单价-流贴单价)×(1+税率)㈨机械台班费中人工费调整=工日总量×(47-原定额人工费单价-流贴单价)×(1+税率)㈩工程总造价∑= ㈠+㈡+㈢+㈣+㈤+㈥+㈦+㈧+㈨三、2000年全国统一安装工程预算定额安徽省估价表㈠定额直接费㈡流动施工津贴=定额工日×3.5元㈢材料价差=∑(信息价-定额价)×材料消耗量㈣计取综合费率=(定额人工费+流动施工津贴)×综合费率㈤定额测定编制管理费=[㈠+㈡+㈢+㈣] ×0‰㈥计取税金=[㈠+㈡+㈢+㈣+㈤] ×税率㈦安全防护文明施工措施费=(定额人工费+流动施工津贴)×规定费率×(1+税率)㈧定额人工费调整=定额工日×(47-原定额人工费单价-流贴单价)×(1+税率)㈨机械台班费中人工费调整=工日总量×(47-原定额人工费单价-流贴单价)×(1+税率)㈩工程总造价∑= ㈠+㈡+㈢+㈣+㈤+㈥+㈦+㈧+㈨四、1999年全国统一房屋修缮工程预算定额安徽省综合价格(土建、安装分册)㈠定额基价㈡计取综合费用=定额人工费×综合费率(包工不包料53%,包工包料140%)㈢计取税金=[㈠+㈡] ×税率㈣定额人工费调整=定额工日×(47-19.69- 2.0)元×(1+税率)㈤机械台班费中人工费调整=工日总量×(47-19.69-2.0)元×(1+税率)㈥工程总造价∑= ㈠+㈡+㈢+㈣+㈤五、2000年全国统一市政工程预算定额安徽省估价表㈪.城市道路、桥涵、防洪堤防、机械施工的独立土石方工程、给排水工程的构筑物㈠直接工程费=A+B+C+D+EA定额直接费B流动施工津贴 =定额工日×3.5元C材料价差=∑(信息价-定额价)×材料消耗量D其他直接费=(A+B+C)×规定费率E现场经费=(A+B+C)×规定费率㈡间接费 =㈠×间接费率㈢利润=[㈠+㈡] ×规定费率㈣定额测定编制管理费=[㈠+㈡+㈢] ×0‰㈤计取税金=[㈠+㈡+㈢+㈣]×税率㈥安全防护文明施工措施费=(A+B+C)×规定费率×(1+税率)㈦定额人工费调整=定额工日×(47-25.84-3.5)×(1+税率)㈧机械台班费中人工费调整=工日总量×(47-25.84-3.5)×(1+税率)㈨工程总造价∑= ㈠+㈡+㈢+㈣+㈤+㈥+㈦+㈧㈫.给水、排水、集中供热、燃气工程、人工土石方工程㈠直接工程费=A+B+C+D+EA定额直接费B流动施工津贴 =定额工日×3.5元C材料价差=∑(信息价-定额价)×材料消耗量D其他直接费=定额人工费×规定费率E现场经费=定额人工费×规定费率㈡间接费 =定额人工费×间接费率㈢利润=定额人工费×规定费率㈣定额测定编制管理费=[㈠+㈡+㈢] ×0‰㈤计取税金=[㈠+㈡+㈢+㈣]×税率㈥安全防护文明施工措施费=定额人工费×规定费率×(1+税率)㈦定额人工费调整=定额工日×(47-25.84-3.5)×(1+税率)㈧机械台班费中人工费调整=工日总量×(47-25.84-3.5)×(1+税率)㈨工程总造价∑= ㈠+㈡+㈢+㈣+㈤+㈥+㈦+㈧六、2000年安徽省仿古建筑及园林工程估价表㈪.仿古建筑工程㈠直接工程费=A+B+C+D+EA定额直接费B流动施工津贴=定额工日×3.5元C材料价差=∑(信息价-定额价)×材料消耗量D其他直接费=(A+B+C)×规定费率E现场经费=(A+B+C)×规定费率㈡间接费 = ㈠×间接费率㈢利润=[㈠+㈡] ×规定费率㈣定额测定编制管理费=[㈠+㈡+㈢] ×0‰㈤计取税金=[㈠+㈡+㈢+㈣]×税率㈥定额人工费调整=定额工日×(47-原定额人工费单价-流贴单价)×(1+税率)㈦机械台班费中人工费调整=工日总量×(47-原定额人工费单价-流贴单价)×(1+税率)㈧工程总造价∑= ㈠+㈡+㈢+㈣+㈤+㈥+㈦㈫.园林绿化工程㈠直接工程费=A+B+C+D+EA定额直接费B流动施工津贴 =定额工日×3.5元C材料价差=∑(信息价-定额价)×材料消耗量D其他直接费=(定额人工费+B)×规定费率E现场经费=(定额人工费+B)×规定费率㈡间接费 =(定额人工费+B)×间接费率㈢利润=(定额人工费+B)×规定费率㈣定额测定编制管理费=[㈠+㈡+㈢] ×0‰㈤计取税金=[㈠+㈡+㈢+㈣]×税率㈥安全防护文明施工措施费=(定额人工费+B)×规定费率×(1+税率)㈦定额人工费调整=定额工日×(47-原定额人工费单价-流贴单价)×(1+税率)㈧机械台班费中人工费调整=工日总量×(47-原定额人工费单价-流贴单价)×(1+税率)㈨工程总造价∑= ㈠+㈡+㈢+㈣+㈤+㈥+㈦+㈧七、2002年安徽省抗震加固工程估价表㈠定额基价㈡计取综合费用=(定额人工费+流动施工津贴)×综合费率(120%)㈢定额人工费调整=定额工日×(47-原定额人工费及流贴单价)×(1+税率)㈣机械台班费中人工费调整=工日总量×(47-原定额人工费及流贴单价)×(1+税率)㈤工程总造价∑= ㈠+㈡+㈢+㈣备注:一、定额人工费单价统一调整为47元/工日(含流动施工津贴),取消定额人工工日地区和定额项目差价。
四川省建设工程造价管理总站
关于成都市等12个市、州2004年《四川省建设工程工程量清单计价定额》人工费调整的批复
川建价发〔2011〕18号
各有关市、州工程造价管理机构:
你们关于2004年《四川省建设工程工程量清单计价定额》人工费调整的请示收悉。
根据2004年《四川省建设工程工程量清单计价定额》的有关规定和《关于明确零星工作项目人工单价、停(窝)工人工、机械台班单价计算方法的通知》(川建价发〔2006〕19号)、《关于规范建设工程人工费调整测算、发布制度的通知》(川建价发[2008]33号)的要求,现批准你们2004年《四川省建设工程工程量清单计价定额》人工费调整幅度及零星工作项目人工单价(见附件)。
此次批准的人工费调整幅度和零星工作项目人工单价从2011年7月1日起与2004年《四川省建设工程工程量清单计价定额》配套执行,2009年3月1日以前已经发出招标文件或已签订施工合同以及开工建设的工程,至本批复执行时间尚未竣工的工程,按结转工程量分段执行。
人工费调整的计算基础是定额人工费,调整的人工费不作为计取其他费用的基础(税金除外)。
二Ο一一年六月二十四日
四川省建设工程造价管理总站办公室2011年6月24日印
附件:
成都市等12个市、州2004年《四川定额》人工费调整幅度及零星工作项目人工单价2011年7月1日起执行
注:市政工程中的给水、燃气、给排水机械设备安装、路灯工程执行安装工程相应标准。
基价调整——2011 年一季度人工费计价系数基价调整——2011 年一季度人工费计价系数2011 年一季度人工费计价系数计价系数计取基数1.45708 估算基价人工工日单价说明:1.本系数依据市建交委《对于建设工程人工费计价相关问题的通知》(建筑[2011]249 号)文件测算、公布。
2.按本系数调整人工单价后,规费计取基数按调整后代工费共计乘0.77 计算。
xx建设工程定额管理研究站二○一一年四月基价调整——2011 年二季度人工费计价系数基价调整——2011 年二季度人工费计价系数2011 年一季度人工费计价系数计价系数计取基数1.54908 估算基价人工工日单价说明:1.本系数依据市建交委《对于建设工程人工费计价相关问题的通知》(建筑[2011]249 号)文件测算、发。
2..按本系数调整人工单价后,规费计取基数按调整后代工费共计乘0.72 计算。
xx建设工程定额管理研究站二〇一一年七月基价调整——2011年三季度人工费计价系数基价调整——2011 年三季度人工费计价系数计价系数计取基数1.62108 估算基价人工工日单价说明:1.本系数依据市建交委《对于建设工程人工费计价相关问题的通知》(建筑[2011]249 号)文件测算、公布。
2.按本系数调整人工单价后,规费计取基数按调整后代工费共计乘0.69 计算。
xx建设工程定额管理研究站二〇一一年十月基价调整——2011年四时度人工费计价系数基价调整——2011 年四时度人工费计价系数计价系数计取基数1.71408 估算基价人工工日单价说明:1.本系数依据市建交委《对于建设工程人工费计价相关问题的通知》(建筑[2011]249 号)文件测算、公布。
2.按本系数调整人工单价后,规费计取基数按调整后代工费共计乘0.66 计算。
xx建设工程定额管理研究站二〇一一年十二月基价调整——2012年一季度人工费计价系数基价调整——2012 年一季度人工费计价系数计价系数计取基数1.7208 估算基价人工工日单价说明:1.本系数依据市建交委《对于建设工程人工费计价相关问题的通知》(建筑[2011]249 号)文件测算、公布。
沈阳市市政工程造价管理站文件沈市政价发[2011]1号转发《调整辽宁省建设工程计价定额人工日工资单价》及《2010年辽宁省建设工程结算工作会议纪要》的通知各市政公用、园林绿化建设、设计、施工单位及造价咨询、招标代理机构:为了做好我市市政公用和园林绿化工程的造价管理及2010年建设工程结算工作,现将辽住建发〔2011〕5号文件《关于调整辽省建设工程计价定额人工日工资单价的通知》及辽建价发〔2010〕16号文件《关于印发《2010年辽宁省建设工程结算工作会议纪要》的通知》转发给你们,同时就工程造价相关问题提出如下要求,请一并贯彻执行。
执行中如遇到问题请及时反馈给我站。
1、危险作业意外伤害保险:根据《辽宁省建筑施工人员意外伤害保险实施办法》,我市意外伤害保险费按工程总造价计算,每千元按1.50元计取。
2、社会保障费:根据沈政办发[2010]66号文件《沈阳市人民政府办公厅转发市建委等部门沈阳市建设工程社会保障费管理办法的通知》、沈建发[2010]61号文件《沈阳市建设工程社会保障费管理办法实施细则》,我市社会保障费(养老保险、医疗保险、工伤保险、失业保险、生育保险、农民工医疗工伤综合保险)实行统筹管理,由建设单位直接向市建管站缴纳,社保费的计取标准为建设工程总造价的3.07%。
投标单位在投标时不再包含社会保障费,但其他规费仍然按照核定的施工企业规费费率计取。
3、安全防护文明施工措施费用:根据辽住建发[2009]10号文件《关于印发〈辽宁省建筑工程安全文明施工费管理实施细则〉的通知》,我市安全防护文明施工措施费以人工费+机械费之和为计取基数,该项费用是不可竞争的费用,必须按2008年《辽宁省建设工程费用标准》的规定费率全额计取。
4、企业管理费是有限竞争费用,投标人在投标报价时不得低于规定费率的90%,否则可以认定为是低成本报价。
5、外埠来我市施工的企业,实行按拟建工程项目核定规费计取标准,投标报价时按市造价管理部门核准的费率进行报价。
关于人工费调整的说明
1.本工程于2007年12月中标,2008年元月签订施工合同,但由于
征地拆迁等原因工程于2009年4月26日方领取1号楼施工许可证正式开工,在此阶段和后续施工中人工工资出现持续大幅度增长,已超出了能正常预见的范围和风险。
本公司提出人工费调整要求。
2.人工费调整方法根据浙江省建设厅建建发[2008]163号文件精神调
整,由于投标当时未公布人工信息价和市场价,因此参照2008年后公布的人工指数进行调整。
3.经计算施工期间人工价格上涨幅度超过15%,属可调范围。
4.本工程人工费按总造价的12%计取。
关于成都市等10个市、州“二○○○”计价定额人工费调整的批复发表时间:2011-6-24 11:42:24阅读:2765次四川省建设工程造价管理总站川建价发〔2011〕19号各有关市、州工程造价管理机构:你们关于四川省“二○○○”计价定额人工费调整的请示收悉。
根据省建设厅《关于颁发<四川省建筑工程计价定额>等三部定额的通知》(川建厅价发[2000]0130号)、《关于颁发<四川省市政工程计价定额>等三部定额的通知》(川建厅价发[2000]0823号)和《关于规范建设工程人工费调整测算、发布制度的通知》(川建价发[2008]33号)的规定,现批准成都市等10个市、州“二○○○”计价定额人工费调整幅度(见附件)。
一、此次批准的人工费调整幅度从2011年7月1日起执行。
二、此次人工费调整适用于2010年4月2日前已发出招标文件或已签订施工合同以及开工建设,但至2011年7月1日仍未竣工的工程。
三、此次人工费调整按结转工程量分段执行,已办理结算的工程不再调整。
四、人工费调整的计算基础是定额人工费,调整的人工费不作为计取其他费用的基础(税金除外)。
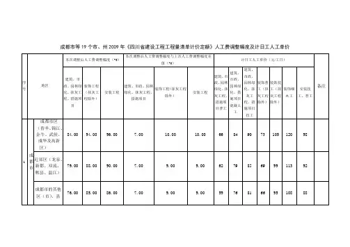
附件:成都市等10个市、州“二000”计价定额人工费调整幅度表二○一一年六月二十四日主题词:工程造价计价定额管理批复抄送:各市、州工程造价管理站(处、办)四川省建设工程造价管理总站办公室 2011年6月24日印附件:成都市等10个市、州“二○○○”计价定额人工费调整幅度表序号地区本次调整后人工费调整幅度(%)本次调整后人工费调整幅度与上次人工费调整幅度差值(%)备注建筑工程装饰工程市政工程安装工程维修工程仿古园林工程建筑工程装饰工程市政工程安装工程维修工程仿古园林工程1 成都市成都市区(青羊、锦江、金牛、武侯、成华及高新区)141.00 149.00 141.00 180.00 141.00 141.00 11 13 11 15 11 11近郊区(龙泉、新都、双流、郫县、温江)133.00 141.00 133.00 169.00 133.00 133.00 11 13 11 14 11 11成都市的其他区(市、县)127.00 134.00 127.00 162.00 127.00 127.00 10 12 10 13 10 102 德阳市德阳市91.88 88.40 91.88 88.00 91.88 91.88 21.88 20.40 21.88 21.50 21.88 21.88 不含广汉市旌阳区89.96 86.52 89.96 86.12 89.96 89.96 19.96 18.52 19.96 19.62 19.96 19.96绵竹市87.08 83.69 87.08 83.30 87.08 87.08 17.08 15.69 17.08 16.80 17.08 17.08什邡市87.08 83.69 87.08 83.30 87.08 87.08 17.08 15.69 17.08 16.80 17.08 17.08中江县82.29 78.98 82.29 78.60 82.29 82.29 12.29 10.98 12.29 12.10 12.29 12.29序号地区本次调整后人工费调整幅度(%)本次调整后人工费调整幅度与上次人工费调整幅度差值(%)备注建筑工程装饰工程市政工程安装工程维修工程仿古园林工程建筑工程装饰工程市政工程安装工程维修工程仿古园林工程罗江县81.33 78.04 81.33 77.66 81.33 81.33 11.33 10.04 11.33 11.16 11.33 11.333 绵阳市市区78.00 77.30 68.00 78.60 78.00 64.00 19.20 16.60 19.09 16.92 19.90 17.07 江油73.78 71.00 63.78 72.76 63.78 58.78 18.80 16.66 19.98 16.96 14.05 16.10 三台62.90 51.94 62.90 64.40 55.40 52.90 17.84 19.78 19.02 18.10 17.75 17.05 盐亭57.35 49.18 57.35 54.88 55.35 50.35 15.35 17.18 19.15 19.98 18.85 19.80 安县62.10 49.39 58.10 55.12 55.00 50.00 16.35 18.19 18.44 18.08 17.50 19.88 梓潼58.47 48.67 58.47 52.00 54.00 50.00 16.19 17.17 19.81 19.27 18.00 19.60 平武64.55 64.00 59.00 68.00 59.00 54.00 15.02 16.26 19.09 18.02 18.70 17.98 北川66.92 56.72 66.92 62.80 66.92 66.92 20.17 19.68 19.72 19.75 17.26 18.69序号地区本次调整后人工费调整幅度(%)本次调整后人工费调整幅度与上次人工费调整幅度差值(%)备注建筑工程装饰工程市政工程安装工程维修工程仿古园林工程建筑工程装饰工程市政工程安装工程维修工程仿古园林工程4 广元市(含四县三区)99.9095.7499.90100.4499.9099.9011.6511.34 11.6510.69 11.6511.65适用于全市5 南充市顺庆区80.00 82.00 80.00 82.00 82.00 80.00 15.40 14.70 15.40 14.70 14.70 15.40仅适用于城市规划区内高坪、嘉陵区79.00 81.00 79.00 81.00 81.00 79.00 14.40 15.40 14.40 15.40 15.40 14.40仅适用于城市规划区内阆中市77.00 78.00 77.00 79.00 79.00 77.00 14.00 14.30 14.00 14.30 14.30 14.00仅适用于保宁镇南部县77.00 78.00 77.00 78.00 79.00 77.00 14.00 14.30 14.00 14.30 14.30 14.00仅适用于南隆镇西充县77.00 78.00 77.00 78.00 79.00 77.00 14.00 14.30 14.00 14.30 14.30 14.00仅适用于晋城镇仪陇县77.00 78.00 77.00 78.00 79.00 77.00 14.00 14.30 14.00 14.30 14.30 14.00仅适用于新政镇蓬安县77.00 78.00 77.00 78.00 79.00 77.00 14.00 14.30 14.00 14.30 14.30 14.00仅适用于周口镇营山县77.00 78.00 77.00 78.00 79.00 77.00 14.00 14.30 14.00 14.30 14.30 14.00仅适用于朗池镇序号地区本次调整后人工费调整幅度(%)本次调整后人工费调整幅度与上次人工费调整幅度差值(%)备注建筑工程装饰工程市政工程安装工程维修工程仿古园林工程建筑工程装饰工程市政工程安装工程维修工程仿古园林工程其余乡镇74.00 75.00 74.00 75.00 75.00 74.00 14.80 14.90 14.80 14.90 14.90 14.80除上述区域以外的所有乡镇6 广安广安70.20 71.91 70.2 72.79 71.08 70.20 20.00 20.00 20.00 18.00 20.00 20.00 武胜66.80 69.07 66.80 72.00 66.08 66.80 20.00 20.00 20.00 18.00 20.00 20.00 岳池66.80 69.07 66.80 72.00 66.08 66.80 20.00 20.00 20.00 18.00 20.00 20.00 华蓥71.70 70.62 71.70 73.00 72.70 71.70 15.00 20.00 20.00 14.00 20.00 13.00 邻水71.70 70.62 71.70 73.00 72.70 71.70 15.00 20.00 20.00 14.00 20.00 13.007 达州市通川区(达县)139.73 128.51 139.73 142.67 139.73 139.73 6.65 6.12 8.06 6.79 6.65 24.65 大竹县134.56 124.07 134.56 137.76 134.56 134.56 6.41 5.91 7.50 6.56 6.41 27.41 渠县129.40 120.13 129.40 137.76 129.40 129.40 6.16 5.72 7.37 6.56 6.16 23.16 宣汉县134.56 124.07 134.56 137.76 134.56 134.56 6.41 5.91 7.50 6.56 6.41 27.41 开江县129.40 120.13 129.40 137.76 129.4 129.40 6.16 5.72 7.37 6.56 6.16 24.16序号地区本次调整后人工费调整幅度(%)本次调整后人工费调整幅度与上次人工费调整幅度差值(%)备注建筑工程装饰工程市政工程安装工程维修工程仿古园林工程建筑工程装饰工程市政工程安装工程维修工程仿古园林工程万源市129.40 120.13 129.40 137.76 129.4 129.40 6.16 5.72 7.37 6.56 6.16 24.168 宜宾市101.20 83.30 101.20 97.60 101.20 104.80 9.67 14.27 9.67 18.00 9.67 8.489 泸州市89.6473.3889.6481.689.64103.328.498.558.497.98.499.8510 凉山州83.84 71.60 83.84 84.00 83.84 83.84 14.44 14.26 14.44 14.50 14.44 14.44注:市政工程中的给水、燃气、给排水机械设备安装、路灯工程执行安装工程相应标准。
发表时间:2011-6-24 11:49:15 阅读:1923次四川省建设工程造价管理总站川建价发〔2011〕20号各有关市工程造价管理机构:你们关于《四川省房屋建筑抗震加固工程计价定额》人工费调整的请示收悉。