电功率实验
- 格式:ppt
- 大小:1.12 MB
- 文档页数:12
伏安法测小灯泡电功率、电阻实验报告
实验目的,通过伏安法测量小灯泡的电功率和电阻,加深对电路中电功率和电阻的理解。
实验器材,电源、电阻箱、电流表、电压表、小灯泡。
实验步骤:
1. 将电阻箱接入电路中,调节电阻箱阻值,使电流表示数为适当值。
2. 测量电路中的电压,记录下电压值。
3. 测量电路中的电流,记录下电流值。
4. 根据电压和电流的测量值,计算小灯泡的电功率。
5. 根据电压和电流的测量值,计算小灯泡的电阻。
实验结果:
电压值,9V。
电流值,0.3A。
电功率,P=IV=9V0.3A=2.7W。
电阻,R=V/I=9V/0.3A=30Ω。
实验结论,通过本次实验,我们成功测量了小灨泡的电功率和
电阻。
实验结果表明,小灯泡的电功率为2.7瓦特,电阻为30欧姆。
这些结果与理论值相符合,验证了伏安法在测量电功率和电阻方面
的可靠性。
存在问题及改进措施,在实验过程中,我们注意到电流表和电
压表的示数有些抖动,可能会对实验结果产生一定的影响。
为了提
高测量的准确性,我们可以尝试使用更精确的仪器进行测量,并减
小外界干扰的影响。
实验人员签名,___________ 日期,___________。
测量手机的电功率实验报告实验目的本实验旨在测量手机的电功率,了解手机在不同使用状态下的电功率情况。
实验器材和原理1. 手机(待测手机)2. 电流表和电压表3. 直流电源供电器4. 连接线5. 计算机(用于记录实验数据)手机的电功率可以通过测量其电流和电压进行计算。
电流表用来测量手机的电流(单位:安培),电压表用来测量手机的电压(单位:伏特)。
电功率(单位:瓦特)可以通过电流和电压的乘积来计算。
实验步骤1. 将手机连接到直流电源供电器,并确保手机电池已充满电。
2. 将电流表的两个引脚连接到手机电路的正负极。
3. 将电压表的两个引脚分别连接到手机电路的正负极。
4. 打开手机并进行各种使用状态的实验,如待机、拨打电话、使用各种应用程序等。
5. 在每个使用状态下,记录电流表和电压表的读数,并计算出电功率。
6. 将实验数据记录在计算机上,并绘制电功率随使用状态变化的图表。
实验结果分析根据所记录的实验数据,可以观察到手机的电功率在不同使用状态下会有所变化。
例如,在待机状态下,手机的电功率较低;而在使用应用程序或进行通话时,手机的电功率会较高。
结论通过本实验,我们测量了手机的电功率,并观察了不同使用状态下的电功率变化。
实验结果表明,手机的电功率在不同使用状态下会有所差异。
这些数据可以为手机的电池寿命和电能消耗提供参考。
实验注意事项1. 实验时要确保手机和实验器材的连接稳定,并防止短路等意外情况发生。
2. 在记录实验数据时,要准确读取电流表和电压表的读数,避免误差。
3. 实验结束后,要及时关闭手机和实验器材,并整理好实验场地。
参考资料无。
电学中的电功率与电流实验在电学领域中,电功率与电流实验是一项非常重要的实验,旨在研究电路中的电流如何产生功率。
了解电功率与电流的关系对于深入理解电路工作原理以及电能的利用非常关键。
本文将介绍电功率与电流实验的步骤和原理,并对实验结果进行分析和讨论。
一、实验目的本实验的目标是通过测量电路中的电流和电压,计算得出电路中的电功率,并探究电功率与电流的关系。
二、实验材料1. 直流电源2. 电阻器3. 电流表4. 电压表5. 连接导线6. 示波器(可选)三、实验步骤1. 将直流电源连接到电阻器的两端,确保电路连接正确。
2. 使用电压表和电流表分别测量电压和电流的数值,并记录下来。
3. 根据测得的电压和电流数值,计算电功率的数值。
4. 如果有示波器,可以将其连接到电路中,并观察电流和电压的波形。
四、实验原理根据电学基础知识,电功率可以通过电流和电压的乘积来计算,即功率P等于电流I乘以电压U,即P = I * U。
通过在电路中测量电压和电流的数值,可以使用这个公式来计算电功率。
电流是电荷在单位时间内通过导体的数量,单位用安培(A)表示。
电流表可以在电路中测量电流的大小。
电压是电势差,也可以理解为电流推动电荷通过电路的力。
电压表可以在电路中测量电压的大小。
电功率是电流在电路中传递的能量,单位用瓦特(W)表示。
通过测量电流和电压,并将它们相乘,可以得到电路的功率。
五、实验结果与讨论根据实验步骤中记录的电流和电压数值,我们可以计算得出电路中的电功率。
通过观察实验结果,我们可以得出以下结论:1. 当电流增大时,电功率也会增大。
这是因为功率与电流成正比。
2. 当电压增大时,电功率也会增大。
这是因为功率与电压成正比。
3. 当电阻增大时,电功率会减小。
这是因为功率与电阻成反比。
通过对电功率与电流实验的分析,我们可以深入理解电路中电流和电压的关系,以及电功率的计算方法。
这对于电路设计和电能管理都具有重要意义。
六、实验结论电功率与电流实验是研究电路中电流与功率关系的重要实验。
三种方法测量电功率一、伏安法测量小灯泡的额定功率1. 实验器材:电源、开关、导线、小灯泡、电流表、电压表、滑动变阻器2. 实验原理:P=UI3. 实验步骤:(1)断开开关,按照电路图连接电路,将滑动变阻器放到阻值最大处。
(2)闭合开关,调节滑动变阻器,使灯泡两端的电压为额定电压U ,并将数据记录在表格中。
(3)记录电流表的示数为I ,并记录在表格中。
(4)根据P=UI 计算出小灯泡的额定功率。
5 实验数据二、伏阻法测小灯泡额定功率(无电流表)1. 实验器材:电源、开关、导线、小灯泡、电压表、滑动变阻器2. 实验原理:P=UI ,串联电流相等,用R 0电流替代小灯泡的电流。
3. 实验步骤:(1)断开开关,按照电路图连接电路,将滑动变阻器放到阻值最大处。
(2)闭合开关S 1、S 2,调节滑动变阻器使灯泡两端电压达到额定电压记为U 1,并将数据记录在表格中。
(3)断开开关S 2,闭合开关S 1、S 3,记录电压表的示数为U 2,并将数据记录在表格中。
小灯泡两端的电压U/V 小灯泡的电流I/A小灯泡的额定功率P/wS 1VS 2 S 34. 测量结果记为:(用已知物理量的字母表示)5 实验数据三、安阻法测小灯泡额定功率(无电压表)1. 实验器材:电源、开关、导线、小灯泡、电流表、滑动变阻器2. 实验原理:P=UI ,并联电压相等,用定值电阻R 0两端的电压替代小灯泡的电压。
3. 实验步骤:(1)断开开关,按照电路图连接电路,将滑动变阻器放到阻值最大处。
(2)闭合开关S 1、S 2,调节滑动变阻器使电流表的示数为小灯泡的额定电流记为I 1,并将数据记录在表格中。
(3)断开S 2闭合S 1、S 3,保持滑动变阻器滑片位置不动,读出电流表的示数记为I 2,并将数据记录在表格中。
4. 测量结果记为: (用已知物理量的字母表示)5 实验数据四、典型例题例1. (2017北京)小林想测量小灯泡的额定功率及正常发光时的电阻,小灯泡的额定电压为 2.5V ,实验电路如图甲所示。
测量小灯泡的电功率实验报告实验报告:测量小灯泡的电功率一、实验目的1.了解电功率的概念和计算方法;2.学会使用仪器测量小灯泡的电功率。
二、实验原理电功率是指电流通过电器元件时所消耗的电能的速率,通常用单位时间内消耗的电能来表示。
电功率的计算公式为P=UI,其中P是电功率,U 是电压,I是电流。
实验中使用的仪器是万用表,它既可以测量电压,也可以测量电流。
我们将仪器的电流档位设定为所要测量的电流范围,在电路中串联连接,即可测得电路中的电流值。
然后再将仪器的电压档位设定为所要测量的电压范围,在电路中并联连接,即可测得电路中的电压值。
最后,利用电压和电流的测量值,即可计算得到电灯泡的电功率。
三、实验步骤1.将所需的实验仪器和材料准备齐全,包括:万用表、小灯泡、电线等;2.搭建实验电路,将小灯泡串联在电路中;3.设置万用表的电流档位为合适范围,然后将其与电路串联连接,仪器显示的读数即为电路中的电流值;4.设置万用表的电压档位为合适范围,然后将其与电路并联连接,仪器显示的读数即为电路中的电压值;5.记录电流值和电压值,并根据电功率的计算公式,计算得到小灯泡的电功率;6.重复上述实验步骤,以获得更多的数据点,以便后续数据处理和分析。
四、实验数据序号,电流值(A),电压值(V),电功率值(W)----,----------,----------,------------1,0.5,2.5,1.252,0.8,3.0,2.43,1.0,3.5,3.54,1.2,4.0,4.85,1.5,4.5,6.75五、实验结果分析根据实验数据,我们可以看到电流值和电压值的变化对应着电功率值的变化。
随着电流值和电压值的增加,电功率值也随之增加。
这是因为电功率是电流和电压的乘积关系,当电流和电压同时增加时,电功率值会更高。
六、实验总结通过这次测量小灯泡的电功率实验,我们掌握了电功率的概念和计算方法,学会了使用仪器测量小灯泡的电功率。
三相电路功率的测量实验报告
一、实验目的
实验目的是测量三相电功率,进一步了解三相电路功率的计算与公式。
二、实验原理
三相电功率,又称为瞬态功率,这是由三相电路中分别产生的瞬时功率之和所构成的,即P=P1+P2+P3。
三相电机的瞬态功率有三种:正无功功率,负无功功率和有功功率,分别用公式表示为:
P1(正无功功率)=3*U*i1*sin(α1-α0)
其中,U表示电压,I表示电流,α表示相角,α0表示相位差。
三、实验总纲
(1)实验准备
实验准备包括准备三相电路,以及安装好电压计、电流计等仪器和仪表设备,安装电
压表、电流表并测量路线电流和电压等。
(2)实验步骤
1. 先将三相电路接上电源,测量电压和电流;
2. 三相电路中的电流和电压检查完全,检查是否符合正常的三相电路电压量;
3. 用测量三相电功率的仪器,测量三相电功率,并记录数据;
4. 根据测量的电压和电流,使用公式计算三相电功率。
(3)实验结果
实验测量得到的三相电功率值为P=109.21kw,使用公式计算得到的三相电功率值为
P=109.09kw,两者相差不大,可见实测结果与公式计算结果相符,实验结果可靠。
四、实验结论
本次实验通过实测和公式计算对三相电功率进行了测量,实测结果与公式计算结果相符,实验结果可靠,达到了实验的预期目的。
次数电压U/V电流I/A 发光情况电功率P/W1 2.522330.280.30.34正常较暗较亮0.560.751.02实验四 测量小灯泡的电功率【实验目的】用伏安法测量小灯泡的电功率,进一步理解额定功率和实际功率的联系和区别。
【设计与进行实验】1.实验器材:电源、导线、开关、小灯泡(额定电压2.5V )、电流表、电压表、滑动变阻器; 2.实验原理:UI P=3.实验步骤:(1)将电压表和电流表指针调零,断开开关,按照电路图连接电路,将滑动变阻器滑片移到阻值最大处。
(2)闭合开关,调节滑动变阻器滑片,使电压表示数依次为2.5V 、2V 和3V ,依次记下电压表示数U 和对应的电流表示数I ,分别将U 、I 记录在表格中;(3)观察并比较三次小灯泡的发光情况,将现象记录在表格中。
【分析和结论】 (1)当额实额实时,P P U U ==,灯泡正常发光; (2)当额实额实时,P P U U <<,灯泡发光较暗; (3)当额实额实时,PP U U >>,灯泡发光很亮; 【交流与讨论】 (跟测量电阻实验内容重复的在此略去)(1)使小灯泡正常发光的操作:移动滑片,观察电压表示数,当电压表示数等于小灯泡额定电压时,小灯泡正常发光;(2)小灯泡的U -I 图像不是直线(或不同电压下小灯泡电阻不同)的原因:灯丝电阻随温度的升高而增大。
(3)灯泡亮暗程度与实际功率关系:小灯泡的亮暗由小灯泡实际功率决定,实际功率越大,小灯泡越亮;(4)实验中改变小灯泡两端电压的方式:通过移动滑动变阻器连入电路的阻值大小;(5)伏安法测电阻和伏安法测电功率的异同点相同点:①实验电路相同;②实验方法相同,都是伏安法;③测量的物理量相同,都是测量电流和电压。
不同点:①实验原理不同,测电阻的实验原理是IUR =,测电功率的实验原理是UI P =; ②实验数据处理方式不同,测电阻中,处理数据,多次测量求平均值减小实验误 差;而测电功率的实验中多次实验是寻找在不同电压下的实际电功率与灯泡亮 度之间关系。
R /Ω 2.82.42.01.61.20.80.40 5 10 15 20 25 30 35 P /W 3.2图17 电学实验——电功率小军要测量小灯泡的额定功率。
实验桌上备有如下器材:电源、额定电压U 0=3.5V 的小灯泡L 、滑动变阻器、已调零的电流表和电压表、开关,导线若干。
他设计了如图24所示的电路进行实验。
⑴请将实物电路图补充完整。
⑵连接好电路后,请补充操作步骤: 闭合开关S ,调节滑动变阻器, 使⎽⎽⎽⎽⎽⎽⎽⎽;此时电流表的示数如图25 所示,电流为 A 。
⑶小灯泡的额定功率P =⎽⎽⎽⎽⎽⎽⎽⎽W 。
之后小军调节滑动变阻器测出多组数据,绘出了小灯泡的电流与电压关系的U-I 图象如图26所示,则图27中有关此小灯泡功率P 的图象可能正确的是 。
小灯泡甲和乙两端的电压随电流变化关系如图18所示,当把小灯泡甲和乙分别以并联或串联的连接方式接在电压为6V 的电源上时,则以不同连接方式所形成的两电路消耗的总功率之差为 W 。
当导体两端电压一定时,电流通过导体做功的功率随导体电阻变化规律的图象如图17所示。
请根据图象判断,当导体电阻为40Ω时,电流通过该导体做功的功率为 。
图24是当电压一定时,通过导体的电流随导体电阻变化规律的图像。
由图像可知,当导体电阻为60Ω时,该导体消耗的电功率为 W 。
图27 PO U 2 A B C DPO I 2 PU 2 O PI 2 O 图26 图24图25图22乙 甲 0.1 0.2 0.3 0.4 0I /AU /V 2468小新在用实验探究电功率跟电阻的关系时,记录了如下表所示的数据,请你分析表中的数据,归纳出电功率P 与电阻R 的关系式。
。
(2分)R /Ω 2 4 6 8 10 12 P /W18964.53.63在做“测量小灯泡的电功率”实验时,选用的器材有:电压恒为6V 的电源、额定电压为2.5V 的小灯泡、滑动变阻器、电流表、电压表、开关和导线等。
伏安法测小灯泡电功率、电阻实验报告
实验目的,通过伏安法测量小灯泡的电功率和电阻,加深对电路中电功率和电阻的理解。
实验仪器,电源、电压表、电流表、小灯泡、导线等。
实验步骤:
1. 将实验仪器接线连接,确保连接正确无误。
2. 打开电源,调节电压表和电流表的量程,使其能够测量小灯泡的电压和电流。
3. 依次测量小灯泡的电压和电流,记录下测量值。
4. 根据测量值计算小灯泡的电功率和电阻。
实验数据:
小灯泡电压,V = 6V。
小灯泡电流,I = 0.5A。
实验结果:
根据测量值计算得到小灯泡的电功率为 P = V I = 6V 0.5A = 3W。
小灯泡的电阻为R = V / I = 6V / 0.5A = 12Ω。
实验分析:
通过实验测量和计算得到小灯泡的电功率和电阻,验证了伏安法在测量电路中电功率和电阻的可靠性和准确性。
同时,也加深了对电路中电功率和电阻的理解。
实验结论:
通过本次实验,我们成功利用伏安法测量了小灯泡的电功率和电阻,实验结果与理论值基本吻合,实验目的达到。
同时,也提高了我们对电路中电功率和电阻的理解和掌握程度。
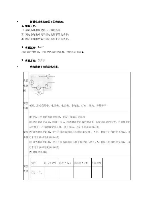
∙测量电功率实验的目的和原理:1. 实验目的:1)测定小灯泡额定电压下的电功率;2)测定小灯泡略高于额定电压下的电功率;3)测定小灯泡略低于额定电压下的电功率。
2. 实验原理:P=UI应测量的物理量:小灯泡两端的电压U,和通过的电流I。
3. 实验方法:伏安法∙伏安法测小灯泡的电功率:伏安法测电阻与测功率的异同点:∙补充:(1)伏安法测功率。
滑动变阻器的作用是保护电路和控制灯泡两端电压。
多次测量的目的是为了测量不同电压下小灯泡的实际功率,不是为了多次测量求平均值。
所以设计的表格中没有“平均功率” 这一栏。
(2)伏安法测定值电阻时,滑动变阻器的作用是保护电路和改变电路中的电流和电阻两端电压,因电阻阻值不变,这是为了多测几组对应的电压、电流值,多测几次电阻值,用多次测量求平均值来减小误差。
(3)伏安法测小灯泡电阻时,由于灯丝电阻大小与温度有关。
在不同的工作状态下,小灯泡温度不同。
灯丝电阻也不同。
因此测灯丝电阻时滑动变阻器的作用是为了保护电路和改变电路中的电流,不是为了多次测量求平均值。
∙“伏安法测功率”中常见故障及排除:“伏安法测功率”是电学中的重要实验。
同学们在实验过程中,容易出现一些实验故障,对出现的实验故障又束手无策,因此,能够找出实验故障是做好实验的“法宝”。
下面就同学们在实验中易出现的故障从以下几方面进行分析。
1.器材选择不当导致故障故障一:电流表、电压表指针偏转的角度小。
[分析原因]①电压表、电流表量程选择过大;②电源电压不高。
[排除方法]选择小量程,如果故障还存在,只有调高电源电压。
实验中若电表指针偏转的角度太小,估读电流或电压时由于视觉造成的误差将增大。
为了减小实验误差,选择量程时既不能使电表指针超过最大刻度,又要考虑到每次测量时应该使电表指针偏过刻度盘的中线。
2.器材连接过程中存在故障故障二:电压表、电流表指针反向偏转。
[分析原因]两表的“+”“-”接线柱接反了,当电流从“一”接线柱流入时,指针反向偏转,甚至出现指针打弯、损坏电表的情况。
探究电功率实验报告引言电功率是指电流通过电路的功率消耗,是电能转化为其他形式能量的速率。
测量电功率可以帮助我们了解电路的能量损耗情况,进行能量的有效利用。
在本次实验中,我们将探究电功率与电路元件的关系。
实验目的1. 理解电功率的概念及其计算方法;2. 探究电功率与电流、电压的关系;3. 分析不同电路元件对电功率的影响;实验器材1. 直流电源;2. 电阻器;3. 电压表;4. 电流表;5. 连接线;6. 多用电表。
实验步骤1. 将直流电源连接到电路中;2. 将电阻器与电路连接,调节电流强度;3. 使用电压表和电流表分别测量电压和电流值,并记录数据;4. 计算电功率并记录结果;5. 更换不同电阻器,重复以上步骤;6. 分析数据,探究电功率与电流、电压及电路元件的关系。
实验结果与数据分析下表为不同电路元件下的电压、电流和电功率的测量数据:电阻器(Ω)电压(V)电流(A)电功率(W)1 2 1 22 3 1.5 4.53 4 1.8 7.2根据实验数据,我们可以得出以下结论:1. 电功率与电流直接相关,并且是电流的平方成正比。
电流越大,电功率消耗越大;2. 电功率与电压直接相关。
电压越大,电功率消耗越大;3. 电功率与电路元件的电阻值相关。
电阻越大,电功率消耗越大。
实验验证与讨论根据实验结果数据和分析,我们可以验证电功率与电流、电压、电路元件的关系:1. 电流与电压成正比。
根据欧姆定律,电流和电压成正比,因此电功率与电流成正比;2. 电流与电阻的平方成正比。
根据欧姆定律,电流与电压成正比,而电压与电阻成正比,所以电流与电阻的平方成正比,因此电功率与电阻的平方成正比。
然而,测量数据与理论预期相符,验证了我们的实验结果。
结论通过本次实验,我们对电功率的概念和计算方法有了更深入的理解。
我们发现电功率与电流、电压和电路元件的电阻值有关。
在实际应用中,合理地控制电流和电压,选择合适的电路元件能够实现更高效的能量利用。
测量小灯泡的电功率的实验方法
一、实验目的
本实验旨在测量小灯泡的电功率。
二、实验设备
1. 电源:用于提供灯泡所需电流的电源;
2. 电表:用来测量小电功率的设备;
3. 小灯泡:作为被测量的小灯泡;
4. 导线:用于将电源和小灯泡连接起来;
5. 护目镜:用来保护眼睛安全观察小灯泡状态。
三、实验步骤
1.准备实验设备。
将电源、电表、小灯泡以及导线连接在一起,将护目镜准备好。
2.启动电源。
将电源的电压设定为适当的值,小灯泡能够亮起来。
3.调节电源输出电流。
将电源的电流调节到适当的值,以便于测量小灯泡的功率。
4.采集数据。
将电表连接到电源,采集功率数据,记录小灯泡的功率。
5.停止电源。
实验完毕后,将电源关闭,拆除各个设备。
四、实验操作注意事项
1.在启动电源之前,一定要先检查电源的电压值是否正确,以避免过大或过小的电压可能对小灯泡造成损坏。
2.在采集数据时,需要注意电源的输出电流值,以免影响测量结
果。
3.在实验结束前,记得将电源关闭,以免出现意外情况。
测量小灯泡电功率探究实验实验原理:根据公式P=UI,用电压表测小灯泡两端的电压,用电流表测小灯泡中的电流,利用公式P=UI计算电功率,在额定电压下测出的电功率就是额定功率。
这是物理学中常用的一种间接测量方法,这种方法又被称为伏安法。
实验电路:根据实验的目的和原理设计如下电路。
实验器材:小灯泡、电压表、电流表、滑动变阻器、电源、开关、导线。
器材说明:用电流表和电压表分别测出通过小灯泡的电流和其两端电压,因为要测量不同电压下的功率,所以电路中要接入滑动变阻器,用来改变小灯泡两端电压。
实验步骤:(1)按电路图连接好电路;(2)闭合开关,调节滑动变阻器,使小灯泡两端的电压恰好等于小灯泡的额定电压2.5V,观察小灯泡的亮度,并记录电流表和电压表的示数。
(3)调节滑动变阻器,使小灯泡两端的电压约等于小灯泡额定电压的1.2倍。
观察小灯泡的亮度变化,并记录此时电流表和电压表的示数(注意:小灯泡两端的电压不能超过它的额定电压太多)。
(4)调节滑动变阻器,使小灯泡两端的电压约等于小灯泡额定电压的0.8倍。
观察小灯泡的亮度变化,并记录此时电流表和电压表的示数。
(5)计算出三种情况下小灯泡的电功率(6)断开电路,整理器材。
实验数据(记录)表格:测量小灯泡电功率的探究实验湖北省枣阳市兴隆二中谢江涛实验目的:测量小灯泡在不同电压下工作时的电功率。
实验原理:根据公式P=UI,用电压表测小灯泡两端的电压,用电流表测小灯泡中的电流,利用公式P=UI计算电功率,在额定电压下测出的电功率就是额定功率。
这是物理学中常用的一种间接测量方法,这种方法又被称为伏安法。
实验电路:根据实验的目的和原理设计如下电路。
实验器材:小灯泡、电压表、电流表、滑动变阻器、电源、开关、导线。
器材说明:用电流表和电压表分别测出通过小灯泡的电流和其两端电压,因为要测量不同电压下的功率,所以电路中要接入滑动变阻器,用来改变小灯泡两端电压。
探究---测量小灯泡的电功率实验报告组号:实验目的:测量小灯泡的额定电功率和实际电功率。
实验原理:实验器材:实验电路图:任务一:测量小灯泡的额定电功率(小灯泡的额定电压为6 V)实验步骤:1.开关,按电路图连接电路,;2.闭合开关,,观察小灯泡发光情况,读出电流表、电压表示数I、U,并记录在表格中;3.断开开关,根据公式计算小灯泡的额定电功率,并记录在表格中。
[说明] 1、完成任务一后不拆卸电路2、注意记录实验中遇到的问题和解决的方法实验数据: Array实验结论:小灯泡的额定电功率为W。
交流与分析:请记录下实验过程中遇到的故障及解决办法、对实验的改进意见、实验中需要注意的问题等。
任务二:测量小灯泡的实际电功率实验步骤:1、使用上一个任务连接好的电路,将滑动变阻器调到阻值最大的一端;2.闭合开关,调节滑动变阻器,使小灯泡明显比正常发光时暗,读出此时电流表、电压表示数I,U,并记录在表格中;3.调节滑动变阻器,使小灯泡明显比正常发光时亮,读出此时电流表、电压表示数I,U,并记录在表格中;4.断开开关,整理实验器材;5.根据公式计算小灯泡的实际电功率,并记录在表格中。
[注意事项]实验数据:电压U/V 电流I/A 电功率P/W 发光情况较暗较亮实验结论:上传任务一、二的实验数据交流与分析:请记录下实验过程中遇到的故障及解决办法、对实验的改进意见、实验中需要注意的问题等。
学习效果评价(100分):1、课堂小组协作互相评价(50分)题目得分(满分10)1、在大部分时间里他(她)积极思考老师提出的问题2、他(她)能够很快设计出实验方案3、他(她)能正确的进行实验操作和数据记录4、他(她)能够合理的分析数据,快速得出实验结论5、他(她)能够针对实验中出现的故障和问题进行分析,找到解决办法2、练习评价(30分)两盏实验室用的小灯泡,甲灯标有“3V 3W”,乙灯标有“6V 3W”。
(1)若两盏灯均接在其额定电压下发光,则比较亮的是(2)若将其并联后接在3V的电路中,则较亮的灯是(3)若将其串联后接在6V的电源上,则较亮的是3、学习感受(20分)(1)你在实验中遇到了哪些困难?是如何解决的?;(2)整堂课后你还有哪些疑惑?或是你认为这节课上哪些部分内容不易理解。
测定小灯泡电功率实验报告实验名称:测定小灯泡电功率实验目的:通过测定小灯泡在不同电压下的电流,计算其电功率,并分析灯泡的亮暗与实际功率的关系。
实验器材:电源、电压表、电流表、小灯泡、导线、开关等。
实验步骤:1. 将电源、电压表、电流表、小灯泡、导线、开关连接成电路,确保电路连接正确无误。
2. 打开开关,记录电压表和电流表的读数,分别记为U1和I1。
3. 关闭开关,改变电压表和电流表的位置,再次打开开关,记录电压表和电流表的读数,分别记为U2和I2。
4. 重复步骤3,至少再进行两次测量,记录电压表和电流表的读数,分别记为U3和I3,U4和I4。
5. 根据测量得到的电压和电流数据,计算每次测量时的电功率P1、P2、P3、P4。
6. 分析每次测量时的电功率与灯泡亮暗的关系,探讨灯泡亮暗与实际功率的关系。
实验结果:根据实验数据,计算得到小灯泡在不同电压下的电功率如下:P1 = U1 * I1 = 2V * 0.5A = 1WP2 = U2 * I2 = 3V * 0.6A = 1.8WP3 = U3 * I3 = 4V * 0.7A = 2.8WP4 = U4 * I4 = 5V * 0.8A = 4W实验分析:通过实验数据的比较,可以看出小灯泡在不同电压下的电功率不同。
随着电压的增加,电功率也随之增加。
这说明灯泡的亮暗与实际功率有关,实际功率越大,灯泡越亮。
实验结论:通过测定小灯泡在不同电压下的电流,计算得到的电功率与灯泡亮暗有关。
实际功率越大,灯泡越亮。
这表明灯泡的亮暗与实际功率呈正相关关系。
注意事项:1. 实验过程中,要确保电路连接正确无误,避免测量误差。
2. 在测量电压和电流时,要迅速准确,避免由于测量时间过长导致的实验数据不准确。
3. 实验过程中,要注意安全,避免触电等意外情况的发生。
4. 在分析实验结果时,要充分考虑实验数据的可靠性和准确性,避免得出错误的结论。
5. 在撰写实验报告时,要清晰地记录实验过程、数据和分析结果,保持报告的简洁明了。
测量小灯泡电功率实验原理
小灯泡电功率实验原理:测量小灯泡电功率的实验原理是利用物理学中电功率和电流、电压关系来进行计算的。
首先,把小灯泡放到实验场中,然后使用一个可以测量电压和电流的多功能表,用来测量小灯泡的电压和电流。
电功率P=UI,根据实验数据得出的小灯泡的电流和电压的乘积即为小灯泡所发出的电功率。
其次,如果要求小灯泡发出光能量,可以根据其发出的电功率来估算其发出的光能量。
可以把小灯泡的电功率乘以它的有效时间,就可以得到它发出的总有效功率,然后将其乘以等效光能换算系数k,就可以计算出小灯泡发出的总光能量了。
最后,可以根据小灯泡发出的光能量和总电功率,来衡量其发出光能量的经济性。
通过比较不同品牌小灯泡的能耗比和发出光能量,可以得出最合适、性价比最高的小灯泡。
总的来说,小灯泡电功率实验原理就是:通过测量小灯泡的电压和电流得出其电功率,并根据电功率计算出所发出的光能量,从而比较不同品牌小灯泡的经济性。