电气设备空载试运行记录
- 格式:doc
- 大小:43.50 KB
- 文档页数:1
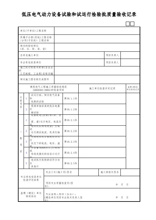
电气设备试验和试运行检检验批质量验收记录
注:本表内容的填写需依据《现场验收检验批检查原始记录》。
本检验批质量验收的规范依据见本页背面。
填写说明
一、填写依据
1 《建筑电气工程质量验收规范》GB50303-2002。
2 《建筑工程施工质量验收统一标准》GB50300-2013。
二、检验批划分
按设计系统、区域划分检验批。
三、GB50303-2002规范摘要
主控项目
10.1.1 试运行前,相关电气设备和线路应按本规范的规定试验合格。
10.1.2 现场单独安装的低压电器交接试验项目应符合本规范附录B的规定。
一般项目
10.2.1 成套配电(控制)柜、台、箱、盘的运行电压、电流应正常,各种仪表指示正常。
10.2.2 电动机应试通电,检查转向和机械转动有无异常情况;可空载试运行的电动机,时间一般为2h,记录空载电流,且检查机身和轴承的温升。
10.2.3 交流电动机在空载状态下(不投料)可启动次数及间隔时间应符合产品技术条件的要求;无要求时,连续启动2次的时间间隔不应小于5min,再次启动应在电动机冷却至常温下。
空载状态(不投料)运行,应记录电流、电压、温度、运行时间等有关数据,且应符合建筑设备或工艺装置的空载状态运行(不投料)要求。
10.2.4 大容量(630A及以上)导线或母线连接处,在设计计算负荷运行情况下应做温度抽测记录,温升值稳定且不大于设计值。
10.2.5 电动执行机构的动作方向及指示,应与工艺装置的设计要求保持一致。
D0508_电气设备空载试运行记录电气设备空载试运行是为了检验设备在空载时的正常运行情况,确认设备各项指标是否满足设计要求,并对设备的机械性能、电气性能、安全性等方面进行全面评估。
下面是一份电气设备空载试运行记录,供参考:一、试运行设备信息设备名称:XXX电动机设备型号:XXXX设备编号:XXX制造厂家:XXX公司二、试运行前准备工作1.确认设备符合安装要求,并进行必要的调整和校正。
2.检查设备的电气接线,确保接线正确牢固。
3.根据设备的技术要求和试运行方案,准备好必要的工具和测量仪器。
4.检查设备周围环境,确保无火源、易燃物等危险物质存在。
5.确保试运行人员具备相关的安全知识和操作技能。
三、试运行过程及数据记录1.试运行时间:2024年5月8日9:00-10:002.试运行人员:XXX、XXX、XXX3.试运行流程:a.检查电气设备的电源线路和接地线是否正常,确认无漏电、接地良好。
b.检查电动机的轴承、风扇、冷却器等部件是否正常运转。
c.检查电动机的绝缘电阻,确认绝缘性能良好。
d.检查电动机的转速、电流、电压等参数,确认与设备技术要求符合。
e.检查电动机的运行噪音和振动,确认是否在正常范围内。
f.检查电动机的温升,确认是否符合设备技术要求。
g.检查电动机的其它功能和安全保护装置,确认正常可靠。
h.对试运行过程中出现的异常情况进行记录并及时处理。
4.试运行数据记录:时间,转速(r/min),电流(A),电压(V),温升(℃--------,--------------,-----------,-----------,-----------9:00,1500,10.2,400,30.9:15,1480,10.0,405,31.9:30,1495,10.1,402,30.9:45,1510,10.3,401,30.10:00,1505,10.2,403,30.四、试运行结论根据试运行过程中的数据记录和设备技术要求,可以得出以下结论:1.电动机的转速、电流、电压等参数在正常范围内,符合设备要求。
D0302_电气设备空载试运行记录日期:2024年3月2日试运行地点:XX电气设备厂房试运行设备:电动机、变压器、开关设备等试运行人员:XX(设备操作员),XX(电力工程师)一、试运行目的该次试运行是为了对新安装的电气设备进行空载试运行,检查设备的性能和运行状态,为设备的正式投入使用做好准备。
二、试运行前准备1.检查设备安装是否完好,并确认所有接线正确牢固。
2.检查设备外观,确认无异物。
3.检查设备冷却系统及绝缘系数,确认符合要求。
4.检查设备的控制回路和保护回路是否完好,确认运行时的安全性。
5.确保试运行期间的供电线路稳定可靠,并进行试运行前的设备接地测试。
三、试运行步骤1.首先,打开主电源总开关,并确认各个设备的电源开关处于待机状态。
2.依次启动各个设备的电源开关,分别观察设备的运行状态。
3.检查设备的运行声音和振动情况,确认设备无异常。
4.检查设备的运行温度,确保不超过设备额定温度。
5.检查设备的电流和电压波动情况,保证设备运行稳定。
6.检查设备的控制和保护系统,确认其正常工作。
1.电动机1号试运行记录:-试运行时间:9:00-9:30-运行电流:10A-运行电压:380V-电动机运转情况:正常-运行声音:正常-运行振动:无异常-运行温度:40℃(低于额定温度60℃)-控制和保护系统:正常2.变压器1号试运行记录:-试运行时间:9:30-10:00-运行电流:5A-运行电压:380V到220V-变压器运行情况:正常-运行声音:正常-运行振动:无异常-运行温度:35℃(低于额定温度50℃)-控制和保护系统:正常3.开关设备试运行记录:-试运行时间:10:00-10:30-开关设备运行情况:正常-运行声音:正常-运行振动:无异常-运行温度:30℃(低于额定温度40℃)-控制和保护系统:正常五、试运行结果分析本次试运行中,所有设备的运行情况良好,无异常现象出现。
设备的运行声音、振动、温度和电流、电压波动情况均在正常范围内,并且控制和保护系统工作正常。
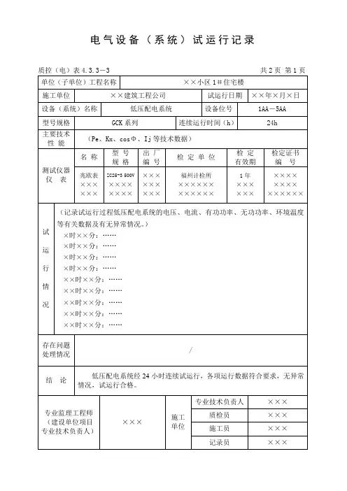
现场验收检查原始记录
共1 页第1 页
监理校核: XXX检查: XXX 记录:XXX 验收日期: XXXX 年 XX 月 XX 日说明:1.此表为第1张表,其它表一样,检验批编码:07030101001……
2.此表与电气动力子分部07040301电气设备试验和试运行检验批质量验收记录表相同。
填写说明
1.表头填写:
“单位(子单位)工程名称”栏、“检验批名称”栏、及“检验批编号”栏,按对应的“检验批质量验收记录”填写。
2.验收项目填写
⑴编号:填写验收项目对应的条文号。
⑵验收项目:按对应的“检验批质量验收记录”的验收项目的顺序,填写现场实际检查的验收项目及设计要求、规范规定的内容,如果对应多行检查记录,验收项目不用重复填写。
⑶验收部位:填写本条验收的各个检查点的部位,每个部位占用一格,下个部位另起一行。
⑷验收情况记录:
①采用文字描述、数据说明或者打“√”的方式;
②不合格和超标的必须明确指出;
③对于定量描述的抽样项目,直接填写检查数据。
⑸备注:发现明显不合格的个体的,要标注是否整改、复查是否合格。
⑹监理校核:监理单位现场验收人员签字。
⑺检查:施工单位现场验收人员签字。
⑻记录:填写本记录的人签字。
⑼验收日期:填写现场验收当天日期。
8电气照明通电试运行记录日期:XX年XX月XX日地点:XX工厂记录人:XX受试设备:电气照明系统1.试运行前准备工作:a.检查电气照明设备的安装情况,确认线路连接正确并紧固可靠。
b.检查所有照明设备的灯泡是否安装正确,并进行必要的更换。
c.检查照明设备的开关是否正常工作,并进行必要的清洁和维护。
d.安装临时照明灯和紧急照明设备,以确保在试运行过程中发生意外时有足够的照明。
e.发布通知,通知相关人员在试运行期间避免在照明设备附近进行过多的活动,以确保人员安全。
2.试运行过程:a.时间:XX时XX分方法:将主电源接入照明设备,确保线路电压恢复正常,并进行全面的试运行。
结果:照明设备全部正常工作,灯泡亮度均匀,开关操作灵活可靠。
b.时间:XX时XX分方法:对照明设备进行数分钟的持续运行,观察其是否有异常现象。
结果:照明设备运行期间无任何异常现象,灯泡亮度保持稳定。
c.时间:XX时XX分方法:对照明设备进行数小时的持续运行,检测其性能和可靠性。
结果:设备运行期间无任何故障,灯泡正常照明,开关操作依然灵活可靠。
3.问题记录与解决:a.时间:XX时XX分问题描述:XX号照明设备灯泡亮度不均匀,有些地方较暗,有些地方较亮。
解决方法:检查该设备的线路连接情况,发现一些接头松动,重新紧固后问题解决。
b.时间:XX时XX分问题描述:XX号照明设备开关无法正常操作,无法打开照明设备。
解决方法:检查该设备的开关连接情况,发现开关损坏,更换新的开关后问题解决。
4.试运行总结:本次电气照明通电试运行顺利完成,设备运行稳定并无故障。
经过试运行验证,电气照明系统达到了预期的效果和要求。
通过对问题的及时发现和解决,确保了照明系统的正常运行。
在实际使用中,我们将继续密切监测照明设备的运行情况,及时进行维护和保养,以确保其长期、稳定、高效地工作。
签字:。
025电气照明全负荷试运行记录
一、试运行目的
为了确保电气照明系统在全负荷工作状态下能正常运行,经过检验和调试,保证其稳定性和可靠性。
二、试运行时间和地点
试运行时间为XX年XX月XX日,地点为XX大楼。
三、试运行内容
1.试运行设备:电气照明系统包括照明灯具、开关箱、电源线路等。
2.试运行过程:
(1)按照设计方案布置照明设备,确保各部分连接正确。
(2)检查所有灯具,确保无松动、断线等现象。
(3)按照全负荷运行工况,打开开关箱,给照明设备通电。
(4)观察灯具亮度是否符合要求,检查有无闪烁、暗淡等现象。
(5)检查开关箱是否正常工作,有无异常噪音、发热现象。
(6)观察电源线路是否正常工作,有无漏电、过热等异常情况。
(7)记录试运行期间的电流、电压等数据。
四、试运行结果
1.照明设备亮度符合要求,无闪烁、暗淡等现象。
2.开关箱正常工作,无异常噪音、发热现象。
3.电源线路正常工作,无漏电、过热等异常情况。
4.试运行期间的电流、电压等数据正常。
五、存在问题
在试运行过程中,未发现任何问题。
六、结论
经全负荷试运行,电气照明系统正常工作,符合设计要求,可以投入正式使用。
七、试运行总结
通过电气照明全负荷试运行,检验了照明设备的正常工作情况,为日后长期运行提供了参考数据。
同时,也发现了问题,并及时解决,确保系统的可靠性和稳定性。
在今后的使用和维护过程中,应持续关注照明设备的运行情况,及时进行检查和维护,确保系统的长期稳定运行。