施工机械设备试运转记录.doc.doc
- 格式:doc
- 大小:57.05 KB
- 文档页数:1
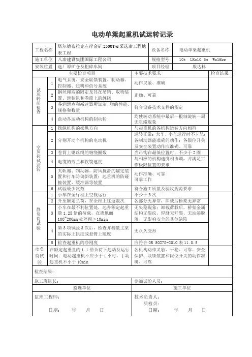
设备单机试运转记录编号:bzsbts01工程名称:未给出施工单位:未给出试验单位:未给出设备名称:潜水离心泵规格型号:流量1021m3/h,扬程27m,功率132KW;流量565m3/h,扬程27m,功率75KW额定数据:所在系统压力输送系统试运行时间:从年01月日时00分起至年月日11时30分止试运行性质:空负荷试运行;负荷试运行台数:3台主要技术要求:1.转动灵活,无异常现象2.无异常噪音、声响3.滑动轴承及往复运动部件的温升不得超过35℃,最高温度不得超过65℃4.滚动轴承的温升不得超过40℃,最高温度不得超过75℃5.填料函或机械密封的温度应符合规定,在规定范围内6.1号泵:ABC三相电压/电流符合要求;2号泵:ABC三相电压/电流符合要求;3号泵:ABC三相电压/电流符合要求7.无松动现象重点检查项目序号:1.盘车检查2.有无异常音响3.轴承温度温度正常4.其他主要部位的温度及各系统的压力参数,参数正常5.驱动电机的电压、电流正常6.机器各部位的紧固情况,紧固正常试验结论:合格监理(建设)单位专业负责人:未给出施工单位:未给出项目负责人质检员专业负责人:未给出编号:bzsbts02工程名称:未给出施工单位:未给出试验单位:未给出设备名称:放空潜水排污泵规格型号:功率3.8KW额定数据:所在系统放空系统试运行时间:从2年月06日1时00分起至20年月6日时30分止试运行性质:空负荷试运行;负荷试运行台数:3台主要技术要求:1.转动灵活,无异常现象2.无异常噪音、声响3.滑动轴承及往复运动部件的温升不得超过35℃,最高温度不得超过65℃4.滚动轴承的温升不得超过40℃,最高温度不得超过75℃5.填料函或机械密封的温度应符合规定,在规定范围内重点检查项目序号:1.盘车检查2.有无异常音响3.轴承温度,温度正常4.其他主要部位的温度及各系统的压力参数,振动值不超过规定值5.驱动电机的电压、电流及温升,不超过规定值6.机器各部位的紧固情况,紧固正常7.无松动现象试验结论:合格监理(建设)单位专业负责人:未给出施工单位:未给出项目负责人质检员专业负责人:未给出液压系统和密封处应无泄漏和松动现象。
XX公司XX工程XX系统试运转调试记录日期:2024年9月1日
地点:XX公司XX工程XX系统
记录人:张三
一、试运转前的准备工作
1.确保所有设备和系统已经安装完成并调试通过;
2.对整个系统进行全面检查,确保各个部件连接正确、无松动;
3.对系统进行逐一测试,检查系统各项功能是否正常。
二、系统试运转调试过程
1.启动系统:按照操作手册操作,逐一启动各个部件,确保系统整体
能够正常启动;
2.检测设备运行状态:监控各个设备的运行状态,确保设备正常工作;
3.系统联调:对系统进行联调测试,确保各个部件之间的通讯正常稳定;
4.功能测试:逐一测试系统的各项功能,确保系统能够正常运行;
5.故障排查:对系统可能出现的故障进行排查,确保系统能够及时恢
复正常运行;
6.性能测试:对系统的性能进行测试,确保系统在工作时能够满足要
求的性能指标。
三、试运转调试总结及建议
1.系统运行稳定,各个部件运行正常,功能完备;
2.在实际运行过程中,发现部分功能有待改进,建议对系统进行优化;
3.对系统运行过程中可能出现的故障进行预防性处理,减少系统故障
发生的可能性。
四、后续工作计划
1.对系统进行进一步优化,提高系统的性能和稳定性;
2.对系统进行全面检查和维护,确保系统长期稳定运行;
3.定期对系统进行检查和测试,发现问题及时处理,保证系统的正常
运行。
以上就是本次XX公司XX工程XX系统试运转调试的记录,希望能够
对系统的正常运行起到一定的帮助,谢谢!。
设备单机试运转调试记
录
Document serial number【LGGKGB-LGG98YT-LGGT8CB-LGUT-
株质安监统编
2008施记(K)-8设备单机试运转调试记录工程名称:仁达大楼 307408□□
本表一式三份:施工、监理、建设各一份。
株质安监统编
2008施记(K)-8
设备单机试运转调试记录
工程名称:仁达大楼307408□□
本表一式三份:施工、监理、建设各一份。
株质安监统编
2008施记(K)-8
设备单机试运转调试记录
工程名称:仁达大楼307408□□
本表一式三份:施工、监理、建设各一份。
株质安监统编
2008施记(K)-8
设备单机试运转调试记录
工程名称:仁达大楼307408□□
本表一式三份:施工、监理、建设各一份。
株质安监统编
2008施记(K)-8
设备单机试运转调试记录
工程名称:仁达大楼307408□□
本表一式三份:施工、监理、建设各一份。
设备单机试运转调试记
录
Revised by Chen Zhen in 2021
株质安监统编
2008施记(K)-8设备单机试运转调试记录工程名称:仁达大楼 307408□□
本表一式三份:施工、监理、建设各一份。
株质安监统编
2008施记(K)-8
设备单机试运转调试记录
工程名称:仁达大楼307408□□
本表一式三份:施工、监理、建设各一份。
株质安监统编
2008施记(K)-8
设备单机试运转调试记录
工程名称:仁达大楼307408□□
本表一式三份:施工、监理、建设各一份。
株质安监统编
2008施记(K)-8
设备单机试运转调试记录
工程名称:仁达大楼307408□□
本表一式三份:施工、监理、建设各一份。
株质安监统编
2008施记(K)-8
设备单机试运转调试记录
工程名称:仁达大楼307408□□
本表一式三份:施工、监理、建设各一份。
施工机械设备试运转记录
施工机械设备试运转记录
施工机械设备试运转记录
施工机械设备试运转记录
施工机械设备试运转记录
施工机械设备试运转记录
施工机械设备试运转记录
施工机械设备试运转记录
施工机械设备试运转记录
施工机械设备试运转记录
施工机械设备试运转记录
施工机械设备试运转记录
施工机械设备试运转记录
施工机械设备试运转记录
施工机械设备试运转记录
施工机械设备试运转记录
施工机械设备试运转记录
施工机械设备试运转记录
施工机械设备试运转记录
施工机械设备试运转记录
施工机械设备试运转记录
施工机械设备试运转记录
施工机械设备试运转记录
施工机械设备试运转记录
施工机械设备试运转记录
施工机械设备试运转记录
施工机械设备试运转记录
施工机械设备试运转记录
施工机械设备试运转记录
施工机械设备试运转记录
施工机械设备试运转记录
施工机械设备试运转记录
施工机械设备试运转记录
施工机械设备试运转记录
施工机械设备试运转记录
施工机械设备试运转记录。