高压开关柜检验与试验报告
- 格式:doc
- 大小:27.00 KB
- 文档页数:1
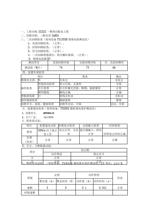
一、工程名称:XXXXX一期项目配电工程二、回路名称:二配电房IAHO1三、二次回路检查(使用设备TY1555D绝缘电阻测试仪)1:电流回路检查:(正常);2:控制回路检查:(正常);3:信号回路检查:(正常);五、装置通电检查(使用设备:微机继电保护测试仪)1、装置型号:BPD801-D2、生产厂家:福州博峰4、检查项目表:整体结论:本次校验项目符合《继电保护及电网安全自动装置检验条例》及保护装置使用说明书的要求。
保护按保护说明书校验,过流、速断保护、轻重瓦斯保护、高温保护、动作正确,整组试验合格。
控制回路,开关量回路正确,整组试验合格。
本次校验后断开的端子及连片已全部恢复,各项试验合格。
一、工程名称:XXXXX一期项目配电工程二、回路名称:二配电房IAHO3三、二次回路检查(使用设备TY1555D绝缘电阻测试仪)1:电流回路检查:(正常);2:控制回路检查:(正常);3:信号回路检查:(正常);五、装置通电检查(使用设备:微机继电保护测试仪)2、装置型号:BPD801-D2、生产厂家:福州博峰4、检查项目表:整体结论:本次校验项目符合《继电保护及电网安全自动装置检验条例》及保护装置使用说明书的要求。
保护按保护说明书校验,过流、速断保护、轻重瓦斯保护、高温保护、动作正确,整组试验合格。
控制回路,开关量回路正确,整组试验合格。
本次校验后断开的端子及连片已全部恢复,各项试验合格。
一、工程名称:XXXXX一期项目配电工程二、回路名称:二配电房IAHO4三、二次回路检查(使用设备TY1555D绝缘电阻测试仪)1:电流回路检查:(正常);2:控制回路检查:(正常);3:信号回路检查:(正常);3、装置型号:BPD801-D2、生产厂家:福州博峰4、检查项目表:整体结论:本次校验项目符合《继电保护及电网安全自动装置检验条例》及保护装置使用说明书的要求。
保护按保护说明书校验,过流、速断保护、轻重瓦斯保护、高温保护、动作正确,整组试验合格。
高压开关柜型式试验报告有效期:开关柜型式高压有效期试验型式检验报告有效期哪些需要型式试验报告型式试验报告几年有效篇一:高低压开关柜型式、试验执行标准高低压开关柜型式试验一、低压交流配电柜1、GGD型交流低压配电柜GGD型交流低压配电柜适用于变电站、发电厂、厂矿企业等电力用户的交流50Hz,额定工作电压380V,额定工作电流1000-3150A 的配电系统,作为动力、照明及发配电设备的电能转换、分配与控制之用。
产品具有分断能力高,动热稳定性好,电气方案灵活、组合方便,系列性,实用性强、结构新颖,防护等级高等特点。
缺点:回路少,单元之间不能任意组合且占地面积大,不能与计算机联。
目前作为普通工厂用低压成套开关设备中低档主流柜型。
执行IEC60439-1《低压成套开关设备和控制设备》、GB7251.1-1997《低压成套开关设备和控制设备》、GB/T14048.1-93 《低压开关设备和控制设备总则》等标准。
产品型号及含义2、GCK低压抽出式开关柜(GCK柜和GCS、MNS柜抽屉推进机构不同)GCK低压抽出式开关柜(以下简称开关柜)由动力配电中心(PC) 柜和电动机控制中心(MCC)两部分组成。
该装置适用于交流50(60)HZ、额定工作电压小于等于660V、额定电流4000A及以下的控配电系统,作为动力配电、电动机控制及照明等配电设备。
具有分断能力高、动热稳定性好、结构先进合理、电气方案灵活、系列性、通用性强、各种方案单元任意组合、一台柜体,容纳的回路数较多、节省占地面积、防护等级高、安全可靠、维修方便等优点。
缺点:水平母线设在柜顶垂直母线没有阻燃型塑料功能板,不能与计算机联络。
执行IEC60439-1《低压成套开关设备和控制设备》、GB7251.1-1997《低压成套开关设备和控制设备》、GB/T14048.1-93 《低压开关设备和控制设备总则》等标准。
产品型号及含义GCK G是封闭式开关柜C是抽出式K是控制中心3、GCS型低压抽出式开关柜(GCS柜只能做单面操作柜,柜深800mm)GCS型低压抽出式开关柜使用于三相交流频率为50Hz,额定工作电压为400V(690V),额定电流为4000A及以下的发、供电系统中的作为动力、配电和电动机集中控制、电容补偿之用。
HXGN-12型高压配电柜
出厂检验报告
产品型号: HXGN-12
出厂编号:
出厂日期:年月日
*********电气有限公司
一、产品相关数据
产品名称: 10KV环网柜额定电压(kV): 10
规格型号:HXGN-12 额定电流(A): 630A
外壳防护等级:IP33 额定绝缘水平:75/35 二、检验项目及结果
三、检验依据
1、GB3906-91 《3~35kV交流金属封闭开关设备》
2、GB/T16934-97 《电能计量柜》
3、GB3309-89 《交流开关设备常温下的机械试验》
4、GB4208-93 《外壳防护等级分类》
5、GB311.1-97 《高压输变电设备的绝缘配合》
四、检验结论:
本产品经检验合格,准予出厂。
附录一主要元器件表
注:上表中的“√”表示该产品有生产许可证或经过了型式试验。
附录二检测项目
1 一般检查
2 机械特性试验
2.1 开关机械操作:
2.2 熔断器更换方便。
2.3高压开关柜的联锁操作
3 接地电路有效性检查、接线正确性检验
4 接线正确性检验
5 工频电压耐受试验
5.1绝缘电阻
5.2工频电压耐受试验
检验
员:检验科:。
高压开关柜试验报告
涵盖从型式、结构及绝缘特性等等的方面
一、试验项目
本次试验主要聚焦在高压开关柜的抗电弧、绝缘特性及外壳、组件等
安全性能方面的测试。
二、试验方法
1、抗电弧性能
试验用型号:FG10-1250/2500/10
测试抗电弧性能主要通过步进电压测试和电弧实验室测试两个环节来
实施。
步进电压测试:采用高压可编程抗电弧试验仪,设置测试电压范围为500 V 到 1250 V,以50 V为步进,对开关柜的铰链和导体瞬间平均值进
行测试,测试时间为100ms,在此范围内要求无击穿,无熔断,无磨损。
电弧实验室测试:采用室内大容量步进电压抗电弧试验机,设置测试
电压在 1100 V~2500 V范围,以500 V为步进,对开关柜的铰链和导体
瞬间平均值进行测试,测试时间为100 ms,在此范围内要求无击穿,无
熔断,无磨损。
2、绝缘特性
绝缘特性测试主要采用绝缘电阻测量仪,测量电压1000V,对开关柜
的各端子进行绝缘电阻测试,绝缘电阻大于10MΩ的要求无击穿,无熔断,无磨损。
3、机械特性
机械特性测试主要检查型式、结构及外壳、组件、连接器等部件的固定性,要求产品结构稳固,安装牢固,无变形、断裂等异常情况。
高压开关柜试验报告(完)本报告是对单位工程#5锅炉磨煤机A的KYN18E—12VS1高压开关柜进行试验的结果。
该开关柜安装在6kV配电室Ⅵ,编号为,电压为12kV,电流为1250A,相别为C。
试验日期为07.10.10,制造厂为常熟通用,出厂日期为07.07.在试验过程中,我们对该开关柜的绝缘电阻、耐压、导电回路电阻、触头弹跳时间、分合闸时间、三相触头分合闸不同期性、合闸线圈分闸线圈温度、绝缘电阻、直流电阻、最低动作电压、变流比、测比、铁心之间差、过电压保护器绝缘电阻、工频放电电压、母排二次直流和交流绝缘电阻、母排电流互感器工频耐压等进行了测试和记录。
根据试验结果,我们得出了该高压开关柜的合格结论。
试验负责人为XXX,试验人员包括XXX、XXX、XXX。
五防性能校验正确。
高压开关柜试验报告单位工程#5锅炉给水泵A安装地点:6kV配电室Ⅵ试验日期:07.10柜型号:KYN18E—12铭牌开关型号:VS1操作机构型号:C制造厂:XXX出厂日期:07.07项目:绝缘电阻(MΩ)500/500 直流电阻(Ω)1271/891最低动作电压(V)10LZZBJ9-一次/一次/二次/二次比极编号变流比测比10A2型铁心二次铁心之间差%性Axxxxxxxxxxxxxxxx.560减电绝0.5B流缘级Cxxxxxxxxxxxxxxxx.560减互电感阻Axxxxxxxxxxxxxxxx.560减10P10器MB级ΩCxxxxxxxxxxxxxxxx.560减零序ERLH160Yxxxxxxxxxxxxxxxx0.150减GPT-J-8/18型ABCxxxxxxxx1过电压保护器绝缘电阻(MΩ)2500/2500/2500工频放电电压(KV)15.5/16/15.8母排2500二次直流500绝缘电阻(MΩ)隔离开关二次交流400母排电流互感器工频耐压(KV/min)隔离开关系统耐压(不易分开时)36试验人员:XXX、XXX、XXX内容:绝缘电阻(MΩ)2500/2500/2500开分、合闸状态交流耐压(KV/min)42/42导电回路电阻(uΩ)29/35触头合闸弹跳时间(ms)0.2/0.2分闸时间(ms)29/28合闸时间(ms)54/54三相触头分、合闸不同期性(ms)合闸0.6分闸合闸线圈分闸线圈温度℃操作:42/35/0.3/24/42/0.3结论:试验负责人XXX认为试验结果合格。
高压开关柜试验报告一、实验目的本次试验旨在对高压开关柜进行全面的测试和评估,确保其在正常运行和特殊情况下都能正确工作,并满足相关安全标准和要求。
二、试验装置1.高压开关柜:型号XX,额定电压XX,额定电流XX。
2.电源:额定电压XX,额定电流XX。
3.测试仪器:电压表、电流表、绝缘电阻测试仪、温度计、湿度计等。
三、试验内容1.开关柜的外观检查:检查柜体、隔离开关、仪表仪器等是否完好无损,固定件是否牢固。
2.绝缘电阻测试:使用绝缘电阻测试仪对开关柜进行绝缘电阻测试,测量各相间和各相对地的绝缘电阻,结果应满足相关标准要求。
3.开关柜的额定电流测试:使用电流表对开关柜的额定电流进行测试,确保其能够正常承载额定负荷。
4.动作特性测试:通过对隔离开关进行动作测试,检查开关柜的动作是否稳定、灵敏,并观察是否存在不正常的声音或振动。
5.绝缘水平测试:通过对开关柜的绝缘水平进行测试,检查是否存在漏电现象,确保开关柜在工作时不会导致漏电损坏其他设备。
6.温湿度测试:使用温度计和湿度计对开关柜的内部温湿度进行测试,确保在正常工作条件下温湿度处于合理范围。
四、试验结果1.外观检查结果:开关柜外观完好无损,所有固定件均牢固。
2.绝缘电阻测试结果:各相间的绝缘电阻均大于标准要求值,各相对地的绝缘电阻也满足要求。
3.额定电流测试结果:开关柜能够正常承载额定负荷,电流稳定。
4.动作特性测试结果:隔离开关动作稳定,灵敏度良好,无不正常的声音或振动。
5.绝缘水平测试结果:开关柜绝缘水平良好,无漏电现象。
6.温湿度测试结果:开关柜内部温湿度处于合理范围,满足正常工作要求。
五、实验结论经过全面的测试和评估,本次试验结果表明高压开关柜完好无损,能够正常工作,并满足相关安全标准和要求。
六、存在问题及建议在本次试验中未发现高压开关柜存在明显的问题,但建议在长期使用中定期进行维护和检修,以确保其良好的工作状态。
10kV高压开关柜试验报告[object Object]一、试验目的本次试验旨在对10kV高压开关柜进行全面的功能性试验,以验证其在正常运行情况下的性能和可靠性。
二、试验内容1.基本功能试验:包括开关柜的分、合、跳闸操作试验,分合闸时间试验,分合闸位置试验等。
2.电流互感器试验:检查电流互感器的接线是否正确,是否能正常工作。
3.电压互感器试验:检查电压互感器的接线是否正确,是否能正常工作。
4.遥控试验:使用遥控装置对开关柜进行遥控操作试验,检查遥控功能是否正常。
5.保护试验:对开关柜的各种保护装置进行试验,包括过电流保护、短路保护、接地保护等。
6.隔离开关试验:对开关柜的隔离开关进行试验,检查其分合闸是否正常。
7.漏电流试验:对开关柜的漏电流进行试验,检查其漏电流是否在规定范围内。
8.绝缘电阻试验:对开关柜的绝缘电阻进行试验,检查其绝缘性能是否满足要求。
三、试验结果及分析1.基本功能试验结果:开关柜的分、合、跳闸操作正常,分合闸时间符合要求,分合闸位置准确。
2.电流互感器试验结果:电流互感器的接线正确,能够准确地测量电流。
3.电压互感器试验结果:电压互感器的接线正确,能够准确地测量电压。
4.遥控试验结果:遥控装置能够正常对开关柜进行遥控操作。
5.保护试验结果:各种保护装置能够准确地工作,及时跳闸保护电气设备。
6.隔离开关试验结果:隔离开关的分合闸操作正常。
7.漏电流试验结果:开关柜的漏电流在规定范围内,符合要求。
8.绝缘电阻试验结果:开关柜的绝缘电阻满足要求,能够保障设备的安全运行。
四、结论经过全面的试验,本次对10kV高压开关柜的功能性试验结果良好,各项指标均符合要求,证明开关柜在正常运行情况下性能可靠,能够满足电气设备的运行要求。
建议将该开关柜投入使用,并定期进行维护和检修,以保障设备的长期稳定运行。
五、存在问题及改进措施在试验过程中,未发现开关柜存在明显的问题。
然而,为了进一步提高设备的可靠性和安全性,建议在投入使用后定期对开关柜进行维护和检修,及时排除潜在问题,确保设备长期稳定运行。
一.实训目的通过现场安装检测开关柜、分小组进行团队合作,熟悉不同类型交流低压配电屏的结构、主要组成部分的名称、功用,学习配电屏的安装与检测,掌握配电屏、少油断路器的拆卸与安装的技巧,以及学习高压开关柜的停电检修与送电的操作程序使我们加深了对所学课程知识的理解,使学习和实践相结合。
二.实训时间:2014年2月24——2月28日三.实训内容低压配电屏部分低压配电屏主要在实训前期进行的内容包括了拆卸配电屏内各元器件、安装检测、交换配电屏、少油断路器拆装1.低压配电屏拆卸开始阶段全班分为7人一组,我们第一组负责第一个配电屏的拆装,在召开完班前会后各个成员就开始行动了,待工器具准备完毕,接着就开始手忙脚乱的拆起来,由于我们都不是很熟悉配电屏内各元件的位置与需要多大的螺钉,在拆的时候总是细心的把螺钉和螺帽扭在一起并且记住是上在什么器件上的,由于我们分工明确所以在后来的安装部分,我们组的速度还是相对挺快的。
拆的过程中队友们都齐心协力,为了快速完成拆卸都在竭尽所能,对于一些难拧的螺钉的处理方法:先选择合适的扳手,用老虎钳夹住螺钉位或用十字螺丝刀固定,再用扳手拧,特殊情况可以两个人配合。
另外,拆配电屏顶端的硬铝母时,在下面的队友最后协助拆母线的同学帮他接住拆下来的母线和工具,以免从上面掉下来,虽然不是在真正的工作岗位上,但是我们应该培养这种习惯,对以后我们的工作有很大的引导作用。
2.低压配电屏安装检测我们的配电屏需要安装的元件有:硬铝母、开启式刀开关、有填料式熔断器、电流互感器、端子排、ABC三相导线、计量表线、电流互感器二次侧接线我们在拆配电屏只用了半天不到的时间,可是安装却稍微久了点,可谓是拆得容易装着难啊,从小我就有爱拆东西的兴趣,可是每次拆完却不知道怎么安上去,幸好我们没有打乱顺序,但是也知道安装方法,不过选择了更方便的安装方式罢了。
安装过程中并没有很顺利,从硬铝母开始就出现了诸多问题,有些硬铝母不是很直或者是不到位之类的,到开启式刀开关安好后合闸合不到的问题,通过我们的讨论研究,发现刀开关后面的螺钉可以调节,最后有效的把刀开关合闸到了接触良好的位置,诸如此类的疑难问题今后还会在工作生活中遇到很多很多,善于发现就能想到合适的解决方案,只要肯于动脑总会想到。
高压开关柜检验与试验报告(代合格证)
工程项目:50箱变出厂编号:1403001
型号:HXGN 额定电压:10KV 额定电流:125 A
项目试验结果技术要求
常规检验和试验
1.结构检查
1.1所有元器件符合要求型号规格符合图纸要求,有合格证
1.2 接地线安装完好符合技术要求
1.3 各名牌的数量及位置正确符合技术要求
1.4 吊环是否安装妥当符合技术要求
1.5 外观是否符合要求电镀层和喷漆层无损伤框架结构符合图纸要求
2.接线正确性检查
2.1 实际接线与原理图一致符合技术部设计图纸
2.2 各表记通电后指示正常符合技术部设计图纸
2.3各元件动作正常符合技术部设计图纸
3.机械操作与联锁检查
3.1 机械操作与防护等级断路器,隔离开关及接地开关各分合10次,操作应灵活可靠。
符合防护__等级要求。
3.2 五防联锁操作应灵活可靠,符合五防要求。
3.3 可移开部件检查符合技术要求
4.主回路电阻检查
A:B:C:≤60 μΩ
5.工频耐压试验
5.1 主回路42KV/min(相对及对地)48 KV/min (断口间)
5.2 辅助回路 2 KV/min
本品按GB3906-91、IEC298标准,经检验合格,准予出厂。
检验员:审核:日期:2014 年03月15日。