振动给料机系列主要技术全参数
- 格式:doc
- 大小:1.07 MB
- 文档页数:11
振动给料机系列主要技术参数ZTGL型给料机我要订购本产品产品概述ZTGL系列电机振动给料机由输送槽体、振动电机、吊杆及电器控制装置等构成。
该机工作原理是用两台单独的振动电机作反向同步旋转,其偏心体产生离心力(即激振力),轨迹为一直线,此直线相对输送槽体在垂直方向有一倾角,使输送槽内的物料产生连续的抛掷运动,从而使物料自受料端向出料端给出。
本机结构简单,振动频率低,振幅大,对于较难输送的粘性物料也有较强的输送能力,但强度高,安装维修方便,耗电少,运行费用低。
主要用途该机主要用于原煤或精选煤的均匀给料,也适用与其它尺寸不大于300mm块状物料。
能适应粘性不太大的物料的输送,用于煤矿、建材等行业。
技术参数参数| 型号ZTGL50 ZTGL60 ZTGL70 ZTGL90 ZTGL100 ZTGL110 ZTGL130 ZTGL150槽体尺寸长(mm)1400 1400 1400 1600 1600 1600 1800 1800 宽(mm)500 600 700 900 1000 1100 1300 1500 高(mm)258 258 258 258 308 308 308 308给料粒度(mm)0~150 0~150 0~200 0~300 0~300 0~300 0~300 0~300安装角度5~10 5~10 5~10 5~10 5~10 5~10 5~10 5~10 双振幅(mm)6~12 6~12 6~12 6~12 6~12 6~12 6~12 6~12料层厚度(mm)350 350 350 450 500 550 550 600给料量(t/h )精煤200~500 250~550 290~540 340~640 420~850原煤70~150 100~200 150~230 300~700 350~750 400~800 500~1000 600~1200型号ZT10-6 ZT10-6 ZT10-6 ZT10-6 ZT10-6 ZT10-6 ZT10-6 ZT10-6振动电机振次(r/min )960 960 960 960 960 960 960 960功率(kw)×2×2×2×2×2×2×2×2仓口尺寸(mm)600×400 600×500 600×600 800×800 900×900 1000×1000 1000×1200 1000×1400 单支点静负荷(N)1784 2294 2744 4323 6573 7214 8612 10368 单支点动负荷(N)192 192 192 205 298 336 280 304浏览次数:60 次我要订购本产品振动给料机主要技术参数型号料槽尺寸(mm)最大进料粒度(mm)生产能力(t/h)功率(kw) 机器重量(t)安装倾角外型尺寸(mm)GZD-850×3000 850×3000 400 120 ×25o 3110×1800×1600 GZD-1000×3600 1000×3600 500 150 ×25o 3850×1850×1630 GZD-1100×4200 1100×4200 580 240 ×25o 4400×2050×1660 GZD-1100×4900 1100×4900 580 280 ×25o 5200×2050×1700 GZD-1300×4900 1300×4900 650 450 11×25o 5200×2350×1750 注:远华机械保留更改产品设计与规格的权利,恕不另行通知。
振动给料机系列主要技术参数型号最大进料粒度(mm)处理能力(t/h)电动机功率(kw)安装倾角(度)总重量(kg)槽体尺寸(mm)外形尺寸(长×宽×高)(mm)GZD-850×3000400 120 3.7×2 5 3607 850×30003110×1800×1600GZD-1000×3600500 150 5.5×2 5 3895 1000×36003850×1950×1630GZD-1100×4200580 240 5.5×2 5 4170 1100×42004400×2050×1660GZD-1100×4900580 280 7.5×2 5 4520 4900×11005200×2050×1700GZD-1300×4900650 450 11×2 5 5200 4900×13005200×2350×1750ZSW-380×95500 96-160 11 0 4082 3800×9603920×1640×1320ZSW-490×110630 120-280 15 0 5352 4900×11004980×1830×1320ZSW-600×130750 400-560 22 0 7800 6000×13006082×2580×2083注:产品性能在不断改进中,参数如有更改,恕不另行通知ZTGL型给料机我要订购本产品振动给料机主要技术参数(mm)(t)GZD-850×3000850×3000400 120 3.0×2 3.6 5o3110×1800×1600 GZD-1000×36001000×3600500 150 3.7×2 3.9 5o3850×1850×1630 GZD-1100×42001100×4200580 240 5.5×2 4.2 5o4400×2050×1660 GZD-1100×49001100×4900580 280 7.5×2 4.5 5o5200×2050×1700 GZD-1300×49001300×4900650 450 11×2 5.2 5o5200×2350×1750注:远华机械保留更改产品设计与规格的权利,恕不另行通知。
GZG(GZGF)系列自同步惯性振动给料机说明书一、概述GZG系列惯性振动给料机广泛用于矿山、冶金、煤炭、建材、电力、公路、轻工、化工等各部门中,用以把块状、颗粒状及粉状物料从贮料仓或漏斗中均匀连续或定量地给到受料装置中去。
如向破碎机、筛分机械、皮带运输机械或包装机等给料。
GZG系列惯性振动给料机是一种经济指标先进的给料设备,和其它给料设备相比有以下的特点:1)体积小,重量轻,结构简化紧凑。
2)安装维修方便,运行费用低。
3)噪音低,效率高,给料能力大。
4)本设备在远超共振状态下工作,振幅稳定,运行可靠,对各种物料适应性较强。
5)可以配套反接控制箱,使给料机在短时间内迅速停机,同时具有过流、过压、断相保护作用。
6)可应客户要求,增加快慢加料、远程控制及无级变频调速等功能。
二、主要技术参数、外形及安装尺寸详见安装总图三、安装和调试1、安装:(1)惯性振动给料机推荐下倾10°安装使用,最大下倾可增至15°,可根据给料料量的大小而定。
(2)安装后的给料机应留有不小于20mm的游动间隙,使给料料机完全处于自由状态。
(3)安装后的给料机横向应水平,以免给料时物料向一侧偏移。
(4)按电气原理图接线,并进行接地保护。
2、调试:1)开车前应检查两振动电机两端固定偏心块和可调偏心块的夹角是否完全相同(出厂前已调好);检查各紧固件是否完全紧固牢靠;检查电气接线及绝缘是否良好。
2)试起动观察两台振动电机是否作反向等速运转,若是同方向运转,则调换其中一台振动电机的任意两相的接线。
3)开车观察振幅,跳料方向,电流是否在额定电流以内;料槽横向摆动大小,各吊挂松紧是否一致,声音是否正常,给料量是否符合要求。
如不符合要求,可调整可调偏心块与固定偏心块之间的夹角。
四、使用和维护:1、振幅的测量:振幅指示牌见给料机槽体上所贴实物,其指示部分为一直角三角形,当批示牌与槽体一起振动时,由于视觉暂留,则直角边与斜边形成一个交点,其交点所对应的标尺数即为被测槽体的双振幅值。
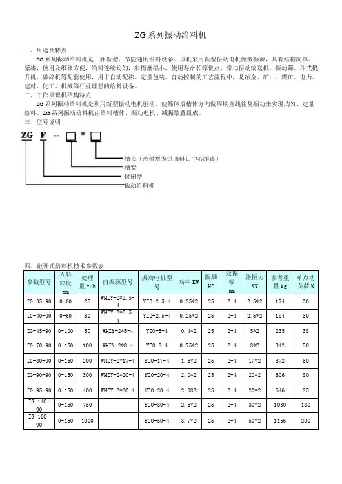
ZG系列振动给料机一、用途及特点ZG系列振动给料机是一种新型、节能通用给料设备。
该机采用新型振动电机做激振源,具有结构简单、紧凑,使用及维修方便,给料连续均匀,料槽磨损小,使用寿命长等优点,常与振动输送机、振动筛、斗式提升机、破碎机等配套使用,用于自动配称、定量包装、自动控制的工艺流程中,是冶金、矿山、煤矿、电力、建材、化工、机械等行业理想的给料设备。
二、工作原理机结构特点ZG系列振动给料机是利用新型振动电机驱动,使筛体沿槽体方向做周期直线往复振动来实现均匀、定量给料。
ZG系列振动给料机由给料槽体、振动电机、减振装置组成。
三、型号说明五、敞开式给料机外形尺寸表型号 L L1 L2 B B1 B2 H (自振源) H (振动电机)H1 H2 ZG-35-90 900 200 900 512 355 350 460 400 150 220 ZG-40-90 900 200 900 550 405 400 460 400 150 280 ZG-45-90 1000 215 900 612 455 450 465 450 200 290 ZG-70-90 1124 262 1000 864 706 700 532 535 230 380 ZG-80-90 1281 351 1200 1008 806 800 550 634 250 400 ZG-90-90 1535 392 1500 1058 906 900 600 650 300 900 ZG-95-901535392 1500 1158 956 950600650 300 900 ZG-140-90 1846 430 1800 1634 1408 1400760400 1160 ZG-160-90 184643018001834160816008325001175六、封闭式给料机技术参数表参数型号t/h双振幅 激振力 参考重量单点动 功率KW振频 HZmmKNkg负荷N㈡亠L 「L1◎自振源型入料粒处理量 度mmB 2E振动电机型号ZG-35-900-6025WHZY-2*2.5-4YZO-2.5-40.25*2252-4 2.5*224035 ZG-40-900-6030WHZY-2*2.5-4YZO-2.5-40.25*2252-4 2.5*225635 ZG-45-900-10050WHZY-2*5-4YZO-5-40.4*2252-45*229545 ZG-70-1000-150100WHZY-2*8-4YZO-8-40.75*2252-48*239455 ZG-80-1200-150200WHZY-2*17-4YZO-17-4 1.5*2252-417*243265 ZG-90-1500-150300WHZY-2*20-4YZO-20-4 2.0*2252-420*265690 ZG-95-1500-150400WHZY-2*20-4YZO-20-4 2.0*2254-620*2694100 ZG-140-1800-150750YZO-30-4 2.5*2254-630*21258200 ZG-160-1800-1501000YZO-50-4 3.7*2254-650*21446200七、封闭式给料机外形尺寸表11型号LL1L2B B1B2源)ZG系列外形安装尺寸图(封闭型配振动电机)ZG-35-90 900 200 730 512 355 350 460 400 150 220 300*200 350*120 ZG-40-90 900 200 755 601 405 400 460 400 150 280 350*200 400*120 ZG-45-90 910 225 675 701 506 500 465 450 200 290 450*200 500*160 ZG-70-90 1000 262 765 913 706 700 532 535 230 380 650*200 700*200 ZG-80-90 1181 351 859 1056 806 800 550 634 250 400 750*200 600*200 ZG-90-90 1456 392 1170 1058 906 900 600 650 300 900 800*400 900*260 ZG-95-90 1456 392 1170 1158 956 950 600 650 300 900 850*400 960*260 ZG-140-90 1676 492 1380 1884 1408 1400 720 760 400 1160 1300*500 1400*350 ZG-160-90 1752 510 1331 2230 1608 1600 815 832 500 1175 1400*500 1700*440。
GZY系列振动给料机产品使用说明书唐山矿山设备厂目录1.用途 (1)2.基本参数及主要尺寸 (1)3.结构特征 (1)4.安装 (4)5.试运转 (5)6.润滑 (6)7.设备的维护 (7)8.易损件 (7)1.用途GZY系列振动给料机主要用于0~500mm粒级的煤炭输送给料,也可用于矿石、砂石等其它散状物料的输送给料。
广泛用于煤炭、冶金、电力、化工、建材、交通等行业。
2.基本参数及主要尺寸基本参数及主要尺寸见表1。
3.结构特征给料机由给料槽体、激振器、弹簧吊挂装置、弹簧支座、传动装置等主要部件组成。
3.1给料槽体给料槽体是输送和给料的部件,它是钢板焊接结构。
槽体的两侧和底部焊有加强筋板及主梁。
两侧的前端和后端均焊有吊耳或端轴,以适应不同安装方式的要求。
3.2激振器激振器是给料机的关键部件,是给料机的振动源。
它与给料机槽体用高强度螺栓紧固在槽底的主梁上。
激振器的两根轴上装有相同质量的重块和齿轮副,由电动机通过弹性联轴器带动主传动轴,再由主动轴上的齿轮传动给被动轴,使两根轴同时反向旋转,而使槽体振动。
给料机的振幅可调,但出厂的给料机激振器均在制造厂调试好,一般用户在使用中不需再调整。
3.3给料机的传动装置振动给料机在电动机和激振器主传动轴上各安装一个半联轴器,两个半联轴器之间采用四块橡胶输送带组成挠性联接。
这种联接方式便于安装而且不会将振动传给电动机。
(根据用户要求了可采用三角带传动)因此电机不参振也正是本机最大特点。
3.4给料机的支撑与悬挂方式安装方式见图1、图2、图3、图4。
图1 I型支承图2 II型支承GZY系列振动给料机I型安装为悬挂式。
给料槽体两侧的前后均有吊耳或吊钩。
钢丝绳在吊耳的小轴上或吊钩上,上部与U型螺栓和弹簧联接,弹簧的底座固定在支架上。
电动机另设一支架固定。
图3 III型支承图4 IV型支承II型为座式安装,给料槽体两侧前后均有支承端轴,弹簧支座与端轴夹紧,支座紧固在平台上,电动机也安装在平台支架上。
振动给料机系列主要技术参数精选文档TTMS system office room 【TTMS16H-TTMS2A-TTMS8Q8-振动给料机系列主要技术参数型号最大进料粒度(mm)处理能力(t/h)电动机功率(kw)安装倾角(度)总重量(kg)槽体尺寸(mm)外形尺寸(长×宽×高)(mm)GZD-850×3000400 120 ×2 5 3607 850×30003110×1800×1600GZD-1000×3600500 150 ×2 5 3895 1000×36003850×1950×1630GZD-1100×4200580 240 ×2 5 4170 1100×42004400×2050×1660GZD-1100×4900580 280 ×2 5 4520 4900×11005200×2050×1700GZD-1300×4900650 450 11×2 5 5200 4900×13005200×2350×1750 ZSW-380×95500 96-160 11 0 4082 3800×9603920×1640×1320 ZSW-490×110630120-28015 0 5352 4900×11004980×1830×1320 ZSW-600×130750400-56022 0 7800 6000×13006082×2580×2083注:产品性能在不断改进中,参数如有更改,恕不另行通知ZTGL型给料机振动给料机主要技术参数GZD-1000×36001000×3600500 150 ×25o3850×1850×1630 GZD-1100×42001100×4200580 240 ×25o4400×2050×1660 GZD-1100×49001100×4900580 280 ×25o5200×2050×1700 GZD-1300×49001300×4900650 450 11×25o5200×2350×1750GZG系列自同步惯性振动给料机ZSW系列振动喂料机ZSW系列振动喂料机系直线式给料机,具有运转平稳、工作可靠、寿命长等特点,可为破碎机械连续、均匀喂料,并对物料进行粗筛分,广泛应用于选矿、建材、硅酸盐和化学工业中的碎石、筛分联合设备中。
振动给料机系列主要技术参数型号最大进料粒度(mm)处理能力(t/h)电动机功率(kw)安装倾角(度)总重量(kg)槽体尺寸(mm)外形尺寸(长×宽×高)(mm)GZD-850×3000400 120 3.7×2 5 3607 850×30003110×1800×1600GZD-1000×3600500 150 5.5×2 5 3895 1000×36003850×1950×1630GZD-1100×4200580 240 5.5×2 5 4170 1100×42004400×2050×1660GZD-1100×4900580 280 7.5×2 5 4520 4900×11005200×2050×1700GZD-1300×4900650 450 11×2 5 5200 4900×13005200×2350×1750ZSW-380×95500 96-160 11 0 4082 3800×9603920×1640×1320ZSW-490×110630 120-280 15 0 5352 4900×11004980×1830×1320ZSW-600×130750 400-560 22 0 7800 6000×13006082×2580×2083注:产品性能在不断改进中,参数如有更改,恕不另行通知ZTGL型给料机我要订购本产品振动给料机主要技术参数(mm)(t)GZD-850×3000850×3000400 120 3.0×2 3.6 5o3110×1800×1600 GZD-1000×36001000×3600500 150 3.7×2 3.9 5o3850×1850×1630 GZD-1100×42001100×4200580 240 5.5×2 4.2 5o4400×2050×1660 GZD-1100×49001100×4900580 280 7.5×2 4.5 5o5200×2050×1700 GZD-1300×49001300×4900650 450 11×2 5.2 5o5200×2350×1750注:远华机械保留更改产品设计与规格的权利,恕不另行通知。
振动给料机系列主要技术参数型号最大进料粒度(mm)处理能力(t/h)电动机功率(kw)安装倾角(度)总重量(kg)槽体尺寸(mm)外形尺寸(长×宽×高)(mm)GZD-850×3000 400 120 3.7×2 5 3607 850×3000 3110×1800×1600GZD-1000×3600500 150 5.5×2 5 3895 1000×3600 3850×1950×1630 GZD-1100×4200580 240 5.5×2 5 4170 1100×4200 4400×2050×1660 GZD-1100×4900580 280 7.5×2 5 4520 4900×1100 5200×2050×1700 GZD-1300×4900650 450 11×2 5 5200 4900×1300 5200×2350×1750 ZSW-380×95 500 96-160 11 0 4082 3800×960 3920×1640×1320ZSW-490×110 630 120-280 15 0 5352 4900×1100 4980×1830×1320ZSW-600×130 750 400-560 22 0 7800 6000×1300 6082×2580×2083注:产品性能在不断改进中,参数如有更改,恕不另行通知ZTGL型给料机我要订购本产品产品概述ZTGL系列电机振动给料机由输送槽体、振动电机、吊杆及电器控制装置等构成。
振动给料机系列主要技术全参数1.动力系统参数:振动给料机的动力系统主要由电机、减速器和振动器组成。
主要参数包括电机功率、转速、振动器振幅和频率等。
2.给料能力:给料能力是指振动给料机每单位时间内能够传送的物料数量。
它取决于设备的结构设计、振动力的大小以及物料的性质等因素。
3.输送速度:输送速度是指振动给料机传送物料的速度。
它可以通过调整振动器的振幅和频率来控制。
4.输送距离:输送距离是指物料从振动给料机的进料口传送到出料口的距离。
它取决于设备的长度和斜度。
5.输送角度:输送角度是指物料在振动给料机输送过程中的角度。
它可以通过调整振动角度来控制。
6.输送粒度:输送粒度是指振动给料机能够处理的物料粒度范围。
不同型号的振动给料机有不同的处理能力。
7.振动特性:振动特性是指振动给料机在工作过程中的振动特点。
包括振动频率、振幅、振动方向等。
8.结构材料:振动给料机的结构材料主要包括钢材、铸铁、不锈钢等。
不同的材料可以适应不同的工作环境和物料性质。
9.控制方式:振动给料机可以采用手动控制和自动控制两种方式。
自动控制方式可以实现设备的远程控制、自动停机等功能。
10.维护保养:振动给料机的维护保养主要包括清洗设备、润滑设备、检查电气设备等。
不同型号的振动给料机有不同的维护保养要求。
总之,振动给料机系列主要技术参数涵盖了动力系统参数、给料能力、输送速度、输送距离、输送角度、输送粒度、振动特性、结构材料、控制方式和维护保养等方面。
了解这些参数可以帮助用户选择适合自己需求的振动给料机。
电机振动给料机使用说明书新乡师大振动机械有限公司联系电话:0373-*******一、代号说明D Z G XX XX送槽长度(mm)输送槽宽度(mm)给料机振动型电机二、用途适用于把块状、颗粒状及粉状物料从贮料仓或漏斗中均匀连续地给到受料装置中去,主要用于矿山、冶金、煤炭、建材、电力、化工、机械、轻工、粮食等各行业。
三、技术参数技术参数表型号生产率t/h粒度mmL L2H L1B B1功率KW重量KgDZG30-80(DZG0308)8508002001508603003362×0.25120 DZG40-100(DZG0410)255010003502009504004362×0.4160 DZG50-100(DZG0510)6080100030020010005006022X0.55290 DZG80-14(DZG8014)200100140025040016508008482X0.75500四、主机结构五、安装与调试1、如图所示,前后吊钩挂起,安装后要求给料机横向水平,上接口漏斗中心线对准给料机进口中心线,给料机出料对中下接口,保证整个给料机处于自由状态;2、振动电机和输送槽的连接要牢固;3、给料机可水平安装,也可在0~-10°范围内(“—”号表示出料端下降);4、开机前应检查两台振动电机的可调偏心块与固定偏心块夹角是否一致,如不一致,调到一致,并将其固定螺栓拧紧;5、试起动观察两台振动电机是否转向相反,若不是转向相反,则调换任意一台振动电机的任意两相接线;6、开机后观察机体不得有横向摆动,电机电流要符合要求。
整机无异常声响。
六、使用与维护1、起动与停车DZG系列电机振动给料机允许在满负荷、全电压条件下直接起动和停车,但一般不要在满负荷条件下起动。
2、试运行在设备出厂前,机体各部分在空载试车时已调整到了最佳位置。
设备现场安装调试完毕后,应进行一小时以上试运行后如无异常便可投入正常生产。
GZ系列电磁振动给料机说明书河南·新乡市第一振动机械厂有限公司GZ系列电磁振动给料机(一)用途和特点1、用途GZ系列电磁振动给料机广泛应用于矿山、冶金、煤炭、建材、轻工、化工、电力、机械、粮食等各行各业中,用于把块状、颗粒状及粉状物料从贮料仓或漏斗中均匀连续或定量地给到受料装置中去。
例如,向带式输送机、斗式提升机,筛分设备等给料;向破碎机、粉碎机等喂料,以及用于自动配料,定量包装等,并可用于自动控制的流程中,实现生产流程的自动化。
2、特点电磁振动给料机是一种新型的给料设备,它和其它给料设备相比具有以下特点:(1)体积小,重量轻,结构简单,安装方便,无转动部件不需润滑,维修方便,运行费用低。
(2)电磁振动给料机由于运用了机械振动学的共振原理,双质体在低临界近共振状态下工作,因而消耗电能少。
(3)由于可以瞬时地改变和启闭料流,所以给料量有较高的精度。
(4)本系列电振机的控制设备采用了可控硅半波整流线路,因此在使用过程中可以通过调节可控硅开放角的办法方便地无级地调节给料量,并可以实现生产流程的集中控制和自动控制。
(5)由于给料槽中的物料在给料过程中连续地被抛起,并按抛物线的轨迹向前进行跳跃运动,因此给料槽的摩损较小。
(6)本系列电振机不适用于具有防爆要求的场合。
(7)电气控制装置使用条件:A、海拔高度不超过1000米。
B、周围介质温度不超过-20℃~+4℃的范围。
C、周围介质温度为25℃时相对湿度不大于85%。
D、周围没有严重腐蚀性及影响电气绝缘性能的介质。
本系列电振机均为悬挂式安装,其中振动器的悬挂杠杆应垂直吊挂,为了减少给料机的横向摆动,给料槽悬挂吊杆应向外张开10°布置。
四个悬挂吊杆吊挂在具有足够刚度的结构上,对于大型给料机为了维修和更换料槽方便,应布置移动滑架悬挂吊杆。
(1)安装时一般不要拆卸安装,安装后的给料机周围应有一定的游动间隙,使给料机处于自由状态。
(2)安装后的给料机横向应水平,以免给料机工作时物料向一侧偏移。
振动给料机振动给料机又称振动喂料机。
振动给料机在生产流程中,可把块状、颗粒状物料从贮料仓中均匀、定时、连续地给到受料装置中去,在砂石生产线中可为破碎机械连续均匀地喂料,并对物料进行粗筛分,广泛用于冶金、煤矿、选矿、建材、化工、磨料等行业的破碎、筛分联合设备中。
性能特点振动给料机结构简单,、喂料均匀,连续性能好,激振力可调;随时改变和控制流量,操作方便;偏心块为激振源,噪音低,耗电少,调节性能好,无冲料现象;若采用封闭式机身可防止粉尘污染振动平稳、工作可靠、寿命长;可以调节激振力,可随时改变和控制流量,调节方便稳定;振动电机为激振源,噪声低、耗电小、调节性能好,无冲料现象。
振动给料机结构简单,操作方便,不需润化,耗电量小;可以均匀地调节给矿量;因此已得到广泛应用。
一般用于松散物料。
根据设备性能要求,配置设计时应尽量减少物料对槽体的压力,按制造厂要求,仓料的有效排口不得大于槽宽的四分之一,物料的流动速度控制在6-18m/min.对给料量较大的物料,料仓底部排料处应设置足够高度的拦矿板;为不影响给料机的性能,拦矿板不得固定在槽体上。
为使料仓能顺利排出,料仓后壁倾角最好设计为55-65度。
用途振动给料机可把块状、颗粒状物料从料仓中均匀、连续地喂料到受料装置中。
在砂石生产线中可为破碎机连续均匀地喂料避免破碎机受料口的堵塞。
专为破碎筛分中粗破碎机前均匀输送大块物料设计。
振动给料机采用双偏心轴激振器的结构特点,保证设备能承受大块物料下落的冲击,给料能力大。
在生产流程中可以把块状、颗粒状物料从贮料仓中均匀、定时、连续地给到受料装置中去,从而防止受料装置因进料不均而产生死机的现象,延长了设备使用寿命。
给料机可分为钢板结构和篦条结构,钢板结构的给料机多用于砂石料生产线,将物料全部均匀地送入破碎设备;篦条结构的给料机可对物料进行粗筛分,使系统在配制上更经济合理,在破碎筛分中已作为必不可少的设备。
分类振动给料机按其结构和用途可分为三种类型:振动给料机GZD型、振动给料机ZSW型、振动给料机GZZ型。
振动给料机系列主要技术参数1. 转速:振动给料机的转速是指通过电机带动传动装置使给料槽或给料管进行往复振动的速度。
转速通常用转/分钟(rpm)表示。
2.频率:振动给料机的频率是指每分钟内进行往复振动的次数。
频率通常用赫兹(Hz)表示。
3. 振幅:振动给料机的振幅是指振动源产生的振动力对物料的传递效果。
振幅通常用毫米(mm)表示。
4.处理能力:振动给料机的处理能力是指单位时间内给料机所能处理的物料量。
处理能力通常用吨/小时(t/h)表示。
5.功率:振动给料机的功率是指驱动设备所需要的电能或机械能。
功率通常用千瓦(KW)表示。
6. 配料粒度:振动给料机的配料粒度是指物料送入给料机的最大粒度。
配料粒度通常用毫米(mm)表示。
7.斜度角度:振动给料机的斜度角度是指给料机的倾斜程度。
斜度角度通常用度(°)表示。
8.工作面积:振动给料机的工作面积是指物料通过给料机时所占据的水平面积。
工作面积通常用平方米(m²)表示。
9.电机功率:振动给料机的电机功率是指驱动振动源的电机的功率。
电机功率通常用千瓦(KW)表示。
10. 重量:振动给料机的重量是指整个设备本身的重量。
重量通常用千克(kg)表示。
11. 外形尺寸:振动给料机的外形尺寸是指设备的长、宽、高的尺寸。
外形尺寸通常用毫米(mm)表示。
12.材质:振动给料机的材质是指设备主要组成部分的材料。
常见的材质有碳钢、不锈钢等。
以上是振动给料机系列的一些主要技术参数,不同型号的振动给料机在这些参数上可能有所差异。
振动给料机说明巩义义利机械有限公司一、用途本机是利用振动原理进行给料的设备.适用于选矿、建材、硅酸盐和化学工业,为下道工序递给(带筛分)粒度不大于580mm的矿石和岩石二、型号及说明三、主要技术参数四、工作原理及结构特征振动喂料机主要由振动机架、弹簧、振动器、电机振架及电机组成。
激振器是由二个特定位置的偏心轴以齿轮相啮合组成,装配时必须使两齿轮按标记相啮合,通过电机驱动,使两偏心轴旋转,从而产生巨大合成的直线激振力,使机体在支承弹簧上作强制振动,物料则以此振动为动力,在料槽上作滑支及抛掷运动,从而使物料前移而达到给料的目的。
当物料通过槽体上的筛条时,较小料可通过筛条间隙而落下,可不经过下道的破碎工序,起了筛分的效果。
五、安装调试与运转本机由制造厂装配后成台供应,并经过空车试验,用户收货后,应仔细检查,以便发现和排除在运输中可能带来的问题。
机器的安装,调整和试运转应注意:1.由于本机振动较大,故建议将机器安装在混凝土基础上,基础高度、深度和面积应按土质条件,单独进行计算,建议基础重量大致为机器重量的1.5倍,机器的安装尺寸可参阅图。
喂料机基础高度及出料形式根据地形条件采用钢结构或混凝土台增减高度以适用下道工序的要求。
(用户自定)2.本机的排料溜槽和筛下溜槽均属机器的附属固定装置,与喂料机体的竖直方向间隙应保持90㎜,水平方向的间隙应保持30㎜。
3.安装电机及支架、应使电机槽轮与与激振器槽轮中心线与水平线约成45°,电机支承板与电机支架底板成15°~20°,并注意符合图中振动器的旋转方向。
4.清除激振器中的防锈油,注入润滑油,润滑油型号见七中的1(1),油面高于油标高度。
5.机器安装和调整妥后,进行试运转。
空载试车应达到:(1)连续运转2小时;(2)所有紧固件应牢固,无松动现象;(3)所有摩擦部位无擦伤,掉屑和研磨现象,无不正常的响声,震动稳定。
负载试车除达到空载试车要求外,还应满足如下要求:(1)在为喂料机送料时,不能使物料强烈冲击机器槽体,不许偏载加料和堆满加料,以免损坏机体,支承弹簧及影响机器稳定振动。
GZ系列电磁振动给料机说明书(一)用途和特点1、用途GZ系列电磁振动给料机广泛应用于矿山、冶金、煤炭、建料、轻工、化工、电力、机械、粮食等各行各业中,用于把块状、颗粒状及粉状物料从贮料仓或漏斗中均匀连续或定量地给到受料装置中去。
例如,向带式输送机、斗式提升机、筛分设备等给料;向破碎机、粉碎机等喂料,以及用于自动配料,定量包装等,并可用于自动控制的流程中,实现生产流程的自动化。
2、特点电磁振动给料机是一种新型的给料设备,它和其它给产设备相比具有以下特点:(1)体积小,重量轻,结构简单,安装方便,无转动部件不需润滑,维修方便,运行费用低。
(2)电磁振运给料机由于运用了机械振动学的共振原理?双质体在低临界近共振状态下工作,因而消耗电能少。
(3)由于可以瞬时地改变和启闭料流,所以给料量有较高的精度。
(4)本系列电振机的控制设备采用了可控硅半波整流线路;,因此在使用过程中可以通过调节可控硅开放角的办法方便地无给地调节给料量,并可以实现生产流程的集中控制和自动控制。
(5)由于给料槽中的物料在给料过程中连续地被抛起,并按抛物线的轨迹向前进行跳跃运动,因此给料槽摩损较小。
(6)本系列电振机不适用于具有防爆要求的场合。
(二)结构电磁振动给料机由以下产要部件组成(见图1)I、料槽Ⅱ、电磁振动器(详见图2)Ⅲ、减振器Ⅳ、控制箱图1 电振机简图(三)安装和调整l、安装(1)本系列电振机均为悬挂式安装,其中振动器的悬挂杠杆应垂直吊挂,为了减少给料机的横向摆动,给料槽悬挂吊杆应向外张开10。
布置。
四个悬挂吊杆吊挂在具有足够刚度的结构上,对于大型给料机为了维修和更换料槽方便,应布置移动滑架悬挂吊杆。
(2)安装时一般不受拆卸安装,安装后的给料要周围应有一定的游动间隙,使给料机处于自由状态。
(3)安装后的给料机横向应水平,以免给料机工作时物料向一侧偏移。
(4)按控制原理图进行接线,并进行接地保护。
(5)安装完的给料机在试运转前必须松开检修时用的联接叉定位螺栓,然后用螺母锁紧,参看图2。
振动给料机系列主要技术参数型号最大进料粒度(mm)处理能力(t/h)电动机功率(kw)安装倾角(度)总重量(kg)槽体尺寸(mm)外形尺寸(长×宽×高)(mm)GZD-850×3000 400 120 3.7×2 5 3607 850×3000 3110×1800×1600GZD-1000×3600 500 150 5.5×2 5 3895 1000×3600 3850×1950×1630GZD-1100×4200 580 240 5.5×2 5 4170 1100×4200 4400×2050×1660GZD-1100×4900 580 280 7.5×2 5 4520 4900×1100 5200×2050×1700GZD-1300×4900 650 450 11×2 5 5200 4900×1300 5200×2350×1750ZSW-380×95 500 96-160 11 0 4082 3800×960 3920×1640×1320ZSW-490×110 630 120-280 15 0 5352 4900×1100 4980×1830×1320ZSW-600×130 750 400-560 22 0 7800 6000×1300 6082×2580×2083注:产品性能在不断改进中,参数如有更改,恕不另行通知ZTGL型给料机我要订购本产品产品概述主要用途技术参数振动给料机主要技术参数(mm)料粒度(mm)(t/h)(kw)量(t)(mm)GZD-850×3000 850×3000 400 120 3.0×2 3.6 5o3110×1800×1600 GZD-1000×3600 1000×3600 500 150 3.7×2 3.9 5o3850×1850×1630 GZD-1100×4200 1100×4200 580 240 5.5×2 4.2 5o4400×2050×1660 GZD-1100×4900 1100×4900 580 280 7.5×2 4.5 5o5200×2050×1700 GZD-1300×4900 1300×4900 650 450 11×2 5.2 5o5200×2350×1750 注:远华机械保留更改产品设计与规格的权利,恕不另行通知。
GZG系列自同步惯性振动给料机<< 返回ZSW系列振动喂料机ZSW系列振动喂料机系直线式给料机,具有运转平稳、工作可靠、寿命长等特点,可为破碎机械连续、均匀喂料,并对物料进行粗筛分,广泛应用于选矿、建材、硅酸盐和化学工业中的碎石、筛分联合设备中。
外形尺寸及主要技术参考1、衬板2、主机板3、振动器4、电机、电机架5、减振弹簧型号料槽尺寸(mm)进料粒度(mm)给料能力(t/h)主轴转速(r/min)电机功率(kw)槽面倾角(°)主机重量(不包括外形尺寸mm电机)(kg)ZSW-300×70 3000×700 ≤500 60-120 350-800 7.5 0 3225 3075×1450×1250ZSW-380×96 3800×960 ≤500 100-160 350-800 11 0 4210 3882×1684×1340ZSW-490×96 4900×960 ≤500 120-200 350-800 15 0 5004 4957×1677×1365ZSW-360×110 3600×1100 ≤500 100-160 350-800 11 0 4321 3700×1805×1195ZSW-490×110 4900×1100 ≤580 200-300 350-800 15 0 6700 4957×1841×1365ZSW-590×130 5900×1300 ≤700 300-400 750 22 5 7900 4957×1841×1365ZSW-600×110 6000×1100 ≤600 400-500 350-800 22 0 8200 6000×1841×1365注:本表处理能力是依据松散密度1.6t/m3的碎石给定<< 返回GZD系列振动喂料机振动喂料机系直线振动式给料机,具有运转平稳、工作可靠、寿命长等特点,可为碎石机械连续、均匀喂料,并筛分。
广泛应用于选矿、建材、硅酸盐和化学工业中的碎石、筛分联合设备中。
及主要技术参数1、振动电机2、减振弹簧3、支架4、机体技术参数料槽尺寸(mm)进料粒度(mm)给料能力(t/h)主轴转速(r/min)电机功率(kw)槽面倾角(°)重量(不包括电外形尺寸(mm×mm×mm)机)(kg)×250 750×2500 ≤300 80 1000 1.5×2 0-10 1290 2580×1100×1400900×3000 ≤450 100 1000 3.7×2 0-10 1994 3200×1784×866×3001000×3600 ≤500 120 1000 5.5×2 0-10 2000 3900×1600×1500×3601200×4200 ≤600 200 1000 5.5×2 0-10 3100 4500×1800×1600×420列振动给料机列旋振筛超声波振动筛产品名称:GZG振动给料机列直排筛列直线筛产品介绍:列振动电机GZG系列振动给料机是一种新型给料设备,以电动激振器为激振源直接驱动,结构简单紧凑,体积小,重量轻,运行可靠。
在生产流水线中可把块状、颗粒状、粉状物料从贮料仓中均匀、定高效振动过滤机连续地给予到受料装置中,可以调整激振力的大小来改变输送量,流量稳定,噪声低、耗电小、无冲料现象,适用于自动配料,定量包装和自动控制。
列矿用筛使用范围:广泛用于冶金、煤炭、化工、建材、轻工、玻璃、食品、粮食、磨料、磨具等行业的生产线列高效重型振动筛上作定量给料、配料、包装。
采用封闭结构,可防止粉尘污染和溢散。
主要技术参数:ZSW系列振动喂料机ZSW系列振动喂料机系直线式给料机,具有运转平稳、工作可靠、寿命长等特点,可为破碎机械连续、均匀喂料,并对物料进行粗筛分,广泛应用于选矿、建材、硅酸盐和化学工业中的碎石、筛分联合设备中。
外形尺寸及主要技术参考1、衬板2、主机板3、振动器4、电机、电机架5、减振弹簧型号料槽尺寸(mm)进料粒度(mm)给料能力(t/h)主轴转速(r/min)电机功率(kw)槽面倾角(°)主机重量(不包括电机)(kg)外形尺寸mmZSW-300×70 3000×700 ≤500 60-120 350-800 7.5 0 3225 3075×1450×1250ZSW-380×96 3800×960 ≤500 100-160 350-800 11 0 4210 3882×1684×1340ZSW-490×96 4900×960 ≤500 120-200 350-800 15 0 5004 4957×1677×1365ZSW-360×110 3600×1100 ≤500 100-160 350-800 11 0 4321 3700×1805×1195ZSW-490×110 4900×1100 ≤580 200-300 350-800 15 0 6700 4957×1841×1365ZSW-590×130 5900×1300 ≤700 300-400 750 22 5 7900 4957×1841×1365ZSW-600×110 6000×1100 ≤600 400-500 350-800 22 0 8200 6000×1841×1365注:本表处理能力是依据松散密度1.6t/m3的碎石给定GZG系列自同步惯性振动给料机实用标准文案文档。