地衣芽孢杆菌变异株发酵工艺研究[设计+开题+综述]
- 格式:doc
- 大小:390.78 KB
- 文档页数:37
·研究报告·生物技术通报BIOTECHNOLOGY BULLETIN2014年第8期2,3-丁二醇是一 种重要的化工原料,广泛用于食品、化妆品、药物、塑料、卫生保健和能源等领域[1]。
2,3-丁二醇脱水形成的甲乙酮是有效的燃料添加剂,并且其自身具有极高的燃烧值(27 198 J/g),优于甲醇(22 081 J/g)和乙醇(29 005 J/g),因此有望成为新能源的替代品[2,3],但其化学合成工艺繁琐、污染严重,不符合绿色化工和低碳环保的要求。
微生物法生产2,3-丁二醇是一种新型工业发展模式,收稿日期:2014-01-23作者简介:郭文逸,女,硕士研究生,研究方向:工业微生物育种;E -mail: guowenyi000@ 通讯作者:杨洪江,男,博士,教授,研究方向:工业微生物育种;E -mail: hongjiangyang@地衣芽孢杆菌高产2,3-丁二醇菌株的选育和发酵研究郭文逸 孙庆惠 宋丽娜 高松松 杨洪江(天津科技大学生物工程学院 工业微生物教育部重点实验室 天津市工业微生物重点实验室,天津 300457)摘 要: 目前2,3-丁二醇生产菌株大部分为致病菌,对人类健康和环境具有一定威胁。
从牛奶样品中分离到1株产2,3-丁二醇的芽孢杆菌127-7,分析其16S rRNA 基因序列,确定该菌株为地衣芽孢杆菌(Bacillus licheniformis )。
进一步对菌株127-7进行紫外诱变,筛选耐受高浓度葡萄糖和高产乙偶姻的菌株。
摇瓶发酵结果显示,突变株BL41的2,3-丁二醇产量较出发菌株127-7提高了41.1%。
对发酵副产物分析发现,不控制发酵液pH 可以显著降低乳酸产量,2,3-丁二醇产量在72 h 达到81.4 g/L。
进一步调整补糖策略,维持最低残糖浓度为30 g/L,菌株BL41产2,3-丁二醇83.4 g/L,最高产率为1.9 g/L·h,发酵时间缩短至46 h。
地衣芽孢杆菌的研究进展应用生物科学一班,卜亚平,01142102摘要:地衣芽孢杆菌在作用机理,饲料中应用,医药研究,环境污染防治研究,病虫害防治研究方面做一综述。
关键词:地衣芽孢杆菌,作用机理,饲料,医药,环境污染,病虫害防治。
地衣芽孢杆菌为中生芽孢的革兰氏阳性需氧菌,是芽孢杆菌中目前较具有应用潜力的菌种之一,具有调节动物微生态平衡,促进肠道有益菌生长,降低病原菌的数量,增加动物机体的抗病力,提高机体的免疫功能。
在自然界分布非常广泛, 生理特性丰富多样 , 是土壤和植物微生态优势种群之一。
它可产生多种抗生素, 包括脂肽类、肽类、磷脂类、多烯类、氨基酸类、核酸类物质, 对多种动、植物及人类病原菌起到很好的抑制作用。
而且芽孢杆菌还具有很强的蛋白酶、脂肪酶、淀粉酶活性[ 1] 。
因此, 芽孢杆菌被广泛应用于医药、农药、食品、饲料加工、环境污染治理等各个行业。
本文就地衣芽孢杆菌在作用机理,饲料中应用,医药研究,环境污染防治研究,病虫害防治研究方面做一综述。
地衣芽孢杆菌( Bacillus licheniformis) 是芽孢杆菌中较具应用潜力的菌种之一。
近年来, 国内外对于地衣芽孢杆菌各方面应用的报道日益增多。
在医药、饲料加工、农药等行业 , 取得了较好的研究成果。
根据文献显示, 关于地衣芽孢杆菌的专利有: 用地衣芽孢杆菌生产生物农药的方法; 地衣芽孢杆菌新菌株及其微生态制剂; 地衣芽孢杆菌 T1 菌株的术, 改变地衣芽孢杆菌 NCIB8061 a- 淀粉酶的耐温性和耐酸性酶的性质等。
1地衣芽孢杆菌的生物学特性地衣芽孢杆菌是兼性厌氧菌,属于益生菌。
细胞形态排列呈杆状,单生,细胞内无聚PHB颗粒芽孢形态,产生近中生的椭圆形芽孢,孢囊稍膨大;在肉质培养基上菌落为扁平,边缘不整齐,白色,表面皱褶,24小时后菌落直径3mm,适生长温度大约为 50℃但也能在更高的温度下存活。
酶分泌的最适温度为37℃。
可能以孢子形式存在,从而抵抗恶劣的环境;在良好环境下,则可以生长态存在。
一株地衣芽孢杆菌的异养硝化-好氧反硝化特性研究开题报告研究背景:生物硝化-反硝化过程是地球上氮素循环的重要环节。
细菌在异养硝化过程中将氨或有机氮化合物氧化为亚硝酸盐,再将其硝化为硝酸盐,而在好氧条件下,反硝化菌将硝酸盐还原为亚硝酸盐和氮气。
硝化-反硝化过程对于维护水体、土壤等环境的氮素平衡起着至关重要的作用。
地衣芽孢杆菌是一种多功能细菌,可利用多种有机物和无机物作为氮源和碳源。
已有研究表明,地衣芽孢杆菌具有异养硝化和好氧反硝化的能力。
但是对于其异养硝化和好氧反硝化特性的研究仍不够深入。
研究目的:本研究旨在探究一株地衣芽孢杆菌的异养硝化和好氧反硝化特性,揭示其对氮素循环的贡献,为环境治理提供理论依据。
研究方法:1.分离出一株具有异养硝化和好氧反硝化能力的地衣芽孢杆菌,进行形态学、生理生化特性和分子生物学鉴定。
2.通过动态培养和化学分析法, 研究其异养硝化和好氧反硝化的特性,包括反应条件(温度、pH、营养物质含量等)对异养硝化和好氧反硝化的影响和产氮气的效率。
3.通过比较地衣芽孢杆菌和其他用于氮素循环的细菌的异养硝化和好氧反硝化特性,揭示其在氮素循环过程中的作用。
预期成果:1.明确一株具有异养硝化和好氧反硝化能力的地衣芽孢杆菌的形态学、生理生化特性及分子生物学鉴定结果。
2.揭示地衣芽孢杆菌的异养硝化和好氧反硝化特性,并分析其影响因素和产氮气效率,为环境治理提供理论依据。
3.比较地衣芽孢杆菌和其他用于氮素循环的细菌的异养硝化和好氧反硝化特性,探究其在氮素循环过程中的作用,为氮素循环的控制提供理论基础。
研究意义:本研究对于深入了解地衣芽孢杆菌的异养硝化和好氧反硝化特性,探究其在氮素循环过程中的作用,为氮素循环的控制提供理论基础,也为理解细菌在环境中的生态学过程提供了重要信息。
同时,本研究还为水体、土壤等环境的治理提供了理论基础。
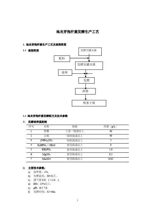
地衣芽孢杆菌发酵生产工艺1. 地衣芽孢杆菌生产工艺及流程简图 1.1 流程简图1.2 地衣芽孢杆菌发酵配方及技术参数 1) 发酵培养基配制序号 名称 规格 用量(g/L )1 蔗糖 工业一级或以上 402 豆粕 饲料级或以上 403 (NH4)2SO4 饲料级或以上5 4 K 2HPO 4·3H 2O食用级或以上 8 5 KH 2PO 4 食用级或以上 1.8 6 MgSO 4 食用级或以上 0.5 7 MnSO4食用级或以上0.052) 主要技术参数:a) 接种量:1%。
b) 发酵温度:30~31℃。
c) 通气量0.8:1 ~1.0:1。
d) DO :25%以上。
e) pH :6.5-7.0。
f) 发酵时间:32~48h 。
发酵空罐灭菌配料接种发酵浓缩喷雾干燥发酵实罐灭菌g)液体菌数≥2.0×109cfu/mL.h)芽孢形成率98%。
i)喷干:进风160~170℃,出风80~85℃。
j)菌粉(以活菌数计,cfu/g)≥100亿。
3)工艺操作步骤a)种子制备要求:菌种鉴定符合特性,无变异,无杂菌。
b)培养基配置:称量:按配方准确称量。
溶解:蔗糖加适量水充分溶解;(NH4)2SO4,K2HPO4·3H2O,KH2PO4,MnSO4,MgSO4·7H2O,加适量水充分溶解。
消泡剂适量。
c)发酵发酵空罐灭菌:温度121~130℃,保持流通蒸汽,罐压0.09~0.15 Mpa,维持时间20~40分钟。
进料,加水调整总体积。
发酵实罐灭菌:温度121℃,罐压0.08~0.15 Mpa,通气量0.8~1.0,维持时间30分钟,保持流通蒸汽;最后降温至30℃。
接种:温度30℃,接种量1%。
培养:温度30~31℃, 时间32~48小时, 罐压0.05~0.08Mpa, pH 6.5~7.0,DO:25%以上。
芽孢形成率98%,培养终止,液体菌数≥2.0×109cfu/mL。
地衣芽孢杆菌原生质体的制备、再生及转化研究的
开题报告
一、选题意义:
地衣芽孢杆菌是一种生长速度慢、基因组复杂、难于研究的细菌,但是它可以产生许多具有药用、抗生素和抗癌等特殊功效的化合物。
因此,研究地衣芽孢杆菌的基因、代谢和转化能力具有重要的科学意义和应用前景。
其中,原生质体的制备、再生及转化研究则是这方面的重要基础研究内容。
二、研究内容:
本研究将以地衣芽孢杆菌为研究对象,以分离、培养的地衣芽孢杆菌细胞为材料,通过玻璃珠研磨、亲和柱等方法制备得到高质量、纯度的地衣芽孢杆菌原生质体,然后通过优化培养基组分与培养条件等方式探究地衣芽孢杆菌原生质体的再生与生长规律,最后通过DNA转化技术实现外源DNA在地衣芽孢杆菌中的稳定转化,为进一步研究地衣芽孢杆菌的基因、代谢和转化能力奠定基础。
三、研究方法:
1、制备地衣芽孢杆菌原生质体:玻璃珠研磨、亲和柱纯化;
2、培养地衣芽孢杆菌原生质体:优化培养基组分与培养条件;
3、转化外源DNA:通过电穿孔、化学转化等方法实现外源DNA在地衣芽孢杆菌中的稳定转化。
四、预期结果:
1、成功制备得到高质量、纯度的地衣芽孢杆菌原生质体;
2、确定地衣芽孢杆菌原生质体的再生与生长规律;
3、实现外源DNA在地衣芽孢杆菌中的稳定转化。
五、研究意义和应用前景:
1、为研究地衣芽孢杆菌的基因、代谢和转化能力奠定基础;
2、拓宽地衣芽孢杆菌的应用领域,开发新型药物和化学品;
3、对于其他细菌原生质体制备及转化技术的改进和完善具有借鉴意义。
中国畜牧兽医 2022,49(7):2812-2819C h i n aA n i m a lH u s b a n d r y &V e t e r i n a r y Med i c i ne 地衣芽孢杆菌发酵条件优化和抑菌活性测定张 钰1,马 曦2,赵金标2,鲁 琳1(1.北京农学院动物科学技术学院,北京102206;2.中国农业大学动物科学技术学院,北京100193)摘 要:ʌ目的ɔ探究不同培养及发酵条件对地衣芽孢杆菌19148抑菌作用的影响及地衣芽孢杆菌19148的耐药性㊂ʌ方法ɔ设计单因素试验,分别在不同温度㊁酸碱度㊁金属离子㊁摇床转速㊁发酵时间和接种量的条件下培养地衣芽孢杆菌19148菌液,将培养后的菌液离心㊁过滤制成无菌滤液,并通过牛津杯抑菌试验探究无菌滤液对大肠杆菌K 88㊁鼠伤寒沙门氏菌和金黄色葡萄球菌1882的抑制能力㊂通过药敏纸片法探究地衣芽孢杆菌19148对27种抗菌药的耐药性㊂ʌ结果ɔ地衣芽孢杆菌19148在4和75ħ下生长受到抑制,25㊁37和45ħ能正常生长,其中在37ħ抑菌活性最好㊂在p H5.0~9.0的条件下能正常生长,在p H 为6.0条件下抑菌活性最好,对铜离子不耐受,但对镁离子表现出了良好的耐受性,且不同浓度镁离子处理组间抑菌活性无显著差异(P >0.05)㊂体外发酵试验中,地衣芽孢杆菌19148在3%种子液接种量㊁150r /m i n 发酵28h 时,体外发酵的抑菌活性最好㊂耐药性评价试验结果显示,地衣芽孢杆菌19148对青霉素㊁四环素㊁头孢他啶㊁呋喃唑酮和多黏菌素B5种抗菌药中介,对头孢哌酮和红霉素等其他22种抗菌药敏感㊂ʌ结论ɔ地衣芽孢杆菌19148具有较好的稳定性,能应用于工业发酵饲料生产,对抗菌药不具有耐药性㊂关键词:地衣芽孢杆菌;发酵条件;抑菌活性;耐药性;益生菌制剂中图分类号:S 852.61+5文献标识码:AD o i :10.16431/j.c n k i .1671-7236.2022.07.040 开放科学(资源服务)标识码(O S I D ):收稿日期:2022-01-17基金项目:博士后创新人才支持计划(B X 20200365);中国农业大学横向项目 高效I G F -1和生物酵母技术开发 (201905410411435)联系方式:张钰,E -m a i l :z y 155********@163.c o m ㊂通信作者赵金标,E -m a i l :ji n b i a o z h a o @c a u .e d u .c n ;鲁琳,E -m a i l :l u l i n @b u a .e d u .c n O pt i m i z a t i o no f F e r m e n t a t i o nC o n d i t i o n s a n dD e t e r m i n a t i o no f A n t i b a c t e r i a l A c t i v i t y of B a c i l l u s l i c h e n i f o r m i s Z H A NG Y u 1,MA X i2,Z H A OJ i n b i a o 2,L U L i n1(1.C o l l e g e o f A n i m a lS c i e n c e a n dT e c h n o l o g y ,B e i j i n g U n i v e r s i t y o f A gr i c u l t u r e ,B e i j i n g 102206,C h i n a ;2.C o l l e g e o f A n i m a lS c i e n c e a n dT e c h n o l o g y ,C h i n aA g r i c u l t u r a lU n i v e r s i t y ,B e i j i n g 100193,C h i n a )A b s t r a c t :ʌO b j e c t i v e ɔT h e o b j e c t i v e o f t h i s s t u d y w a s t o i n v e s t i ga t e t h e e f f e c t s o f d i f f e r e n t c u l t u r e a n d f e r m e n t a t i o nc o n d i t i o n so nt h ea n t ib ac t e r i a l a b i l i t y o f B a c i l l u s l i c h e n i fo r m i s 19148a n dt h e r e s i s t a n c e o f B a c i l l u s l i c h e n i f o r m i s 19148.ʌM e t h o d ɔB a c i l l u s l i c h e n i fo r m i s 19148w a s c u l t u r e d u n d e r d i f f e r e n t c o n d i t i o n so f t e m p e r a t u r e ,p H ,m e t a l i o n s ,s h a k i n g s pe e d ,f e r m e n t a t i o nt i m ea n d i n o c u l a t i o na m o u n t i nas i ng l e f a c t o r e x p e r i m e n t a l d e s i g n ,r e s p e c t i v e l y ,th e nc e n t ri f u g ea n df i l t e r t h e c u l t u r e dl i q u i di n t os t e r i l ef i l t r a t et os t u d y i n h i b i t i o na b i l i t y a ga i n s t E s c h e r i c h i ac o l i K 88,S a l m o n e l l a T y p h i m u r i u ma n d S t a p h yl o c o c c u s a u r e u s 1882u s i n g o x f o r dc u p b a c t e r i o s t a t i c t e s t .T h e d r u g r e s i s t a n c eo f B a c i l l u sl i c h e n i fo r m i s 19148t o27a n t i b i o t i c s w a ss t u d i e d b y d r u g s e n s i t i v e p a p e rm e t h o d .ʌR e s u l t ɔB a c i l l u s l i c h e n i f o r m i s 19148c o u l d g r o wn o r m a l l y a t 25,37a n d 45ħ,a n dw a s i n h i b i t e da t 4a n d75ħ,a n dh a d t h eb e s t a n t i b a c t e r i a l a c t i v i t y at 37ħ.B a c i l l u s l i c h e n i fo r m i s 19148c o u l d g r o w n o r m a l l y i nt h e p H r a n g e df r o m 5.0t o9.0a n dh a dt h eb e s t a n t i b a c t e r i a l a c t i v i t y a t p H 6.0.B a c i l l u s l i c h e n i fo r m i s 19148w a s i n t o l e r a n t t oc o p p e r i o n s ,b u t7期张钰等:地衣芽孢杆菌发酵条件优化和抑菌活性测定c o u ld t o le r a t em a g n e s i u mi o n s,a n dt h e r ew a sn os i g n if i c a n td i f f e r e n c ea m o ng t r e a t m e n t g r o u p s w i t hd i f f e r e n t m a g n e s i u mi o nc o n c e n t r a t i o n s.I n i nv i t r o f e r m e n t a t i o n,B a c i l l u s l i ch e ni f o r m i s 19148s h o w e d t h eb e s t a n t i b a c t e r i a l a c t i v i t y u n d e r t h ec o n d i t i o n so f3%s e e d l i q u i d i n o c u l a t i o n, a n d150r/m i n f e r m e t a t i o n f o r28h.I n t h e d r u g r e s i s t a n c e e v a l u a t i o n t e s t,B a c i l l u s l i c h e n i f o r m i s 19148s h o w e d m o d e r a t e s e n s i t i v i t y t o p e n i c i l l i n,t e t r a c y c l i n e s,c e f t a z i d i n e,f u r a z o l i d o n e a n d p o l y m y x i nB,a n ds h o w e dh i g hs e n s i t i v i t y t ot h eo t h e r22a n t i b i o t i c ss u c ha sc e f o p e r a z o n ea n d e r y t h r o m y c i n.ʌC o n c l u s i o nɔB a c i l l u s l i c h e n i f o r m i s19148h a d g r e a t s t a b i l i t y a n d c o u l db e u s e d i n t h e p r o d u c t i o no f i n d u s t r i a l f e r m e n t e d f e e dw i t h o u t a n t i b i o t i c r e s i s t a n c e.K e y w o r d s:B a c i l l u s l i c h e n i f o r m i s;f e r m e n t a t i o n c o n d i t i o n s;a n t i b a c t e r i a l a c t i v i t y;d r u g r e s i s t a n c e; p r o b i o t i c s抗生素能通过其分子结构识别靶细菌膜表面的结合位点[1],抑制细菌生长甚至灭杀细菌㊂畜牧业中使用抗生素虽能提高畜禽的生长性能,但同时也带来许多危害[2-3]㊂目前,全球畜牧业禁抗已成为趋势,欧盟畜牧业在20世纪末陆续禁用维吉尼亚霉素㊁螺旋霉素等多种抗生素[4]㊂但各国畜牧业禁抗后陆续出现畜禽生产性能下降,疾病发生率上升等问题[5-6]㊂中国农业农村部第194号公告规定自2020年1月1日起,退出除中药外的所有促生长类药物饲料添加剂品种,自2020年7月1日起,饲料生产企业停止生产含有促生长类药物饲料添加剂(中药类除外)的商品饲料㊂寻找合适的替抗产品对中国畜牧业今后的发展极为重要㊂地衣芽孢杆菌作为替代抗生素的饲用益生菌,能分泌纤维素酶㊁几丁质酶等多种外源酶[7],可帮助畜禽消化饲料[8],改善肠道组织结构[9-10]㊂地衣芽孢杆菌具有广泛的抑菌谱,能抑制致病菌黏附在肠黏膜表面,并通过分泌多种脂肽类抑菌物质来抑制致病菌的生长[11-13],且对部分真菌及霉菌具有良好的抑制作用[14]㊂此外,有研究显示,亲缘个体间的肠道菌群存在相似性[15],地衣芽孢杆菌改变畜禽亲代肠道菌群可能对子代肠道微生物区系造成影响㊂目前,地衣芽孢杆菌已被欧美多国批准用于畜牧业生产[16-17]㊂地衣芽孢杆菌在畜牧业中应用还需探究发酵过程中的各项参数,且不同地衣芽孢杆菌菌株可能携带有不同抗生素抗性基因[18],需探究其生物安全问题㊂本研究基于前期筛选得到的1株地衣芽孢杆菌19148,测定其在体外发酵的抑菌活性及适宜的发酵条件,分析其对多种抗菌药的耐药性,以期为下一步利用地衣芽孢杆菌生产畜禽发酵饲料,探究其发挥益生功能的机理机制提供研究依据㊂1材料与方法1.1供试菌株地衣芽孢杆菌19148(B a c i l l u s l i c h e n i f o r m i s 19148)由中国农业大学农业农村部饲料工业中心分离和保存[19];供试致病菌大肠杆菌(E s c h e r i c h i a c o l i K88)㊁鼠伤寒沙门氏菌(S a l m o n e l l a T y p h i m u r i u m)和金黄色葡萄球菌(S t a p h y l o c o c c u s a u r e u s1882)均由中国农业大学农业农村部饲料工业中心动物营养国家重点实验室保存㊂1.2培养基L B培养基㊁MH A培养基(北京奥博星生物技术有限公司);药敏纸片(杭州微生物试剂有限公司)㊂1.3地衣芽孢杆菌19148抑菌条件分析1.3.1 不同p H对地衣芽孢杆菌19148抑菌效果的影响设置p H2.0~12.0共11个处理,每个处理3个重复㊂用1m m o l/L的N a O H和0.5m m o l/L的H C l调整L B液体培养基p H㊂制备好的培养基用高压灭菌锅灭菌,冷却后用无菌接种环挑取地衣芽孢杆菌19148单菌落接种到100m L液体培养基中,37ħ㊁200r/m i n培养24h㊂将培养得到的菌液7500r/m i n离心15m i n,取上清液,用0.2μm滤膜过滤制成无菌滤液㊂另用无菌生理盐水分别将大肠杆菌K88㊁鼠伤寒沙门氏菌㊁金黄色葡萄球菌1882菌液稀释至D600n m值为0.05,按照1ʒ50的比例与L B固体培养基混合后,取20m L倒入培养皿,牛津杯打孔后向孔中加入200μL无菌滤液,37ħ恒温培养箱中培养24h,观察并记录抑菌圈直径㊂1.3.2不同温度对地衣芽孢杆菌19148抑菌效果的影响设置4㊁25㊁37㊁45和75ħ共5个处理,每个处理3个重复㊂将接种后的培养基置于相对应的温度条件下,200r/m i n培养24h㊂取菌液制3182中国畜牧兽医49卷备成无菌滤液,以牛津杯抑菌试验检测其抑菌活性㊂1.3.3不同浓度金属离子对地衣芽孢杆菌19148抑菌效果的影响设置0㊁1㊁2㊁4m m o l/L的铜离子组和镁离子组共8个处理,每个处理3个重复㊂用硫酸铜和硫酸镁调整L B液体培养基中铜离子和镁离子的浓度,无菌接种环挑取单菌落进行接种, 37ħ㊁200r/m i n培养24h㊂取菌液制备成无菌滤液,以牛津杯抑菌试验检测其抑菌活性㊂1.4地衣芽孢杆菌19148体外发酵最适条件探究用接种环挑取L B固体培养基表面的地衣芽孢杆菌19148单菌落,接种到盛有50m LL B液体培养基的三角瓶中(100m L规格),放入摇床37ħ㊁200r/m i n培养24h后作为种子液,后续试验用种子液进行液体接种,并以无菌发酵液的抑菌圈直径为指标,探究地衣芽孢杆菌19148的最适发酵条件㊂1.4.1不同种子液接种量对地衣芽孢杆菌19148体外发酵的影响设置1%㊁3%㊁5%和7%接种量共4个处理,每个处理3个重复㊂向灭菌后的L B 液体培养基中按照种子液体积百分比进行接种, 37ħ㊁200r/m i n发酵24h,发酵液经离心过滤后制成无菌发酵滤液,以牛津杯抑菌试验检测其抑菌活性㊂1.4.2不同发酵时间对地衣芽孢杆菌19148体外发酵的影响设置16㊁20㊁24㊁28和32h共5个处理,每个处理3个重复㊂将种子液按照1%体积百分比接至L B液体培养基,37ħ㊁200r/m i n发酵,并在相应的时间点取样,制备成无菌发酵滤液,以牛津杯试验检测其抑菌活性㊂1.4.3不同摇床转速对地衣芽孢杆菌19148体外发酵的影响设置100㊁150㊁200㊁250和300r/m i n共5个处理,每个处理3个重复㊂L B液体培养基中接种1%种子液,37ħ发酵24h后以牛津杯试验检测无菌发酵滤液的抑菌活性㊂1.5地衣芽孢杆菌19148耐药性评价以麦氏比浊管作为参考标准,用无菌生理盐水将地衣芽孢杆菌19148菌液稀释至0.5麦氏浊度单位(M C F),菌液浓度约为1.5ˑ108C F U/m L,并用L B培养基作为比对,排除培养基本身颜色对的菌液浊度的干扰㊂用无菌棉拭子蘸取少量稀释后的菌液涂布于MH A培养基表面,待干燥后将含有不同抗菌药的滤纸片贴附在MH A培养基表面,37ħ培养24h,测量并记录抑菌圈直径㊂无抑菌圈或抑菌圈直径<10m m为耐药,抑菌圈直径在10~15m m之间为中介,抑菌圈直径>15m m为敏感㊂1.6数据统计分析采用E x c e l2010和S P S S23.0软件对试验数据进行统计分析,对不同处理组间的差异进行单因素方差分析,应用D u n c a n s法进行差异显著性检验㊂P<0.05表示差异显著,0.05<P<0.10表示具有差异趋势㊂2结果2.1地衣芽孢杆菌19148抑菌条件分析2.1.1不同p H对地衣芽孢杆菌19148抑菌作用的影响p H为2.0㊁3.0㊁4.0㊁10.0㊁11.0㊁12.0处理组地衣芽孢杆菌19148生长受到抑制,菌液较为澄清㊂p H为5.0㊁6.0㊁7.0㊁8.0㊁9.0处理组地衣芽孢杆菌19148有明显的生长迹象,其无菌滤液对金黄色葡萄球菌1882没有抑制效果,对大肠杆菌K88和鼠伤寒沙门氏菌有明显的抑制作用,其中p H5.0㊁6.0和7.0处理组的抑菌效果显著高于p H 8.0和9.0处理组(P<0.05),且3组间无显著差异(P>0.05)(图1)㊂大肠杆菌K88组间,不同大写字母表示差异显著(P< 0.05),相同大写字母表示差异不显著(P>0.05);鼠伤寒沙门氏菌组间,不同小写字母表示差异显著(P<0.05),相同小写字母表示差异不显著(P>0.05)㊂下同A m o n g E s c h e r i c h i a c o l i K88g r o u p s,d i f f e r e n t c a p i t a l l e t t e r s i n d i c a t e d s i g n i f i c a n t d i f f e r e n c e(P<0.05),w h i l et h es a m e c a p i t a l l e t t e r s i n d i c a t e d n o s i g n i f i c a n t d i f f e r e n c e(P>0.05);A m o n g S a l m o n e l l a T y p h i m u r i u m g r o u p s,d i f f e r e n t l o w e r c a s e l e t t e r s i n d i c a t e d s i g n i f i c a n t d i f f e r e n c e(P<0.05), w h i l et h es a m el o w e r c a s el e t t e r si n d i c a t e d n o s i g n i f i c a n t d i f f e r e n c e(P>0.05).T h e s a m e a sb e l o w图1不同p H对地衣芽孢杆菌19148抑菌作用的影响F i g.1E f f e c t o f d i f f e r e n t p Ho n t h e b a c t e r i o s t a s i s o f B a c i l l u s l i c h e n i f o r m i s1914841827期张 钰等:地衣芽孢杆菌发酵条件优化和抑菌活性测定2.1.2 不同温度对地衣芽孢杆菌19148抑菌作用的影响 4和75ħ处理组地衣芽孢杆菌19148生长明显受到抑制,菌液较为澄清;25㊁37和45ħ处理组正常生长㊂37ħ处理组无菌滤液对沙门氏菌和大肠杆菌K 88有抑菌活性(P <0.05),不抑制金黄色葡萄球菌1882;4㊁25㊁45和75ħ处理组无菌滤液对3种致病菌均无抑菌活性(图2)㊂图2 不同温度对地衣芽孢杆菌19148抑菌作用的影响F i g .2 E f f e c t o fd i f f e r e n t t e m p e r a t u r e so nt h eb a c t e r i o s t a s i s o f B a c i l l u s l i c h e n i fo r m i s 191482.1.3 不同浓度金属离子对地衣芽孢杆菌19148抑菌作用的影响 不同浓度硫酸铜处理组无菌滤液对大肠杆菌K 88㊁沙门氏菌和金黄葡萄球菌1882均没有抑制作用㊂1㊁2和4m m o l /L 镁离子处理组无菌滤液对大肠杆菌K 88的抑菌活性没有显著性差异(P >0.05),且3组均显著高于0m m o l /L 镁离子处理组(P <0.05)㊂0㊁1和2m m o l /L 镁离子处理组对鼠伤寒沙门氏菌的抑菌活性没有显著性差异(P >0.05),且3组均显著高于4m m o l /L 镁离子处理组(P <0.05)(图3)㊂图3 不同浓度镁离子对地衣芽孢杆菌19148抑菌作用的影响F i g .3 E f f e c t o fd i f f e r e n t c o n c e n t r a t i o n so fm a g n e s i u mi o n s o n t h e b a c t e r i o s t a s i s o f B a c i l l u s l i c h e n i fo r m i s 191482.2 地衣芽孢杆菌19148体外发酵最适条件探究2.2.1 不同种子液接种量对地衣芽孢杆菌19148体外发酵的影响 3%和5%接种量处理组无菌滤液对大肠杆菌K 88的抑菌活性显著高于1%组和7%组(P <0.05),且3%和5%组之间无显著差异(P >0.05),1%㊁3%和5%接种量处理组无菌滤液对鼠伤寒沙门氏菌的抑菌活性显著性高于7%组(P <0.05),且3组间没有显著性差异(图4)㊂图4 不同种子液接种量对发酵液抑菌作用的影响F i g .4 E f f e c t o f d i f f e r e n t i n o c u l u ma m o u n t o f s e e d l i q u i do n t h e b a c t e r i o s t a s i s o f f e r m e n t a t i o n l i qu i d 2.2.2 不同发酵时间对地衣芽孢杆菌19148体外发酵的影响 28h 处理组无菌滤液对大肠杆菌K 88和鼠伤寒沙门氏菌的抑菌效果显著高于20㊁24和32h 处理组(P >0.05)(图5)㊂图5 不同发酵时间对发酵液抑菌作用的影响F i g.5 I n f l u e n c e o f d i f f e r e n tf e r m e n t a t i o n t i m e o n t h e b a c t e r i o s t a s i s o f f e r m e n t a t i o nb r o t h2.2.3 不同摇床转速对地衣芽孢杆菌19148体外发酵的影响 150和200r /m i n 处理组无菌滤液的抑菌效果显著高于100㊁250和300r /m i n 处理组(P <0.05),且两组之间无显著性差异(P >0.05)(图6)㊂5182中 国 畜 牧 兽 医49卷图6 不同摇床转速对发酵液抑菌作用的影响F i g .6 E f f e c t o f d i f f e r e n t r o t a t i n g s pe e dof s h a k e r o n t h e b a c t e r i o s t a s i s o f f e r m e n t a t i o nb r o t h 2.3 耐药性评价地衣芽孢杆菌19148对27种抗菌药耐药性检测结果显示,地衣芽孢杆菌19148对青霉素㊁四环素㊁头孢他啶㊁呋喃唑酮和多黏菌素B5种抗菌药表现出中介,对诺氟沙星㊁氨苄西林㊁氯霉素等其他22种抗菌药表现出敏感(表1)㊂表1 地衣芽孢杆菌19148对27种抗菌药的耐药性T a b l e 1 D r u g r e s i s t a n c e o f B a c i l l u s l i c h e n i f o r m i s 19148t o 27k i n d s o f a n t i b i o t i c s m m抗菌药A n t i b i o t i c s抑菌圈直径I n h i b i t i o n z o n e d i a m e t e r /m m耐药性R e s i s t a n c e 喹诺酮类Q u i n o l o n e s诺氟沙星N o r f l o x a c i n 22.11敏感环丙沙星C i pr o f l o x a c i n 25.03敏感氧氟沙星O f l o x a c i n 23.74敏感青霉素类P e n i c i l l i n s青霉素P e n i c i l l i n15.56中介氨苄西林A m p i c i l l i n 16.38敏感苯唑西林O x a c i l l i n 15.72敏感酰胺醇类A m ph e n i c o l s 氯霉素C h l o r o a m p h e n i c o l 25.52敏感四环素类T e t r a c yc l i n e s 多西环素D o x y c y c l i n e 20.76敏感米诺环素M i n o c y c l i n e 20.34敏感四环素T e t r a c y c l i n e s 12.65中介大环内酯类M a c r o l ide s新霉素N e o m y c i n 25.52敏感麦迪霉素A b o r e n23.61敏感红霉素E r y t h r o m y c i n 27.71敏感氨基糖苷A m i n o g l yc o s ide s 丁胺卡那A m i k a c i n 22.43敏感庆大霉素G e n t a m i c i n 22.31敏感卡那霉素K a n a m y c i n 21.64敏感头孢菌素类C e p h a l o s po r i n s 头孢他啶C e f t a z i d i m e 11.83中介头孢曲松C e f t r i a x o n e26.65敏感头孢哌酮C e f o p e r a z o n e 18.52敏感头孢唑林C e f a z o l i n 35.53敏感头孢呋辛C e f u r o x i m e21.36敏感头孢拉定C e f r a d i n e43.41敏感糖肽类G l y c o p e pt i d e s 万古霉素V a n c o m yc i n 18.52敏感林可霉素类L i n c o m yc i n 克林霉素C l i nd a m yc i n 22.14敏感61827期张钰等:地衣芽孢杆菌发酵条件优化和抑菌活性测定续表抗菌药A n t i b i o t i c s抑菌圈直径I n h i b i t i o n z o n e d i a m e t e r/m m耐药性R e s i s t a n c e硝基呋喃类N i t r o f u r a n s呋喃唑酮F u r a z o l i d o n e13.81中介磺胺类S u l f o n a m i d e s复方新诺明C o m p o u n d s u l f a m e t h o x a z o l e29.05敏感多肽类P o l y p e p t i d e s多黏菌素BP o l y m y x i nB12.31中介3讨论3.1地衣芽孢杆菌19148抑菌条件分析饲用益生菌应用于发酵饲料的生产,首先要具备较强的抗逆性㊂饲用益生菌需要在高温加工㊁低温冷藏等饲料加工工艺过程中保持益生功能㊂王芬等[20]利用枯草芽孢杆菌发酵花生粕,发现在36ħ枯草芽孢杆菌的生物活性最高,且随温度升高或降低,其活性逐渐下降㊂苗永美等[21]通过单因素试验探究p H对枯草芽孢杆菌抑菌活性的影响,结果显示,当初始p H为5.0时,菌株发酵物的抑菌率最高㊂王晓洁等[22]探究镁离子浓度对侧孢短芽孢杆菌分泌抗菌脂肽的影响发现,在13.01g/L镁离子发酵液中抗菌脂肽含量最多㊂本试验中,地衣芽孢杆菌19148表现出了对外界培养条件良好的耐受性,且菌株抑菌活性的最适培养条件与前人研究一致㊂3.2地衣芽孢杆菌19148体外发酵最适条件探究饲用益生菌在不同的发酵条件下会产生不同的发酵产物,为降低益生菌发酵饲料的生产成本,需对其发酵培养条件进行优化,从而提高发酵效果和益生能力㊂李光月等[23]利用响应面试验对枯草芽孢杆菌的发酵工艺进行优化,结果显示,枯草芽孢杆菌在200r/m i n的转速下,表面活性素的产量最大㊂秦楠等[24]探究了1株解淀粉枯草芽孢杆菌的发酵特性,结果表明在接种量3%㊁发酵13h时,其无菌发酵滤液的抑菌活性最好㊂但也有研究指出,枯草芽孢杆菌的最适接种量为1.46%[25]㊂导致这种差异的主要原因可能是发酵液营养水平及不同芽孢杆菌菌株生长速率的不同㊂本试验结果显示,在3%接种量㊁150r/m i n发酵28h时,地衣芽孢杆菌19148抑菌活性最好㊂3.3地衣芽孢杆菌19148耐药性评价长久以来,细菌间获取和发展一系列抗生素耐药机制一直是益生菌应用于畜禽饲料生产的重要阻碍㊂益生菌产品想要真正替代畜牧业中促生长类抗生素的使用,不仅自身不能对抗生素表现出耐药性,且不能使肠道病原菌对益生菌发挥抑菌活性的途径产生新的耐药机制㊂由于地衣芽孢杆菌属细菌的遗传相似度很高,很难用遗传标记物进行鉴定和分类,而这就需要在菌株水平对地衣芽孢杆菌的耐药性进行检测㊂本研究采用27种不同种类的抗菌药对地衣芽孢杆菌19148的耐药性进行检测,结果显示除了对多黏菌素B㊁呋喃唑酮㊁头孢他啶㊁四环素和青霉素表现为中介外,其余22种抗菌药均为敏感,因此地衣芽孢杆菌19148不具有抗菌药耐药性问题㊂4结论地衣芽孢杆菌191418对外界环境具有良好的稳定性,在p H6.0㊁温度37ħ㊁镁离子浓度为1m m o l/L的培养条件下,其抑菌活性最强㊂体外发酵过程中,3%种子液接种量㊁150r/m i n发酵28h是其抑菌活性最适发酵条件㊂药敏试验结果显示地衣芽孢杆菌对27种不同类型的抗菌药表现为中介或敏感性,不具有耐药性㊂参考文献(R e f e r e n c e s):[1] B A Q U E R O F,L E V I N B R.P r o x i m a t ea n du l t i m a t ec a u s e s o ft h e b a c t e r i c id a la c t i o n o fa n t i b i o t i c s[J].N a t u r e R e v i e w sM i c r o b i o l o g y,2020,19(2):123-132.[2] H O E L Z E R K,WO N G N,T H OMA S J,e t a l.A n t i m i c r o b i a l d r u g u s e i n f o o d-p r o d u c i n g a n i m a l s a n da s s o c i a t e dh u m a nh e a l t h r i s k s:W h a t,a n dh o ws t r o n g,i s t h e e v i d e n c e[J].B M C V e t e r i n a r y R e s e a r c h,2017,13(1):211.[3] T A N G K L,C A F F R E Y N P,N B R E G A D,e ta l.R e s t r i c t i n g t h eu s eo fa n t i b i o t i c si nf o o d-p r o d u c i n ga n i m a l s a n d i t sa s s o c i a t i o n sw i t ha n t ib i o t i cr e s i s t a nc ei n f o o d-p r o d u c i n g a n i m a l s a n d h u m a n b e i n g s:As y s t e m a t i c r e v i e w a n d m e t a-a n a l y s i s[J].L a n c e tP l a n e t a r y H e a l t h,2017,1(8):e316-e327.[4] C A S E W E L L M,F R I I S C,MA R C O E,e ta l.T h eE u r o p e a n b a n o n g r o w t h-p r o m o t i n g a n t i b i o t i c sa n de m e r g i n g c o n s e q u e n c e sf o r h u m a n a n d a n i m a lh e a l t h[J].J o u r n a l o f A n t i m i c r o b i a lC h e m o t h e r a p y,2003,52(2):159-161.[5] W I E R U P M.T h e S w e d i s h e x p e r i e n c e o ft h e19867182中国畜牧兽医49卷y e a r b a n o f a n t i m i c r o b i a l g r o w t h p r o m o t e r s,w i t hs p e c i a l r e f e r e n c e t o a n i m a l h e a l t h,d i s e a s e p r e v e n t i o n,p r o d u c t i v i t y,a n d u s a g e o f a n t i m i c r o b i a l s[J].M i c r o b i a l D r u g R e s i s t a n c e,2001,7(2):183-190.[6] K J E L D S E N N.T e r m i n a t e d u s e o f a n t i m i c r o b i a lg r o w t h p r o m o t e r si n p i g p r o d u c t i o n i n D e n m a r k-e f f e c t so n p i g w e l f a r e a n d p r o d u c t i v i t y[J].S U I S,2005,22:18-25.[7] MU R A S A,R OM E R O M,MA Y E R C,e t a l.B i o t e c h n o l o g i c a l a p p l i c a t i o n s o f B a c i l l u sl i c h e n i f o r m i s[J].C r i t i c a l R e v i e w s i nB i o t e c h n o l o g y,2021,41(4):609-627.[8]徐小明,白建勇,宦海琳,等.地衣芽孢杆菌对发酵床饲养仔猪生长性能㊁消化酶活性及肠道主要菌群数量的影响[J].中国畜牧兽医,2015,42(4):923-928.X U X M,B A IJ Y,HU A N H L,e ta l.E f f e c to fB a c i l l u s l i c h e n i f o r m i s o n g r o w t h p e r f o r m a n c e,d i ge s t i v e e n z y m e sa n dt h en u m b e rof i n t e s t i n a lm a i nm i c r o b i a l f l o r a o f p i g l e t s r a i s e d i n f e r m e n t a t i o nb e d[J].C h i n a A n i m a l H u s b a n d r y&V e t e r i n a r yM e d i c i n e,2015,42(4):923-928.(i nC h i n e s e)[9] L E IK,L IY L,Y U D Y,e ta l.I n f l u e n c eo fd i e t a r yi n c l u s i o n o f B a c i l l u s l i c h e n i f o r m i s o n l a y i n gp e r f o r m a n c e,e g g q u a l i t y,a n t i o x i d a n t e n z y m ea c t i v i t i e s,a n d i n t e s t i n a lb a r r i e r f u nc t i o n o fl a y i n gh e n s[J].P o u l t r y S c i e n c e,2013,92(9):2389-2395.[10] D E N G W,D O N G X F,T O N G J M,e t a l.T h ep r o b i o t i c B a c i l l u s l i c h e n i f o r m i s a m e l i o r a t e s h e a ts t r e s s-i n d u c e d i m p a i r m e n t o f e g g p r o d u c t i o n,g u tm o r p h o l o g y,a n d i n t e s t i n a l m u c o s a l i m m u n i t y i nl a y i n g h e n s[J].P o u l t r y S c i e n c e,2012,91(3):575-582.[11] M A R T I R A N IL,V A R C A M O N T I M,N A C L E R I O G,e t a l.P u r if i c a t i o n a n d p a r t i a l c h a r a c t e r i z a t i o n o fb ac i l l o c i n490,a n o v e l b a c t e r i o c i n p r od u ce d b y at h e r m o p h i l i cs t r a i n o f B a c i l l u sl i c h e n i f o r m i s[J].M i c r o b i a l C e l lF a c t o r i e s,2002,1(1):1.[12] H ELL,C H E N W L,L I U Y.P r o d u c t i o na n d p a r t i a lc h a r a c t e r i z a t i o n o f b a c t e r i o c i n-l i k e p e p i tde s b yB a c i l l u s l i c h e n i f o r m i s Z J U12[J].M i c r o b i o l o g i c a lR e s e a r c h,2006,161(4):321-326.[13] P A T T N A I K P,K A U S H I K JK,G R O V E R S,e ta l.P u r i f i c a t i o na n dc h a r a c t e r i z a t i o no fab a c t e r i o c i n-l i k ec o m p o u n d(L i c h e n i n)p r od u ce d a n a e r o b i c a l l y b yB a c i l l u s l i c h e n i f o r m i s i s o l a t e d f r o m w a t e rb u f f a l o[J].J o u r n a l o f A p p l i e d M ic r o b i o l o g y,2001,91(4):636-645.[14]J I ZL,P E N GS,C H E N LL,e t a l.I d e n t i f i c a t i o na n dc h a r a c t e r i z a t i o no fas e r i n e p r o t e a s ef r o m B a c i l l u sl i c h e n i f o r m i s W10:A p o t e n t i a l a n t i f u n g a l a g e n t[J].I n t e r n a t i o n a l J o u r n a l o f B i o l o g i c a lM a c r o m o l e c u l e s,2020,145:594-603.[15] G O O D R I C HJK,D A V E N P O R T E R,W A T E R S JL,e t a l.C r o s s-s p e c i e s c o m p a r i s o n s of h o s tg e n e t i ca s s o c i a t i o n s w i t ht h e m i c r ob i o m e[J].Sc i e n c e,2016,352(6285):532-535.[16] E F S A P A N E L O N B I O L O G I C A L HA Z A R D S.S c i e n t i f i co p i n i o no nt h e m a i n t e n a n c eo ft h el i s to fQ P Sb i o l o g i c a l a g e n t s i n t e n t i o n a l l y a d d e d t o f o o da n df e e d(2010u p d a t e)[J].E F S A J o u r n a l,2010,8(12):1944.[17] D E B O E R AS,P R I E S TF,D I D E R I C H S E N B.O n t h ei n d u s t r i a l u s e o f B a c i l l u s l i c h e n i f o r m i s Ar e v i e w[J].A p p l i e d M i c r o b i o l o g y a n d B i o t e c h n o l o g y,1994,40(5):595-598.[18] A D I M P O N G D B,S O R E N S E N KI,T H O R S E N L,e t a l.A n t i m i c r o b i a ls u s c e p t i b i l i t y of B a c i l l u s s t r a i n si s o l a t e d f r o m p r i m a r y s t a r t e r s f o rA f r i c a nt r a d i t i o n a lb r e a d p r o d uc t i o n a nd c h a r a c te r i z a t i o n of t h e b a c i t r a c i no p e r o n a n d b a c i t r a c i n b i o s y n t h e s i s[J].A p p l i e d a n dE n v i r o n m e n t a lM i c r o b i o l o g y,2012,78(22):7903-7914.[19]何恒迅.地衣芽孢杆菌19148对断奶仔猪生长性能的影响及其机制研究[D].北京:中国农业大学,2021.H E H X.S t u d y o n t h e e f f e c ta n d m e c h a n i s m o fB a c i l l u s l i c h e n i f o r m i s19148o n t h e g r o w t hp e r f o r m a n c e o f w e a n e d p i g l e t s[D].B e i j i n g:C h i n aA g r i c u l t u r a lU n i v e r s i t y,2021.(i nC h i n e s e)[20]王芬,赵腊梅.枯草芽孢杆菌固态发酵花生粕的条件优化[J].饲料研究,2022,45(2):75-78.WA N G F,Z HA O L M.O p t i m i z a t i o no fs o l i ds t a t ef e r m e n t a t i o nc o n d i t i o n so f p e a n u t m e a lb y B a c i l l u ss u b t i l i s[J].F e e d R e s e a r c h,2022,45(2):75-78.(i nC h i n e s e)[21]苗永美,韩朔,苗翠萍,等.石豆兰内生细菌分离鉴定㊁发酵条件优化及对棉花枯萎病菌的抑制[J].天然产物研究与开发,2020,16(3):1-14.M I A O Y M,HA N S,M I A O C P,e ta l.I s o l a t i o n,i d e n t i f i c a t i o n a n d f e r m e n t a t i o n c o n d i t i o n s o p t i m i z a t i o no f e n d o p h y t e s f r o m B u l b o p h y l l u m s p.a n d i t si n h i b i t o r y e f f e c t o n F u s a r i u m o x y s p o r u m f.s p.v a s i n f e c t u m[J].N a t u r a l P r o d u c t R e s e a r c h a n dD e v e l o p m e n t,2020,16(3):1-14.(i nC h i n e s e)[22]王晓洁,孟凡强,周立邦,等.响应面优化侧孢短芽孢杆菌产短杆菌素发酵培养基[J].食品工业科技,2022,43(4):153-160.WA N G X J,M E N G F Q,Z H O U L B,e t a l.81827期张钰等:地衣芽孢杆菌发酵条件优化和抑菌活性测定O p t i m i z a t i o n o f b r e v i b a c i l l i n f e r m e n t a t i o n m e d i u mw i t h B r e v i b a c i l l u s l a t e r o s p o r u s b y r e s p o n s es u r f a c em e t h o d o l o g y[J].S c i e n c ea n d T e c h n o l o g y o f F o o dI n d u s t r y,2022,43(4):153-160.(i nC h i n e s e)[23]李光月,李雪玲,祁姣姣,等.响应面法优化枯草芽孢杆菌表面活性素的发酵工艺[J].食品工业科技,2022,3(18):1-13.L I G Y,L I X L,Q IJ J,e t a l.O p t i m i z a t i o n o ff e r m e n t a t i o n c o n d i t i o n s o f s u r f a c t i n f r o m B a c i l l u ss u b t i l i s b y r e s p o n s es u r f a c e m e t h o d o l o g y[J].S c i e n c ea n d T e c h n o l o g y o f F o o d I n d u s t r y,2022,3(18):1-13.(i nC h i n e s e)[24]秦楠,杨金梅,梁莹支,等.解淀粉芽孢杆菌H R H317菌株抗菌肽发酵条件优化及其抑菌活性研究[J].食品安全质量检测学报,2021,12(15):6169-6176.Q I N N,Y A N GJ M,L I A N G YZ,e t a l.O p t i m i z a t i o no f f e r m e n t a t i o n c o n d i t i o n s a n d a n t i b a c t e r i a l a c t i v i t y o fa n t i m i c r ob i a l p e p t i d e s f r o m B ac i l l u s a m y l o l y t i c aH R H317s t r a i n[J].J o u r n a lo f F o o d S a f e t y&Q u a l i t y,2021,12(15):6169-6176.(i nC h i n e s e) [25]丰磊,魏伟群,付鸣佳,等.枯草芽孢杆菌S X3411产抑菌物质的发酵条件优化[J].江西师范大学学报(自然科学版),2021,45(5):503-513.F E N GL,W E IW Q,F U M J,e t a l.T h eo p t i m i z a t i o no ff e r m e n t a t i o n c o n d i t i o n s p r o d u c i n g a n t i m i c r o b i a ls u b s t a n c e s f r o m B a c i l l u s s u b t i l i s S X3411[J].J o u r n a lo f J i a n g x i N o r m a l U n i v e r s i t y(N a t u r a l S c i e n c eE d i t i o n),2021,45(5):503-513.(i nC h i n e s e)(责任编辑董晓云)9182。
地衣芽孢杆菌L3发酵工艺优化及应用研究的开题报告一、研究背景和意义地衣芽孢杆菌(Lichenicidin-producing Bacillus)是一种广泛存在于自然环境中的芽孢杆菌属微生物,具有广谱抗菌活性和生防作用,因此在食品、医药、农业等领域具有广泛的应用前景。
地衣芽孢杆菌L3是一株具有产生地衣芽孢素(Lichenicidin)能力的菌株,其代谢产物具有很好的抑菌效果,可用于食品和防腐领域。
然而,要将地衣芽孢杆菌L3大规模应用于生产中,需要先优化其发酵工艺,增加产量、提高质量,从而满足产业应用的需求。
因此,对地衣芽孢杆菌L3进行发酵工艺优化的研究具有重要意义。
二、研究内容和目标本研究的主要内容为探究地衣芽孢杆菌L3的发酵工艺,包括发酵条件、发酵培养基、发酵时间等方面。
通过对发酵过程中菌体生长、地衣芽孢素产量和质量的监测和分析,确定最佳的发酵条件与培养基组成,进一步提高地衣芽孢杆菌L3的发酵产量和质量。
本研究的目标为确定地衣芽孢杆菌L3的最佳发酵条件和培养基组成,进一步提高地衣芽孢杆菌L3的产量和质量。
通过建立地衣芽孢杆菌L3的优化发酵工艺,为其在食品、医药和农业等领域的应用提供技术支持。
三、研究方法1. 菌种的培养与保存:将地衣芽孢杆菌L3菌株经某种方法制成菌种,经过冷冻保存备用。
2. 发酵条件的优化:通过单因素实验和正交实验设计探究影响地衣芽孢杆菌L3产量和质量的发酵条件,包括温度、pH值、培养基成分、培养时间等因素,以及逐步优化发酵条件。
3. 菌体生长和代谢产物的监测和分析:通过菌体密度和代谢产物地衣芽孢素的测定和分析,研究不同发酵条件下地衣芽孢杆菌L3的生长和代谢产物的产量和质量。
四、预期结果和意义本研究将建立地衣芽孢杆菌L3的最佳发酵工艺,进一步提高地衣芽孢杆菌L3的产量和质量,为其在食品、医药和农业等领域的应用提供技术支持。
此外,本研究也可为其他芽孢杆菌属菌株的发酵工艺优化提供一定的参考和借鉴,从而进一步推动微生物发酵工艺的发展。
生防地衣芽孢杆菌最佳发酵条件探究作者:徐亚英黄晓梅谢丽来源:《南方农业·中旬》2020年第03期摘要通过单因素试验对地衣芽孢杆菌发酵培养基配方及条件进行优化。
结果表明,该菌菌株培养基最佳配比为蛋白胨1%、酵母提取物0.5%、氯化钠1%,最佳培养条件是初始pH 值8.5、温度37 ℃、时间36 h、三角瓶装液量125 mL、接种量4%、转速200 r·min-1。
该研究为地衣芽孢杆菌的大规模工业化发酵培养提供了有益借鉴。
关键词地衣芽孢桿菌;发酵条件优化;单因子试验微生物制剂是现在各国竞相研究开发的新产品。
我国原农业部于2003年就公布了可用于生产微生态制剂的芽孢杆菌属菌种有地衣芽孢杆菌和枯草芽孢杆菌等。
地衣芽孢杆菌是一种益生菌,是革兰氏阳性好氧菌,化能异养,在一定条件下能产生抗逆性内生孢子[1-3]。
近年来,国内外对于地衣芽孢杆菌各方面应用的报道日益增多,是芽孢杆菌中具有较大应用前景的菌种之一,在医药、农药、饲料加工等行业中都取得了较好的研究成果[4-6]。
但该杆菌在动物微生态制剂及植物病虫害防治方面的应用仍处于发展阶段,发展潜力较大。
尤其是在植物微生态制剂上的应用,具有重要的发展意义。
地衣芽孢杆菌在自然界中分布十分广泛,是植物及土壤微生态的优势种群;能分泌抑制或者杀死病原菌的次级代谢产物,对许多植物的病原菌有较好的抑制作用,如对核盘菌、镰刀菌、水稻纹枯病病菌和稻瘟病病菌等均具有较好的抑菌作用,具有较好的生防潜力,已经成功用在植物病害的生物防治方面[7-10]。
目前,登记的相关农药制剂为地衣芽孢杆菌水剂,由广西金燕子农药有限公司研制,含80亿个/mL活芽孢,主要防治黄瓜保护地的霜霉病。
但在将地衣芽孢杆菌制成微生态制剂时,保证含有大量的细胞、芽孢且成本较低是一个重要前提[11]。
基于此,采用单因素试验研究不同发酵培养基及不同培养条件对地衣芽孢杆菌培养的影响,以期为降低地衣芽孢杆菌高密度培养的成本提供一定的理论依据,使其能够满足微生物菌剂的生产要求。
(19)中华人民共和国国家知识产权局(12)发明专利申请(10)申请公布号 (43)申请公布日 (21)申请号 201810775873.8(22)申请日 2018.07.16(71)申请人 青岛力力惠生物科技股份有限公司地址 266000 山东省青岛市莱西市水集街道办事处抚顺路1号(72)发明人 张峰 宋杰 黄志明 孙春龙 代庆海 王丽宁 王凌云 (74)专利代理机构 青岛中天汇智知识产权代理有限公司 37241代理人 刘晓娟(51)Int.Cl.C12N 1/20(2006.01)C05G 3/00(2006.01)C05G 3/04(2006.01)C05F 17/00(2006.01)C12R 1/10(2006.01)(54)发明名称一种地衣芽孢杆菌发酵工艺及用于制备防止黄瓜灰霉病的微生物菌剂和生物有机肥(57)摘要本发明公开了一种地衣芽孢杆菌发酵工艺及用于制备防止黄瓜灰霉病的微生物菌剂和生物有机肥。
在碎蛋壳以及碎报纸屑衬托下,硫酸锰能缓慢释放在培养基中,分布均匀,效果显著,配合相关工艺可明显提高转孢速度,缩短培养时间,节省成本;甜瓜蒂浸出液有毒性,配合相关工艺既可以消除毒性,保证无杂菌,又能将甜瓜蒂含有的葡萄糖、半乳糖、氨基酸等营养成分释放出来,制得的生物有机肥与微生物菌剂含有的地衣芽孢杆菌是生防细菌,能够有效防止黄瓜灰霉病。
生物有机肥能够有效促进根系发达,使黄瓜植株健壮,增强抗灰霉病能力;叶面喷施微生物菌剂,能在叶片形成保护层,阻止灰葡萄孢菌的侵染,对黄瓜叶片起到保护作用。
权利要求书2页 说明书6页 附图1页CN 108841759 A 2018.11.20C N 108841759A1.一种地衣芽孢杆菌发酵工艺,其特征在于,具体包括如下步骤:(1)菌种活化,将保存在超低温冰箱里的地衣芽孢杆菌菌管取出,在无菌条件下用接种环接入到斜面,将斜面放在生化培养箱,25℃培养24h;(2)种子液的制备,无菌条件下,用接种环将活化后的菌种接入到装有专用培养基的三角摇瓶里;将三角摇瓶放在空气浴摇床里,控制转速165r/min,34℃培养24h;(3)工业发酵,按照发酵罐体积60%配料,所选原料以及配比如下:将用报纸包有的纯度98%,浓度0.02ppm的硫酸锰塞进完整的鸡蛋壳中,按照原料质量百分比取高温豆饼粉3.2%,玉米粉4.3%,鱼粉0.3%,碳酸钙0.95%,硫酸铵0.2%,磷酸二氢钾0.02%;通入蒸汽,物料灭菌处理,冷却至35℃接种;按罐压0.06Mpa,35℃,1:1.2通风量,转速180r/min进行发酵;在转孢率达30%时,将培养温度降至30℃;转孢率达到85%-90%停止;发酵结束制得发酵菌液。
一株地衣芽孢杆菌的性质研究及发酵培养基优化刘阳;谭明;潘宝平;宋诙【期刊名称】《安徽农业科学》【年(卷),期】2012(040)003【摘要】[目的]研究实验室自分离的地衣芽孢杆菌KL6作为微生物饲料添加剂的可行性,并对其发酵培养基进行优化,确定最佳培养条件,为工业化发酵提供依据.[方法]运用表型试验对其进行生理生化评价及产酶评价;运用4因素3水平正交试验和单因素试验对其培养基进行改进,并对其发酵条件进行优化.[结果]地衣芽孢杆菌KL6的D-葡萄糖产酸试验、硝酸盐还原试验、淀粉水解试验等均呈阳性;4种因素对活菌数影响的显著性次序为:MnSO4>NaCl>酵母粉>蛋白胨,对芽孢数影响的显著性次序为:MnSO4>蛋白胨>NaCl>酵母粉,培养基的最佳配比为:蛋白胨1.0%、酵母粉0.5%、NaCl 1.0%、25%浓度的硫酸锰0.2%;生长适宜温度为37℃,进行发酵罐放大培养,最佳放罐时间应在14~16 h,获得的菌体数量约101.63×109个/ml,芽孢率为97.11%.[结论]体外评价试验表明,地衣芽孢杆菌KL6具有作为微生物饲料添加剂的潜力;发酵培养基及条件优化试验表明,地衣芽孢杆菌KL6能够适于高密度液体发酵.该试验为以KL6为基础的微生物饲料添加剂的开发和大规模发酵培养提供了理论依据.【总页数】4页(P1348-1351)【作者】刘阳;谭明;潘宝平;宋诙【作者单位】天津师范大学生命科学学院,天津300387;天津工业生物技术研究所基因工程与微生物应用技术研究组,天津300308;天津师范大学生命科学学院,天津300387;天津工业生物技术研究所基因工程与微生物应用技术研究组,天津300308【正文语种】中文【中图分类】Q935【相关文献】1.地衣芽孢杆菌MYS68的鉴定及发酵培养基优化 [J], 张红艳;李忠玲;张强;胡云红;付博;岳淑宁2.地衣芽孢杆菌发酵培养基的优化 [J], 丰贵鹏;杨丽云3.一株地衣芽孢杆菌产凝乳酶酶学性质研究 [J], 宋曦;汪慧;尚菲;韩雍;刘圆媛4.饲用地衣芽孢杆菌TS-Ⅱ菌株发酵培养基及发酵条件优化 [J], 胡爽;詹发强;包慧芳;王炜5.地衣芽孢杆菌L3发酵培养基的响应面法优化 [J], 赵国纬;陆彬;周义彬;夏海洋;林开春因版权原因,仅展示原文概要,查看原文内容请购买。
地衣芽孢杆菌YB15发酵培养优化的研究
朱天辉;李姝江;向潇潇;谯天敏
【期刊名称】《四川林业科技》
【年(卷),期】2013(034)001
【摘要】采用单因素试验和正交试验对地衣芽孢杆菌(Bacillus lincheniformis)YB15发酵培养基的碳源、氮源、无机盐进行研究,得出该菌的最适培养基组分为葡萄糖5 g,酵母浸膏7.5g,蛋白胨7.5g,硫酸铵5.0g.在此基础上运用正交试验对地衣芽孢杆菌YB15发酵的最适条件进行研究,得到的最适培养条件为温度25℃,pH 6.5,瓶装量100 mL,接种量4 mL;地衣芽孢杆菌生长曲线的结果表明12 h~18 h时为菌体收集的最佳时间.
【总页数】4页(P1-4)
【作者】朱天辉;李姝江;向潇潇;谯天敏
【作者单位】四川农业大学林学院,四川雅安625014;四川农业大学林学院,四川雅安625014;四川农业大学林学院,四川雅安625014;四川农业大学林学院,四川雅安625014
【正文语种】中文
【中图分类】S718.8
【相关文献】
1.一株地衣芽孢杆菌的性质研究及发酵培养基优化 [J], 刘阳;谭明;潘宝平;宋诙
2.地衣芽孢杆菌MYS68的鉴定及发酵培养基优化 [J], 张红艳;李忠玲;张强;胡云红;
付博;岳淑宁
3.地衣芽孢杆菌发酵培养基的优化 [J], 丰贵鹏;杨丽云
4.饲用地衣芽孢杆菌TS-Ⅱ菌株发酵培养基及发酵条件优化 [J], 胡爽;詹发强;包慧芳;王炜
5.地衣芽孢杆菌L3发酵培养基的响应面法优化 [J], 赵国纬;陆彬;周义彬;夏海洋;林开春
因版权原因,仅展示原文概要,查看原文内容请购买。
开题报告生物工程地衣芽孢杆菌变异株发酵工艺研究一、选题的背景与意义地衣芽孢杆菌(Bacillus licheniformis)属硬壁菌门(Firmicutes)、杆菌纲(Bacilli)、芽孢杆菌科(Bacillaceae)、芽孢杆菌属(Bacillus)。
由于地衣芽孢杆菌安全性高、生长快速、抗逆性强、有高效的产酶能力、在较高温度下仍可存活等特点而被人们所广泛应用。
近年来, 国内外对于地衣芽孢杆菌各方面应用的报道日益增多。
在发酵产酶、医药、饲料加工、农药等行业, 取得了较好的研究成果。
根据文献显示, 关于地衣芽孢杆菌的专利有: 用地衣芽孢杆菌生产生物农药的方法; 地衣芽孢杆菌新菌株及其微生态制剂; 地衣芽孢杆菌T1菌株的构建及其粗酶提取物的发酵生产; 利用基因突变技术, 改变地衣芽孢杆菌NCIB8061 a-淀粉酶的耐温性和耐酸性酶的性质等。
本实验室在经60Co照射后的东海香参中分离得到一株能高效分解东海香参的菌株A,对该菌进行形态学特征、生理生化指标、16S rDNA和MIDI全自动微生物鉴定等发现其为地衣芽孢杆菌。
该菌株为突变株,因此对其在医药和产酶等功能方面的研究具有重大的意义。
二、研究的基本内容与拟解决的主要问题(一)基本内容:1.碳源种类对地衣芽孢杆菌产蛋白酶发酵的影响2.碳源量对地衣芽孢杆菌产蛋白酶发酵的影响3.氮源种类对地衣芽孢杆菌产蛋白酶发酵的影响4.氮源量对地衣芽孢杆菌产蛋白酶发酵的影响5.金属离子对地衣芽孢杆菌产蛋白酶发酵的影响6.初始PH值对地衣芽孢杆菌产蛋白酶发酵的影响7.接种量对地衣芽孢杆菌产蛋白酶发酵的影响(二)拟解决的主要问题:浒苔水解最佳条件摸索,检测指标的选择将成为主要问题三、研究的方法与技术路线:(一)实验安排以碳源种类、碳源量、氮源种类、氮源量、金属离子、初始Ph值、接种量为变量进行单因素实验:1.碳源种类在基础培养基中分别添加浓度为7.5%的不同碳源:麦芽糖、蔗糖、环糊精、葡萄糖、可溶性淀粉和浒苔,培养后测定发酵液的蛋白酶比活力2. 碳源量在基础培养基中分别添加浓度为2.5%、3.5%、4.5%、5.5%、6.5%、7.5%、8.5%、9.5%不同浓度最佳碳源,培养后测定发酵液的蛋白酶比活力3. 氮源种类在基础培养基中分别添加浓度为3%的不同氮源:干酪素、牛肉膏、酵母浸膏、大豆蛋白、明胶、尿素、硫酸铵、蛋白胨,培养后测定发酵液的蛋白酶比活力4. 氮源量在基础培养基中分别添加浓度为1%、2%、3%、4%、5%、6%、7%、8%等不同浓度的最佳氮源,培养后测定发酵液的蛋白酶比活力5. 金属离子在基础培养基中分别添加浓度为0.002%的不同微量金属元素:Mg2+、Fe2+、Ca2+、Mn2+、Sn2+、Cu2+、Ba2+、Li+、Fe3+、Zn2+,培养后测定发酵液的蛋白酶比活力6. 初始pH值调节培养基初始pH分别为5.0、6.0、7.0、8.0、9.0、10.0、11.0 和12.0,培养后测定发酵液的蛋白酶比活力7. 接种量分别按照2%、4%、6%、8%、10%、12%、14%和16%的添加水平,接种培养12h的种子培养基于发酵培养基中,测定发酵液蛋白酶比活力(二)技术路线:样品采集—→富集分离纯种—→产碱性蛋白酶发酵培养基选择—→对不同培养基成分进行单因素实验—→运用响应面软件主效分析确定七个主要因素—→在根据响应面软件进行七因素七水平实验确定最优发酵培养基的配方—→运用最佳培养基配方对发酵各个条件进行单因素实验—→运用响应面软件根据上诉同样的方法确定出最佳发酵条件四、研究的总体安排与进度:2010.08——2010.091.实验前的准备工作:查找资料,文献综述的撰写,英文参考文献的翻译;2.文献整理,实验方案的确定;2010.09——2010.111. 开展实验;2.优化实验方案中的各条件;3.获得实验过程中的各类数据。
2011.02——2011.031.整理和补充相关数据,整理实验结果;2.撰写论文初稿。
3.论文定稿。
五、主要参考文献:[1] 荆谷,冯静,孔健,等.微生物金属蛋白酶研究进展[J].生物工程进展,2002,22(1):61-63.[2] 王吉庄,钟芳,王璋.高水解度大豆肽的制备[J].食品工业科技,2003,24(9):40-42.[3] Hadj-Ali N.E., Agrebi R., Ghorbel-Frikha B.,et a1.Biochemical and molecular characterization of a detergent stable alkaline serine-protease from a newly isolated Bacillus liehenifonnis NHl [J].Enzyme and microbial technology,2007,40:515-523.[4] Pan T.,Lin S. J...Fermentative production of alkaline protease as detergent additive [J].ChineseBiochem Soc , 1991, 20: 49-60.[5] Bakhtiar S.,Estiveira R.J.,Hatti-Kaul R..Substrate specificity of alkaline protease from al kaliphilic feather-degrading Nesterenkonia sp.AL20[J].Enzyme and Microbial Technology,2 005.37(55):534-540.[6] 蔡雁,郝勃,喻子牛.抗动物病原菌芽孢杆菌的筛选、初步鉴定和抗菌活性[J] .微生物学杂志,2005.25(5) :19-22.[7] 唐丽娟,纪兆林,徐敬友,等.地衣芽孢杆菌W10对灰葡萄孢的抑制作用及其抗菌物质[J].中国生物防治,2005,21(3) :203-205.[8] Johnson B.A., Anker H., Meleney F.L..A New antibiotic reduced by a member of the B.subtilisgroup[M]. Sci,1945,102:376-377.[9] 赵婷,梁秀芝,刘成君.皮革霉变真菌的分离鉴定及拮抗菌的筛选[J] .中国皮革,2005,34(23):10-13.[10] 唐娟,张毅,李雷雷.等;地衣芽孢杆菌应用研究进展;湖北农业科学;2008,3,351-354.[11] Potumarthi R.,Subhakar Ch..Alkaline protease production by submerged fermentation instirred tank reactor using Bacillus licheniformis NCIM-2042:Effect of aeration and agitation regimes[J]. Biochemical Engineering Journal, 2007, 34:185 - 192.[12] 马永强,那治国,张娜,等.地衣芽孢杆菌2709高去酰胺活性碱性蛋白酶发酵条件及酶学性质的研究[J].食品工业科技,2008,29(10):81-85.[13] 章海锋,阮晖,刘婧,等.地衣芽孢杆菌ZJUEL31410产胞外弹性蛋白酶的分批发酵研究[J].中国食品学报,2009,9(1):130-136.[14] SB/T 10317-1999.蛋白酶活力测定法.[15] 史锋.生物化学实验.杭州;浙江大学出版社,2002:92-93.[16] Kail S.J., F.Maugeri, Rodrigues M.I. . Response surface analysis and simulation as a tool forbioprocess design and optimization [J].Proc Biochem, 2000, 35:539-550.[17] Li Y., Cui F.J.,Liu Z.Q..et.a1.Improvement of xylanase production by Penicillium oxalicumZH-30 using response surface methodology[J].Enzyme and MicrobialTechnology,2007,40:1381-1388.毕业论文文献综述生物工程地衣芽孢杆菌变异株产蛋白酶的研究摘要:地衣芽孢杆菌地衣芽孢杆菌安全性高、生长快速、抗逆性强、有高效的产酶能力、在较高温度下仍可存活等特点而被人们所广泛应用。
本文对国内外研究现状及展望进行了概述。
关键词:地衣芽孢杆菌;蛋白酶;现状引言地衣芽孢杆菌(Bacillus licheniformis)属硬壁菌门(Firmicutes)、杆菌纲(Bacilli)、芽孢杆菌科(Bacillaceae)、芽孢杆菌属(Bacillus)。
由于地衣芽孢杆菌安全性高、生长快速、抗逆性强、有高效的产酶能力、在较高温度下仍可存活等特点而被人们所广泛应用。
在工业用酶当中,蛋白酶是用量最大、应用最广的一种,约占整个酶制剂产量的60%以上,广泛应用于食品、饲料、纺织和洗涤等领域[1]。
食品生产用蛋白酶分为动物蛋白酶、植物蛋白酶、微生物蛋白酶,其中微生物具有资源广泛、生长繁殖快和培养方法简单等优点,所以,采用发酵工程技术生产蛋白酶,原料便宜,不受土地和季节的限制,是生产蛋白酶的优良方法[2]。
用于食品加工的蛋白酶可以由多种菌种生产,其中,地衣芽孢杆菌在蛋白酶生产中的应用较为广泛。
Potumarthi,R.等用地衣芽孢杆菌进行深层发酵产碱性蛋白酶,通过对通气量和搅拌速度研究,在通气量为3 vvm,搅拌速度为200 rpm时,发酵72 h,碱性蛋白酶的含量最高,为102 U/mg[3]。
马永强等对地衣芽孢杆菌2709发酵生产高去酰胺活性碱性蛋白酶的发酵条件进行研究,以酶液对大豆蛋白的去酰胺度和肽键水解度为指标,对产酶条件进行优化[4]。
1 研究现状近年来, 国内外对于地衣芽孢杆菌各方面应用的报道日益增多。
在发酵产酶、医药、饲料加工、农药等行业, 取得了较好的研究成果。
根据文献显示, 关于地衣芽孢杆菌的专利有: 用地衣芽孢杆菌生产生物农药的方法;地衣芽孢杆菌新菌株及其微生态制剂;地衣芽孢杆菌T1菌株的构建及其粗酶提取物的发酵生产;利用基因突变技术, 改变地衣芽孢杆菌NCIB8061 a-淀粉酶的耐温性和耐酸性酶的性质等,因此对其在医药和产酶等功能方面的研究具有重大的意义。