101规约说明书
- 格式:doc
- 大小:499.09 KB
- 文档页数:18
IEC非平衡式101调度一.规约简介使用范围:IEC101调度主站通讯介质:串口二.规约转换内容●当前功能本规约具有转换YC、YX、YM、YK功能三.规约相关信息●当前信息1.“链路地址”/“应用层地址”均代表变电站地址,应由调度主站分配;2.“遥测门槛”:遥测值的变化量超过此值,上送变化遥测;3. “应用层地址采用双字节”:0-应用服务数据单元公共地址采用单字节;1-应用服务数据单元公共地址采用双字节;4. “信息体地址采用3字节”:0-信息体地址2字节表示;1-信息体地址3字节表示;5. “采用单字节确认”:0-确认报文采用短报文方式;1-确认报文采用单字节“0xe5”;6. “装置状态信息体起始地址”:一般不使用,默认值设为0;7. “双点遥信信息体起始地址”/“单点遥信信息体起始地址”/“遥测信息体起始地址”/ “遥脉信息体起始地址”/“步位置信息体起始地址”/“遥控信息体起始地址”由主站确定,此数值应与主站保持一致;8. “装置状态上送数量”:一般不使用,默认值设为0;9. “双点遥信上送数量”/“单点遥信上送数量”/“步位置上送数量”/“遥测上送数量”/“遥脉上送数量”应按调度转发表的实际转发数量填写;10. “单点遥信起始位置1开始”:在调度遥信转发表中单点遥信的实际起时序号;11. “双点遥信占用2个遥信”:0-双点遥信占用1个遥信1-双点遥信占用2个遥信12. “双点遥信占用2个信息体地址”:0-双点遥信占用1个信息体地址1-双点遥信占用2个信息体地址13. “组1起始信息体地址”-"组16结束信息体地址"、“脉冲组1起始信息体地址”-“脉冲组4起始信息体地址”不使用时设为0,使用时与主站端保持一致;14. “遥测系数数量”:默认设为128,需要扩充时根据实际遥测系数个数设定;15. “遥测001系数”-“遥测128系数”:一般不使用,只有主站无法设遥测系数时使用,系数的计算根据主站要求而异。
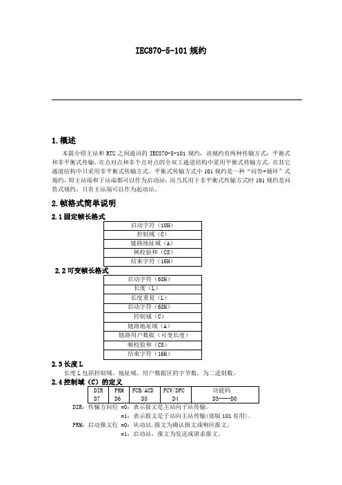
IEC870-5-101 规约说明目录一 . 参考模型: (2)二 . 帧格式: (2)1.固定帧长帧格式 (2)2.单个字符 E5 (3)3.可变帧长帧格式 (3)三 . 应答过程 (8)1.初始化过程 (8)2.对时过程 (9)3.总召唤过程 (10)4.分组召唤过程 (16)5.一般询问过程 (17)6.遥控过程 (19)7.召唤电度过程 (22)8.报文举例 (24)附录:常用信息体格式 (26)规约标准原文请参照国内 1998-05-01 实施的等同标准《远动设备及系统第 5 部分传输规约第 101 篇基本远动任务配套标准》。
. 参考模型:本标准中使用的参考模型是源于开放式系统互联的 ISO-OSI 参考模型,由于远动系统在有限带宽下要求特别短的反应时间,故改进采用增强性能结构(EPA),见下图所示:在这样的参考模型下,各层次数据单元之间的关系如下图所示:APCI: 应用规约控制单元ASDU: 应用服务数据单元APDU: 应用规约数据单元LPCI: 链路规约控制单元LSDU: 链路服务数据单元LPDU: 链路规约数据单元帧格式:1.固定帧长帧格式启动字符( 10H )控制域( C )链路地址域( A )2.单个字符 E5在子站回答时表示否定。
3.可变帧长帧格式FT1.2 的传输标准要求线路上低位先传;线路的空闲为二进制的1;两帧之间的线路空闲间隔需不小于 33位;每个字符包括 1位起始位、 1位停止位、 1位偶校验位、 8位数据位,字符间无需线路空闲间隔;信息字节求和校验(Check Sum )。
其中各部分的含义如下1)长度 L =C+A+ 链路用户数据的长度。
2)控制域 C 的定义如下:主站向子站传输时: DIR=0, PRM=1;子站向主站传输时: DIR=1, PRM=0 。
主站向同一个子站传输新一轮的发送/确认和请求 /响应传输服务时,将 FCB 位取反;主站为每一个子站保留一个帧计数位的拷贝,若超时没有从子站收到所期望的报文,或接收出现差错,则主站不改变帧计数位的状态,重复传送原报文,重复次数为 3 次。
使用说明IEC101装置规约IEC101装置规约是用于电力系统监控与控制的通信协议之一,它定义了在电力监控系统中,通过传输数据来实现设备之间的通信和控制。
本文将详细介绍IEC101装置规约的使用说明,以帮助读者更好地理解和应用该规约。
一、IEC101装置规约概述IEC101装置规约是国际电工委员会(IEC)制定的一种通信协议,主要用于监控与控制电力系统中的遥测、遥信和遥控信息。
该规约通过串行方式传输数据,采用了一系列规定的帧结构和数据格式,确保数据的可靠传输和正确解析。
IEC101规约一般将工程测量值(遥测)、状态变位信息(遥信)和远方控制命令(遥控)作为基本的通信功能。
二、IEC101装置规约的运行机制IEC101装置规约主要由三个层次构成:物理层、数据链路层和应用层。
在物理层,IEC101规约使用标准的串行电平转换技术,将二进制数据转换为信号进行传输;在数据链路层,规定了传输帧的各个字段,包括起始字符、控制字段、地址字段和校验字段等;在应用层,定义了遥测、遥信和遥控信息的编码方式和解析方式。
三、IEC101装置规约的使用步骤IEC101装置规约的使用步骤如下:1. 配置通信参数:包括物理层参数、数据链路层参数和应用层参数。
根据实际情况,设置通信波特率、校验方式、站址等参数。
2. 建立连接:规定了主站与从站之间的连接建立过程,包括主站发起请求、从站响应确认和建立连接。
3. 传输数据:主站向从站发送监控命令,从站根据命令执行相应操作,并反馈执行结果给主站。
4. 断开连接:规定了连接的结束过程,包括主站发送断开请求、从站响应确认和断开连接。
四、IEC101装置规约的应用范围IEC101装置规约广泛应用于电力系统监控与控制领域,包括电网调度、变电站自动化、电力设备监测和控制等方面。
它能够实现电力系统中各个设备之间的数据采集、信息交换和灵活控制,提高了电力系统的安全性、稳定性和可靠性。
五、IEC101装置规约的优势与挑战IEC101装置规约具有以下优势:1. 可靠性高:采用了校验和差错重传等机制,确保数据的可靠传输;2. 灵活性强:具备多种数据传输方式和编码方式,适应不同的应用场景;3. 扩展性好:支持多主站和多从站之间的通信,能够满足复杂系统的需求。
IEC870-5-101规约1.概述本篇介绍主站和RTU之间通讯的IEC870-5-101规约,该规约有两种传输方式:平衡式和非平衡式传输,在点对点和多个点对点的全双工通道结构中采用平衡式传输方式,在其它通道结构中只采用非平衡式传输方式。
平衡式传输方式中101规约是一种“问答+循环”式规约,即主站端和子站端都可以作为启动站;而当其用于非平衡式传输方式时101规约是问答式规约,只有主站端可以作为起动站。
2.帧格式简单说明2.12.22.3长度L长度L包括控制域、地址域、用户数据区的字节数,为二进制数。
2.4DIR:传输方向位 =0:表示报文是主站向子站传输。
=1:表示报文是子站向主站传输(部版101有用)。
PRM:启动报文位 =0:从动站,报文为确认报文或响应报文。
=1:启动站,报文为发送或请求报文。
FCB:帧计数位:启动站向从动站传输启动站向从动站传输新一轮的发送/确认、请求/响应服务时,将前一轮FCB取相反值。
FCV:帧计数有效位:启动站向从动站传输=0:表示FCB变化无效。
=1:表示FCB变化有效。
ACD:要求访问位:主站做从动站时ACD位无实际意义,ACD=0。
子站做从动站时ACD=0:表示子站无1级用户数据;ACD=1:表示子站有1级用户数据,希望向主站传输。
DCF:数据流控制位:从动站向启动站传输=0:表示子站可以继续接收数据。
=1:表示子站数据区满,无法接收新数据。
功能码(D3—D0):功能码范围为0—15(00H—0FH);功能码代表的意义较为烦琐,参考《关于基本远动任务配套标准的说明》(远动设备及系统传输规约)。
2.5链路地址域链路地址域为子站站址。
2.6帧检验和帧检验和是控制、地址、用户数据区所有字节的算术和(不考虑溢出位即256模和)。
3.非平衡式传输—即主站作为启动站的各种报文3.1 主站的询问顺序对于点对点和多个点对点的通道结构,主站或子站复位后首先进行初始化,总召唤和时钟同步后系统转入正常,然后在循环召唤2级用户数据的序列中定期插入按照分组召唤方式和按顺序收集各组数据进行召唤。
以下用MON表示主站端,RTU表示子站端。
1.规约说明:1.1 帧结构:1.1.1 固定帧长的帧:用于一些链路控制功能MON-RTU0x10控制域DIR PRM FCB FCV 功能码(4BIT)0 1链路地址0x16说明:FCB/FCV:(帧计数位/帧计数有效位)用于简单的帧重发控制。
(3次)常用功能码:0 发送/确认帧复位远方链路FCV=03 发送/确认帧传送数据FCV=14 发送/确认帧传送数据FCV=09 请求/响应帧召唤链路状态FCV=010 请求/响应帧召唤用户1级数据FCV=111 请求/响应帧召唤用户2级数据FCV=1RTU-MON0x10控制域DIR PRM ACD DFC 功能码(4BIT)1 0链路地址0x16说明:ACD:ACD=1表示子站有1级数据希望传送DFC:DFC=0 可以继续接收数据,DFC=1 表示数据区已满,无法接收新数据常用功能码:0 确认帧确认1 确认帧链路忙,未收到报文8 响应帧以数据响应请求帧9 响应帧无所召唤的数据11 响应帧以链路状态或访问请求回答请求帧1.1.2 可变帧长的帧0x68LENGTH 从控制域到校验和之前的字节个数LENGTH0x68控制域链路地址类型标识可变结构限定词传送原因应用地址信息体地址信息体原素[信息体时标]校验和从控制域到校验和之前的算术和0x16说明:常用类型标识:RTU-MON:(一般信息的传送)1 不带时标的单点信息(YX)用传送原因来区分是全遥信还是变化遥信2 带时标的单点信息(SOE)3 不带时标的双点信息(YX)4 带时标的双点信息(SOE)9 带品质描述的测量值(YC)用传送原因来区分是全遥测还是变化遥测21 不带品质描述的测量值(YC)15 电能脉冲计数值(YM)遥信:(1 bytes)有效位当前值位被取代位被封锁位保留SPI(DPI)SPI=0;开DPI=1;开SPI=1;合DPI=2;合时标:(3 bytes)MSecondsLMSecondsH(0-59999)IV RES Minutes(6BIT)模拟量:(2 bytes)L8Sign H7表示范围:-32768---+32767上传给调度有几种类型:二次值一次值P/Q -866----+866 1.732*PT一次值*CT一次值U 0---1000 PT一次值[0---500kV/220kV/110kV/35kV/10kV]I 0---500 CT一次值F 704---1104 48-52Hz遥测品质字节:(1 bytes)有效位当前值位被取代位被封锁位保留溢出位IV NT SB BL RES OV电量/二进制计数器读数(BCR):(5 bytes)LMLMHH(最高位为符号位S)IV(有效)CA(计数器调整)CY(溢出)SQ(5BIT)序号0-31表示范围:-2147483648---+2147483647MON-RTU/RTU-MON:(遥控命令)45 单点遥控命令CON46 双点遥控命令CON47 升降命令CON遥控命令(DCO)/升降命令(RCO)(1 bytes):S/E(1BIT) QU(5BIT) DCS(2BIT)0--执行0 1--开(降一步)1--选择2--合(升一步)MON-RTU:(系统命令)100 召唤命令CON101 电能脉冲召唤命令CON102 读数据命令103 时钟同步命令CON104 测试命令CON110 装载参数命令CON113 激活参数命令CON召唤遥信,遥测,BCD码命令的限定词QOI(1 bytes):20 总召唤21 召唤第1组 YX(001H--080H)22 召唤第2组 YX(080H--100H)23 召唤第3组 YX(101H--180H)24 召唤第4组 YX(181H--200H)25 召唤第5组 YX(201H--280H)26 召唤第6组 YX(281H--300H)27 召唤第7组 YX(301H--380H)28 召唤第8组 YX(381H--400H)29 召唤第9组 YC(701H--780H)30 召唤第10组YC(781H--800H)31 召唤第11组YC(801H--880H)32 召唤第12组YC(881H--900H)33 召唤第13组步位置信息34 召唤第14组BCD码35 召唤第15组子站远动终端状态36 召唤第16组备用召唤电能脉冲命令的限定词QCC(1 bytes):FRZ(2BIT) RQT(6BIT)FRZ:由于电量计数器是随时变化的,传输有特殊的要求0 请求计数量1 冻结不带复位从ym()拷贝到传送计数器,ym()不清零2 冻结带复位从ym()拷贝到传送计数器,ym()清零3 计数器复位 ym()清零RQT:1 总的请求计数量2 请求计数量第1组YM(C01H--C20H)3 请求计数量第2组YM(C21H--C40H)4 请求计数量第3组YM(C41H--C60H)5 请求计数量第4组YM(C61H--C80H)日历时钟(7 bytes):MillisecondsLMillisecondsh 0-59999msIV RES(1BIT) Minutes(6BIT)0-59SU RES(2BIT) Hous(5BIT) 0-23day of week(3bit)1-7 day of months(5bit)1-31RES(4BIT) Months(4bit)1-12RES(1BIT) Years(7BIT)0-99关于测量值的类型:门限值(2 bytes):L8H8范围:0-65535测量值参数限定词:POPRTU-MON:(系统命令)70 初始化结束命令可变结构限定词:S/Q 数目S/Q:SQ=0表示信息体单个寻址,SQ=1表示信息体按顺序寻址数目:信息体的个数传送原因:T(1BIT)P/N(1BIT)原因(6BIT)=1试验=0肯定认可=0未试验=1否定认可原因:1 周期,循环3 突法4 初始化5 请求或被请求6 激活7 激活确认8 停止激活9 停止激活确认10 激活结束20 响应总召唤21 响应第1组召唤22 响应第2组召唤23 响应第3组召唤24 响应第4组召唤25 响应第5组召唤26 响应第6组召唤27 响应第7组召唤28 响应第8组召唤29 响应第9组召唤30 响应第10组召唤31 响应第11组召唤32 响应第12组召唤33 响应第13组召唤34 响应第14组召唤35 响应第15组召唤36 响应第16组召唤37 响应计数量总召唤38 响应第1组计数量召唤39 响应第2组计数量召唤40 响应第3组计数量召唤41 响应第4组计数量召唤应用地址:= 链路地址信息体地址:单点遥信001H---400H 共1024个量遥测701H---900H 共512个量遥控,升降 B01H---B80H 共128个量电能脉冲计数量C01H---C80H 共128个量1.1.3 短帧无一级,二级数据时子站回答用e5h1.2 基本应用功能:(T6程序实现)1.2.1 初始化1.2.1.1 主站初始化1)召唤链路状态2)以链路状态回答3)复位远方链路4)确认帧5)召唤链路状态6)以链路状态回答1.2.1.2 子站初始化1)召唤链路状态2)以链路状态回答3)复位远方链路4)确认帧5)召唤链路状态6)以链路状态回答(有一级用户数据)7)召唤用户1级数据8)子站初始化完成帧1.2.1.3 子站被远方初始化1)复位进程命令2)复位进程命令确认3)召唤链路状态4)以链路状态回答5)复位远方链路6)确认帧7)召唤链路状态8)以链路状态回答(有一级用户数据)9)召唤用户1级数据10)子站初始化完成帧1.2.1 初始化1.2.1.1 主站初始化1)召唤链路状态2)以链路状态回答3)复位远方链路4)确认帧5)召唤链路状态6)以链路状态回答1.2.2 总召唤1)总召唤68H L L 68H (0 1 FCB 1 3) ADDR 100 01 6(8) ADDR 00 00 20(QOI) CS 16H2)总召唤确认68H L L 68H (1 0 ACD 1 0) ADDR 100 01 7(9) ADDR 00 00 20(QOI) CS 16H3)4)遥信帧(单点或双点)68H L L 68H (1 0 ACD 1 8) ADDR 1 NUM 20(COT) ADDR INFADDRL INFADDRH |YX1| CS 16H68H L L 68H (1 0 ACD 1 8) ADDR 3 NUM 20(COT) ADDR INFADDRL INFADDRH |YX1| CS 16H5)6)遥测帧(带品质描述或不带品质描述)68H L L 68H (1 0 ACD 1 8) ADDR 9 NUM 20(COT) ADDR INFADDRL INFADDRH |YC1L YC1H 品质| CS 16H68H L L 68H (1 0 ACD 1 8) ADDR 21 NUM 20(COT) ADDR INFADDRL INFADDRH |YC1L YC1H | CS 16H7)8)变压器分接头9)10)子站远动终端状态帧11)12)BCD码(水位值)13)14)总召唤结束帧15)召唤特定组的信息16)响应召唤特定组的信息1.2.3 循环式分组召唤用户数据和收集1,2级数据1)召唤特定组的信息2)响应召唤特定组的信息用户数据分类:1级用户数据:COS,由读命令所寻址的信息体的数据,子站初始化结束,子站状态变化2级用户数据:CYC,SOE总召唤或分组召唤命令电能量总召唤或电能量分组总召唤1.2.4 时钟同步1.2.5 命令传输1.2.5.1(YK,YT)1.2.5.2 设点命令1.2.5.3 读数据命令1.2.6 传送累计值子站在特定的时候冻结累计值,存入缓冲区并传送冻结值到主站,计数器继续工作但不清零。
(规约标准DL/T 634--1997 neq IEC870--5--101:1995 第101篇基本远动任务配套标准)一、规约支持子站->主站监视方向过程和控制信息类型标示<1> :不带时标的单点信息类型标示<2> :带时标的单点信息类型标示<3> :不带时标的双点信息类型标示<4> :带时标的双点信息类型标示<5> :变压器分接头信息类型标示<9> :测量值类型标示<15> :电能脉冲记数量类型标示<17> :带时标的继电保护或重合闸设备单个事件类型标示<21> :不带品质因数的测量值类型标示<70> :初始化结束主站->子站控制方向过程和控制信息类型标示<45> :单点遥控命令类型标示<46> :双点遥控命令类型标示<47> :升降命令(如果改为46,则不支持急停)类型标示<100>:召唤命令类型标示<101>:电能脉冲召唤命令类型标示<102>:读数据类型标示<103>:时钟同步命令类型标示<104>:测试命令类型标示<105>:复位进程命令二、通道参数配置1、首先进入参数配置的通道设置向导中;2、选择IEC101规约,配置串口参数;3、进入“高级配置”窗口。
a、请选择是否使用该通道对计算机校时;b、校时的基准年现在为2000,是当规约中用一个字节表示年份时,需要与之求和得到4位数的实际年份;c、本规约暂时只支持上送过程值;d、事故总、预告总复归时间设置,决定了事故总信号和预告总信号被置位后自动复归的时间间隔;e、遥控超时时间的设置应大于调度端所设遥控超时时间,一般不应小于10秒;f、遥测越限死区值,是当规约召唤2级数据时,上送的遥测的变化量大于此处所设置的的遥测变化千分比;g、禁止遥控的两个选项,本规约暂时未采用;h、切换通道参数中,误码帧数和判断误码时间间隔,由于本规约采用串口按字节接收,因此通道误码被忽略,只需按通讯中断时间来判断是否需要切换通道;i、允许通道中断时间应大于链路响应时间,波特率小时该时间应稍大(300波特率时应大于5秒),波特率大时可适当减小,但不应小于3秒,如果需要主动上送传输时该时间应加大至大于调度端链路响应时间。
变电站综合自动化系统101规约下载提示:该文档是本店铺精心编制而成的,希望大家下载后,能够帮助大家解决实际问题。
文档下载后可定制修改,请根据实际需要进行调整和使用,谢谢!本店铺为大家提供各种类型的实用资料,如教育随笔、日记赏析、句子摘抄、古诗大全、经典美文、话题作文、工作总结、词语解析、文案摘录、其他资料等等,想了解不同资料格式和写法,敬请关注!Download tips: This document is carefully compiled by this editor. I hope that after you download it, it can help you solve practical problems. The document can be customized and modified after downloading, please adjust and use it according to actual needs, thank you! In addition, this shop provides you with various types of practical materials, such as educational essays, diary appreciation, sentence excerpts, ancient poems, classic articles, topic composition, work summary, word parsing, copy excerpts, other materials and so on, want to know different data formats and writing methods, please pay attention!一、引言变电站是电力系统极其重要的一部分,其可靠稳定运行是电力系统输电的保障。
规约结构模型1:ISO OSI 参考模型International Standards OrganizationOpen System Interconnection 模型2:增强性能模型 EPA:Enhanced Performance Architecture 模型特点: 可以得到快速的响应时间,但是服务受到限制。
模型1:ISO 七层模型 数据单元之间关系模型2:增强性能模型 数据单元之间关系应用层表示层 会话层 传输层 网络层 链路层物理层应用(用户)过程•在线路上传输遵守字节由低向高传送;字符由低向高传送的规则•每个字符有1个启动位(二进制0),8位信息码,1位偶校位、1位停止位(二进制1)•线路空闲状态为二进制1。
在无线电通道或断载频方式时,需利用RS—232的信号RTS和CTS 发送若干1的载频后才能发送报文,以使调制解调器稳定。
5个基本服务(DTE-DCE)•发送•接收•连接•断开•状态指示: 忙链路层主要功能•应用数据封装,发送到物理层或相反•提供链路状态指示•报文重传•FCB位,DFC位的处理•控制物理层•防止数据碰撞•响应有效报文•平衡式和非平衡式传输•非平衡传输(Unbalanced tranmission)主站采用顺序地查询(召唤)子站来控制数据传输,在这种情况下主站是请求站,它触发所有报文的传输,子站是从动站,只有当它们被查询(召唤)时才可能传输。
•平衡传输(Balanced tranmission)采用平衡传输,每一个站可能启动报文传输。
因为这些站可以同时既作为启动站又可以作从动站,它们被称为综合站。
基本链路传输服务的三种类型链路服务级别功能用处S1 发送/无回答广播命令S2 发送/确认由控制站向数据终端发送命令等S3 请求/响应由控制站向数据终端召唤数据或事件标准传输帧的格式和结构(Format and structures of standard transmission formates)格式FT1.1:低级别的数据完整性要求格式FT1.2:高等级的数据完整性要求格式FT2 :高等级的数据完整性要求格式FT3 :特别高的数据完整性要求FT1.2可变帧格式可变帧长帧格式用于由主站向子站传输数据,或由子站向主站传输数据。
IEC101装置规约使用说明一、规约使用范围
二、规约可变选项
三、装置相关信息
无
四、装置可变选项
五、装置.txt文本配置方法
现场可以在“文本模板-IEC101装置v1.00”的基础上根据装置信息点表修改出组态需要的装置文本。
需要注意:
◆遥测:
每组最多配200条,超过200条另起一组,不足200条则不能另起一组,组号依次累加。
◆遥信:
每组最多配208条,超过208条另起一组,不足208条则不能另起一组,组号依次累加。
◆遥控:
每组最多配200条,超过200条另起一组,不足200条则不能另起一组,第一个遥控组的组号与装置可变选项中的“遥控起始组号”一致,后续组的组号依次累加。
◆遥调:
每组最多配200条,超过200条另起一组,不足200条则不能另起一组,第一个遥调组的组号与装置可变选项中的“遥调起始组号”一致,后续组的组号依次累加。
◆遥脉:
每组最多配200条,超过200条另起一组,不足200条则不能另起一组,组号依次累加。
◆档位:
每组最多配200条,超过200条另起一组,不足200条则不能另起一组,组号依次累加。
六、现场问题分析处理
七、修改历史。
101保护通讯规约说明_2008版解读电容器微机保护通讯规约说明规约标准原⽂请参照国内 1998-05-0l 实施的等同标准《远动设备及系统第5部分传输规约第101篇基本远动任务配套标准》。
1、通讯⽅式①通讯格式:异步,⼀位起始码,⼋位数据位,⼀位停⽌位,校验位可设置为⽆校验、奇校验或偶校验;②通讯速率:可为1200、2400、4800 波特率;③选址⽅式:可由软件设定,范围01 ~63 ;④通讯⽅式:监控主机与装置采⽤⼀对⼀(或⼀对多)主从查询⽅式。
2、通讯规约如下所⽰(下述发送或接收报⽂中,代码各项均为⼀字节HEX 码)帧格式:1)固定帧长帧格式(上位机召唤数据格式)固定帧长帧格式帧数据解释(上位机召唤数据格式):命令格式:0FEH 0FEH 0FEH 10H COMD ADDR CS 16H第四个字节10H为数据头(启动字符);第五个字节为控制命令字COMD=37H 为召唤保护动作信息命令;COMD=3AH 为召唤压板投退信息命令;COMD=67H 召唤正常运⾏参数COMD=6AH 召唤因引起保护动作时的参数COMD=6BH 若系统正常运⾏则,返回正常运⾏参数如果系统已经保护动作,则返回因引起保护动作时的参数。
第六个字节为本装置的地址;(1~63)第七个字节为数据帧校验和;CS=COMD+ADDR最后⼀个字节16H为数据结束(结束字符)。
2)可变帧长帧格式(下位机上传数据格式)数据长度从第⼀个68后⼀个字节(L)算起,⾄校验和(CS)⽌校验和从命令域(C)算起,加到帧校验和(CS)之前,最后保留最低字节。
可变帧长帧格式帧数据解释(下位机上传数据格式):1)上传压板投退信息第5个字节68H为数据头(启动字符);第6个字节为数据帧字节长度;第7个字节为数据帧字节长度(重复);第8个字节68H为数据头(启动字符);第9个字节为上位机下传的控制命令字,由下位机回传确认;第10个字节为本装置的地址;第11个字节{即链路⽤户数据(包含6个字节)的⾸字节}为电压保护压板投退信号,其格式如下:其位=1为保护投⼊,=0为未投⼊;第12个字节{即链路⽤户数据(包含6个字节)的第⼆个字节}为第⼀组电容器保护压板投退信号,其格式如下:其位=1为保护投⼊,=0为未投⼊;第13个字节{即链路⽤户数据(包含6个字节)的第三个字节}为第⼆组电容器保护压板投退信号,其格式如下:其位=1为保护投⼊,=0为未投⼊;第14个字节{即链路⽤户数据(包含6个字节)的第四个字节}为第三组电容器保护压板投退信号,其格式如下:其位=1为保护投⼊,=0为未投⼊;第15个字节{即链路⽤户数据(包含6个字节)的第五个字节}为第四组电容器保护压板投退信号,其格式如下:其位=1为保护投⼊,=0为未投⼊;第16个字节{即链路⽤户数据(包含6个字节)的第六个字节}为第五组电容器保护压板投退信号,其格式如下:其位=1为保护投⼊,=0为未投⼊;第17个字节为数据帧的校验和;第18个字节为16H,(结束字符)。
IEC60870-5-101规约说明一、适用范围1、网络拓扑结构本规约适用的网络拓扑结构为点对点、多点对点、多点共线、多点环形、多点星形等,通道可以是全双工或半双工的情况。
2、传输方式传输方式分为非平衡方式和平衡方式传输两种。
非平衡方式传输:只有主站启动各种链路传输服务,子站只有当主站请求时才传输。
这种传输方式对于所有网络结构都可适用。
但是在点对点和多点对点的网络结构中,非平衡方式传输没有充分发挥这种网络的内在潜力。
平衡方式传输:主站和子站可以同时启动链路传输服务,所以必须有一对全双工的通道。
这里规定对于点对点和多点对点的网络结构采用平衡方式传输,对于多点共线、多点环形和多点星形的网络结构采用非平衡方式传输。
二、帧格式本规约采用的帧格式为FT1.2异步式字节传输帧格式1、FT1.2可变帧长帧格式其具体格式如下传输规定:(1)线路空闲状态为1(2)每个字符有1位启动位(0),8位数据位,1位偶校验位,1位停止位(1)(3)每个字符间无需线路空闲间隔。
(4)两帧之间的线路空闲间隔最少为33位(5)帧长度L包括控制域、地址域、用户数据的字节总数,L最大为250(6)帧校验和为控制域、地址域、用户数据中所有字节的算术和(不考虑溢出)(7)接收校验●由串行接口芯片检查每个字符的启动位、停止位、偶校验位●校验两个启动字符应一致、两个L值应一致,接收字符数L+6、帧校验和、结束字符无差错则数据有效。
●在校验中,若检出一个差错,则舍弃此帧数据。
2、FT1.2固定帧长帧格式具体格式如下:传输规定:(1)线路空闲状态为1(2)每个字符有1位启动位(0),8位数据位,1位偶校验位,1位停止位(1)(3)每个字符间无需线路空闲间隔。
(4)两帧之间的线路空闲间隔最少为33位(5)无帧长度L(6)帧校验和为控制域、地址域中所有字节的算术和(不考虑溢出)(7)接收校验●由串行接口芯片检查每个字符的启动位、停止位、偶校验位●检查启动字符、结束字符以确定此帧长度是否正确●检查校验和●在校验中,若检出一个差错,则舍弃此帧数据。
IEC870-5-101规约报文解释一、规约格式简介1、祯格式101规约的基本祯格式如下所示,具体的解释请参照规约手册,这里不再重复。
固定祯长格式:可变祯长格式:规约中不同的命令,可能采用不同的祯格式。
2、控制域功能码说明主站下发子站功能码子站上送主站功能码二、主站初始化RTU下发命令流程(以非平衡方式通信)以下adrs 表示链路地址(一般为rtu 站址),comadr 表示公共地址(一般为rtu 站址),infadr_l 表示信息体地址低位,infadr_h 表示信息体地址高位,CS 表示祯校验和。
对时祯为长时标方式。
1、 询问链路状态 10 49 adrs CS 16子站回答 10 80 adrs CS2、 复位远方链路1040 adrs CS 子站回答 10 89 adrs CS 3、总召唤 68 10 10 68 16子站确认 68 09 09 68 80 adrs 64 01 07 comadr00 00 14 CS 16子站发送遥测遥信祯(下面将详细解释)子站发送总召唤结束祯68 09 09 68 88 adrs 64 01 0a comadr00 00 14 CS 164、 如果没有召唤全则进行分组召唤下发命令码: 68 09 09 68 7b adrs 64 01 05 comadr子站发送遥测遥信祯(和总召唤的一样,只是信息体地址会有所区别)5、 发对时令 68 0f 0f 68 53 adrs 67 01 06 comadr00 00 milliseconds_l milliseconds_hminutes hours day month year CS 16子站确认祯 68 0f 0f 68 80 adrs 67 01 07 comadr00 00 milliseconds_l milliseconds_hminutes hours day month year CS 166、 召唤全电度 68 09 09 68 73 adrs 65 01 06 comadr00 00 45 CS 16子站发送电度总召唤确认祯68 09 09 68 80 adrs 65 01 07 comadr00 00 45 CS 16子站发送电度祯(下面将详细讲述)子站发送电度结束祯 68 09 09 68 80 adrs 65 01 0a comadr00 00 45 CS 167、 如果电度没有召唤全则进行分组召唤电度68 09 09 68 7b adrs 65 01 05 comadr8、如果ACD位为1则召唤一级数据10 5a adrs CS 16子站发送遥信状态变位祯(下面将详细讲述)如果没有则子站发送E59、召唤二级数据10 7b adrs CS 16如果有变化遥测则子站发送变化遥测祯(下面将详细讲述)如果有SOE则子站发送事件顺序记录祯如果没有相应信息则子站发送E5以上任何一祯发送后子站都应有所回答,如果超时子站没有回答主站都会连发3遍,再没有回答则主站重新询问子站链路状态。
101通信规约第一部分基本定义一、适用范围1、网络拓扑结构本规约适用的网络拓扑结构为点对点、多点对点、多点共线、多点环形、多点星形等,通道可以是全双工或半双工的情况。
2、传输方式传输方式分为非平衡方式和平衡方式传输两种。
非平衡方式传输:只有主站启动各种链路传输服务,子站只有当主站请求时才传输。
这种传输方式对于所有网络结构都可适用。
但是在点对点和多点对点的网络结构中,非平衡方式传输没有充分发挥这种网络的内在潜力。
平衡方式传输:主站和子站可以同时启动链路传输服务,所以必须有一对全双工的通道。
这里规定对于点对点和多点对点的网络结构采用平衡方式传输,对于多点共线、多点环形和多点星形的网络结构采用非平衡方式传输。
二、帧格式本规约采用的帧格式为FT1.2异步式字节传输帧格式1、FT1.2可变帧长帧格式其具体格式如下传输规定:(1)线路空闲状态为1(2)每个字符有1位启动位(0),8位数据位,1位偶校验位,1位停止位(1)(3)每个字符间无需线路空闲间隔。
(4)两帧之间的线路空闲间隔最少为33位(5)帧长度L包括控制域、地址域、用户数据的字节总数,L最大为250(6)帧校验和为控制域、地址域、用户数据中所有字节的算术和(不考虑溢出)(7)接收校验●由串行接口芯片检查每个字符的启动位、停止位、偶校验位●校验两个启动字符应一致、两个L值应一致,接收字符数L+6、帧校验和、结束字符无差错则数据有效。
●在校验中,若检出一个差错,则舍弃此帧数据。
2、FT1.2固定帧长帧格式具体格式如下:传输规定:(1)线路空闲状态为1(2)每个字符有1位启动位(0),8位数据位,1位偶校验位,1位停止位(1)(3)每个字符间无需线路空闲间隔。
(4)两帧之间的线路空闲间隔最少为33位(5)无帧长度L(6)帧校验和为控制域、地址域中所有字节的算术和(不考虑溢出)(7)接收校验●由串行接口芯片检查每个字符的启动位、停止位、偶校验位●检查启动字符、结束字符以确定此帧长度是否正确●检查校验和●在校验中,若检出一个差错,则舍弃此帧数据。
IEC870-5-101规约介绍1.概述本篇介绍主站和RTU之间通讯的IEC870-5-101规约,该规约有两种传输方式:平衡式和非平衡式传输,在点对点和多个点对点的全双工通道结构中采用平衡式传输方式,在其它通道结构中只采用非平衡式传输方式。
平衡式传输方式中101规约是一种“问答+循环”式规约,即主站端和子站端都可以作为启动站;而当其用于非平衡式传输方式时101规约是问答式规约,只有主站端可以作为启动站。
2.帧格式简单说明2.12.22.3长度L长度L包括控制域、地址域、用户数据区的字节数,为二进制数。
2.4RES:备用PRM:启动报文位 =0:从动站,报文为确认报文或响应报文。
=1:启动站,报文为发送或请求报文。
FCB:帧计数位:启动站向从动站传输启动站向从动站传输新一轮的发送/确认、请求/响应服务时,将前一轮FCB取相反值。
FCV:帧计数有效位:启动站向从动站传输=0:表示FCB变化无效。
=1:表示FCB变化有效。
ACD:要求访问位:主站做从动站时ACD位无实际意义,ACD=0。
子站做从动站时ACD=0:表示子站无1级用户数据;ACD=1:表示子站有1级用户数据,希望向主站传输。
DFC:数据流控制位:从动站向启动站传输=0:表示子站可以继续接收数据。
=1:表示子站数据区满,无法接收新数据。
功能码(D3—D0):功能码范围为0—15(00H—0FH)。
2.5链路地址域链路地址域为子站站址。
2.6帧检验和帧检验和是控制、地址、用户数据区所有字节的算术和(不考虑溢出位即256模和)。
2.7 应用服务数据单元结构在监视方向上的过程信息类型标识=TYPE IDENTIFICATION:=UI8[1..8]<0..44><0>:= 未定义<1>:= 单点信息M_SP_NA_1<2>:= 带时标的单点信息M_SP_TA_1<3>:= 双点信息M_DP_NA_1<4>:= 带时标的双点信息M_DP_TA_1<5>:= 步位置信息M_ST_NA_1<6>:= 带时标的步位置信息M_ST_TA_1<7>:= 32比特串M_BO_NA_1<8>:= 带时标的32比特串M_BO_TA_1<9> := 测量值, 规一化值M_ME_NA_1<10> := 测量值,带时标的规一化值M_ME_TA_1<11> := 测量值, 标度化值M_ME_NB_1<12> := 测量值, 带时标的标度化值M_ME_TB_1<13> := 测量值, 短浮点数M_ME_NC_1<14> := 测量值, 带时标的短浮点数M_ME_TC_1<15> := 累计量M_IT_NA_1<16> := 带时标的累计量M_IT_TA_1<17> := 带时标的继电保护设备事件M_EP_TA_1<18> := 带时标的继电保护设备成组启动事件M_EP_TB_1<19> := 带时标的继电保护设备成组输出电路信息M_EP_TC_1<20> := 带变位检出的成组单点信息M_PS_NA_1<21> := 测量值, 不带品质描述词的规一化值M_ME_ND_1<22..29> := 为将来兼容定义保留<30> := 带CP56Time2a时标的单点信息M_SP_TB_1<31> := 带CP56Time2a时标的双点信息M_DP_TB_1<32> := 带CP56Time2a时标的步位置信息M_ST_TB_1<33> := 带CP56Time2a时标的32比特串M_BO_TB_1<34> := 带CP56Time2a时标的测量值, 规一化值M_ME_TD_1<35> := 带CP56Time2a时标的测量值, 标度化值M_ME_TE_1<36> := 带CP56Time2a时标的测量值, 短浮点数M_ME_TF_1<37> := 带CP56Time2a时标的累计量M_IT_TB_1<38> := 带CP56Time2a时标的继电保护设备事件M_EP_TD_1<39> := 带CP56Time2a时标的继电保护设备成组启动事件M_EP_TE_1<40> := 带CP56Time2a时标的继电保护设备成组输出电路信息M_EP_TF_1<41..44> := 为将来兼容定义保留在控制方向的过程信息类型标识=TYPE IDENTIFICATION:=UI8[1..8]<45..69>CON<45>:= 单点命令C_SC_NA_1 CON<46>:= 双点命令C_DC_NA_1 CON<47>:= 步调节命令C_RC_NA_1 CON<48>:= 设定值命令, 规一化值C_SE_NA_1 CON<49>:= 设定值命令, 标度化值C_SE_NB_1 CON<50>:= 设定值命令, 短浮点数C_SE_NC_1 CON<51>:= 32比特串C_BO_NA_1 <52..69> := 为将来兼容定义保留在监视方向的系统命令类型标=TYPE IDENTIFICATION=:=UI8[1..8]<70..99><70>:= 初始化结束M_EI_NA_1<71..99>:= 为将来兼容定义保留在控制方向的系统命令类型标识=TYPE IDENTIFICATION:=UI8[1..8]<100..109>CON<100>:= 总召唤命令C_IC_NA_1 CON<101>:= 计数量召唤命令C_CI_NA_1 CON <102>:= 读命令C_RD_NA_1 CON<103>:= 时钟同步命令C_CS_NA_1CON<104>:= 测试命今C_TS_NA_1 注:在控制方向标上(CON) 的应用服务数据单元是被确认的应用服务,在监视方向形成镜像,但传送原因不同. 这些镜像的应用服务数据单元用来作为肯定/否定认可(验证) 。
103可变帧格式说明注意68H 启动字符length 长度length 长度68H 启动字符CODE 控制域ADDR 链路地址域ASDU 应用服务数据单元CS 代码和16H 结束符TYP 类型标识VSQ 可变结构限定词COT传输原因ASDU ADDR 装置物理地址FUN 功能类别INF 信息序号信息元素值时标(ms)时标(min)时标(h)应用层(ASDU)表示层会话层传输层网络层链路层物理层信息体注意:1:103是采集规约,属于一对多通讯。
一般链路地址和ASDU ADDR保持一致。
这就是现场每个装置设置地址的原因。
2根据数据单元来辨别ASDU的具体位置。
一般涉及控制域,地址域的是串口通讯。
103报文ASDU结构图OSI应用报文信息头报文信息体数据单元类型信息体标识符信息体时标数据单元标识符101可变帧格式说明68H启动字符length长度length长度68H启动字符CODE控制域ADDR链路地址域ASDU应用服务数据单元CS代码和16H结束符TYP类型标识VSQ可变结构限定词COT传输原因ASDU ADDR公共地址信息体地址(一般两个字节,低前信息体元素信息体时标应用层(ASDU)表示层会话层传输层网络层链路层物理层信息体OSI应用注意:101属于转发规约,链路地址和公共地址一般是一个值。
一址。
信息体地址可以认为是转发表的地址。
一般涉及控制域,地址域的是串口通讯。
101报文ASDU结构图注意104可变帧格式68H APDU控制域8位位组1控制域8位位组2控制域8位位组3控制域8位位组4ASDUTYP VSQCOT(低位)COT(高位)ASDU公用地址低位ASDU公用地址高位信息体地址(一般3个字节,低前高后)信息体元素信息体时标应用层(ASDU)表示层会话层传输层网络层链路层物理层数据单元标识符注意:104属于转发规约,链路共地址。
信息体地址可以认为是转发表的地址。
一般涉及口通讯。
没有控制域,地址域,CS和16H结束符。
华东101规约1概述程序参考的规约文本是《IEC 60870-5-101 华东电网工程应用细则》,由于IEC870-5-101 标准的选项较多,给予用户带来不确定因素较多,容易给各用户的理解造成偏差,在系统接口上难以降低系统的调试难度和成本。
本细则严格遵循IEC 60870-5-101(版本57/566/CDV:2002)标准、严格遵循国家电力调度通信中心颁布的《DL/T634.5101-2002/IEC60870-5-101:2002(基本远动任务配套标准)应用规范》,并结合华东电网的实际工程的需求编写,对部分内容作了细化,以便于在华东电网远动101 规约应用的统一、有序地开展。
2重要说明2.1 规约说明在该规约中所有参数字节数都是固定的,具体规定如下:1)、可变结构限定词:1个字节2)、传送原因:1个字节3)、应用服务数据单元公共地址:1个字节4)、信息对象地址:2个字节2.2 程序处理说明1)、最多支持8个串口规约2)、最大支持遥测个数为2048个3)、最大支持遥信个数为4096个4)、最大支持遥脉个数为192个5)、最大支持遥控个数为1024个6)、如果该规约参数文件huadong.par读取不成功,则使用缺省参数。
7)、背景扫描间隔为600秒,循环遥测发送间隔为120秒。
8)、程序中处理的asdu类型有:asud1、asud20、asud2、asud30、asud9、asud13、asud15、asud37、asud45、asud46、asud47、asud70、asud100、asud101、asud102、asud103、asud104、asud105、asud106、asud110。
3通讯规约设置用NscAssit通讯组态软件在所需的串口选用“华东IEC101规约”,再设置相应的串口通信参数即可,如转发表、波特率、校验方式、传输方式、遥控方式、数据位、停止位、通讯方式等。
4huadong.par参数文件设置4.1 基本参数¾站址即链路地址和ASDU地址,该值是主站分配给子站的通讯地址。
2.6帧检验和
帧检验和是控制、地址、用户数据区所有字节的算术和(不考虑溢出位即256模和)。
3.平衡式传输(主站作为启动站的各种报文)
3.1 主站的询问顺序
主站请求链路状态→子站响应链路状态→主站复位远方链路→子站肯定确认
子站请求链路状态→主站响应链路状态→子站复位远方链路→主站肯定确认
链路过程若失败则重发3次,3次后停止通讯并置链路为断开状态。
主站的工作流程是主站总召唤→时间同步→召唤1级用户数据→进行遥控→时间同步→召唤2级用户数据→召唤分组YX→召唤分组YC
子站故障主动上传→主站肯定确认
3.2 复位远方链路报文
3.2.1主站复位远方链路帧(C_RL_NA_1)
3.5.5 子站发送总召唤结束帧(M_IC_NA_1)
子站时钟同步确认帧(C_CS_NA_1 ACTCON)
3.10.2 子站发送遥控命令确认帧(预置/执行)(C_DC_NA_1)。