0~200V连续可调线性稳压电源
- 格式:doc
- 大小:205.00 KB
- 文档页数:6
DIY日记0-30V可调线性稳压电源DIY日记——0-30V可调线性稳压电源啊哲作为一名电子爱好者,平时喜欢做一些电子小制作,在电路调试和制作过程中经常为电源犯愁,有时候为了调试一个简单的电路而单独搭一个电源,这样即费时又消磨DIY的兴致。
最近本人利用手头一些闲置零件,自己打造了一台“MINI”型直流0-30V可调稳压电源。
现将整个DIY过程与大家分享。
(图1)本人在深圳工作时买了几个大小不一的铝合金外壳(当时看到这些外壳挺漂亮就买了,一直闲置着),其中一个较大一点的外壳尺寸为:134x106x55mm。
家里还闲置了一个功率约30W左右的小变压器(该变压器是从旧黑白电视机上拆下来的,有8V和18V两组输出),其厚度还刚好能装到这较大尺寸的铝合金外壳内。
既然这么巧合,想不“撮合”它们都找不到理由了。
那接下来就是考虑稳压电路部分了,0-30V可调稳压电路可以通过以下几个方案来实现:1)采用运放加大功率管来实现(市面上很多批量生产的可调稳压电源都采用这种方案),该方案使用的材料非常低廉,但线路复杂不适合手工搭板;2)采用LM723专用电源稳压IC加大功率管来实现,该方案比较成熟,线路也比较简单,但LM723比较难买,需要到电子市场去找或邮购;3)采用LM317/338电源稳压IC,该方案线路非常简单,但按其典型应用电路接法,输出最低只能调到1.25V,要想0V起调必须加一个稳定的负电压基准来修正,一些电子杂志上也有人在LM317输出端串联2个二极管来降压,达到调“0V”的目的,这是初学的菜鸟们讨论的问题,大家心知肚明就行了;4)采用TL431电源稳压IC加大功率管来实现,该方案也具有线路简单的优点,但也同样遇到LM317不能调“0V”的问题;5)采用LM2576-ADJ开关型稳压IC来实现,该方案也具有线路简单、效率高等优点,但也同样遇到输出不能调“0V”的问题和电感线圈比较难加工;通过一番权衡利弊后,决定采用LM317的方案,刚好手头还有几个闲置的LM317T,“量身”设计的完整电路如图2所示。
操作使用说明书NHCD220-50系列可调式智能充电机输出稳压值0-220V、输出恒流值50A宽范围连续可调开关电源技术,体积小、重量轻、效率高、全隔离济南能华机电设备有限公司————————————————JINAN NENGHUA ELECTRICAL CO.,LTD安全要求为防止触电,非本公司授权人员,严禁拆开机箱。
请勿自行确定在产品上使用或安装替代器件,或执行任何未经授权的修改。
需维修时请将产品返回公司的维修部门进行维修,以确保其安全特性。
产品内部无操作人员可正常使用之部件,若需维修服务,请联系接受过培训的专业人员。
安全标识请参考本手册中特定的警告或注意事项信息,以避免造成人体伤害或产品损坏:高压警告提示注意,用于有危险的情况。
提示注意,用于一般情况。
接地保护操作说明目录1 开箱及检查 (3)1.1开箱注意事项 (3)1.2检查内容 (3)2 概述 (3)2.1 产品特点 (3)2.2 主要用途及适用范围 (3)2.3 工作环境条件 (4)2.4 产品特征与工作原理 (4)3 技术特性 (6)3.1 技术指标 (6)3.2 面板介绍 (6)4 安装、调试 (7)5 使用、操作说明 (9)6 故障分析与排除 (9)7 保养、维护 (9)8 运输、贮存 (10)9 产品质保与维修 (10)9.1质保期限 (10)9.2 保证限制 (10)9.3 联系我们 (10)1 开箱及检查1.1 开箱注意事项●首先仔细检查外包装是否完好无损,如有损坏,请与货运公司联系,对损坏情况进行评估处理。
●请用合适的工具将外包装拆除,取出电源。
注意开箱操作过程不要对电源造成损坏。
1.2 检查内容●检查产品型号规格是否与订购产品要求相符;●检查产品外观是否有损伤,如有上述情况,请联系生产商进行处理;●按照装箱清单检查随机附件、资料是否齐全。
2 概述2.1 产品特点本全自动充电机采用当今先进的无工频变压器开关电源技术,体积小、重量轻、效率高结合智能充电机技术,以延长电池使用寿命和及时为蓄电池充满电为宗旨,针对克服工频型充电机的缺点而设计,与工频型充电机比较能显著延长蓄电池使用寿命,做到完全免人工值守的全自动工作状态,特别适用于无人值守的充电场合。
0~24V可调直流稳压电源电路的设计方法1 引言电子电路要正常工作,电源必不可少,并且电源性能对电路、电子仪器和电子设备的使用寿命、使用性能等影响很大,尤其在带有感性负载的电路和设备(如电机)中,对电源的性能要求更高。
在很多应用直流电机的场合中,要求为电机驱动电路提供1个其输出能从0 V开始连续可调(0~24 V)的直流电源,并且要求电源有保护功能。
实际上就是要求设计一个具有足够调压范围和带负载能力的直流稳压电源电路。
该电路的设计关键在于稳压电路的设计,其要求是输出电压从0 V开始连续可调;所选器件和电路必须达到在较宽范围内输出电压可调;输出电压应能够适应所带负载的启动性能。
此外,电路还必须简单可靠,能够输出足够大的电流。
2 电路的设计符合上述要求的电源电路的设计方法有很多种,比较简单的有3种:(1)晶体管串联式直流稳压电路。
电路框图如图1所示,该电路中,输出电压UO经取样电路取样后得到取样电压,取样电压与基准电压进行比较得到误差电压,该误差电压对调整管的工作状态进行调整,从而使输出电压发生变化,该变化与由于供电电压UI发生变化引起的输出电压的变化正好相反,从而保证输出电压UO为恒定值(稳压值)。
因输出电压要求从0 V起实现连续可调,因此要在基准电压处设计辅助电源,用于控制输出电压能够从0 V开始调节。
单纯的串联式直流稳压电源电路很简单,但增加辅助电源后,电路比较复杂,由于都采用分立元件,电路的可靠性难以保证。
(2)采用三端集成稳压器电路。
如图2所示,他采用输出电压可调且内部有过载保护的三端集成稳压器,输出电压调整范围较宽,设计一电压补偿电路可实现输出电压从0 V起连续可调,因要求电路具有很强的带负载能力,需设计一软启动电路以适应所带负载的启动性能。
该电路所用器件较少,成本低且组装方便、可靠性高。
(3)用单片机制作的可调直流稳压电源。
该电路采用可控硅作为第一级调压元件,用稳压电源芯片LM317,LM337作为第二级调压元件,通过AT89CS51单片机控制继电器改变电阻网络的阻值,从而改变调压元件的外围参数,并加上软启动电路,获得0~24 V,0.1 V步长,驱动能力可达1 A,同时可以显示电源电压值和输出电流值的大小。
可调直流稳压电源实验报告1. 设计任务与要求(1) 设计任务设计并制作有一定输出电压调节范围的直流稳压电源。
(2) 基本要求1) 输出直流电压(o U )调节范围6~9V 。
(输入电压~13i U V ) 2) 纹波小于40mV 。
3) 稳压系数2210v S -≤⨯。
4) 输出电阻0.5o R ≤Ω。
5) 输出电流0~200mA 。
6) 具有过电流保护功能,动作电流~250mA 。
7) 利用通用板制作电路。
8) 给出电路的Multisim 软件仿真。
2. 电路设计过程图1 实验设计图纸由题目要求可知Q1两端的电压为i o U U -在()4~7V 之间,电流最大值为200mA ,因此最大的功率为()1.4W ,因此要选用一个大功率的三极管,我们选用功率为()1.67W 的MJE13005,为了保证在()0C 时也可以符合要求,在下面计算时,β值取10。
Q1两端的电压为11i D R U U U --,在()1.6~4.6V 之间,最大电流为()30mA ,最大功率为()0.138W 。
Q1两端的电压为()12 1.4be be U U V +=,最大电流为()18mA ,最大功率为()0.025W ,因此都选用小功率的9013三极管,在下面计算时,取β值为150。
由图可知:123612523602000.7a o b a I I I I I I I I mA U U U U Vββ=+=⋅=⋅≤≤==+ (1)且:453105I I I mA≥≥ (2)由于实际输入电压存在5%左右的误差,因此实际的输入电压大约在12~14V 之间,所以,当12Vcc V =,6200I mA =,9o U V =时,1R U 最小,由于35I mA ≥,因此可得:23163113131129.7200302.3 6.7bb Vcc U I I R Vcc U I I R V mAI R VmA I R β-=+-=+-=+=+ (3)由(2)式、(3)式可得:112.315209V mA mAR R -≥⇒<Ω(4)所以取1200R =Ω。
0~12V可调直流稳压电源电路图适合电子爱好者制作的从0V起调的稳压电源的电路如图所示。
0~12V可调直流稳压电源电路电路工作原理:由电阻R4、R5组成的采样电路将输出电压Vo的一部分送入运算放大器IC1的反相端,它与由稳压管VZ3、电阻R2和电位器RP组成的基准电压(晶体管V1、稳压管VZ1、电阻R0、R1组成的恒流源为稳压管VZ3提供稳定的电流)相比较,将比较结果送至输出端,从而控制晶体管V3的导通电压。
如果电位偏低,使Vo减小,采样电路亦使晶体管V3的c-e结电压减小,从而使Vo升高,反之亦然。
如此起到了稳定输出电压的作用。
晶体管V4和电阻R7组成过电流保护电路。
当输出电流超过额定电流(本电源为1A)时,V4导通,使晶体管V2和V3截止,输出端无电压输出,防止了电源损坏。
当输出电压小于6V,电流较大且输入电压又很高时,晶体管V3极间压差较大,会引起V3调整管功耗过大,为此本电源特别设置了电压自动转换电路,它由运算放大器IC2与电阻R8、稳压管VZ4及继电器K等组成。
稳压管VZ4与电阻R8组成IC2运算放大器的基准电压,当输出电压低于6V时,IC2输出低电平,继电器K不吸合,触点K1-1、K1-2分别接至变压器8V绕组和6V绕组稳压管;当输出电压高于6V时,IC2输出高电平,K1吸合,K1-1、K1-2分别接至变压器16V绕组和12V稳压管上。
由上可知,在输出电压低时,输人电压也低;输出电压高时,输人电压也高,从而减小V3的功耗。
电阻R9和电容C4组成继电器节能电路,可减小C2的功耗。
元器件选择:电路中变压器T选用二次带中心抽头的16V、功率为20OW的变压器。
运算放大器选用LM324单源四运算放大器。
稳压管VZ1选用4V左右的,VZ2选甲8V,VZ3a和VZ3b分别选用6V和12V的,要求稳压值准确,VZ4选用5.5~5.8V的稳压管。
晶体管V1要求β大于150,V3选用大功率NPN晶体管,型号不限,制作中要加足够的散热片。
实验一 电路元件伏安特性的测绘一、实验目的1. 学会识别常用电路元件;2. 掌握线性电阻、非线性元件伏安特性的测绘(逐点测试法);3. 掌握直流电工仪表的使用方法。
二、实验设备测量线性电阻的伏安特性必须有线性电阻;伏安特性指的是电压和电流的关系,必须有电压表和电流表;电路中有电压和电流必须要有电源。
因此实验设备如下:序号 名 称 型号与规格 数量 备注 1 可调直流稳压电源 0~30V 1 2 万 用 表 MF-47或其他 1 3 直流数字毫安表 0~200mA 1 4 直流数字电压表 0~200V 1 5 线性电阻器1KΩ/2W 1 6 白炽灯 12V/0.1A1 HE-11 7二极管1N4007,额定正流电流I F ≥1A ,反向电流I R ≤5μA 1HE-118 稳压二极管 2CW51,最大电流20mA1 HE-11三、实验原理1、要进行线性电阻的伏安特性测量,可测量某个电阻上不同的电压和电流,如何能得到不同的电压和电流?一种方法是把一个线性电阻和一个可调电源相连,每改变一次电源电压,就能改变电阻上的电压和电流,如图1-1;另一种方法是电源固定,在线性电阻电路中再串上一个可变线性电阻器,改变线性电阻器值的大小,就可改变电阻上的电压、电流的大小,如图1-2。
图1-1 测量线性电阻伏安特性方法一 图1-2 测量线性电阻伏安特性方法二2、白炽灯泡在工作时灯丝处于高温状态,其灯丝电阻随着温度升高而增大,通过白炽灯的电流越大,其温度越高,电阻也越大,一般灯泡的的“冷电阻”与“热电阻”可能相差几倍至几十倍。
3、我们所学过的器件中哪些是非线性器件?二极管、三极管等,下面我们测一下二极管的伏安特性,为了防止在测量过程中造成二极管的损坏,所选用的二极管的型号为1N4007,另外还需要限流电阻(200Ω/1W ,十进制可变电阻器)。
要进行二极管伏安特性测量,可测量其上不同的电压和电流,如何能得到不同的电压和电流?先研究一下正向特性的测量:把一个二极管和一个可调电源相连,每改变一次电源电压,就能改变二极管两端的电压和电流,如图1-3。
摘要:电子电路要正常工作,电源必不可少,并且电源性能对电路、电子仪器和电子设备的使用寿命、使用性能等影响很大,尤其在带有感性负载的电路和设备(如电机)中,对电源的性能要求更高。
在很多应用直流电机的场合中,要求为电机驱动电路提供1个其输出能从0 V 开始连续可调(0~12 V)的直流电源,并且要求电源有保护功能。
实际上就是要求设计一个具有足够调压范围和带负载能力的直流稳压电源电路。
该电路的设计关键在于稳压电路的设计,其要求是输出电压从0 V开始连续可调;所选器件和电路必须达到在较宽范围内输出电压可调;输出电压应能够适应所带负载的启动性能。
此外,电路还必须简单可靠,能够输出足够大的电流。
关键字: LM317 稳压电源线性电源连续可调散热片TO-220目录第一章:概述1.1发展趋势………………………………………………() 1.2课题方案的选择………………………………….……() 第二章:总体方案设计………………….…()第三章:硬件设计3.1硬件总体设计方案图……………………………………() 3.2工作原理…………………………………………………() 第四章:调试和实验4.1注意事项…………………………………………………() 4.2方法或步骤………………………………………….……() 第五章总与展望……………………………………()参考文献:………………………………………….……()第一章:直流可调稳压电源(0~12V)概述1.1发展趋势可调电源是采用当前国际先进的高频调制技术,其工作原理是将开关电源的电压和电流展宽,实现了电压和电流的大范围调节,同时扩大了目前直流电源供应器的应用.直流稳压电源的控制芯片是采用目前比较成熟的进口元件,功率部件采用现国际上最新研制的大功率器件,可调直流稳压电源设计方案省去了传统直流电源因工频变压器而体积笨重。
与传统电源相比高频直流电源就较具有体积小、重量轻、效率高等优点,同时也为大功率直流电源减小体积创造了条件,此电源又称高频可调式开关电源。
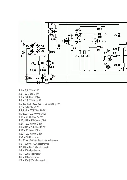
R1 = 2,2 KOhm 1WR2 = 82 Ohm 1/4WR3 = 220 Ohm 1/4WR4 = 4,7 KOhm 1/4WR5, R6, R13, R20, R21 = 10 KOhm 1/4W R7 = 0,47 Ohm 5WR8, R11 = 27 KOhm 1/4WR9, R19 = 2,2 KOhm 1/4WR10 = 270 KOhm 1/4WR12, R18 = 56KOhm 1/4WR14 = 1,5 KOhm 1/4WR15, R16 = 1 KOhm 1/4WR17 = 33 Ohm 1/4WR22 = 3,9 KOhm 1/4WRV1 = 100K trimmerP1, P2 = 10KOhm linear pontesiometer C1 = 3300 uF/50V electrolyticC2, C3 = 47uF/50V electrolyticC4 = 100nF polyesterC5 = 200nF polyesterC6 = 100pF ceramicC7 = 10uF/50V electrolyticC8 = 330pF ceramicC9 = 100pF ceramicD1, D2, D3, D4 = 1N5402,3,4 diode 2A - RAX GI837UD5, D6 = 1N4148D7, D8 = 5,6V ZenerD9, D10 = 1N4148D11 = 1N4001 diode 1AQ1 = BC548, NPN transistor or BC547Q2 = 2N2219 NPN transistorQ3 = BC557, PNP transistor or BC327Q4 = 2N3055 NPN power transistorU1, U2, U3 = TL081, operational amplifierD12 = LED diode这个电源如果用2N3055是很容易坏的,尽管它的参数看起来很光鲜,目前这类三极管假货也太多。
《电路与模电》实验报告实验题目:基尔霍夫定律的验证姓名: 学号: 实验时间: 实验地点: 指导老师: 班级:一、实验目的:1. 验证基尔霍夫定律的正确性,加深对基尔霍夫定律的理解。
2. 掌握使用直流电工仪表测量电流、电压的方法。
3. 学会应用电路的基本定律,分析、查找电路故障的一般方法。
二、实验原理:1.基尔霍夫定律是电路的基本定律。
测量某电路的各支路电流及多个元件两端的电压,应能分别满足基尔霍夫电流定律和电压定律。
即: 对电路中任何一个节点而言,应满足ΣI =0; 对电路中任何一个闭合回路而言,应满足ΣU =0。
运用上述定律时,必须注意电流、电压的实际方向和参考方向的关系。
2.依据基尔霍夫定律和欧姆定律可对电路的故障现象进行分析,准确定位故障点。
若在一个接有电源的闭合回路中,电路的电流为零,则可能存在开路故障;若某元件上有电压而无电流,则说明该元件开路;若某元件上有电流而无电压,说明该元件出现了短路故障。
三、实验内容及步骤:1. 先任意设定三条支路的电流参考方向,如图1-1所示。
三个回路的正方向可设为ADEFA 、BADCB 、FBCEF 。
图1-1 实验电路2. 分别将两路直流稳压源接入电路,令E 1=6V ,E 2=12V 。
装订线3. 将电流插头的两端接至数字毫安表的“+、-”两端, 将电流插头分别插入三条支路的三个电流插座中,读出并记录各电流值。
图1-2是电流插头插座的用法示意。
4. 用直流数字电压表分别测量、并记录两路电源及电阻元件上的电压值。
5. 分别按下故障开关A 、B 、C ,借助电压表、电流表,找出电路的故障性质和故障点。
图1-2 使用插头插座测量电流表1-1 测量数据及计算值电流单位: mA 电压单位:V表1-2 故障分析记录四、实验设备电流插座装订线五、注意事项1. 测量验证基尔霍夫定律的数据时,三个故障开关均不按下,即不设人为故障。
2. 实验电路中的开关S3应向右,拨向510Ω侧。
目录第一章绪言 (1)第二章芯片介绍 (2)2.1 LM317特性 (2)2.2 LM317常用的电路 (3)第三章电路原理及元器件作用 (4)3.1 电路原理 (4)3.2 电路元器件的作用 (5)第四章技术指标及制作 (6)4.1 技术指标 (6)4.2 制作安装要求 (8)带过流保护的直流可调稳压源[ 摘要] 介绍一种性能优良、使用十分安全可靠、电路简洁和便于安装调试的可调直流稳压电源, 其主要性能特点是输出电压十分稳定, 温漂, 时漂都很小, 电压调整率及电流调整率都很低, 动态内阻小、纹波电压低; 输出电压可调范围宽和具有双重过流保护作用, 故十分适合于科研、生产部门及学校实验室使用。
特别适合于那些对电源要求较高的测试仪器设备中。
其关键在于使用性能优良的第二代可调集成稳压器及合理选配元器件、配备可靠的过流保护装置, 还应注意合理的电路布局及制作工艺。
第一章绪言随着半导体工艺的发展,稳压电路也制成了集成器件。
由于集成稳压器具有体积小,外接线路简单、使用方便、工作可靠和通用性等优点,因此在各种电子设备中应用十分普遍,基本上取代了由分立元件构成的稳压电路。
集成稳压器的种类很多,应根据设备对直流电源的要求来进行选择。
对于大多数电子仪器、设备和电子电路来说,通常是选用串联线性集成稳压器。
而在这种类型的器件中,又以三端稳压器应用最为广泛,现今市面上的电源种类多,功能齐全,虽然三段稳压器本身就带有过流保护,但是整体设计带过流保护的相关产品甚微,因此下面就基于LM317和晶闸管设计的带有过流保护的连续可调直流稳压电源予以介绍。
第二章芯片介绍2.1 LM317特性LM317是美国国家半导体公司的三端可调正稳压器集成电路,其输出范围是1.25V到37V,负载电流最大为1.5安。
他的使用非常简单,外接两个电阻就可以设置输出电压,此外他的线性调整率和负载调整率也比标准的固定稳压器好,LM317内置有过流保护和安全区保护等多种电路,通常也不需要外接电容。
可调稳压电源电路图设计(一)简易可调稳压电源采用三端可调稳压集成电路LM317,使电压可调范围在1.5~25V,最大负载电流1.5A。
其电路如图所示。
电路工作原理:220V交流电经变压器T降压后,得到24V交流电;再经VD1~VD4组成的全桥整流、C1滤波,得到33V左右的直流电压。
该电压经集成电路LM317后获得稳压输出。
调节电位器RP,即可连续调节输出电压。
图中C2用以消除寄生振荡,C3的作用是抑制波纹,C4用以改善稳压电源的暂态响应。
VD5、VD6在当输出端电容漏电或调整端短路时起保护作用。
LED为稳压电源的工作指示灯,电阻R1是限流电阻。
输出端安装微型电压表PV,可以直观地指示输出电压值。
元器件的选择与制作:元器件无特殊要求,按图所示选用即可。
制作要点:①C2应尽量靠近LM317的输出端,以免自激,造成输出电压不稳定;②R2应靠近LM317的输出端和调整端,以避免大电流输出状态下,输出端至R2间的引线电压降造成基准电压变化;③稳压块LM317的调整端切勿悬空,接调整电位器RP时尤其要注意,以免滑动臂接触不良造成LM317调整端悬空;④不要任意加大C4的容量;⑤集成块LM317应加散热片,以确保其长时间稳定工作。
可调稳压电源电路图设计(二)大电流可调稳压电源电路此稳压电源可调范围在3.5V~25V之间任意调节,输出电流大,并采用可调稳压管式电路,从而得到满意平稳的输出电压。
工作原理:经整流滤波后直流电压由R1提供给调整管的基极,使调整管导通,在V1导通时电压经过RP、R2使V2导通,接着V3也导通,这时V1、V2、V3的发射极和集电极电压不再变化(其作用完全与稳压管一样)。
调节RP,可得到平稳的输出电压,R1、RP、R2与R3比值决定本电路输出的电压值。
元器件选择:变压器T选用80W~100W,输入AC220V,输出双绕组AC28V。
FU1选用1A,FU2选用3A~5A。
VD1、VD2选用6A02。
1 引言电子电路要正常工作,电源必不可少,并且电源性能对电路、电子仪器和电子设备的运用寿命、运用性能等影响很大,尤其在带有感性负载的电路和设备(如电机)中,对电源的性能要求更高。
在很多运用直流电机的场合中,要求为电机驱动电路提供1个其输出能从0 V 开始连续可调(0~24 V)的直流电源,并且要求电源有保卫功能。
实际上就是要求设计一个具有足够调压范围和带负载能力的直流稳压电源电路。
该电路的设计关键在于稳压电路的设计,其要求是输出电压从0 V开始连续可调;所选器件和电路必须达到在较宽范围内输出电压可调;输出电压应能够适应所带负载的启动性能。
此外,电路还必须基本可靠,能够输出足够大的电流。
2 电路的设计符合上述要求的电源电路的设计要领有很多种,比较基本的有3种:(1)晶体管串联式直流稳压电路。
电路框图如图1所示,该电路中,输出电压UO经取样电路取样后得到取样电压,取样电压与基准电压执行比较得到误差电压,该误差电压对调整管的工作状态执行调整,从而使输出电压发生变化,该变化与由于供电电压UI发生变化引起的输出电压的变化正好相反,从而保证输出电压UO为恒定值(稳压值)。
因输出电压要求从0 V起实现连续可调,因此要在基准电压处设计辅助电源,用于控制输出电压能够从0 V开始调节。
单纯的串联式直流稳压电源电路很基本,但添加辅助电源后,电路比较复杂,由于都采用分立元件,电路的可靠性难以保证。
(2)采用三端集成稳压器电路。
如图2所示,他采用输出电压可调且内部有过载保卫的三端集成稳压器,输出电压调整范围较宽,设计一电压补偿电路可实现输出电压从0 V起连续可调,因要求电路具有很强的带负载能力,需设计一软启动电路以适应所带负载的启动性能。
该电路所用器件较少,成本低且组装方便、可靠性高。
(3)用单片机打造的可调直流稳压电源。
该电路采用可控硅作为第一级调压元件,用稳压电源芯片LM317,LM337作为第二级调压元件,通过AT89CS51单片机控制继电器改动电阻网络的阻值,从而改动调压元件的外围参数,并加上软启动电路,获得0~24 V,0.1 V 步长,驱动能力可达1 A,同时可以显示电源电压值和输出电流值的大小。
0-90v可调电源原理
0-90V可调电源的原理主要是通过变压器、整流桥、滤波电容、电压稳定器等元件完成的。
首先,输入的交流电通过变压器进行降压或升压,得到所需的工作电压范围,通常是从220V或110V降压至较低的电压。
接下来,通过整流桥将交流电转换成直流电,整流桥中包括四个二极管,通过对输入的交流电进行正向和反向导通,实现了交流电向直流电的转换。
直流电经过整流后,仍然可能存在一些波动和纹波,为了保证电源的稳定性和输出的纹波较小,需要使用滤波电容进行滤波。
滤波电容通过存储电荷,减小输出电平的波动,使得输出电压更加稳定。
为了实现可调性,通常会使用电压稳定器,如稳压管、稳压二极管、三端稳压器等。
电压稳定器可以根据输入的电压变化自动调节输出的电压,保持输出电压稳定在所需要的范围内。
通过上述电路组成,可以实现0-90V可调的电源。
通过调节
输入的交流电压、整流桥和滤波电容的参数以及电压稳定器的设置,可以得到所需的输出电压范围和稳定性。
0~200V连续可调线性稳压电源
作者:■沈阳工业大学陈之勃辽宁工业大学陈永真时间:2008-02-01 来源:电子设计应用08年第一
期
摘要:本文提出了常规线性可调稳压电源在输出电压切换时出现的输出电压上冲问题,和应用UC3832作为控制芯片的连续可调线性稳压电源的设计思路,以及如何克服UC3832的电源电压限制输出电压的电路设计思路。
关键词:UC3832;输出电压过冲;参考电位
引言
通常的线性稳压电源的大范围调节除需要精确调节的电位器外,还需要输出电压粗调的转换开关,以切换变压器输出绕组的电压,减小调整管的损耗并切换采样电阻,从而减小电压调节电位器的电压调节范围,保证输出电压的调节精度。
但存在的问题是:在大范围调节时需要通过变换电压粗调节的转换开关实现,在转换过程会出现输出电压的过冲。
如某稳压电源从9.36V转换到4.48V的瞬间,输出电压从9.36V跃升到10.40V,尽管是将输出电压向低调节,但还是出现了电压过冲,如图1所示。
这样,在电路接在稳压电源输出端时,可能会因为换挡造成输出端所接的电路因过电压损坏;另外,通常的可调线性稳压电源多为0V~30V,如为
36V(30V~43V)、48V(40V~65V)和110V(85V~150V)电压等级的电路供电则需至少两路或两路以上的电源串联,给应用带来很多不便;通常的可调线性稳压电源多采用截止型或减流型过电流/短路保护,在恒流或冲击性负载时不能全载启动,甚至可能出现在瞬时的电流冲击下,过电流保护而掉电的现象。
为此,本文提出具有限流/截止交替型过电流/短路保护功能的0~200V全范围连续可调线性稳压电源。
图1 稳压电源换挡过程产生的电压过充
功能的确定
采用多圈电位器在0~200V全范围连续调节,使得调节过程不会出现输出电压突变;具有输出限流/截止交替型过电流/短路保护功能,可以在恒流或冲击性负载条件下全载启动;具有预稳压功能,以尽可能减小调整管的损耗。
过电流/短路保护的实现
限流/截止交替型过电流/短路保护方式,具有限流型保护,且可以全载恒流启动、自动重启动和截止型保护状态的低功耗线性稳压电源的所有优点。
其基本思路是:在启动过程中或电路进入电流/短路保护方式时,稳压电源首先进入限流保护状态,以确保在恒流型全载或冲击性负载时能顺利启动,通常这个过程仅需要很短时间(1ms~100ms),不致达到损坏电源调整管的程度。
当输出电压达到稳压值以后,由于输出电流已回落到限流值以下,电路退出限流功能,稳压电源进入正常工作状态;如出现过电流则保护电路首先进入限流保护状态,以消除瞬时冲击电流的影响。
如在限定时间内仍处于过电流状态,则保护电路认定为故障过流,并进入截止型保护状态。
过一段时间后(如限流保护限时的20~30倍的时间)重新恢复限流保护状态,如此时负载恢复正常,则稳压电源应能正常启动;如过电流故障依旧,保护电路则再一次进入截止状态,周而复始,如图2所示。
图2 限流/截至交替型过电流保护的原理及主要波形
解决方案的基本思路
控制电路的选择
为实现限流/截止交替型过电流/短路保护方式,并且保证电源调整管的低输入/输出压降,最简单的实现方式是应用线性稳压电源专用控制芯片UC3832。
原理框图和简单应用电路如图3所示。
图3 UC3832原理框图及应用电路
存在的问题与解析
本文所需要解决的问题是:UC3832的极限工作电压为40V,因此,按图3实现电路的最高输入电压仅能达到33V(还需扣除辅助电源的7V),尽管可以满足0~30V的稳压范围,但绝不会达到40V以上的稳压电源工作需求。
因此需要在图3电路的基础上加以改进,使其能够适合40V以上的输出电压。
图3电路的输入电压不能超过33V的原因是:UC3832的相关引脚与输入的正、负两端相连,使UC3832承受电压为整个输入电压和辅助电源电压之和。
能否在充分利用UC3832的优点的基础上,改进电路拓扑,使UC3832可以满足任意高的输入电压。
这就是应用UC3832实现输出电压高于33V稳压电源的关键之处。
解决问题的思路
可以采用非常规的电路形式,使UC3832避开过高的输入电压应力。
其基本实现思路是:改变UC3832接线方式,使UC3832的相关引脚与稳压电路的某一点,而不是两点或两点以上相连接,这样,UC3832所承受的电压将仅仅是为UC3832供电的电源电压,不再承受输入电源电压。
接下来的问题就是UC3832的相关引脚与稳压电路的哪一点相连。
这一点不仅要使UC3832能检测到输出电压,而且还要方便地控制输出电压调整管,实现输出电压的调节与稳定。
因此,这个稳压电路的某一点只能接“参考公共端”,这个“参考公共端” 只能是电源调整管的源极(发射极),即输出正端。
由于“参考公共端”由原输出负
端改变到输出正端,因此,电路的其他部分也需作相应的改动,即:
①:UC3832的正电源引脚电位比输出端电位高8V;
②:UC3832的“公共端”引脚电位比输出端电位低5V,并且作为基准电压的一部分;
③:误差放大器的同相端接输出电压检测,反相端接UC3832的内部基准端;
④:检测电阻的负端接低于输出负端2.5V的参考电压;
⑤:调节输出电压的电位器由原来接输出正端和误差放大器输入端变为接输出负端与误差放大器输入端;
⑥:调节输出电压的电位器采用4个多圈电位器串联,以保证输出电压的调节精度。
修改后的电路如图4所示。
连续调节的实现
线性稳压电源输出电压的连续调节需要考虑以下问题:如何保证输出电压的调节精度,解决的方法是调节输出电压的电位器采用4个多圈电位器串联,如图4所示。
这样调节精度将与现有的线性稳压电源的精度相同。
图4 0~200V连续可调线性稳压器电源电路原理
预稳压的实现
要使电源调整管的损耗尽可能小,可以采用检测输出电压,根据不同的输出电压将整流器切换到合适的变压器次级电压。
可以采用比较器驱动相应的继电器切换变压器次级抽头。
这里不再赘述。
测试结果
由于采用了性能优异的UC3832作为控制电路,可以精确地实现输出电压的调节,分辨率可以接近1mV;输出纹波电压小于0.2mV;通过采用大容量整流滤波电容器,使源效应几乎为零;负载效应,在25%~75%变化时小于1mV。
■
参考文献:
1. UNITRADE. PRORCT& APPLICATIONS HANDBOOK.1993-1994, PP.9-189-9-198
2. 陈永真等,UC3832改善线性稳压电源的性能,电子设计应用,2005.1。