mapgis图例版制作
- 格式:doc
- 大小:737.00 KB
- 文档页数:6
将光标放在文件或要素层以外位置按右键,系统会弹出对话框。
新建工程图例:当您录入数据时,在输入另一类图元之前,都要进入菜单修改此类图元的缺省参数,这样无疑是重复操作,并且影响工作效率。
为此,您可以生成含有固定参数工程图例,系统将其放到图例板中,在数据输入时,您直接拾取图例板中某一图元的固定参数,这样就可以您灵活输入了。
建议在您进行数据输入之前,最好提前根据图幅的内容,建立完备的工程图例。
1. 选择图例类型,不同类型的图元对应不同类型的图例。
2. 输入图例的名称和描述信息的分类码。
3. 设置图例参数:首先选择图元类型,然后输入图元的各种参数。
4. 属性结构和属性内容:在这里的属性结构和属性内容与点、线、区菜单下的有所不同,当您对图例的属性结构和属性内容进行修改时,并不影响在文件中的属性结构及属性内容。
5. 按添加按钮,将图例添加到右边的列表框中。
6. 如果您要修改某图例,先用光标激活图例,再按编辑按钮,或者用光标双击列表框中的图例,这样系统马上切换到图例的编辑状态,于是就可以对图例参数及属性结构、内容进行修改了。
修改后,按确定按钮,由于此时在图例编辑状态,确定按钮只是对所修改的内容进行确认。
当输入了其它类型的图例后,再次按确定按钮,此时系统要求您保存图例文件。
7. 关联工程图例一个MPJ工程只能有一个工程图例文件,关联工程图例是使当前MPJ工程文件与指定的工程图例相匹配。
8. 创建分类图例文件在制作图件时为了便于他人阅读,常常需要附带图例,这样您可以利用已编辑好的工程图例,直接添加到工程文件当中,作为图幅的组成部分。
第一步:选择CLN图例文件,将它添加到工程中,作为图幅的图例。
第二步:设置CLN图例文件,出现在工程文件中的文件名和路径。
第三步:选择符合您意愿的图例边框。
第四步:确定图例集合在图幅中的位置和大小,缺省位置在图幅的左下角。
第五步:选择图例的排列方式,以行优先是指图例从左到右排列,以列优先是指图例从上到下排列。
MapGIS工程图例制作图例版可以方便地提供取图形固定参数和固定属性,也可以方便地进行统改图形的参数,在MAPGIS6.7还提供了一种关联技术,让图列中的不同要素与不同的文件进行关联,这样在输入时,就可以大大提高作图的效率。
如何制作图例,上面所说的如何实现呢?(注意:图例版只能在工程状态下才能新建,使用)第一步:新建工程(注意:图例版只能在工程状态下才能新建,使用,所以要先新建一个工程)。
在新建工程完成后,将出现两个窗口,右边的窗口为图形窗口,左边的为工程的文件管理窗口(如果看不见左边的窗口,请用窗口/显示工作台功能,将工程管理窗口显示出来)第二步:在工程管理窗口中点击鼠标右键,在弹出菜单中选择新建工程图例功能,将会弹出一个“工程图例编辑器”。
第三步:编辑分类(如果你想实现文件与要素之间的关联,这一步就必需编辑,反之,可以不编辑)。
分类是一个广义的概念,是一类要素的总称。
分类与图例的关系是分类中包含许多的图例。
在编辑分类还有两个按钮,即修改属性结构和修改属性内容,其功能主要用于编辑缺省属性结构。
第四步:编辑每个分类中的具体图例以及每个图例的缺省属性。
第五步:在工程文件管理窗口中点击鼠标右键,在弹出的菜单中选择新建文件功能,在此新建两个文件。
用来存放个要素的,并分别对这两个文件定义属性结构。
第六步:在工程管理窗口中击鼠标右键,弹出菜单中选择关联图例文件功能。
弹出一个对话框,选择一个图例文件。
第七步:进行文件与分类的关联。
双击每一个文件后的说明位置,弹出一个对话框,在分类码处输入一个分类码,每个文件都要与某一个分类码进行关联。
第八步:在工程管理窗口中点击鼠标右键,弹出菜单中选择打开图例版功能。
下面就可以使用了。
到此,关于图例的定义和使用就结束了。
还有一些其它使用比如统改属性,统改参数等.MapGIS问题:如何创建和使用工程图例MapGIS应用 2009-12-20 18:24:33 阅读278 评论1 字号:大中小订阅①首先打开工程文件。
一、如何将mapgis的图形插到word、excel、PowerPoint 中首先点取mapgis菜单“其他->OLE拷贝”,接着打开word,点取“粘贴”。
Mapgis数据就复制到word 文档里。
二、空心字格式使用空心字时,字体采用相应字体编号的负数。
如:-3表示黑体空心字。
三、合并区1、可以在屏幕上开一个窗口,系统就会将窗口内的所有区合并,合并后区的图形参数及属性与左键弹起时所在的区相同。
2、也可以先用菜单中的选择区功能将要合并的区拾取到,然后再使用合并区功能实现。
3、还可以先用光标单击一个区,然后按住 CTRL 键,在用光标单击相邻的区即可。
四、翻转图形在Mapgis中的其它下面整图变换中比例参数的X比例中输入法-1或Y比例中输入-1后确定。
五、CAD转化为MAPGIS1.将CAD文件另存为2004/2000DXF格式。
2.在MAPGIS主程序中选择“文件转换”。
3.输入中选择转入DXF文件,确定并复位4.保存点线文件(面无法转化)六、MAPGIS转化为CAD1.在MAPGIS主程序中选择“文件转换”。
2.分别装入点线文件,复位并全选。
3.输出中选择“部分图形方式输入DXF”全选并确定。
4.打开保存的DXF文件,用CAD复位显示图形,并改字体样式。
5.保存成CAD格式。
七、如何把JPG格式的转成MSI格式图象处理----------图象分析模块。
在里面点:文件--------数据输入--------转换数据类型(选JPG)---------添加文件---------转换转换后的格式为mapgis的msi影像文件!转换为MSI文件格式后再在输入编辑里,导入后矢量化。
八、在电脑里如何做剖面图,不用手画,而且精度更高!1、先把MAPGIS图生成JPG格式,在PHOTOSHOP中图像—图像大小—文挡大小中输入经过变化后的宽度和高度数字(根据剖面图的比例和JPG图的比例关系得出);然后按需要裁剪,以减少图形的所占内存;2、裁剪后旋转使剖面线处于水平位臵;3、在MAPGIS中插入裁剪旋转后光栅文件,新建线和点文件,以剖面线为水平的X轴,画垂直X轴的线为Y轴,以剖面线起点的位臵为坐标原点,以剖面线起点的高程为起始Y轴刻度,在X和Y轴上标上相对应比例尺的刻度。
欢迎共阅
MAPGIS 子图、线形、图案的制作方法
先来认识一下符号编辑框,如下图,符号编辑框为高各一毫米的正方形,高宽都20等分,所以每一个小格刻度为0.05毫米,中心坐标为(0,0),好了我们已经认识了符号编辑框,下面我们通过具体 步骤:系统库→编辑符号库→弹出编辑符号窗口→点击清除→按符号各部分乘后的长度在1mm 见方的编辑框中用“输入线”画出→见下图3m m
3m m
1.5
mm
基
线
图中的基线就是在编辑中输入线过程中鼠标走过的位置。
用户可在符号编辑框中
三、图案
图案的制作方法基本雷同,不在叙述。
结尾:会遇到的问题
有时会遇到编辑好的符号线型保存不住。
解决方法:
宽为0.05,宽度不可变,色为辅助颜色
宽为0.03,宽度不可变,色为辅助颜色
宽为0.01,宽度可变,色为主替色
出现这种情况的主要原因是因为系统库(SLIB)目录中的文件为只读文件或者因为在某时由于文件在只读的情况下,编辑了子图、线型而造成了即使把文件属性改为存档,也存不住的现象。
还有一种情况是,同时开好几个MAPGIS窗口,也会出现类似现象。
方法:
1、关闭MAPGIS的所有窗口。
2、把SLIB中的所有文件属性改为存档文件。
2、打开“编辑”窗口,编辑子图或线型,任意提取一子图,连续保存,把那些有
子图号而没有图形的子图都替换掉,
3、关闭MAPGIS所有窗口,重新打开即可。
4连续保存,把那些有子图号而没有图形的子图都替换掉,。
MapGIS 10 制图流程操作手册2014年5 月武汉第 1 章栅格几何校正1.1栅格数据标准图幅校正(DRG校正)流程标准图幅校正主要是对国家绘制的标准地形图进行操作。
由于早期标准地形图以纸质档保存,为便于统一管理和分析应用,将其扫描为电子地图后,可利用标准图幅校正操作,将图幅校正为正确的地理坐标的电子图幅,在标准图幅校正的过程中,不仅可以为标准地形图赋上正确的地理坐标,也可对扫描时造成的形变误差进行修正。
步骤1:影像数据入库管理在实际操作中,为便于统一管理数据,需将影像数据导入到数据库中。
可利用GDBCatalog—栅格数据集右键—导入影像数据功能实现数据的入库操作。
步骤2:启动栅格几何校正在栅格编辑菜单选择标准图幅校正功能,视图显示如下:注意:在进行标准图幅校正前,需对图幅的信息进行读取,如图幅号、网格间距、坐标系信息。
校正影像显示窗口:控制点全图浏览窗口;校正文件局部放大显示窗口:控制点确认窗口,放大在校正影像显示窗口中选择的内容;控制点列表显示窗口:显示图中控制点信息。
步骤3:根据图幅信息生成GCP控制点1、选择栅格数据在标准图幅校正设置窗口的校正图层项浏览选择栅格数据(若当前地图已添加待校正的栅格数据则可直接点下拉条选择添加),如图:2、输入图幅信息点击[下一步],设置图幅信息,如图:在“图幅信息”对话框中各参数说明如下:i.图幅号:读图输入图幅号信息。
ii.网格间距:读图输入格网间距。
iii.坐标系:读图选择选择坐标系信息。
iv.图框类型:加密框是根据图幅信息生成梯形图框,而四点框是直接生成矩形内框,加密框的精度相对较高。
此处是对1:1万的图幅进行校正,用四点框即可。
v.最小间隔:添加的控制点的相邻点间距vi.采用大地坐标:指生成的标准图幅是否采用大地坐标,若采用大地坐标,则单位为米,否则采用图幅自身的坐标单位。
3、定位内图廓点,建立理论坐标和图像坐标的对应关系。
点击[下一步],在该对话框定位内图廓点,建立理论坐标和图像坐标的对应关系。
MapGIS 10 制图流程操作手册2014年5 月武汉第 1 章栅格几何校正1.1栅格数据标准图幅校正(DRG校正)流程标准图幅校正主要是对国家绘制的标准地形图进行操作。
由于早期标准地形图以纸质档保存,为便于统一管理和分析应用,将其扫描为电子地图后,可利用标准图幅校正操作,将图幅校正为正确的地理坐标的电子图幅,在标准图幅校正的过程中,不仅可以为标准地形图赋上正确的地理坐标,也可对扫描时造成的形变误差进行修正。
步骤1:影像数据入库管理在实际操作中,为便于统一管理数据,需将影像数据导入到数据库中。
可利用GDBCatalog—栅格数据集右键—导入影像数据功能实现数据的入库操作。
步骤2:启动栅格几何校正在栅格编辑菜单选择标准图幅校正功能,视图显示如下:注意:在进行标准图幅校正前,需对图幅的信息进行读取,如图幅号、网格间距、坐标系信息。
校正影像显示窗口:控制点全图浏览窗口;校正文件局部放大显示窗口:控制点确认窗口,放大在校正影像显示窗口中选择的内容;控制点列表显示窗口:显示图中控制点信息。
步骤3:根据图幅信息生成GCP控制点1、选择栅格数据在标准图幅校正设置窗口的校正图层项浏览选择栅格数据(若当前地图已添加待校正的栅格数据则可直接点下拉条选择添加),如图:2、输入图幅信息点击[下一步],设置图幅信息,如图:在“图幅信息”对话框中各参数说明如下:i.图幅号:读图输入图幅号信息。
ii.网格间距:读图输入格网间距。
iii.坐标系:读图选择选择坐标系信息。
iv.图框类型:加密框是根据图幅信息生成梯形图框,而四点框是直接生成矩形内框,加密框的精度相对较高。
此处是对1:1万的图幅进行校正,用四点框即可。
v.最小间隔:添加的控制点的相邻点间距vi.采用大地坐标:指生成的标准图幅是否采用大地坐标,若采用大地坐标,则单位为米,否则采用图幅自身的坐标单位。
3、定位内图廓点,建立理论坐标和图像坐标的对应关系。
点击[下一步],在该对话框定位内图廓点,建立理论坐标和图像坐标的对应关系。
子图、线形、图案的制作方法先来认识一下符号编辑框,如下图,符号编辑框为高各一毫米的正方形,高宽都20等分,所以每一个小格刻度为0.05毫米,中心坐标为(0,0),好了我们已经认识了符号编辑框,下面我们通过具体示例来学习符号线型的制作方法。
一、子图以1:1000地形图的古亭符号为例介绍它的制作过程,由国标(GB )查得古亭各组成部分的尺寸大小如图, 由尺寸大小我们可得到各组成部分的比例关系,然后由比例关系把古亭这个符号缩放到边长为1mm 的符号编辑框中。
由此我们可以算出古亭符号各组成部分都乘以1/3后的长度就是在符号编辑框中的尺寸,见左图3mm3mm1.5m1.5m步骤:系统库→编辑符号库→弹出编辑符号窗口→点击清除→按符号各部分乘1/3后的长度在1mm见方的编辑框中用“输入线”画出→见下图编辑中输入子图后的坐标位置。
注意:这里输入线的宽度就是最终输入子图的显示宽度,所以要注意线划的宽度确定符号线划的粗细。
也可以用键盘输入线画子图更为精确。
下一步:保存符号,“子图编号”缺省为最后一个序号。
也可以输入258以内的数来替换掉现有的子图符号。
“缺省颜色”为做子图所用颜色时,在编辑中输入子图颜色可变,“缺省颜色”为其他的值时,子图颜色不可变。
下一步就是怎样在输入子图时确定子图的高和宽,可以把高和宽看成是比例系数,就是一毫米见方中的符号乘以多大的系数可得到国标(GB)规定尺寸大小,上面的古亭符号乘了1/3后缩放到了符号编辑框,同理当输入子图时子图的高和宽取3时就可得到规定的尺寸大小。
还有一个注意的是:符号编辑框中央的小十字就是在编辑中输入子图后的坐标位置。
二、线型线形的比例与尺寸确定方法与做子图相同,就不在叙述。
(以铁路线为例),基线图中的基线就是在编辑中输入线过程中鼠标走过的位置。
用户可在符号编辑框中相对基线不同的位置作几个线形,在编辑中用这几个线型分别画几条线,还原显示后,观察线的坐标位置与显示位置的关系,这样可以更深一步理解基线。
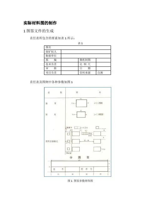
实际材料图的制作1图签文件的生成责任表所包含的要素如表1所示:责任表及图例中各种参数如图1图1 图签参数修饰图MAPGIS主菜单中实用服务-投影变换-系列标准图框-键盘生成矩形图框,弹出矩形图框参数输入对话框,按图2设置各种参数,设置图框文件名及位置。
图2 键盘生成矩形图框操作界面注:可在线参数中设置线参数(线宽0.5)和点参数(2.4)。
图3 图框标注MAPGIS主菜单中实用服务-投影变换-投影转换-用户文件投影转换,打开用户数据点文件投影转换对话框(图4)。
图4 用户数据点文件投影转换操作界面点击打开文件,选择点位文件(*.TXT或者*.DAT);指定数据起始位置选到点位数据所在行;依次按图4设置用户文件选项,选择按指定分隔符,并点击设置分隔符,弹出设置分隔符号对话框(图5);图5 设置分隔符操作界面按图5设置分隔符号和属性名称所在列(保证生成的点位具有属性),确定后回到图4所示操作界面;点击点图元参数,修改点图元的子图号(35)和高度(2)宽度(2),确定后回到图4所示操作界面;依次点击不需要投影、数据生成、确定。
此时点位文件已生成,选择文件-保存文件,保存到新建的文件夹中。
4 文件的合并1)MAPGIS主菜单图形处理-输入编辑-新建工程,将生成的点位文件(*.WT)。
2)在工区中新建点位文件(点位名.WT)。
编辑点位文件(点位.WT),点击点编辑-根据属性标注释,弹出标注属性选择对话框(图6),填写标注域名、标注点位移和添加到文件(选择新建的点位名.WT),并确定,此时在弹出的对话框中设置注释高度、宽度等参数。
图6 标注属性操作界面3)将图签文件添加到工作区。
将图签文件添加到工作区。
图签文件的坐标范围可能与等值线文件的范围差距很远,一种方法:可以将图签文件做整图变换(图7),图7 整图变换操作界面其它-整图变换-键盘输入参数,打开图形变换对话框,勾选变换类型中的所有项,在参数输入中输入需要位移的X和Y值;另一种方法将图签文件做整块移动,其它-整块移动,利用鼠标直接将图签进行拖动。
MAPGIS子图、线形、图案的制作方法先来认识一下符号编辑框,如下图,符号编辑框为高各一毫米的正方形,高宽都20等分,所以每一个小格刻度为0.05毫米,中心坐标为(0,0),好了我们已经认识了符号编辑框,下面我们通过具体示例来学习符号线型的制作方法。
符号编辑框开启MapGIS编辑子系统里,选择“符号库”菜单,根据需求,分别编辑子图、线型、填充图案。
一、子图以1:1000地形图的古亭符号为例介绍它的制作过程,1.5m由国标(GB)查得古亭各组成部分的尺寸大小如图,由尺寸大小我们可得到各组成部分的比例关系,然后由比例关系把古亭这个符号缩放到边长为1mm的符号编辑框中。
由此我们可以算出古亭符号各组成部分都乘以1/3后的长度就是在符号编辑框中的尺寸,见左图步骤:系统库→编辑符号库→弹出编辑符号窗口→点击清除→按符号各部分乘1/3后的长度在1mm 见方的编辑框中用“输入线”画出→见下图注意:这里输入线的宽度就是最终输入子图的显示宽度,所以要注意线划的宽度确定符号线划的粗细。
也可以用键盘输入线画子图更为精确。
下一步:保存符号,下一步就是怎样在输入子图时确定子图的高和宽,可以把高和宽看成是比例系数, 就是一毫米见方中的符号乘以多大的系数可得到国标(GB )规定尺寸大小,上面的古亭符号乘了1/3后缩放到了符号编辑框,同理当输入子图时子图的高和宽取3时就可得到规定的尺寸大小。
还有一个注意的是:符号编辑框中央的小十字就是在编辑中输入子图后的坐标位置。
二、线型线形的比例与尺寸确定方法与做子图相同,就不在叙述。
(以铁路线为例),“子图编号”缺省为最后一个序号。
也可以输入258以内的数来替换掉现有的子图符号。
“缺省颜色”为做子图所用颜色时,在编辑中输入子图颜色可变,“缺省颜色”为其他的值时,子图颜色不可变。
编辑中输入 子图后的坐 标位置。
基线图中的基线就是在编辑中输入线过程中鼠标走过的位置。
用户可在符号编辑框中相对基线不同的位置作几个线形,在编辑中用这几个线型分别画几条线,还原显示后,观察线的坐标位置与显示位置的关系,这样可以更深一步理解基线。
实验一根据图幅号校正一、实验过程1:打开MapGIS软件地图编辑器,选择添加图层,右键当前编辑,矢量化光栅文件求反,栅格几何校正工具,开始校正。
2:控制点信息,删除原控制点,图幅生成控制点,输入图幅信息,图幅坐标确定,生成GCP点,顺序修改所有控制点,计算控制点残差。
保存控制点信息。
3:校正预览,逐格网校正,结束栅格校正。
4:移除现图幅,添加保存的校正后图幅,单击图幅下方单位进行地理坐标系与单位的修改,保存文件。
二、实验结果1:控制点信息控制点ID 校正点X坐标校正点Y坐标参照点x坐标参照点Y坐标RMS 1, 646.482715, 3924.965002, 566141.378498, 3352705.817095, 2.33229 2, 1319.616256, 3926.175857, 567000.000000, 3352711.047855, 0.47576 3, 2105.612795, 3928.583756, 568000.000000, 3352717.224861, 1.88233 4, 2891.690571, 3932.203788, 569000.000000, 3352723.493424, 2.05069 5, 3676.324833, 3936.795278, 570000.000000, 3352729.853450, 1.18464 6, 4462.645330, 3941.796375, 571000.000000, 3352736.305067, 0.38865 7, 5247.522314, 3945.602207, 572000.000000, 3352742.848115, 1.18878 8, 5369.474367, 3946.152117, 572154.393966, 3352743.866466, 0.77375 9, 5371.232172, 3744.519111, 572152.702660, 3353000.000000, 0.14592 10, 5250.292335, 3743.356495, 572000.000000, 3353000.000000, 1.0661 11, 4465.566082, 3734.575373, 571000.000000, 3353000.000000, 0.15665 12, 3679.796581, 3725.954750, 570000.000000, 3353000.000000, 0.19613 13, 2894.107330, 3717.334128, 569000.000000, 3353000.000000, 0.2136 14, 2108.658828, 3708.793756, 568000.000000, 3353000.000000, 0.39921 15, 1322.648577, 3700.092883, 567000.000000, 3353000.000000, 0.27055 16, 648.565838, 3692.447965, 566139.597831, 3353000.000000, 1.913 17, 5375.691643, 2961.628723, 572146.098325, 3354000.000000, 2.64997 18, 5261.626009, 2960.600111, 572000.000000, 3354000.000000, 2.57857 19, 4476.418257, 2951.176990, 571000.000000, 3354000.000000, 1.72425 20, 3690.889505, 2942.155118, 570000.000000, 3354000.000000, 1.34634 21, 2905.280504, 2933.213496, 569000.000000, 3354000.000000, 1.06606 22, 2119.430752, 2923.950875, 568000.000000, 3354000.000000, 0.44094 23, 1332.939002, 2914.929003, 567000.000000, 3354000.000000, 0.7242324, 653.858968, 2906.753311, 566133.543852, 3354000.000000, 1.17052 25, 5382.075715, 2172.960330, 572139.492212, 3355000.000000, 1.59451 26, 5272.959683, 2171.824986, 572000.000000, 3355000.000000, 1.352 27, 4487.832181, 2163.124113, 571000.000000, 3355000.000000, 1.40533 28, 3701.741680, 2154.824491, 570000.000000, 3355000.000000, 1.02457 29, 2916.533928, 2146.203868, 569000.000000, 3355000.000000, 1.0944 30, 2130.042177, 2137.342496, 568000.000000, 3355000.000000, 1.24635 31, 1343.791177, 2129.123123, 567000.000000, 3355000.000000, 1.14174 32, 660.033564, 2121.459894, 566127.488241, 3355000.000000, 1.31307 33, 5388.297889, 1387.421667, 572132.884319, 3356000.000000, 1.93853 34, 5284.855106, 1386.741355, 572000.000000, 3356000.000000, 1.57483 35, 4498.925105, 1378.200983, 571000.000000, 3356000.000000, 1.40035 36, 3713.155603, 1370.142110, 570000.000000, 3356000.000000, 0.83705 37, 2927.225602, 1361.360987, 569000.000000, 3356000.000000, 0.89351 38, 2140.814102, 1352.981115, 568000.000000, 3356000.000000, 0.7887 39, 1354.322352, 1344.280243, 567000.000000, 3356000.000000, 1.43164 40, 665.645129, 1337.289961, 566121.431000, 3356000.000000, 0.36846 41, 5395.240914, 606.858484, 572126.274649, 3357000.000000, 2.68089 42, 5295.867780, 605.670219, 572000.000000, 3357000.000000, 2.54358 43, 4510.339029, 596.808847, 571000.000000, 3357000.000000, 2.40403 44, 3724.409027, 587.626475, 570000.000000, 3357000.000000, 1.83249 45, 2938.077777, 578.203354, 569000.000000, 3357000.000000, 0.9325 46, 2151.265027, 569.422232, 568000.000000, 3357000.000000, 1.29546 47, 1365.335026, 560.239861, 567000.000000, 3357000.000000, 1.25369 48, 671.014664, 552.397766, 566115.372128, 3357000.000000, 0.47716 49, 672.480188, 301.041234, 566113.401831, 3357325.134338, 4.08226 50, 1368.414115, 301.430729, 567000.000000, 3357330.543362, 1.99574 51, 2155.534264, 303.509483, 568000.000000, 3357336.730745, 0.9098 52, 2942.013401, 306.238628, 569000.000000, 3357343.009677, 1.80104 53, 3728.493527, 310.420460, 570000.000000, 3357349.380416, 1.55643 54, 4514.091889, 314.530442, 571000.000000, 3357355.842691, 1.02215 55, 5300.092490, 317.444865, 572000.000000, 3357362.396772, 1.60508 56, 5397.272976, 317.317474, 572123.873477, 3357363.214949, 2.017292:校正结果图实验二手动方式输入控制点校正一、实验过程1:打开MapGIS软件地图编辑器,选择添加图层,右键当前编辑,矢量化光栅文件求反,栅格几何校正工具,开始校正。
进入mapgis输入编辑系统,并打开工程
在左侧【工程文件列表区】空白处【右键】单击,选择【新建工程图例】
弹出图例编辑对话框,依次选择图例类型为点、线、区,并点击【插入】添加到右侧列表框内,点图例一般为子图时添加,为注释时可忽略不添加
完成后效果如下图
点击【确认】,弹出提示框,选择【是】
选择保存文件位置,以及更改图例文件名,点击【保存】
在左侧【工程文件列表区】空白处【右键】单击,选择【关联工程图例】
点击【修改图例文件】按钮
选择上一步保存的图例文件,点击【打开】【确认】
在左侧【工程文件列表区】空白处【右键】单击,选择【自动提取图例】
点击【高级设置】
如下图,在左侧列表框依次选择需要提取的文件,右侧【来自字段】选择需要作为图例名称的属性字段,每次选择完成都应点击【参数应用】
选择【手工选取源文件】,点击【自动提取】
弹出框选择【是】,完成后点击【退出】
在左侧【工程文件列表区】空白处【右键】单击,选择【打开图例版】查看提取图例
在图例板内右键,选择【标题为图例名称】
执行后效果:图例名即为前面设置的属性字段
在左侧【工程文件列表区】空白处【右键】单击,选择【创建分类图例】
修改【列优先列数】【图例文件名】【标题及格式】
【预览】中修改图例放置位置
点击【移动范围】,拖动图例到合适位置,点击【关闭】
所有修改完成后,点击【创建】,图例文件便自动添加到工程中了
添加完图例文件后,可能文字显示异样,这时勾选图例.WT文件,选单【修改点参数】,勾选所有图例注
释,修改注释高度、注释宽度、字体即可。
MapGIS 10 制图流程操作手册2014年5 月武汉第 1 章栅格几何校正1.1栅格数据标准图幅校正(DRG校正)流程标准图幅校正主要是对国家绘制的标准地形图进行操作。
由于早期标准地形图以纸质档保存,为便于统一管理和分析应用,将其扫描为电子地图后,可利用标准图幅校正操作,将图幅校正为正确的地理坐标的电子图幅,在标准图幅校正的过程中,不仅可以为标准地形图赋上正确的地理坐标,也可对扫描时造成的形变误差进行修正。
步骤1:影像数据入库管理在实际操作中,为便于统一管理数据,需将影像数据导入到数据库中。
可利用GDBCatalog—栅格数据集右键—导入影像数据功能实现数据的入库操作。
步骤2:启动栅格几何校正在栅格编辑菜单选择标准图幅校正功能,视图显示如下:注意:在进行标准图幅校正前,需对图幅的信息进行读取,如图幅号、网格间距、坐标系信息。
校正影像显示窗口:控制点全图浏览窗口;校正文件局部放大显示窗口:控制点确认窗口,放大在校正影像显示窗口中选择的内容;控制点列表显示窗口:显示图中控制点信息。
步骤3:根据图幅信息生成GCP控制点1、选择栅格数据在标准图幅校正设置窗口的校正图层项浏览选择栅格数据(若当前地图已添加待校正的栅格数据则可直接点下拉条选择添加),如图:2、输入图幅信息点击[下一步],设置图幅信息,如图:在“图幅信息”对话框中各参数说明如下:i.图幅号:读图输入图幅号信息。
ii.网格间距:读图输入格网间距。
iii.坐标系:读图选择选择坐标系信息。
iv.图框类型:加密框是根据图幅信息生成梯形图框,而四点框是直接生成矩形内框,加密框的精度相对较高。
此处是对1:1万的图幅进行校正,用四点框即可。
v.最小间隔:添加的控制点的相邻点间距vi.采用大地坐标:指生成的标准图幅是否采用大地坐标,若采用大地坐标,则单位为米,否则采用图幅自身的坐标单位。
3、定位内图廓点,建立理论坐标和图像坐标的对应关系。
点击[下一步],在该对话框定位内图廓点,建立理论坐标和图像坐标的对应关系。
将光标放在文件或要素层以外位置按右键,系统会弹出对话框。
新建工程图例:当您录入数据时,在输入另一类图元之前,都要进入菜单修改此类图元的缺省参数,这样无疑是重复操作,并且影响工作效率。
为此,您可以生成含有固定参数工程图例,系统将其放到图例板中,在数据输入时,您直接拾取图例板中某一图元的固定参数,这样就可以您灵活输入了。
建议在您进行数据输入之前,最好提前根据图幅的内容,建立完备的工程图例。
1. 选择图例类型,不同类型的图元对应不同类型的图例。
2. 输入图例的名称和描述信息的分类码。
3. 设置图例参数:首先选择图元类型,然后输入图元的各种参数。
4. 属性结构和属性内容:在这里的属性结构和属性内容与点、线、区菜单下的有所不同,当您对图例的属性结构和属性内容进行修改时,并不影响在文件中的属性结构及属性内容。
5. 按添加按钮,将图例添加到右边的列表框中。
6. 如果您要修改某图例,先用光标激活图例,再按编辑按钮,或者用光标双击列表框中的图例,这样系统马上切换到图例的编辑状态,于是就可以对图例参数及属性结构、内容进行修改了。
修改后,按确定按钮,由于此时在图例编辑状态,确定按钮只是对所修改的内容进行确认。
当输入了其它类型的图例后,再次按确定按钮,此时系统要求您保存图例文件。
7. 关联工程图例
一个MPJ工程只能有一个工程图例文件,关联工程图例是使当前MPJ工程文件与指定的工程图例相匹配。
8. 创建分类图例文件
在制作图件时为了便于他人阅读,常常需要附带图例,这样您可以利用已编辑好的工程图例,直接添加到工程文件当中,作为图幅的组成部分。
第一步:选择CLN图例文件,将它添加到工程中,作为图幅的图例。
第二步:设置CLN图例文件,出现在工程文件中的文件名和路径。
第三步:选择符合您意愿的图例边框。
第四步:确定图例集合在图幅中的位置和大小,缺省位置在图幅的左下角。
第五步:选择图例的排列方式,以行优先是指图例从左到右排列,以列优先是指图例从上到下排列。
第六步:输入合适的图例显示参数。
第七步:设置标题及脚注的位置、内容、参数。
第八步:设置完毕,按预示按钮,预示一下结果,满意后,再按创建按钮,这样就把图例添加到工程中,成为了图幅的组成部分。
9. 打开图例板
新建图例后,在输入数据时,为了方便、快捷,您可以直接在图例板中拾取某图元的固定参数。