项目部安全目标考核表-月次
- 格式:docx
- 大小:32.38 KB
- 文档页数:17
项目部安全生产责任制考核制度建立和健全以安全生产责任制为中心的各项安全管理制度,是保障安全生产的重要组织手段。
为明确项目部管理人员在施工生产活动中应负的安全职责,进一步贯彻落实安全生产责任制,特对项目部管理人员安全生产责任制实行定期考核。
一、考核对象:项目经理、项目技术负责人员、项目施工员、项目安全员、项目材料员、各班班长等。
二、考核人:1、本单位(分公司)负责考核项目经理。
2、项目经理负责考核项目技术负责人、项目施工员、项目安全员、项目材料员、各班组长等。
三、考核期:每月。
四、考核形式:采用考核表评分形式。
五、考核评价:考核分值满分为100分,考核得分值在85分及其以上为优良,考核得分值在70分及其以上为合格,考核得分值在70分以下为不合格。
六、考核奖罚:根据项目部制定的奖罚制度在工程项目结束或年度经济分配中进行奖罚兑现。
安全生产责制项目部考核表安全目标责任岗位:项目经理考核日期:安全生产责制项目部 安全目标责任考核表 岗安全生产责制项目部 安全目标责任 考核表岗安全生产责制项目部 安全目标责任考核表 岗 位:安全员 考核日期:安全生产责制项目部 安全目标责任考核表 岗 位: 材料员 考核日期:安全生产责制考核表项目部安全目标责任岗位:瓦工班长考核日期:安全生产责制考核表项目部安全目标责任岗位:木工班长考核日期:安全生产责制考核表项目部安全目标责任岗位:钢筋工班长考核日期:安全生产责制项考核表目部安全目标责任岗位:架子工班长考核日期:安全生产责制考核表项目部安全目标责任岗位:电工班长考核日期:安全生产责制考核表项目部安全目标责任岗。
安全文明责任目标考核规定为加强项目安全管理,落实各级安全生产责任制,充分调动各级安全生产的积极性,确保工期、安全文明施工、环保等工作的标准化、制度化、规范化,达到项目工程安全管理的预期目标,把安全生产责任制真正落到实处,实现安全目标杜绝各类事故发生,特制定项目部安全文明责任目标考核办法:一、考核主要内容:1、提高认识,理解安全责任制在施工中的重要作用,把安全生真正落实到工作当中去,保证安全生产顺利开启。
2、能否及时贯彻落实安全生产方针、政策、法规和各项规章制度,施工现场安全管理规定。
3、组织并监督施工过程中安全技术交底和和专项施工方案的执行情况。
4、领导和组织施工现场定期的安全生产检查,发现施工生产中存在的不安全问题,要定时、定人、定措施予以解决。
5、承担安全文明目标及目标的实现。
1)月轻伤频率控制在 1 ‰以下,坚决遏制直接经济损失在10万元及以上责任事故;2)无火灾事故,无重大机械事故;3)安全教育覆盖面100%;4)特殊工种持证上岗率100%;5)确保“省级安全文明示范工地”。
6、经常检查进场作业人员劳保防护用品的正确使用,对违章违纪行为给予制止、批评、教育和处罚。
7、杜绝违章指挥和冒险作业行为发生。
8、对负责的工作范围加强文明施工,指导班组文明施工,做到工完料净场地清。
9、对施工现场不论发生大小安全事故,及时抢救伤员,保护现场,逐级上报,制定防范措施,吸取事故教训。
10、具体安全文明责任目标分解及考核内容见考核记录表。
二、考核评分方法:1、考核实行月考核,由项目经理对各部门进行考核。
2、考核评分满分为100分,评定为优良、合格、不合格三个等级。
90分以上为优良,80分以上(含80分)为合格,不满80分为不合格。
项目技术部长安全生产责任制考核记录项目经理安全生产责任制考核记录项目安全负责人安全生产责任制考核记录**工程EPC项目部项目管理人员安全生产责任制考核记录汇总表单位名称:**建筑公司工程名称:**工程项目部考核日期:2024年4月。
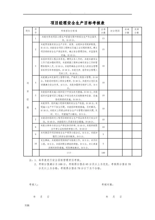
项目经理安全生产目标考核表注:1、每季度进行安全目标管理责任考核。
2、考核分值满分为100分,考核得分值在85分及以上为优良,考核得分值在70分及以上为合格;考核得分值在70分以下为不合格。
考核人:考核对象:年月日年月日项目技术负责人安全生产目标考核表注:1、每季度进行安全目标管理责任考核。
2、考核分值满分为100分,考核得分值在85分及以上为优良,考核得分值在70分及以上为合格;考核得分值在70分以下为不合格。
考核人:考核对象:年月日年月日注:1、每季度进行安全目标管理责任考核。
2、考核分值满分为100分,考核得分值在85分及以上为优良,考核得分值在70分及以上为合格;考核得分值在70分以下为不合格。
考核人:考核对象:年月日年月日注:1、每季度进行安全目标管理责任考核。
2、考核分值满分为100分,考核得分值在85分及以上为优良,考核得分值在70分及以上为合格;考核得分值在70分以下为不合格。
考核人:考核对象:年月日年月日注:1、每季度进行安全目标管理责任考核。
2、考核分值满分为100分,考核得分值在85分及以上为优良,考核得分值在70分及以上为合格;考核得分值在70分以下为不合格。
考核人:考核对象:年月日年月日注:1、每季度进行安全目标管理责任考核。
2、考核分值满分为100分,考核得分值在85分及以上为优良,考核得分值在70分及以上为合格;考核得分值在70分以下为不合格。
考核人:考核对象:年月日年月日注:1、每季度进行安全目标管理责任考核。
2、考核分值满分为100分,考核得分值在85分及以上为优良,考核得分值在70分及以上为合格;考核得分值在70分以下为不合格。
考核人:考核对象:年月日年月日工程名称:龙骧园二期工程考核日期_________________施工单位:工程名称:龙骧园二期工程考核日期_________________施工单位:钢筋工班长安全生产目标考核表工程名称:龙骧园二期工程考核日期_________________施工单位:工程名称:龙骧园二期工程考核日期_________________施工单位:工程名称:龙骧园二期工程考核日期_________________施工单位:工程名称:龙骧园二期工程考核日期_________________施工单位:水电安装工班长安全生产目标考核表工程名称:龙骧园二期工程考核日期_________________施工单位:。
项目部施工安全管理责任目标分解考核表(一)
项目名称:被考核人签名:
考核负责人:年月日
项目部施工安全管理责任目标分解考核表(二)
考核负责人:年月日
项目部施工安全管理责任目标分解考核表(三)
项目名称:被考核人签名:
考核负责人:年月日
项目部施工安全管理责任目标分解考核表(四)
项目名称:被考核人签名:
考核负责人:年月日
项目部施工安全管理责任目标分解考核表(五)
项目名称:被考核人签名:
项目部施工安全管理责任目标分解考核表(六)项目名称:被考核人签名:
项目部施工安全管理责任目标分解考核表(七)
项目名称:被考核人签名:
考核负责人:年月日
项目部施工安全管理责任目标分解考核表(八)
项目名称:被考核人签名:
考核负责人:年月日
项目部施工安全管理责任目标分解考核表(九)
项目名称:被考核人签名:
考核负责人:年月日
项目部施工安全管理责任目标分解考核表(十)
项目名称:被考核人签名:
考核负责人:年月日
项目部施工安全管理责任目标分解考核表(十一)
项目名称:被考核人签名:。
项目部管理人员安全责任目标考核制度单位:四川中成煤炭建设集团有限责任公司管理人员安全责任目标考核制度按照项目部安全管理目标书,为实现安全管理责任目标,将安全责任目标分解到各施工管理人员,各施工班组,使项目部各施工管理人员、各班组共同为安全责任目标的实现而努力,各司其职,各负其责,特对项目部管理人员实行定期考核。
一.考核对象:项目技术负责人、项目施工员、项目安全员、项目材料员、项目质量员、泥工班长、砼工班长、木工班长、钢筋工班长、其他班长(根据实际情况定)。
二.考核人:项目经理三.考核期:每月四.考核形式:采用考核表评分形式五.考核评价:考核分值满分为100分,考核得分值在85分及以上为优良,考核得分值在70分及其以上者为合格,考核得分值在70分以下的为不合格。
六.考核奖罚:根据项目部制定的奖罚制度适时给以奖罚兑现。
项目经理安全目标管理责任考核表注:1、每个月进行安全目标管理责任考核。
2、考核分在90分(含90分)以上为优;考核分在80分(含80分)以上为良;考核分在75分(含75分)以上为合格;考核分在75分以下为不合格。
考核人:公司主管部门考核对象:项目经理年月日年月日注:1、每个月进行安全目标管理责任考核。
2、考核分在90分(含90分)以上为优;考核分在80分(含80分)以上为良;考核分在75分(含75分)以上为合格;考核分在75分以下为不合格。
考核人:公司主管部门考核对象:项目副经理年月日年月日注:1、每个月进行安全目标管理责任考核。
2、考核分在90分(含90分)以上为优;考核分在80分(含80分)以上为良;考核分在75分(含75分)以上为合格;考核分在75分以下为不合格。
考核人:公司主管部门考核对象:工程师年月日年月日注:1、每个月进行安全目标管理责任考核。
2、考核分在90分(含90分)以上为优;考核分在80分(含80分)以上为良;考核分在75分(含75分)以上为合格;考核分在75分以下为不合格。
项目名称:考核时间:年月日序号姓名职务考核结果奖惩备注1 与奖金分配挂钩2 与奖金分配挂钩3 与奖金分配挂钩4 与奖金分配挂钩5 与奖金分配挂钩6 与奖金分配挂钩7 与奖金分配挂钩8 与奖金分配挂钩9 与奖金分配挂钩10 与奖金分配挂钩11 与奖金分配挂钩12 与奖金分配挂钩13 与奖金分配挂钩14 与奖金分配挂钩15 与奖金分配挂钩16171819按照项目部安全管理目标书,为实现安全管理责任目标,将安全责任目标分解到各施工管理人员、各施工班组,使项目部各施工管理人员、各班组共同为安全责任目标的实现而努力,各司其职,各负其责,特对项目部管理人员实行定期考核。
一、考核对象:项目经理、项目副经理、项目技术负责人、财务主管、项目施工员、项目安全员、项目材料员、质检员、泥工班长、电工班长、砼工班长、水工班长、钢筋工班长、登高工班长、电焊工班长。
二、考核人:公司(分公司)安全部门负责考核项目经理、项目经理考核各管理人员。
三、考核时间:每月。
四、考核形式:采用考核表评分形式。
五、考核评价:考核分值满分为100 分,考核得分值在85 分及以上为优良,考核得分值在70 分及其以上为合格,考核得分值在70 分以下的不合格。
六、考核奖罚:根据项目部制定的奖罚制度适时给以奖罚兑现。
太原滨河国际项目部(盖章)年月日项目经理安全责任目标考核表工程名称_太原滨河国际项目部__ 考核日期__________________序号考核内容1 安全责任制2 安全管理3 安全技术措施4 安全检查5 安全验收6 施工组织设计7 安全教育8 文明施工9 伤亡事故考核结果扣分标准未建立岗位责任制考核制度扣 3 分;未按考核制度定期对管理人员考核的扣 5 分;各级管理人员安全管理目标未分解的扣 3 分;项目部无安全管理组织机构的扣 4 分。
安全防护设施未及时到位的扣3 分;安全防护用品未及时到位的扣 2 分;注重生产、忽视安全管理工作的扣5 分。
项目管理人员安全责任目标考核记录汇总表项目副经理安全责任目标考核记录项目名称:姓名:考核时间:年月日项目主管工程师安全责任目标考核记录项目名称:姓名:考核时间:年月日项目书记或工会主席安全责任目标考核记录项目名称:姓名:考核时间:年月日项目主管会计师安全责任目标考核记录项目名称:姓名:考核时间:年月日项目安全员安全责任目标考核记录项目名称:姓名:考核时间:年月日项目土建工长安全责任目标考核记录项目名称:姓名:考核时间:年月日项目机械工长安全责任目标考核记录项目名称:姓名:考核时间:年月日项目电工工长安全责任目标考核记录项目名称:姓名:考核时间:年月日项目水暖工长安全责任目标考核记录项目名称:姓名:考核时间:年月日项目材料组长安全责任目标考核记录项目名称:姓名:考核时间:年月日项目劳资员安全责任目标考核记录项目名称:姓名:考核时间:年月日项目保卫干事安全责任目标考核记录项目名称:姓名:考核时间:年月日项目后勤管理员安全责任目标考核记录项目名称:姓名:考核时间:年月日用品用具管理工作要求,对生活办公用品用具进行管理。
扣25分2环境绿化未对项目部生活、办公区、施工现场环境进行绿化、美化,不断改善职工工作生活环境。
扣25分253饮食卫生未搞好饮食卫生、严防食物中毒,保障防暑降温用品及时发放,严防中暑。
扣25分254职工宿舍卫生管理未加强职工宿舍卫生、炉具和取暖设备的管理,及时检查,严防煤气中毒。
扣25分25考核项目合计100考核结果优良处理意见分数与奖金挂钩被考核人签字考核人签字。
项目部安全生产考核表项目部安全生产考核表项目:xxxxxxxx项目部日期:xxxx年xx月xx日-xxxx年xx月xx日考核人:xxxx一、安全生产责任制度1.项目部是否建立完善的安全生产责任制度?2.责任制度是否明确安全生产的各项内容和相关责任人?3.责任人是否履行安全生产职责,对安全生产工作进行有效管理和监督?二、安全生产组织1.项目部是否建立了完善的安全生产组织体系?2.是否建立了安全生产小组,并聘用了专职安全生产管理人员?3.项目部是否组织安全生产培训和教育活动?4.安全生产管理人员是否履行职责,进行日常巡查和检查,发现问题及时处理?三、安全生产措施1.项目部是否建立了安全生产管理制度和操作规程?2.是否进行了安全隐患排查和整改工作?3.是否落实了安全防护措施,如安全警示标识、安全设施等?4.是否制定了应急预案,并进行了应急演练?四、安全生产宣传教育1.项目部是否开展了安全生产宣传教育活动?2.是否制作了相关宣传材料,如海报、宣传单等?3.是否组织了安全培训和教育活动?五、事故隐患排查治理1.项目部是否进行了定期的安全隐患排查工作?2.是否及时整改了发现的安全隐患?3.是否落实了安全措施,并进行了防范性教育?六、事故危险源管理1.是否建立了危险源台账,对项目部内的危险源进行了管理?2.是否制定了相应的安全防护措施,并进行了安全宣传教育?七、事故应急处理1.项目部是否建立完善的事故应急预案?2.是否定期进行应急演练,提高项目组员的应急处理能力?以上为项目部安全生产考核表,具体内容可以根据项目实际情况进行调整和补充。
总结:项目部安全生产的考核是保证项目工作安全进行的重要环节。
通过此考核表的实施,可以及时发现问题并进行整改,提高项目部的安全生产管理水平,确保项目工作的顺利进行。
同时,项目部应根据考核结果进行评估和总结,不断改进和完善安全生产工作,为项目的顺利实施提供保障。