A0、A1、A2、A3图纸折叠方法
- 格式:doc
- 大小:60.00 KB
- 文档页数:4
实用文档之"A0、A1、A2、A3图纸折叠方法---中国国家标准(留下备用)"
一、图纸要求装订的折叠方法
1、A0折叠成A4,需装订,留边:按下图中的顺序和尺寸。
折完后图号在上,有装订边。
2、A1折叠成A4的方法见下图。
注意折叠顺序和尺寸。
3、A2图纸折叠成A4尺寸的标准方法:
4、A3图纸折叠成A4大小的标准方法:
折叠成A3
5、各种尺寸的图折成A3的方法与A4类似,但A3一般横向装订,尺寸有所不同:
二、不需要装订的图纸折叠方法:
1、A0折叠成A4,按下图中的顺序和尺寸折完后标题栏在上,
2、A1折叠成A4
3、A2图纸折叠成A4
4、A3图纸折叠成A4,对折即可
5、A4图纸折叠成飞机,。
A0、A1、A2、A3图纸折叠方法---中国国家尺度 (留下备用)之巴公井开创作
一、图纸要求装订的折叠方法
1、A0折叠成A4,需装订,留边:按下图中的顺序和尺寸。
折完后图号在上,有装订边。
2、A1折叠成A4的方法见下图。
注意折叠顺序和尺寸。
3、A2图纸折叠成A4尺寸的尺度方法:
4、A3图纸折叠成A4大小的尺度方法:
折叠成A3
5、各种尺寸的图折成A3的方法与A4类似,但A3一般横向装订,尺寸有所分歧:
二、不需要装订的图纸折叠方法:
1、A0折叠成A4,按下图中的顺序和尺寸折完后题目栏在
上,
2、A1折叠成A4
3、A2图纸折叠成A4
4、A3图纸折叠成A4,对折即可
5、A4图纸折叠成飞机,。
各种工程图纸折叠方法(一)
一、图纸要求装订的折叠方法
折叠成A4:
1、A0折叠成A4,需装订,留边:按下图中的顺序和尺寸,慢慢体会。
折完后图号在上,有装订边。
2、A1折叠成A4的方法见下图。
注意折叠顺序和尺寸。
3、A2图纸折叠成A4尺寸的方法见下图:
4、A3图纸折叠成A4大小的成方法:
折叠成A3
5、各种尺寸的图折成A3的方法与A4类似,但A3一般横向装订,尺寸有所不同:
二、不需要装订的图纸折叠方法:不需要装订的图纸折起来要简单一些,各种尺寸图纸折叠方法如下:
1、A0折叠成A4,需装订,留边:按下图中的顺序和尺寸折完后图号在上,有装订边。
2、A1折叠成A4的方法见下图。
注意折叠顺序和尺寸。
3、A2图纸折叠成A4尺寸的方法见下图:
4、A3图纸折叠成A4大小的成方法:
白图、蓝图,一般都要折叠成A3或A4的大小。
折叠的方法也不完全一样,一般把图纸折成A3,A4的尺寸,并把图号等折在外面看得到就行了。
对于有严格要求的来说:其实折叠图纸是有国家的,呵呵!不知道了吧!
一、要求装订归档的:
1、A0折叠成A4,需装订,留边:按下图中的顺序和尺寸,慢慢体会。
折完后图号在上,有装订边。
2、A1折叠成A4的方法见下图。
注意折叠顺序和尺寸。
3、A2图纸折叠成A4尺寸的方法见下图:
5、各种尺寸的图折成A3的方法与A4类似,但A3一般横向装订,尺寸有所不同:
二、不需要装订的图纸折叠方法:不需要装订的图纸折起来要简单一些,各种尺寸图纸折叠方法如下图:。
A0,A1,A2,A3图纸折叠国家标准
一、图纸要求装订的折叠方式
、折叠成A4:
1.1.1、A0折叠成A4,需装订,留边:按以下图中的顺序和尺寸,慢慢体会。
折完后图号在上,有装订边。
1.1.2、A1折叠成A4的方式见以下图。
注意折叠顺序和尺寸。
1.1.3、A2图纸折叠成A4尺寸的标准方式见以下图:
1.1.4、A3图纸折叠成A4大小的标准成方式:
改成135 110 175 好点
、折叠成A3
1.2.1、各类尺寸的图折成A3的方式与A4类似,但A3一样横向装订,尺寸有所不同:
2、不需要装订的图纸折叠方式:不需要装订的图纸折起来要简单一些,各类尺寸图纸折叠方式如下:
、A0折叠成A4,需装订,留边:按以下图中的顺序和尺寸折完后图号在上,有装订边。
、A1折叠成A4的方式见以下图。
注意折叠顺序和尺寸。
、A2图纸折叠成A4尺寸的标准方式见以下图:、A3图纸折叠成A4大小的标准成方式:。
A0,A1,A2,A3图纸折叠国家标准1、图纸要求装订的折叠方法
1.1、折叠成A4:
1.1.1、A0折叠成A4,需装订,留边:按下图中的顺序和尺寸,慢慢体会。
折完后图号在上,有装订边。
1.1.2、A1折叠成A4的方法见下图。
注意折叠顺序和尺寸。
1.1.3、A2图纸折叠成A4尺寸的标准方法见下图:
1.1.4、A3图纸折叠成A4大小的标准成方法:
改为135 110 175 好点
1.2、折叠成A3
1.2.1、各种尺寸的图折成A3的方法与A4类似,但A3一般横向装订,尺寸有所不同:
2、不需要装订的图纸折叠方法:不需要装订的图纸折起来要简单一些,各种尺寸图纸折叠方法如下:
2.1、A0折叠成A4,需装订,留边:按下图中的顺序和尺寸折完后图号在上,有装订边。
2.2、A1折叠成A4的方法见下图。
注意折叠顺序和尺寸。
2.3、A2图纸折叠成A4尺寸的标准方法见下图:
2.4、A3图纸折叠成A4大小的标准成方法:。
AO 、A1、A2、A3图纸折叠方法---中国国家标准(留下备用)、图纸要求装订的折叠方法1、A0折叠成A4,需装订,留边:按下图中的顺序和尺寸。
折完后图号在上,有装订边。
附® LI A0费成A42、A1折叠成A4的方法见下图。
注意折叠顺序和尺寸。
4 61附图1展Al 折成A43、A2图纸折叠成A4尺寸的标准方法:附HL3 A2折成A44、A3图纸折叠成A4大小的标准方法:*c■7or <5j Pq LXu T a■n Q ■ 1331ff"附®L4盘3折成盘4折叠成A35、各种尺寸的图折成A3的方法与A4类似,但A3 一般横向装订,尺寸有所不同:附图1.5建D拓成竝3—7欢迎下载 5附图A1J5成A3二、不需要装订的图纸折叠方法:1、A0折叠成A4,按下图中的顺序和尺寸折完后标题栏在上,°” 0-O ;r )弋 Z呻□□11Q丄丄匚、Fn'—12、A1折叠成A43、A2图纸折叠成A4 WEL8折成*4(不装订)1 仟rl- 1■,亠210210附團皐g Al A4 c不装订)—3—4i_ _ 1JL21 n.210附型折成血4〈不装订)4、A3图纸折叠成A4,对折即可L^:D□附SL11直3曲成44(丰装订)附圏hU 虑3折成A4(不装订)5、A4图纸折叠成飞机,1> Glider。
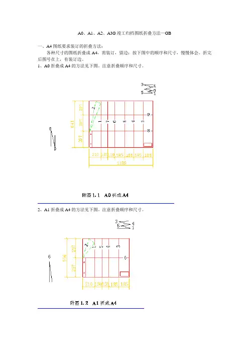
A0、A1、A2、A3G竣工归档图纸折叠方法—GB
一、A4图纸要求装订的折叠方法:
各种尺寸的图纸折叠成A4,需装订,留边:按下图中的顺序和尺寸,慢慢体会。
折完后图号在上,有装订边。
1、A0折叠成A4的方法见下图。
注意折叠顺序和尺寸。
2、A1折叠成A4的方法见下图。
注意折叠顺序和尺寸。
3、A2图纸折叠成A4尺寸的标准方法见下图:
4、A3图纸折叠成A4大小的标准成方法:
二、A3图纸要求装订的折叠方法:
各种尺寸的图折成A3的方法与A4类似,但A3一般横向装订,尺寸有所不同:1、A0图纸折叠成A3大小的标准成方法:
2、A1图纸折叠成A3大小的标准成方法:
3、A2图纸折叠成A3大小的标准成方法:
二、不需要装订的图纸折叠方法:不需要装订的图纸折起来要简单一些,各种尺寸图纸折叠方法如下:
1、A0折叠成A4,需装订,留边:按下图中的顺序和尺寸折完后图号在上,有装订边。
2、A1折叠成A4的方法见下图。
注意折叠顺序和尺寸。
3、A2图纸折叠成A4尺寸的标准方法见下图:
4、A3图纸折叠成A4大小的标准成方法:。
A0,A1,A2,A3图纸折叠国家标准
1、图纸要求装订的折叠方法
1、1、折叠成A4:
1.1.1、A0折叠成A4,需装订,留边:按下图中的顺序与尺寸,慢慢体会。
折完后图号在上,有装订边。
1.1.2、A1折叠成A4的方法见下图。
注意折叠顺序与尺寸。
1.1.3、A2图纸折叠成A4尺寸的标准方法见下图:
1.1.4、A3图纸折叠成A4大小的标准成方法:
改为135 110 175 好点
1、2、折叠成A3
1.2.1、各种尺寸的图折成A3的方法与A4类似,但A3一般横向装订,尺寸有所不同:
2、不需要装订的图纸折叠方法:不需要装订的图纸折起来要简单一些,各种尺寸图纸折叠方法如下:
2、1、A0折叠成A4,需装订,留边:按下图中的顺序与尺寸折完后图号在上,有装订边。
2、2、A1折叠成A4的方法见下图。
注意折叠顺序与尺寸。
2、3、A2图纸折叠成A4尺寸的标准方法见下图:
2、4、A3图纸折叠成A4大小的标准成方法:。
A0、A1、A2、A3图纸折叠方法———中国国家标准(留下备用)
一、图纸要求装订得折叠方法
1、A0折叠成A4,需装订,留边:按下图中得顺序与尺寸。
折完后图号在上,有装订边、
2、A1折叠成A4得方法见下图。
注意折叠顺序与尺寸。
3、A2图纸折叠成A4尺寸得标准方法:
4、A3图纸折叠成A4大小得标准方法:
折叠成A3
5、各种尺寸得图折成A3得方法与A4类似,但A3一般横向装订,尺寸有所不同:
二、不需要装订得图纸折叠方法:
1、A0折叠成A4,按下图中得顺序与尺寸折完后标题栏在上,
2、A1折叠成A4
3、A2图纸折叠成A4
4、A3图纸折叠成A4,对折即可
5、A4图纸折叠成飞机,。
A0、A1、A2、A3图纸折叠方法---中国国家标准(留下备用)
一、图纸要求装订的折叠方法
1、A0折叠成A4,需装订,留边:按下图中的顺序和尺寸。
折完后图号在上,有装订边。
2、A1折叠成A4的方法见下图。
注意折叠顺序和尺寸。
3、A2图纸折叠成A4尺寸的标准方法:
4、A3图纸折叠成A4大小的标准方法:
折叠成A3
5、各种尺寸的图折成A3的方法与A4类似,但A3一般横向装订,尺寸有所不同:
二、不需要装订的图纸折叠方法:
1、A0折叠成A4,按下图中的顺序和尺寸折完后标题栏在上,
2、A1折叠成A4
3、A2图纸折叠成A4
4、A3图纸折叠成A4,对折即可
5、A4图纸折叠成飞机,。
一、图纸要求装订的折叠方法
折叠成A4:
1、A0折叠成A4,需装订,留边:按下图中的顺序和尺寸,慢慢体会。
折完后图号在上,有装订边。
2、A1折叠成A4的方法见下图。
注意折叠顺序和尺寸。
3、A2图纸折叠成A4尺寸的标准方法见下图:
4、A3图纸折叠成A4大小的标准成方法:
二、不需要装订的图纸折叠方法:
1、A0折叠成A4,需装订,留边:按下图中的顺序和尺寸折完后图号在上,有装订边。
2、A1折叠成A4的方法见下图。
注意折叠顺序和尺寸。
3、A2图纸折叠成A4尺寸的标准方法见下图:
4、A3图纸折叠成A4大小的标准成方法:。