变电站二次图纸识图
- 格式:pdf
- 大小:167.66 KB
- 文档页数:6
变电站二次图纸识图方法会识图的重要性:会看变电站的常用图纸资料是变电站值班员的一项基本能力,是值班员通过自学熟悉变电站的前提条件,是分析二次回路异常或故障的基础能力。
二次识图须准备的相关知识1 常用的概念说明接点的常态:指在变电站图纸中的继电器、接触器或压力等接点的正常状态。
对开关、刀闸、地刀的位置辅助接点,是指开关、刀闸、地刀在断开位置时接点的状态。
对于压力接点、温度接点、热继电器等,指正常压力下的状态。
对于继电器或接触器指它们不励磁时的状态。
励磁与不励磁:对于电压型线圈的继电器或接触器,指在它们的线圈两端施加有足够大的电压,能使其接点分、合状态发生改变的状态。
对于电流型线圈的继电器或接触器,指在它们的线圈通过足够大的电流,能使其接点转态发生变化的电压。
接点动作与不动作:接点处于常态,叫不动作。
如因设备的继电器或接触器励磁,或者压力改变、温度改变等,导致接点的分、合状态不同于常态,叫接点动作。
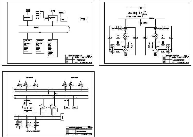
原理接线图:用以表示测量表计、控制信号、保护和自动装置的工作原理。
原理图反映的整个装置(回路)的完整概念,主要用于了解装置、回路的动作原理。
在原理图中,各元件是整块形式,与一次接线有关部分划在一起,并由电流回路或电压回路联系起来。
但图中无端子编号、各回路交叉,实际使用常干不便。
展开图:是另一种方式构成的接线图,各元件被分成若干部分。
元件的线圈、触点分散在交流回路和直流回路中。
在展开图中依电流通过的方向,画出按钮、触点、线圈和它们端子编号,由左至右,由上到下排列起来,最后构成完整的展开图。
在图的右侧还有文字说明回路的作用。
特点是条理清晰,非常方便对回路的逐一分析与检查。
常见的展开图有电流、电压回路图,控制及信号回路图。
平面布置图:反映一个屏(保护屏、控制屏、电度表屏等)上全部设备的安装位置,并指明各设备在整个屏中的设备编号。
用于了解一个屏设备的布置情况(安装位置、设备型号和设备的编号)。
分屏前布置图、屏后布置图。
断路器控制回路图控制回路是二次回路的重要组成部分,电气设备的种类和型号多种多样,控制回路的接线方式也很多,但其基本原理是相似的;这里以某变电站控制回路图为例,简要说明看图的基本方法;完整的二次回路原理图一般由四张图构成:原理图—端子图—端子图—原理图;完整的控制回路图一般包括操作箱接点联系图—保护屏端子图—汇控柜端子图—断路器控制回路图;按照上述顺序联接;下面逐一进行说明:1、操作箱接点联系图我们以A相合闸回路为例来简要说明一下识图方法图1;图1 A相合闸回路先来看图上的两种端子:是箱端子,位于保护装置后侧,是屏端子,一般位于保护屏后两侧,固定在保护屏上;图的左边为装置的逻辑回路,右侧相对于逻辑回路标有继电装置的种类及回路名称;如图中根据回路名称,我们可以快速找到A相合闸回路,其中包括跳位监视回路、合闸回路、防跳回路;跳位监视回路从正电源101通过4D62屏端子接至4n76箱端子,通过跳闸位置继电器TWJa接至4n44,并引至屏端子4D168,从屏端子通过电缆连接至断路器操作机构箱;图中的7A为回路编号功能相同的回路在不同型号的设备中都有统一编号,比如合闸回路的编号一般为7,跳闸回路编号一般为37;合闸回路的启动靠手动合闸继电器SHJ或重合闸继电器ZHJ,手合命令发出后启动SHJ,重合闸命令发出后启动ZHJ,然而合闸命令只是一个脉冲,保证合闸回路导通直至断路器合上的是合闸保持继电器HBJa;SHJ或ZHJ发出合闸脉冲后,HBJa线圈励磁,启动合闸回路的HBJa长开接点,这时合闸回路靠HBJa接点继续导通,直至A相合闸成功,机构箱内的合闸回路断开,HBJa线圈失磁,HBJa长开触点才断开,切断合闸回路;图中1TBJa为跳跃闭锁继电器,它有两个线圈,一个是电流启动线圈,串联在跳闸回路中,以便当继电保护装置动作于跳闸时,使1TBJa可靠的启动;一个是防跳回路中的电压保持线圈,其主要作用是在继电器动作后能可靠地自保持;直到SHJ或ZHJ返回,1TBJa的电压线圈失电为止,1TBJa继电器复归;使用1TBJa与2TBJa这两组接点是为了增加回路的可靠性;2、保护屏端子图端子图是表示屏与屏之间电缆的连接和屏上设备连接情况的图纸图2;图2 保护屏端子图端子排上的4D等为端子排编号.以端子排4D为例,其中间编号1、2、3…167、168、169…为端子排的顺序号;端子排4D左侧的标号,是到屏内各设备的编号,如4D169左侧的4n161,表示到屏上装的设备标号为4n的装置的第161号接线柱图3;图3同样,屏上设备4n的第161号编号接线柱也应标有到端子排的标号,即4D169图4;图4端子排4D右侧标明了引出电缆的去向;如4D168接的是回路7A,用编号为120A的电缆与B、C相合闸回路7B、7C一同引出至本线路机构箱图5;图53、汇控柜端子图图6 汇控柜端子图在汇控柜端子图上图6,我们找到“至本线路光纤电流差动保护柜”的电缆,电缆编号为120A,和保护屏端子图后的电缆编号一致;顺着电缆找到端子排接线柱I2-1,I2-2,I2-3,也分别标明合闸回路编号7A,7B,7C,我们仍然以A相为例,I2-1引至10A02;4、断路器控制回路图7 断路器控制回路断路器控制回路中绘制的是控制回路图中汇控柜及机构箱内的部分图7;我们先把图中的各部件简要作一下说明;图中的43R1为就地/远方把手图8,选择操作方式是远方还是就地;SRCA为合闸线圈的辅助电阻,其作用是分流,防止合闸线圈因电流过大而烧毁;CB1A 为断路器的辅助触点图9;CCA为合闸线圈图10;63Q3X1,63Q3X2为油压力接点,63G1X1为SF6压力接点,保证油压和SF6压力在正常范围内才能接通回路;图8 就地/远方把手图9 断路器的辅助触点图10 跳合闸线圈图11 油压力接点根据图7中上部的回路名称合闸回路7A,找到10A02,接至断路器远控/近控把手43R1;图7中的CB1-1A,CYA接点为汇控柜内的远方防跳回路,但因为我们一般情况下都是使用操作箱内的防跳回路,此远方防跳回路并没有接入;当操作把手打至远动位置时,标有“远”的接点闭合,“就”接点打开,合闸命令从10A02接点前的操作箱传过来;当操作把手打至“就地”位置时,标有“就”的接点闭合,“远”的接点打开,合闸命令电源取自101PS21经43R1的就地接点接至合闸按钮;按下合闸按钮,图中“合”接点闭合,接通合闸回路;刀闸控制回路:图12 刀闸控制回路电动刀闸的分合依靠电机的正转或反转;如果刀闸操作回路中的操作电源是直流,电机的正转、反转通过正负极的正接和反接实现,如果操作电源是交流,电机的正转、反转通过A/B/C三相的相序排列不同来实现,但其接通的基本原理都是相同的;图12中的电机M为交直流两用电机,在本处使用直流电源;我们来看看电机操作电源的正负极是如何导通带动电机旋转的此处的正转/反转是相对而言,并无统一标准;电机M正转时,其D2端接正极,D1端接负极;电源正极B3通过KE1的长开接点33/34接至电机M的D2端,再从M的D1端引出,依次通过KE1的长开接点23/24,KA1的长闭接点71/72导通至负极N;可以看出来,电机正转的条件是合闸辅助继电器KE1线圈励磁,分闸辅助继电器KA1线圈失磁;电机反转时,电机D1端应接通正极,D2端应接通负极,这时候电源正极B3通过KA1的长开接点33/34接至电机M的D1端,再从D2端引出,依次通过KE1的长闭接点71/72,KA1的长开接点23/24导通至负极N;电机反转的条件是分闸辅助继电器KA1线圈励磁,合闸辅助继电器KE1线圈失磁;线圈KE1,KA1的导通和失电在刀闸的控制回路中实现;以合闸操作为例,合闸操作时,KE1线圈需励磁,即合闸回路需导通;KA1的51/52接点因线圈KA1处于失磁状态闭合,刀闸行程开关SF1在刀闸分位时闭合,当满足刀闸操作的逻辑条件时,逻辑接点K15闭合;遥控或现场操作由远控/近控转换开关SA1实现,当通过K1接点给出合闸脉冲时,线圈KE1励磁,KE1的自保持接点43/44闭合,保证KE1处于励磁状态,直到刀闸合到位之后行程开关SF1的常闭接点断开,切断合闸回路;刀闸的分闸回路可参照合闸回路分析;合闸线圈KE1和分闸线圈KA1通过KE1的51/52接点和KA1的51/52接点互相闭锁,防止两线圈同时励磁;断路器失灵保护失灵保护的启动失灵保护一般由线路保护中的失灵辅助装置提供失灵启动接点;图13 失灵启动回路从图13中可以看出线路的失灵启动接点闭合的条件:1、有故障电流存在,即SLA,SLB,SLC,或SL2-2长开接点闭合;2、A/B/C相启动失灵压板1LP9,1LP10,1LP11和三相启动失灵压板8LP3投入;3、断路器的跳闸出口接点TJA ,TJB,TJC或三跳出口接点TJQ/TJR闭合;以上三条件满足,启动该断路器所连母线的失灵出口逻辑;以PB-2B母差保护为例,母差失灵出口回路如图14所示:从开关保护装置接入的失灵启动接点通过刀闸位置判断,第一延时跳开母联开关,第二延时经母差的复压闭锁开入接点跳相应母线上的所有设备;图14 母差失灵出口回路液压机构储能回路图15 液压机构储能回路当液压机构的压力降低时,靠油泵压力打压储能;如图15所示,油泵运转的条件为KM1,KM2线圈的长开接点闭合;那么我们来看一下KM1,KM2线圈的励磁条件;在油泵的启动和停止回路中,包括压力继电器PSY 的常闭接点1/2,常开接点7/8,及时间继电器KT 的常闭接点55/56;当压力不高于28时,PSY1/2的常闭接点闭合,保证油泵油压保持在安全范围;当压力值降低至25时,PSY7/8的长开接点闭合,油泵开始打压,当压力值达到26时,PSY7/8的长开接点打开,油泵停止打压;当压力接点都导通时,KT 时间继电器线圈励磁,其常闭接点经180S 延时后打开,切断打压回路; 复压闭锁 跳闸线路短延时 失灵启动I 母刀闸位置II 母刀闸位置 长延时 跳母联 跳母线。
二次回路、图纸分类及识图方法摘要:二次设备相互连接形成二次回路,实现对一次设备工况的监测、控制、调节和保护功能。
二次回路主要包括:交流电流回路、交流电压回路、控制回路、信号回路、信号复归回路以及用以供二次设备工作的直流电源和交流电源回路等。
为了满足工作的需要,二次回路应有完整的设计图纸资料,分为装置原理图和装置安装接线图。
本文主要在介绍常用回路标号原则、二次装置标号原则、常用电缆标号原则的基础上,介绍二次回路识图方法:“六先六后”、“相对标号法”。
关键词:二次回路、装置原理图、装置安装接线图、六先六后、相对标号法1.引言电力系统的电气设备,按其用途不同,一般分为一次设备和二次设备两大类。
将电能从发电厂的发电机传送至用户用电器具直接经过的设备,以及与这些设备电气连接的附属设备,称为一次设备。
一次设备主要包括:发电机、电力变压器、断路器、隔离开关、电抗器、电力母线、高压输电线路、高压电容器、高压电动机等。
一次设备相互连接并构成的电力线路,称为电力系统一次接线。
因为一次设备一般都是大容量、高压的设备,为了实现运行维护人员对一次设备进行监控,就必须配置与一次设备保持电气隔离的低电压、小容量的相应设备,统称这些设备为二次设备。
二次设备包括:测量仪表、继电保护和安全自动装置、通信设备等。
二次设备之间相互连接并构成的电路、称为二次回路。
1.二次图纸分类变电站的二次回路,涉及全站所有一次设备,而且所在的部位不同,功能各异,这就使二次设备是比较冗杂的设备。
为了满足工作的需要,二次回路应有完整的设计图纸资料,这些图纸主要包括两大类:装置原理图、装置安装接线图。
2.1装置原理图装置原理图是用以表示测量表计、控制信号、保护和自动装置的工作原理。
装置原理图分为两种:归总式原理图和展开式原理图。
归总式原理图是将二次回路的工作原理以整体(线圈与触点画在一起)的形式表现出来,与一次接线有关部分划在一起,反映的整个装置(回路)的完整概念,主要用于了解装置、回路的动作原理,工作中比较少见。
二次图纸识图与用图纸核对现场方法第1小节会识图的重要性会看变电站的常用图纸资料是变电站值班员的一项基本能力,是值班员通过自学熟悉变电站的前提条件,是分析二次回路异常或故障的基础能力。
第2小节二次识图须准备的相关知识 2.1 常用的概念说明接点的常态:指在变电站图纸中的继电器、接触器或压力等接点的正常状态。
对开关、刀闸、地刀的位置辅助接点,是指开关、刀闸、地刀在断开位置时接点的状态。
对于压力接点、温度接点、热继电器等,指正常压力下的状态。
对于继电器或接触器指它们不励磁时的状态。
励磁与不励磁:对于电压型线圈的继电器或接触器,指在它们的线圈两端施加有足够大的电压,能使其接点分、合状态发生改变的状态。
对于电流型线圈的继电器或接触器,指在它们的线圈通过足够大的电流,能使其接点转态发生变化的电压。
接点动作与不动作:接点处于常态,叫不动作。
如因设备的继电器或接触器励磁,或者压力改变、温度改变等,导致接点的分、合状态不同于常态,叫接点动作。
原理接线图:用以表示测量表计、控制信号、保护和自动装置的工作原理。
原理图反映的整个装置(回路)的完整概念,主要用于了解装置、回路的动作原理。
在原理图中,各元件是整块形式,与一次接线有关部分划在一起,并由电流回路或电压回路联系起来。
但图中无端子编号、各回路交叉,实际使用常干不便。
展开图:是另一种方式构成的接线图,各元件被分成若干部分。
元件的线圈、触点分散在交流回路和直流回路中。
在展开图中依电流通过的方向,画出按钮、触点、线圈和它们端子编号,由左至右,由上到下排列起来,最后构成完整的展开图。
在图的右侧还有文字说明回路的作用。
特点是条理清晰,非常方便对回路的逐一分析与检查。
常见的展开图有电流、电压回路图,控制及信号回路图。
平面布置图:反映一个屏(保护屏、控制屏、电度表屏等)上全部设备的安装位置,并指明各设备在整个屏中的设备编号。
用于了解一个屏设备的布置情况(安装位置、设备型号和设备的编号)。
1、图E-103为直流母线电压监视装置电路图,请说明其作用。
答:直流母线电压监视装置主要是反映直流电源电压的高低。
KV1是低电压监视继电器,正常电压KV1励磁,其常闭触点断开,当电压降低到整定值时, KV1失磁,其常闭触点闭合, HP1光字牌亮,发出音响信号。
KV2是过电压继电器,正常电压时KV2失磁,其常开触点在断开位置,当电压过高超过整定值时KV2励磁,其常开触点闭合, HP2光字牌亮,发出音响信号。
图E-103直流母线电压监视装置接线图2.说明图E-104直流绝缘监视装置接线图各元件的作用。
答:图E-108是常用的绝缘监察装置接线图,正常时,电压表1PV开路,而使ST1的触点5-7、9-11( ST1的1-3、2-4断开)与ST2的触点9-11接通,投入接地继电器KA。
当正极或负极绝缘下降到一定值时,电桥不平衡使KA动作,经KM而发出信号(若正、负极对地的绝缘电阻相等时,不管绝缘下降多少,KA不可能动作,就不能发出信号,这是其缺点)。
此时,可用2PV进行检查,确定是哪一极的绝缘下降(测“+”对地时,ST2的2-1、6-5接通;测“-”对地时,ST2的1-4、5-8接通。
正常时,母线电压表转换开关ST2的2-1、5-8、9-11接通,电压表2PV可测正、负母线间电压,指示为220V。
),若正极对地绝缘下降,则投ST1 I档,其触点1-3、13-14接通,调节R3至电桥平衡电压表1PV指示为零伏;再将ST1投至II档,此时其触点2-4、14-15接通,即可从1PV上读出直流系统的对地总绝缘电阻值。
若为负极对地绝缘下降,则先将ST1放在II档,调节3R至电桥平衡,再将ST1投至I档,读出直流系统的对地总绝缘电阻值。
假如正极发生接地,则正极对地电压等于零。
而负极对地指示为220V,反之当负极发生接地时,情况与之相反。
电压表1PV用作测量直流系统的总绝缘电阻,盘面上画有电阻刻度。
由于在这种绝缘监察装置中有一个人工接地点,为防其它继电器误动,要求电流继电器KA有足够大的电阻值,一般选30kΩ,而其启动电流为1.4mA,当任一极绝缘电阻下降到20 kΩ时,即能发出信号。
110kV变电站典型二次回路图解作者:蒋剑2008-12-01前言一目前,在针对电力系统职工和电力专业学生的培训教材中,关于二次接线的内容仍然主要以电磁式继电器回路为讲解示例。
在微机保护已经普遍应用的今天,这种模式在很大程度上已经脱离了电力生产的实际情况,造成了理论与实践的脱节,尤其不利于基层技术人员的培养。
形成这种局面的原因是多方面的。
首先,在教学中,继电器回路它具有接线简明、原理清晰、易于理解的优点,便于学生理解,而微机保护装置由于采用了微型计算机作为核心,许多功能都由芯片运算完成,在保护原理的算法和实现上进行了很大的改进,对高等数学及计算机等专业知识水平要求较高,不利于讲解和普及。
其次,电磁式继电器保护装置的定型化程度很高,各项技术条件在电力系统内得到了高度的认同。
微机保护则是由不同厂商根据继电保护的基本原理独立开发的,各套产品之间在配置原则、保护算法等方面存在较大差异,尽管经过一定时间的运行实践,我们总结出了一定的经验,但是仍然很难确定地将某一种产品作为范例进行推广,这也导致了在教学中对微机保护二次接线提及较少。
在微机型继电保护和自动装置的二次接线方面,由于实际工作情况的不同,各供电公司的相关部门目前采用最多的仍然是“师傅—徒弟”言传身教和班组学习的模式。
这种各自为战的模式不利于技术的交流与推广,也不利于电力系统人才的培养。
鉴于此,针对110kV变电站主要继电保护和自动装置的二次回路接线,笔者结合本单位的生产实践编制了本文。
本文以国内各大微机保护厂商设备为例,结合图纸讲解二次回路的工作方式,较少涉及继电保护原理,主要面对电力系统中刚参加工作的大中专学生编写,力求浅显易懂又不失专业性,使他们能尽快完成理论与实践的结合,投入工作中去。
前言二我一直有一个想法,那就是二次接线必须与继电保护作为两个专业分开。
虽然两者有着千丝万缕的联系,但是我认为——至少在教学上——应该予以更大程度的独立化,就如同我制作此文的目的:进行二次接线的学习,或者说尽快的学会看二次图纸,不涉及较深的继电保护原理。
《变电站典型二次回路图解》二次接线与继电保护作为两个专业分开。
虽然两者有着千丝万缕的联系,但是在教学上应该予以更大程度的独立化,进行二次接线的学习,或者说尽快的学会看二次图纸,不涉及较深的继电保护原理。
在微机保护时代,一般技术人员已经很少参与保护装置的研发工作,所以,对于微机保护在继电保护原理方面的工作方式,我们当中的大多数人不需要进行太深入的学习。
很多知识点,我们只要简单的了解或者记住结论就可以了。
“二次回路复杂吗?难学吗?”事实上,我认为,只要你明白一个“干电池、开关、灯泡”组成的照明回路是如何工作的,那么你就算是入门了。
为什么这么说呢?针对二次回路分析的文章有很多,从各个方面对绘图、识图等方面进行了阐述。
实事求是的讲,作为入门的一种学习途径,我认为大家恰恰忽略了最为简单的方法:从纯粹电路学的角度来看二次回路。
二次回路是什么?它的本质就是一个两端电压为220V 的直流回路罢了。
从电路学的角度来看二次回路,也正符合了我最初“尽量抛开继电保护原理”学习二次回路的思路。
第一章微机型二次设备的工作方式一般来说,我们将变电站内所有的微机型二次设备统称为“微机保护”,实际上这个叫法是很不确切的。
从功能上讲,我们可以将变电站自动化系统中的微机型二次设备设备分为微机保护、微机测控、操作箱(目前一般与微机保护整合为一台装置内,以往多为独立装置)、自动装置、远动设备等。
按照这种分类方法,可以将二次回路的分析更加详细,易于理解。
现简单介绍一下各类设备的主要功能:微机保护采集电流量、电压量及相关状态量数据,按照不同的算法实现对电力设备的保护功能,根据计算结果做出判断并发出针对断路器的相应操作指令。
微机测控的主要功能是测量及控制,可以采集电流量、电压量及状态量并能发出针对断路器及其它电动机构的操作指令,取代的是常规变电站中的测量仪表(电流表、电压表、功率表)、就地及远传信号系统和控制回路。
操作箱用于执行各种针对断路器的操作指令,这类指令分为合闸、分闸、闭锁三种,可能来自多个方面,例如本间隔微机保护、微机测控、强电手操装置、外部微机保护、自动装置、本间隔断路器机构等。
二次图纸识图与标号知识会识图的重要性会看变电站的常用图纸资料是变电站值班员的一项基本能力,是值班员通过自学熟悉变电站的前提条件,是分析二次回路异常或故障的基础能力。
二次识图须准备的相关知识2.1 常用的概念说明接点的常态:指在变电站图纸中的继电器、接触器或压力等接点的正常状态。
对开关、刀闸、地刀的位置辅助接点,是指开关、刀闸、地刀在断开位置时接点的状态。
对于压力接点、温度接点、热继电器等,指正常压力下的状态。
对于继电器或接触器指它们不励磁时的状态。
励磁与不励磁:对于电压型线圈的继电器或接触器,指在它们的线圈两端施加有足够大的电压,能使其接点分、合状态发生改变的状态。
对于电流型线圈的继电器或接触器,指在它们的线圈通过足够大的电流,能使其接点转态发生变化的电压。
接点动作与不动作:接点处于常态,叫不动作。
如因设备的继电器或接触器励磁,或者压力改变、温度改变等,导致接点的分、合状态不同于常态,叫接点动作。
原理接线图:用以表示测量表计、控制信号、保护和自动装置的工作原理。
原理图反映的整个装置(回路)的完整概念,主要用于了解装置、回路的动作原理。
在原理图中,各元件是整块形式,与一次接线有关部分划在一起,并由电流回路或电压回路联系起来。
但图中无端子编号、各回路交叉,实际使用非常不便。
展开图:是另一种方式构成的接线图,各元件被分成若干部分。
元件的线圈、触点分散在交流回路和直流回路中。
在展开图中依电流通过的方向,画出按钮、触点、线圈和它们端子编号,由左至右,由上到下排列起来,最后构成完整的展开图。
在图的右侧还有文字说明回路的作用。
特点是条理清晰,非常方便对回路的逐一分析与检查。
常见的展开图有电流、电压回路图,控制及信号回路图。
平面布置图:反映一个屏(保护屏、控制屏、电度表屏等)上全部设备的安装位置,并指明各设备在整个屏中的设备编号。
用于了解一个屏设备的布置情况(安装位置、设备型号和设备的编号)。
分屏前布置图、屏后布置图。
变电站二次图纸识图方法会识图的重要性:会看变电站的常用图纸资料是变电站值班员的一项基本能力,是值班员通过自学熟悉变电站的前提条件,是分析二次回路异常或故障的基础能力。
一、二次识图须准备的相关知识1、常用的概念说明接点的常态:指在变电站图纸中的继电器、接触器或压力等接点的正常状态。
对开关、刀闸、地刀的位置辅助接点,是指开关、刀闸、地刀在断开位置时接点的状态。
对于压力接点、温度接点、热继电器等,指正常压力下的状态。
对于继电器或接触器指它们不励磁时的状态。
励磁与不励磁:对于电压型线圈的继电器或接触器,指在它们的线圈两端施加有足够大的电压,能使其接点分、合状态发生改变的状态。
对于电流型线圈的继电器或接触器,指在它们的线圈通过足够大的电流,能使其接点转态发生变化的电压。
接点动作与不动作:接点处于常态,叫不动作。
如因设备的继电器或接触器励磁,或者压力改变、温度改变等,导致接点的分、合状态不同于常态,叫接点动作。
原理接线图:用以表示测量表计、控制信号、保护和自动装置的工作原理。
原理图反映的整个装置(回路)的完整概念,主要用于了解装置、回路的动作原理。
在原理图中,各元件是整块形式,与一次接线有关部分划在一起,并由电流回路或电压回路联系起来。
但图中无端子编号、各回路交叉,实际使用常干不便。
展开图:是另一种方式构成的接线图,各元件被分成若干部分。
元件的线圈、触点分散在交流回路和直流回路中。
在展开图中依电流通过的方向,画出按钮、触点、线圈和它们端子编号,由左至右,由上到下排列起来,最后构成完整的展开图。
在图的右侧还有文字说明回路的作用。
特点是条理清晰,非常方便对回路的逐一分析与检查。
常见的展开图有电流、电压回路图,控制及信号回路图。
平面布置图:反映一个屏(保护屏、控制屏、电度表屏等)上全部设备的安装位置,并指明各设备在整个屏中的设备编号。
用于了解一个屏设备的布置情况(安装位置、设备型号和设备的编号)。
分屏前布置图、屏后布置图。
平面布置图:反映一个屏(保护屏、控制屏、电度表屏等)上全部设备的安装位置,并指明各设备在整个屏中的设备编号。
用于了解一个屏设备的布置情况(安装位置、设备型号和设备的编号)。
安装接线图:常见的有屏柜的端子接线图、开关或端子箱的安装接线图。
图中每个设备都有按一定顺序的编号、代号,设备的接线端子(柱)也有标号,此标号完全与产品的实际位置对应。
每个接线端子还注明有连接的去向。
端子排图还有回路编号(与展开图对应),端子连接的电缆去向、电缆的编号。
与现场实际设备的安装情况完全对应。
是安装和核对现场不可缺少的图纸。
2、图形符号的意义按《变电站值班员》一书后的图形符号,记忆常见符号:常闭接点、常开接点、延时打开与延时闭合接点的区别、按钮、线卷的符号、接触器的触点、电阻等。
1D、2D、3D等屏、柜或端子箱内端子排上的端子符号,1n、2n、1-1n等为各装置的端子。
3、二次回路的标号及标号的规律为便于安装、运行和维护,在二次回路的所有设备之间的连线都要进行标号,这就是二次回路标号。
标号一般采用数字或数字和文字的组合,它表明了回路的性质和用途。
在图纸展开图的每个元件(触点、线圈、端子排的端子等)之间的线段都标号(常叫回路编号),回路标号通常能表明该回路的用途。
在屏柜或端子箱的端子排的端子接线头处均有回路标号(保护人员称为端子黑头上),此处的回路标号与图纸展开图的回路标号对应。
在同一个间隔,回路标号相同的端子、引线在电气上连接的电阻为零,即互相之间用导线连接。
熟记下列常用的回路标号:1:控制回路电源的正极。
如主变有三侧开关,则三侧开关的控制回路电源的正极分别为101、201、301。
2:控制回路电源的正极。
701:信号回路电源的正极。
702:信号回路电源的正极。
A4XX、B4XX、C4XX、N4XX:为CT二次电流回路的A、B、C、N相。
特点为标号以4开头。
A6XX、B6XX、C6XX、N6XX:为CT二次电压回路的A、B、C、N相。
特点为标号以6开头。
其中A630、B630、C630为Ⅰ母电压,其中A640、B640、C640为Ⅱ母电压。
如本站有多个电压等级,则在630和640后增写Ⅰ、Ⅱ、Ⅲ,分别表示本站高压、中压、低压的母线电压回路。
901、902、903…..或J901、J902、J903、……等为信号回路。
7、37、107、137,3、33、133、233一般为开关控制回路的跳闸或合闸回路。
二、二次标号的编号规律知识1、二次回路标号的基本原则回路标号的基本原则是:凡是各设备间要用控制电缆经端子进行联系的,都要按回路编号的原则进行标号。
此外,某些装设备在屏顶的设备与屏内设备进行连接,也需要经过端子排,此时屏顶设备就可看作是屏外设备,而在其连线上同样按回路编号原则给以相应的标号。
为了明确起见,对直流回路和交流回路采用不同的标号方法,而在交、直流回路中,对各种不同用途的回路又赋予不同的数字符号。
因此在二次回路接线图中,我们看到标号后,就能知道这一回路的性质而便于维护和检修。
2、二次回路标号的基本方法(1)用三位或三位以上的数字组成,需要标明回路的相别或某些主要特征时,可在数字标号的前面(或后面)增注文字符号。
(2)按“等电位”的原则标注,即在电气回路中,在连于一点上的所有导线(包括接触连接的可折线段)须标以相同的回路标号。
(3)电气设备的触点、线圈、电阻、电容器等元件所间隔的线段,即看为不同的线段,一般赋予不同的标号;对于在接线图中不经过端子而在屏内直接连接的回路,可不标号。
3、简述直流回路的标号细则。
(1)对于不同用途的支流回路,使用不同的数字范围,如控制和保护回路用001~099及1~599,励磁回路用601~609。
(2)控制和保护回路使用的数字标号,按熔断器所属的回路进行分组,每一百个数分为一组,如101~199,201~299,301~399,……,其中每段里面先按正极性回路(编为奇数)由小到大,再编负极回路(偶数)由大到小,如100,101,103,133,……,142,140,……。
(3)信号回路的数字标号组,应按事故、位置、预告、指挥信号进行分组,按数字大小进行排列。
(4)开关设备、控制回路的数字标号组,应按开关设备的数字序号进行选取。
例如:有3个控制开关1KK、2KK、3KK,则1KK对应的控制回路数字标号选101、199,2KK对应的控制回路数字标号选201、299,熔断器所属回路,3KK对应的控制回路数字标号选301、399。
(5)正极回路线段按奇数标号,负极回路线段按偶数标号。
每经过回路的主要压降元(部)件(如线圈、绕组、电阻等)后,即行改变其极性,其奇偶顺序随之改变。
对不能标明极性或其极性在工作中改变的线段,可任选奇数或偶数。
(6)对于某些特定的主要回路通常给予专用的标号组。
例如:正电源为101、201,负电源为102、202;合闸回路中的绿灯回路为105、205、305、405。
跳闸回路中的红灯回路编号为35、135、235……等等。
4、简述交流回路的标号细则(1)交流回路按相别顺序标号,它除用三位数字编号外,还加有文字标号以示区别。
例如A411、B411、C411。
A相、B相、C相、中性、零、开口三角形连接的电压互感器回路中的任一相文字标号A、B、C、N、L、X,角注标号a、b、c、n、l、x。
(2)对于不同用途的交流回路,使用不同的数字组。
控制回路、保护回路、信号回路电流回路电压回路标号范围1~399、400~599、600~799。
电流回路的数字标号,一般以使位数字为一组。
如A401~A409,B401~B409、C401~C409、A591~A599等。
若不够亦可以20为数为一组,供一套电流互感器之用。
几组并联的电流互感器的并联回路,应取数字组中较小的一组数字标号。
不同相的电流互感器并联时,并联回路应选任何一组电流互感器的数字组进行标号。
电压回路的数字标号,应以十位数字为一组。
如A601~A609,B601~B609、C601~C609、A791~A799,••••以供一个单独的互感器回路标号之用。
(3)电流互感器和电压互感器的回路,均须在分配给2的数字标号范围内,自互感器引出端开始,按顺序编号。
例如:“TA”的回路标号用411~419,“2TV”的回路标号用621~629等。
(4)某些特殊的交流回路(如母线电流差动保护公共回路、绝缘监察继电器电压表的公共回路等)给予专用的标号组。
5、相对编号法当两个设备的端子通过连线互相连接时,在安装接线图上,用相对编号法来表示设备某个端子(接线柱)的连线的连接去向。
简单的说为:甲的端子上标乙的端子号,乙的端子标出甲的端子号。
这个编号标在每个设备的端子连接线的线头处。
在实际设备的接线柱以及端子排的端子接线头上都标有以相对编号法的编号,以标明连接的去向。
三、二次看图的方法看懂工作原理的常用方法(1)直流回路从正极到负极:例如控制回路、信号回路等。
从一个回路的直流正极开始,按照电流的流动的方向,看到负极为止。
(2)交流回路从火线到中性线:例如电流、电压回路,变压器的风冷回路。
从一个回路的火线(A、B、C相开始,按照电流的流动方向,看到中性线(N极)为止。
(3)见接点找线圈,见线圈找接点:见到接点即要找到控制该接点的继电器或接触器的线圈位置。
线圈所在的回路是接点的控制回路,以分析接点动作的条件。
见线圈找出它的所有接点,以便找出该继电器控制的所有接点(对象)。
(4)利用欧姆定律分析继电器判断是否动作:判别的依据是,电压型线圈的两端加有足够大的电压,电流型线圈的通过两端加有足够大的电流。
对于电压型继电器的线圈回路,当线圈的两端通过若干个继电器的接点或电流线圈与分别电源的正、负极贯通,则认为继电器(接触器)动作(励磁),当回路中有短开的接点,或线卷回路串接有比较大的电阻,或者线卷被并接的接点短接时,则认为继电器(接触器)不动作(不励磁)。
例如:开关分闸回路,当开关处于合位,分闸线圈的正极端串接有合位继电器(电阻大),则认为其不动作。
当保护跳闸接点闭合,将线圈直接接到电源正极时,则认为分闸线圈动作。
对于电流型(如跳闸回路的防跳跃继电器),当线圈的两端通过若干个继电器的接点或电阻较小的线圈与分别电源的正、负极贯通,则认为继电器(接触器)动作(励磁)。
当回路中有短开的接点,或线卷回路串接有比较大的电阻,或者线卷被并接的接点短接时,则认为继电器(接触器)不动作(不励磁)。
(5)看完所有支路:当某一回路,从正极往负极看回路时,如中间有多个支路连往负极,则每个支路必须看完。
否则分析回路的就会漏掉部分重要的情况。
(6)利用相对编号法、回路标号弄清安装图与展开图的接线原理图中设备的对应关系:核查安装图与展开图的对应关系的主要目的:第一是检查安装图是否与展开图相对应。