数控车零件加工图纸
- 格式:docx
- 大小:103.68 KB
- 文档页数:6
《数控车工》(四级)答题卷试题代码:1.1.1-1.1.8试题名称:轴类零件编程与仿真(一~八)考生姓名:准考证号:考核时间(min):90(min)一.数控加工工艺卡片二.数控刀具卡片《数控车工》(四级)答题卷试题代码:1.2.1-1.2.8试题名称:盘类零件编程与仿真(一~八)考生姓名:准考证号:考核时间(min):90(min)一.数控加工工艺卡片二.数控刀具卡片试题单试题代码:1.1.1试题名称:轴类零件编程与仿真(一)考生姓名:准考证号:考核时间:90(min)1、操作条件(1)计算机。
(2)数控加工仿真软件。
(3)零件图纸(图号1.1.1)。
2、操作内容(1)编制数控加工工艺。
(2)手工编制加工程序。
(3)数控加工仿真。
3、操作要求在指定盘符路径建立一文件夹,文件夹名为考生准考证号,数控加工仿真结果保存至该文件夹。
文件名:考生准考证号_FZ。
(1)填写数控加工工艺卡片和数控刀具卡片。
(2)虚拟外圆车刀和镗孔刀的刀尖圆弧半径不允许设定为零。
(3)螺纹底径按螺纹手册规定编程。
(4)螺纹左旋、右旋以虚拟仿真机床为准。
(5)每次装夹加工只允许有一个主程序。
(6)第一次装夹加工主程序名为O0001(FANUC)或P1(PA),第二次装夹加工主程序名为O0002(FANUC)或P2(PA)。
注:盘符路径由鉴定站所在鉴定时指定。
试题单试题代码:1.2.1试题名称:盘类零件编程与仿真(一)考生姓名:准考证号:考核时间:90(min)1、操作条件(1)计算机。
(2)数控加工仿真软件。
(3)零件图纸(图号1.2.1)。
2、操作内容(1)编制数控加工工艺。
(2)手工编制加工程序。
(3)数控加工仿真。
3、操作要求在指定盘符路径建立一文件夹,文件夹名为考生准考证号,数控加工仿真结果保存至该文件夹。
文件名:考生准考证号_FZ。
(1)填写数控加工工艺卡片和数控刀具卡片。
(2)虚拟外圆车刀和镗孔刀的刀尖圆弧半径不允许设定为零。
数控车G71,G70指令的编程加工实例数控车 G71、G70 指令的编程加工实例在数控车床加工中,G71 和 G70 指令是经常被使用的重要编程指令。
它们能够大大提高加工效率和精度,为复杂零件的加工提供了便捷的解决方案。
接下来,我将通过一个具体的加工实例,为您详细介绍这两个指令的应用。
我们要加工的零件是一个轴类零件,其图纸如下所示:(此处插入零件图纸)该零件的毛坯为直径 50mm,长度 100mm 的圆柱形棒料。
材料为45 号钢。
首先,让我们来了解一下 G71 指令。
G71 指令是外圆粗车复合循环指令,适用于毛坯余量较大的情况。
它可以自动计算粗车的切削路径,大大减少编程工作量。
G71 指令的格式为:G71 U(Δd) R(e)G71 P(ns) Q(nf) U(Δu) W(Δw) F(f) S(s) T(t)其中,Δd 表示每次切削深度(半径值);e 表示退刀量;ns 表示精加工轮廓程序段中开始程序段的段号;nf 表示精加工轮廓程序段中结束程序段的段号;Δu 表示 X 方向精加工余量(直径值);Δw 表示 Z 方向精加工余量;f 表示进给速度;s 表示主轴转速;t 表示刀具号。
根据我们的零件图纸,设定 G71 指令的参数如下:G71 U2 R1G71 P10 Q20 U05 W02 F02 S800 T0101接下来是编写粗车的轮廓程序段。
从零件的右端开始,按照加工顺序,我们编写如下程序:N10 G00 X20 (快速定位到直径 20mm 处)Z2 (快速定位到距离右端 2mm 处)N20 X50 Z-20 (加工到零件的左端)这就是粗车的轮廓程序。
粗车完成后,我们需要使用 G70 指令进行精加工。
G70 指令用于完成 G71 指令粗车后的精加工过程。
G70 指令的格式为:G70 P(ns) Q(nf)其中,ns 和 nf 与 G71 指令中的含义相同。
我们编写的 G70 指令如下:G70 P10 Q20下面是完整的数控程序:O0001 (程序号)T0101 (选择 1 号刀具)M03 S800 (主轴正转,转速 800r/min)G00 X52 Z2 (快速定位到毛坯右端外)G71 U2 R1G71 P10 Q20 U05 W02 F02 S800N10 G00 X20Z2G01 X20 Z-2 F01 (精加工外圆)Z-20X50N20 X50 Z-20G70 P10 Q20G00 X100 Z100 (刀具退到安全位置)M30 (程序结束)在实际编程过程中,还需要注意以下几点:1、合理选择切削参数,包括切削深度、进给速度和主轴转速等,以保证加工质量和效率。
摘要自从1946年世界上首次电子计算机制造以来,这说明人们制造了工具,能增加和替换脑力。
它和工具,人类在农业和工业社会,有了质的飞跃,为人类进入奠定了基础信息社会。
在1952年,计算机技术应用于机器,第一个数控机床的诞生在美国。
从那时起,近年来传统的机床,数控机床公司逐年增加,并被应用在大中型企业中,有了质量的变化。
近半个世纪以来,数控系统经历了两个阶段和六代的发展。
在中小企业甚至个人企业也普遍开始使用。
在这些数控机床,除了少量的机床在FMS模式集成,主要是在独立的运行状态,和相当部分的使用效率不高,落后的管理模式。
近年来,中国的出口增长的大型数控机床是数控车床、数控磨床、数控加工专用机床,数控剪板机,数控折弯,折弯机,数控压铸机、通用机床。
在车床主传动系统的毕业设计中,使学生建立不错的的规划和了解车床主传动系统设计的一般方法。
巩固和加深所学理论知识,加深知识储备,运用所学知识剖析和处理设计工作中的实际问题。
从机械制造装备毕业设计中,使我们在制定车床主传动机构、车床的结构设计、一般的提案的设计、零件等的计算、编绘技术文稿和设计理论的表现等方面,得到整体性的锻炼。
轻车熟路相关准则、图册和参照素材的使用,以懂得具有粗浅的结构剖析和构造的设计演算的能力。
关键词:主传动系统、传动设计、动力设计Abstract1946 birth of the world's first electronic computer, which suggests that human created can be enhanced and part instead of the mental work tools. It with humans in agriculture, industrial society to create those is only a means of enhancing physical labor, compared to a qualitative leap, which laid a foundation for human into the information society. Six years later, in 1952, the computer technology application in machine tools, was born in the United States the first CNC machine tool. Since then, traditional machine tools produced in recent years, our country enterprise of nc machine tools share rise year by year, in large and medium-sized enterprises have more use, a qualitative change. Nearly half a century, the CNC system has experienced two stages and the development of six generations. Also common in small and medium-sized enterprises and individual enterprises begin to use. In the nc machine tools, in addition to a small amount of machine tools used in FMS model integration, mostly in single machine running state, and some in the efficiency is not high, management way backward state. In recent years, China's exports was bigger nc machine tool with CNC lathe, CNC grinding machine, numerical control special machine tools, CNC bending machine, CNC shearing machine, CNC forming die casting machine, such as the common machine tools have a drilling machine, sawing machine, slotting machine, broaching machine, combinationmachine tools, hydraulic press.Through the lathe main drive system of curriculum design, causes the student to set up the correct design ideas and master the basic method of lathe main transmission system design.Consolidate and deepen the theory knowledge, the expanded aspect of knowledge, and apply what they have learned the theory analysis and solve specific problems in the design work;By machinery and equipment course design, causes the student to the structure of the main transmission mechanism in forming lathe, lathe parts design, all kinds of scheme design, calculation, write technical documents and the expression of design ideas and so on, to get basic training comprehensive;Be familiar with the relevant standards and manuals and the use of the resources, to foster a preliminary structural analysis and the ability to structure design and calculation.Keywords: main drive system, transmission design, dynamic design目录摘要 1第一章概述 (1)1.1国内数控机床现状 (1)1.2 设计参数 (1)第二章参数的拟定 (2)2.1确定极限转速 (2)2.2电机的选择 (2)第三章传动设计 (3)3.1主传动方案拟定 (3)3.2传动结构式、结构网的选择 (3)3.3转速图的拟定 (3)第四章主传动部分的改造和设计 (6)4.1主传动部分方案拟定 (6)4.2主传动部分设计改造设计计算 (9)4.3数控机床分级变速箱的设计 (11)4.4电磁离合器的设计计算 (15)4.5齿轮的结构设计 (16)4.6带轮结构设计 (17)4.7传动轴间的中心距 (17)4.8轴承的选择 (17)第五章动力设计 (18)5.1传动轴的验算 (18)5.2齿轮效验 (22)5.3轴承的效验 (23)第六章结构设计及说明 (24)6.1结构设计的内容 (24)6.2 I轴的设计 (24)6.3齿轮块的设计 (25)6.4传动轴的设计 (25)结论 (27)参考文献 (28)致谢 (29)第一章概述1.1国内数控机床现状最近几年我国企业的数控机床占的比重也在增长,在大的公司中就有很多的使用,在小公司和个体的企业中也在开始使用中。
摘要在本设计说明书中,我通过对零件的图形分析,零件的结构工艺性,技术要求进行仔细分析了,所设计的零件结构应便于成型,并且成本低,效率高,它的涉及面广,因此这一环节是技术的关键,以便在拟定工艺规程时采用适当的措施。
材料分析,选好了加工毛坯,了解常用的毛坯种类:锻件.型材.焊接件.冷压件等,还有毛坯是根据零件要求的形状,工艺尺寸等方面而制成的进一步加工使用的生产对象。
在制订零件的工艺规程时,正确的选择工件的基准有着很重要的意义,应划分阶段一般分粗加工.半精加工和精加工三个阶段。
选择的机床型号是CA6140普通车床,CJ6032A教学型数控车床。
另外还对加工的工序.工艺进行分析,从而手工将加工零件的全部工艺过程、工艺参数、位移数据等以规定的代码、程序格式写出,编制出了适合所选车床的程序。
关键词:零件的分析,毛坯,工艺,工序尺寸,加工路线,编程目录第一章零件的分析 (2)1.1 零件的结构工艺性分析 (2)1.1.1 零件的形状分析 (2)1.1.2 零件的形位公差分析 (2)1.1.3零件的加工表面分析 (2)1.2 零件的材料分析 (3)第二章毛坯的设计 (4)2.1 确定零件的生产类型和生产纲领 (4)2.2.1 毛坯的种类 (4)2.2.2 毛坯种类的选择 (4)2.2.3毛坯的形状与尺寸的选择 (4)第三章零件工艺规程的设计 (6)3.1 定位基准的的选择 (6)3.1.1 精基准的选择 (6)3.1.2 粗基准的选择 (6)3.2 零件表面加工方法的选择 (7)3.3 加工顺序的安排 (7)3.3.1 加工阶段的划分 (7)3.3.2 工序的合理组合 (7)3.3.3 加工顺序的安排 (8)3.4 工艺的制定 (9)3.4.1 工序基准的制定 (9)3.4.2 确定工序尺寸的方法 (9)3.4.3 加工余量的确定 (10)3.4.4 机床的选择 (11)3.4.5 工艺装备的选择 (11)3.4.6 切削用量的选择 (1)第四章数控加工程序的编制 (16)4.1 数控加工的特点 (16)4.2 数控编程方法及特点 (16)4.2.1 数控编程的分类 (16)4.2.2 编程零点及坐标系的选择 (16)4.2.3 对刀点的选择 (16)4.2.4 加工路线的确定 (17)4.3 数控加工程序的内容 (17)4.3.1车床程序 (17)结束语 (23)参考文献 (24)前言毕业设计是培养我们实际工作能力的最后一个重要实践性学习环节,它不但是对我们三年来的学习与实践是一个很好的总结和考验,也是为以后从事专业技术工作做个强而有力的铺垫。
课题七数控车---简单轴类零件的编程与加工教学目的:1.使学生熟悉掌握FANUC-0i Mate-TB数控系统的G50、G96、G97、G98、G99、G00、G01等指令;2.使学生掌握简单轴类零件的编程与加工.重点:G50、G96、G97、G98、G99、G00、G01等指令的应用;自动回机床参考点(G28)及工件坐标系设定(G50)难点:G50、G96、G97、G98、G99、G00、G01等指令的应用;自动回机床参考点(G28)及工件坐标系设定(G50)一、旧课复习1、怎样从写字板中调用程序?2、如何对刀?3、怎样自动加工工件?4、如何测量工件?二、新课的教学内容(一)常用的G代码1.快速定位指令G00(1)功能:用于非切削快速定位,使刀具以点位控制方式,从刀具所在点快速移动到目标点。
移动速度由系统内部参数决定。
不能由程序改变,但可用倍率开关改变。
不同的系统有不同的速度,一般都在10~30m/min之间。
在加工程序中,有绝对值和增量值有两种表达方法。
(2)格式:G00 X(U)Z(W)(3)说明:X、Z:绝对坐标方式时的目标点坐标;U、W:增量坐标方式时的目标点坐标。
G00的运动轨迹不一定是直线,若不注意则容易干涉。
图7-1 采用绝对坐标G00X37Z30 图7-2 采用相对坐标G00U25W202 . 直线插补G01(1)功能:使刀具以给定的进给速度,从所在点出发,直线移动到目标点。
(2)格式:G01 X(U)Z(W) F(3)说明:X、Z: 绝对坐标方式时的目标点坐标;U、W: 增量坐标方式时的目标点坐标。
F是进给速度。
3 . 暂停指令(G04)(1)功能:该指令可使刀具做短时间的停顿, 即刀具作短时的无进给运动(2)格式:G04 X(U)G04 P(3)说明:X、U指定时间,允许带小数点;秒P指定时间,不允许带小数点,毫秒(4)应用场合:车削沟槽或钻孔时,为使槽底或孔底得到准确的尺寸精度及光滑的加工表面,在加工到槽底或孔底时,应暂停适当时间;使用G96车削工件轮廓后,改成G97车削螺纹时,可暂停适当时间,使主轴转速稳定后再执行车螺纹,以保证螺距加工精度要求。
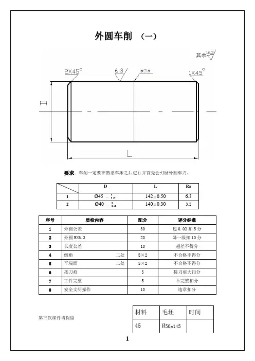
要求:车削一定要在熟悉车床之后进行并首先会刃磨外圆车刀。
D L Ra1 Ø45 —0 0.10142±0.50 6.32 Ø40 —0 0.10140±0.30 3.2序号质检内容配分评分标准1 外圆公差30 超0.02扣5分2 外圆RX6.3 20 降一级扣10分3 长度公差10 超差不得分4 倒角二处5×2 不合格不得分5 平端面二处5×2 不合格不得分6 接刀痕 5 接刀痕大扣分7 工件完整 5 不完整扣分8 安全文明操作10 违章扣分材料毛坯时间第三次课件请保留45 Ø50x145序号质检内容配分评分标准1 外圆公差三处10x3 超0.01扣2分2 外圆Ra3.2 三处6x3 降一级扣3分3 长度公差三处4x3 超差不得分4 倒角二处3x2 不合格不得分5 平端面二处4x2 不合格不得分6 清角去锐边四处2x4 不合格不得分7 工件完整 5 不完整扣分8 安全操作10 违章扣分材料毛坯时间45 Ø50x150多台阶车削(三)序号质检内容配分评分标准1 外圆公差六处5x6 超0.01扣2分,超0.02不得分2 外圆Ra3.2 六处3x6 降一级扣2分3 长度公差六处3x6 超差不得分4 倒角二处2x2 不合格不得分5 清角去锐边十处10 不合格不得分6 平端面二处2x2 不合格不得分7 工件外观 6 不完整扣分8 安全文明操作10 违章扣分此件用上次课件改制材料毛坯时间45一夹一顶练习(四)序号质检内容配分评分标准1 外圆公差四处8x4 超0.01扣2分,超0.02不得分2 外圆Ra3.2 四处4x4 降一级扣2分3 长度公差四处3x4 超差不得分4 倒角二处3x2 不合格不得分5 清角二处2x3 不合格不得分6 平端面二处3x2 不合格不得分7 中心孔 5 不合格不得分8 工件外观7 不完整扣分9 安全文明操作10 违章扣分要求:会正确使用A.B型中心钻。
要求:车削一定要在熟悉车床之后进行并首先会刃磨外圆车刀。
D L Ra1 Ø45 —0 0.10142±0.50 6.32 Ø40 —0 0.10140±0.30 3.2序号质检内容配分评分标准1 外圆公差30 超0.02扣5分2 外圆RX6.3 20 降一级扣10分3 长度公差10 超差不得分4 倒角二处5×2 不合格不得分5 平端面二处5×2 不合格不得分6 接刀痕 5 接刀痕大扣分7 工件完整 5 不完整扣分8 安全文明操作10 违章扣分材料毛坯时间零件请保留45 Ø50x145序号质检内容配分评分标准1 外圆公差三处10x3 超0.01扣2分2 外圆Ra3.2 三处6x3 降一级扣3分3 长度公差三处4x3 超差不得分4 倒角二处3x2 不合格不得分5 平端面二处4x2 不合格不得分6 清角去锐边四处2x4 不合格不得分7 工件完整 5 不完整扣分8 安全操作10 违章扣分材料毛坯时间45 Ø50x150多台阶车削(三)序号质检内容配分评分标准1 外圆公差六处5x6 超0.01扣2分,超0.02不得分2 外圆Ra3.2 六处3x6 降一级扣2分3 长度公差六处3x6 超差不得分4 倒角二处2x2 不合格不得分5 清角去锐边十处10 不合格不得分6 平端面二处2x2 不合格不得分7 工件外观 6 不完整扣分8 安全文明操作10 违章扣分此件用上次课件改制材料毛坯时间45一夹一顶练习(四)序号质检内容配分评分标准1 外圆公差四处8x4 超0.01扣2分,超0.02不得分2 外圆Ra3.2 四处4x4 降一级扣2分3 长度公差四处3x4 超差不得分4 倒角二处3x2 不合格不得分5 清角二处2x3 不合格不得分6 平端面二处3x2 不合格不得分7 中心孔 5 不合格不得分8 工件外观7 不完整扣分9 安全文明操作10 违章扣分要求:会正确使用A.B型中心钻。
华中数控车床实训图纸及参考程序Document number:NOCG-YUNOO-BUYTT-UU986-1986UT工作任务1 机械加工工序卡片材料φ40×68mm 零件图号4号系统HNC21/22T 工序号序号工步内容G指令T刀具切削用量s(r/min) f(mm/r)ap(mm)1 装夹毛坯右端,伸出长度35mm,粗、精车削工件左端外形。
G71T0101 粗车:S600精车:S1500粗车:精车:粗车:精车:2 掉头装夹φ30外圆,粗、精车工件右端外形。
G71 T0101 同上同上同上刀具卡片课题工作任务一零件名称轴零件图号4号序号刀具名称及规格刀尖半径数量加工表面1 T0101 1 整个零件外形23加工参考程序1.3.1 工件左端程序:O0001 文件夹名;%0001 程序名;T0101 90°外圆车刀;95M600FG00X42Z2100M95M1500F 精加工;G00X42Z2N10G00X27G01Z0Z-20X35Z-68N20X42G00X100Z100M05M301.3.2 工件右端程序;O0002 文件夹名;%0002 程序名;T0101 90°外圆车刀;95M600FG00X42Z2100M95M1500F10G100M工作任务2机械加工工序卡片材料φ40×74mm 零件图号4号系统HNC21/22T 工序号序号工步内容G指令T刀具切削用量s(r/min) f(mm/r)ap(mm)1 装夹毛坯右端,伸出长度25mm,粗、精车削工件左端外形。
G71T0101 粗车:S500精车:S1500粗车:精车:粗车:精车:2 掉头装夹φ38外圆,粗、精车工件右端外形。
G71 T0101 同上同上同上刀具卡片课题工作任务二零件名称轴零件图号4号序号刀具名称及规格刀尖半径数量加工表面1 T0101 1 整个零件外形23加工程序2.3.1 工件左端加工程序:O0001 文件夹名;%0021 程序名;T0101 90°外圆车刀;95M3500FG0X42Z295M31500F10G2.3.2 工件右端加工程序:O0002 文件夹名;%0022 程序名;T0101 90°外圆车刀;95M3500FG0X42Z295M31500F10G工作任务3机械加工工序卡片材φ30×72mm 零件4号系统HNC21/22T 工序刀具卡片加工程序3.3.1 工件右端加工程序:O0002 文件夹名;%0022 程序名;T0101 90°外圆车刀;95M600FG00X32Z2100MM00T010195M1500FG00X32Z2N10G00X0G01Z0G1Z-25G00X100Z100M05M303.3.2 工件右端加工程序:O0002 文件夹名;%0002 程序名;T0101 90°外圆车刀;95M600FG00X32Z2100M95M1500F10G100M 4mm宽的切槽车刀;95M450FG00X18Z-33G01X12G04P2G0X18X100Z100M05M00T0303 60°螺纹刀;G95M03S450G00X18Z-10-29FX14Z-29G00X100Z100M05M30工作任务4机械加工工序卡片材料φ30×72mm 零件图号4号系统HNC21/22T 工序号序号工步内容G指令T刀具切削用量s(r/min) f(mm/r)ap(mm)1 装夹毛坯右端,伸出长度35mm,粗、精车削工件左端外形。
数控车削加工综合实例锥孔螺母套零件如图23-1所示,按中批生产安排其数控加工工艺,编写出加工程序。
毛坯为¢72mm 棒料。
任务实施1 加工工艺的确定 1.分析零件图样该零件表面由内外圆柱面、圆锥孔、圆弧、内沟槽、内螺其余3.2纹等表面组成。
其中多个径向尺寸和轴向尺寸有较高的尺寸精度、表面质量和位置公差要求。
2.工艺分析1)加工方案的确定根据零件的加工要求,各表面的加工方案确定为粗车→精车。
2)装夹方案的确定加工内孔时以外圆定位,用三爪自定心卡盘装夹。
加工外轮廓时,为了保证同轴度要求和便于装夹,以工件左端面和¢32孔轴线作为定位基准,为此需要设计一心轴装置(图23-2中双点划线部分),用三爪卡盘夹持心轴左端,心轴右端留有中心孔并用顶尖顶紧以提高工艺系统的刚性。
外轮廓车削心轴定位装夹方案3)加工工艺的确定(1)加工路线的确定加工路线见表23-1。
数控加工工艺路线单(2)工序30①工序卡工序卡见表。
数控加工工序卡②进给路线的确定(略)③刀具及切削参数的确定刀具及切削参数的确定见表。
数控加工刀具卡(3)工序40①工序卡工序卡见表。
数控加工工序卡②进给路线的确定(略)③刀具及切削参数的确定刀具及切削参数的确定见表。
数控加工刀具卡(3)工序50①工序卡工序卡见表。
数控加工工序卡②进给路线的确定精加工外轮廓的走刀路线如图所示,粗加工外轮廓的走刀路线略。
外轮廓车削进给路线③刀具及切削参数的确定刀具及切削参数的确定见表。
数控加工刀具卡2 参考程序编制1.工序301)工件坐标系的建立以工件左端面与轴线的交点为编程原点建立工件坐标系。
2)基点坐标计算(略)3)参考程序参考程序见表工序30参考程序2.工序401)工件坐标系的建立以工件右端面与轴线的交点为编程原点建立工件坐标系。
2)基点坐标计算(略)3)参考程序参考程序见表工序40参考程序3.工序501)工件坐标系的建立以工件右端面与轴线的交点为编程原点建立工件坐标系。