项目3任务4篦冷机的应用)
- 格式:ppt
- 大小:6.78 MB
- 文档页数:44
第四代篦冷机引言在现代社会中,冷却技术的应用越来越普遍,尤其是在工业和商业领域。
篦冷机作为一种重要的冷却设备,其性能和效率对于许多行业至关重要。
随着科学技术的不断进步,第四代篦冷机的出现引起了广泛关注。
本文将介绍第四代篦冷机的定义、原理、特点以及可能带来的应用前景。
定义第四代篦冷机是一种新型的冷却设备,其通过利用篦片(通常是金属材料)和冷却剂之间的热交换来降低物体的温度。
与传统的篦冷机相比,第四代篦冷机具有更高的效率和更低的能耗。
原理第四代篦冷机的工作原理基于热力学和热传导的基本原理。
其过程可以大致分为以下几个步骤:1.吸热阶段:冷却剂在低温环境下吸收热量,导致冷却剂温度升高。
2.压缩阶段:冷却剂被压缩,使其温度进一步升高。
3.放热阶段:高温的冷却剂释放热量,导致冷却剂的温度降低。
4.膨胀阶段:冷却剂经过膨胀,使其温度进一步降低。
通过以上循环过程,第四代篦冷机能够不断降低被冷却物体的温度。
特点第四代篦冷机相较于传统篦冷机具有以下几个特点:1.高效率:第四代篦冷机利用了更先进的技术和材料,使得能量的转化效率更高,能够更有效地降低物体的温度。
2.低能耗:相比于传统篦冷机,第四代篦冷机在相同冷却效果下能耗更低,从而节省能源。
3.可调节性:第四代篦冷机的参数可以根据需要进行调节,根据不同的工况和环境要求来优化冷却效果。
4.可靠性:第四代篦冷机采用了更可靠的材料和结构设计,使得其更耐用且寿命更长。
5.环保友好:第四代篦冷机在设计和生产过程中注重环保,减少对环境的污染和资源的浪费。
应用前景由于第四代篦冷机具有以上所述的特点,它在许多领域都有广泛的应用前景。
以下是一些可能的应用领域:1.工业制冷:第四代篦冷机可用于工业领域的冷却设备,如制冷机、冷水机组等。
其高效率和低能耗的特点使得工业生产更加经济高效。
2.商业制冷:篦冷机被广泛应用于商业建筑、超市和电子设备等领域。
第四代篦冷机的特点使得商业冷藏设备更加高效可靠且节能。
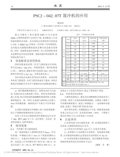
1.设备的用途及组成HC第五代节能型无磨损稳流冷却机(以下简称冷却机)接受来自回转窑的约1400℃高温熟料,在冷却机回收过程中,采用了科学合理的熟料输送方式和先进的风量控制技术,使得熟料能够在篦床上均匀分布,提高了输送效率,进一步改善了熟料的冷却效果、有效降低冷却机出料温度和进一步提高了二、三次风温并较大幅度地减少熟料冷却用风量,提高了冷却机的热回收效率和进一步提高了设备的运转率和易磨易损件的使用寿命,确保烧成系统的稳定高效、高运转率和低能耗。
冷却机作为烧成系统的主机和关键设备之一,承担着对水泥生产熟料的冷却、输送、破碎和系统热回收等主要作用。
冷却机主要由入口固定段、水平运动段、液压传动系统、上、下部壳体、熟料破碎机、干油集中润滑装置、链幕装置、出口篦条、风室密封、钢平台、喷水装置(视需要而定)、空气炮、风机、自动控制和报警装置等组成。
2.工作原理及结构特点2.1工作原理第五代节能型无磨损稳流冷却机是一种完全革新理念的新一代冷却机,其崭新的冷却理念和独特的结构设计使其具有无漏料、无磨损、输送效率高、热回收效率高、运转效率高、节能降耗等显著特点,其技术性能和水平高于第三代充气梁闭式冷却机和丹麦·史密斯公司的推动棒式冷机,达到国际先进水平。
该冷却机为往复水平推动冷却机,篦板以不同的梭式方式往复推动熟料前进,输送方式与第三代冷机的往复水平推动形式有着本质的区别。
在熟料入口固定段,其布料装置设计为台阶式与水平方向有一定角度的阻力篦板,与其它类型篦冷机相比,这种阻力要低1/4。
配合风量自动控制阀,形成了独有的等动力入口系统。
由窑口落入的熟料,在物料压力和重力作用下在篦板的料垫上向前滑动并铺开。
该系统将熟料收集到有凹槽的篦板盒内,水平喷射气流在熟料所有孔隙中产生均匀等速而缓和的向上气流,流态化细粉被吹到熟料层表面,使它们既不会循环向下而磨损篦板,也不会滞留在粗料空隙中影响空气流动,从而使获得的熟料层分布均匀而透气。
篦式冷却机一.篦冷机的功能:1.冷却熟料;2.输送熟料.高温熟料从窑口下到篦冷机,经过冷却,熟料温度从1400℃降到100℃,同时熟料被运输并破碎.二.篦冷机的工作原理:篦式冷却机钢壳体的内部装有由固定篦板和活动篦板相间排列的篦床,篦床的安装形式可以是水平推动、倾斜推动、倾斜水平组合式推动和阶梯式几种。
篦板向上斜倾,使篦床呈锯齿状。
在篦板上有许多长孔或圆孔,熟料由回转窑进入冷却机,在卸落的过程中,就被由篦孔下部及篦板缝隙向上运动的空气直吹急冷,在传动装置的作用下,活动篦板沿固定篦板的表面作往复运动,对熟料层不断进行耙拨,使熟料由高温区向出口端运动。
在高温区,冷却空气与热熟料有最大的温差,因而在该区同样进行淬冷。
三、构造与主要零部件1.篦床部分篦床的固定篦板装在固定横梁上,固定横梁安放在壳体支柱上的承重纵梁上,活动篦板装在活动横梁上,活动横梁座落在活动框架上,在活动框架的底面通过螺栓固定有倾斜导轨,它支承在托轮槽内,当活动框架移动时,倾斜导轨沿托轮槽的表面作相对移动,使活动框架作往复运动。
托轮装在托轮轴上,通过托轮轴承支承在冷却机壳体上。
2.传动部分传动部分它由一根可变速的直流电动机组、减速器、大小链轮及主动轴组成。
在主动轴的一端装有偏心连杆,它带动从动轴回转。
由于从动轴固装在活动框架上,从而使活动框架作倾斜向上的运动,使活动篦板沿固定篦板的表面作斜上方的往复运动。
为了适应回转窑产量的波动,通过改变电动机的转速来改变活动篦床的冲程次数。
往复运动的从动轴穿过机壳,它通过滑板式密封装置进行密封。
3.机壳机壳由钢板制成,在壳体内壁的篦床上方位置镶砌一层轻质绝热材料和一层耐火砖,以防热量散失。
机壳的顶部,热端呈圆拱形,以防耐火砖掉落,中间部位用耐火混凝土吊顶,后部采用双层钢板,中间镶硅酸铝纤维。
在机壳热端的侧上方设有三次风出口,在熟料出口端一侧设有废气出口。
在机壳下部的各室及熟料入口端还设有测温孔、测压孔。
第四代篦式冷却机的应用特点1 第四代篦冷机的总体结构第四代篦冷机由三部分组成:熟料输送,熟料冷却及传动装置。
与以往推动篦式冷却机的最大区别是:熟料输送与熟料冷却是两个独立的结构。
总体结构分上壳体和下壳体。
中间是篦床。
上壳体入料口端端部外侧设若干个空气炮,壳体里墙砌筑耐火砖,下壳体分若干个风室,采用风室供风。
尾部设一台锤式破碎机,整个设备安装完成后与水平面呈5°的斜度,便于熟料向下滑动。
篦床是由若干块篦板组成,篦板固定不动,篦板上部的推料棒往复运动推动熟料向尾部运动。
推料棒运动是由篦床下部的液压缸往复运动带动的。
每个风室由l台风机供风,高压风通过篦板缝隙进入篦床上的熟料层里,对熟料进行冷却。
2 篦板及篦床第四代篦冷机篦板是由δ= 3mm的耐热钢板焊接而成,篦板表面铺一层δ= 8mm的耐热钢板,总体尺寸 300mm× 300mm,厚度 60mm,篦缝为横向凹槽式,篦缝风道为迷宫式。
每块篦板底部安装一种空气动力平衡式空气流量调节器(Mechanical Flow Regulation简称MFR)。
关于篦板阻力对空气分配作用的关系式:Vg/Vf=Rf+Rr/Rg+Rr式中:Vg—冷风通过粗颗粒熟料层的风速;Vf—冷风通过细颗粒熟料层的风速;Rf—细颗粒料层阻力;Rg—粗颗粒料层阻力;Rr—篦床阻力。
如果Rr>>Rf,Rg,则Vg/Vf≈1。
即如果篦床阻力比料层阻力大得多时,则粗料侧和细料侧的风速基本相等,即风量能在全篦床上均匀分布。
实践验证:第一代篦冷机Vg/Vf=3。
第三代篦冷机Vg/Vf=1.75。
第四代篦冷机Vg/Vf=1。
第四代篦冷机篦板采用迷宫式的篦缝和安装MFR阀,达到了高阻力的特征,通过整个篦床全宽上的熟料层通过风速相等,达到冷却空气均匀分布的最佳状态。
MFR阀采用自调节的节流孔板控制通过篦板的空气流量。
当篦床上熟料层阻力变化,MFR能自动灵敏调节阀的阻力,使熟料层阻力加篦板阻力之和维持恒定,达到通风恒定,最终达到整个篦床上空气均匀分布。
篦冷机施工方案范文篦冷机是一种重要的制冷设备,广泛应用于各个行业和领域。
本文将详细介绍篦冷机施工方案,包括施工准备、现场布置、安装调试等各个环节。
一、施工准备:1.明确施工目标和要求:在开始施工之前,需明确篦冷机施工的目标和要求,例如制冷量、制冷温度、环境要求等。
2.准备施工材料和设备:根据篦冷机的安装要求,准备所需的施工材料和设备,包括电缆、电器控制柜、篦冷机主体等。
3.组织施工人员:合理组织施工人员,确保施工过程的顺利进行。
根据施工计划,安排人员到位,明确各个责任人的任务和职责。
二、现场布置:1.确定设备安装位置:根据篦冷机的使用要求和现场条件,选择合适的设备安装位置。
考虑到设备运行的便捷性和维修保养的方便性,选择空间较大、通风良好的地方。
2.施工环境准备:在开始安装篦冷机之前,需提前做好现场环境的清理和消毒工作,确保施工环境的干净整洁。
3.排线预留:根据篦冷机的电气布置图纸,提前预留好电缆的走向和长度。
根据需要,可使用金属穿线管等管道进行电缆的敷设。
三、安装调试:1.安装篦冷机主体:根据篦冷机的安装要求,正确安装设备主体。
首先将篦冷机放置在指定位置,并用膨胀螺栓或焊接等方式固定。
然后按要求连接电缆和冷冻水管。
2.连接控制柜和电源:将篦冷机的控制柜与电源连接起来。
根据电气布置图纸,正确连接控制柜的电缆,确保设备能够正常供电和控制。
3.系统调试:安装完成后,进行篦冷机的系统调试。
首先对篦冷机的温度控制系统进行调试,确保设备能够按照要求达到制冷温度。
然后逐步调试其他功能,如风机、水泵等。
4.检查设备运行情况:调试完成后,对篦冷机进行全面检查,确保设备各项功能正常、无漏水漏气现象。
同时,对设备进行运行试验,观察设备运行情况和制冷效果。
5.做好施工记录和交底工作:在施工过程中,及时记录施工的关键节点和重要参数,并与相关人员进行交底,确保施工工作的记录和传达准确。
同时,将施工图纸、设备说明书等资料整理齐全,交付给使用方。
篦冷机施工技术方案一、概述1、工程项目采用的是目前世界上结构最简单、性能优良的熟料冷却机,它与传统意义上的篦冷机的主要区别表现在:采用了独一无二的空气分配系统,实现了活动棒与篦板的分离以及模块化设计。
2、工作原理为:熟料自回转窑出口进入到篦冷机入口处,经过冷却和倒料两个独立的过程后,使熟料温度下降到一规定温度,同时将熟料输送到篦冷机出口,规定粒度的熟料直接落入到破碎机下料斗,超过规定粒度的熟料经过篦条区进入破碎机,进行熟料破碎使其达到规定粒度,随后流落到破碎机下料斗,进入熟料输送系统,被输送到储库或水泥制作的下一道工序。
3、编制依据3.1、主要依据《JL高效冷却机安装说明书》3.2、《水泥机械设备安装工程施工及验收规范》二、技术参数所采用的冷却机为目前世界上结构最简单、性能很优良的第四代篦式冷却机。
设备规格型号: JL4×6篦床有效面积: 117㎡入料温度: 1400℃出料温度: 65℃ + 环境温度出料粒度:≤25mm最大料层厚度: 660mm推动棒冲程: 200mm(MAX)冲程次数: 0~30次/分三、安全质量技术保证体系四、篦冷机的安装及技术要求4.1、基础验收:根据《水泥机械设备安装工程施工及验收规范》中的相关要求对土建基础验收,合格后方可进入下一步安装工序。
4.2、基础划线、清理:参照工艺图标注的尺寸划出篦冷机纵向中心线、窑头热点中心点。
并做预埋板,用样冲留永久标记。
4.3、砂墩制作:4.3.1、参照砂墩布置图进行基础铲麻。
4.3.2、砂墩配比为:河砂:R42.5水泥:水=1:1:适量4.3.3、砂墩标高参照工艺图中标注的尺寸进行计算。
4.3.4、砂墩养护:砂墩制作完后每天浇水养护7--10天。
4.4基础支座安装4.4.1、根据设备图纸及标记将基础支座吊装倒运就位,并穿上地脚螺栓,安装好垫铁,根据篦冷机纵向中心线及窑头热点中心点挂钢丝线,利用水平仪、现坠将基础框架初找正。
4.4.2、地脚螺栓浇注:浇注时,保证地脚孔内无杂物,地脚螺栓不要靠在地脚孔壁上,最好采取临时措施固定地脚螺栓使其垂直于基础支座底面,灌浆时应将地脚孔内的混凝土捣实。
篦冷机优化改造技术的应用和操作郭红军;沈卫泉;曹彦林;刘振海;崔海波;郭佳【摘要】篦冷机是烧成系统最主要的设备,大多数篦冷机都因为系统超产太多而处于超负荷运行状态,因此故障率高,熟料温度高.事实上,篦冷机是对熟料强度、游离钙高低和水泥磨产量起着决定性作用的重要工艺环节,它同时还对烧成系统的稳定运行和节能降耗起着决定性的作用.篦冷机改造就像烧成系统改造一样,也是一个系统工程.在这个系统中,不能单纯地通过增加冷却风机的风量或压力来提高冷却效果,而是应该以改变熟料在篦冷机内的“冷却状态”为核心,以提高急冷效果为目的,改造固定床结构以及急冷篦板结构,同时优化固定床之后各个阶段篦床的冷却能力,合理配置风机风量和压力;在运行初始阶段采用合理的操作,建立合理稳定的料层厚度;在正常运行期间采用以“稳定窑头罩压力和二次风温”的操作方法,来保证料层的稳定和系统运行的稳定.【期刊名称】《新世纪水泥导报》【年(卷),期】2016(022)005【总页数】8页(P23-30)【关键词】篦冷机冷却状态;固定床改造;降耗;合理操作【作者】郭红军;沈卫泉;曹彦林;刘振海;崔海波;郭佳【作者单位】淄博科邦热工科技有限公司,山东淄博255086;桐乡南方水泥有限公司,浙江桐乡314511;甘谷祁连山水泥有限公司,甘肃甘谷741000;山东联合王晁水泥有限公司,山东枣庄277400;淄博科邦热工科技有限公司,山东淄博255086;淄博科邦热工科技有限公司,山东淄博255086【正文语种】中文【中图分类】TQ172.622.4熟料冷却机是水泥熟料生产系统中最关键的设备之一。
它是水泥熟料在窑内完成煅烧后,对熟料强度、游离钙高低和水泥磨产量起着决定性作用的重要工艺环节;它同时还对烧成系统的稳定运行和节能降耗起着决定性的作用。
而对目前大多数都采用篦式冷却机的生产线来说,操作方法是否合理,直接影响着这一系列技术性能的实现。
有很多篦冷机都是因为操作原因而不能达到预期的效果,甚至损坏。
第四代篦冷机升级改造的应用经验某水泥厂烧成系统采用双系列五级旋风预热器HF5000分解炉,篦冷机采用WHEc-5500型步进式高效冷却机,回转窑规格中4.8mX74m,设计产能5000t∕d,该生产线于2009年10月建成并点火投产。
1改造前设计参数及存在问题1.1 WHEC-5500型步进式高效冷却机主要设计及参数1.2 存在问题(1)窑系统工况稳定性差;(2)篦冷机冷却效率不高;(3)熟料易磨性差;(4)风室漏料严重;(5)电气故障,篦床无故停止运行,篦床各列运行不同步,篦床速度调整不灵活;(6)固定斜坡方面的问题,其风机风量与面积不匹配。
固定斜坡具体配置如图1及表2。
图1改造前固定斜坡三台风机分区风机装机风址/(m71)全压/Pa电机功率ZkW工况风速/(m/s)供风区域2M130009OOC550.85周边区域3M20000I110090 3.62中心区域4M3500010300180翻]周边区域2篦冷机升级改造方案及参数2.1 固定床改造方案将固定斜坡整体拆除,更换为TCH新型急冷模块(图2、图3、图4),参数为W9×19,宽3.6m,长2.7m,角度调整为IO o o图2新型急冷模块图3篦板仿真模拟图4科恩达篦板该下料斜坡采用二分区供风形式,将原2M风机停用,仅利用3M和4M风机,根据各区域料层厚度和熟料颗粒的不同调节风门开度,使熟料在下料口得到更好的急冷效果,改造后斜坡冷却风机减少一台,装机功率减少55kW o改造后固定斜坡具体配置如图5、表3。
图5改造后斜坡分区方案图示项目装装机址/(n7h)全压/Pn电机功率ZkW工况风速/(tn∕G供风区域3M200001150090 1.9中心区域4M35OOO9700I8C 1.9周边区域2.2 活动床改造方案水平活动篦床为步进式输送物料,根据现场的篦床结构尺寸,采用SC1W6-6×10(6列10个标准段节),篦床总有效面积为126.36m2,可以满足5500t∕d 产量需求。