铆钉连接计算
- 格式:ppt
- 大小:410.00 KB
- 文档页数:16
铆钉长度的确定方法(实用版4篇)《铆钉长度的确定方法》篇1铆钉长度的确定方法通常根据被连接材料的厚度、材质和连接方式来确定。
以下是一些常见的确定铆钉长度的方法:1. 根据被连接材料的厚度确定铆钉长度:对于较薄的材料,铆钉长度应该略大于材料的厚度,以确保铆钉能够穿过材料并形成足够的强度。
对于较厚的材料,铆钉长度应该更长,以确保铆钉能够穿过材料并形成足够的强度。
2. 根据被连接材料的材质确定铆钉长度:不同材质的铆钉适用于不同材质的被连接材料。
例如,不锈钢铆钉适用于连接不锈钢材料,而碳钢铆钉适用于连接碳钢材料。
因此,根据被连接材料的材质选择适当的铆钉长度是非常重要的。
3. 根据连接方式确定铆钉长度:不同的连接方式需要不同长度的铆钉。
例如,对于单面连接,铆钉长度应该略短于被连接材料的厚度,而对于双面连接,铆钉长度应该与被连接材料的厚度相等。
4. 根据实际需要确定铆钉长度:在某些情况下,铆钉长度可能需要根据实际需要进行调整。
例如,如果需要连接两个不同厚度的材料,可能需要使用较长的铆钉来确保连接强度。
总之,铆钉长度的确定需要考虑多个因素,包括被连接材料的厚度、材质和连接方式等。
《铆钉长度的确定方法》篇2铆钉长度的确定方法通常根据被连接材料的厚度、材质和连接方式来确定。
以下是一些常见的确定铆钉长度的方法:1. 根据被连接材料的厚度确定铆钉长度:适用于被连接材料厚度较薄的情况。
铆钉的长度应该略大于被连接材料的厚度,以确保铆钉能够穿透材料并形成牢固的连接。
2. 根据被连接材料的材质确定铆钉长度:适用于被连接材料硬度较高的情况。
铆钉的长度应该足够长,以确保铆钉能够穿透材料并形成牢固的连接。
3. 根据连接方式确定铆钉长度:适用于不同的连接方式。
例如,对于单面铆接,铆钉的长度应该足够长,以确保铆钉能够穿透材料并形成牢固的连接。
对于双面铆接,铆钉的长度应该略短,以确保铆钉不会穿透材料太深。
4. 根据经验确定铆钉长度:适用于经验丰富的铆工。
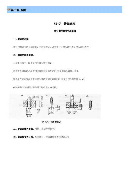
第三章连接返回§3-7铆钉连接3.7.1铆钉的排列和构造要求一、铆钉的形状铆钉按照铆头的形状分为:半圆头铆钉、高头铆钉、埋头铆钉和半埋头铆钉四种。
二.铆钉的构造要求:(1)在钢结构中一般多采用半圆头铆钉(图a);(2)当铆合钢板的总厚度超过铆钉直径的5倍时,宜采用高头铆钉;(图b)(3)当构件表面要求平整或钉头处的空间受到限制时,可采用沉头铆钉(图c、d)(4)沉头和半沉头铆钉不得用于钉杆受拉的连接。
三、铆钉连接的形式:对接、搭接和顶接(表3.7.1)。
四、铆钉按受力分为:剪力铆钉、拉力铆钉和剪拉铆钉三类(表3.7.1)。
3.7.2铆钉连接的计算一、受剪连接二、每个受拉铆钉的承载力设计值三、铆钉群连接的计算:(同普通螺栓)返回第三章连接返回§3-8轻钢结构紧固件连接的构造和计算3.8.1紧固件连接的构造要求用于薄壁型钢结构中的紧固件应满足下述构造要求:(1)抽芯铆钉(拉铆钉)和自攻螺钉的钉头部分应靠在较薄的板件一侧。
连接件的中距和端距不得小于连接件直径的3倍,边距不得小于连接件直径的1.5倍。
受力连接中的连接件不宜少于2个。
(2)抽芯铆钉的适用直径为2.6~6.4mm,在受力蒙皮结构中宜选用直径不小于4mm的抽芯铆钉;自攻螺钉的适用直径为3.0~8.0mm,在受力蒙皮结构中宜选用直径不小于5mm的自攻螺钉。
(3)自攻螺钉连接的板件上的预制孔径d0应符合下式要求:(4)射钉只用于薄板与支承构件(即基材如檩条)的连接。
射钉的间距不得小于射钉直径的4.5倍,且其中距不得小于20mm,到基材的端部和边缘的距离不得小于15mm,射钉的适用直径为3.7~6.0mm。
射钉的穿透深度(指射钉尖端到基材表面的深度,如图3.8.1所示)应不小于10mm。
(5)在抗拉连接中,自攻螺钉和射钉的钉头或垫圈直径不得小于14mm;且应通过试验保证连接件由基材中的拔出强度不小于连接件的抗拉承载力设计值。
上述规定大部分引自国外的相关规,项次(3)是根据我国自己的试验结果归纳出的经验公式。
半空心铆钉翻边长度半空心铆钉是一种常见的连接件,广泛应用于各种工程和工业领域。
半空心铆钉的特点是钉身中部有圆形空洞,这样可以减轻重量,提高强度。
在半空心铆钉的使用中,翻边长度是一个关键参数,它直接影响到连接的稳定性和强度。
翻边长度是指铆钉头部翻边部分的尺寸,通常用毫米表示。
翻边长度的选择需要考虑以下几个因素:1.连接材料的性质:不同材料的连接,需要的翻边长度有所不同。
例如,对于软质材料,翻边长度可以适当减小,以提高连接强度;对于硬质材料,翻边长度应适当增大,以防止铆钉头部断裂。
2.连接件的形状:连接件的形状会影响翻边长度的选择。
在保证连接强度的前提下,应尽量选择较短的翻边长度,以提高连接件的稳定性。
3.受力方向:受力方向也会影响翻边长度的选择。
在垂直于受力方向的连接中,翻边长度应适当增大,以提高连接强度。
计算半空心铆钉翻边长度的方法如下:翻边长度= (连接强度要求× 安全系数)/ 铆钉直径注意事项:1.翻边长度的选择应结合实际情况,不能盲目追求过大或过小。
2.在选择翻边长度时,应考虑连接件的形状和受力方向,以确保连接稳定。
3.翻边长度与铆钉直径的比例应适当,过大会导致铆钉头部过于沉重,容易断裂;过小则会使连接强度不足。
4.半空心铆钉的翻边长度计算公式仅供参考,实际应用中需根据具体情况调整。
实用性建议:1.根据实际需求选择合适的翻边长度,以提高连接强度和稳定性。
2.针对不同材料和连接件形状,调整翻边长度,确保连接可靠。
3.在受力较大的情况下,可以选择加大翻边长度,提高连接安全性。
4.注意翻边长度与铆钉直径的比例,避免出现过长或过短的情况。
通过掌握半空心铆钉翻边长度的选择方法,我们可以更好地应用这种连接件,提高工程和工业领域的连接效果。
铆钉长度计算公式铆钉是一种在机械连接中常用的零件,它能够将两个或多个部件牢固地连接在一起。
而要确定合适的铆钉长度,就需要用到铆钉长度计算公式啦。
先来说说铆钉的作用吧。
想象一下,你有一个精致的小书架,板子和架子之间需要紧紧相连,这时候铆钉就派上用场了。
它就像一个小小的大力士,默默地在背后发力,让整个书架稳稳当当的。
那铆钉长度到底怎么算呢?其实铆钉长度的计算并不是一件特别复杂的事儿,但也需要我们认真对待。
一般来说,铆钉长度的计算公式是这样的:铆钉长度 = 被连接件总厚度 + 铆钉伸出长度。
这里的被连接件总厚度很好理解,就是需要连接的那些板子、零件啥的加在一起的厚度。
那铆钉伸出长度又是啥呢?这就有点讲究了。
通常情况下,铆钉伸出长度会根据不同的连接要求和材料有所变化。
比如说,在一些比较软的材料连接中,铆钉伸出长度可能相对短一点;而在硬度较高的材料连接时,铆钉伸出长度就要适当增加,以保证连接的牢固性。
我曾经在一个小车间里帮忙,当时师傅正在组装一批金属零件。
他拿着卡尺仔细地测量着被连接件的厚度,嘴里还念叨着铆钉长度的计算。
我在旁边好奇地看着,只见他熟练地运用公式,算出了合适的铆钉长度,然后拿起铆钉,用工具一敲,就稳稳地连接好了零件。
那一瞬间,我深刻地感受到了这个公式的实用和重要。
再来说说实际应用中的一些小技巧。
如果被连接件的表面不太平整,那在计算总厚度时,要多考虑一些余量,免得铆钉长度不够。
还有啊,如果是在振动比较大的环境中使用铆钉连接,也要适当增加铆钉长度,这样能更好地防止松动。
另外,不同类型的铆钉,其长度计算可能会有一些细微的差别。
比如抽芯铆钉和实心铆钉,在计算时就需要根据它们各自的特点进行调整。
总之,铆钉长度计算公式虽然看起来简单,但在实际应用中,需要我们结合具体情况,灵活运用,才能确保连接的质量和可靠性。
就像生活中的很多事情一样,看似简单的背后,往往需要我们用心去琢磨、去实践。
希望大家以后在遇到需要使用铆钉连接的时候,都能准确算出合适的铆钉长度,让工作和生活中的连接更加牢固、可靠!。
机械连接计算规则机械连接计算规则是指用于设计和验证机械连接元件(如螺栓、螺钉、铆钉等连接件)承载能力和稳定性的计算方法。
这些规则基于材料力学、结构力学和机械设计原理,旨在确保连接结构的安全性和可靠性。
以下是机械连接计算的一些基本规则和步骤:1. 确定连接类型和加载条件- **连接类型**:首先确定连接是使用螺栓、铆钉还是螺钉等,因为不同类型的连接件有不同的计算规则。
- **加载条件**:分析连接所承受的载荷类型(拉伸、压缩、剪切、扭转等),以及载荷的大小和方向。
2. 材料特性- 获取连接件和被连接材料的力学性能,包括屈服强度、抗拉强度、弹性模量等。
3. 计算连接件的承载能力- **拉伸或压缩载荷下的计算**:对于拉伸或压缩,主要计算连接件的轴向承载能力,确保连接件不会因为过度拉伸或压缩而断裂或屈服。
- **剪切载荷下的计算**:当连接件承受剪切载荷时,需要计算其剪切承载能力,防止剪切破坏。
- **扭转载荷下的计算**:对于扭转载荷,需要计算连接件的扭转承载能力,确保不会发生扭转滑移或破坏。
4. 安全系数- 根据设计标准和工程实践,选择合适的安全系数,以提供足够的安全余地。
安全系数的选择依赖于连接件的重要性、载荷的变化性和预期的使用寿命等因素。
5. 校核连接件的尺寸- 使用上述计算结果校核连接件的尺寸和数量,确保其在最不利载荷作用下仍能满足强度、刚度和稳定性要求。
6. 考虑连接细节- 对于螺栓连接,需要考虑螺栓孔的尺寸、边距、孔距等细节,这些都会影响连接的承载能力和疲劳寿命。
- 对于焊接连接,需要根据焊缝的类型和尺寸来计算其承载能力。
7. 疲劳和蠕变分析- 对于周期性载荷或高温环境下的连接,还需要进行疲劳寿命和蠕变分析,以确保长期使用的可靠性。
机械连接的计算是一个综合考虑材料性能、载荷条件、连接方式和安全要求的过程。
实际应用中,还需要参考相关的设计规范和标准,如ISO、ANSI、DIN等,以确保设计的合理性和符合性。
第一节钢结构的连接方法钢结构是由钢板、型钢通过必要的连接组成基本构件,如梁、柱、桁架等;再通过一定的安装连结装配成空间整体结构,如屋盖、厂房、钢闸门、钢桥等。
可见,连接的构造和计算是钢结构设计的重要组成部分。
好的连接应当符合安全可靠、节约钢材、构造简单和施工方便等原则。
钢结构的连接方法可分为焊缝连接、铆钉连接和螺栓连接三种(详见附图十三)。
一、焊缝连接焊接是现代钢结构最主要的连接方法。
其优点是不削弱构件截面(不必钻孔),构造简单,节约钢材,加工方便,在一定条件下还可以采用自动化操作,生产效率高。
此外,焊缝连接的刚度较大密封性能好。
焊缝连接的缺点是焊缝附近钢材因焊接的高温作用而形成热影响区,热影响区由高温降到常温冷却速度快,会使钢材脆性加大,同时由于热影响区的不均匀收缩,易使焊件产生焊接残余应力及残余变形,甚至可能造成裂纹,导致脆性破坏。
焊接结构低温冷脆问题也比较突出。
二、铆钉连接铆接的优点是塑性和韧性较好,传力可靠,质量易于检查和保证,可用于承受动载的重型结构。
但是,由于铆接工艺复杂、用钢量多,因此,费钢又费工。
现已很少采用。
三、螺栓连接螺栓连接分为普通螺栓连接和高强度螺栓连接两种。
普通螺栓通常用Q235钢制成,而高强度螺栓则用高强度钢材制成并经热处理。
高强度螺栓因其连接紧密,耐疲劳,承受动载可靠,成本也不太高,目前在一些重要的永久性结构的安装连接中,已成为代替铆接的优良连接方法。
螺栓连接的优点是安装方便,特别适用于工地安装连接,也便于拆卸,适用于需要装拆结构和临时性连接。
其缺点是需要在板件上开孔和拼装时对孔,增加制造工作量;螺栓孔还使构件截面削弱,且被连接的板件需要相互搭接或另加拼接板或角钢等连接件,因而比焊接连接多费钢材。
第二节 焊接方法、焊缝类型和质量级别一、钢结构中常用的焊接方法焊接方法很多,钢结构中主要采用电弧焊,薄钢板(mm t 3 )的连接有时也可以采用电阻焊或气焊。
1.电弧焊电弧焊是利用焊条或焊丝与焊件间产生的电弧热,将金属加热并熔化的焊接方法。
铆钉长度计算
机械设计手册上过于铆钉长度的计算公式有几种,一般按照公式
L=1.12×δ+1.4×d d:铆钉直径,δ:铆接厚度
但是在实际的铆接过程中就发现,按照次公式计算的长度偏长,原因是两个:
1、中集的铆接设备所决定的。
手工铆接工具采用液压动力,压铆过程比较缓慢(而据说国外的铆接过程迅速),另外复合板比较软,所以容易产生歪斜;
2、按照机械设计手册的规定,比如铆钉直径6.3,则钻孔直径应为6.7,但是公司的铆接设备无法完成这样的铆接,必须要6.3的孔才可以。
综上所述,则铆钉长度计算公式应该是:
L= δ+1.4×d d:铆钉直径,δ:铆接厚度
A.半圆头铆钉杆全长=1.65~1.7d+L+板总厚的10%。
B.半沉头铆钉杆全长=1.1d+L+板总厚的10%。
C.沉头铆钉杆全长=08d+L+板总厚的10%
d=铆钉直径L=板总厚度,d,L 均为mm。
第三章连接§3-7铆钉连接铆钉的排列和构造要求一、铆钉的形状铆钉按照铆头的形状分为:半圆头铆钉、高头铆钉、埋头铆钉和半埋头铆钉四种;二.铆钉的构造要求:1在钢结构中一般多采用半圆头铆钉图a;2当铆合钢板的总厚度超过铆钉直径的5倍时,宜采用高头铆钉;图b3当构件表面要求平整或钉头处的空间受到限制时,可采用沉头铆钉图c、d4沉头和半沉头铆钉不得用于钉杆受拉的连接;三、铆钉连接的形式:对接、搭接和顶接表;四、铆钉按受力分为:剪力铆钉、拉力铆钉和剪拉铆钉三类表;铆钉连接的计算一、受剪连接二、每个受拉铆钉的承载力设计值三、铆钉群连接的计算:同普通螺栓第三章连接§3-8轻钢结构紧固件连接的构造和计算紧固件连接的构造要求用于薄壁型钢结构中的紧固件应满足下述构造要求:1抽芯铆钉拉铆钉和自攻螺钉的钉头部分应靠在较薄的板件一侧;连接件的中距和端距不得小于连接件直径的3倍,边距不得小于连接件直径的倍;受力连接中的连接件不宜少于2个;2抽芯铆钉的适用直径为~,在受力蒙皮结构中宜选用直径不小于4mm的抽芯铆钉;自攻螺钉的适用直径为~,在受力蒙皮结构中宜选用直径不小于5mm的自攻螺钉;3自攻螺钉连接的板件上的预制孔径d0应符合下式要求:4射钉只用于薄板与支承构件即基材如檩条的连接;射钉的间距不得小于射钉直径的倍,且其中距不得小于20mm,到基材的端部和边缘的距离不得小于15mm,射钉的适用直径为~;射钉的穿透深度指射钉尖端到基材表面的深度,如图所示应不小于10mm;5在抗拉连接中,自攻螺钉和射钉的钉头或垫圈直径不得小于14mm;且应通过试验保证连接件由基材中的拔出强度不小于连接件的抗拉承载力设计值;上述规定大部分引自国外的相关规范,项次3是根据我国自己的试验结果归纳出的经验公式;紧固件的强度计算1、紧固件受拉根据大量的试验结果,得到了静荷载和反复荷载作用下,自攻螺钉和射钉连接抗拉强度的计算公式;风是反复荷载的根本起因,在风吸力作用下,压型钢板上下波动,使紧固件承受反复荷载作用,常引起钉头部位的疲劳破坏;因此含风组合时承载力降低;GB50018规范规定,在压型钢板与冷弯型钢等支承构件之间的连接件杆轴方向受拉的连接中,每个自攻螺钉或射钉所受的拉力应不大于按下列公式计算的抗拉承载力设计值;当连接件位于压型钢板波谷的一个四分点时如图所示,其抗拉承载力设计值应乘以折减系数;当两个四分点均设置连接件时如图所示则应乘以折减系数;自攻螺钉在基材中的钻入深度t c应大于,其所受的拉力应不大于按下式计算的抗拉承载力设计值;2、紧固件受剪当紧固件能牢固的将压型钢板与其支承构件如檩条和墙梁等连在一起时,压型钢板面层除能承受法向于它的面外荷载之外,还可与支承构件一起承受面内的剪力,这一效应称为受力蒙皮作用stressed skin action,此时紧固件要承受剪力作用;试验研究表明,紧固件受剪的破坏形式主要是薄板波挤压,或被撕裂;GB-50018规范规定当连接件受剪时,每个连接件所承受的剪力应不大于按下列公式计算的抗剪承载力设计值;章连接计算第一节焊缝连接第条对接焊缝应按下列规定计算:一、在对接接头和T形接头中,垂直于轴心拉力或轴心压力的对接焊缝,其强度应按下式计算:N二、在对接接头和T形接头中,承受弯矩和剪力共同作用的对接焊缝,其正应力和剪应力应分别进行计算;但在同时受有较大正应力和剪应力处例如梁腹板横向对接焊缝的端部,应按下式计算折算应力:注:①当承受轴心力的板件用斜焊缝对接,焊缝与作用力间的夹角θ符合tgθ≤时,其强度可不计算;②当对接焊缝无法采用引弧板施焊时,每条焊缝的长度计算时应各减去10mm;第条直角角焊缝图的强度应按下列公式计算:一、在通过焊缝形心的拉力、压力或剪力作用下:当力垂直于焊缝长度方向时,二、在其它力或各种力综合作用下,σf和Tf共同作用处:第条不焊透的对接焊缝图的强度,应按角焊缝的计算公式至公式计算,但取βf=,其有效厚度应采用:当熔合线处焊缝截面边长等于或接近于最短距离s时图、c、e,抗剪强度设计值应按角焊缝的强度设计值乘以;在垂直于焊缝长度方向的压力作用下,强度设计值可采用角焊缝的强度设计值乘以;第二节螺栓连接和铆钉连接第条普通螺栓、锚栓和铆钉应按下列规定计算:一、在普通螺栓或铆钉受剪的连接中,每个普通螺栓或铆钉的承载力设计值应取受剪和承压承载力设计值中的较小者:受剪承载力设计值:二、在普通螺栓、锚栓或铆钉杆轴方向受拉的连接中,每个普通螺栓、锚栓或铆钉的承载力设计值应按下列公式计算:三、同时承受剪力和杆轴方向拉力的普通螺栓和铆钉,应分别符合下列公式的要求:第条摩擦型高强度螺栓应按下列规定计算:一、在抗剪连接中,每个摩擦型高强度螺栓的承载力设计值应按下式计算:二、在杆轴方向受拉的连接中,每个摩擦型高强度螺栓的承载力设计值,取Nbt=;三、当摩擦型高强度螺栓连接同时承受摩擦面间的剪切和螺栓杆轴方向的外拉力时,每个摩擦型高强度螺栓的受剪承载力设计值仍应按公式计算,但应以p-代替p;此处Nt为每个高强度螺栓在其杆轴方向的外拉力,其值不应大于;第条承压型高强度螺栓应按下列规定计算:一、承压型高强度螺栓的预拉力p和连接处构件接触面的处理方法应与摩擦型高强度螺栓相同;承压型高强度螺栓仅用于承受静力荷载和间接承受动力荷载结构中的连接;二、在抗剪连接中,每个承压型高强度螺栓的承载力设计值的计算方法与普通螺栓相同,但当剪切面在螺纹处时,其受剪承载力设计值应按螺纹处的有效面积进行计算;三、在杆轴方向受拉的连接中,每个承压型高强度螺栓的承载力设计值,Nbt=;四、同时承受剪力和杆轴方向拉力的承压型高强度螺栓,应符合下列公式的要求:五、在抗剪连接中以及同时承受剪力和杆轴方向拉力的连接中,承压型高强度螺栓的受剪承载力设计值不得大于按摩擦型连接计算的倍;第条在下列情况的连接中,螺栓或铆钉的数目应予增加:一、一个构件借助填板或其它中间板件与另一构件连接的螺栓摩擦型高强度螺栓除外或铆钉数目,应按计算增加10%;二、搭接或用拼接板的单面连接,螺栓摩擦型高强度螺栓除外或铆钉数目,应按计算增加10%;三、在构件的端部连接中,当利用短角钢连接型钢角钢或槽钢的外伸肢以缩短连接长度时,在短角钢两肢中的一肢上,所用的螺栓或铆钉数目应按计算增加50%;四、当铆钉连接的铆合总厚度超过铆钉直径的5倍时,总厚度每超过2mm,铆钉数目应按计算增加1%至少应增加一个铆钉,但铆合总厚度不得超过铆钉直径的7倍;。
铆钉连接及计算 The manuscript was revised on the evening of 2021第三章?连接§3-7铆钉连接铆钉的排列和构造要求一、铆钉的形状铆钉按照铆头的形状分为:半圆头铆钉、高头铆钉、埋头铆钉和半埋头铆钉四种。
二.铆钉的构造要求:(1)在钢结构中一般多采用半圆头铆钉(图a);(2)当铆合钢板的总厚度超过铆钉直径的5倍时,宜采用高头铆钉;(图b)(3)当构件表面要求平整或钉头处的空间受到限制时,可采用沉头铆钉(图c、d)(4)沉头和半沉头铆钉不得用于钉杆受拉的连接。
三、铆钉连接的形式:对接、搭接和顶接(表)。
四、铆钉按受力分为:剪力铆钉、拉力铆钉和剪拉铆钉三类(表)。
铆钉连接的计算一、受剪连接二、每个受拉铆钉的承载力设计值三、铆钉群连接的计算:(同普通螺栓)第三章?连接§3-8轻钢结构紧固件连接的构造和计算紧固件连接的构造要求用于薄壁型钢结构中的紧固件应满足下述构造要求:(1)抽芯铆钉(拉铆钉)和自攻螺钉的钉头部分应靠在较薄的板件一侧。
连接件的中距和端距不得小于连接件直径的3倍,边距不得小于连接件直径的倍。
受力连接中的连接件不宜少于2个。
(2)抽芯铆钉的适用直径为~,在受力蒙皮结构中宜选用直径不小于4mm的抽芯铆钉;自攻螺钉的适用直径为~,在受力蒙皮结构中宜选用直径不小于5mm的自攻螺钉。
(3)自攻螺钉连接的板件上的预制孔径d0应符合下式要求:(4)射钉只用于薄板与支承构件(即基材如檩条)的连接。
射钉的间距不得小于射钉直径的倍,且其中距不得小于20mm,到基材的端部和边缘的距离不得小于15mm,射钉的适用直径为~。
射钉的穿透深度(指射钉尖端到基材表面的深度,如图所示)应不小于10mm。
(5)在抗拉连接中,自攻螺钉和射钉的钉头或垫圈直径不得小于14mm;且应通过试验保证连接件由基材中的拔出强度不小于连接件的抗拉承载力设计值。
上述规定大部分引自国外的相关规范,项次(3)是根据我国自己的试验结果归纳出的经验公式。
铆钉连接及计算 Document serial number【LGGKGB-LGG98YT-LGGT8CB-LGUT-第三章连接§3-7 铆钉连接铆钉的排列和构造要求一、铆钉的形状铆钉按照铆头的形状分为:半圆头铆钉、高头铆钉、埋头铆钉和半埋头铆钉四种。
二.铆钉的构造要求:(1)在钢结构中一般多采用半圆头铆钉(图a);(2)当铆合钢板的总厚度超过铆钉直径的5倍时,宜采用高头铆钉;(图b)(3)当构件表面要求平整或钉头处的空间受到限制时,可采用沉头铆钉(图c、d)(4)沉头和半沉头铆钉不得用于钉杆受拉的连接。
三、铆钉连接的形式:对接、搭接和顶接(表)。
四、铆钉按受力分为:剪力铆钉、拉力铆钉和剪拉铆钉三类(表)。
铆钉连接的计算一、受剪连接二、每个受拉铆钉的承载力设计值三、铆钉群连接的计算:(同普通螺栓)第三章连接§3-8 轻钢结构紧固件连接的构造和计算紧固件连接的构造要求用于薄壁型钢结构中的紧固件应满足下述构造要求:(1)抽芯铆钉(拉铆钉)和自攻螺钉的钉头部分应靠在较薄的板件一侧。
连接件的中距和端距不得小于连接件直径的3倍,边距不得小于连接件直径的倍。
受力连接中的连接件不宜少于2个。
(2)抽芯铆钉的适用直径为~,在受力蒙皮结构中宜选用直径不小于4mm的抽芯铆钉;自攻螺钉的适用直径为~,在受力蒙皮结构中宜选用直径不小于5mm的自攻螺钉。
(3)自攻螺钉连接的板件上的预制孔径d0应符合下式要求:(4)射钉只用于薄板与支承构件(即基材如檩条)的连接。
射钉的间距不得小于射钉直径的倍,且其中距不得小于20mm,到基材的端部和边缘的距离不得小于15mm,射钉的适用直径为~。
射钉的穿透深度(指射钉尖端到基材表面的深度,如图所示)应不小于10mm。
(5)在抗拉连接中,自攻螺钉和射钉的钉头或垫圈直径不得小于14mm;且应通过试验保证连接件由基材中的拔出强度不小于连接件的抗拉承载力设计值。
上述规定大部分引自国外的相关规范,项次(3)是根据我国自己的试验结果归纳出的经验公式。