铆钉连接
- 格式:ppt
- 大小:166.51 KB
- 文档页数:12
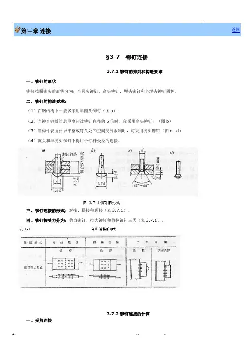
第三章连接返回§3-7铆钉连接3.7.1铆钉的排列和构造要求一、铆钉的形状铆钉按照铆头的形状分为:半圆头铆钉、高头铆钉、埋头铆钉和半埋头铆钉四种。
二.铆钉的构造要求:(1)在钢结构中一般多采用半圆头铆钉(图a);(2)当铆合钢板的总厚度超过铆钉直径的5倍时,宜采用高头铆钉;(图b)(3)当构件表面要求平整或钉头处的空间受到限制时,可采用沉头铆钉(图c、d)(4)沉头和半沉头铆钉不得用于钉杆受拉的连接。
三、铆钉连接的形式:对接、搭接和顶接(表3.7.1)。
四、铆钉按受力分为:剪力铆钉、拉力铆钉和剪拉铆钉三类(表3.7.1)。
3.7.2铆钉连接的计算一、受剪连接二、每个受拉铆钉的承载力设计值三、铆钉群连接的计算:(同普通螺栓)返回第三章连接返回§3-8轻钢结构紧固件连接的构造和计算3.8.1紧固件连接的构造要求用于薄壁型钢结构中的紧固件应满足下述构造要求:(1)抽芯铆钉(拉铆钉)和自攻螺钉的钉头部分应靠在较薄的板件一侧。
连接件的中距和端距不得小于连接件直径的3倍,边距不得小于连接件直径的1.5倍。
受力连接中的连接件不宜少于2个。
(2)抽芯铆钉的适用直径为2.6~6.4mm,在受力蒙皮结构中宜选用直径不小于4mm的抽芯铆钉;自攻螺钉的适用直径为3.0~8.0mm,在受力蒙皮结构中宜选用直径不小于5mm的自攻螺钉。
(3)自攻螺钉连接的板件上的预制孔径d0应符合下式要求:(4)射钉只用于薄板与支承构件(即基材如檩条)的连接。
射钉的间距不得小于射钉直径的4.5倍,且其中距不得小于20mm,到基材的端部和边缘的距离不得小于15mm,射钉的适用直径为3.7~6.0mm。
射钉的穿透深度(指射钉尖端到基材表面的深度,如图3.8.1所示)应不小于10mm。
(5)在抗拉连接中,自攻螺钉和射钉的钉头或垫圈直径不得小于14mm;且应通过试验保证连接件由基材中的拔出强度不小于连接件的抗拉承载力设计值。
上述规定大部分引自国外的相关规,项次(3)是根据我国自己的试验结果归纳出的经验公式。
铆接的操作方法步骤
铆接是一种通过加压和加热的方法将两个或多个材料连接在一起。
以下是一般的铆接操作步骤:
1. 准备工作:将需要铆接的材料放置在铆接工作台上,并确保材料的表面干净,无油脂或污垢。
2. 铆接头部准备:根据铆接的要求和材料类型,选择合适的铆接头部。
将铆接头部放置在铆枪或压力机上,确保其位置正确。
3. 安装铆钉:将需要连接的两个材料放在一起,并在需要连接的位置上钻孔。
将铆钉插入孔中,确保铆钉的长度适当,以便在铆接过程中形成合适的接触。
4. 在铆钉上加压:使用铆枪或压力机,将铆钉的一端放入铆接头部的孔中,并施加足够的压力使铆钉牢固地连接在材料上。
5. 加热材料:使用焊枪或其他加热设备,在铆接头部周围加热材料。
加热的目的是使铆钉和材料变软,并形成良好的接触。
6. 终端处理:当材料和铆钉变软后,停止加热并保持压力。
等待材料冷却,这样铆钉就会重新硬化,并牢固地连接在一起。
7. 清理和检查:在铆接完成后,清理任何多余的焊渣或杂质,并检查铆接区域的质量和强度。
需要注意的是,铆接的具体操作方法和步骤可能因不同的材料类型、铆接设备和需求而有所不同。
因此,在进行具体的铆接操作之前,建议参考相关的铆接手册或咨询专业人士,以确保正确和安全的铆接过程。
不锈钢铆钉的铆接方法不锈钢铆钉是一种常用的连接元件,它能够将金属板材、管道等材料牢固地连接在一起。
不锈钢铆钉的铆接方法有很多种,下面将对其中几种常见的方法进行介绍。
一、手动铆接法手动铆接法是最常见的一种铆接方法,适用于小批量生产和维修作业。
具体操作步骤如下:1. 首先,准备好需要铆接的材料和工具,包括不锈钢铆钉、钻孔机、铆钉枪等。
2. 在需要铆接的位置上使用钻孔机钻孔,确保孔径与不锈钢铆钉的直径相匹配。
3. 将不锈钢铆钉插入孔中,然后用铆钉枪将其固定住。
4. 最后,用榔头轻轻敲打铆钉的头部,使其与工件紧密连接在一起。
二、气动铆接法气动铆接法是利用气动工具来完成铆接操作的一种方法,适用于大批量生产。
具体操作步骤如下:1. 准备好需要铆接的材料和工具,包括不锈钢铆钉、气动钻孔机、气动铆钉枪等。
2. 使用气动钻孔机在需要铆接的位置上钻孔。
3. 将不锈钢铆钉插入孔中,然后用气动铆钉枪将其固定住。
4. 连接气动工具的气源,按下扳机,铆钉枪会自动完成铆接过程。
三、液压铆接法液压铆接法是利用液压系统来完成铆接操作的一种方法,适用于对连接强度要求较高的场合。
具体操作步骤如下:1. 准备好需要铆接的材料和工具,包括不锈钢铆钉、液压钻孔机、液压铆钉枪等。
2. 使用液压钻孔机在需要铆接的位置上钻孔。
3. 将不锈钢铆钉插入孔中,然后用液压铆钉枪将其固定住。
4. 连接液压铆钉枪的液压系统,通过液压力将铆钉与工件连接在一起。
四、机械铆接法机械铆接法是利用机械力来完成铆接操作的一种方法,适用于对连接质量要求较高的场合。
具体操作步骤如下:1. 准备好需要铆接的材料和工具,包括不锈钢铆钉、机械钻孔机、机械铆钉枪等。
2. 使用机械钻孔机在需要铆接的位置上钻孔。
3. 将不锈钢铆钉插入孔中,然后用机械铆钉枪将其固定住。
4. 通过机械力将铆钉与工件连接在一起。
以上是不锈钢铆钉的几种常见铆接方法,每种方法都有其适用的场合和优缺点。
在实际应用中,需要根据具体情况选择合适的铆接方法,以确保连接的牢固性和稳定性。
铆钉连接强度实验报告实验报告:铆钉连接强度实验一、实验目的:本实验旨在研究铆钉连接强度,并以实验数据和分析为基础,探讨铆钉连接强度的影响因素。
二、实验原理:铆钉连接是一种常见的金属连接方式,它通过将铆钉插入孔内,并利用锤击或机械力使其扩大,实现金属板材之间的连接。
本实验主要考察铆钉连接的强度,常用指标为拉伸强度。
三、实验材料和仪器:1. 铝合金板材2. 铆钉3. 钻头和钳子4. 钳工锤5. 万能试验机四、实验步骤:1. 使用钻头在铝合金板材上钻孔,孔径与铆钉直径相匹配。
2. 将铆钉插入已钻孔的孔内,使其头部与板材表面齐平。
3. 使用钳子将铆钉的尾部压紧以锁紧铆钉。
4. 重复以上步骤,制备一定数量的铆钉连接试样。
5. 将试样放置在万能试验机上,分别进行拉伸实验,记录每个试样的最大拉伸载荷。
五、实验结果分析:根据实验数据,我们可以计算每个铆钉连接试样的拉伸强度。
将所有试样的拉伸强度进行统计与分析,得出平均拉伸强度,并比较不同变量下的差异。
六、实验讨论:1. 钻孔与孔径:钻孔的孔径应与铆钉直径相匹配,过大或过小都会影响铆钉的连接强度。
2. 材料选择:不同材料的板材和铆钉会对铆钉连接强度产生影响,实验中可以尝试不同材料下的铆钉连接强度,并对其进行比较分析。
3. 压紧力:压紧铆钉时,要保证足够的力量以确保铆接的牢固性。
4. 实验样本数量:样本数量越多,实验结果越具有代表性和可靠性。
建议增加样本数量,以提高实验的精度和可信度。
七、实验结论:通过铆钉连接强度实验,我们可以得出以下结论:1. 钻孔直径应与铆钉直径相匹配,以确保连接强度的稳定性。
2. 板材和铆钉的材料选择会对连接强度产生影响,不同材料的组合可能导致不同的强度结果。
3. 压紧力的大小直接影响铆钉连接的牢固性,适当的压紧力可以提高连接强度。
4. 样本数量的增加可以提高实验结果的可靠性和准确性。
八、实验改进建议:1. 可以进一步研究不同材料组合下铆钉连接强度的变化规律,以及不同孔径和压紧力对连接强度的影响。
铆接的基本形式
铆接是一种常用的连接方式,它通过铆钉等工具将两个或多个金属件连接在一起。
铆接的基本形式包括盲铆、实心铆、半空心铆等。
盲铆是铆接中应用最广泛的一种形式。
它适用于连接的两个零件一侧不能观察到的情况。
盲铆的基本原理是将铆钉放入预先钻好的孔内,然后在钉头一侧的端部将它压扁,使其在钉身外侧形成一个扩张的头部,从而将两个零件牢固地连接在一起。
盲铆的优点是操作简单,可以快速地进行连接,适用于各种材料的连接。
实心铆是将一个实心的铆钉插入预先钻好的孔内,然后在钉头一侧的端部将它压扁,使其在钉身外侧形成一个扩张的头部,从而将两个零件牢固地连接在一起。
实心铆的优点是连接牢固,适用于承受重载的结构。
半空心铆是将一个中空的铆钉插入预先钻好的孔内,然后在钉头一侧的端部将它压扁,使其在钉身外侧形成一个扩张的头部,从而将两个零件牢固地连接在一起。
半空心铆的优点是重量轻,适用于要求重量轻的结构。
除了以上三种基本形式外,还有其他铆接形式,如多头铆、双面铆、自锁铆等。
多头铆是将多个铆钉同时铆接在一个孔内,连接牢固,适用于承受大载荷的结构。
双面铆是将两个零件通过铆钉连接在一
起,连接牢固,适用于要求美观的结构。
自锁铆是通过铆钉头部的锁紧结构使连接更牢固,适用于承受振动的结构。
在选择铆接方式时,需要考虑零件的材质、连接的强度要求、使用环境等因素。
不同的铆接方式适用于不同的连接情况,正确选择合适的铆接方式可以使连接更加牢固、耐久。
铆钉和焊接的比较:性能、优点和缺点铆钉和焊接都是常见的金属连接方法,它们在机械和结构工程领域被广泛应用。
本文将对铆钉和焊接进行比较,包括它们的性能、优点和缺点。
一、性能比较铆钉是在连接材料上制造永久性机械连接的方法,通常是用铆钉压制材料,使其形成一个坚固的连接。
焊接是通过将连接材料加热至熔化状态,然后冷却成为一体化的连接。
1. 强度和刚度:焊接通常具有更高的强度和刚度,因为焊接可以在连接材料的整个表面上形成均匀的结构。
而铆钉连接则更适用于非常薄的材料,因为焊接可能引起变形和热应力。
2. 疲劳性能:对于受到循环加载的连接,焊接通常比铆钉更容易发生疲劳裂纹。
铆钉的连接方式对循环加载具有较好的抵抗力。
3. 耐腐蚀性:焊接可能会在焊接缝中形成裂纹和孔隙,从而导致腐蚀的发生。
相比之下,铆钉连接不会引起这些问题,因此在一些腐蚀性环境中更可靠。
4. 复杂性和成本:焊接通常需要设备和专业技能,因此在小规模生产或临时连接中可能不太实用。
铆钉连接则更容易实施和成本更低。
二、优点比较铆钉和焊接各自具有一些独特的优点,下面是对它们进行比较的一些方面:1. 铆钉的优点:a) 简便性:相对于焊接来说,铆钉连接更简单,不需要特殊设备和技能。
b) 可逆性:铆钉连接可以拆卸和重新连接,适用于需要频繁拆卸和维修的应用。
c) 材料选择范围广:铆钉连接适用于多种类型的金属和非金属材料。
d) 耐腐蚀性:铆钉连接不会出现腐蚀的问题,特别适用于腐蚀性环境。
2. 焊接的优点:a) 强度和刚度:焊接通常比铆钉连接具有更高的强度和刚度,适用于需要承受大荷载的结构。
b) 整体性:焊接可以在连接材料上形成均匀连续的结构,提高连接的整体性能。
c) 适用性广:焊接适用于多种形状和厚度的材料,能够实现更高级的连接。
d) 阻尼性能:焊接连接通常比铆钉连接具有更好的阻尼性能,适用于需要减震的应用。
三、缺点比较除了优点之外,铆钉和焊接也存在一些缺点,下面是对它们进行比较的一些方面:1. 铆钉的缺点:a) 变形和热应力:在连接薄材料时,铆钉连接可能引起变形和热应力,影响连接的性能。
铆接知识点总结大全一、铆接概述铆接是一种常见的连接工艺,通过将铆钉或铆柱等零部件压入工件孔内,再通过压力或冲击力将铆钉扩展,从而形成一种牢固的连接。
铆接通常用于对接两个或多个薄板或薄壁材料的连接,在汽车制造、飞机制造、造船和建筑等领域都有广泛应用。
二、铆接的种类1. 拉铆接:拉铆接是指通过将铆钉拉伸并塑形来连接工件的一种铆接方式。
拉铆接主要包括拉钉铆接和拉柱铆接两种形式,适用于缝对接和重叠对接的连接。
2. 压铆接:压铆接是指通过将铆钉直接压合与工件形成连接的一种铆接方式。
压铆接主要包括手动压铆和气动压铆两种形式,适用于对薄板进行压合连接。
3. 爆炸铆接:爆炸铆接是一种高速冲击装置用于将金属件连接在一起的工艺。
它利用高压气体或炸药产生的能量来形成铆接点,并在瞬间达到极高的压力和温度,实现金属件的连接。
4. 挤压铆接:挤压铆接是指将两个工件夹紧在一起,然后使用外部力将铆钉挤出工件的另一侧,从而连接两个工件的一种铆接方式。
5. 点焊铆接:点焊铆接是通过在两个金属表面施加高电流和高压,从而使两个金属点焊在一起形成连接的一种特殊形式的铆接。
三、铆接的工艺流程1. 准备工作:首先需要根据需要的连接特性和工件的材质选择合适的铆接方法和设备,然后准备好铆钉、铆钉枪等铆接工具。
2. 穿孔:将要连接的工件先进行穿孔,确保孔径与铆钉直径相匹配,并在需要连接的位置上开孔。
3. 对接:将需要连接的工件对齐,确保孔洞对应,并将铆钉插入孔中。
4. 压接:使用专用的铆接工具将铆钉压合,直到形成牢固的连接为止。
在整个过程中需要保持工件的对齐和材料的紧密贴合。
5. 检查:连接完成后进行检查,确保连接牢固,没有裂纹和变形。
6. 修理:如果连接出现问题,需要及时进行修理,确保连接的质量和稳定性。
四、铆接的优点1. 强度高:铆接接头的强度大大高于焊接连接,特别适用于要求连接牢固的场合。
2. 耐腐蚀:由于铆接不涉及加热过程,因此接头处不会出现氧化、软化等问题,具有很好的耐腐蚀性。
铆钉与螺丝连接的比较分析引言:在工程和制造业中,连接是一个至关重要的环节。
无论是在建筑、机械制造还是汽车制造等领域,铆钉和螺丝都是常见的连接方法。
本文将对铆钉和螺丝连接进行比较分析,包括它们的工作原理、特点、适用场景、优缺点等方面。
一、铆钉连接1. 工作原理:铆钉连接是通过将铆钉的尾部锤击或挤压,使其头部扩展,并填满连接材料中的孔洞,从而形成一个坚固的连接。
2. 特点:- 强度高:铆钉连接可以提供非常强大的连接力和抗拉强度,适用于对强度要求高的领域。
- 耐热性好:铆钉连接可以在高温环境下保持连接的稳定性,对于需要承受高温的应用特别适用。
- 不易松动:铆钉的扩展头部与连接材料形成了牢固的连接,不易松动。
3. 适用场景:- 金属连接:铆钉通常用于连接金属材料,如铝合金、钢材等。
特别适用于汽车、飞机、船舶等行业。
- 高温环境:铆钉连接的耐热性较好,适用于需要承受高温的环境。
4. 优点:- 强度高:铆钉连接提供了更强的连接强度,能够承受较大的拉力和剪力。
- 耐腐蚀:铆钉通常采用不锈钢等材料制作,能够抵抗腐蚀。
- 维修便捷:需要更换铆钉时,只需将旧铆钉钻穿并取下,然后安装新的即可。
5. 缺点:- 不可拆卸:铆钉连接是一次性的,无法进行拆卸和重用。
如果需要拆卸,只能使用力量破坏连接。
- 成本较高:相对于螺丝连接,铆钉连接所需的工具和设备成本较高。
二、螺丝连接1. 工作原理:螺丝连接是通过将螺丝旋入连接材料中的孔洞,与螺母或螺纹孔配合,形成一个紧固的连接。
2. 特点:- 可拆卸:螺丝连接可以随时拆卸和重复使用,对于需要频繁拆卸、调整、维修的应用非常方便。
- 可调节:通过旋转螺丝可以实现对连接材料的紧固力调节,适用于对紧固力有要求的领域。
- 安装方便:螺丝连接所需的工具简单易得,安装便捷。
3. 适用场景:- 木材连接:螺丝连接常用于连接木制品,如家具、木结构建筑等。
- 需要可拆卸和调整的场合:由于螺丝连接可以随时拆卸和调整,适用于需要经常更换或调整的场合。
铆钉铆接标准嘿,朋友们!今天咱就来唠唠铆钉铆接标准这档子事儿。
你说这铆钉铆接,就好比是给东西打个结实的“补丁”。
想象一下,要是这“补丁”打得不规范,那东西能牢固吗?肯定不行啊!咱先说说铆钉的选择吧。
那可不能随便抓一个就用,得像挑衣服一样,得合身才行。
铆钉的直径、长度都得和要连接的材料对上号。
就好比你穿双小鞋,那能舒服吗?肯定挤得难受呀!然后就是铆接的过程了。
这可得仔细着点儿,不能马虎。
要把铆钉放对位置,不能歪七扭八的。
就像你走路,得走正道,不能走歪路吧。
用铆钉枪的时候,力度也得掌握好,轻了重了都不行。
轻了,铆钉不牢固;重了,说不定把材料都给弄坏了。
还有啊,铆钉之间的间距也有讲究呢。
不能太近,也不能太远。
太近了浪费铆钉,太远了又连接不牢固,这中间的分寸可得拿捏好。
这就跟咱排队似的,人与人之间得保持个合适的距离。
你可别小瞧了这铆钉铆接标准,它可是关系重大啊!要是在飞机上、汽车上,铆钉铆接不规范,那得多危险啊!这可不是闹着玩的。
你想想,要是飞机在天上飞着飞着,突然因为铆钉的问题出故障了,那可咋办?那后果简直不堪设想啊!汽车也是一样,要是在路上跑着跑着散架了,那得多吓人!所以啊,咱们对待铆钉铆接标准一定要严肃认真,不能有一丝一毫的马虎。
这就像是盖房子,根基得打牢了,房子才能稳稳当当的。
咱平常生活中也经常能看到铆钉铆接的东西,像那些铁架子、铁门啥的。
你仔细观察观察,看看那些铆钉是不是都铆接得很规范。
如果不规范,那用起来肯定不放心啊。
总之呢,铆钉铆接标准可不是小事儿,关系到我们的安全和使用效果。
大家可都得重视起来,按照标准来操作。
别嫌麻烦,这可是为了咱自己好呀!咱可不能拿自己的生命安全开玩笑,是不是?让我们一起把铆钉铆接这件事儿做好,让我们的生活更加安全、更加牢固!。
第三章连接§3-7铆钉连接铆钉的排列和构造要求一、铆钉的形状铆钉按照铆头的形状分为:半圆头铆钉、高头铆钉、埋头铆钉和半埋头铆钉四种;二.铆钉的构造要求:1在钢结构中一般多采用半圆头铆钉图a;2当铆合钢板的总厚度超过铆钉直径的5倍时,宜采用高头铆钉;图b3当构件表面要求平整或钉头处的空间受到限制时,可采用沉头铆钉图c、d4沉头和半沉头铆钉不得用于钉杆受拉的连接;三、铆钉连接的形式:对接、搭接和顶接表;四、铆钉按受力分为:剪力铆钉、拉力铆钉和剪拉铆钉三类表;铆钉连接的计算一、受剪连接二、每个受拉铆钉的承载力设计值三、铆钉群连接的计算:同普通螺栓第三章连接§3-8轻钢结构紧固件连接的构造和计算紧固件连接的构造要求用于薄壁型钢结构中的紧固件应满足下述构造要求:1抽芯铆钉拉铆钉和自攻螺钉的钉头部分应靠在较薄的板件一侧;连接件的中距和端距不得小于连接件直径的3倍,边距不得小于连接件直径的倍;受力连接中的连接件不宜少于2个;2抽芯铆钉的适用直径为~,在受力蒙皮结构中宜选用直径不小于4mm的抽芯铆钉;自攻螺钉的适用直径为~,在受力蒙皮结构中宜选用直径不小于5mm的自攻螺钉;3自攻螺钉连接的板件上的预制孔径d0应符合下式要求:4射钉只用于薄板与支承构件即基材如檩条的连接;射钉的间距不得小于射钉直径的倍,且其中距不得小于20mm,到基材的端部和边缘的距离不得小于15mm,射钉的适用直径为~;射钉的穿透深度指射钉尖端到基材表面的深度,如图所示应不小于10mm;5在抗拉连接中,自攻螺钉和射钉的钉头或垫圈直径不得小于14mm;且应通过试验保证连接件由基材中的拔出强度不小于连接件的抗拉承载力设计值;上述规定大部分引自国外的相关规范,项次3是根据我国自己的试验结果归纳出的经验公式;紧固件的强度计算1、紧固件受拉根据大量的试验结果,得到了静荷载和反复荷载作用下,自攻螺钉和射钉连接抗拉强度的计算公式;风是反复荷载的根本起因,在风吸力作用下,压型钢板上下波动,使紧固件承受反复荷载作用,常引起钉头部位的疲劳破坏;因此含风组合时承载力降低;GB50018规范规定,在压型钢板与冷弯型钢等支承构件之间的连接件杆轴方向受拉的连接中,每个自攻螺钉或射钉所受的拉力应不大于按下列公式计算的抗拉承载力设计值;当连接件位于压型钢板波谷的一个四分点时如图所示,其抗拉承载力设计值应乘以折减系数;当两个四分点均设置连接件时如图所示则应乘以折减系数;自攻螺钉在基材中的钻入深度t c应大于,其所受的拉力应不大于按下式计算的抗拉承载力设计值;2、紧固件受剪当紧固件能牢固的将压型钢板与其支承构件如檩条和墙梁等连在一起时,压型钢板面层除能承受法向于它的面外荷载之外,还可与支承构件一起承受面内的剪力,这一效应称为受力蒙皮作用stressed skin action,此时紧固件要承受剪力作用;试验研究表明,紧固件受剪的破坏形式主要是薄板波挤压,或被撕裂;GB-50018规范规定当连接件受剪时,每个连接件所承受的剪力应不大于按下列公式计算的抗剪承载力设计值;章连接计算第一节焊缝连接第条对接焊缝应按下列规定计算:一、在对接接头和T形接头中,垂直于轴心拉力或轴心压力的对接焊缝,其强度应按下式计算:N二、在对接接头和T形接头中,承受弯矩和剪力共同作用的对接焊缝,其正应力和剪应力应分别进行计算;但在同时受有较大正应力和剪应力处例如梁腹板横向对接焊缝的端部,应按下式计算折算应力:注:①当承受轴心力的板件用斜焊缝对接,焊缝与作用力间的夹角θ符合tgθ≤时,其强度可不计算;②当对接焊缝无法采用引弧板施焊时,每条焊缝的长度计算时应各减去10mm;第条直角角焊缝图的强度应按下列公式计算:一、在通过焊缝形心的拉力、压力或剪力作用下:当力垂直于焊缝长度方向时,二、在其它力或各种力综合作用下,σf和Tf共同作用处:第条不焊透的对接焊缝图的强度,应按角焊缝的计算公式至公式计算,但取βf=,其有效厚度应采用:当熔合线处焊缝截面边长等于或接近于最短距离s时图、c、e,抗剪强度设计值应按角焊缝的强度设计值乘以;在垂直于焊缝长度方向的压力作用下,强度设计值可采用角焊缝的强度设计值乘以;第二节螺栓连接和铆钉连接第条普通螺栓、锚栓和铆钉应按下列规定计算:一、在普通螺栓或铆钉受剪的连接中,每个普通螺栓或铆钉的承载力设计值应取受剪和承压承载力设计值中的较小者:受剪承载力设计值:二、在普通螺栓、锚栓或铆钉杆轴方向受拉的连接中,每个普通螺栓、锚栓或铆钉的承载力设计值应按下列公式计算:三、同时承受剪力和杆轴方向拉力的普通螺栓和铆钉,应分别符合下列公式的要求:第条摩擦型高强度螺栓应按下列规定计算:一、在抗剪连接中,每个摩擦型高强度螺栓的承载力设计值应按下式计算:二、在杆轴方向受拉的连接中,每个摩擦型高强度螺栓的承载力设计值,取Nbt=;三、当摩擦型高强度螺栓连接同时承受摩擦面间的剪切和螺栓杆轴方向的外拉力时,每个摩擦型高强度螺栓的受剪承载力设计值仍应按公式计算,但应以p-代替p;此处Nt为每个高强度螺栓在其杆轴方向的外拉力,其值不应大于;第条承压型高强度螺栓应按下列规定计算:一、承压型高强度螺栓的预拉力p和连接处构件接触面的处理方法应与摩擦型高强度螺栓相同;承压型高强度螺栓仅用于承受静力荷载和间接承受动力荷载结构中的连接;二、在抗剪连接中,每个承压型高强度螺栓的承载力设计值的计算方法与普通螺栓相同,但当剪切面在螺纹处时,其受剪承载力设计值应按螺纹处的有效面积进行计算;三、在杆轴方向受拉的连接中,每个承压型高强度螺栓的承载力设计值,Nbt=;四、同时承受剪力和杆轴方向拉力的承压型高强度螺栓,应符合下列公式的要求:五、在抗剪连接中以及同时承受剪力和杆轴方向拉力的连接中,承压型高强度螺栓的受剪承载力设计值不得大于按摩擦型连接计算的倍;第条在下列情况的连接中,螺栓或铆钉的数目应予增加:一、一个构件借助填板或其它中间板件与另一构件连接的螺栓摩擦型高强度螺栓除外或铆钉数目,应按计算增加10%;二、搭接或用拼接板的单面连接,螺栓摩擦型高强度螺栓除外或铆钉数目,应按计算增加10%;三、在构件的端部连接中,当利用短角钢连接型钢角钢或槽钢的外伸肢以缩短连接长度时,在短角钢两肢中的一肢上,所用的螺栓或铆钉数目应按计算增加50%;四、当铆钉连接的铆合总厚度超过铆钉直径的5倍时,总厚度每超过2mm,铆钉数目应按计算增加1%至少应增加一个铆钉,但铆合总厚度不得超过铆钉直径的7倍;。
铆钉连接及计算 The manuscript was revised on the evening of 2021第三章?连接§3-7铆钉连接铆钉的排列和构造要求一、铆钉的形状铆钉按照铆头的形状分为:半圆头铆钉、高头铆钉、埋头铆钉和半埋头铆钉四种。
二.铆钉的构造要求:(1)在钢结构中一般多采用半圆头铆钉(图a);(2)当铆合钢板的总厚度超过铆钉直径的5倍时,宜采用高头铆钉;(图b)(3)当构件表面要求平整或钉头处的空间受到限制时,可采用沉头铆钉(图c、d)(4)沉头和半沉头铆钉不得用于钉杆受拉的连接。
三、铆钉连接的形式:对接、搭接和顶接(表)。
四、铆钉按受力分为:剪力铆钉、拉力铆钉和剪拉铆钉三类(表)。
铆钉连接的计算一、受剪连接二、每个受拉铆钉的承载力设计值三、铆钉群连接的计算:(同普通螺栓)第三章?连接§3-8轻钢结构紧固件连接的构造和计算紧固件连接的构造要求用于薄壁型钢结构中的紧固件应满足下述构造要求:(1)抽芯铆钉(拉铆钉)和自攻螺钉的钉头部分应靠在较薄的板件一侧。
连接件的中距和端距不得小于连接件直径的3倍,边距不得小于连接件直径的倍。
受力连接中的连接件不宜少于2个。
(2)抽芯铆钉的适用直径为~,在受力蒙皮结构中宜选用直径不小于4mm的抽芯铆钉;自攻螺钉的适用直径为~,在受力蒙皮结构中宜选用直径不小于5mm的自攻螺钉。
(3)自攻螺钉连接的板件上的预制孔径d0应符合下式要求:(4)射钉只用于薄板与支承构件(即基材如檩条)的连接。
射钉的间距不得小于射钉直径的倍,且其中距不得小于20mm,到基材的端部和边缘的距离不得小于15mm,射钉的适用直径为~。
射钉的穿透深度(指射钉尖端到基材表面的深度,如图所示)应不小于10mm。
(5)在抗拉连接中,自攻螺钉和射钉的钉头或垫圈直径不得小于14mm;且应通过试验保证连接件由基材中的拔出强度不小于连接件的抗拉承载力设计值。
上述规定大部分引自国外的相关规范,项次(3)是根据我国自己的试验结果归纳出的经验公式。
木板铆钉连接方法嘿,朋友们!今天咱来聊聊木板铆钉连接方法。
这可真是个有趣又实用的玩意儿呢!你想想看,那一块块木板,就像我们生活中的各种元素,它们各自有着自己的特点和用处。
而铆钉呢,就像是把这些元素紧紧连接在一起的纽带,让它们能共同发挥作用,创造出更强大的力量。
先来说说怎么选择合适的铆钉吧。
这可不能马虎,就像你找朋友一样,得找个合适的呀!铆钉有不同的大小、形状和材质呢。
要是你选个太小的,那能固定住木板吗?那不是开玩笑嘛!就好比你想用一根细线去拉住一头大象,咋可能嘛!所以啊,得根据木板的厚度和用途来好好挑一挑。
然后呢,就是打孔啦!这可得小心谨慎,别打得歪歪扭扭的。
你想啊,如果孔打得乱七八糟,那铆钉装进去能牢固吗?就好像给房子打地基,要是地基都不平整,这房子能稳当吗?所以,一定要拿好工具,稳稳地打孔。
打完孔,就该把铆钉放进去啦!这时候就像给木板穿上了一件特别的铠甲。
把铆钉放进去,然后用工具一敲,“铛”的一声,嘿,就固定住啦!这感觉是不是特别爽?就像你完成了一件了不起的事情一样。
但是哦,这里面也有讲究呢!敲的时候可别太用力,把铆钉敲坏了可就糟糕啦。
也别太轻,不然没固定好,那不就白忙活啦!这就跟我们做事一样,得掌握好那个度,恰到好处才行。
还有啊,连接的时候要注意木板的排列和方向哦。
要是乱七八糟地放,那最后出来的东西能好看吗?能好用吗?肯定不行呀!就像你穿衣服,总不能把上衣穿到腿上去吧,那多奇怪呀!木板铆钉连接方法真的很神奇呢!它能让那些原本单独的木板变成一个坚固的整体。
这不就跟我们大家一样嘛,每个人都有自己的特点和能力,但是当我们团结在一起,就能发挥出巨大的力量。
你看那些漂亮的家具、坚固的建筑,很多都是通过木板铆钉连接起来的。
这看似简单的方法,却蕴含着大大的智慧。
所以啊,朋友们,不要小看这木板铆钉连接方法哦!它能让我们的生活变得更加美好,更加有趣。
下次你看到那些用木板做成的东西,就可以想象一下它们是怎么通过铆钉连接起来的,那感觉是不是很奇妙呢?反正我是觉得挺有意思的!让我们一起好好利用这个方法,创造出更多有趣的东西吧!。