FANUC系统数控车螺纹加工实例程序
- 格式:docx
- 大小:22.22 KB
- 文档页数:2
数控车床螺纹加工编程指令的应用济宁职业技术学院(山东)张玉香在目前的FANUC 和广州数控系统的车床上,加工螺纹一般可采用3 种方法:G32 直进式切削方法、G92直进式固定循环切削方法和G76 斜进式复合固定循环切削方法。
由于它们的切削方式和编程方法不同,造成的加工误差也不同,在操作使用时需仔细分析,以便加工出高精度的零件。
1.编程方法(1)G32 直进式螺纹切削方法指令格式:图1G32直进式螺纹切削方法指令格式:G32 X(U )_ Z(W )_ F_ ;该指令用于车削圆柱螺纹、圆锥螺纹、端面螺纹。
其编程方法与G01 相似,如图1所示。
使用说明:①式中(X ,Z )和(U ,W )为螺纹的终点坐标,即图1 中B 点的坐标值;F 后的数值为导程(单线时为螺距)。
②当α=0°时,作直螺纹加工,编程格式为G32 Z_F_或G32 W_F_ ;当α<45°时加工锥螺纹,螺距以Z轴方向的值指定;当α>45°时螺距以X 轴方向的值指定;当α=90°时,加工端面螺纹,编程格式为G32 X_ F_或G32 U_ F_ 。
③螺纹切削中进给速度倍率开关无效,进给速度被限制在100% ;螺纹切削中不能停止进给,一旦停止进给切深便急剧增加,非常危险。
因此,进给暂停在螺纹加工中无效。
④在螺纹切削程序段后的第一个非螺纹切削程序段期间,按进给暂停键时刀具在非螺纹切削程序段停止。
⑤主轴功能的确定。
在编写螺纹加工程序时,只能使用主轴恒转速控制功能(程序中编入G97 ),由于进给速度的最大值和最小值系统参数已设定,在加工螺纹时为了避免进给速度超出系统设定范围,所以主轴转速不宜太高,一般用如下公式计算:(取)且从粗加工到精加工,主轴转速必须保持恒定。
否则,螺距将发生变化,会出现乱牙。
⑥螺纹起点和终点轴向尺寸的确定。
螺纹加工时应注意在有效螺纹长度的两端留出足够的升速段和降速段,以剔除两端因进给伺服电动机变速而产生的不符合要求的螺纹段,通常:δ=(2~3 )螺距δ=(1~2 )螺距⑦螺纹起点和终点径向尺寸的确定。
内螺纹零件数控手工编程加工实例分析作者:于世忠来源:《科协论坛·下半月》2013年第12期摘要:内螺纹零件采用手工编程加工比自动编程生成的程序要简单的多,可以采用特殊的G功能指令进行零件加工,提高加工效率,降低生产成本。
关键词:内螺纹数控编程 G功能中图分类号:TG659 文献标识码:A 文章编号:1007-3973(2013)012-049-021 前言对于一些特殊类型的加工零件我们可以采用手工编程当中一些特殊的方法,合理运用一些手工编程当中G功能指令,可以使程序步骤得到精简,使一些中低档数控机床系统运行要求降低,加工效率和精度得到提高。
2 零件图样分析编制如图1所示程序并加工。
工件材料为45#钢,毛坯为 50棒料,要求完成工件内螺纹加工,毛坯以预制 20mm、深26mm底孔。
3 零件加工完成3.1 零件螺纹分析根据图样中螺纹标注可知,零件右端内螺纹为普通细牙螺纹,公称直径为24mm,螺距为2mm,单线,右旋,螺纹长度21mm,螺纹中、顶径公差带代号为7H。
3.2 确定工艺及编程加工路线用三爪卡盘自定位,一次装夹依次完成外形轮廓、粗、精加工,螺纹孔底加工,内螺纹加工,加工步骤:(1)G71循环指令外形轮廓粗加工。
(2)G70循环指令外形轮廓精加工。
(3)G90指令粗、精加工内孔轮廓。
(4)G76循环指令加工内螺纹。
3.3 工艺参数确定3.4 根据实体模型和加工工艺分析自动生成编辑程序(参考)4 结语正确掌握数控车床手工编程和工艺设计特殊方法的加工运用,可以大大简化加工程序,节省了零件加工时间还能保证零件的加工精度,在实践工作中有一定的现实意义。
参考文献:[1] 唐勰.浅析FANUC-0iT系统数控车床的螺纹加工[J].中国现代教育装备,2010(01):74-75.[2] 赵歧刚,于世忠.数控车床零件加工技术[M].北京:电子出版社,2013:94-100.[3] 韦富基,李振尤.零件数控车削加工[M].北京:北京理工大学出版社,2009.。
第3期(总第172期)2012年6月机械工程与自动化MECHANICAL ENGINEERING & AUTOMATIONNo.3Jun.文章编号:1672-6413(2012)03-0068-03数控车床上圆弧螺纹的宏程序编程与加工夏静文1,穆丽沙2(1.山西煤炭职业技术学院,山西 太原 030031;2.山西省应用技术学校,山西 太原 030024)摘要:主要讨论了在数控车床上对圆弧螺纹的加工。
利用FANUC 0i—TC系统数控车床提供的宏功能为各种直径和螺距的圆弧螺纹加工编制了通用的数控车削程序,并详细说明了圆弧螺纹刀具选择和宏程序的参数设置方法。
在程序中巧妙地结合了普通车床车削梯形螺纹时应用的各种工艺技巧,提供了一种有较高实用价值的加工程序。
关键词:圆弧螺纹;宏程序;数控车床加工中图分类号:TG659∶TP311.1 文献标识码:A收稿日期:2012-01-16;修回日期:2012-02-15作者简介:夏静文(1982-),男,山西太原人,助教,硕士,研究方向:机械设计与制造。
0 引言数控系统中常用的螺纹切削指令主要是指编制内外圆柱螺纹、内外圆锥螺纹、多线螺纹等较规则和螺距较小的常用联接螺纹的加工程序,且螺纹的牙型也仅限于三角形,多采用直进式进刀方式。
圆弧螺纹深度较深、宽度大、螺距大,采用数控系统自带的标准螺纹切削指令,编制加工半圆形螺纹或圆弧圆心角大于180°的圆弧螺纹时,程序编写较复杂繁琐,而且当圆弧型螺纹的导程、公称直径、长度、螺纹槽深、牙宽、圆弧半径等参数中任何一值不同时,就需要重新编制程序。
如果能编写出圆弧形螺纹加工的通用宏程序模板就可以解决这一问题,且可以简化程序,提高生产效率,降低加工成本。
1 圆弧螺纹的加工工艺分析1.1 刀具选择加工圆弧形螺纹时,使用标准数控机夹螺纹车刀是根本不可行的,尖形车刀和宽度较小的普通切槽刀尚可勉强使用标准数控机夹,但若遇到螺纹的弧形大于或等于半圆时,使用尖形车刀和普通切槽刀就会发生干涉。
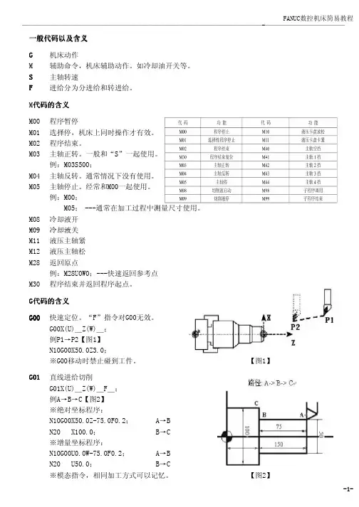
一般代一般代码以及含义码以及含义G 机床动作M 辅助命令,机床辅助动作。
如冷却油开关等。
S 主轴转速F进给分为分进给和转进给。
M代代码的含义M00程序暂停M01选择停,机床上同时操作才有效。
M02程序结束。
M03主轴正转。
一般和“S”一起使用。
例:M03S500;M04主轴反转。
通常情况下没有使用。
M05主轴停止。
经常和M00一起使用。
例:M00;M05;---通常在加工过程中测量尺寸使用。
M08冷却液开M09冷却液关M11液压主轴紧M12液压主轴松M28返回原点例:M28U0W0;---快速返回参考点M30程序结束并返回程序起点。
G 代码的含义G00快速定位。
“F”指令对G00无效。
G00X(U)_Z(W)_;例P1→P2【图1】N10G00X50.0Z3.0;※G00移动时禁止碰到工件。
【图1】G01直线进给切削G01X(U)_Z(W)_F_;例A→B→C【图2】※绝对坐标程序:N10G00X50.0Z-75.0F0.2;A→B N20 X100.0;B→C ※增量坐标程序:N10G00U0.0W-75.0F0.2;A→B N20 U50.0;B→C ※模态指令,相同加工方式可以记忆。
【图2】G02圆弧插补顺时针G03圆弧插补逆时针G02(G03)X(U)_Z(W)_R_F_;G02(G03)X(U)_Z(W)_I_K_F_;X、Z---指定的终点U、W---起点与终点之间的距离I---圆弧起点到圆心之X轴的距离180°以内用正值K---圆弧起点到圆心之Z轴的距离180°以上用负值R---圆弧半径(最大180°)※R不能表示整圆R【图3】圆弧方向根据坐标系不同而改变,判定方法如下【图4】:前置刀架后置刀架顺圆G03顺圆G02逆圆G02逆圆G03【图4】例【图5】:※绝对坐标程序:N10G02X100.0Z-30.0R50.0F0.2;※增量坐标程序:N10G00U20.0W-30.0R50.0F0.2;【图5】G04暂停用于切槽、台阶端面等需要刀具在加工表面做短暂停留的场合。
FANUC系统数控车床的编程与操作实例课件(一)FANUC系统数控车床的编程与操作实例课件是针对数控车床编程和操作的入门教程。
本课件的主要特点是将FANUC系统数控车床的编程和操作分为不同的章节,并提供详细的实例演示,以便于初学者理解和掌握。
一、FANUC系统数控车床的基本原理数控车床是一种能通过程序来控制工件的切削和加工的机床,它能够实现高精度的加工和自动化的生产。
FANUC系统数控车床是一种业界领先的数控机床系统,它具有高性能、高精度、易于操作等特点。
在使用FANUC系统数控车床之前,我们需要了解数控车床的基本原理和工作流程。
二、FANUC系统数控车床的基本组成FANUC系统数控车床的基本组成包括数控器、执行机构、传感器等。
其中数控器是整个系统的核心部件,它负责控制机床的各种动作,如刀架移动、主轴转速等。
执行机构则通过电机等动力装置来实现控制,传感器则负责检测工件的尺寸和位置信息。
三、FANUC系统数控车床的编程语言FANUC系统数控车床的编程语言是G代码和M代码。
G代码用于控制机床运动轨迹,如圆弧插补、直线插补等。
M代码则主要用于控制机床的辅助功能,如刀具换刀、冷却液开关等。
四、FANUC系统数控车床的编程实例本课件提供了多个实例演示,以便于使用者理解和掌握编程方法。
例如,如何编写一个切削深度为5mm的螺纹加工程序,如何编写一个直线加工程序等。
通过实际操作,我们可以体会到FANUC系统数控车床的效率和精度。
五、FANUC系统数控车床的操作实例本课件还提供了多个FANUC系统数控车床的操作实例,如如何设置机床工作参数、如何进行切削加工、如何调整加工质量等。
这些实例操作演示使使用者更加灵活和熟练地掌握FANUC系统数控车床的操作技巧。
总之,“FANUC系统数控车床的编程与操作实例课件”是一款非常实用的入门教程,它可以为初学者快速掌握FANUC系统数控车床的编程和操作技能提供帮助。
在日常的工作中,使用者可以快速高效地进行机床加工,提高加工效率和质量。
数控车床FANUC编程实例例1.G01直线插补指令编程如下图所示安装装仿形工件请设置安装装仿形工件,各点坐标参考如下(X向余量4mm)FUNAC数控车编程如下:O9001N10 G50 X100 Z10 (设立坐标系,定义对刀点的位置)N20 G00 X16 Z2 M03 (移到倒角延长线,Z 轴2mm 处)N30 G01 U10 W-5 G98 F120 (倒3×45°角)N40 Z-48 (加工Φ26 外圆)N50 U34 W-10 (切第一段锥)N60 U20 Z-73 (切第二段锥)N70 X90 (退刀)N80 G00 X100 Z10 (回对刀点)N90 M05 (主轴停)N100 M30 (主程序结束并复位)////////////////////////////////////////////////////////////////////////////////////////华中数控车床编程如下:%9001N10 G92 X100 Z10 (设立坐标系,定义对刀点的位置)N20 G00 X16 Z2 M03 (移到倒角延长线,Z 轴2mm 处)N30 G01 U10 W-5 F300 (倒3×45°角)N40 Z-48 (加工Φ26 外圆)N50 U34 W-10 (切第一段锥)N60 U20 Z-73 (切第二段锥)N70 X90 (退刀)N80 G00 X100 Z10 (回对刀点)N90 M05 (主轴停)N100 M30 (主程序结束并复位)=============================================================== 例2.G02/G03圆弧插补指令编程,如下图安装装仿形工件请设置安装装仿形工件,各点坐标参考如下(X向余量3mm)FUNAC数控车编程如下:O9002N10 G50 X40 Z5(设立坐标系,定义对刀点的位置)N20 M03 S400 (主轴以400r/min旋转)N25 G50 S1000 (主轴最大限速1000r/min旋转)N30 G96 S80 (恒线速度有效,线速度为80m/min)N40 G00 X0 (刀到中心,转速升高,直到主轴到最大限速)N50 G01 Z0 G98 F60 (工进接触工件)N60 G03 U24 W-24 R15 (加工R15 圆弧段)N70 G02 X26 Z-31 R5 (加工R5 圆弧段)N80 G01 Z-40 (加工Φ26 外圆)N90 X40 Z5 (回对刀点)N100 G97 S300 (取消恒线速度功能,设定主轴按300r/min 旋转)N110 M30 (主轴停、主程序结束并复位)///////////////////////////////////////////////////////////////////////////////////////////////////////////////////////////华中数控车床编程如下:%9002N10 G92 X40 Z5(设立坐标系,定义对刀点的位置)N20 M03 S400 (主轴以400r/min旋转)N40 G00 X0 (刀到中心,转速升高,直到主轴到最大限速)N50 G01 Z0 F60 (工进接触工件)N60 G03 U24 W-24 R15 (加工R15 圆弧段)N70 G02 X26 Z-31 R5 (加工R5 圆弧段)N80 G01 Z-40 (加工Φ26 外圆)N90 X40 Z5 (回对刀点)N100 M30 (主轴停、主程序结束并复位)====================================================================例3 G32螺纹切削指令编程如下图格式:G32 X(U)__Z(W)__F__说明:X、Z:为绝对编程时,有效螺纹终点在工件坐标系中的坐标;U、W:为增量编程时,有效螺纹终点相对于螺纹切削起点的位移量;F:螺纹导程,即主轴每转一圈,刀具相对于工件的进给值;使用G32指令能加工圆柱螺纹、锥螺纹和端面螺纹。
1.快速定位指令G00指令格式:G00 X(U)_Z(W)_;2.直线插补指令G01指令格式:G01 X(U)_Z(W)_F_;3.圆弧插补指令G02、G03(2)多重复合固定循环指令1)精加工循环指令G70在采用G71、G72、G73指令进行粗车后,用G70指令进行精车循环切削。
指令格式:G70 Pns Qnf;其中:ns为精加工程序组的第一个程序段的顺序号;nf为精加工程序组的最后一个程序段的顺序号。
2)外径、内径粗加工循环指令G71G71指令用于粗车圆柱棒料,以切除较多的加工余量。
0.2㎜)X40.0;X60.0 Z-30.0;Z-65.0;G02 X70.0 Z-70.0 R5.0;G01 X88.0;G03 X98.0 Z-75.0 R5.0;G01 Z-90.0;N20 G40 X106.0;(去刀补)G00 X150.0 Z200.0 M09;(换刀点)T0202;(换精车刀)G00 X106.0 Z5.0;(外圆精车循环点)G70 P10 Q20;G28 U0 W0 T0 M05;(X轴、Z轴回参考点)M30;如图1-71所示的螺纹曲面轴,毛坯尺寸为φ55mm×170mm,材料为45钢,无热处理要求,完成数控编程。
1.工艺路线三爪自定心夹盘夹持工件左端1)车右端面。
2)粗车外形轮廓。
3)精车外形轮廓。
4)车M20×2-6h螺纹。
5)切断。
调头,车另一端面。
2.根据要求作出解题分析图注:本节所有基点图是以刀架后置数控机床为基础建立的坐标系。
(1)基点坐标表:(2)相关计算表M20×2—6h螺纹切削参数4. 编写数控加工工序卡、刀具卡、程序卡:程序卡编制人: 年月日螺纹曲面轴零件图号13-2 数控系统主程序号T0101 ; 换1号刀M03 S500 ; 设定主轴转速,正转G00 X60 Z5 ; 到循环起点G94X0 Z1.5 F100 ; 端面切削循环Z0 ; 第二刀G00 X100 Z80; 回换刀点T0202 ; 换2号刀G00 X60 Z3 ; 到循环起点G90 X52.6 Z-133 F100 ; 外圆切削循环(精车留量0.6),G01 X54 ; 到循环起点G71 U1 R1G71 P20 Q40 U0.3W0 F100; 外圆粗车循环G01 X10 F100 ; 精加工轮廓开始,到倒角延长线处X19.1 Z-2 ; 至点2.Z-33 ; 点2至点5X30 Z-33 ; 点5至点6Z-43 ; 点6至点7G03 X42 Z-49 R6 ; 点7至点8G01 X42 Z-53 ; 点8至点9X36 Z-65 ; 点9至点10Z-73 ; 点10至点11G02 X40 Z-75 R2 ; 点11至点12G01 X44 ; 点12至点13X46 Z-76 ; 点13至点14Z-83 ; 点14至点15G02 X46 Z-113 R25 ; 点15至点16G03 X52 Z-123.28 R15 ; 点16至点.17G01 Z-133 ; 点17.至点18X55 ; 退出加工表面,粗加工轮廓结束G00X100 Z80 T0200;T0303;G00 G42 X70 Z3 ; 3号刀加入刀补G01X10 F60 精加工外轮廓X19.1 Z-2 ;Z-33;X30;Z-43;G03 X42 Z-49 R6G01 Z-53;X36 Z-65;Z-73;G02 X40 Z-75 R2 ;G01 X44 ;X46 Z-76 ;Z-83 ;G02 X46 Z-113 R25 ;G03 X52 Z-123.28 R15 ;G01 Z-133 ;X55 ;G00 G40 X100 Z80 T0300; 回换刀点,去刀补M05 ; 主轴停转T0404 ; 换4号刀M03 S200 ; 设定转速,正转G00 X30 Z5 ; 至循环起点1G92X19.2 Z-26 F2 ; 螺纹单循环,对角点1 X18.9 ; 对角点2X18.85 ; 对角点3X18.85 ; 对角点4G00 X30 Z6 ; 至循环起点2G92 19.2 Z-26 F2 ; 螺纹单循环,对角点1X18.9 ; 对角点2X18.85 ; 对角点3X18.85 ; 对角点4G00 X100 Z80 ; 回换刀点,消除刀补M30 ;主轴停、主程序结束并复位。
数控车床FANUC编程实例例1.G01直线插补指令编程如下图所示安装装仿形工件请设置安装装仿形工件,各点坐标参考如下(X向余量4mm)坐标点X(直径) Z 圆弧半径圆弧顺逆A 0 0B 30 0C 30 -48D 64 -58E 84 -73F 84 -1500 -150FUNAC数控车编程如下:O9001N10 G50 X100 Z10 (设立坐标系,定义对刀点的位置)N20 G00 X16 Z2 M03 (移到倒角延长线,Z 轴2mm 处)N30 G01 U10 W-5 G98 F120 (倒3×45°角)N40 Z-48 (加工Φ26 外圆)N50 U34 W-10 (切第一段锥)N60 U20 Z-73 (切第二段锥)N70 X90 (退刀)N80 G00 X100 Z10 (回对刀点)N90 M05 (主轴停)N100 M30 (主程序结束并复位)G76螺纹切削复合循环,如下图加工螺纹为ZM60×2,工件尺寸见图3.3.38,其中括弧内尺寸根据标准得到。
FUNAC数控车编程如下:O9010N10 T0101 (换一号刀,确定其坐标系)N20 G54 G00 X100 Z100 (到程序起点或换刀点位置)N30 M03 S400 (主轴以400r/min 正转)N40 G00 X90 Z4 (到简单循环起点位置)N50 G90 Z-30 (加工锥螺纹外表面)N60 G00 X100 Z100 M05 (到程序起点或换刀点位置)N70 T0202 (换二号刀,确定其坐标系)N80 M03 S300 (主轴以300r/min 正转)N90 G00 X90 Z4 (到螺纹循环起点位置)N95 G76 P020000N100 G76 Z-24N110 G00 X100 Z100 (返回程序起点位置或换刀点位置)N120 M05 (主轴停)N130 M30 (主程序结束并复位)///////////////////////////////////////////////////////////////////////////////////////////////////////华中数控车床编程如下:%9010N1 T0101 (换一号刀,确定其坐标系)N2 G54 G00 X100 Z100 (到程序起点或换刀点位置)N3 M03 S400 (主轴以400r/min 正转)N4 G00 X90 Z4 (到简单循环起点位置)N5 G80 Z-30 F80(加工锥螺纹外表面)N6 G00 X100 Z100 M05 (到程序起点或换刀点位置)N7 T0202 (换二号刀,确定其坐标系)N8 M03 S300 (主轴以300r/min 正转)N9 G00 X90 Z4 (到螺纹循环起点位置)N10 G00 X100 Z100 (返回程序起点位置或换刀点位置)N12 M05 (主轴停)N13 M30 (主程序结束并复位)========================================================例98.M98子程序调用及从子程序返回M99, 如下图所示调用子程序的格式M98 Pxxnnnnxx:重复调用次数nnnn:被调用的子程序号FUNAC数控车编程如下O9098 主程序:O9098 (主程序程序名)N1 G54 G00 X24 Z1 (使用G54坐标系)N2 G01 Z0 M03 F100(移到子程序起点处、主轴正转)N3 M98 P039099 (调用子程序,并循环3 次)N4 G00 X24 Z1 (返回对刀点)N6 M05 (主轴停)N7 M30 (主程序结束并复位)再编O9099子程序文件:O9099 (子程序名)N1 G01 U-18 F100 (进刀到切削起点处,注意留下后面切削的余量)N2 G03 R8(加工R8 园弧段)N3 R60 (加工R60 园弧段)N4 G02 R40(加工切R40 园弧段)N5 G00 U4 (离开已加工表面)N6 (回到循环起点Z 轴处)N7 G01 U-11 F100 (调整每次循环的切削量)N8 M99 (子程序结束,并回到主程序)///////////////////////////////////////////////////////////////////////////////////////////////////////////////////////////////////////////// 华中数控车床编程如下%9098 主程序:%9098 (主程序程序名)N1 G54 G00 X24 Z1 (使用G54坐标系)N2 G01 Z0 M03 F100(移到子程序起点处、主轴正转)N3 M98 P9099 L6(调用子程序,并循环6 次)N4 G00 X24 Z1 (返回对刀点)N6 M05 (主轴停)N7 M30 (主程序结束并复位)再编%9099子程序文件:%9099 (子程序名)N1 G01 U-18 F100 (进刀到切削起点处,注意留下后面切削的余量)N2 G03 R8(加工R8 园弧段)N3 R60 (加工R60 园弧段)N4 G02 R40(加工切R40 园弧段)N5 G00 U4 (离开已加工表面)N6 (回到循环起点Z 轴处)N7 G01 U-11 F100 (调整每次循环的切削量)N8 M99 (子程序结束,并回到主程序)。
FANUC系统锥度螺纹编程NPT1-1/2内螺纹大径和小径都有标准参数,可以查表获得,NPT螺纹的锥度是1:16。
FANUC系统编程程序这样写G76 P020060 Q150 R0.03;G76 X Z P1360 Q150 R F2.209 ;(第一行可以套用,Q是每次吃刀量,单位微米。
R是精车余量,半径值)(第二行:X、Z是目标点坐标,P是牙型高,Q是第一刀的吃刀量,R是你螺纹编程的螺纹起点与终点的半径差,F是螺距。
螺纹的有效长度是Z,编程时要放长2-3mm,根据1:16的锥度用三角函数和螺纹的走刀长度来算R,起点不在Z0时大径和R都需要计算)用G92编程格式:G92 X Z R ;(各个代码含义和G76一样)锥度螺纹NPT1-1/2,是美制一般密封管螺纹:设牙距为P,基准平面内大径D;基准平面内中径D2=D-0.8*P;基准平面内小径D1=D-1.6*P;查手册得:为1英寸11.5牙,即牙距P=2.209mm;基准平面大径D=48.054mm;基准平面内中径D2=D-0.8*P=48.054-0.8*2.209=46.2868mm;基准平面内小径D1=D-1.6*P=48.054-1.6*2.209=44.5196mm;车双头螺纹用G92、G76都可以车,比如M30X2 车双头螺纹,那导程就是4.0,程序如下:s700 M03G00 X33. Z3.G76P010560 Q80 R0.05G76 X27.4 Z-40 P1300 Q500 F4G00 X33. Z5.G76P010560 Q80 R0.05G76 X27.4 Z-40 P1300 Q500 F4这样编就可以了,。
凯恩帝数控车床多头螺纹编程实例用G76,G92,G32,都可以,先车好一条镙纹。
再改一个Z轴的进刀位置,再加工第二条就可以了。
如:GO X10 Z5(第一条线)G92 X9.5 Z-20 F3(假设已加工好了第一条)G0 Z3.5(改Z 轴进刀位置,一定要改导程的一半加入或减去。
Fanuc系统数控机床车梯形螺纹两种车削技巧一、调用子程序加工方法在Fanuc系统数控机床车削较大螺距梯形螺纹时,往往采用左右车削的方法,每次车削都要编写程序,编程工作冗长麻烦,并且操作者出现差错率较高,笔者通过调用子程序和编写宏程序的方法,来实现简便编程的梯形螺纹车削操作。
如下图所示,已知梯形螺纹Tr25,螺距6mm,长54mm,牙高h=3.5mm,d1=18mm,牙顶宽1.93mm,所用刀具为30°高强度高速钢梯形螺纹车刀。
O1000T0303 3号刀为梯形螺纹刀具M03 S100G00 X30.0 Z10.0 起点M98 P1001 调用子程序车削螺纹的第一层深度G00 X30.0 Z10.05 向右赶刀M98 P1001 调用子程序车削螺纹的第一层深度G00 X30.0 Z9.95 左赶刀车削螺纹第一层深度M98 P1001G00 X30.0 Z10.0 回到起点M98 P1002 调用子程序车削螺纹的第二层深度G00 X30.0 Z10.05 向右赶刀M98 P1002G00 X30.0 Z9.95 左赶刀车削螺纹第二层深度G00 X30.0 Z10.0 回到起点M98 P1003 调用子程序车到螺纹底径18mmG00 X30.0 Z10.05 向右赶刀M98 P1003G00 X30.0 Z9.95 向左赶刀M98 P1003G00 X100.0 Z100.0M30O1001 切削螺纹到21mm G00 X30.0#1=24.8N10 G92 X[#1] Z-54.0 F6.0#1=#1-0.1IF[#1GT21] GOTO 10G00 X30.0 Z10.0M99O1002 切削螺纹到19mm #1=20.8N10 G92 X[#1] Z-54.0 F6.0#1=#1-0.1IF[#1GT19] GOTO 10G00 X30.0 Z10.0M99O1003 切削螺纹到18mm#1=18.9N10 G92 X[#1] Z-54.0 F6.0#1=#1-0.05IF[#1GT18] GOTO 10G00 X30.0 Z10.0M99二、宏程序加工方法O1000T0303M03 S100G00 X30.0 Z10.0 螺纹起点#1=0N10 G92 X[25-2 *#1] Z-54.0 F6.0 #1=#1+0.05G00 X30.0 Z10.05G92 X[25-2 *#1] Z-54.0 F6.0G00 X30.0 Z9.95G92 X[25-2 *#1] Z-54.0 F6.0IF#1LE3.5 GOTO10G00 X100.0 Z100.0M05M30通过以上加工方法车削梯形螺纹,可以大大缩短编程时间,减少差错率,这种方法具有很大的实用价值。