PLC 设计题(有14道题的答案)
- 格式:doc
- 大小:4.27 MB
- 文档页数:11
设计题1、设计三相异步电动机既可点动又可连续运行的电气控制线路。
2、设计三相异步电动机三地控制〔即三地均可起动、停止〕的电气控制线路。
3、为两台异步电动机设计主电路和控制电路,其要求如下:〔1〕两台电动机互不影响地独立操作启动与停止;〔2〕能同时控制两台电动机的停止;〔3〕当其中任一台电动机发生过载时,两台电动机均停止。
4、设计一个小车运行的控制线路,其要求如下:〔1〕小车由原位开始前进,到终端后自动停止;〔2〕在终端停留2分钟后自动返回原位停止;〔3〕要求在前进或后退途中的任意位置都能停止或起动。
5、试设计一台异步电动机的控制电路。
要求:〔1〕能实现启、停的两地控制;〔2〕能实现点动调整;〔3〕能实现单方向的行程保护;〔4〕要有短路和过载保护。
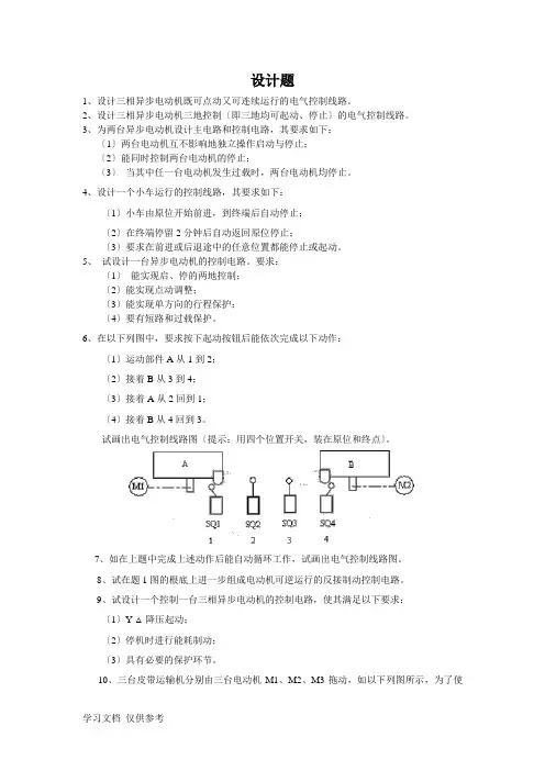
6、在以下列图中,要求按下起动按钮后能依次完成以下动作:〔1〕运动部件A从1到2;〔2〕接着B从3到4;〔3〕接着A从2回到1;〔4〕接着B从4回到3。
试画出电气控制线路图〔提示:用四个位置开关,装在原位和终点〕。
7、如在上题中完成上述动作后能自动循环工作,试画出电气控制线路图。
8、试在题1图的根底上进一步组成电动机可逆运行的反接制动控制电路。
9、试设计一个控制一台三相异步电动机的控制电路,使其满足以下要求:〔1〕Y-△降压起动;〔2〕停机时进行能耗制动;〔3〕具有必要的保护环节。
10、三台皮带运输机分别由三台电动机M1、M2、M3拖动,如以下列图所示,为了使皮带上不堆积被运送的物料,要求电动机按如下顺序起停:〔1〕起动顺序为:M1→M2→M3;〔2〕假设M1停转,那么M2、M3必须同时停转;假设M2停转,那么M3必须同时停转。
试画出其控制电路。
11、试设计龙门刨床横梁升降机构的电气控制电路,画出电气原理图,并选择所需的元器件。
要求横梁能上升和下降,加工工件时横梁必须被夹紧在立柱上。
升降电动机的参数为:13kW、380V/660V、27.6A/16A、1330r/min;夹紧电动机的参数为:2.8kW、220V/380V、10.5A/6.1A、1430r/min。
plc练习题带答案PLC(可编程逻辑控制器)是一种广泛应用于工业自动化控制领域的电子设备。
以下是一些PLC练习题及答案,供学习者参考:练习题1:假设你有一个由PLC控制的自动化生产线,该生产线有三个传感器A、B和C,它们分别检测不同的生产条件。
编写一个PLC程序,使得当传感器A和B同时被触发时,电机M1启动;当传感器C被触发时,电机M1停止。
答案:```plc// 假设传感器A、B和C的输入地址分别为I0.0, I0.1, I0.2// 电机M1的输出地址为Q0.0Network 1// 启动条件IF I0.0 AND I0.1 THENQ0.0 := 1;END_IFNetwork 2// 停止条件IF I0.2 THENQ0.0 := 0;END_IF```练习题2:编写一个PLC程序,用于控制一个简单的交通信号灯系统。
信号灯有三个灯:红灯、绿灯和黄灯。
系统要求红灯亮5秒后,绿灯亮3秒,然后黄灯亮2秒,之后循环。
答案:```plc// 假设红灯、绿灯和黄灯的输出地址分别为Q0.0, Q0.1, Q0.2// 使用T0作为定时器Network 1// 红灯亮5秒T0 := 5s;Q0.0 := 1;Q0.1 := 0;Q0.2 := 0;Network 2// 等待红灯定时完成IF T0 THEN// 绿灯亮3秒T0 := 3s;Q0.0 := 0;Q0.1 := 1;Q0.2 := 0;END_IFNetwork 3// 等待绿灯定时完成IF T0 THEN// 黄灯亮2秒T0 := 2s;Q0.0 := 0;Q0.1 := 0;Q0.2 := 1;END_IFNetwork 4// 黄灯定时完成后重置定时器并循环IF T0 THENT0 := 5s;Q0.0 := 1;Q0.1 := 0;Q0.2 := 0;END_IF```练习题3:设计一个PLC程序,用于控制一个简单的自动门系统。
系统有两个传感器,一个是门的开闭状态传感器S1,另一个是安全传感器S2。
PLC题库答案5、⼿持式编程器可以为PLC编写语句表⽅式的程序。
6、PLC⼀般能(能,不能)为外部传感器提供24V直流电源。
7、PLC的输出接⼝类型有继电器,晶闸管与场效应晶体管。
8、PLC的软件系统可分为系统程序和⽤户程序两⼤部分。
10、PLC采⽤_循环扫描_⼯作⽅式,其过程可分为五个阶段:_⾃诊断检查__,通信处理,输⼊采样,_执⾏⽤户程序_和_输出改写_,称为⼀个扫描周期。
11、将编程器内编写的程序写⼊PLC时,PLC必须处在_STOP_模式。
⼆、简答题1、在复杂的电⽓控制中,采⽤PLC控制与传统的继电器控制有哪些优越性?2、什么是可编程控制器?它的特点是什么?3、PLC控制系统与传统的继电器控制系统有何区别?4、PLC数字量输出接⼝按输出开关器件的种类不同,有哪⼏种类型?它们各有什么特点?5、简述PLC的扫描⼯作过程。
6、为什么PLC中软继电器的触点可⽆数次使⽤?7、PLC按I/O点数和结构形式可分为⼏类?8、PLC执⾏程序是以循环扫描⽅式进⾏的,请问每⼀扫描过程分为哪⼏个阶段?三、判断题1、PLC的输⼊电路均采⽤光电耦合隔离⽅式。
(×)2、CPU224型PLC本机I/O点数为14/10。
(√)3、PLC的周期性循环扫描⽅式不会产⽣输⼊/输出滞后时间。
(×)4、间接寻址是通过地址指针来存取存储器中的数据。
(?√??)5、存储器AI、AQ只能使⽤字寻址⽅式来存取信息。
(?√??)四、选择题A.、⽇本松下公司,1970年;B、德国西门⼦公司,1969年;C、美国通⽤公司,1968年;D、美国数字设备公司,1969年。
2、下列不属于PLC硬件系统组成的是(A)A、⽤户程序B、输⼊输出接⼝C、中央处理单元D、通讯接⼝3、CPU226型PLC本机I/O点数为(C)A、14/10B、8/16C、24/16D、14/164、S7-200系列可编程序控制器的直流电源输⼊范围是(C)A、24-220V ACB、220-380V ACC、DC24VD、86-26420V AC5、S7-200系列继电器输出的可编程序控制器,⼀个继电器输出点的最⼤通过电流是(D )A、1AB、0.5AC、0.75AD、2 A6、如需要3路模拟量输⼊1路模拟量输出,在S7-200系列PLC中应选(A)模块。
一、选择题1.PLC配有的存储器中内容只能读出,不能写入的存储器是()。
A RAMB ROMC EPROMD EEPROM 答案:B2.PLC的I/O点数是指PLC上输入、输出点数()。
A 之和 B 之差 C 之积 D 无关答案:A3.PLC的运算和控制中心是( )。
A 存储器 B I/O系统 C 微处理器 D 寄存器答案:C4. ( )是由PLC生产厂家编写的,固化到ROM中。
A 系统程序 B 用户程序 C 工作程序 D 用户数据答案:A5.PLC输入和输出继电器的编号通常都是( )。
A 二进制 B 八进制 C 十进制 D 十六进制答案:B6.()年,美国首先研制成功第一台可编程控制器。
A 1969 B 1973 C 1979 D 1989 答案:A7.I/O模块是()的简称。
A 输入模块 B 输出模块 C 输入模块与输出模块 D 设备端口模块答案:C8.PLC的L+及M端口间电压一般是()伏。
A DC24V B DC36V C AC110V D AC220V 答案:A 29.一般而言,PLC的AC输入电源电压范围是()。
A 24VAC B 85-264V AC C 220-380V AC D 24V AC-220V AC 答案:B10.小型PLC一般不支持哪种编程语言()。
A梯形图 B C语言 C 顺序功能图(SFC) D 指令表答案:B11.第一台PLC是由以下()公司研制成功的。
A GE公司 B DEC公司 C ABB公司D SIMENS公司答案:B12.PLC输出线圈的常开、常闭触点的使用数量是()。
A 50个 B 100个 C 1000个 D 无数个答案:D13.PLC 的输入模块一般使用( )来隔离内部电路和外部电路。
A光电耦合器 B继电器 C 传感器 D电磁耦合答案:A14.PLC的工作方式是()。
A等待工作方式 B中断工作方式 C扫描工作方式 D循环扫描工作方式答案:D15.下列不属于PLC硬件系统组成的是()。
PLC试题集一、判断题1.与左母线连接的常闭触点使用LDI指令。
〔对〕2.ANI指令完成逻辑“与或〞运算。
〔错〕3.ORI指令完成逻辑“或〞运算。
〔错〕或非4.PLC有STOP到RUN的瞬间接通一个扫描周期的特殊辅助继电器是M8000。
〔错〕 M80025.在任何情况下RST指令优先执行。
〔对〕6.LDP指令只在操作元件由OFF到ON状态时产生一个扫描周期的接通脉冲。
〔对〕7.当并联电路块与前面的电路连接时使用ORB指令。
〔错〕 ANB8.块与指令ANB带操作数。
〔错〕不带9.可以连续使用ORB指令,使用次数不得超过10次。
〔错〕 8次10.MPS与MPP指令必须配套使用。
〔对〕11.在MC指令内使用MC指令叫嵌套,有嵌套结构时嵌套级N的编号顺序增大N0一N1一N2…N7。
〔对〕12.使用STL指令编写梯形图允许双线圈输出。
〔错〕不允许13..优化设计应遵循“上重下轻,左重右轻〞的原那么。
〔对〕14.输入继电器编号X采用十进制。
〔错〕八进制15.输出继电器Y在梯形图中可出现触点和线圈,触点可使用无数次。
〔对〕16.SET和RST指令同时出现时,RST优先执行。
〔对〕17.每个定时器都有常开触点和常闭触点,这些触点可使用无限次。
〔对〕18.普通计数器无断电保护功能,掉电计数器具有断电保护功能,〔对〕19.PLC采用了典型的计算机结构,主要是由CPU、RAM、ROM和专门设计的输入输出接口电路等组成。
〔对〕20.梯形图是程序的一种表示方法,也是控制电路。
〔错〕21.梯形图两边的两根竖线就是电源。
〔错〕22.PLC的指令语句表达形式是由操作码,标识符和参数组成。
〔对〕23.PLC可编程序控制器是以“并行〞方式进行工作的。
〔错〕24.PLC机产品技术指标中的存储容量是指其内部用户存储器的存储容量。
〔错〕25.PLC机产品技术指标中的存贮容量是指内部所有RAM、ROM的存贮容量。
〔对〕26.PLC机虽然是电子产品,但它的抗干扰能力很强,可以直接按装在强电柜中。
plc考试题及答案PLC考试题及答案一、选择题(每题2分,共20分)1. PLC的全称是()。
A. Power Line CommunicationB. Programmable Logic ControllerC. Personal Learning CenterD. Public Limited Company答案:B2. PLC系统中,用于存储用户编写的程序的存储器是()。
A. RAMB. EPROMC. SRAMD. DRAM答案:B3. 在PLC的梯形图中,通常用()来表示常闭触点。
A. 一个横杠B. 一个竖杠C. 一个圆圈D. 一条曲线答案:A4. PLC的扫描周期包括()。
A. 输入采样、程序执行、输出刷新B. 输入采样、程序编写、输出刷新C. 输入采样、程序执行、数据存储D. 输入采样、程序编写、数据存储答案:A5. PLC的输入/输出接口电路中,如果输入信号是交流电,则需要使用()接口。
A. 继电器B. 晶体管C. 双向晶闸管D. 光耦答案:D6. PLC的程序设计语言中,梯形图是()。
A. 一种图形编程语言B. 一种文本编程语言C. 一种汇编语言D. 一种机器语言答案:A7. 在PLC的程序中,JMP指令通常用于()。
A. 跳转到程序的开始B. 跳转到程序的结束C. 无条件跳转到指定地址D. 条件跳转到指定地址答案:C8. PLC的工作原理中,输出刷新阶段是指()。
A. 将输入状态更新到输入映像区B. 将程序执行结果更新到输出映像区C. 将程序执行结果输出到外部设备D. 将输入状态输出到外部设备答案:B9. PLC的内部继电器是()。
A. 由硬件实现的继电器B. 由软件实现的继电器C. 一个物理存在的继电器D. 一个模拟的开关答案:B10. 在PLC的程序中,定时器的预设值一般存放在()。
A. 输入映像区B. 输出映像区C. 辅助继电器D. 数据寄存器答案:D二、判断题(每题1分,共10分)1. PLC的英文全称是Programmable Logic Controller,是一种用于工业环境中的可编程电子设备。
plc设计题试题及答案PLC设计题试题及答案一、单项选择题1. PLC的全称是()。
A. 可编程逻辑控制器B. 可编程线性控制器C. 可编程逻辑控制D. 可编程逻辑控制单元答案:A2. PLC系统中,用于实现逻辑运算的元件是()。
A. 定时器B. 计数器C. 辅助继电器D. 内部继电器答案:D3. 在PLC的梯形图中,通常用()表示常开接点。
A. 一个中间断开的水平线B. 一个中间断开的垂直线C. 一个闭合的圆圈D. 一个闭合的矩形答案:A二、填空题4. PLC的编程语言通常包括梯形图、________、________和结构文本。
答案:指令列表、顺序功能图5. 在PLC的程序中,________用于存储逻辑运算的结果,而________用于存储计时和计数的结果。
答案:辅助继电器、定时器/计数器三、简答题6. 简述PLC控制系统的设计步骤。
答案:PLC控制系统的设计步骤通常包括:a. 明确控制要求和目标b. 进行系统规划和设计c. 选择适当的PLC型号和I/O模块d. 绘制电气控制原理图和梯形图e. 编写和编辑PLC程序f. 进行系统模拟和调试g. 现场安装和投运h. 系统维护和优化四、设计题7. 设计一个简单的PLC控制系统,用于控制一台电动机的启动、停止和正反转。
答案:该设计题的答案会根据具体的PLC型号和用户的具体要求有所不同,但一般包括以下几个步骤:a. 确定输入输出接口,如启动按钮、停止按钮、正转按钮、反转按钮以及电动机的正反转输出。
b. 绘制电气控制原理图,包括主电路和控制电路。
c. 设计PLC的I/O地址分配表。
d. 编写PLC控制程序,包括启动、停止、正反转的逻辑控制。
e. 进行程序的模拟测试,确保控制逻辑正确无误。
f. 在实际设备上安装PLC并下载程序,进行现场调试。
五、计算题8. 如果一个PLC系统中有一个定时器T0,设定的定时时间为10秒,问在PLC程序运行期间,定时器T0最多可以积累多少个定时周期?答案:PLC系统中定时器的积累定时周期数取决于系统的运行速度和定时器的分辨率。
plc测试题及答案PLC测试题及答案一、选择题1. PLC的全称是:A. 可编程逻辑控制器B. 个人学习计算机C. 个人笔记本电脑D. 公共逻辑计算机答案:A2. PLC的工作原理是基于:A. 顺序控制B. 随机控制C. 循环控制D. 条件控制答案:A3. 下列哪个不是PLC的输入设备:A. 按钮B. 传感器C. 继电器D. 触摸屏答案:C二、判断题1. PLC的编程语言包括梯形图、指令表、顺序功能图、结构化文本等。
()答案:正确2. PLC的输出设备不能包括电机驱动器。
()答案:错误3. PLC的扫描周期是固定的。
()答案:正确三、简答题1. 简述PLC的三个基本功能。
答案:PLC的三个基本功能包括:输入处理、程序执行和输出处理。
2. 描述PLC在工业自动化中的应用场景。
答案:PLC在工业自动化中广泛应用于生产线的控制、机械设备的自动化控制、过程控制以及数据采集与监控等场景。
四、计算题1. 如果一个PLC的扫描周期为10ms,计算在1分钟内该PLC可以执行多少次扫描。
答案:1分钟 = 60秒,1秒 = 1000毫秒,所以1分钟 = 60000毫秒。
10ms的扫描周期意味着每10毫秒执行一次扫描,因此1分钟内可以执行60000 / 10 = 6000次扫描。
五、案例分析题1. 某工厂使用PLC控制生产线,当生产线上的传感器检测到物料不足时,PLC会自动停止生产线。
请分析PLC在此场景中的作用。
答案:在该场景中,PLC作为控制中心,接收来自传感器的信号。
当传感器检测到物料不足时,传感器会发送信号给PLC,PLC接收到信号后,根据预设的程序逻辑,执行停止生产线的操作,以防止因物料不足导致的生产中断或设备损坏。
这体现了PLC在自动化控制中的关键作用,确保生产线的稳定运行和物料管理的自动化。
1 / 111、试设计满足下图所示波形的梯形图程序。
(振荡电路)输入:I0.0 输出:Q0.02、用PLC (S7-200机型)设计程序,实现可以在甲地、乙地、丙地控制一盏灯亮、灭的程序。
(三地控制)3、试用EU 、ED 、R 、S 指令设计满足下图所示波形的梯形图程序。
(10分)输入:I0.0I0.1输出:Q0.04、鼓风机系统一般有引风机和鼓风机两级构成。
当按下启动按钮(SB0)之后,引风机先工作,工作30秒后,鼓风机工作。
按下停止按钮(SB1)之后,鼓风机先停止工作,20秒之后,引风机才停止工作。
两台电机均有过载保护,任一电机过载,两台电机立即停车。
(应用时序法设计定时器的应用)5、S7 200系列PLC 编程实现楼梯灯控制,控制要求:上楼梯时,按下按钮SB1,灯HL1亮,2分钟后自动熄灭;下楼梯时,按下按钮SB2,灯HL1也亮2分钟后再熄灭。
(基本延时应用)4S2S3S专业班级: 姓 名: 学 号:密 封 线2 / 116、有三台电动机,按下启动接钮后,M1启动,延时30秒后,M2启动,延时40秒后,M3启动;运行30分钟后三台电动机全部停车;在运行过程中按下停止接钮,三台电动机全部停车。
试用S7-200 PLC 机型设计其:(1) P LC 硬件接线原理图 (7分) (2) P LC 控制程序 (8分)7、用一个按钮开关(I0.0)控制三盏灯(Q0.1 、Q0.2 、Q0.3),按钮按三下第一盏灯Q0.1亮,再按三下第二盏灯Q0.2亮,再按三下第三盏灯Q0.3亮,再按一下全灭。
(计数器的基本应用)8、试设计满足下图所示波形的梯形图程序。
(基本延时)输入I0.0:输出Q0.0: S9、I0.0、I0.1、I0.2、I0.3四个输入端,每当有两个输入“1”,另两个输入“0”时,输出Q0.0就接通。
设计梯形图。
(触点比较电路)10、用S7 200系列PLC 实现对I0.0的一个二分频的程序。
PLC设计题答案1. 画出三相异步电动机即可点动又可连续运行的电气控制线路2. 画出三相异步电动机三地控制(即三地均可起动、停止)的电气控制线路3.为两台异步电动机设计主电路和控制电路,其要求如下:⑴两台电动机互不影响地独立操作启动与停止;⑵能同时控制两台电动机的停止;⑶当其中任一台电动机发生过载时,两台电动机均停止试将以上第3题的控制线路的功能改由PLC控制,画出PLC的I/O端子接线图,并写出梯形图程序4.试设计一台异步电动机的控制电路要求:1)能实现启、停的两地控制;2)能实现点动调整;3)能实现单方向的行程保护;4)要有短路和过载保护5.有两台三相异步电动机M1和M2,要求:1) M1启动后,M2才能启动;2) M1停止后,M2延时30秒后才能停止;3) M2能点动调整试作出PLC输入输出分配接线图,并编写梯形图控制程序6.电机正反转控制线路。
要求:正反转启动信号X1、X2,停车信号X3,输出信号Y2、Y3。
具有电气互锁和机械互锁功能。
7.按钮计数控制,三次亮,再两次灭要求:输入信号X0,输出信号Y08.试用PLC设计满足下图所示波形的控制程序。
要求:写出I/O分配表和控制梯形图(或者指令语句表)。
提示:若I0.0接通则Q0.0接通,若I0.1接通则Q0.1接通20s,然后Q0.0和Q0.1同时断开。
9.设计一工作台自动往复控制程序要求:正反转启动信号X0、X1,停车信号X2,左右限位开关X3、X4,输出信号Y0、Y1具有电气互锁和机械互锁功能10.设计通电和断电延时电路。
X1Y111.用三个开关(X1、X2、X3)控制一盏灯Y0,当三个开关全通,或者全断时灯亮,其它情况灯灭。
(使用比较指令)5秒 5秒12.试用PLC实现对一台电动机的星—三角启动控制。
控制要求:按下启动按钮后电机星形运行,8秒以后自动切换为三角形运行;要求有过载保护。
试写出I/O分配表和控制梯形图。
提示:下面的I/O接线图中,SB0是停止按钮,SB1是启动按钮,FR是热继电器的常开触点,当KM1、KM2吸合时电机为三角形接法,当KM1、KM3吸合时电机为星形接法。
plc编程及应用试题及答案一、选择题(每题2分,共10分)1. PLC编程语言中,梯形图语言的英文缩写是:A. LADDERB. FLOW CHARTC. SEQUENCE FUNCTION CHARTD. STRUCTURED TEXT答案:A2. 下列哪项不是PLC的特点?A. 高可靠性B. 易于编程C. 价格低廉D. 灵活性强答案:C3. PLC的英文全称是:A. Personal Learning ComputerB. Programmable Logic ControllerC. Personal Logic ControllerD. Programming Logic Computer答案:B4. PLC中,输入继电器通常用哪个字母表示?A. MB. IC. OD. T答案:B5. PLC编程时,通常用来表示常闭触点的符号是:A. /B. \C. -D. |答案:B二、填空题(每题2分,共10分)1. PLC的输入/输出接口电路一般采用______型电路。
答案:光电隔离2. PLC的扫描周期包括______、处理用户程序和______三个阶段。
答案:输入采样,输出刷新3. PLC的程序存储器通常采用______存储器。
答案:非易失性4. PLC的输出继电器通常用字母______表示。
答案:Q5. PLC的定时器通常用字母______表示。
答案:T三、简答题(每题5分,共20分)1. 简述PLC的工作原理。
答案:PLC的工作原理是采用循环扫描的方式,首先读取输入设备的状态,然后执行用户程序,最后更新输出设备的状态。
2. PLC在工业自动化中有哪些应用?答案:PLC在工业自动化中的应用包括但不限于生产线控制、过程控制、机器人控制、数据采集与处理等。
3. 什么是PLC的扫描周期?它对系统性能有何影响?答案:PLC的扫描周期是指PLC从读取输入状态到更新输出状态的整个过程所需的时间。
扫描周期越短,系统响应速度越快,但会增加CPU的负担。
1、试设计满足下图所示波形的梯形图程序。
(振荡电路)输入:输出:Q0.04S 2S 3S2、用PLC (S7-200机型)设计程序,实现可以在甲地、乙地、丙地控制一盏灯亮、灭的程序。
(三地控制)3、试用EU 、ED 、R 、S 指令设计满足下图所示波形的梯形图程序。
(10分)输入:I0.0I0.1输出:Q0.04、鼓风机系统一般有引风机和鼓风机两级构成。
当按下启动按钮(SB0)之后,引风机先工作,工作30秒后,鼓风机工作。
按下停止按钮(SB1)之后,鼓风机先停止工作,20秒之后,引风机才停止工作。
两台电机均有过载保护,任一电机过载,两台电机立即停车。
(应用时序法设计定时器的应用)专业班级: 姓 名: 学 号:密 封 线5、S7 200系列PLC编程实现楼梯灯控制,控制要求:上楼梯时,按下按钮SB1,灯HL1亮,2分钟后自动熄灭;下楼梯时,按下按钮SB2,灯HL1也亮2分钟后再熄灭。
(基本延时应用)6、有三台电动机,按下启动接钮后,M1启动,延时30秒后,M2启动,延时40秒后,M3启动;运行30分钟后三台电动机全部停车;在运行过程中按下停止接钮,三台电动机全部停车。
试用S7-200 PLC机型设计其:(1) PLC硬件接线原理图 (7分)(2) PLC控制程序 (8分)7、用一个按钮开关(I0.0)控制三盏灯(Q0.1 、Q0.2 、Q0.3),按钮按三下第一盏灯Q0.1亮,再按三下第二盏灯Q0.2亮,再按三下第三盏灯Q0.3亮,再按一下全灭。
(计数器的基本应用)8、试设计满足下图所示波形的梯形图程序。
(基本延时)输入I0.0:输出Q0.0:9、I0.0、I0.1、I0.2、I0.3四个输入端,每当有两个输入“1”,另两个输入“0”时,输出Q0.0就接通。
设计梯形图。
(触点比较电路)10、用S7 200系列PLC实现对I0.0的一个二分频的程序。
(10分)11、试用S7-200PLC设计满足下图所示波形的梯形图程序。
plc设计试题及答案一、单项选择题(每题2分,共20分)1. PLC的全称是()。
A. 可编程逻辑控制器B. 可编程线性控制器C. 可编程逻辑计算机D. 可编程逻辑电路答案:A2. PLC的编程语言中,梯形图属于()。
A. 汇编语言B. 高级语言C. 机器语言D. 图形化语言答案:D3. 下列哪个不是PLC的基本组成部分?()A. 中央处理单元(CPU)B. 输入/输出模块C. 电源模块D. 显示器答案:D4. PLC的扫描周期主要受()影响。
A. 程序复杂度B. CPU速度C. 程序存储空间D. 输入/输出数量答案:A5. 在PLC中,用于存储用户程序的存储器是()。
A. RAMB. EPROMC. ROMD. EEPROM答案:B6. PLC的输入/输出接口通常采用()方式与外部设备连接。
A. 串行通信B. 并行通信C. 无线通信D. 光纤通信答案:B7. PLC的输出模块中,继电器输出型通常用于()。
A. 直接驱动大功率设备B. 控制小功率设备C. 隔离信号D. 传输模拟信号答案:B8. PLC的输入模块中,光电传感器属于()类型。
A. 模拟量输入B. 开关量输入C. 脉冲量输入D. 频率量输入答案:B9. PLC的编程软件通常提供()功能。
A. 程序下载B. 程序模拟C. 故障诊断D. 以上都是答案:D10. PLC的通信协议中,Modbus协议主要用于()。
A. 以太网通信B. 串行通信C. 无线通信D. 光纤通信答案:B二、多项选择题(每题3分,共15分)1. PLC在工业自动化中主要应用于()。
A. 过程控制B. 运动控制C. 数据处理D. 信息管理答案:AB2. PLC的输入/输出模块可以处理的信号类型包括()。
A. 模拟信号B. 数字信号C. 脉冲信号D. 频率信号答案:ABC3. PLC的编程语言通常包括()。
A. 梯形图B. 功能块图C. 结构化文本D. 汇编语言答案:ABC4. PLC的故障诊断功能可以检测()。
plc设计考试题及答案一、单项选择题(每题2分,共20分)1. PLC的全称是什么?A. 可编程逻辑控制器B. 可编程线性控制器C. 可编程逻辑计算器D. 可编程逻辑计算机答案:A2. PLC中,输入继电器的英文缩写是什么?A. I/OB. MC. XD. Y答案:C3. PLC程序中,哪个指令用于实现常闭触点的功能?A. ANIB. ANDC. ORID. OR答案:B4. PLC中,哪个元件用于存储中间结果?A. 计数器B. 定时器C. 累加器D. 数据寄存器5. PLC中,哪种类型的程序用于处理顺序控制?A. 梯形图B. 功能块图C. 结构化文本D. 顺序功能图答案:D6. PLC的扫描周期主要受哪些因素影响?A. 程序复杂度B. I/O点数C. 内存大小D. 所有以上因素答案:D7. PLC中,哪种类型的I/O模块用于模拟信号的输入?A. 数字量输入模块B. 数字量输出模块C. 模拟量输入模块D. 模拟量输出模块答案:C8. PLC的哪种编程语言允许使用变量和循环结构?A. 梯形图B. 功能块图C. 结构化文本D. 顺序功能图答案:C9. PLC中,哪种类型的定时器用于实现脉冲宽度的测量?B. TOFC. TPD. TE答案:C10. PLC中,哪种类型的计数器用于测量脉冲的个数?A. CTUB. CTDC. CTSD. CTM答案:A二、多项选择题(每题3分,共15分)1. PLC在工业自动化中的主要应用包括哪些?A. 电机控制B. 温度控制C. 物料输送D. 数据处理答案:A、B、C、D2. PLC的输入/输出接口包括哪些类型?A. 继电器接口B. 晶体管接口C. 晶闸管接口D. 光电隔离接口答案:A、B、C、D3. PLC编程时,哪些因素会影响程序的执行效率?A. 程序结构B. 程序复杂度C. 程序中使用的指令数量D. 程序中使用的定时器和计数器数量答案:A、B、C、D4. PLC的哪些特性使其适合于工业环境?A. 抗干扰能力强B. 易于扩展C. 编程方便D. 维护简单答案:A、B、C、D5. PLC的哪些部件是可编程的?A. 输入/输出模块B. 中央处理单元C. 存储器D. 电源模块答案:B、C三、判断题(每题2分,共10分)1. PLC的输出可以直接驱动大功率电机。
plc考试题目及答案一、单项选择题(每题2分,共40分)1. PLC的全称是什么?A. 可编程逻辑控制器B. 可编程线性控制器C. 可编程逻辑计算机D. 可编程逻辑电路答案:A2. PLC的工作原理基于哪种技术?A. 继电器逻辑B. 晶体管逻辑C. 集成电路逻辑D. 微处理器逻辑答案:D3. PLC中,输入/输出模块的作用是什么?A. 存储程序B. 执行程序C. 接收外部信号并控制外部设备D. 显示程序运行状态答案:C4. 下列哪个不是PLC的编程语言?A. 梯形图B. 功能块图C. 顺序功能图D. 流程图答案:D5. PLC的扫描周期是指什么?A. PLC从输入到输出的完整处理时间B. PLC从程序开始到结束的时间C. PLC从程序开始到下一次程序开始的时间D. PLC从输入到输出的最短处理时间答案:C6. PLC的I/O地址通常指的是什么?A. 输入/输出模块的物理位置B. 输入/输出模块的逻辑编号C. 输入/输出模块的型号D. 输入/输出模块的电源电压答案:B7. PLC的存储器中,哪部分用于存储用户程序?A. 系统存储器B. 工作存储器C. 只读存储器D. 数据存储器答案:B8. PLC的输入滤波器的作用是什么?A. 滤除高频噪声B. 滤除低频噪声C. 滤除所有噪声D. 增加输入信号的强度答案:A9. PLC的输出类型中,继电器输出和晶体管输出的主要区别是什么?A. 继电器输出可以承受更高的电压B. 晶体管输出可以承受更高的电流C. 继电器输出可以承受更高的电流D. 晶体管输出可以承受更高的电压答案:C10. PLC的通信接口中,RS-232和RS-485的主要区别是什么?A. RS-232是单向通信,RS-485是双向通信B. RS-232是双向通信,RS-485是单向通信C. RS-232传输距离较短,RS-485传输距离较长D. RS-232传输距离较长,RS-485传输距离较短答案:C11. PLC的故障诊断中,哪项不是常见的故障类型?A. 硬件故障B. 软件故障C. 电源故障D. 人为操作错误答案:D12. PLC的程序下载过程中,哪项操作是不必要的?A. 确保PLC处于停止状态B. 使用正确的通信线缆C. 将程序存储在U盘中D. 使用专用的编程软件答案:C13. PLC的模拟输入模块通常用于测量什么类型的信号?A. 数字信号B. 模拟信号C. 脉冲信号D. 频率信号答案:B14. PLC的中断功能主要用于什么?A. 提高程序执行速度B. 减少程序执行时间C. 响应外部紧急事件D. 增加程序的复杂度答案:C15. PLC的网络通信中,以太网和现场总线的主要区别是什么?A. 以太网用于内部通信,现场总线用于外部通信B. 以太网用于外部通信,现场总线用于内部通信C. 以太网传输速度更快,现场总线传输速度较慢D. 以太网传输距离更远,现场总线传输距离较近答案:B二、多项选择题(每题3分,共30分)16. PLC的主要应用领域包括哪些?A. 工业自动化B. 楼宇自动化C. 交通控制D. 医疗设备答案:ABCD17. PLC的输入设备可以包括哪些?A. 按钮B. 传感器C. 继电器D. 编码器答案:ABCD18. PLC的输出设备可以包括哪些?A. 接触器B. 指示灯C. 电机D. 电磁阀答案:ABCD19. PLC的编程软件通常具备哪些功能?A. 程序编写B. 程序下载C. 程序监控D. 故障诊断答案:ABCD20. PLC的通信协议可以包括哪些?A. ModbusB. ProfibusC. Ethernet。
plc试题库及答案_plc理论基础题库答案_plc基础知识试题及答案1、与电源左母线相连,表示一个逻辑行或程序段的开始,必须用(A)指令。
A、装载B、输出C、串联触点D、并联触点2、“=bit”指令中的bit,不可以是(C)继电器。
A、辅助B、输出C、输入D、变量寄存器3、常开(动合)触点与母线连接的指令是(A)。
A、LDB、LDIC、=D、ANI4、线圈输出的指令是(C)。
A、LDB、LDIC、=D、ANI5、与常开(动合)触点串联的指令是( A )。
A、AB、ANC、LDID、O6、与常闭(动断)触点并联的指令是(C)。
A、AB、ANC、OND、O7、若开关K1接I0.0,K2接I0.1,灯L接Q0.0。
则实现K1通或K2断时,灯L亮,K1断且K2通时,灯L灭的梯形图是(A)。
A、 B、 C 、 D、8、若S7-200 PLC的I0.0接开关K,Q0.0接灯L,则梯形图实现的功能是(B)。
A、K通则灯亮B、K通则灯灭,K断则灯亮C、K断则灯灭D、都不对9、(C)是置位指令的语句表符号。
A、AB、RC、SD、O10、(B)是复位指令的语句表符号。
A、AB、RC、SD、O11、“S Q0.0,3”实现的功能是(B)。
A、将Q0.0置3B、将Q0.0、Q0.1、Q0.2置1C、将Q0.3置1D、将Q0.0、Q0.3置112、“R Q0.1,2”实现的功能是(D)。
A、将Q0.0、Q0.1复位B、将Q0.0、Q0.1置1C、将Q0.1置2D、将Q0.1、Q0.2复位13、置位指令可将除(A)之外的线圈置位。
A、IB、QC、MD、C14、(D)是前沿触发指令的语句表符号。
A、PB、NC、EDD、EU15、(C)是后沿触发指令的语句表符号。
A、PB、NC、EDD、EU16、若使Q0.0在输入脉冲的上升沿到来时只接通一个扫描周期,然后复位。
可在Q0.0前加(D)。
A、NOTB、NC、EDD、EU17、(A)是逻辑结果取反指令的语句表符号。
1 / 11
1、试设计满足下图所示波形的梯形图程序。
(振荡电路)
输入:I0.0 输出:Q0.0
2、用PLC (S7-200机型)设计程序,实现可以在甲地、乙地、丙地控制一盏灯亮、灭的程序。
(三地控制)
3、试用EU 、ED 、R 、S 指令设计满足下图所示波形的梯形图程序。
(10分)
输入:I0.0
I0.1
输出:Q0.0
4、鼓风机系统一般有引风机和鼓风机两级构成。
当按下启动按钮(SB0)之后,引风机先工作,工作30秒后,鼓风机工作。
按下停止按钮(SB1)之后,鼓风机先停止工作,20秒之后,引风机才停止工作。
两台电机均有过载保护,任一电机过载,两台电机立即停车。
(应用时序法设计定时器的应用)
5、S7 200系列PLC 编程实现楼梯灯控制,控制要求:上楼梯时,按下按钮SB1,灯HL1亮,2分钟后自动熄灭;下楼梯时,按下按钮SB2,灯HL1也亮2分钟后再熄灭。
(基本延时应用)
4S
2S
3S
专业班级: 姓 名: 学 号:
密 封 线
2 / 11
6、有三台电动机,按下启动接
钮后,M1
启动,延
时30秒后,M2启动,延时40秒后,M3启动;运行30分钟后三台电动机全部停车;在运行过程中按下停止接钮,三台电动机全部停车。
试用S7-200 PLC 机型设计其:
(1) P LC 硬件接线原理图 (7分) (2) P LC 控制程序 (8分)
7、用一个按钮开关(I0.0)控制三盏灯(Q0.1 、Q0.2 、Q0.3),按钮按三下第一盏灯Q0.1亮,再按三下第二盏灯Q0.2亮,再按三下第三盏灯Q0.3亮,再按一下全灭。
(计数器的基本应用)
8、试设计满足下图所示波形的梯形图程序。
(基本延时)
输入I0.0:
输出Q0.0: S
9、I0.0、I0.1、I0.2、I0.3四个输入端,每当有两个输入“1”,另两个输入“0”时,输出Q0.0就接通。
设计梯形图。
(触点比较电路)
10、用S7 200系列PLC 实现对I0.0的一个二分频的程序。
(10分)
11、试用S7-200PLC 设计满足下图所示波形的梯形图程序。
(定时器计数器的基本应用)
I0.0
I0.1
Q0.0
12、试设计满足下图所示波
10S
5S
形的梯形图程序。
(基本延时)
13、
用两个计数器设计一个定时电路,在I0.0按下10小时后将Q0.0接通。
试用S7-200PLC机型编程(定时器的延时扩展)
14、试用S7-200PLC机型设计一个计50000次的计数器,
输入脉冲信号从I0.0输入,计数满Q0.0动作,Q0.0动作
10分钟后复位。
(计数器的扩展)
31、用S7-200PLC机型设计一延时关灯程序,使得在关
灯按钮按下1分钟后,灯才关闭。
(10分)
15、试用S7-200PLC机型编程实现:输出Q0.0为输入I0.0的四分频。
16、试用S7-200PLC机型编程实现:按下按钮I0.0后,Q0.0接通并保持,150秒后Q0.0自动断开。
(基本延时)
17、用两个定时器设
计一个定时电路,在
I0.0按下4000s后将
Q0.0接通。
试用
S7-200PLC机型编程。
(定时器的延时扩展)
3 / 11
4 /
11
18、用PLC (S7-200机型)设计程序,实现1+2+……+100=? (10分)
19、设计用S7-200 PLC 控制一仓库的库存量显示程序,该仓库最多存货6000箱,需对
所存的货物的数量进行统计。
货物5000~5999箱时红灯Q0.0亮,货物少于1000箱时绿灯Q0.1亮,1000-4999箱时黄灯Q0.2亮,存货满时三盏灯全亮。
已知货物的数量存放在VW0中。
(10分)
20、用S7 200系列PLC 编程实现八盏灯单通循环控制。
要求:按下启动信号I0.0,八盏灯(Q0.0 ~ Q0.7)依次循环显示,每盏灯亮1秒时间。
按下停止按钮I0.1,灯全灭。
(10分)
5 /
11
21、电动机正反停控制:压下正转启动按钮I0.0,Q0.0驱动电动机正转;压下反转启动按钮I0.1,Q0.1驱动电动机反转;压下停止按钮I0.2,电动机停止。
要求:正转/反转可任意切换,有过载保护。
试用S7-200 PLC 机型设计其: (1) 硬件接线原理图 (7分) (2) PLC 控制程序 (8分)
6 /
11
21、电动机点动+连动控制:压下点动按钮SB1,电动机运行,松开SB1,电动机停止运行;压下连动按钮SB2,电动机运行,只有压下停止按钮SB3,电动机停止;电动机工作在连动方式时,按点动按钮,电动机切换到点动工作。
当电动机FR 出现过载时,电动机停止。
试设计用PLC (S7-200机型)控制的 (1) 硬件接线图 (7分)
(2) 控制程序。
(8分)
23、两台电动机M1、M2,要求:启动时按下启动按钮SB1,M1启动→20秒后M2启动;停车时按下停止按钮SB2,M2停车→10秒后M1停车;每台电动机都有过载保护,当任一台电动机过载时,两台电动机同时停车。
试用S7-200 PLC 机型设计其:
(1) 硬件接线原理图 (7分) (2) PLC 控制程序 (8分)
24、
右图所
示为三
相笼型
异步电
动机串
自耦变
压器降
压启动
继电接
触器控
制系
统图。
试
设计用
PLC
(S7-20
0机型)控制的
(1) PLC硬件接线图(7分)
(2) PLC控制程序。
(8分)
7 / 11
25、有三台电动机,按下启动接钮后,M1启动,延时30秒后,M2启动,延时40秒后,M3启动;运行30分钟后三台电动机全部停车;在运行过程中按下停止接钮,三台电动机全部停车。
试用S7-200PLC机型设计其:
(1) P LC硬件接线原理图(7分)
(2) P LC控制程序(8分)
26、右图所示为某生产机械工作台在一定距离内能自动往返的继电-接触控制系
8 / 11
统图,试用S7-200PLC机型设计其:
(1) 硬件接线原理图(7分)
)
(2) P LC控制程序(8分
(1) P LC硬件接线原理图(7分)
(2) P LC控制程序(8分)
28、试设计3台电动机PLC控制系统。
按下起动按钮,3台电动机每隔2分钟依次起动,最后一台电动机起动后3台电动机一起运行30分钟之后全部停止。
中途按停止按钮,3台电动机一起停车。
控制3台电动机的接触器分别为KM1、KM2、KM3。
试用S7-200PLC机型设计其:
(1) P LC硬件接线原理图(7分)
(2) P LC控制程序(8分)
2、送料车如下图所示,该车由电动机拖动。
电动机正转,车子前进;电动机反转,车子后退。
对送料车的控制要求为:
按启动按钮,预先装满料的车子便从SQ1处
自动前进,到达卸料处(sQ2)自动停下来卸料,经延时
1min时间后,卸料完毕,车子自动返回装
9 / 11
料处(SQ1),3min时间后,装满料待命。
中途按停止按钮,小车立即停。
29、下图所示为绕线型电动机转子串频敏变阻器起动继电接触器控制系统图。
试用S7-200 PLC机型设计其:
(1) 硬件接线原理图(7分)
(2) P LC控制程序(8分
10 / 11
PLC 设计题(有14道题的答案)
30、设计两台电动机顺序控制PLC系统。
控制要求:两台电动机相互协调运转,M1运转10S,停止5S,M2要求与M1相反,M1停止M2运行,M1运行M2停止,如此反复动作3次,M1和M2均停止。
试用S7-200PLC机型设计其:
(1) 硬件接线原理图(7分)
(2) P LC控制程序(8分)
31、试设计3台电动机PLC控制系统。
按下起动按钮,第一台电动机起动10S后,第二台电动机自动起动,运行5S后,第一台电动机停止,停止2S 后,第三台电动机自动起动,运行15S后,电动机全部停止。
控制3台电动机的接触器分别为KM1、KM2、KM3。
试用S7-200PLC机型设计其:
(1) P LC硬件接线原理图(7分)
(2) P LC控制程序(8分)
32、将右图继电器控制系统改造为PLC控制系统。
试用S7-200PLC机型设计其:
(1) 硬件接线原理图(7分)
(2) P LC控制程序(8分)
11 / 11。