浆液循环泵检修文件资料包
- 格式:doc
- 大小:253.00 KB
- 文档页数:22
贵州华电大龙发电有限公司N300MW发电机组循环水泵检修文件包设备编号:# 机组循环水泵批准:审核:初审:编写:方毅2007年12月01日文件包目录2344.14.24.4567899.19.2101112概述为认真贯彻执行《贵州华电大龙发电有限公司设备检修管理办法》、《发电厂检修规程》和“预防为主、计划检修”的方针,进一步加强检修管理工作,坚持应修必修、修必修好的原则,确保设备检修质量,实现设备检修的闭环管理,特制定设备检修文件包,来指导设备检修管理工作。
1.编制说明1.1 本文件包包容了“设备检修申请页、设备检修准备、设备检修质量控制实施计划、检修过程危险点分析及预防措施、设备检修工序及质检点以及设备检修数据记录、缺陷报告、不符合项报告”等内容,为设备实现全过程检修、质量监督提供软件支持。
1.2本文件包适用于N300MW机组1600KLA-27型循环水泵的标准大修及类似于大修性质的抢修。
1.3 本文件包的计划消耗材料根据《发电设备标准大修材料消耗》编制。
1.4 本文件包的危险点分析及防范措施根据《电业安全工作规程》、《现场安全规程》并结合现场施工情况编制而成。
1.5 本文件包的设备检修工序及质检点根据《N300-16.7/537/537-8汽轮机检修工艺规程》、《贵州华电大龙发电有限公司检修管理标准》及《发电企业检修导则》编制而成。
1.6 本文件包的不符合项管理按照厂颁《不符合项管理程序》执行。
1.7 本文件包需经生产技术部审核,由生产副总经理或总工批准后方可使用。
2、编制目的2.1 规范检修行为、程序管理,实行检修全过程监督,确保循环水泵修后符合要求。
2.2 为检修提供安全、质量、组织、管理程序。
2.3 为各级质量验收、管理人员提供参考依据。
3.确保目标3.1 确保循环水泵全过程检修无不安全因素发生。
3.2 确保循环水泵检修项目的验收率、合格率为100%,质量评价为“优秀”。
3.3 实现循环水泵修后一次性启动成功,达到180天无临修。
浆液循环泵检修稿件以浆液循环泵检修为主题的文章一、引言浆液循环泵是一种常见的工业设备,广泛应用于化工、石油、造纸等领域。
由于长时间运行和恶劣的工作环境,浆液循环泵往往需要定期检修和维护,以确保其正常工作和延长使用寿命。
本文将介绍浆液循环泵的检修方法和步骤。
二、检修前准备1. 确定检修计划:根据浆液循环泵的使用情况和维护记录,制定检修计划,包括检修时间、工作量和所需材料等。
2. 停机准备:在进行检修之前,需要先停机并切断电源,确保安全。
同时,准备好所需的工具和个人防护装备。
三、检查泵体和密封件1. 检查泵体:首先检查泵体是否有明显的损坏或裂纹,如果有,需要进行修复或更换。
2. 检查密封件:检查泵的密封件,包括轴封、填料密封等,是否有磨损或老化现象。
如有问题,需及时更换。
四、清洗和更换润滑油1. 清洗泵体:使用清洗剂和刷子清洗泵体内部,清除污垢和沉积物,确保泵内干净。
2. 更换润滑油:将泵体内的旧润滑油排空,并根据规定添加新的润滑油,以确保泵的正常润滑和运转。
五、检查轴承和轴套1. 检查轴承:检查轴承是否有松动、腐蚀或磨损现象,如有问题,需要进行维修或更换。
2. 检查轴套:检查轴套的磨损情况,如有需要,进行修复或更换。
六、检查电机和电气设备1. 检查电机:检查电机的连接线路和绝缘情况,确保电机正常工作。
如有问题,需要进行维修或更换。
2. 检查电气设备:检查电气设备的工作状态和接线情况,确保其安全可靠。
七、组装和调试1. 组装泵体:根据拆卸时的记录和顺序,将泵体组装好,确保各部件安装正确,紧固螺栓适当。
2. 调试泵体:重新连接电源,启动泵体,并观察其运转情况。
如有异常,需要及时排查和处理。
八、检修记录和维护1. 记录检修情况:将检修过程中的关键步骤和发现记录下来,包括问题、处理方法和结果等。
这些记录有助于今后的维护和排查故障。
2. 做好维护工作:检修完成后,及时清理工作现场,对泵体进行保养和维护,以延长其使用寿命。
丹东金山热电有限公司编号:WW.JXWJB.103—2014脱硫浆液循环泵检修文件包设备名称:浆液循环泵设备维护部外围专业2013年12月 5 日浆液循环泵文件包检修文件包检修文件包目录页码:02/14检修文件包目录检修作业概况 (3)检修作业准备 (5)安全技术措施 (8)检修作业程序 (9)检修作业结束 (11)设备质量缺陷报告(QDR) (12)检修作业记事 (13)不符合项报告 (15)检修文件包检修作业概况页码:03/14人员构成项目负责人:主要成员:位置#2吸收塔浆液循环泵房工日预计工日:实际工日:费用预计费用:实际费用:适用范围丹东金山热电股份公司浆液循环泵检修作业修前状况分析及对策检修文件包检修作业概况页码:04/14设备检修质量控制实施计划检修性质检修负责人质量控制点W:2 H1:1名称序号检修项目控制点技术监督项目1 泵体及泵盖无砂眼、裂纹,结合面光洁、无伤痕。
2 叶轮无汽蚀、冲刷磨损及裂纹等缺陷。
W-13 滚动轴承无麻点、洼坑及磨损。
W-24 测量叶轮与密封环间隙5 轴表面光滑,无锈蚀、裂纹等缺陷。
6 测量轴弯曲7 叶轮晃度。
8 浆液循环泵电机找正H1检修文件包检修作业准备页码:05/141、人员准备:单位:工日序号检修项目检修工火焊工起重工计划实际计划实际计划实际1 泵解体2 检修3 回装4 马达找正5 试转合计2、材料、备品配件准备:序号名称型号单位计划用量实际用量1 石棉板δ=0.5mm 公斤102 密封胶1587 筒 13 铜皮δ=0.05mm 公斤 14 铜皮δ=0.10mm 公斤 25 铜皮δ=0.20mm 公斤 26 铜皮δ=0.50mm 公斤 27 擦迹布公斤208 清冼剂乐泰790 筒 19 青壳纸δ=0.25mm 公斤 510 煤油公斤 511 机械密封套 112 骨架密封个 213 胶皮δ=5mm 公斤10014 螺栓松动液瓶2415 轴封水冷却水管套 616 O型圈根 317 润滑油600XP220 L 450检修文件包检修作业准备页码:06/143、工器具准备:序号名称规格型号单位计划用量实际用量1 活扳手450mm 个 12 活扳手300mm 个 13 绳扣根 24 手锤10磅把 25 平扳刮刀300 个 26 对轮抓个 17 紫铜棒φ30×300 根 18 梅花扳手22—24 个 29 梅花扳手17—19 个 210 梅花扳手24—27 个 211 手拉葫芦5T 个 112 手锤 2.5磅个 113 百分表0-10mm 套 314 游标卡尺0-300mm 把 115 塞尺100×3 把 116 扁铲300mm 把 117 撬棍根 218 梅花扳手32—34 个 24、技术资料准备:编号名称图号份数落实情况(√)1 脱硫设备检修规程 1检修文件包检修作业准备页码:07/145、检修场地准备:□认真做好专用工具、检修材料的准备工作。
浆液循环泵检修稿件引言:浆液循环泵是一种用于输送浆液的泵,广泛应用于矿山、冶金、化工等行业。
为了确保浆液循环泵的正常运行,定期进行检修是必要的。
本文将介绍浆液循环泵的检修步骤和注意事项。
一、检修步骤:1. 断电并排空泵内浆液:在进行检修前,首先要切断电源,并将泵内的浆液排空,以确保操作的安全性。
2. 拆卸泵体和旋转部件:将泵体的各个零部件进行拆卸,包括进出口管道、叶轮、轴承等。
在拆卸过程中,需要注意记录每个零部件的位置和状态,以便后续的组装工作。
3. 清洗泵体和旋转部件:使用适当的清洗剂清洗泵体和旋转部件,去除泵内的污垢和沉积物。
清洗过程中应注意使用软刷和清洗剂,以避免对零部件造成损坏。
4. 检查零部件的磨损程度:对拆下来的零部件进行仔细检查,特别是叶轮和轴承等易损耗的部件。
如发现磨损严重的零部件,需要及时更换,以确保泵的正常工作。
5. 进行零部件的维修或更换:根据检查的结果,对需要维修的零部件进行相应的处理,如磨削、焊接、涂覆等。
对于严重磨损或损坏的零部件,应及时更换,以保证泵的稳定性和安全性。
6. 组装泵体和旋转部件:在完成维修或更换后,将泵体和旋转部件进行组装。
组装过程中应注意合理安装各个零部件,确保其位置和配合间隙的准确性。
7. 进行泵的试运行:在完成组装后,接通电源进行泵的试运行。
观察泵的运行情况,检查是否存在异常噪音、泄漏等问题。
如发现异常情况,应及时停机检查,直到问题解决为止。
二、注意事项:1. 检修过程中要注意安全:在进行浆液循环泵的检修时,一定要切断电源,并排空泵内的浆液,以避免电击和溅射等安全风险。
2. 记录检修过程的细节:在检修过程中,应详细记录每个步骤的细节,包括拆卸顺序、清洗方法、维修或更换的零部件等。
这些记录将有助于后续的维护工作和故障排除。
3. 注意使用适当的工具和清洗剂:在拆卸和清洗过程中,应选择适当的工具和清洗剂,避免对零部件造成损坏或污染。
4. 定期检修浆液循环泵:为了确保浆液循环泵的正常工作,建议定期进行检修,以及根据使用情况进行必要的维护工作。
300MW机组脱硫吸收塔循环泵检修文件包1范围本指导书适用于MHT600-600-800循环泵A级检修工作2本指导书涉及的文件、技术资料和图纸根据MHT600-600-800循环泵使用说明书编写(杭州碱泵)3安全措施3.1严格执行《电业安全工作规程》。
3.2循环泵检修前必须确认动力源已切断、系统停用、泵排水完毕等安全措施已经执行。
3.3拆开的管路、法兰等敞口部位要牢固的堵板,防止杂物掉入。
3.4行车起吊,必须有专业人员指挥、监护,起吊设备时起重臂下严禁站人,起吊重物前检查起重工器具是否符合载荷要求,起吊物件要绑扎牢固、起吊平稳。
3.5使用电动工器具必须配用漏电保护器并带绝缘手套。
3.6高空作业应使用工具带、安全带或防坠器。
3.7检修现场严禁吸烟,一经发现严格处理。
3.8检修时所有工作人员要认真负责,杜绝带情绪和饮酒后作业。
3.9起吊时应加查所用的吊链应完好、无损,并符合载荷要求。
检查倒链有无滑链现象。
3.10循环泵检修完毕时,认真检查循环泵及管路、滤网内无任何异物。
3.11每天开工前工作负责人向工作班成员及民工交代安全注意事项,工作结束后,总结当天的安全工作情况。
4备品备件准备5现场准备及工器具准备W15.2工作准备□在检修作业现场地面铺好胶皮,做好作业区的物理隔离。
□开工前组织工作成员学习作业文件,对成员进行分工,并进行安全和技术交底,工作组成员应熟知工作内容及危险点的控制措施,掌握本作业指导书全部内容。
项目签证程序W25.3办理相关工作票□办理相关热力机械工作票、动火工作票、起重作业票办理。
□检修负责人与运行人员共同确认工作票安全措施确已执行。
□检查验证工作票、作业票。
□确认各种作业票办理完毕。
项目签证程序126检修工序及质量标准检修工艺流程图计划工日 工艺流程22055 至下次检修 6.1 循环泵检修前准备工作 □ 检查管道内有无浆液,及时排放冲洗。
□ 检查起吊行车是否完好。
□ 将现场清理,铺好胶皮或大布,以便摆放零部件及工器具。
循环水泵检修文件包 WTD standardization office【WTD 5AB- WTDK 08- WTD 2C】15MW机组检修文件包鑫玛通河热电有限公司#1循环水泵检修单位负责人检修工作负责人检修技术负责人检修时间:年月日至年月日15MW 机组检修程序循环水泵检修编制审核批准年月日版次1********辅助设备修后再鉴定申请表设备再鉴定组:今有所属工作负责人检修的设备已完成程序文件的要求的检修任务,设备已恢复至可以投入运行状态,文明生产工作已经做好,检修程序文件已填写齐全,可以进行修后再鉴定工作,请安排于进行再鉴定,我方设备检修工作负责人和质量控制人员将准时到达再鉴定现场。
请答复。
谢谢!检修单位:。
再鉴定组收到时间:,接收人:再鉴定组答复时间:,批准人:********辅助设备修后再鉴定申请表设备再鉴定组:今有所属工作负责人检修的设备已完成程序文件的要求的检修任务,设备已恢复至可以投入运行状态,文明生产工作已经做好,检修程序文件已填写齐全,可以进行修后再鉴定工作,请安排于进行再鉴定,我方设备检修工作负责人和质量控制人员将准时到达再鉴定现场。
请答复。
谢谢!检修单位:。
再鉴定组收到时间:,接收人:再鉴定组答复时间:,批准人:检修总结报告单位年月日,1检修工期:计划:年月日到年月日,共计:天实际:年月日到年月日,共计:天2人工:计划:工时,实际:工时。
3检修费用:计划:万元,实际:万元。
4备品备件、材料消耗情况:5检修中进行的主要工作:6检修中发现并消除的主要缺陷:7设备的变更或改进情况,8质量控制点执行情况:9尚未消除的缺陷及未消除原因:10验收意见和评价:11其他:不合格品报告处置单不合格品评审记录。
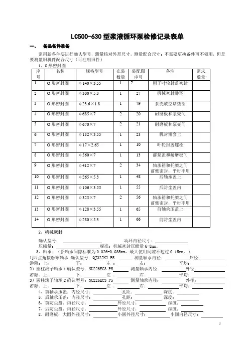
LC500-630型浆液循环泵检修记录表单一、备品备件准备需用新备件要进行确认型号,测量核对外形尺寸,测量配合尺寸;不需要更换备件可不领用,但是要测量旧机件配合尺寸(可注明旧件)2、机械密封确认型号:动环内径尺寸:压缩量:标准:机械密封压缩量6-8mm。
3、轴承:(新轴承间隙标准为0.026-0.035mm,最大使用间隙不超过0.15mm。
)1)四点角接触球轴承,确认型号:QJ322N2 P5 测量轴承内径:外径:游隙:上:下:左:右:平均:2)圆柱滚子轴承1确认型号:NU226EC3 P5 测量轴承内径:外径:游隙:上:下:左:右:平均:3)圆柱滚子轴承2确认型号:NU226EC3 P5 测量轴承内径:外径:游隙:上:下:左:右:平均:4、前轴承压盖:内径尺寸:孔距:深度:5、后轴承压盖:内径尺寸:孔距:深度:6、前防尘盘:内径尺寸:外径尺寸:深度:7、后防尘盘:内径尺寸:外径尺寸:深度:8、耐磨板:大圆外径尺寸:小圆外径尺寸:小圆内径尺寸:19、前泵盖:内径尺寸:外径尺寸:内径深度:10、后泵盖:内径尺寸:外径尺寸:内径深度:11、叶轮:内径:键槽深度:厚度:12、叶轮封盖:外径尺寸:孔距:13、机封短套:外径尺寸:内径尺寸:14、轴:长度:轴承安装处直径:、、机封安装处直径机封短套处直径:叶轮安装处直径:叶轮安装键槽深度:前防尘盘安装直径:后防尘盘安装直径:背轮安装直径:背轮键槽深度:15、键:叶轮键1:长度:厚度:宽度:叶轮键2:长度:厚度:宽度:背轮键:长度:厚度:宽度:二、工作中需要测量的数据1、拆卸时原始数据□拆卸入口伸缩节时,测量耐磨板和叶轮间隙:标准:1-3mm□叶轮的拆卸前,测量叶轮和后泵盖之间间隙:标准:2-3mm2、回装过程□测量轴的弯曲度。
标准±0.03。
□测量轴承与轴的配合尺。
紧力或间隙:、、(紧力为+,间隙为-)标准:最大紧力0.012mm,最大间隙0.011mm。
工序1 修前准备
1.1 文件准备
□检修文件准备齐全、有效
1.2 工器具、备品备件准备
□工器具检查合格,测量仪器校验合格证齐全、有效
□备品备件检查准备齐全,规格、型号准确
1.3 检修场地准备
□检修隔离边界已设立,检修场地准备完成
工序2 办理工作票
□领取工作票。
□核对工作票安全措施已正确执行。
□系统电源交工作负责人管辖。
工序3 脱硫循环泵外围连接部件拆卸
□正确办理好工作票,确认各项安全措施已经执行。
□放尽轴承箱体润滑油并联系热工人员拆卸温度测点。
□拆下靠背轮安全罩螺丝,取下安全罩。
□解开对轮螺栓,对靠背轮作好永久标记。
□按顺序拆开进、出口法兰及其连通管道,取下泵体入口大小头。
□检查叶轮和与之对应的密封环磨损情况,用锲型塞尺测量两者之间的径向间隙,若间隙超过所给的围,应重新配置口环或做必要的处理。
□拆卸对轮前用吊索牢固绑扎中间连接短节,用电动葫芦起吊,防止最后一条螺栓拆卸后联轴器短节跌落,砸伤人员和地板。
□拆卸循环泵进出口短节时,正确使用安全带,防止高空跌落。
工作人员协调良好,由专业起重工捆扎绳索,防止起吊过程重物跌落。
□起吊重物时禁止下方站人,放置在定制位置,做好可靠隔离。
工序4 脱硫循环泵抽转子
□拆卸循环泵托架的四条连接螺栓,放置在规定位置,螺栓和螺母最好连接在一起。
□将轴承箱承力侧端的固定螺栓从泵壳上拆卸,将定位螺栓螺母从泵壳上取下来。
□利用轴承箱顶部的吊环做好起吊准备,轴承箱承力侧使用2吨以上钢丝绳固定,推力侧使用2吨的手拉葫芦固定,挂在电动葫芦钩上。
□利用泵壳端盖顶丝孔,用螺栓将转子从泵壳中顶出来,并用电动葫芦吊出放在指定检修位置。
□取下转子螺母、锁紧螺母。
安装好叶轮拆卸专用工具后,为了防止叶轮损坏,用橡胶板包住叶轮。
用行车吊住叶轮,手动打压液压泵,卸下叶轮,并取下键。
拆出轴套(如果必要,使用拔轮器或加热法拆卸)
□将机械密封锁片放在专用的位置上锁紧。
接着松开夹头螺栓取下机械密封螺栓。
用顶丝从叶轮侧将机械密封整套拆卸下来。
□测量轴头径向跳动值,不超过0.05MM。
若超过规定标准,则进行直轴处理。
轴颈和叶轮配合处,椭圆度不得大于0.05mm,若超出标准则喷镀处理或作相应的技术解决。
工序5 零部件的清理和检查
□检查叶轮是否有磨蚀气蚀现象,特别是叶片的端部和中前部。
若有冲蚀沟槽、孔洞,视冲蚀情况而定是否更换叶轮,或做叶轮防磨涂层。
□检查轴套有无磨损和损坏,有损坏或轴套磨损量超过1mm,予以更换。
□轴承用汽油清洗,有污垢和铁锈杂物要用毛刷清除干净。
轴承滚道及滚珠无蚀斑、麻点、磨损、划痕,游隙≤0.20MM,否则更换新轴承。
□检查轴表面的光洁度和弯曲度情况,不符合要求的则给予处理或更换。
□把轴承箱垂直放置,承力侧向下,松开两侧的端盖,把轴从推力侧抽出来。
□轴承箱清理。
用面粉对水,保持适当粘度。
用面团清理轴承箱,把杂质和油污彻底清理干净。
工序6 循环泵的回装
□把三盘轴承依次加热后装配到轴上,对应的轴套也要加热回装。
□油封更换为新的,油封回装前涂抹润滑脂。
□转子轴向窜量≤0.2mm,如果超出标准给予调整。
□转子回装后,给轴承涂抹少量洁净的润滑油,盘车要求灵活。
□将机械密封连同轴套装好,然后穿在轴上,并用密封压盖固定之。
□装入框架板衬套。
框架板衬套装入到盖板时,需要较大的力,在盖板衬垫与盖板接触的部分涂上工业用润滑油脂后装入。
□用拆装专用工具把叶轮键及叶轮装在泵轴上;拧紧叶轮螺母。
□以上组装均按照拆卸的反顺序将各零部件回装至泵壳上。
工序7 联轴器找正
□找泵-电机找中心时,电机及风机侧联轴器测量的数值,作为参考数值,决定电机左右移动。
符合标准后,开始装上联轴器螺丝及防护罩。
装上联轴器螺栓。
装上联轴器防护罩。
工序8 试运行
□泵所有检修工作结束后,结束工作票,联系运行人员进行试运行。
□检查泵运行情况:无异常声音
□测量泵振动值≤0.08mm;
□电流正常平稳;
工序9 不符合项关闭
□不符合项关闭
工序10 清理现场、终结工作票
□清理现场卫生,运回专用工具
□终结工作票
工序11 品质再鉴定
□品质再鉴定
工序12 质量安全计划
□确认所有工作结束,关闭质量安全计划。