风电场检修文件包格式
- 格式:doc
- 大小:182.00 KB
- 文档页数:15
风电机及台变检修、维护安全施工作业票范本作业票编号:作业日期:施工单位:施工负责人:作业地点:作业内容:1. 检修台变2. 维护风电机作业人员:1. 电工:姓名,工号,岗位2. 技术员:姓名,工号,岗位3. 引导员:姓名,工号,岗位4. 安全员:姓名,工号,岗位作业工具:1. 扳手2. 电钳3. 螺丝刀4. 电线剥皮器5. 绝缘胶带6. 隔离开关7. 绝缘手套8. 头盔9. 工作手套施工安全措施:1. 操作前,必须穿戴好个人防护装备。
2. 作业前需与现场领导进行安全交底,明确施工要求和风险防范措施。
3. 施工现场必须设置警示标志,确保安全区域的划定。
4. 要保持施工现场的整洁和通行畅通,杜绝乱堆乱放。
5. 施工现场应设置灭火器和应急照明设备。
6. 严禁酒后作业,操作人员需要保持清醒状态。
7. 施工人员必须遵守操作规程,严禁违章操作。
8. 施工完成后,清理现场,恢复正常。
作业流程:1. 检修台变a. 切断电源,关闭主接触器。
b. 检查线路是否上电,并确认无电后,使用绝缘电源工具进行拆卸。
c. 根据维护手册的要求,对台变进行检修和维护。
d. 完成检修后,重新安装台变,按照规范连接电器设备。
e. 进行带电试运行,确保台变正常工作。
2. 维护风电机a. 穿戴好个人防护装备,切断电源,关闭主接触器。
b. 检查风电机叶片、主轴、齿轮箱等部件的磨损情况,并进行维护和更换。
c. 检查风电机塔基及基础固定情况,进行维护修补。
d. 检查风电机的发电效率,并进行调整和优化。
e. 完成维护工作后,重新启动风电机,并进行带电试运行,确保正常工作。
施工注意事项:1. 在操作过程中,必须严格按照操作规程要求进行操作,确保人员安全和设备正常运行。
2. 在拆卸和安装过程中,应注意控制力度,避免对设备造成损坏。
3. 在进行带电试运行前,必须进行安全检查,确保设备无故障和隐患。
4. 在施工现场应设置警示标志,确保施工安全。
5. 作业前应进行安全交底,明确工作任务和风险防范措施。
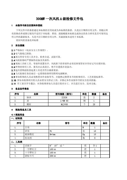
300MW一次风机A级检修文件包1本指导书涉及的资料和图纸下列文件中的条款通过本标准的引用而成为本标准的条款。
凡是注日期的引用文件,其随后所有的修改单或修订版均不适用于本标准,然而,鼓励根据本标准达成协议的各方研究是否可使用这些文件的最新版本。
凡是不注日期的引用文件,其最新版本适用于本标准。
密封风机设备技术标准2安全措施2.1严格执行《电业安全工作规程》。
2.2电气接线已拆除。
2.3清点所有专用工具齐全,检查合适,试验可靠。
2.4风机检修时严禁损伤设备及其部件。
2.5现场工具柜工具、零部件放置有序,风机拆下的零部件必须妥善保管好并作好记号以便回装。
2.6所带的常用工具、量具应认真清点,绝不许遗落在设备内。
2.7起吊重物前检查起重工具是否符合载荷要求。
2.8当天检修任务结束后一定要将检修所用照明电源断掉。
2.9参加检修的人员必须熟悉本作业指导书,并能熟记熟背本书的检修项目,工艺质量标准等。
2.10参加本检修项目的人员必需安全持证上岗,并熟记本作业指导书的安全技术措施。
2.11开工前召开专题会,对各检修参加人员进行组内分工,并且进行安全、技术交底。
3备品备件准备4现场准备及工具W14.2工作准备□工器具已准备完毕,材料、备品已落实。
□检修地面已经铺设防护胶片,场地已经完善隔离。
□作业文件已组织学习,工作组成员熟悉本作业指导书内容。
W24.3办理相关工作票□已办理工作票及开工手续。
□动火工作票办理完毕。
□检查验证工作票。
□工作人员的着装应符合《安规》要求,衣物中不准携带与工作无关的零星物件,带入的工具应做好记录,工作完须检查工具与记录是否相符。
项目签证程序W31.1联轴器解体检修(此数据根据成都电力机械厂产品说明书)□拆下联轴器保护罩,松下联轴器螺母与柱销。
摆放整齐。
□测量对轮的轴向间隙与径向误差,记录好,并做好回装标记。
两对轮轴向间距3—10mm,轴向、径向误差不大于0.08mm。
□检查对轮与轴的配合是否松动,对轮表面应无裂纹变形。
1X X X X X X XX修前准备页:3/17 设备编码:序 号准备项目名称及具体要求检査 结果项 目 负责 人 签 字人员准备序 号 工种 职称 名额1锅炉辅 机检修工高级 工1人□( ) 2锅炉辅 机检修工中级 工2人□( ) 3 焊 工2人□( ) 4起 重工2人□( )匸器具准备 序 号称规 格单 位 数 量1活扳手12 把 6□( ) 2螺 丝 刀300 mm把 2□( )一般工具注:本页由作业负责人填写,施工单位项H负责人验收,并在开工前逐页检查, 达到要求的在"内打",并标明日期和时间。
"()”内填写检查落实时间。
检修技术记录卡页:11/17 设备编码:质检点工序名称标准值修刖实际值或简图确认人确认人E注:根据需要可另附简图,也可采用其他形式(如试验报告)。
注:此单山施工方提岀申请,主要指山于客观原因无法达到技术标准和无法完全执 行作业标准的项LI 。
空试电机,测量振动:联轴器连接后,试运风机,测量轴承振动及轴承温度。
一、注意事项:1、设备确实已具备试运条件。
2、试运行时,设备启动时检修及运行人员必须到现场,待设备运行稳定后,交由运行人员定期检查检测。
试 运 行 范 及 注 意 事 项试运行情况:空试电机,测量振动;联轴器连接后,试运风机,测量轴承振动及轴承温度。
试运行:二、试运行前运行人员检查确认情况(确认打V):1、相关工作票已全部收回,设备均已送电。
()2、启动前的检查工作已结束,检查均合格,无影响设备启动和运行的缺陷。
()3、人员已全部撤离到安全场所。
()三、空试电机:电机运行方向是否与风机运行方向一致:_________ ;电流:___________ ;电机振动值:__________________________________ ,是否合格: ______ 。
试运行结果: □合格□不合格□让步需要改进的标准(包括丄时和消耗修理)(注:文档可能无法思考全面,请浏览后下载,供参考。
检修程序---维护记录
xx 风电
xx风机
定检工作文件包
版次:A
年月前检修使用有效
设备检修前状况
检修情况说明
设备检修异常情况描
述
检修专工意见
检修异常报告单
签名:
运行专工意见
签名:
报告人
报告人签名日期
班组
检修专工
检修异常报告关闭单
XX风机
定检工作文件包
版次:A
年月前检修使用有效
设备检修异常
处理措施
设备修后健康
状况分析
设备检修异常处理措施是否得当:是口,否口。
设备检修异常处理是否得当:是口,否口。
关闭人签名日期
检修班组
关闭人
设备检修质量后评估
xx 风电
XX 风机 定检工作文件包
版次:A
年 月前检修使用有效。
*** 电厂检修文件包
编号:Q/WYJX.ZY.RK066-2010 #1机组大机TSI控制系统A(B/C)级修
设备部主管:
专业组长:
工作联系人:
检修承包商:
检修负责人:
计划检修时间: 2011/4月 8 日—— 2011/6 月 15 日
****发电责任有限公司
2011 年 2 月 2 日
2537383255.doc Page4
2537383255.doc Page5
2537383255.doc Page6
说明:对不是质检点的工序,检修负责人,可自行在“□”内打“√”,无须签字,即可进行下道工序。
电缆绝缘检查表
审核人:检查人:日期:年月日
附件一(可选)不符合项通知及处理单
检修承包商:检修工作负责人:页码:14/17不符合项事实陈述
检修单位负责人(签字):
日期:年月日
纠正、预防措施:
返工返修让步接受报废设备部诊断师(签字):
日期:年月日纠正、预防措施意见:
同意不同意设备部(签字):
日期:年月日
纠正、预防措施完成情况:
检修负责人(签字):日期:年月日
纠正和预防措施验证意见:监理(签字):
日期:年月日纠正和预防措施验证意见:设备部点检(签字):
日期:年月日
附件二(可选)项目调整申请单
附件三(可选)****发电有限有限责任公司
重大问题反馈表
附件四 (可选):文件包修改记录。
检修文件包编制使用导则1 检修文件包的组成1.1 检修文件包包括以下固定内容:1.1.1 封面1.1.2 检修文件包编审表1.1.3 检修文件包清单1.1.4 检修工作任务单1.1.5 修前准备卡1.1.6 检修工序卡1.1.7 检修技术记录卡1.1.8 设备试运记录1.1.9 完工报告单1.2 检修文件包包括以下选择内容:1.2.1 不符合项通知及处理单1.2.2 检修项目调整申请单1.2.3 检修文件包修改记录2 检修文件包编制内容及使用方法:检修文件包中的“□”为选择项或应检查确认的项目。
对选择项,检修负责人或设备专业主管根据实际情况选择,在“□”中用“✓”标记;对于应检查确认的项目,由工作负责人在确认完成后在“□”中用“✓”标记进行下一步。
2.1 封面2.1.1 第二行为文件包编号,也是文件包的受控编号。
第一组字母“SDXX”为公司代号,后两个字母由各生产单位所在地名简称拼音的第一个大写字母组成,萨拉齐电厂(GJW);第二组字母“XX”为专业代号,由专业名称的第一个大写字母组成,汽机(QJ)、锅炉(GL)、电气(DQ)、热控(RK)、燃运(RY)、除灰(CH)、脱硫(TL)、化学(HX);第三组数字“000/00”为该专业文件包的序号,序号为流水号,编排原则:XXX是文件包种类编号,YY是同类设备编号,如:一级凝结水泵文件包的序号为008,#2(B)一级凝结水泵的检修文件包编号为008/02。
2.1.2 第三行为检修设备名称,设备名称应使用全称。
2.1.3 第四行为设备的KKS码。
2.1.4 第五、六、七、八行为签字部分,“设备专业主管”是生产技术部。
2.1.5 第九行为计划检修时间,用阿拉伯数字表示,如:2009年08月25日(文件包中的所有年月日均要求按该格式填写)。
2.1.6 第十行为发电单位的名称,必须使用全称。
2.1.7 第十一行为文件包开始交付检修单位使用的时间。
2.2 检修文件包编审表2.2.1 检修单位(部门)编审人员:“编写人”应为编写该文件包的班组技术员,“审核人”应为单位(部门)的专业主管,“审定人”为检修单位(部门)负责人或总(副)工程师或分管生产的领导。
600MW机组检修文件包GL-049 气化风机大修检修单位负责人检修工作负责人检修单位技术负责人检修时间:年月日至年月日600MW 机组检修程序GL-049气化风机检修编制审核批准年月日版次1********辅助设备修后再鉴定申请表设备再鉴定组:今有所属工作负责人检修的设备已完成程序文件的要求的检修任务,设备已恢复至可以投入运行状态,文明生产工作已经做好,检修程序文件已填写齐全,可以进行修后再鉴定工作,请安排于进行再鉴定,我方设备检修工作负责人和质量控制人员将准时到达再鉴定现场。
请答复。
谢谢!检修单位:。
再鉴定组收到时间:,接收人:再鉴定组答复时间:,批准人:********辅助设备修后再鉴定申请表设备再鉴定组:今有所属工作负责人检修的设备已完成程序文件的要求的检修任务,设备已恢复至可以投入运行状态,文明生产工作已经做好,检修程序文件已填写齐全,可以进行修后再鉴定工作,请安排于进行再鉴定,我方设备检修工作负责人和质量控制人员将准时到达再鉴定现场。
请答复。
谢谢!检修单位:。
再鉴定组收到时间:,接收人:再鉴定组答复时间:,批准人:检修总结报告单位年月日,1检修工期:计划:年月日到年月日,共计:天实际:年月日到年月日,共计:天2人工:计划:工时,实际:工时。
3检修费用:计划:万元,实际:万元。
4备品备件、材料消耗情况:5检修中进行的主要工作:6检修中发现并消除的主要缺陷:7设备的变更或改进情况,8质量控制点执行情况:9尚未消除的缺陷及未消除原因:10验收意见和评价:11其他:不合格品报告处置单不合格品评审记录。